烧结普通砖
- 格式:doc
- 大小:54.50 KB
- 文档页数:10
烧结普通砖强度检测报告一、引言烧结普通砖是一种常见的建筑材料,其强度是衡量其质量和可靠性的关键指标之一、为了保证建筑安全和耐久性,对砖体的强度进行准确的检测十分必要。
本报告旨在通过对烧结普通砖的强度检测实验,评估该材料的力学性能并提供相应的检测结果和分析。
二、实验方法1.实验材料:烧结普通砖样品;2.实验设备:万能材料试验机、测力计、水平仪等;3.实验步骤:-将砖体样品放置在试验机的下压平台上,并调整样品的水平度;-设置试验机的加载速率和加载方式;-开始加载,记录加载过程中的载荷和位移数据;-当砖体出现破坏或载荷达到一定数值时停止加载。
三、实验结果根据上述实验方法,我们进行了多组烧结普通砖的强度检测实验,并得到了如下的实验结果:1.强度数据:试验编号,砖体尺寸(mm),载荷(N),砖体强度(MPa):---:,:---:,:---:,:---:1,200×100×50,1000,5.002,200×100×50,1200,6.003,200×100×50,1500,7.504,200×100×50,800,4.005,200×100×50,1000,5.002.图表分析:[在此处插入实验数据的图表,可以使用柱状图或折线图展示每组试验的砖体强度]四、数据分析与讨论通过对烧结普通砖的强度检测实验,我们可以得出以下结论:1.砖体强度的平均值为5.10MPa,最大值为7.50MPa,最小值为4.00MPa;2. 砖体的尺寸和强度之间存在着一定的相关性。
在本次实验中,尺寸为200×100×50 mm的砖体相对于更小尺寸的砖体具有更高的强度;3.砖体的强度差异可能是由于砖材质、砖体制备和实验条件的差异所致。
在进一步的研究中,可以通过优化砖体的配比和烧结工艺,进一步提高其强度和稳定性。
五、结论通过对烧结普通砖的强度检测实验,我们得出以下结论:1.砖体的强度平均值为5.10MPa,材料具有一定的强度和可靠性;2.砖体的尺寸对于其强度具有一定影响,较大尺寸的砖体相对于较小尺寸的砖体具有更高的强度;3.在实际应用中,应根据具体的工程需求选择合适尺寸和强度的砖体,以确保建筑的承载能力和安全性。
烧结普通砖试验报告实验名称:烧结普通砖试验实验目的:1.探究烧结温度对普通砖物理性能的影响;2.了解砖的烧结过程;3.分析不同烧结温度下砖的力学性能。
实验原理:普通砖是由黏土和其他材料通过制模、干燥和烧结等工序而成的砖块。
砖的制作过程中,黏土是主要原料,其便携性、容易成型且在烧结过程中能够产生化学变化,使黏土变得坚硬耐用。
普通砖的制作步骤:1.黏土准备:将黏土与一定比例的砂、煤灰等混合物按照工艺要求搅拌均匀;2.制模成型:将混合物加水搅拌成泥浆,通过制模机进行成型;3.真空抽水:将成型的砖块通过真空泵抽水,去除泥浆中多余的水分,提高砖坯强度;4.干燥:将排水后的砖坯静置自然干燥,使砖坯失水;5.烧结:将干燥的砖坯放入窑炉中进行烧结,烧结温度和时间根据黏土成分和要求确定;6.冷却:烧结完毕后,将窑内的砖块冷却,待温度降至可触摸范围时取出。
实验步骤:1.选择几个不同温度的窑炉,如800°C、900°C、1000°C、1100°C和1200°C;2.将相同比例的黏土混合物制模成形;3.将制作好的砖块放入不同温度下的窑炉中进行烧结,每个温度下的时间相同;4.烧结结束后将烧结好的砖块冷却至室温;5.测试砖块的物理性能,包括密度、吸水率和抗压强度。
实验结果与分析:根据实验结果,烧结温度对普通砖的物理性能有明显影响。
随着温度的升高,砖块的密度逐渐增大,吸水率逐渐降低,抗压强度逐渐增加。
砖的烧结过程是一个热工过程,当温度达到一定程度时,砖块中的黏土颗粒开始发生变化,形成新的结晶物质,这些新的结晶物质之间存在着矿物粘合剂,使砖块变得坚硬。
随着温度升高,结晶物质的形成程度加深,黏土颗粒之间结合更紧密,因此砖块的密度和抗压强度逐渐增加。
同时,高温下的烧结过程还能够使砖块内部的气孔等缺陷得到修复,从而降低了砖块的吸水率。
结论:烧结温度是影响普通砖物理性能的重要因素。
在本实验中,当烧结温度从800°C提高到1200°C时,砖的密度逐渐增大,吸水率逐渐降低,抗压强度逐渐增加。
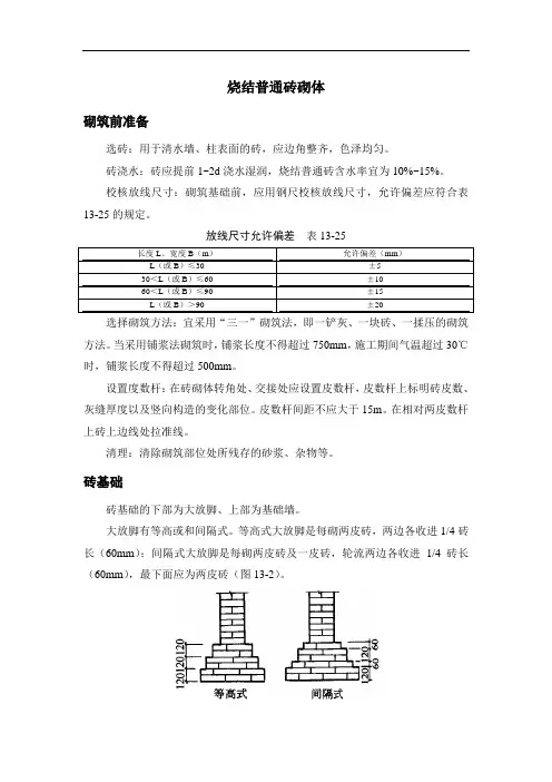
烧结普通砖砌体砌筑前准备选砖:用于清水墙、柱表面的砖,应边角整齐,色泽均匀。
砖浇水:砖应提前1~2d浇水湿润,烧结普通砖含水率宜为10%~15%。
校核放线尺寸:砌筑基础前,应用钢尺校核放线尺寸,允许偏差应符合表13-25的规定。
放线尺寸允许偏差表13-25长度L、宽度B(m)允许偏差(mm)L(或B)≤30 ±530<L(或B)≤60 ±1060<L(或B)≤90 ±15L(或B)>90 ±20选择砌筑方法:宜采用“三一”砌筑法,即一铲灰、一块砖、一揉压的砌筑方法。
当采用铺浆法砌筑时,铺浆长度不得超过750mm,施工期间气温超过30℃时,铺浆长度不得超过500mm。
设置度数杆:在砖砌体转角处、交接处应设置皮数杆,皮数杆上标明砖皮数、灰缝厚度以及竖向构造的变化部位。
皮数杆间距不应大于15m。
在相对两皮数杆上砖上边线处拉准线。
清理:清除砌筑部位处所残存的砂浆、杂物等。
砖基础砖基础的下部为大放脚、上部为基础墙。
大放脚有等高或和间隔式。
等高式大放脚是每砌两皮砖,两边各收进1/4砖长(60mm);间隔式大放脚是每砌两皮砖及一皮砖,轮流两边各收进1/4砖长(60mm),最下面应为两皮砖(图13-2)。
图13-2 砖基础大放脚形式砖基础大放脚一般采用一顺一丁砌筑形式,即一皮顺砖与一皮丁砖相间,上下皮垂直灰缝相互错开60mm。
砖基础的转角处、交接处,为错缝需要应加砌配砖(3/4砖、半砖或1/4砖)。
图13-3所示是底宽为2砖半等高式砖基础大放脚转角处分皮砌法。
图13-3 大放脚转角处分皮砌法砖基础的水平灰缝厚度和垂直灰缝宽度宜为10mm。
水平灰缝的砂浆饱满度不得小于80%。
砖基础底标高不同时,应从低处砌起,并应由高处向低处搭砌,当设计无要求时,搭砌长度不应小于砖基础大放脚的高度(图13-4)。
图13-4 基底标高不同时,砖基础的搭砌砖基础的转角处和交接处应同时砌筑,当不能同时砌筑时,应留置斜槎。
烧结普通砖的用途
烧结普通砖是我们日常生活中常见的一种建筑材料。
它由粘土和其他
材料制成,经过一系列的处理工艺后,进行高温烧制而成。
烧结普通
砖的使用范围非常广泛,下面我们将介绍一些常见的用途。
1. 建筑墙体
烧结普通砖是建筑墙体中最常用的材料之一。
由于其良好的耐久性和
可靠性,使得其在建筑行业中广受欢迎。
普通砖有着千变万化的颜色
和质地,可以满足不同客户的需求。
2. 地面铺装
在道路建设和广场铺装等方面,烧结普通砖也被广泛应用。
相比于其
他材料,普通砖具有耐磨、抗压的优势,而且还可以制作成不同的花
纹和颜色,从而给我们的城市带来更美观的景象。
3. 水池和排水系统
由于普通砖的质地坚硬,所以可以在水池和排水系统的建设中使用。
其抗腐蚀和抗水性能更是集中体现了出来,可以有效的延长使用寿命。
4. 园林和景观设计
在园林和景观设计方面,烧结普通砖也扮演着重要的角色。
这些普通
砖由于色彩斑斓、形状多样,因此被运用在不同的场所,例如庭院、
走廊、花坛等,让园林景观更具有生活情趣和特色。
总之,烧结普通砖是一种耐用且多功能的建筑材料,其使用范围广泛,被运用于许多不同的领域,如建筑墙体、地面铺装、水池和排水系统、园林和景观设计等。
我相信它在未来的应用也会越发广泛,给我们的
生活和城市环境带来更多美好的改变。
烧结普通砖检验报告
一、检验目的
本次检验的目的是对生产的烧结普通砖进行质量评估,确认其符合国
家标准和相关技术要求,以保证建筑工程的施工质量。
二、检验范围
本次检验主要对以下几个方面进行了检测:
1.砖的外观质量检测;
2.抗压强度测试;
3.吸水率及爆裂率测试;
4.硬度测试;
5.尺寸偏差测量。
三、检验方法和仪器
1.外观质量检测:通过目测检查砖的表面是否平整、颜色是否均匀、
是否有明显破损或开裂等;
5.尺寸偏差测量:使用测量工具对砖的尺寸进行测量,判断尺寸是否
超过国家标准中的误差范围。
四、检验结果与评定
1.外观质量检测:经检查,所检砖的表面平整度良好,颜色均匀一致,无明显破损或开裂现象;
5.尺寸偏差测量:进行尺寸测量,并将测量结果与国家标准中的误差范围进行比对,结果显示所有砖的尺寸偏差都在允许范围之内。
根据上述检验结果,我们认为所检样品的烧结普通砖符合国家标准和相关技术要求,可满足建筑工程的使用要求。
五、检验结论
所检样品的烧结普通砖在外观质量、抗压强度、吸水率及爆裂率、硬度、尺寸偏差等方面均符合国家标准和相关技术要求,能够满足建筑工程的使用要求。
六、建议
虽然样品砖的质量检验结果符合标准要求,但在实际建设过程中还需注意以下几点:
1.施工现场应根据实际情况,制定严格的砌筑方案,确保砌筑质量;
2.在运输和搬运过程中,要注意避免砖块的破碎或损坏;
3.在进行砖块砌筑时,应注意砖缝的施工,确保砌筑的牢固性和密实性。
烧结普通砖、烧结多孔砖墙砌体本章适用于一般工业与民用建筑承重结构的烧结普通砖和多孔砖的砌筑工程。
一、材料要求(一)砖:1品种、强度等级必须符合设计要求,且砖的强度等级不小于MU10,并有出厂合格证、产品性能检测报告。
清水墙的砖应色泽均匀,边角整齐。
砂浆强度不小于M5。
严禁使用粘土实心砖。
2基础不得采用多孔砖,可采用煤矸石页岩实心砖。
(二)水泥:1 一般宜采用32.5级的普通硅酸盐水泥或矿渣硅酸盐水泥。
2水泥进场使用前,应分批对其强度、凝结时问、安定性进行复验。
3当在使用中对水泥的质量有怀疑或水泥出厂超过3个月(快硬硅酸盐水泥超过1个月)时,应复查试验,并按结果使用。
4不同品种的水泥不得混合使用。
(三)砂:用中砂,含泥量不超过5%,不得含有草根等杂物,使用前应用5mm 孔径的筛子过筛。
(四)掺合料:混合砂浆采用石灰膏、粉煤灰和磨细生石灰粉等,磨细生石灰粉熟化时间不得少于7d。
(五)其他材料:拉结筋及预埋件、刷防腐剂的木砖等。
二、主要机具搅拌机、磅秤、垂直运输设备、大铲、刨锛、瓦刀、扁子、托线板、线坠、小白线、卷尺、2m靠尺、楔形塞尺,筛子、水平尺、皮数杆、小水桶、灰槽、砖夹子、扫帚等。
三、作业条件(一)基础墙砌筑:1 基槽、混凝土或灰土地基均已完成,并办完隐检手续。
2 已放好基础轴线及边线;立好皮数杆(一般间距15~20m,转角处均应设立),并办完预检手续。
3 根据皮数杆最下面一层砖的底标高,拉线检查基础垫层表面标高,如一层砖的水平灰缝大于20mm时,应先用细石混凝土找平,严禁在砌筑砂浆中掺细石代替或用砂浆垫平,严禁砍砖合子找平。
(二)墙体砌筑:1 完成室外及房心回填土,安装好暖气沟盖板。
办完各项隐检手续。
2 办完地基、基础工程隐检手续。
3 按标高抹好水泥砂浆防潮层。
4 弹好轴线墙身线,根据进场砖的实际规格尺寸,弹出门窗洞口位置线,经验线符合设计图纸尺寸要求,办完预检手续。
5 按设计标高要求立好皮数杆,皮数杆的间距以15~20m 为宜。
烧结普通砖的名词解释烧结普通砖是一种常见的建筑材料,具有广泛的应用领域。
在我们的日常生活中,砖是我们最常接触到的建筑材料之一。
不论是公共建筑、住宅小区还是园林景观,砖都扮演着重要的角色。
其中,烧结普通砖作为最常见、最基础的砖种之一,承载着人们对建筑的各种期待。
那么,什么是烧结普通砖呢?烧结普通砖是一种经过高温烧结而成的建筑材料,由黏土、石灰石、煤炭等原材料经过制备、成型、烧制等工艺过程而得。
它具备较高的强度、较好的耐候性和抗风压能力,成为建筑领域中不可或缺的材料之一。
烧结普通砖的生产工艺十分严谨,一般有以下几个步骤:首先,选材是关键。
原材料的选择对于砖的质量至关重要。
黏土是最常用的原材料之一,而不同地区的黏土成分和质量各有差异,因此需要针对具体场地进行选材。
其次,制备黏土浆料。
通过加水和搅拌等操作,将黏土破碎、分散,并得到质地细腻的黏土浆料,用于后续的成型工艺。
然后,成型。
将黏土浆料倒入模具中,通过振动压实等手段,使黏土浆料紧密结合,形成绿坯。
最后,进行烧制。
将绿坯放入定型炉中,通过高温的作用,使绿坯中的黏土颗粒结合成坚硬的砖体,并且经过降温过程后,砖体逐渐冷却,形成烧结普通砖。
烧结普通砖具有多种优点。
首先,它的强度高,能够承受建筑结构的重压。
这是由于烧结过程中黏土颗粒间的结合变得更为紧密。
其次,烧结普通砖具备较好的耐候性。
在恶劣的气候条件下,砖体不易受潮、龟裂,能够保持较长时间的稳定性。
另外,烧结普通砖还具备良好的保温性能和隔音性能,能够有效阻挡外界温度和噪声的侵入。
此外,烧结普通砖的表面较为光滑,美观大方,可以直接应用于建筑装饰,提升建筑物的美观度。
然而,烧结普通砖也存在一些缺点。
首先,它的耐火性相对较差。
由于烧结普通砖的烧制温度较低,无法使其具备良好的耐火性能。
在遭受高温环境时,烧结普通砖容易发生变形和崩塌。
其次,烧结普通砖的吸水性较高。
当遭受雨水或潮湿环境时,砖体会吸水膨胀,从而导致龟裂。
1.烧结普通砖国家标准GB5101-2003《烧结普通砖》规定,凡以黏土、页岩、煤矸石和粉煤灰等为主要原料,经成型、焙烧而成的实心或孔洞率不大于15%的砖,称为烧结普通砖。
烧结普通砖分烧结粘土砖、烧结页岩砖、烧结煤矸石砖、烧结粉煤灰砖等。
通常尺寸为240mm×115mm×53mm(下图)(烧结多孔砖)2.烧结多孔砖(上图)以粘土、页岩、煤矸石、粉煤灰、淤泥(江河湖淤泥)及其它固体废弃物等为主要原料,经焙烧而成,主要用于建筑物承重部位。
3.蒸压灰砂砖(下图)蒸压灰砂砖适用于各类民用建筑、公用建筑和工业厂房的内、外墙,以及房屋的基础。
是替代烧结粘土砖的产品。
蒸压灰砂砖以适当比例的石灰和石英砂、砂或细砂岩,经磨细、加水拌和、半干法压制成型并经蒸压养护而成。
(粉煤灰砖)4.粉煤灰砖(上图)粉煤灰砖的主要原材料是粉煤灰、石灰、石膏、电石渣、电石泥等工业废弃固态物。
5.混凝土小型空心砌块混凝土小型空心砌块是以水泥为胶凝材料,添加砂石等粗细为骨料,经计量配料、加水搅拌,振动加压成型,经养护制成的具有一定空心率的砌块材料。
6.轻骨料混凝土小型空心砌块轻骨料混凝土小型空心砌块是以水泥和轻质集料为主要原料,按一定的配合比拌制成轻骨料混凝土拌合物,经砌块成型机成型与适当养护制成的轻质墙体材料。
轻质骨料根据其来源可以划分为三类:①天然轻骨料;②工业废渣轻骨料;③人造轻骨料。
7.空心砖空心砖分为水泥空心砖,粘土空心砖,页岩空心砖。
8. 蒸压加气混凝土砌块蒸压加气混凝土砌块是用钙质材料(如水泥、石灰)和硅质材料(如砂子、粉煤灰、矿渣)的配料中加入铝粉作加气剂,经加水搅拌、浇注成型、发气膨胀、预养切割,再经高压蒸汽养护而成的多孔硅酸盐砌块。
烧结普通砖和烧结多孔砖的分类及代号全文共四篇示例,供读者参考第一篇示例:烧结普通砖和烧结多孔砖是建筑施工中常用的材料之一,它们在建筑物的墙体、地板和屋顶等部位起着重要的作用。
烧结普通砖和烧结多孔砖在实际使用中有不同的分类和代号,下面我将详细介绍这两种砖的分类及代号。
首先是烧结普通砖。
烧结普通砖是一种以黏土为主要原料,通过高温烧结而成的建筑材料。
根据材料的不同,烧结普通砖可以分为红砖、黄砖和青砖等几种类型。
红砖是最常见的一种烧结普通砖,它的成分主要是黏土和铁氧化物,经过高温烧结后呈现出红色的外观。
黄砖和青砖在不同的地域和使用要求下也会有一定比例的应用。
烧结普通砖的分类代号通常是根据其尺寸和强度等特性来确定的。
一般来说,烧结普通砖的尺寸有常规砖和特种砖两种,常规砖一般指的是长宽高分别为240mm、115mm和53mm的砖坯,而特种砖则是指尺寸大于或小于常规砖的其他砖坯。
在强度方面,烧结普通砖通常分为7.5MPa、10MPa、15MPa和20MPa等几个等级,这些等级代表了砖坯在实际使用中的承载能力和耐磨性。
接下来是烧结多孔砖。
烧结多孔砖是一种以粘土和煤灰为主要原料,通过高温烧结而成的建筑材料。
与烧结普通砖相比,烧结多孔砖的孔隙率更高,因此具有更好的隔热和保温性能。
根据材料和生产工艺的不同,烧结多孔砖可以分为空心多孔砖、实心多孔砖和轻质多孔砖等几种类型。
烧结普通砖和烧结多孔砖在建筑材料中都有重要的地位,它们在建筑施工中起着不可替代的作用。
通过对这两种砖的分类及代号的详细介绍,我们可以更好地理解和使用它们,为建筑施工的顺利进行提供有力支持。
希望本文的介绍对大家有所帮助,谢谢!第二篇示例:烧结砖是建筑行业中常见的材料之一,主要用于建筑墙体、地面和其他建筑构件的建造。
根据不同的用途和性能要求,烧结砖可以分为烧结普通砖和烧结多孔砖两大类。
本文将从分类、代号、特点等几个方面对这两类砖进行详细介绍。
一、烧结普通砖的分类及代号1. 表面平整度及色泽烧结普通砖按其表面平整度及色泽分为A类、B类和C类砖。
第2章烧结砖主讲:徐国强在房屋建筑中墙体占整个建筑物重量的二分之一,用工量及造价的三分之一左右。
因此墙体材料是建筑工程中十分重要的建筑材料,烧结砖在墙体材料中占很大比重。
烧结砖可分为烧结普通砖、烧结多孔砖和烧结空心砖。
烧结砖的原料来源广泛,有较高的强度、保温隔热性能和很好的耐久性,而且有较好的装饰性。
第1节烧结普通砖通过高温焙烧而制成的烧结砖,按孔洞率将其分为烧结普通砖、烧结多孔砖和烧结空心砖三类。
烧结普通砖是指以粘土、页岩、煤矸石或粉煤灰为主要原料,经焙烧而成的普通实心砖。
包括粘土砖(N)、页岩砖(Y)、煤矸石砖(M)、粉煤灰砖(F)等多种。
粘土砖耗用大量农田,且生产中会逸放氟、硫等有害气体,能耗高,需限制生产,并逐步淘汰,不少城市已经禁止使用。
粘土烧结砖煤矸石烧结砖粉煤灰烧结砖一、生产简介1、粘土原料粘土是天然岩石经过长期自然风化而成的多种矿物的混合体,主要成分是高岭石O3·2SiO2·2H2O)及杂质矿物石英砂、云母、(Al2碳酸盐、铁质矿物、有机质等。
根据耐火度的不同,可分为耐火粘土、难熔粘土及易熔粘土,烧结砖采用砂质易熔粘土。
粘土的主要性质:①可塑性:加适量水经调制后可称为具有可塑性的泥膏——能制成各种形状产品的一个重要工艺性能。
②收缩性:粘土坯体在干燥及焙烧过程中体积会收缩,干缩一般为5%~12%,烧缩一般为1%~2%。
③烧结性与可溶性:粘土在焙烧时将发生一系列物理化学变化。
烧结温度一般在1000℃左右,如温度太高,坯体将软化变形,直至熔融,因此烧砖时应达到一定烧结程度,避免出现熔融现象。
2、烧结砖的生产工艺过程生产工艺:取土→配料调制→制坯→干燥→焙烧→冷却→成品最重要环节:焙烧欠火砖:因未达到烧结温度或保持烧结温度时间不足而使砖形成黄皮生心的砖,该砖颜色较浅、击之声哑、强度低、耐久性差。
过火砖:因超过烧结温度或保持烧结温度时间过长的砖,其特征是颜色较深、击之声音响亮、强度较高、耐久性好,但有时出现弯曲变形。
普通烧结砖的技术要求主要包括以下几个方面:
1. 尺寸和偏差:砖的尺寸应符合标准要求,长度、宽度和高度的偏差应在规定范围内。
2. 外观质量:砖的表面应平整、光滑,无裂纹、无缺角、无变形等缺陷。
3. 质量:砖的密度、强度和吸水率等物理性能应符合标准要求。
4. 抗冻性:砖的抗冻性能应符合标准要求,能够在寒冷地区使用。
5. 热工性能:砖的导热系数、热容量等热工性能应符合建筑节能要求。
6. 耐久性:砖应具有良好的耐久性,能够抵抗各种自然环境的影响。
7. 环保性:砖的生产过程应符合环保要求,产品应无放射性、无污染。
以上是对普通烧结砖技术要求的总结。
1.烧结普通砖国家标准GB5101-2003《烧结普通砖》规定,凡以黏土、页岩、煤矸石和粉煤灰等为主要原料,经成型、焙烧而成的实心或孔洞率不大于15%的砖,称为烧结普通砖。
烧结普通砖分烧结粘土砖、烧结页岩砖、烧结煤矸石砖、烧结粉煤灰砖等。
通常尺寸为240mm×115mm×53mm(下图)(烧结多孔砖)2.烧结多孔砖(上图)以粘土、页岩、煤矸石、粉煤灰、淤泥(江河湖淤泥)及其它固体废弃物等为主要原料,经焙烧而成,主要用于建筑物承重部位。
3.蒸压灰砂砖(下图)蒸压灰砂砖适用于各类民用建筑、公用建筑和工业厂房的内、外墙,以及房屋的基础。
是替代烧结粘土砖的产品。
蒸压灰砂砖以适当比例的石灰和石英砂、砂或细砂岩,经磨细、加水拌和、半干法压制成型并经蒸压养护而成。
(粉煤灰砖)4.粉煤灰砖(上图)粉煤灰砖的主要原材料是粉煤灰、石灰、石膏、电石渣、电石泥等工业废弃固态物。
5.混凝土小型空心砌块混凝土小型空心砌块是以水泥为胶凝材料,添加砂石等粗细为骨料,经计量配料、加水搅拌,振动加压成型,经养护制成的具有一定空心率的砌块材料。
6.轻骨料混凝土小型空心砌块轻骨料混凝土小型空心砌块是以水泥和轻质集料为主要原料,按一定的配合比拌制成轻骨料混凝土拌合物,经砌块成型机成型与适当养护制成的轻质墙体材料。
轻质骨料根据其来源可以划分为三类:①天然轻骨料;②工业废渣轻骨料;③人造轻骨料。
7.空心砖空心砖分为水泥空心砖,粘土空心砖,页岩空心砖。
8. 蒸压加气混凝土砌块蒸压加气混凝土砌块是用钙质材料(如水泥、石灰)和硅质材料(如砂子、粉煤灰、矿渣)的配料中加入铝粉作加气剂,经加水搅拌、浇注成型、发气膨胀、预养切割,再经高压蒸汽养护而成的多孔硅酸盐砌块。
烧结普通砖时间: 2003-10-15 11:03:51 | [<<][>>]1主题内容与适用范围本标准规定了烧结普通砖的产品分类、技术要求、试验方法、检验规则、产品合格证、堆放和运输等。
本标准适用于以粘土、页岩、媒矸石、粉煤灰为主要原料经焙烧而成的普通砖(以下简称砖)。
2引用标准GB/T 2542砌墙砖试验方法GB 5348砖和砌块名词术语JC 466砌墙砖检验规则3术语本标准采用GB 5348和JC 466的术语。
4产品分类4.1品种按主要原料砖分为粘土砖(N)、页岩砖(Y)、煤矸石砖(M)和粉煤灰砖(F)。
4.2质量等级4.2.1根据抗压强度分为MU30、MU25、MU20、MU15、MU10、MU7.5六个强度等级。
4.2.2抗风化性能合格的砖,根据尺寸偏差、外观质量、泛霜和石灰爆裂分为优等品(A)、合格品(C)两个产品等级,强度等级MU7.5的砖不能作为优等品。
优等品可用于清水墙建筑,合格品可用于混水墙建筑。
中等泛霜的砖不得用于潮湿部位。
4.3产品标记砖的产品标记按产品名称、品种、强度等级、产品等级和标准编号顺序编写。
示例如下:强度等级MUI5,合格品的粘土砖,其标记为:烧结普通砖N MU15 C CB 51015技术要求5.1尺寸允许偏差尺寸允许偏差应符合表1规定。
表1 mm公称尺寸样本平均偏差样本极差优等品合格品优等品合格品长度 240 ±2.0 8 8宽度 115 ±1.5 6 6高度 53 ±1.5 4 55.2 外观质量5.2.1 砖的外观质量应符合表2的规定.表 2项目优等品合格品两条面高度差不大于 2 5弯曲不大于 2 5杂质凸出高度不大于 2 5缺棱掉角的三个破坏尺寸不得同时大于 15 30裂纹长度不大于a. 大面上宽度方向及其延伸至条面的长度 70 110b. 大面上长度方向及其延伸至顶面的长度或顶面上的水平裂纹的长度 100 150完整面一条面和顶面 -注:完整面系指宽度中有大于1mm的裂纹长度不得超过30mm;条顶面上造成的破坏面不得同时大于10mm ×20mm。
5.2.2 颜色优等品:基本一致。
合格品:无要求。
5.3 强度等级强度等级应符合表3的规定。
表 3强度等级平均值 R≥标准值 fk≥MU 30 30.0 23.0MU 25 25.0 19.0MU 20 20.0 14.0MU15 15.0 10.0MU10 10.0 6.5MU7.5 7.5 5.05.4 抗风化性能5.4.1 严重风化区中的1,2,3,4,5地区抗冻性必须符合表4规定。
风化区的划分见附录A(补充件)。
5.4.2 严重风化区(除5.4.2地区外)和非常严重风化区砖的抗风化性能符合表5规定可不做冻融试验,否则必须符合表4规定。
表 4强度等级抗压强度平均值,Mpa 单块砖的干质量损失,%≥≤30 23.0 2.025 19.0 2.020 14.0 2.015 10.0 2.010 6.5 2.07.5 5.0 2.0表 5项目严重风化区非严重风化区5h沸煮吸水率,%≤饱和系数≤ 5h沸煮吸吸水率,%≤饱和系数≤砖种类平均值单块最大值平均值单块最大值平均值单块最大值平均值单块最大值粘土砖 19 21 0.80 0.82 23 25 0.88 0.90粉煤灰砖1)20 22 0.80 0.82 30 32 0.88 0.90页岩砖 15 17 0.72 0.74 18 20 0.78 0.80煤矸石砖1820 0.72 0.74 21 23 0.78 0.80注:1)粉煤灰掺入量(体积比)小于50%时,按粘土砖规定。
5.5泛霜每块砖样应符合下列规定:优等品:无泛霜。
合格品:不得严重泛霜。
5.6石灰爆裂优等品:不允许出现最大破坏尺寸大于2mm的爆裂区域。
合格品:a. 最大破坏尺寸大于2mm且小于等于15mm的爆裂区域,每组砖样不得多于15处。
其中大于10mn、的不得多于7处。
6.不允许出现最大破坏尺寸大于15mm的爆裂区域。
5.7产品中不允许有欠火砖、酥砖和螺旋纹砖。
6试验方法6.1尺寸偏差检验样品数为20块,其方法按GB/T 2542进行,其中每一尺寸精确至0.5mm,每一方向以两个测量尺寸的算术平均值表示。
样本平均偏差是20块砖样规格尺寸的算术平均值减去其公称尺寸的差值,样本极差是抽检的20块砖样中最大测定值与最小值之差值。
6.2外观质量检验按GB/T 2542进行。
颜色的检验:抽砖样20块,条面朝上随机分两排并列,在自然光下距离砖面2m处目测外露的条顶面。
6.3抗压强度试验按GB/T 2542进行。
其中砖样数量为10块,加荷速度为5±0.5kN/s,强度标准值按式(1)计算:∫k=R平均-2.1S (1)S={(1/9)∑(Ri-R平均)[2]}[0.5] (2)式中:∫----强度标准值,MPa;R平均10块砖样的抗压强度算术平均值,MPa;S---10块砖佯的抗压强度标准差由(2)式计算,MPa*Ri---单块砖样抗压强度的测定值。
6.4冻融试验样品为5块,其方法按GB/T 2542进行。
6.5石灰爆裂、泛霜、吸水率和饱和系数按GB/T 2542进行。
7检验规则7.1检验分类7.1.1产品检验分出厂检验和型式试验。
7.1.2每批出厂产品必须进行出厂检验,外观质量检验在生产厂内进行。
7.1.3当产品有下列情况之一时应进行型式检验:a. 新厂生产试制定型检验;6.正式生产后,原材料、工艺等发生较大改变,可能影响产品性能时;c. 正常生产时,每半年应进行一次;。
d.出厂检验结果与上次型式检验结果有较大差异时;e. 国家质量监督机构提出进行型式检验时。
7.2检验项目7.2.1出厂检验项目包括尺寸偏差、外观质量和强度等级。
7.2.2型式检验项目包括出厂检验项目、抗风化性能、石灰爆裂和泛霜。
7.3批量。
检验批的构成原则和批量大小按JC 466规定。
不足3.5万块按一批计。
7.4抽样。
7.4.1外观质量检验的砖样采用随机抽样法在每一检验批的产品堆垛中抽取。
7.4.2尺寸偏差检验的样品用随机抽样法从外观质量检验后的样品中抽取。
其他检验项目的样品用随机抽样法从外观质量和尺寸偏差检验后的样品中抽取。
只进行单项检验时可直接从检验批中随机抽取。
7.4.3抽样数量按表6进行。
表 6序号检验项目抽样数量,块1 外观质量 50(n1=n2=50)2 尺寸偏差 203 强度等级 104 泛霜 55 石灰爆裂 56 冻融 57 吸水率和饱和系数 57.5判定规则7.5.1尺寸偏差和强度等级尺寸偏差符合表1优等品或合格品规定,判尺寸偏差为优等品或合格品;强度等级符合表3的规定判强度等级合格,否则判不合格。
7.5.2外观质量外观质量采用二次抽样方案,根据表2规定的质量指标,检查出其中的不合格品块数,按JC466“外观质量抽样方案”判定。
7.5.3抗风化性能抗风比性能符合5.4条的规定,判抗风化性能合格,否则判不合格。
7.5.4石灰爆裂和泛霜石灰爆裂和泛霜试验应分别符合5.5条和5.6条优等品或合格品,则分别判石灰爆裂和泛霜为优等品或合格品。
7.5.5总判定7.5.5.1每一批出厂产品的质量等级按出厂检验项目的检验结果和抗风化性能,石灰爆裂及泛霜的型式检验结果综合判定。
7.5.5.2每一型式检验的质量等级按全部检验项目的检验结果综合判定。
7.5.5.3抗风化性能、强度等级合格,按尺寸偏差、外观质量、石灰爆裂、泛霜中最低的质量等级判定。
其中有一项不合格则判为不合格。
7.5.5.4外观检验中有欠火砖、酥砖或螺旋纹砖则判该批产品不合格。
8产品合格证、堆放和运输8.1出厂产品应有产品合格证,产品合格证主要内容包括:a.生产厂名;b.商标;c.批号;d.产品标记;e.本批产品实测技术性能和生产日期。
8.2砖应按品种、强度等级和产品等级分别堆放,不得混杂。
8.3装卸时应避免碰撞摔打,轻拿轻放。
附录A凤化区的划分(补充件)A1风化区用风化指数进行划分。
A2风化指数是指日气温从正温降至负温或从负温升至正温的每年平均天数与每年从霜冻之日起至消失霜冻之日止这一期间降雨总量(以mm计)的平均值的乘积。
A3风化指数大于等于12700为严重风化区,风化指数小于12700为非严重风化区。
表 1严重风化区非严重风化区1.黑龙江省 9. 陕西省 1.山东省 10.湖南省2.吉林省 10.山西省 2.河南省 11.福建省3.辽宁省 11.河北省 3.安徽省 12.台湾省4.内蒙古自治区 12.北京市 4.江苏省 13.广东省5.新疆维吾尔自治区 13.天津市 5.湖北省 14.广西壮族自治区6.宁夏回族自治区 6.江西省 15.海南省7.甘肃省 7.浙江省 16.云南省8.青海省 8.四川省 17.西藏自治区9.贵州省 18.上海市。