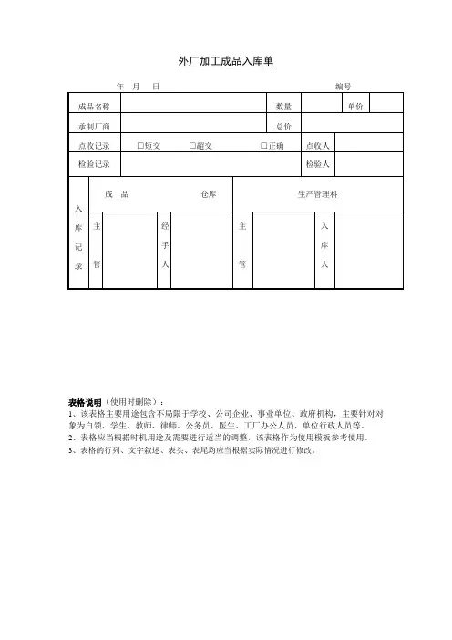
外厂加工成品缴库单
- 格式:docx
- 大小:81.55 KB
- 文档页数:2
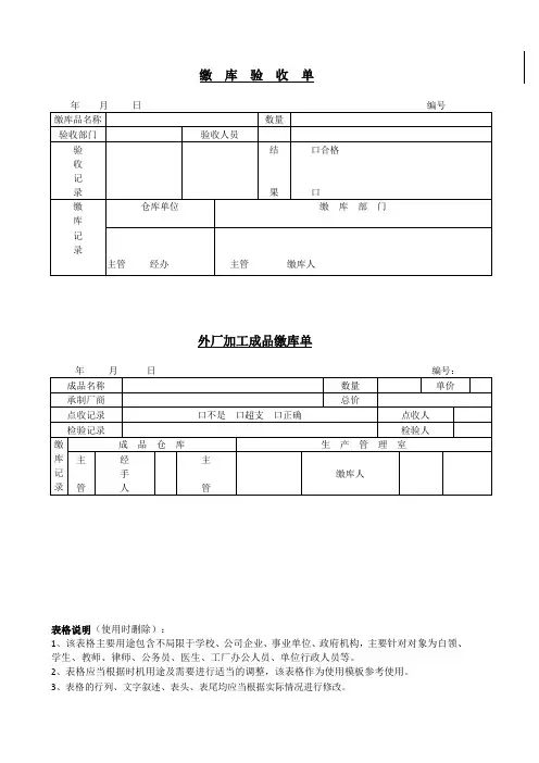
缴库验收单
年月日编号缴库品名称数量
验收部门验收人员
验收记录结
果
口合格
口
缴
库
仓库单位缴库部门
记
录
主管经办主管缴库人
外厂加工成品缴库单
年月日编号:成品名称数量单价承制厂商总价
点收记录口不是口超支口正确点收人
检验记录检验人
缴库记录
成品仓库生产管理室主
管
经
手
人
主
管
缴库人
表格说明(使用时删除):
1、该表格主要用途包含不局限于学校、公司企业、事业单位、政府机构,主要针对对象为白领、学生、教师、律师、公务员、医生、工厂办公人员、单位行政人员等。
2、表格应当根据时机用途及需要进行适当的调整,该表格作为使用模板参考使用。
3、表格的行列、文字叙述、表头、表尾均应当根据实际情况进行修改。
成品缴库单操作规范
将生产出的产品,通过成品缴库后才能在仓库中体现,如使用BOM系统的客户是不需要走这流程,因为它在领料的同时就完成缴库动作。
只要有经过领料生产流程的客户,都必须走这一流程。
操作步骤及栏位说明:
缴库日期:指输入资料的当天,而缴库单号字段元系统会根据本系统的编码原
则,按顺序号编的号,也可以按您需要手工输入。
制令单号:指依据制令单进行缴库,而订单号码是说明制令单源于那张订单
有效日期:指货品的过期日
结案制令单:指如某张制令单已全部生产完,则在最后一次缴库时,系统会
自动结案制令单,若生产的成品数量不够就想结案制令单,可人工
在此处打√。
STEP1: 输入成品缴库日期,此时系统会自动生成缴库单号;
STEP2:在制令单号处点击,随及有“制令单查询窗口”,选取所需制令单号,系统返回成品缴库画面,如此制令单是从受订单而来,在订单号码处显
示出;
STEP3在批号栏处系统会随F6属性3是否自动产生批号子项建议自动产生批号,也可自行输入;而在有效日期处输入成品的有效使用期;
STEP4组合成品、成品仓库、单位、数量、生产部门等字段是随制令单资料自动带出,可按实际情况更换;
STEP5按制成品的实用工时、制造费用、耗用物料、直接人工输入;而在托工费用、直接原料字段是无法输入的,因托工费用是制成品某一子件托外
加工的费用自动带出;直接原料是制成品实际领料的成本自动带出;STEP6生产成本字段的值是由(直接原料+制造费用+耗用物料+直接人工+托工费用)自动计算出。
STEP7按F8存盘,制成品会在货品分存存量中体现。