硅橡胶电线电缆
- 格式:doc
- 大小:27.50 KB
- 文档页数:2
国标硅胶电线26号线铜芯线规格随着科技的不断进步,电线作为电气设备的重要组成部分,在生活中扮演着不可或缺的角色。
国标硅胶电线26号线铜芯线规格作为一种电线产品,具有广泛的用途和重要的意义。
在本文中,将深入探讨国标硅胶电线26号线铜芯线规格的特点、优势和应用,并共享个人对这一主题的见解和理解。
一、国标硅胶电线26号线铜芯线规格的基本介绍1.1. 规格标准国标硅胶电线26号线铜芯线采用GB/T 5013.6-2008《橡套软挠电线电缆》标准生产,其规格参数严格按照国家标准执行,保证了产品的质量和安全性。
1.2. 线芯材料国标硅胶电线26号线采用优质的铜芯材料,具有良好的导电性能和稳定性,能够有效传输电能,保证电气设备的正常运行。
1.3. 硅胶外套硅胶外套具有良好的绝缘性能和耐高温特性,可以在恶劣的环境下安全可靠地使用,适用于高温高压设备的接线和连接。
二、国标硅胶电线26号线铜芯线规格的优势2.1. 耐高温性能硅胶外套具有优异的耐高温性能,适用于高温环境下的电气设备,能够长时间稳定运行,确保设备的安全性和可靠性。
2.2. 灵活性好硅胶材料具有良好的柔韧性和弯曲性,使用国标硅胶电线26号线铜芯线可以灵活布线,便于安装和维护,减少了人工成本和时间成本。
2.3. 抗老化性能硅胶材料具有良好的抗老化性能,能够长期使用而不会出现老化开裂等现象,延长了电线的使用寿命,降低了更换成本。
三、国标硅胶电线26号线铜芯线规格的应用领域国标硅胶电线26号线铜芯线适用于各种工矿企业,建筑行业,电力系统等领域的电气设备的接线和连接,尤其在高温高压环境下表现出色,得到了广泛的应用和好评。
四、个人见解与总结国标硅胶电线26号线铜芯线规格作为一种重要的电线产品,具有优异的性能和广泛的应用前景。
在现代工业生产和生活中,电线作为电气设备的基础材料,其质量和安全性直接关系到人们的生产和生活,因此选择合适的电线产品至关重要。
国标硅胶电线26号线铜芯线规格作为一种性能优秀、质量可靠的电线产品,为各种电气设备的安全运行提供了有力的保障,为推动工业发展和提高生产效率发挥了重要作用。
硅橡胶绝缘电力电缆1范围本标准适用于额定电压U0/U为0.6/1kV及以下电力、冶金等工矿企业高温和低温环境中移动或固定电器设备电力传输用硅橡胶绝缘电力电缆。
产品除应符合本标准外,还应符合Q/-2.3.1-2010 的相应要求。
2使用特性2.1 额定电压U0/U为0.6/1kV 。
2.2 电缆长期允许最高工作温度为180C,短路时最高温度为350C ,短路最长持续时间为5s。
2.3 硅橡胶绝缘及护套的电缆允许在-80 C〜+180 C环境中正常使用。
2.4 电缆敷设时的允许弯曲半径:无铠装层的电缆,应不小于电缆外径的6倍;有铠装或屏蔽结构的电缆,应不小于电缆外径的12倍。
3型号3.1 电缆型号如表1。
型号,并作为本标准的一个组成部分。
4 技术要求4.1 导体导体应符合Q/— 2.3.1-2010 中第4.1条规定。
4.2 耐火绝缘层耐火绝缘层应符合Q/ — 2.3.1-2010中第4.2条规定。
4.3 绝缘绝缘应符合Q/— 2.3.1-2010 中第4.3条规定。
4.4 成缆成缆要求应符合Q/ - 2.3.1-2010中第4.4的规定。
4.5 内衬层4.5.1 内衬层要求应符合Q/ — 2.3.1-2010 中第4.6的规定。
4.5.2 挤包内衬层厚度见表2。
4.5.3 绕包内衬层缆芯假设直径为40m似以下时,绕包内衬层的近似厚度取0.4mnx如大于40mnW,则取0.6mm。
其假设直径算法参照GB/T 12706相关规定。
4.6 铠装4.6.1 铠装层要求应符合Q/ — 2.3.1-2010 中第4.7的规定。
4.6.2 铠装金属带厚度见表3。
表3铠装金属带标称厚度4.7 护套4.7.1 护套材料可为硅橡胶(G)、低烟无卤阻燃聚烯烧(WH1或聚氯乙烯(PV。
护套材料性能要求应符合Q/-2.3.1-2010 的4.8.2的要求。
4.7.2 挤包护套标称厚度Ts应按下列公式计算:Ts=0.035D+1.0式中:D——挤包护套前电缆的假设直径,mm上式计算出的数值应按四舍五入修约到0.1mmo注:挤包护套前假定直径计算方法按GB/T 12706执行。
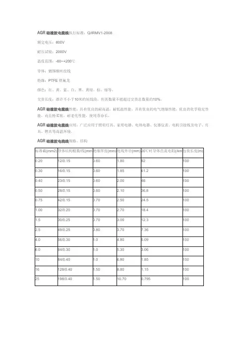
AGR硅橡胶电缆线执行标准:Q/IRMV1-2008
额定电压:600V
耐压试验:2000V
温度范围:-60~+200℃
导体:镀锡铜丝绞线
绝缘:PTFE铁氟龙
颜色:红、黄、蓝、白、黑、黄绿、棕、绿等。
交货长度:准许不小于10米的短线段,但其数量不能超过交货总数量的10%。
AGR硅橡胶电缆线性能:具有优良的耐高温,耐低温性能,具有优良的电气绝缘性能,优良的化学稳定性能,而且特柔软,耐老化性能,使用寿命长。
AGR硅橡胶电缆线应用:广泛应用于照明灯具、家用电器、电热电器、仪器仪表、电机引接线及电子、灯具、燃具等高温环境。
AGR硅橡胶电线线规格、结构。
硅橡胶电缆适用于高温场合和恶劣环境下作电气设备电能传输线或移动电器设备用连接电缆,硅橡胶控制电缆适用于额定电压
0.45/0.75KV,硅橡胶电力电缆适用于额定电压0.6/1KV以下,电缆具有耐热辐射、耐寒、耐候性、耐酸碱及腐蚀性气体、防水、防油、阻燃等特性,电缆结构柔软,耐高温(高寒)环境下电气性能稳定,抗老化性能突出,广泛用于电力、石油化工、钢铁、冶炼、电厂、焦化厂、航空、电子、船舶、港口、汽车制造等高温工业中移动电器设备之间的电器连接,及耐温等特殊要求场合的电力传输使用。
硅橡胶电缆相关参数下面安徽康泰来为您分享!
硅橡胶控制电缆选型表
硅橡胶电力电缆选型表
石油化工、电力、环保、装备制造业、煤矿、酒厂、制药厂、食品制造、矿山设备、冶金钢铁、网络通信、机车制造、汽车制造、造纸厂、造船厂、水泥厂、玻璃厂、房地产建筑业、电网、地铁、公路、隧道、桥梁、铁路、医疗卫生等行业提供了大量的产品和服务,并出口三十多个国家和地区且逐年攀升。
硅橡胶电缆的原理及规格最低环境温度:硅橡胶护套:固定敷设-60℃,非固定敷设-20℃3.电缆安装敷设温度应不低于-20℃。
4.电缆允许弯曲半径:非铠装电缆最小为电缆外径的6倍四:硅橡胶电缆型号及名称KGG:硅橡胶绝缘和护套控制电缆KGGR:硅橡胶绝缘和护套控制软电缆KGGP:硅橡胶绝缘和护套铜丝编织屏蔽控制电缆KGGRP:硅橡胶绝缘和护套铜丝编织屏蔽控制软电缆KGGRP1:硅橡胶绝缘和护套镀锡编织屏蔽控制软电缆备注:1 如需阻燃型硅橡胶电缆,型号前加ZR。
典型的硅橡胶电线:AWM硅橡胶绝缘电线产品结构:导体:26~20AWG使用单根或绞合导体绝缘:150℃硅橡胶绝缘,厚度均匀,易剥,易裁护层:玻璃纤维编织执行标准:UL758,UL1581,UL62<AWM3069150℃600V通过UL Ft2水平燃烧实验符合RoHS标准线规AWG计算截面Cross Section/mm导体结构Conductor绝缘厚度Insulation Thickness/mm绝缘标称外径Nominal O、D、of Insulation/mm成品外径mmO、D、ofCable20℃导体最大直流电阻Max、Resistanceat20℃Ω/km参考重量NominalWeightkg/km根数No、of Strands 直径Dianmeter/mm260、1470、122、0042、46150、09240、2270、20、7622、1242、5894、xx0、221 10、160、7622、1242、5894、xx220、3570、2540、7622、2842、7459、40130、38120、7622、2842、7459、40130、34170、160、7622、2842、7459、4012200、56 70、320、7622、4842、9437、4015。
硅橡胶电缆耐高温电缆
一:产品特点及用途:本产品适用于交流额定电压0.6/1KV及以下固定敷设用动力传输线或移动电器用连接电缆,产品具有耐高温、耐寒、耐酸碱及腐蚀性气体、防水等特性,电缆结构柔软,辐射方便,高温(高寒)环境下电气性能稳定,抗老化性能突出,使用寿命长,广泛用于冶金、电力、石化、电子、汽车制造等行业。
二:产品执行标准
Q/HHTZH001.1
阻燃耐火特性试验执行GB12666-90要求
三:使用特性
1.交流额定电压:U0/U 0.6/1KV
最高工作温度: 185℃
最低环境温度:固定敷设-60℃
2.电缆安装敷设温度应不低于-25℃。
3.电缆允许弯曲半径:电缆最小为电缆外径的10倍
四:基本型号及名称
表1
型号产品名称
YGC硅橡胶绝缘硅橡胶护套电力电缆
YGCR KGGR硅橡胶绝缘硅橡胶护套移动用电力软电缆
YGCP硅橡胶绝缘硅橡胶护套铜编织屏蔽电力电缆
YGC22硅橡胶绝缘硅橡胶护套钢带铠装电力电缆
备注:阻燃型硅橡胶电缆型号前加ZR,导体线芯中铜丝可以采用镀锡。
五:代号名称和含义
表2
六:主要技术指标
1.成品电缆导体(R类)直流电阻(符合GB3956规定)参照附录A表1和表2。
2.20℃时绝缘电阻不小于100MΩ/KM
3.成品电缆经受交流50HZ3.5KV/5min电压试验不击穿。
七:基本电缆规格及结构参数
注:铠装电缆外径参照附录D表1进行计算。
R硅橡胶电缆线执行标
准
公司内部编号:(GOOD-TMMT-MMUT-UUPTY-UUYY-DTTI-
A G R硅橡胶电缆线执行标准:Q/I R M V1-2008额定电压:600V
耐压试验:2000V
温度范围:-60~+200℃
导体:镀锡铜丝绞线
绝缘:PTFE铁氟龙
颜色:红、黄、蓝、白、黑、黄绿、棕、绿等。
交货长度:准许不小于10米的短线段,但其数量不能超过交货总数量的10%。
AGR硅橡胶电缆线性能:具有优良的耐高温,耐低温性能,具有优良的电气绝缘性能,优良的化学稳定性能,而且特柔软,耐老化性能,使用寿命长。
AGR硅橡胶电缆线应用:广泛应用于照明灯具、家用电器、电热电器、仪器仪表、电机引接线及电子、灯具、燃具等高温环境。
AGR硅橡胶电线线规格、结构。
硅橡胶电缆的标准硅橡胶电缆是一种特殊的电线电缆,其采用硅橡胶作为绝缘材料,具有优异的耐高温、耐寒、耐电、耐化学腐蚀等特性。
为了确保硅橡胶电缆的安全可靠性,各个国家和地区都制定了严格的标准来规范硅橡胶电缆的生产、安装和使用。
本文将介绍一些常见的硅橡胶电缆标准。
一、国际电工委员会(IEC)标准国际电工委员会是一个全球性的电工标准制定机构,主要负责规定各类电工产品的标准,其中包括硅橡胶电缆。
IEC制定的硅橡胶电缆标准为IEC 60245,该标准规定了硅橡胶电缆的结构、尺寸、额定电压、绝缘材料的物理和电气性能等要求,旨在确保硅橡胶电缆的质量和可靠性。
二、美国标准在美国,硅橡胶电缆通常遵循UL(Underwriters Laboratories)标准,UL是美国一家独立的、非营利的安全科学组织,负责制定和颁布各种产品的安全标准。
硅橡胶电缆标准包括UL758和UL62,UL758主要规定了硅橡胶电缆的尺寸、额定电压、绝缘和护套材料的物理和电气性能等要求,而UL62主要适用于硅橡胶绝缘低压电缆。
三、欧洲标准欧洲采用了EN(欧洲标准)来规范硅橡胶电缆。
EN 50525是欧洲硅橡胶电缆的标准,其中包括了各种类型的硅橡胶电缆的结构、性能和安装要求。
此外,欧洲还有针对特殊用途的硅橡胶电缆的标准,例如EN 50363适用于铁路车辆用硅橡胶电缆。
四、中国标准中国国家标准化管理委员会制定了许多硅橡胶电缆的标准,其中最具代表性的是《电线电缆产品质量国家标准》(GB/T 5023)和《橡皮塑料绝缘硅橡胶护套橡皮电缆》(GB/T 5013),这些标准规定了硅橡胶电缆的结构、型号、额定电压、绝缘和护套材料的要求等。
总结:硅橡胶电缆作为一种特殊的电线电缆,在各个国家和地区都有相应的标准进行规范。
国际上常用的标准有IEC标准,美国采用UL标准,欧洲采用EN标准,中国有相应的国家标准。
以上这些标准都旨在确保硅橡胶电缆的质量和可靠性。
作为用户,选择符合标准的硅橡胶电缆,不仅能够满足使用要求,还可以保证电气设备的安全和稳定运行。
硅橡胶电缆耐高温电缆一:产品特色及用途: 本产品合用于沟通额定电压及以下固定敷设用动力传输线或挪动电器用连结电缆,产品拥有耐高温、耐寒、耐酸碱及腐化性气体、防水等特征,电缆构造柔嫩,辐射方便,高温 ( 高寒 ) 环境下电气性能稳固,抗老化性能突出,使用寿命长,宽泛用于冶金、电力、石化、电子、汽车制造等行业。
二:产品履行标准阻燃耐火特征试验履行GB12666-90 要求三:使用特征1.沟通额定电压:U0最高工作温度:185 ℃最低环境温度:固定敷设-60 ℃2.电缆安装敷设温度应不低于 -25 ℃。
3.电缆同意曲折半径:电缆最小为电缆外径的10 倍四:基本型号及名称表 1型号产品名称YGC硅橡胶绝缘硅橡胶护套电力电缆YGCR KGGR硅橡胶绝缘硅橡胶护套挪动用电力软电缆YGCP硅橡胶绝缘硅橡胶护套铜编织障蔽电力电缆YGC22硅橡胶绝缘硅橡胶护套钢带铠装电力电缆JGG JGGR JGGP JHXG 硅橡胶绝缘硅橡胶护套安装线硅橡胶绝缘硅橡胶护套挪动用安装软线硅橡胶绝缘硅橡胶护套铜编织障蔽安装线硅橡胶绝缘电机引接线备注:阻燃型硅橡胶电缆型号前加ZR,导体线芯中铜丝能够采纳镀锡。
五:代号名称和含义表 2代号YGC 22 PRJ 代号含义系列代号 ( 挪动软电缆硅橡胶重型钢带铠装铜编织障蔽多股绞合导体电机引接线)六:主要技术指标1.成品电缆导体(R 类) 直流电阻 ( 切合 GB3956规定 ) 参照附录 A 表 1 和表 2。
2. 20℃时绝缘电阻不小于100MΩ /KM3.成品电缆经受沟通电压试验不击穿。
七:基本电缆规格及构造参数导体构造电缆最大外径 (mm)参照重量 (kg/km)线芯 * 标称截面(根数*直径)YGC YGCR YGCR YGC222(mm)(B/R)JGGF JGGFR JGGFR JGG22 mm1*41*61*101321*161881*253121*351124081*505541*707621*9510451*12012811*15016121*1851981158272 2*412210347 2*6263407 2*10394562 2*16540724 2*25794828 2*3510371037 2*5012361385 2*7016471792 2*9521892654 2*12026403180 2*150******** 2*185********150291196342 3*4274444 3*6350531 3*10539737 3*16740972 3*2511391372 3*3514801729 3*5019002405 3*7040613087 3*959974003 3*12040604887 3*150******** 3*185********320481 3*6+1*4423597 3*10+1*6630827 3*16+1*108881255 3*25+1*16137515783*35+1*163*50+1*253*70+1*353*95+1*503*150+1*703*185+1*954*44*64*104*164*254*354*504*704*954*1204*1504*185五芯等截面电缆和3+2 构造电缆构造参数不在此表中。
硅橡胶绝缘护套技术参数
硅橡胶绝缘护套是一种常用的电缆绝缘材料,具有良好的电绝缘性能和耐高温性能。
它广泛应用于工业、冶金、石化等领域的电力设备和仪器仪表中,起到保护电缆的作用。
硅橡胶绝缘护套的主要技术参数包括耐热性能、电绝缘性能、耐电压性能和耐化学性能。
硅橡胶绝缘护套的耐热性能非常出色。
它可以在高温环境下长时间工作,耐高温性能通常可以达到200摄氏度以上,甚至更高。
因此,在高温工作环境中,硅橡胶绝缘护套能够有效地保护电缆免受温度的影响,确保电力设备的正常运行。
硅橡胶绝缘护套具有良好的电绝缘性能。
它的电绝缘性能主要表现在两个方面:绝缘电阻和耐电压。
硅橡胶绝缘护套的绝缘电阻较高,能够有效地阻止电流的泄露,保证电缆的安全运行。
同时,硅橡胶绝缘护套还具有较高的耐电压性能,能够承受一定的电压,不易发生击穿现象,保护电缆免受电击的危害。
硅橡胶绝缘护套还具有较好的耐化学性能。
它能够抵抗许多化学物质的侵蚀,如酸、碱、溶剂等。
这使得硅橡胶绝缘护套不易受到外界环境的影响,能够长时间稳定地工作。
硅橡胶绝缘护套具有优秀的耐热性能、电绝缘性能、耐电压性能和耐化学性能。
它广泛应用于各个领域的电力设备和仪器仪表中,为
电缆提供了良好的保护。
在未来的发展中,硅橡胶绝缘护套将继续不断创新和改进,以满足人们对电力设备性能的需求。
阻燃硅橡胶电缆料配方设计阻燃硅橡胶电缆料是一种具有优异的耐热、耐燃性能的材料,广泛应用于电力、通信等领域的电缆制造中。
其配方设计需要考虑材料的阻燃性能、机械性能、电性能等多个因素。
本文将介绍阻燃硅橡胶电缆料配方设计的关键因素和方法。
一、配方设计的关键因素1.阻燃剂选择:阻燃剂是提高硅橡胶电缆料阻燃性能的关键因素。
一般采用氯代磷酸盐类、氮磷类或溴代烷类阻燃剂。
选择合适的阻燃剂需要考虑其阻燃效果、耐热性和环境友好性等因素。
2.硅橡胶选择:硅橡胶具有极佳的耐热性和机械性能,在电缆料中起到绝缘、保护和外护等作用。
根据电缆的工作温度和要求的机械性能,选择合适的硅橡胶品种。
3.助剂选择:助剂包括增塑剂、填料、稳定剂等。
增塑剂是调整硅橡胶的柔软性和延展性的关键因素,填料对硅橡胶电缆料的机械性能和导电性能有重要影响,稳定剂能提高硅橡胶电缆料的耐热性和耐老化性能。
4.加工工艺:阻燃硅橡胶电缆料的加工工艺对最终产品的性能有很大影响。
合适的混炼工艺和固化工艺能提高电缆料的机械性能和耐热性。
二、配方设计方法1.阻燃剂含量确定:根据电缆的阻燃性能要求和阻燃剂的特性,确定阻燃剂的含量范围。
2.硅橡胶含量确定:根据电缆的工作温度和要求的机械性能,确定硅橡胶的含量范围。
3.助剂含量确定:根据电缆的要求,选择合适的助剂种类和含量,进行试验验证。
4.混炼工艺确定:根据硅橡胶的混炼特性和加工设备的性能,确定合适的混炼工艺参数。
5.固化工艺确定:根据硅橡胶的固化特性和加工设备的性能,确定合适的固化工艺参数。
三、配方设计实例以下是一种阻燃硅橡胶电缆料的配方设计实例:硅橡胶:100 parts阻燃剂:50 parts增塑剂:30 parts填料:200 parts稳定剂:10 parts混炼工艺:温度120℃,混炼时间10分钟,翻炼次数3次。
固化工艺:温度180℃,时间20分钟。
该配方设计实例中,硅橡胶的含量为100 parts,阻燃剂的含量为50 parts,增塑剂的含量为30 parts,填料的含量为200 parts,稳定剂的含量为10 parts。
硅橡胶电缆耐高温电缆
一:产品特点及用途:本产品适用于交流额定电压0.6/1KV及以下固定敷设用动力传输线或移动电器用连接电缆,产品具有耐高温、耐寒、耐酸碱及腐蚀性气体、防水等特性,电缆结构柔软,辐射方便,高温(高寒)环境下电气性能稳定,抗老化性能突出,使用寿命长,广泛用于冶金、电力、石化、电子、汽车制造等行业。
二:产品执行标准
Q/HHTZH001.1
阻燃耐火特性试验执行GB12666-90要求
三:使用特性
1.交流额定电压:U0/U 0.6/1KV
最高工作温度: 185℃
最低环境温度:固定敷设-60℃
2.电缆安装敷设温度应不低于-25℃。
3.电缆允许弯曲半径:电缆最小为电缆外径的10倍
四:基本型号及名称
表1
型号产品名称
YGC硅橡胶绝缘硅橡胶护套电力电缆
YGCR KGGR硅橡胶绝缘硅橡胶护套移动用电力软电缆
YGCP硅橡胶绝缘硅橡胶护套铜编织屏蔽电力电缆
YGC22硅橡胶绝缘硅橡胶护套钢带铠装电力电缆
备注:阻燃型硅橡胶电缆型号前加ZR,导体线芯中铜丝可以采用镀锡。
五:代号名称和含义
表2
六:主要技术指标
1.成品电缆导体(R类)直流电阻(符合GB3956规定)参照附录A表1和表2。
2.20℃时绝缘电阻不小于100MΩ/KM
3.成品电缆经受交流50HZ3.5KV/5min电压试验不击穿。
七:基本电缆规格及结构参数
注:铠装电缆外径参照附录D表1进行计算。
JGG硅橡胶电线产品特点
型号:JGG
执行标准:JB/T6213.4-2006
产品特性:
1、额定电压:3000V 、6000V、10000V
2、工作温度:-60~+180℃
3、导体:裸铜线或镀锡铜绞线
4、绝缘:硅橡胶
5、颜色:供需双方协议商定
JGG硅橡胶电线特点/用途:
具有优良的耐高温,耐低温性能,具有优良的电绝缘性能,优良的化学稳定性能,耐高电压,耐老化,使用寿命长,且柔软,便于安装。
产品广泛应用于照明灯具、家用电器、电热电器、仪器仪表、电机引接线及电子、灯具、燃具等高温环境。
JGG硅橡胶电线交货要求:
按双方合同协议商定,允许不小于10米的短段交货。
其数量应不超过交货总长度的10%。
JGG硅橡胶电线适用于交流额定电压0.6/1KV及以下固定敷设用动力传输线或移动电器用连接电缆,产品具有耐热辐射、耐寒、耐酸碱及腐蚀性气体、防水等特性,电缆结构柔软,辐射方便,高温(高寒)环境下电气性能稳定,抗老化性能突出,使用寿命长,广泛用于冶金、电力、石化、电子、汽车制造等行业·。
硅橡胶电缆执行标准
硅橡胶电缆是一种应用广泛的特种电缆,其执行标准对于保障电缆的质量和安
全具有重要意义。
根据国家相关规定,硅橡胶电缆执行标准主要包括以下几个方面:
一、产品结构和规格。
硅橡胶电缆应符合国家标准GB5013.6-2008《橡皮绝缘软电缆》的相关要求。
其导体采用多股绞合裸铜丝,绝缘层为硅橡胶,护套为硅橡胶护套。
产品的截面规格、导体结构、绝缘厚度、外径公差等应符合标准规定。
二、电气性能。
硅橡胶电缆在电气性能方面应符合国家标准GB5013.6-2008的规定,包括额定
电压、导体电阻、绝缘电阻、耐压性能等。
在额定电压下,电缆应能正常工作,不发生击穿或短路等现象。
三、机械性能。
硅橡胶电缆应具有良好的机械性能,包括抗张强度、耐磨性、耐油性、耐高温
性等。
在不同环境条件下,电缆应能保持稳定的机械性能,确保正常使用。
四、燃烧性能。
硅橡胶电缆在燃烧性能方面应符合国家标准GB/T18380.3-2001的相关要求。
电缆在燃烧时,应具有一定的阻燃性能,不易燃烧,且燃烧后的烟气应符合环保要求。
五、环保要求。
硅橡胶电缆应符合国家相关环保要求,包括限制有害物质的含量、回收利用要
求等。
在生产和使用过程中,应尽量减少对环境的影响,确保产品的环保性能。
总之,硅橡胶电缆执行标准的制定和执行,对于保障电缆产品的质量和安全具
有重要意义。
只有严格执行标准要求,才能生产出符合要求的优质硅橡胶电缆产品,为各行业的电气设备提供可靠的电力支持。
硅橡胶电缆广泛用于工业、建筑和船舶等领域中的电力传输和控制系统中。
以下是一些主要用途:
高温环境:由于硅橡胶具有出色的耐高温性能,可以耐受高达200℃以上的温度。
因此,硅橡胶电缆常用于高温环境,如炉边、铸造厂、玻璃制造等场所。
密封和防水:硅橡胶电缆具有优异的密封性能和耐候性,可以在潮湿、潮湿和油脂环境中使用。
因此,硅橡胶电缆常用于船舶、码头、化工厂以及户外安装等需要防水和密封的场合。
耐化学腐蚀:硅橡胶电缆具有良好的耐化学腐蚀性能,可以抵抗酸、碱、溶剂等腐蚀性物质的侵蚀。
因此,硅橡胶电缆常用于化工厂、电池制造厂、实验室等环境中。
超高绝缘性能:硅橡胶电缆具有良好的绝缘性能,在高压环境中能有效地阻隔电流的流动。
因此,硅橡胶电缆常用于高压设备、电力变压器、变频器等场合。
综上所述,硅橡胶电缆可在高温、密封、化学腐蚀和高压等复杂环境中可靠地传输电力和信号。
硅橡胶电线电缆
硅橡胶具有柔软性,能耐臭氧、电晕、火焰,绝缘性能好,用作电线电缆是它在电气工业中的主要应用,硅橡胶电线电缆尤其适宜在高温和苛刻的环境中使用,其寿命远远高于普通电缆。
下面是五种通用硅橡胶电线电缆的规格和应用范围:
1、设备、仪器用无编织沿线
额定电压:300伏和600伏;
使用温度:150℃和200℃;
结构:镀锡的铜绞合线,硅橡胶绝缘层;
特点:无编织脏物、耐温、耐燃、机械挠性和韧性好;
用途:高温马达、变压器、发电机、电子、电气设备。
2、设备、仪器用编织铅线
额定电压:300伏和600伏
使用温度:150℃、155℃、180℃、和200℃
结构:镀锡的绞合铜线,硅橡胶绝缘层,石棉或玻璃纤维编织带;
特点:耐热、耐燃、挠性
用途:高温马达、变压器、发电机
3、船用电缆
额定电压:300伏和5000伏;
使用温度:95℃;
结构:镀锡的铜绞合线,硅橡胶绝缘层,玻璃纤维编织带。
如果导线不止一条,可把导线与垫片、胶带、PVC套管、铝或青铜铠装物拧成缆绳;
特点:耐热、耐潮、无导电灰烬;
用途:一般的船用电力和控制电缆,尤其适宜用于环境温度超过50℃的场合,和除耐燃、耐热外需要耐潮的场合。
4、电力和控制电缆
额定电压:600伏和5000伏
使用温度:125℃
结构:a.电力电缆:镀锡的铜绞合线,硅橡胶绝缘胶带,石棉编织带;b.控制电缆:镀锡的铜绞合线,硅橡胶绝缘层,玻璃纤维编织带,把两股或两股以上的导线与胶带、石棉编织带拧成缆绳。
特点:耐热、耐潮和耐臭氧,室温和低温柔性好,承载电流能力强,耐辐照,耐燃,无导电灰分,无腐蚀烟雾。
用途:高温、潮湿、干燥场所以及放射性环境下的电力线、控制线和信号线路。
5、车用点火电缆
额定电压:35千伏(交流)
使用温度:177℃至232℃
结构:半导电的玻璃纤维芯,乙丙橡胶绝缘层,平织玻璃纤维编织带,硅橡胶()
包皮。
特点:耐高温、耐臭氧、高介电强度,可靠性好用途:客车、卡车等交通车辆引擎上的点火电缆。