斜齿圆柱齿轮减速器输出轴轴系部件设计说明书
- 格式:doc
- 大小:129.09 KB
- 文档页数:4
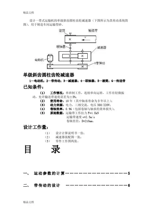
设计一带式运输机的单级斜齿圆柱齿轮减速器(下图所示为其传动系统简图),用于铸造车间运输型砂。
单级斜齿圆柱齿轮减速器
1—电动机;2—带传动;3—减速器;4—联轴器;5—滚筒;6—传送带
已知条件:
(1)工作情况:单班制工作,连续单向运转,工作有轻微振动,允许输送带速度误差为±5%;
(2)使用寿命:10年(其中轴承寿命为3年以上);
(3)动力来源:电力,三相交流,电压380/220V;
(4)卷轴效率:0.96(包括卷轴与轴承的效率损失);
(5)原始数据:运输带工作拉力F=4.8kN
运输带速度v=2.5m/s
卷轴直径:D=210mm。
设计工作量:
(1)设计计算说明书一份;
(2)减速器装配图一张;
(3)零件工作图两张。
目录
一、运动参数的计算 (5)
二、带传动的设计 (6)
三、齿轮的设计 (8)
四、轴的设计 (12)
五、齿轮结构设计 (18)
六、轴承的选择及计算 (19)
七、键连接的选择和校核 (23)
八、联轴器的选择 (24)
九、箱体结构的设计 (24)
十、润滑密封设计 (26)
十一、参考文献 (27)
显然e<2m故需做成齿轮轴。
机械设计基础课程设计说明书课程设计题目: 单级斜齿圆柱齿轮减速器设计专业:XXXX班级:XXXXX学号:XXXXX设计者:XXXX指导老师:XXXXXXXXXXX大学目录一课程设计书 2二设计要求2三设计步骤21. 传动装置总体设计方案 32. 电动机的选择 43. 确定传动装置的总传动比和分配传动比 54. 计算传动装置的运动和动力参数 55. 设计V带和带轮 66. 齿轮的设计 87. 滚动轴承和传动轴的设计 198. 键联接设计 269. 箱体结构的设计 2710.润滑密封设计 3011.联轴器设计 30四设计小结31五参考资料32一. 课程设计书设计课题:设计一用于带式运输机上的单级斜齿轮圆柱齿轮减速器.运输机连续单向运转,载荷变化不大,空载起动,卷筒效率为0.96(包括其支承轴承效率的损失),减速器小批量生产,使用期限8年(300天/年),两班制工作,运输容许速度误差为5%,车间有三相交流,电压380/220V表一:二. 设计要求1.减速器装配图一张(A1)。
2.CAD绘制轴、齿轮零件图各一张(A3)。
3.设计说明书一份。
三. 设计步骤1. 传动装置总体设计方案2. 电动机的选择3. 确定传动装置的总传动比和分配传动比4. 计算传动装置的运动和动力参数5. “V”带轮的材料和结构6. 齿轮的设计7. 滚动轴承和传动轴的设计8、校核轴的疲劳强度9. 键联接设计10. 箱体结构设计11. 润滑密封设计12. 联轴器设计1.传动装置总体设计方案:1. 组成:传动装置由电机、减速器、工作机组成。
2. 特点:齿轮相对于轴承不对称分布,故沿轴向载荷分布不均匀,要求轴有较大的刚度。
3. 确定传动方案:考虑到电机转速高,传动功率大,将V带设置在高速级。
其传动方案如下:123456图一:(传动装置总体设计图)初步确定传动系统总体方案如:传动装置总体设计图所示。
选择V 带传动和单级圆柱斜齿轮减速器。
传动装置的总效率a ηη=η1η2η3η24η25η6=0.96×398.0×295.0×0.97×0.96=0.759;1η为V 带的效率,η2为圆柱齿轮的效率,η3为联轴器的效率,4η为球轴承的效率,5η为圆锥滚子轴承的效率,η6为卷筒的传动效率。
武汉工程大学机械设计课程设计设计计算说明书题目: 双级展开式斜齿圆柱齿轮减速器院系: 机电工程学院班级:机电3班姓名:学号:指导教师:目录一、设计任务书 (2)二、传动方案的分析与拟定 (2)三、电动机的选择与计算 (3)四、传动比的分配 (4)五、传动装置的运动及动力参数的选择和计算 (5)六、传动零件的设计计算和轴系零部件的初步选择 (6)七、联轴器的选择及计算 (17)八、键连接的选择及计算 (18)九、轴的强度校核计算 (19)十、润滑和密封 (22)十一、箱体及附件的结构设计和选择 (23)十二、设计小结 (24)十三、参考资料 (25)三 电动机的选择与计算1.电动机的类型选择根据动力源和工作条件,选用Y 系列三相交流异步电动机。
2.电动机的功率工作机有效功率:kw kw T wP 6.1955022.384009550w =⨯==η设电动机到工作机之间的总效率为η,并设η1,η2,η3,η4,η5 分别为弹性联轴器、闭式齿轮传动(设齿轮精度为8级)、滚动轴承、V 带传动以及滚筒的效率。
查文献4表2-2可得: η1=0.99,η2=0.97,η3=0.99,η4=0.96,η5=0.96,由此可得:总效率:η=η1η22η34η4η5=0.99×0.972×0.994×0.96×0.96=0.82电动机所需功率:总效率: η=0.82m所以带轮采用腹板式结构,在该轴段与V 带轮相配处开有一个键槽,故应将min d 增大5%,得min d =19.04mm,再根据设计手册查标准尺寸,取min 1d d ==20mm 。
初步设计其结构如下图所示:图2. 高速轴结构设计(2)、中间轴取C=110,则:mm mm n P C d 5.2709.129028.211033min =⨯== 在该轴段与齿轮相配处开有一个键槽,故应将min d 增大5%,得min d =28.875 mm,再根据设计手册查标准尺寸,并考虑到滚动轴承的选型,取min d =30 mm 。
二级斜齿齿轮圆柱减速器机械设计计算说明书二级斜齿齿轮圆柱减速器机械设计计算说明书正文:1.引言本文档旨在详细说明二级斜齿齿轮圆柱减速器的机械设计计算。
通过了解该减速器的结构和设计参数,可以更好地理解其工作原理和计算方法,以便设计和制造出符合要求的减速器。
2.减速器基本信息在此章节中,将介绍该二级斜齿齿轮圆柱减速器的基本信息,包括减速比、输入转速和输出转速等。
3.减速器主要零部件本章节将详细介绍二级斜齿齿轮圆柱减速器的主要零部件,包括齿轮、轴、轴承等。
每个零部件将详细说明其功能、设计参数和选用方法。
4.齿轮设计计算此章节将详细介绍齿轮的设计计算方法,包括模数选择、齿轮强度计算、齿面接触疲劳强度计算等。
每一项计算都将附上计算公式和实例。
5.轴设计计算在本章节中,将详细介绍轴的设计计算方法,包括轴的强度计算、轴的刚度计算等。
同样,每一项计算都将附上计算公式和实例。
6.轴承设计计算在此章节中,将详细介绍轴承的选用和设计计算方法,包括轴承类型选择、轴承寿命计算等。
7.润滑和密封设计本章节将介绍润滑和密封的设计原则和方法,包括润滑剂的选用、润滑方式的选择、密封件的选用等。
8.安全性与可靠性设计此章节将介绍安全性和可靠性的设计要求和计算方法,包括静载荷系数的计算、动载荷系数的计算、寿命计算等。
9.结构设计在本章节中,将详细介绍二级斜齿齿轮圆柱减速器的结构设计,包括外壳的设计、支撑结构的设计等。
10.总体装配与安装设计此章节将介绍减速器的总体装配与安装设计方法,包括齿轮的配合、轴的定位、轴与机壳的间隙等。
11.检验与试验在此章节中,将介绍减速器的检验与试验方法,包括减速器的检验标准、试验方法和试验结果的分析。
12.维护与保养本章节将介绍减速器的维护与保养方法,包括定期检查、润滑补充和零部件更换等。
13.附件本文档所涉及的附件包括设计图纸、计算表格和实验报告等。
详细的附件清单将列出,并在文档结尾附上。
法律名词及注释:1.减速比:指减速器输出轴转速相对于输入轴转速的比例。
【机械设计课程设计】斜齿圆柱齿轮减速器设计说明书设计人:二0 10 年一月名目一. 设计任务二. 传动方案的分析与拟定三. 电动机的选择四. 传动比的分配及动力学参数的运算五. 传动零件的设计运算六. 轴的设计运算七. 键的选择和运算八. 滚动轴承的选择及运算九. 连轴器的选择十. 润滑和密封方式的选择,润滑油的牌号的确定十一.箱体及附件的结构设计和选择十二. 设计小结十三. 参考资料一设计任务书设计题目:设计带式运输机传动装置中的双级斜齿圆柱齿轮减速器。
序号F (N) V (m/s) D (mm) 生产规模工作环境载荷特性工作年限3 13000 0.45 420 单件室内平稳5年(单班)二.传动方案得分析拟定:方案1. 方案2.外传动为带传动,高速级和低速级均高速级,低速级,外传动均为圆柱轮. 为圆柱齿轮传动.方案的简要对比和选定:两种方案的传动效率,第一方方案稍高.第一方案,带轮会发生弹性滑动,传动比不够精确.第二方案用齿轮传动比精确程度稍高.第二方案中外传动使用开式齿轮,润滑条件不行,容易产生磨损胶合等失效形式,齿轮的使用寿命较短.另外方案一中使用带轮,可用方便远距离的传动.能够方便的布置电机的位置.而方案二中各个部件的位置相对比较固定.同时方案一还能够进行自动过载爱护.综合评定最终选用方案一进行设计.三.电动机的选择:运算公式:工作机所需要的有效功率为:P=F·v/1000从电动机到工作级之间传动装置的总效率为连轴器η1=0.99.滚动轴承η=0.98 闭式圆柱齿轮η=0.97.V带η=0.95 运输机η=0.96运算得要求:运输带有效拉力为: 13000 N工作机滚筒转速为: 0.45r/min工作机滚筒直径为: 420 mm工作机所需有效功率为: 5.85 kw传动装置总效率为: 0.7835701电动机所需功率为: 7.4 KW由滚筒所需的有效拉力和转速进行综合考虑:电动机的型号为: Y160M-6电动机的满载转速为: 960 r/min四.传动比的分配及动力学参数的运算:滚筒转速为: 20.4 r/min总传动比为46.91445去外传动的传动比为3.5.那么减速器的传动比为: = 46.9/3.5=13.4又高低速级的传动比由运算公式:得减速器的高速级传动比为:4.1.低速级为:3.2各轴转速为:=274.2r/min =65.7 r/min =20.4r/min 各轴输入功率为=7 KW =6.7 KW =6.4 KW 各轴输入转矩为= 246945.9 N·mm =979920 N.mm=991136 N·mm五.传动零件的设计一.带传动的设计:(1)设计功率为Pc=KaP=1×7.5=7.5(2)∴依照Pc=7.5KW, n1=274.2857r/min ,初步选用B 型带(3)小带轮基准直径取Dd1=125mmDd2= Dd1(1-ε)= ×125×(1-0.02) mm = 437.5mm (4)验算带速vv = = = 6.283185m/s (5)确定中心距及基准长度初选中心距a0=780mm符合: 0.7(Dd1+Dd2)<a0<2(Dd1+Dd2)得带基准长度Ld= 2a0 + (Dd1+Dd2) +=2×780 + (125+450) + mm = 2500mmA = -- = -==399.1mmB = ==13203.1mm取a=781.5mm(6)验算小带轮包角α1α1=180° × × 57.3°= 156.1709>12在要求范畴以上,包角合适(7)确定带的根数Z因Dd1=125mm , i=3.5, V=6.2P1=1.75KW ΔP=.17KW因α=156.1709°, Kα=.95因Ld=2500mm ,Z≥ == =取Z=4(8)确定初拉力F0及压轴力FQ=250.155********N=1958.131N高速级圆柱齿轮传动设计结果1) 要求分析(1) 使用条件分析传递功率:P1=7.092537kW主动轮转速: n1=274.2857r/min齿数比:u=4.17437 转矩T1= =246945.9圆周速度:估量v≤4m/s属中速、中载、重要性和可靠性一样的齿轮传动(2) 设计任务确定一种能满足功能要求和设计约束的较好的设计方案,包括: 一组差不多参数:m 、z1、z2、x1、x2、β、ψd要紧几何尺寸:d1、d2、a 、…等2) 选择齿轮材料、热处理方式及运算许用应力(1) 选择齿轮材料、热处理方式按使用条件,可选用软齿面齿轮,也可使用硬齿面齿轮,具体选择方案如下: 小齿轮:45 ,调质 ,硬度范畴 229-286大齿轮:45 , 正火 ,硬度范畴169-217(2) 确定许用应力a. 确定极限应力σHlim 和σFlim小齿轮齿面硬度为250大齿轮齿面硬度为200σHlim1=720,σHlim2=610σFlim1=260,σFlim2=180b. 运算应力循环次数N ,确定寿命系数Z_N 、Y_NN1 =60an_1t = 60×1×274.2857×8=2.369828E+08Z_N1=1Z_N2=1;Y_N1=1,Y_N2=1。
xx大学机械设计制造及其自动化特色专业设计说明书专业班级:机械班姓名:学号:指导老师:完成日期:2017年12月23日目录一、设计任务二、传动方案拟定三、电动机的选择四、计算总传动比及分配各级的传动比五、运动参数及动力参数计算六、传动零件的设计计算七、轴的设计计算及滚动轴承选择八、键联接的选择及校核计算九、箱体结构及减速器附件设计十、润滑方式及密封设计参考文献一、机械课程设计任务书题目:二级同轴式斜齿减速器(一)设计条件:1.工作条件:两班制,连续单向运转,载荷较平稳,室内工作,有粉尘,环境最高温度35℃;2.使用折旧期:8年(一年300天);3.检修间隔期:四年一次大修,两年一次中修,半年一次小修;4.动力来源:电力,三相交流,电压380/220V;5.运输带速度允许误差:±5%;6.制造条件及生产批量:一般机械厂制造,小批量生产。
(二)设计数据注:运输带与卷筒之间及卷筒轴承的摩擦影响已经在F中考虑(三)设计内容1、CAD减速器装配图一张(A0号图纸);2、CAD零件工作图2张(A3号图纸,轴一张,齿轮一张);3、手绘零件工作图2张(A3号图纸,轴一张,齿轮一张)4、设计说明书一份,6000—8000字。
(四)设计时间和地点2017年12月4日—2017年12月22日;广州大学,理科南309(五)主要内容1、进行传动方案的设计(任务书中已规定);2、电动机功率及传动比的分配;3、主要传动零部件的参数设计(带轮、轴、齿轮);4、标准件的选择及校核计算;5、减速器结构、箱体各部分尺寸确定、结构工艺性设计;6、绘制装配底图;7、完成总状图和零件图的绘制;8、整理和编写设计说明书。
二、传动方案拟定三、电动机选择四、计算总传动比及分配各级的传动比五、运动参数及动力参数计算六、传动零件的设计计算=0.689 /cos七、轴计算及滚动轴承选择计算B 段:对联轴器右端面定位,采用轴肩定位,轴段倒角2C ⨯,故定位轴肩高度()()2323246m h C mm m ⨯===,且考虑到此段轴需要毡圈密封,则,取E d =62MMC 段:轴承安装段,查手册初选圆锥棍子轴承30213, 则c d =65;D 段:为齿轮安装轴段,则取D d =70。
机械设计课程设计计算说明书目录
一、传动方案分析 (5)
二、电动机的选择 (5)
三、传动比的分配 (6)
四、V带传动的设计计算 (8)
五、斜齿圆柱齿轮的设计计算 (11)
六、轴的设计与校核计算以及联轴器的选择 (21)
七、轴承的选择与计算 (31)
八、键的计算校核 (32)
九、减速器的润滑及密封选择 (32)
十、减速器的附件选择及说明 (32)
十一、参考文献 (34)
、低速级 已知输入功率kW P 62.6=,齿数比为2.56,小齿轮的转速为172.97r/min ,
中间轴:因最小轴径处装轴承,且由初估最小轴径mm
=
d43
选用滚动轴承,
∏Ⅱ
1)由mm d 28min =I ,则取mm d 2821=-,为了定位带轮, 1-2轴右端有一轴肩,由mm h 22807.02≈⨯=,则mm d 3242832=+=-,因为带轮的宽度
mm f e Z B 1239215)18(2)1(=⨯+⨯-=+-=,其中Z 为V 带根数,查课本p161
由上面分析知,低速轴最小直径处安装联轴器,现已选出LT10弹性套柱销联轴器,则mm d 6321=-,mm l 140214221=-=-;mm h 46307.02≈⨯=,
二级斜齿圆柱齿轮减速器设计说明书
学院:机械工程学院
专业:过程装备与控制工程
班级:B150215
学号:B15021527
指导老师:葛述卿
《机械设计课程设计》考查评分表
注:设计说明书计算包括:齿轮设计、轴强度校核、轴承寿命计算及键强度校核等。
《机械设计课程设计》任务书。
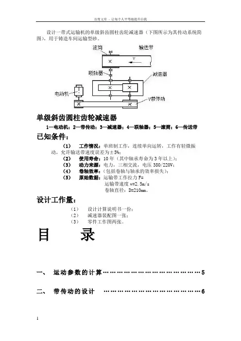
设计一带式运输机的单级斜齿圆柱齿轮减速器(下图所示为其传动系统简图),用于铸造车间运输型砂。
单级斜齿圆柱齿轮减速器
1—电动机;2—带传动;3—减速器;4—联轴器;5—滚筒;6—传送带
已知条件:
(1)工作情况:单班制工作,连续单向运转,工作有轻微振动,允许输送带速度误差为±5%;
(2)使用寿命:10年(其中轴承寿命为3年以上);
(3)动力来源:电力,三相交流,电压380/220V;
(4)卷轴效率:0.96(包括卷轴与轴承的效率损失);
(5)原始数据:运输带工作拉力F=4.8kN
运输带速度v=2.5m/s
卷轴直径:D=210mm。
设计工作量:
(1)设计计算说明书一份;
(2)减速器装配图一张;
(3)零件工作图两张。
目录
一、运动参数的计算 (5)
二、带传动的设计 (6)
三、齿轮的设计 (8)
四、轴的设计 (12)
五、齿轮结构设计 (18)
六、轴承的选择及计算 (19)
七、键连接的选择和校核 (23)
八、联轴器的选择 (24)
九、箱体结构的设计 (24)
十、润滑密封设计 (26)
十一、参考文献 (27)
222296426
244
T d ⨯=
=
22281026
65
T d ⨯=
=1
1
3
31
2.7158
3.99P n ⎛⎫⎛⎫ ⎪ ⎪⎝⎭。
机械设计减速器设计说明书系别:专业:学生姓名:学号:指导教师:职称:目录第一部分设计任务书 (4)第二部分传动装置总体设计方案 (5)第三部分电动机的选择 (5)3.1 电动机的选择 (5)3.2 确定传动装置的总传动比和分配传动比 (6)第四部分计算传动装置的运动和动力参数 (7)第五部分 V带的设计 (9)5.1 V带的设计与计算 (9)5.2 带轮的结构设计 (11)第六部分齿轮传动的设计 (13)6.1 高速级齿轮传动的设计计算 (13)6.2 低速级齿轮传动的设计计算 (20)第七部分传动轴和传动轴承及联轴器的设计 (28)7.1 输入轴的设计 (28)7.2 中间轴的设计 (32)7.3 输出轴的设计 (38)第八部分键联接的选择及校核计算 (44)8.1 输入轴键选择与校核 (44)8.2 中间轴键选择与校核 (44)8.3 输出轴键选择与校核 (44)第九部分轴承的选择及校核计算 (45)9.1 输入轴的轴承计算与校核 (45)9.2 中间轴的轴承计算与校核 (46)9.3 输出轴的轴承计算与校核 (46)第十部分联轴器的选择 (47)第十一部分减速器的润滑和密封 (48)11.1 减速器的润滑 (48)11.2 减速器的密封 (49)第十二部分减速器附件及箱体主要结构尺寸 (50)设计小结 (52)参考文献 (53)第一部分设计任务书一、初始数据设计展开式二级斜齿圆柱齿轮减速器,初始数据T = 440Nm,n = 32r/m,设计年限(寿命):5年,每天工作班制(8小时/班):1班制,每年工作天数:300天,三相交流电源,电压380/220V。
二. 设计步骤1. 传动装置总体设计方案2. 电动机的选择3. 确定传动装置的总传动比和分配传动比4. 计算传动装置的运动和动力参数5. 设计V带和带轮6. 齿轮的设计7. 滚动轴承和传动轴的设计8. 键联接设计9. 箱体结构设计10. 润滑密封设计11. 联轴器设计第二部分传动装置总体设计方案一. 传动方案特点1.组成:传动装置由电机、V带、减速器、工作机组成。
一级斜齿圆柱齿轮减速器设计说明书前言
本设计说明书旨在介绍一级斜齿圆柱齿轮减速器的设计、制造和使用。
本说明书包括了减速器的结构、原理、材料、加工工艺、装配、调试、使用、维护等内容。
本说明书旨在为减速器生产厂家和使用厂家提供参考,以确保产品的质量和使用效果。
本说明书将详细介绍以下内容:
1. 产品概述:介绍减速器的结构、用途和基本技术参数。
2. 设计要求:根据使用要求和工作条件,确定减速器设计的技术要求。
3. 设计方案:详细介绍设计过程和各部件的设计方案,包括齿轮的模数、齿数、齿形参数、材料选用等。
4. 结构设计:对减速器各部分的结构设计进行详细说明。
5. 加工工艺:介绍减速器各部位的加工工艺流程。
6. 装配与调试:对减速器的装配和调试进行描述,以确保减速器的使用效果。
7. 使用与维护:介绍减速器的使用注意事项和维护方法。
本说明书所述内容旨在提供一种设计方法和流程,以确保一级斜齿圆柱齿轮减速器的质量和使用效果。
同时,也为减速器使用者提供了必要的维护知识。
设计一带式运输机的单级斜齿圆柱齿轮减速器(下图所示为其传动系统简图),用于铸造车间运输型砂。
单级斜齿圆柱齿轮减速器
1—电动机;2—带传动;3—减速器;4—联轴器;5—滚筒;6—传送带
已知条件:
(1)工作情况:单班制工作,连续单向运转,工作有轻微振动,允许输送带速度误差为±5%;
(2)使用寿命:10年(其中轴承寿命为3年以上);
(3)动力来源:电力,三相交流,电压380/220V;
(4)卷轴效率:(包括卷轴与轴承的效率损失);
(5)原始数据:运输带工作拉力F=
运输带速度v=2.5m/s
卷轴直径:D=210mm。
设计工作量:
(1)设计计算说明书一份;
(2)减速器装配图一张;
(3)零件工作图两张。
目录
一、运动参数的计算 (5)
二、带传动的设计 (6)
三、齿轮的设计 (8)
四、轴的设计 (12)
五、齿轮结构设计 (18)
六、轴承的选择及计算 (19)
七、键连接的选择和校核 (23)
八、联轴器的选择 (24)
九、箱体结构的设计 (24)
十、润滑密封设计 (26)
十一、参考文献 (27)。
机械设计课程设计计算说明书目录一、传动方案分析 (5)二、电动机的选择 (5)三、传动比的分配 (6)四、V带传动的设计计算 (8)五、斜齿圆柱齿轮的设计计算 (11)六、轴的设计与校核计算以及联轴器的选择 (21)七、轴承的选择与计算 (31)八、键的计算校核 (32)九、减速器的润滑及密封选择 (32)十、减速器的附件选择及说明 (32)十一、参考文献 (34)宜。
有关尺寸按课本p232图10-39推荐用的结构尺寸设计。
mm d D a 161281892140=-=⨯-=,mm B C 2.16543.03.0=⨯=⨯= mm D =4(由后面轴设计得),故mm D D ===6.16.143 mm D D D 5.1172/)74161(2/)(301=+=+=,mm D D D 45.30)74161(35.0)(35.0302=-=-= 具体参照大齿轮零件草图(见下图)。
2、低速级 已知输入功率kW P 62.62=,齿数比为2.56,小齿轮的转速为172.97r/min ,由电动机驱动,使用期为10年(每年工作300天),单班制,输送机连续单向运转。
(1)选定齿轮类型、精度等级,材料及齿数1)选用闭式斜齿圆柱齿轮传动。
2)该减速器为通用减速器,速度不高,故选用7级精度。
3)因传递功率不大转速不高,由课本p191表10-1选择小齿轮材料为45(调质后表面淬火),硬度为280HBS ,大齿轮为45钢(调质后表面淬火),硬度为240HBS ,二者材料硬度差为40HBS 。
六、轴的设计及校核计算1、初算轴径输入轴的设计计算 1).已知:KW P 82.61=,m in /5761r n =,m N T •=8.11212).选择材料并按扭矩初算轴径选用45调质,硬度280HBS , Mpa b 640=σ,根据课本P366(15-2)式,并查课本p370表15-3,取1150=A 。
机械设计课程设计说明书名称:输送带传动装置学院:机械与动力工程班级:测控姓名:学号:目录一、课程设计任务书 2二、设计要求2三、设计步骤21. 传动装置总体设计方案 32. 电动机的选择 43. 确定传动装置的总传动比和分配传动比 54. 计算传动装置的运动和动力参数 55. V带和带轮的设计 66. 齿轮的设计 87. 轴的设计 198. 滚动轴承的选择和校核 269. 联轴器的选择 2710.箱体的设计 3011.润滑与密封的设计 30四、设计小结31五、参考资料32一. 课程设计任务书设计课题:设计一用于带式运输机上的两级展开式圆柱齿轮减速器.运输机连续单向运转,轻度震动,环境温度不超过35度,输送带运动速度误差不超过5%,减速器单件小批量生产,使用期限10年(350天/年),每天16小时表一:二. 设计要求1.减速器装配图1张(A1)。
2.轴、齿轮零件图各2张(A3)。
3.设计计算说明书1份。
三. 设计步骤1.传动装置总体设计方案:1.组成:传动装置由电机、减速器、工作机组成。
2.特点:齿轮相对轴承不对称分布,故沿轴向载荷分布不均,要求轴有较大的刚度。
3.确定传动方案:考虑到电机转速高,传动功率大,将V带设置在高速级。
其传动方案如下:η2η3η5η4η1I IIIIIIVPdPw图1:(传动装置总体设计图)4.选择V 带传动和二级圆柱斜齿轮减速器(展开式)。
5.传动装置的总效率a η5423321ηηηηηη=a =0.96×398.0×295.0×0.97×0.96=0.759;1η为V 带的效率, 2η为第一对轴承的效率,3η为第二对轴承的效率,4η为第三对轴承的效率,5η为每对齿轮啮合传动的效率(齿轮为7级精度,油脂润滑.因是薄壁防护罩,采用开式效率计算)。
2.电动机的选择1.运输带工作压力:F=T/0.5d=900/0.5*320=5625N2.电动机所需工作功率为: P =P /η=5625×1.3/1000×0.759=5.93kW,3.执行机构的曲柄转速为n =Dπ60v1000⨯=47.77r/min ,4.经查表按推荐的传动比合理范围,V 带传动的传动比i =2~4,二级圆柱斜齿轮减速器传动比i =8~40,则总传动比合理范围为i =16~160,电动机转速的可选范围为n =i ×n =(16~160)×47.77=764.3~7643.3r/min 。
目录一、设计任务书-----------------------------------------1二、传动方案分析---------------------------------------1三、电动机的选择计算-----------------------------------1四、总传动比的确定和各级传动比的分配-------------------1五、运动和动力参数的计算-------------------------------1六、传动零件的设计-------------------------------------2七、轴的设计和计算------------------------------------7八、滚动轴承的选择和计算------------------------------11九、键连接的选择和计算--------------------------------13十、联轴器的选择和计算--------------------------------14十一、润滑和密封的说明--------------------------------14十二、拆装和调整的说明--------------------------------15十三、减速箱体的附件的说明----------------------------15十四、设计小节----------------------------------------15十五、参考资料----------------------------------------15二、传动方案分析1.蜗杆传动蜗杆传动可以实现较大的传动比,尺寸紧凑,传动平稳,但效率较低,适用于中、小功率的场合。
采用锡青铜为蜗轮材料的蜗杆传动,由于允许齿面有较高的相对滑动速度,可将蜗杆传动布置在高速级,以利于形成润滑油膜,可以提高承载能力和传动效率。
设计计算与说明 结果
1.1齿轮传动主要参数的设计计算 分析 因使用条件为一般减速器齿轮,故采用软齿面的组合,其设计准则为:先按齿面接触强度进行设计,再按齿轮弯曲强度进行校核。 1.1.1选择材料及确定许用应力 小齿轮用20CrMnTi渗碳淬火,齿面的硬度为56~62HRC, σHlim1=1500Mpa,σFlim1=850Mpa;大齿轮用20Cr渗碳淬火,齿面的硬度为56~62HRC,σHlim2=1500Mpa,σFlim2=850Mpa。 取Sf=1.25;取SH=1.1;取ZH=2.5,ZE=189.8。由表13-5,取SH=1.1,SF=1.25,则有 [σF1]=[F2 ]=0.7×σFlim/SF =0.7×850/1.25=476Mpa(因双向传动,轮齿的弯曲疲劳极限值应乘以0.7) [σH1]=[σH2 ]=σHlim/S_H =1500/1.1=1364Mpa 1.1.2按齿面接触疲劳强度设计 设齿轮按9级精度制造。取载荷系数K=1.3,齿宽系数φd=0.8 输入轴的转矩为 T₁=9.5510^6n1P1=9.5510^63605.4=1.19410^4(N·mm) 查表2.2 η齿=0.99 η滚=0.995 输出端的功率P₂=ηP₁=η齿η滚P₁=0.990.9954.5=4.433kW 输出轴的转矩为 T2=9.55×10^6 P2/n2=9.55×10^6×4.433/100
[σF1]=476(MPa)
[σF2]=476(MPa)
[σH1]=1364(MPa)
[σH2]=1364(MPa)
T₁=1.19410^5
(N·mm)
P₂=4.433kW
T₂==4.43310^5
(N·mm)
=4.234×10^5(N·mm) u=i=21nn=6.3100360 齿数选 z1=20,z2=iz1=3.6×20=72 齿形系数 zv1=20/cos^3 15°=22.2 zv2=72/cos^3 15°=79.8 查表可知 YFa1=2.72,YFa2=2.22;YSa1=1.57,YSa2=1.77 因(YFa1×YSa1)/[σF1] =2.72×1.57/476=0.00897> (YFa2×YSa2)/[σF2] =2.22×1.77/476=0.00825 故应对小齿轮进行弯曲强度计算 法面模数 85.2208.015cos00897.010194.13.12cos][232253211211FsaFanYYdzKTm由表8-2取nm=3mm 中心距=mmzzmn88.14215cos2)7220(3cos2)(21 取a=144mm 确定螺旋角1442)7220(3arccos2)(arccos21azzmn''37'3616 小齿轮分度圆直径cos/203cos/11zmdn61.62''37'3616 大齿轮分度圆直径cos/723cos/22zmdn39.225''37'3616 齿宽 09.5061.628.01dbd 取 mmb552 mmb601 (3)验算齿面接触强度
u=i=3.6
z1=20
z2=72
zv1=22.2
zv2=79.8
n
m
=3
a=144mm
=''37'3616
1
d
=62.61mm
2
d
=225.39mm
b2=55mm
b1=60mm
][07.6306.316.361.625510194.13.12''47'3616cos5.28.18912125211HHEHbdKTZZZ
所以安全
(4)齿轮的圆周速度v=(πd1n1)/(60×1000)
=(π×62.61×360)/60000=1.18<4
对照表13-2可知道选九级制造精度是合适的
1.2计算作用在齿轮上的力
1.2.1 在国家标准中规定,分度圆上的压力角为标准值,=20
圆周力 Ft=112dT=961011.125=2312.5(N)
径向力 Fr=tant•F= 20tan5.2312=841.68(N)
法向力 Fn=costF=20cos5.2312=2460.91(N)
1.3按扭转强度估算轴的直径 1.3.1 对于只传递转矩的圆截面轴,其扭转强度条件为 τT=TWT=ndP362.01055.9T(MPa) 对于既传递转矩又承受弯矩的转轴,可用上式初步估算轴的直径,但必须把轴的许用扭切力T适当降低,以补偿弯矩对轴的影响。将降低后的许用应力代入上式,并改写为设计公式 d362.01055.9T3nP=3nPC(mm) σH=630.07(MPa) v =1.18(m/s) Ft=2312.5(N) Fr=841.68(N)
Fn=2460.91(N)
(C:为与轴的材料和承载情况有关的常数) 查表16-3得 C=110 所以 dmin=3nPC=322nPC=31108.4110=38.7(mm) 考虑轴上开有两个键槽,故将轴的直径增大10%,则 d=38.7%101=42.6(mm) 此段轴的直径和长度应该与联轴器相符,选用LT7型弹性套柱销联轴器,其直径为45mm,与轴配合部分长度为84mm,
d=42.6(mm)