压路机操作手安全考试答案
- 格式:doc
- 大小:30.50 KB
- 文档页数:2
北京城建集团有限责任公司
压路机操作员考试试卷
单位: 姓名: 成绩:
一填空(每题10分)
1.工程机械操作手必须熟悉自己操作的机械、和构造,掌握操作技术,熟悉,使机械经常处于良好的技术状态。
2.严禁机械设备已启动就和。
3.工程机械在运转过程中,司机必须,不准随便离开。
4.司机不得将机械交给操作,严禁操作。
5.新开道路碾压时,应从向碾压,最后的碾压应距路基边缘米以上。
6.两台以上压路机进行行驶或碾压时,其间距至少保持米以上。
7.在坡道上禁止行使;上下坡时,不得和。
8.压路机在坚硬的路面行走时,严禁;在急转弯时,不得用档,严禁在尚未起振的情况下。
二、简答题(20分)
为保证机械安全操作,作业前对机械重点检查项目应符合那些要求:
一、1用途、性能、保养规程
2高速行驶、满负荷作业
3坚守岗位
4非司机、酒后
5中间、两侧、0.5
6 3
7纵队、换挡、滑行
8振动、高速、调节频率
二、1 、照明、信号机报警等装置齐全有效。
2、燃油、润滑油、液压油符合规定。
3、各铰接部分连接可靠。
4、液压系统无泄漏现象
5、轮胎、履带符合要求
6、刹车系统灵敏,有效。
第1页 共3页
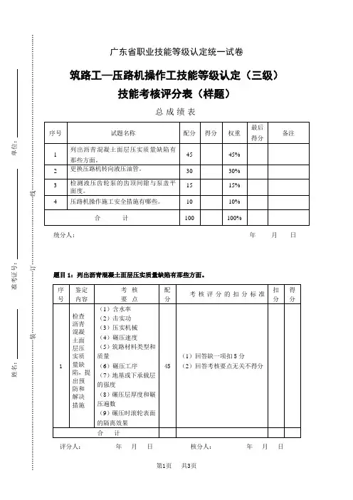
广东省职业技能等级认定统一试卷
筑路工—压路机操作工技能等级认定(三级)
技能考核评分表(样题)
总成绩表
统分人: 年 月
日
题目1:列出沥青混凝土面层压实质量缺陷有那些方面。
评分人: 年 月 日 核分人: 年 月 日
姓名: 准考证号: 单位:
………………………………………………………装…………………………订……………………………线…………………………………………………………………
题目2:更换压路机转向液压油管。
评分人:年月日核分人:年月日题目3:检测液压齿轮泵的齿顶间隙与泵盖平面度。
评分人:年月日核分人:年月日
第2页共3页
第3页 共3页
题目4:压路机操作施工安全措施有哪些?
评分人: 年 月 日 核分人: 年 月 日
姓名: 准考证号: 单位:
………………………………………………………装…………………………订……………………………线…………………………………………………………………。
2023年压路机司机(建筑特殊工种)考试历年真题摘选三套集锦(附带答案)(图片大小可自由调整)全文为Word可编辑,若为PDF皆为盗版,请谨慎购买!第1卷一.全能考点(共50题)1.【判断题】生产安全事故中的绝大多数是人为责任事故,与安全生产责任制和规章制度不健全无关。
参考答案:×2.【判断题】生产经营单位的应急预案按照针对情况的不同,分为综合应急预案、专项应急预案和现场处置方案。
参考答案:√3.【单选题】对砂性土及砂土进行碾压作业,应采取的措施是()A、翻松晾晒B、大量洒水C、换土重填D、局部换填参考答案:B4.【单选题】轮胎式压路机压实原理是依靠()A、冲击B、冲击和重力C、振动D、重力参考答案:D5.【判断题】装置喷油泵联轴器,除可弥补主、从动轴之间的同轴度误差外还可以改变喷油泵的供油提前角。
参考答案:√6.【单选题】以下土质中,羊角(凸块)轮压路机对()土壤的压实效果最好。
A、砂土B、碎石C、混合土D、粘土参考答案:D7.【判断题】封闭火区时,应当合理确定封闭范围,必须指定专人检查甲烷、氧气、一氧化碳、煤尘以及其他有害气体和风向、风量的变化,并采取防止瓦斯、煤尘爆炸和人员中毒的安全措施。
参考答案:√8.【判断题】事故发生单位对发生特别重大事故的,处200万元以上的罚款。
参考答案:×9.【判断题】单位时间内流过某一通流截面的液体的体积称为流量。
参考答案:√10.【单选题】用于两轴相交某一角度的传动的联轴器是()。
A、固定式联轴器B、可移式联轴器C、万向联轴器D、柔性联轴器参考答案:C11.【判断题】严禁用牵引法拖动压路机,不允许用压路机牵引其它机具。
参考答案:√12.【单选题】当过梁跨度不大于1.2m时,可采用()。
A、钢筋砖过梁B、混凝土过梁C、钢筋混凝土过梁D、砖砌平拱过梁参考答案:D13.【单选题】18~20吨静力式压路机根据整机质量来分类,属于()。
A、小型B、轻型C、中型D、重型参考答案:D14.【单选题】在碾压沥青混合料的热料层与热料层纵向接缝时,其碾压方法是:首先压实离中心结合缝两边约()以外的地方,然后压实中间剩余下来的混合料带。
三级安全教育查核试卷岗位:压路机司机姓名:得分:一、填空题(每空 2 分,共70 分)1、我国的安全生产目标是:2、预防事故的基来源则:①安全第一,、安全技术举措预防为主,综合治理②、安全教育举措③、。
安全管理举措。
3、安全生产三不损害详细指的是①、不损害自己②、不损害别人③、不被别人损害。
安全事故“四不放过”办理原则主要内容是:①、事故原由未查清不放过;②、事故责任人未遇到办理不放过;③、事故责任人和广大民众没有遇到教育不放过;④、事故没有制定确实可行的整顿举措不放过。
4 、《劳动法》规定:用人单位必须为劳动者提供切合规定的劳动条件和必需的劳动防备用品。
5、于对已经查出的事故隐患,隐患整顿应做到“三定”①、定时间②、定人③、定措施6、施工现场三级安全教育为:①、公司级②、项目部级③、班组级。
7、《劳动法》规定:从事特种作业的劳动者一定经过特意培训并获得特种作业资格方可上岗作业。
8、“三违”是指①、违章指挥②、违章作业③、违犯劳动纪律, 70%以上的事故都是因为“三违”造成的。
9、电器安装与接线,一定由电工操作,非电工禁止操作。
10、单钢轮振动压路机主假如靠偏爱块高速旋转的偏爱力和压路机自己重量对路基、路面进行压实,行走靠轮胎和钢轮驱动,驱动方式分机械驱动和全液压驱动两种。
11、单钢轮振动压路机主假如用于路基、路面、机场等的压实。
12、一定高度重视自己在工作中的安全责任。
以“安全第一、预防为主” 的安全意识投入到工作中去,预示到全部工作阶段中可能出现的危险以防止事故、错误和损害。
13、压路机作业前,用增添或减少配重的方法,将压路机的作业线压力调整到规定数值。
14、压路机振动压及时,在行走换向或振动变幅前要先停振,禁止在坚硬的地面上起振(结冰路面、水泥地)或原地振动。
15、压路体制动时配合使用制动器和主离合器,禁止用忽然转向的方法制动压路机。
16、为了养护或维修使设施或其一部分停止运行,应保证不会心外启动,。
压路机司机(建筑特殊工种)考试题库及答案1、【单选题】下列哪种触电方式最危险()(A )A、两相触电B、单相触电C、跨步电压与接触电压触电D、感应高电压触电2、【单选题】作业人员有权对影响人身健康的作业程序和作业条件提出改进意见,有权获得安全生产所需的()( C )A、安全知识B、保护设备C、防护用品D、意外伤害保险3、【单选题】坠落范围半径R随高度h不同而不同,当高度h为20米时,半径R为()米。
(C )A、2B、3C、4D、54、【单选题】安全带使用()年后进行抽查实验。
(C )A、半B、一C、两D、三5、【单选题】安全帽的佩戴方法应是这样的:首先应讲内衬圆周大小调节到对头部稍有约束感,但不难受的程度,以不系下额带低头时安全帽不会()为宜;其次佩戴安全帽必须系好下额带,下额带应紧贴下额,松紧以下额有约束感,但不难受为宜。
( C )A、摇晃B、松动C、脱落D、都不对6、【单选题】对检查中发现的安全问题不能处理的,应当及时报告本单位有关负责人,有关负责人应当()。
( C )A、向上级请示B、立即处理C、及时处理D、妥善处理7、【单选题】我国工业上普遍采用频率为()HZ的正弦交流电。
(A )A、50B、60C、70D、808、【单选题】新《安全生产法》立法目的是为了加强(),防止和减少生产安全事故,保障人民群众生命和财产安全,促进经济社会持续健康发展。
(A )A、安全生产工作B、安全生产监督管理C、处罚力度D、安全生产9、【单选题】施工现场一旦发生生产安全事故,参加施救人员应牢记最重要的救援原则是()(A )A、救人B、防止再生事故发生C、及时报告事故D、保护事故现场10、【单选题】生产经营单位作出涉及安全生产的经营决策,应当听取()的意见。
(A )A、安全生产管理机构、安全生产管理人员B、主要负责人C、职工D、安监部门人员11、【单选题】化油器式汽油机的可燃混合汽形成装置是。
(C )A、喷油器B、输油泵C、化油器D、汽油泵12、【单选题】“测量安装法”找平、找正时,测量人员配备的测量仪器是( )。
压路机司机(建筑特殊工种)考试题库含答案1、【单选题】18~20吨静力式压路机根据整机质量来分类,属于()。
(D)A、小型B、轻型C、中型D、重型2、【单选题】《安全生产法》所指的危险物品包括()。
(A)A、易燃易爆物品、危险化学品、放射性物品B、枪支弹药C、高压气瓶D、手持电动工具3、【单选题】《建筑起重机械安全监督管理规定》规定,出租单位、自购建筑起重机械的使用单位,应当建立()。
(B)A、建筑起重机械安全使用档案B、建筑起重机械安全技术档案C、建筑起重机械安全租赁档案D、建筑起重机械安全运作档案4、【单选题】严禁()进入施工现场。
(A)A、赤脚或穿拖鞋B、穿红色衣服C、骑自行车D、开车5、【单选题】以下灭火剂中,()破坏大气的臭氧层,要逐步淘汰。
(D)A、干粉B、泡沫C、二氧化碳D、12116、【单选题】作业人员进入新的岗位或者新的施工现场前,以及采取新技术、新工艺、新设备、新材料时,应接受(),未经教育培训或者教育培训考核不合格的人员,不得上岗作业。
(D)A、安全知识技术培训B、安全生产技术培训C、安全知识教育培训D、安全生产教育培训7、【单选题】切缝法施工用于水泥混凝土路面的()。
(B)A、胀缝B、缩缝C、纵缝D、施工缝8、【单选题】危险源导致事故可归结为()或有害物质的泄漏。
(C)A、人的不安全行为B、物的不安全状态C、能量的意外释放D、施工现场的不规范管理9、【单选题】压实厚铺层路基,选择(),可获得较大的激振力和压实作用深度,提高作业效率。
(A)A、低振频(25~30HZ)和高振幅(1.5~2mm)组合B、高振频(33~50HZ)和低振幅(0.4—0.8mm)组合C、低振频(25~30HZ)和低振幅(0.4—0.8mm)组合D、高振频(33~50HZ)和高振幅(1.5~2mm)组合10、【单选题】压路机倒轴的目的是保证压路机的()均匀地压实到路面的任何一处。
(B)A、车轮B、工作装置C、主后轮D、振动轮11、【单选题】压路机电系的特点是低压直流,负极搭铁采用()。
2023年压路机司机(建筑特殊工种)参考题库含答案(图片大小可自由调整)第1卷一.全能考点(共50题)1.【单选题】机械车辆在夜间临时停机时应开启宽灯,后住灯和()灯。
A、前大灯B、危险报警闪光灯C、前后防雾D、闪光灯2.【判断题】电缆终端处沿电缆长度方向的电场,在靠近铅套边缘处最大。
()3.【判断题】在配气机构的凸轮轴上,凸轮一般作为主动件。
4.【判断题】压路机操作于作业前必须了解施工方面对压实的要求土壤性质及怠水量。
5.【单选题】企业要建立(),每年都要结合本企业特点至少组织一次综合应急演练或专项应急演练;高危行业企业每半年至少组织一次综合或专项应急演练;车间(工段)、班组的应急演练要经常化。
演练结束后要及时总结评估,针对发现的问题及时修订预案、完善应急措施。
A、应急监控制度B、应急演练制度C、应急预案制度6.【单选题】水冷柴油机正常工作的温度是()。
A、20℃B、50℃C、80℃D、90℃7.【判断题】采用ZC-8型接地电阻表测量接地电阻,一般情况下电压极、电流极和被测接地极三者之间成直线布置。
8.【判断题】压路机在碾压作业过程中,可以根据需要改变碾压速度及方向,但不得中途停机。
9.【判断题】为了使三相交流电机反转只要互换任意两根电源线即可。
A、炭疽病B、森林脑病C、手臂振动病D、低压病E、中毒11.【单选题】通常,用振动压路机进行初压作业时,其作业速度范围应控制在()内。
A、1.5~2km/hB、2.5~3km/hC、3~4km/hD、5~7km/h12.【判断题】安全水头是指不至引起矿井突水的承压水水头最大值。
13.【单选题】三轮压路机倒轴时,应保证后主轮的重叠宽度为主轮宽度的()。
A、25~30㎝B、35~45㎝C、1/3~1/2D、1/2~2/314.【判断题】1.1级、1.3级厂房的门应采用向内开启的平开门。
15.【判断题】振动轮的滚动和振动器的振动互有影响。
16.【单选题】对薄铺层路面进行振动碾压,则应选择(),这样可以提高单位长度上的冲击次数,提高压实质量。
2023年压路机司机(建筑特殊工种)备考押题2卷合壹(带答案)(图片大小可自由调整)全文为Word可编辑,若为PDF皆为盗版,请谨慎购买!第一卷一.全能考点(共100题)1.【判断题】在潮湿环境下,锌基钎料具有较好的耐腐蚀性能。
参考答案:×2.【判断题】在生产过程中,事故是指造成人员死亡、伤害、职业病、财产损失或其他损失的意外事件。
参考答案:√3.【判断题】在国内使用的扶梯和自动人行道,警示标志、说明、使用须知等,应在醒目位置,且为清晰工整的中文。
参考答案:√4.【单选题】城市道路的路面结构常由多层次构成,其中主要起承重作用的是()A、上面层B、下面层C、基层D、垫层参考答案:C5.【单选题】用串联式压路机对坡道上的沥青混凝土铺砌层进行碾压,上坡碾压时压路机的驱动轮应在(),下坡碾压时驱动轮应在(),此外还应避免压路机的突然变速或刹车。
A、前面、前面B、前面、后面C、后面、前面D、后面、后面参考答案:D6.【判断题】()压力管道的分级是依据压力的大小来分的。
参考答案:×7.【单选题】三角带传动是依靠带的()面来与带轮产生摩擦传递动力的。
A、底面B、两侧面C、梯形断面D、两侧面及底面参考答案:B8.【判断题】液压传动不易实现无极调速。
参考答案:×9.【判断题】路基边坡的坡度用1:m的形式表示。
参考答案:×10.【单选题】通常,用振动压路机进行初压作业时,其作业速度范围应控制在()内。
A、1.5~2km/hB、2.5~3km/hC、3~4km/hD、5~7km/h参考答案:C11.【判断题】发动机冒黑烟一定时空气滤清器太脏。
参考答案:×12.【判断题】对积水的旧井巷、老采区、流砂层、各类地表水体、强含水层、强岩溶带等危险地带,不用留设防水矿(岩)柱。
参考答案:×13.【单选题】劳动保护的对象首先是保护()。
A、从事生产的劳动者B、安全管理者C、生产管理者参考答案:A14.【单选题】光轮静力压路机制动器主要结构形式是()。
2023年压路机司机(建筑特殊工种)备考押题2卷合壹(带答案)(图片大小可自由调整)全文为Word可编辑,若为PDF皆为盗版,请谨慎购买!第一卷一.全能考点(共100题)1.【单选题】《易制毒化学品管理条例》规定,易制毒化学品第一类可以用于()。
A、制毒的主要原料B、制毒的辅助原料C、制毒的化学配剂参考答案:A2.【单选题】齿轮机构中从动件受力方向与运动方向之间的夹角叫做()。
A、动作角B、压力角C、传动角D、以上都不是参考答案:B3.【判断题】液压传动不易实现无极调速。
参考答案:×4.【判断题】在安装带轮时,主、从动轮的轮槽可以不在同一平面内。
参考答案:×5.【判断题】节流阀是不易的压力控制阀,调节通过的流量,改变液压机的工作速度。
参考答案:×6.【单选题】关于建筑施工特种作业人员延期复核,以下表述正确的是()。
A、建筑施工特种作业人员,应当于期满前3个月内办理延期复核手续B、建筑施工特种作业人员,年度者继续教育时间不得少于20小时C、建筑施工特种作业人员超过相关工种规定年龄要求,可以申请延期复核D、2年内有3次违章操作记录,延期复核合格参考答案:A7.【多选题】在以下的职业病中,与建筑业有关的职业病有()。
A、炭疽病B、森林脑病C、手臂振动病D、低压病E、中毒参考答案:CE8.【单选题】井下消防管路系统在一般巷道中每隔100m,带式输送机巷道每隔()m设置一组支管和阀门。
A、50B、100C、150参考答案:A9.【判断题】1.1级、1.3级厂房的门应采用向内开启的平开门。
参考答案:×10.【判断题】微机保护对模数变换系统采样数据进行分析、计算和判断,实现各种继电保护功能的方法称为算法。
参考答案:√11.【单选题】城市道路的路面结构常由多层次构成,其中主要起承重作用的是()A、上面层B、下面层C、基层D、垫层参考答案:C12.【单选题】直列式四缸柴油机,各缸动作的间隔角度为()。
答案:
一、1.、自行式轮胎压路机、拖式轮胎压路机
2.、刮油式、刮板润滑式、油道润滑式、油浴润滑式、喷油或循环润滑式、油脂润滑式。
3.、静碾压路机、振动压路机、轮胎压路机、冲击式压路机。
4、轮胎式、全驱动式
5、轮胎驱动式、全驱动式、轮胎、轮胎驱动、静力作用式
二、1、振动压实的工作原理是利用固定在质量为m的物体上的振动器所产生的激振力,迫使被压实材料作垂直强迫振动,急剧减小土壤颗粒间的内摩擦力,使颗粒靠近,密实度增加,从而达到压实的目的。
6、碾压式压路机在使用中应注意以下事项:
①作业或行驶中紧急制动时,必须先踏下主离合器踏板以切断动力,然后再踏制动踏板,否则易损坏制动器;解除时,应先松制动踏板,然后再松主离合器塌板以恢复行驶。
②对于带差速锁死装置的压路机,在正常作业时应将差速锁死装置置于差速位置,以便于机器转向,并可避免损坏路面;当机器陷入泥坑或有较大石块阻住后轮使后轮打滑时,可将差速锁死装置置于锁死位置,以帮助机器克服后轮打滑并越过障碍。
③上坡前换挡变速时必须停机,下坡时应挂低速挡。
④高速行驶时严禁急转弯。
⑤几台压路机联合作业时,其间距应大于3m,以免发生碰撞或造成转向困难。
⑥应避免远距离行驶;需要远距离转场时,应用其他车辆运载。
2023年压路机司机(建筑特殊工种)备考押题2卷合1带答案(图片大小可自由调整)全文为Word可编辑,若为PDF皆为盗版,请谨慎购买!第壹套一.全能考点(共100题)1.【判断题】专项应急预案应当包括危险性分析、可能发生的事故特征、应急组织机构与职责、预防措施、应急处置程序和应急保障等内容。
参考答案:√2.【单选题】决定水泥稳定基层压实质量的主要因素有()A、压路机的重量B、水泥混凝土的温度C、沥青混凝土的温度D、水泥混凝土的温度和沥青混凝土的温度参考答案:A3.【判断题】在碾压沥青混凝土路面时,应保持碾压速度恒定,热料面层上不要任意停车;转向或起步时应缓慢,这样可以把压痕减到最小。
参考答案:√4.【单选题】对砂性土及砂土进行碾压作业,应采取的措施是()A、翻松晾晒B、大量洒水C、换土重填D、局部换填参考答案:B5.【判断题】职业安全健康管理体系是一套系统化程序化和具有高度自我约束自我完善的科学管理体系。
参考答案:√6.【判断题】戒毒治疗不得以营利为目的。
参考答案:√7.【判断题】爆炸品一旦发生爆炸,往往危害大、损失大、扑救困难,因此从事爆炸品工作的人员必须熟悉爆炸品的性能、危险性和不同爆炸品的特殊要求。
参考答案:√8.【单选题】压路机电系的特点是低压直流,负极搭铁采用()。
A、并联单线制B、并联双线制C、串联单线制D、串联双线制参考答案:A9.【单选题】行车中遇有非机动车准备绕过停放的车辆时,应()。
A、鸣喇叭示意其让道B、让其先行C、加速绕过D、紧随其后鸣喇叭参考答案:B10.【多选题】《特种设备使用管理规则》规定,场(厂)内专用机动车辆使用单位办理使用登记时,应当逐台填写使用登记表,向登记机关提交()材料,并且对其真实性负责。
A、使用登记表(一式两份);B、含有使用单位统一社会信用代码的证明或者个人身份证明(适用于公民个人所有的特种设备C、特种设备产品合格证(含产品数据表、车用气瓶安装合格证明)D、监督检验证明(首次检验报告)参考答案:ABCD11.【单选题】若用16~20t轮胎轮压路机对非黏性土壤进行碾压时,其适宜的压实厚度为()mm。
压路机操作手安全考试(答案)单位:姓名:成绩:一、填空题(每题3分,共45分)1、所有施工人员严禁(饮酒)后进入施工现场。
2、我国安全生产的基本方针是(安全第一,预防为主、综合治理)。
3、检查燃料、润滑油、冷却水是否充足,不足时应予添加。
在添加燃油时严禁(吸烟及接近明火),以免引起火灾。
4、碾压松软路基时,应先在不振动情况下碾压(1~2)遍,然后再振动辗压。
5、变速与换向时应先(停机),变速时应降低内燃机转速。
6、作业时,压路机应先起步后才能起振,内燃机应先置于(中速),然后再调至高速。
7、严禁压路机在(坚实)的地面上进行振动。
8、碾压时,振动频率应保持(一致)。
对可调振频的振动压路机,应先调好振动频率后再作业,不得在没有起振情况下调整(振动频率)9、上、下坡时,不得使用(快速)档。
在急转弯时,包括铰接式振动压路机在小转弯绕圈碾压时,严禁使用(快速)档。
10、压路机在高速行驶时不得接合(振动)。
11、停机时应先停振,然后将换向机构置于中间位置,变速器置于空挡,最后拉起手制动操纵杆,内燃机怠速运转数分钟后熄火。
12、作业前,各系统管路及接头部分应无裂纹、(松动)和泄漏现象,滚轮的刮泥板应平整良好,各紧固件不得松动,轮胎压路机还应检查轮胎(气压),确认正常后方可启动。
13、不得用(牵引法)强制启动内燃机,也不得用压路机拖拉任何机械或物件。
14、碾压时应低速行驶,变速时必须停机。
速度宜控制在(3~4km/h)范围内,在一个碾压行程中不得变速。
15、作业后,应将压路机停放在平坦坚实的地方,并制动住。
不得停放在土路(边缘及斜坡上),也不得停放在妨碍交通的地方。
二、选择题(每题5分,共35分)1、施工中的“三违”是指( B )A、违反纪律,违反规章制度,违反操作规程B、违章指挥,违章作业,违反劳动纪律2、施工中的“三不伤害”是指( B )A、自我伤害,被他人伤害,伤害他人B、我不伤害自己,我不伤害他人,我不被他人伤害3、从事特种作业的劳动者,必须经过( C ),并取得特种作业资格。
2023年压路机司机(建筑特殊工种)备考押题二卷合一带答案(图片大小可自由调整)全文为Word可编辑,若为PDF皆为盗版,请谨慎购买!第1卷一.全能考点(共100题)1.【判断题】毒害品应避免阳光直射、曝晒,要远热源、电源、火源,库内在固定方便的地方配备与毒害品性质适应的消防器材、报警装置和急救药箱。
参考答案:√2.【判断题】振频和振幅是振动压路机压实作业的重要性能参数。
振幅是激振时振动轮跳离地面的高度。
振幅越大,激振力就越小。
参考答案:×3.【单选题】某储存区贮存有煤油、汽油两种物质,其储存量分别是20t、17t,临界量分别是100t、20t,则储存区属于()。
A、重大危险源B、安全场所C、非重大危险源参考答案:A4.【单选题】吸毒,也称“药物滥用”,就是出于()目的,通过注射、口服、鼻吸或其他方式将毒品摄入人体的行为。
A、非医疗B、治病C、麻醉D、交友参考答案:A5.【判断题】土基压实时,压实遍数越多,效果越好。
参考答案:×6.【单选题】在安全事故发生后,负有报告职责的人员不报或者谎报事故情况,贻误事故抢救,情节严重的,依照《中华人民共和国刑法》关于()事故罪的规定,追究其刑事责任。
A、瞒报或者谎报B、重大责任C、劳动安全参考答案:A7.【单选题】CA30表示的是()。
A、平地机B、压路机C、装载机D、升降机参考答案:B8.【单选题】其他通风行人巷道允许风速范围为()m/s。
A、0.15B、0.25C、0.5参考答案:A9.【单选题】自行式振动压路机在结构上多采用铰接式转向和液压传动,按振动轮数分有()。
A、单轮振动B、双轮振动C、单轮振动和双轮振动D、三轮振动参考答案:C10.【单选题】柴油机的热效率与汽油机相比()。
A、高于汽油机B、低于汽油机C、基本相同D、以上都不对参考答案:A11.【单选题】不是常用表示粘度单位制是()。
A、动力粘度B、运动粘度C、绝对粘度D、相对粘度参考答案:C12.【多选题】下列哪些是锅炉的受压元件_____?A、锅筒B、管板(封头)C、烟火管、水管D、集箱参考答案:ABCD13.【判断题】夯实机械的特点是使材料产生的应力变化速度很大,特别适用于对粘性土壤、砂质粘土和灰土的压实。
2023年压路机司机(建筑特殊工种)备考押题2卷合壹(带答案)(图片大小可自由调整)全文为Word可编辑,若为PDF皆为盗版,请谨慎购买!第一卷一.全能考点(共100题)1.【判断题】当矿石有黏结性或围岩不稳固时,矿石可采用竖井、斜井下放或用无轨自行设备经斜坡道直接将矿石运往地表。
参考答案:√2.【判断题】压路机作业时,操作人应始终注意行驶方向,按照规定的压实工艺进行碾压。
参考答案:√3.【单选题】用于两轴相交某一角度的传动的联轴器是()。
A、固定式联轴器B、可移式联轴器C、万向联轴器D、柔性联轴器参考答案:C4.【单选题】不是常用表示粘度单位制是()。
A、动力粘度B、运动粘度C、绝对粘度D、相对粘度参考答案:C5.【单选题】齿轮传动的特点是()。
A、传递的功率和速度范围大B、传动效率低C、传动比不准确D、都不对参考答案:A6.【判断题】压路机发动机调速器一般用两级调速器。
以上都不对参考答案:×7.【单选题】特别重大事故,是指造成()人以上死亡,或者100人以上重伤(包括工业中毒,下同),或者1亿元以上直接经济损失的事故。
A、10B、20C、30D、50参考答案:C8.【单选题】任何一个零件图的尺寸基准至少有()个。
A、1B、2C、3D、4参考答案:C9.【判断题】在竣工前对铺筑层进行的最后1-2遍碾压作业称为终压。
终压的目的是为了进一步提高压实度。
参考答案:×10.【判断题】为了使三相交流电机反转只要互换任意两根电源线即可。
参考答案:√11.【判断题】()压力管道的分级是依据压力的大小来分的。
参考答案:×12.【判断题】压路机在碾压作业中,必须在规定的碾压段内转向,应平稳地改变运行方向,不允许压路机在惯性滚动的状态下变换方向。
参考答案:×13.【判断题】碾压弯道时,压路机要尽可能直线行驶。
参考答案:√14.【单选题】单向受力的螺旋传动机构广泛采用()。
A、三角螺纹B、梯形螺纹C、矩形螺纹D、锯齿形螺纹参考答案:C15.【单选题】机械作业途中停机时应检查各部有无漏水、漏气、()三漏现象。
2023年压路机司机(建筑特殊工种)备考押题二卷合一带答案(图片大小可自由调整)全文为Word可编辑,若为PDF皆为盗版,请谨慎购买!第1卷一.全能考点(共100题)1.【判断题】装置喷油泵联轴器,除可弥补主、从动轴之间的同轴度误差外还可以改变喷油泵的供油提前角。
参考答案:√2.【判断题】在生产过程中,事故是指造成人员死亡、伤害、职业病、财产损失或其他损失的意外事件。
参考答案:√3.【单选题】安全生产管理是针对生产过程中的安全问题,进行有关()等活动。
A、决策、计划、组织和控制B、计划、组织、控制和反馈C、决策、计划、实施和改进参考答案:A4.【单选题】机械车辆在夜间临时停机时应开启宽灯,后住灯和()灯。
A、前大灯B、危险报警闪光灯C、前后防雾D、闪光灯参考答案:B5.【判断题】为了提高施工进度,缩短工期,可以考虑适当提高压路机的吨位,选用大吨位压路机进行碾压,以减少碾压遍数,或适当增加铺层厚度,提高压实生产率。
参考答案:√6.【单选题】面层为沥青表面处治的道路,其路面等级属于()路面。
A、高级B、次高级C、中级D、低级参考答案:B7.【单选题】车辆在转弯行驶时差速器中的行星齿轮()。
A、只有自转,没有公转B、只有公转,没有自转C、既有公转,又有自转D、很难说参考答案:C8.【单选题】复压是在初压的基础上连续进行的压实作业。
复压通常碾压()遍,其目的是使铺筑层达到规定的压实度。
A、2~4B、3~5C、4~6D、5~8参考答案:D9.【单选题】CA30表示的是()。
A、平地机B、压路机C、装载机D、升降机参考答案:B10.【判断题】在安装带轮时,主、从动轮的轮槽可以不在同一平面内。
参考答案:×11.【单选题】若用16~20t轮胎轮压路机对非黏性土壤进行碾压时,其适宜的压实厚度为()mm。
A、15~20B、20~30C、30~40D、40~50参考答案:B12.【单选题】柴油的低温流动性评定指标是()。
压路机操作手安全考试(答案)
单位:姓名:成绩:
一、填空题(每题3分,共45分)
1、所有施工人员严禁(饮酒)后进入施工现场。
2、我国安全生产的基本方针是(安全第一,预防为主、综合治理)。
3、检查燃料、润滑油、冷却水是否充足,不足时应予添加。
在添加燃油时严禁(吸烟及接近明火),以免引起火灾。
4、碾压松软路基时,应先在不振动情况下碾压(1~2)遍,然后再振动辗压。
5、变速与换向时应先(停机),变速时应降低内燃机转速。
6、作业时,压路机应先起步后才能起振,内燃机应先置于(中速),然后再调至高速。
7、严禁压路机在(坚实)的地面上进行振动。
8、碾压时,振动频率应保持(一致)。
对可调振频的振动压路机,应先调好振动频率后再作业,不得在没有起振情况下调整(振动频率)
9、上、下坡时,不得使用(快速)档。
在急转弯时,包括铰接式振动压路机在小转弯绕圈碾压时,严禁使用(快速)档。
10、压路机在高速行驶时不得接合(振动)。
11、停机时应先停振,然后将换向机构置于中间位置,变速器置于空挡,最后拉起手制动操纵杆,内燃机怠速运转数分钟后熄火。
12、作业前,各系统管路及接头部分应无裂纹、(松动)和泄漏现象,滚轮的刮泥板应平整良好,各紧固件不得松动,轮胎压路机还应检查轮胎(气压),确认正常后方可启动。
13、不得用(牵引法)强制启动内燃机,也不得用压路机拖拉任何机械或物件。
14、碾压时应低速行驶,变速时必须停机。
速度宜控制在(3~4km/h)范围内,在一个碾压行程中不得变速。
15、作业后,应将压路机停放在平坦坚实的地方,并制动住。
不得停放在土路(边缘及斜坡上),也不得停放在妨碍交通的地方。
二、选择题(每题5分,共35分)
1、施工中的“三违”是指( B )
A、违反纪律,违反规章制度,违反操作规程
B、违章指挥,违章作业,违反
劳动纪律
2、施工中的“三不伤害”是指( B )
A、自我伤害,被他人伤害,伤害他人
B、我不伤害自己,我不伤害他人,我不被他人伤害
3、从事特种作业的劳动者,必须经过( C ),并取得特种作业资格。
A 健康检查
B 重新登记
C 专门培训
4、当土的含水量超过( )时不得碾压,含水量少于( A)时,宜适当洒水。
A. 30%, 5%
B. 20% 5%
C. 10%, 5%
5、工作地段的纵坡不应超过压路机最大爬坡能力,横坡不应大于( A )
A. 20%
B. 10%
C. 30%
6、应根据碾压要求选择机重。
当光轮压路机需要增加机重时,可在滚轮内加砂或水。
当气温降至( B )时,不得用水增重。
A. -5℃
B. 0℃
C. 5℃
7、在新建道路上进行碾压时,应从中间向两侧碾压。
碾压时,距路基边缘不应少于( A )。
A. 0.5m
B. 0.8m
C. 0.3m
二、判断题(每题5分,共20分)
1、变换压路机前进、后退方向,应待滚轮停止后进行。
不得利用换向离合器作制动用。
(√)
2、在运行中,不得进行修理或加油。
需要在机械底部进行修理时,应将内燃机熄火。
(×)
3、两台以上压路机同时作业时,前后间距不得小于2m,在坡道上不得纵队行驶。
(×)
4、启动后,应进行试运转,确认运转正常,制动及转向功能灵敏可靠,方可作业。
开动前,压路机周围应无障碍物或人员。
(√)。