防护等级和防爆知识
- 格式:pptx
- 大小:1.51 MB
- 文档页数:61
防爆等级及防护等级
防爆等级
Ex ia(ib)Ⅱ(Ⅰ)C(A,B)T6(1,2,3,4,5)→ Ex iaⅡCT6
ia(ib):看下图;Ⅱ(Ⅰ):工厂(矿用);C(A,B):氢气(丙烷,乙烯);T6(1,2,3,4,5):下图Ex防爆标记,欧标,European
ia(ib)防爆等级,instinct
Ⅱ(Ⅰ) C(A,B)矿用(工厂用)气体组别
T6(1,2,3,4,5)温度组别
1隔爆型 d 隔离存在的点火源Zone1,Zone2
2增安型 e 设法防止产生点火源Zone1,Zone2
3本安型ia 限制点火源的能量Zone0-2
本安型ib 限制点火源的能量Zone1,Zone2
4正压型p 危险物质与点火源隔开Zone1,Zone2
5充油型o 危险物质与点火源隔开Zone1,Zone2
6充砂型q 危险物质与点火源隔开Zone1,Zone2
7无火花型n 设法防止产生点火源Zone2
8浇封型m 设法防止产生点火源Zone1,Zone2
9气密型h 设法防止产生点火源Zone1,Zone2
T1≤450℃氢气、丙烯氰等多种
T2≤300℃乙炔、乙烯等多种
T3≤200℃汽油、丁烯醛等多种
T4≤135℃乙醛、四氟乙烯等多种
T5≤100℃二硫化碳多种
T6≤85℃硝酸乙酯和亚硝酸乙酯多种
防护等级
IP6(1,2,3,4,5,6)5(0,1,2,3,4,5,6,7,8)→IP65
IP(ingress protection)入口保护,防护等级
6防尘等级
5防水等级
数字越大防护等级越高。
防爆设备防护级别
防爆设备是在危险环境中工作时保障人身安全和设备完整性的
重要工具。
防爆设备的防护级别取决于所处的环境以及设备的分类。
目前,国际上通用的防爆设备防护级别分为以下几种:
1. 防爆等级Ex:指设备在可能存在爆炸性气体混合物的危险环境中的安全性能。
分为Ex ia、Ex ib、Ex ic等级,其等级从高到低,其安全性能也相应降低。
2. 防护等级IP:指设备的防护等级,包括对固体和液体的防护能力。
分为IPXX级,其中XX代表设备防护等级,数字越高代表防护能力越强。
3. 防爆温度等级T:指设备在可能存在爆炸性气体混合物的危险环境中的最高使用温度。
分为T1到T6级,其等级越高,设备的最高使用温度也越高。
4. 防爆组合标志:指设备同时满足不同防护级别的要求,如同时具有Ex ia IIC T6、IP67等级的设备。
以上是防爆设备的常见防护级别,正确选择适合的防爆设备在工作中起到至关重要的作用。
- 1 -。
一、电机、低压电器外壳防护等级IP(International Protection)防护等级系统是由IEC(International Electro Technical Commission)所起草。
将灯具依其防尘、防止外物侵入、防水、防湿气之特性加以分级。
这里所指的外物包含工具、人的手指等均不可接触到灯具内之带电部分,以免触电。
IP防护等级是由两个数字所组成,第一个数字表示灯具防尘、防止外物侵入的等级;第二个数字表示灯具防湿气、防水侵入的密闭程度。
数字越大,表示其防护等级越高,两个标示数字所表示的防护等级如表一及表二。
第一个标示特性号码(数字)所指的防护程度第一个标示数字:0 无防护对外界的人或物无特殊之防护IP0-1 防止大于50mm的固体物体侵入,防止人体(如手掌)因意外而接触到灯具内部之零件。
防止较大尺寸(直径大于50mm)的外物侵入IP1-2 防止大于12mm的固体物体侵入,防止人的手指接触到灯具内部之零件。
防止中等尺寸(直径大于12mm,长度大于80mm)的外物侵入IP2-3 防止大于2.5mm的固体物体侵入,防止直径或厚度大于2.5mm之工具、电线或类似的细小的外物侵入而接触到灯具的内部零件IP3-4 防止大于1.0mm的固体物体侵入,防止直径或厚度大于1.0mm之工具、电线或类似的细小的外物侵入而接触到灯具的内部零件IP4-5 防尘,完全防止外物侵入。
虽不能完全防止灰尘侵入,但侵入的灰尘的量并不会影响灯具的正常操作IP5-6 尘密完全防止外物侵入,且可完全防止灰尘侵入IP6-第二个标示特性号码(数字)所指的防护程度第二个标示数字:0 无防护对外界的人或物无特殊之防护IP-01 防止滴水侵入,垂直滴下的水滴(如凝结水)对灯具不会造成有害影响IP-12 倾斜15°时仍可防止滴水侵入,当灯具由垂直倾斜至15°时,滴水对灯具不会造成有害影响IP-23 防止喷洒的水侵入,防雨或防上与垂直的夹角小于60°之方向所喷洒的水进入灯具造成损坏IP-34 防止飞溅的水侵入,防止各方向飞溅而来的水进入灯具造成损坏IP-45 防止喷射的水侵入,防止来自各方向由喷嘴喷射出的水进入灯具造成损坏IP-56 防止海浪的侵入,装设于甲板上的灯具,防止因大浪的侵袭而浸水造成损坏IP-67 防止浸水时的水侵入,灯具浸在水中一定的时间或水压在一定的标准以下能确保不因进水而造成损坏IP-78 防止沉没时的水侵入,灯具无限期的沉没早指定水压的状况下,能确保不因进水而造成损坏IP-8二、防爆等级可能发生爆炸的环境。
防护等级即IP
表示电器依其防尘防湿气的特性,IP防护等级是由两个数字所组成,第1个数字表示电器防尘、防止外物侵入的等级(这里所指的外物含工具,人的手指等均不可接触到电器之内带电部分,以免触电);第2个数字表示电器防湿气、防水浸入的密闭程度,数字越大表示其防护等级越高。
防爆等级
防爆等级一般用来表征防爆设备的防爆能力,防爆设备的一般性定义为:在规定条件下不会引起周围爆炸性环境点燃的电气设备。
前面的字母表示防爆形式,有以下几种形式:。
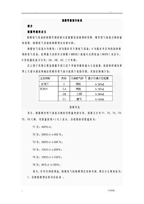
防爆等级划分标准简介防爆等级的定义防爆电气设备的防爆等级的划分是根据设备使用的类别、爆炸性气体混合物的温度组别、防爆电气设备的防爆型式来划分的。
防爆电气设备分为两类:I类为煤矿井下用电气设备;II为除矿井以外的场所使用的电气设备,依照最大试验安全间隙〔MESG〕或最小点燃电流〔MICR〕来区分,II 类电器设备又分为:IIA、IIB、IIC 三个类别。
以上四个类别主要是根据不同工况下可能引爆的最小火花能量,我国和欧洲及世界上大部分国家和地区将爆炸性气体分此四个危险等级,具体区别如下表:组别比照其次,根据爆炸性气体混合物按引燃温度的差异,组别又分为T1、T2、T3、T4、T5、T6六种,引燃温度用t〔℃〕表示,各组别的引燃温度为:T1为:450℃<t;T2为:300℃<t ≤450 ℃;T3为:200℃<t ≤300 ℃;T4为:135℃<t ≤200℃;T5为:100℃<t ≤135℃;T6为:85℃<t ≤100℃。
再次,针对不同的用途,防爆电气的防爆型式有所不同,型式分主要包括为:1、各种防爆型式的对应标准:防爆型式在英国允许使用的场所中国标准GB3836防爆型式符号IEC标准79-CENELEC标准EN50防爆方法对危险场所的适用性:序号防爆型式代号国家标准防爆措施适用区域1 隔爆型 d GB3836.2 隔离存在的点火源 Zone1,Zone22 增安型 e GB3836.3 设法防止产生点火源 Zone1,Zone23 本安型 ia GB3836.4 限制点火源的能量 Zone0-2本安型 ib GB3836.4 限制点火源的能量 Zone1,Zone24 正压型 p GB3836.5 危险物质与点火源隔开 Zone1,Zone25 充油型 o GB3836.6 危险物质与点火源隔开 Zone1,Zone26 充砂型 q GB3836.7 危险物质与点火源隔开 Zone1,Zone27 无火花型 n GB3836.8 设法防止产生点火源 Zone28 浇封型 m GB3836.9 设法防止产生点火源 Zone1,Zone29 气密型 h GB3836.10 设法防止产生点火源 Zone1,Zone2例如:防爆标志为dIIBT4,代表:防爆电气产品的型式为隔爆型,是使用在II类场所的IIB级〔类〕别,爆炸性气体的引燃温度为T4的组别。
目录一、防爆二、防爆简介三、防爆措施四、防爆设备五、防爆方式具体介绍六、爆炸区域划分七、防爆标示识别八、气体组别九、防爆设备的选型十、防护等级一、防爆防爆是指能够抵抗爆炸的冲击力和热量而不受损失仍能正常工作称为防爆。
防止爆炸的产生必从三个必要条件来考虑,限制了其中的一个必要条件,就限制了爆炸的产生。
选择相应的防爆型仪表和防爆型电气设备,标准的结构有:隔爆型、增安型、正压型、充沙型、本质安全型和充油型等。
防爆含义:指防止爆炸防爆措施:选用适应的通风方法防爆设备:用于爆炸性环境的电气设备标准结构:隔爆型、增安型、正压型、充沙型二、简介1、引起爆炸的三个必要条件,三个条件同时具备——爆炸①燃点ignite;②助燃气体comburant(特殊物质可以非O条件下燃烧爆炸,如Mg可在二氧化碳中剧烈燃烧);③可燃物 combustible2、防止爆炸的产生必从三个必要条件来考虑,限制了其中的一个必要条件,就限制了爆炸的产生。
防止化工厂、炼油厂中爆炸性和易燃性的物质可能引起的爆炸。
设备和管道因密封不良而引起爆炸性或易燃性物质外逸,遇到仪表的电气接点和电气设备短路时形成的火花,都可能引起爆炸或燃烧。
三、防爆措施(1)选择相应的防爆型仪表和防爆型电气设备,标准的结构有:隔爆型、增安型、正压型、充沙型、本质安全型和充油型等。
(2)选用适应的通风方法。
(3)预防或最大限度地降低易燃物质泄漏的可能性。
(4)不用或尽量少用易产生电火花的电气元件。
(5)采取充氮气之类的方法维持惰性状态。
四、防爆设备防爆设备定义:在规定条件下不会引起周围爆炸性环境点燃的电气设备。
分为三类:Ⅰ类:煤矿井下电气设备;Ⅱ类:除煤矿、井下之外的所有其他爆炸性气体环境用电气设备。
Ⅱ类又可分为ⅡA、ⅡB、ⅡC类,标志ⅡB的设备可适用于ⅡA设备的使用条件;ⅡC可适用于ⅡA、ⅡB的使用条件。
说明:ⅡC标志是较高的防爆等级,但并不表示该设备性能最好。
最高表面温度:电气设备在规定范围内的最不利运行条件下工作时,可能引起周围爆炸性环境点燃的电气设备任何部件所达到的最高温度。
防爆等级划分标准简介防爆等级的定义防爆电气设备的防爆等级的划分是根据设备使用的类别、爆炸性气体混合物的温度组别、防爆电气设备的防爆型式来划分的。
防爆电气设备分为两类:I类为煤矿井下用电气设备;II为除矿井以外的场所使用的电气设备,依照最大试验安全间隙(MESG)或最小点燃电流(MICR)来区分,II类电器设备又分为:IIA、IIB、IIC 三个类别。
以上四个类别主要是根据不同工况下可能引爆的最小火花能量,我国和欧洲及世界上大部分国家和地区将爆炸性气体分此四个危险等级,具体区别如下表:组别对比其次,根据爆炸性气体混合物按引燃温度的差异,组别又分为T1、T2、T3、T4、T5、T6六种,引燃温度用t(℃)表示,各组别的引燃温度为:T1为:450℃<t;T2为:300℃<t ≤450 ℃;T3为:200℃<t ≤300 ℃;T4为:135℃<t ≤200℃;T5为:100℃<t ≤135℃;T6为:85℃<t ≤100℃。
再次,针对不同的用途,防爆电气的防爆型式有所不同,型式分主要包括为:1、各种防爆型式的对应标准:防爆方法对危险场所的适用性:序号防爆型式代号国家标准防爆措施适用区域1 隔爆型 d GB3836.2 隔离存在的点火源Zone1,Zone22 增安型 e GB3836.3 设法防止产生点火源Zone1,Zone23 本安型ia GB3836.4 限制点火源的能量Zone0-2本安型ib GB3836.4 限制点火源的能量Zone1,Zone24 正压型p GB3836.5 危险物质与点火源隔开Zone1,Zone25 充油型o GB3836.6 危险物质与点火源隔开Zone1,Zone26 充砂型q GB3836.7 危险物质与点火源隔开Zone1,Zone27 无火花型n GB3836.8 设法防止产生点火源Zone28 浇封型m GB3836.9 设法防止产生点火源Zone1,Zone29 气密型h GB3836.10 设法防止产生点火源Zone1,Zone2示例:防爆标志为dIIBT4,代表:防爆电气产品的型式为隔爆型,是使用在II类场所的IIB级(类)别,爆炸性气体的引燃温度为T4的组别。
1,GB3836-2000体系中的电气设备保护方法五、环境用电气设备防爆标志举例:DIP A20 TA170℃(或TA,T3) IP54 DIP B21 TB200℃(或TB,T3) IP65防护等级防护等级设备最高表面温度设备最高表面温度A型20区 B型21区六、可燃性粉尘环境用电气设备2,IP防护等级IP(INGRESS PROTECTION)防护等级系统是由IEC(INTERNATIONAL ELECTROTECHNICAL COMMISSION)所起草。
将电器依其防尘防湿气之特性加以分级。
这里所指的外物含工具,人的手指等均不可接触到电器内之带电部分,以免触电。
IP防护等级是由两个数字所组成,第1个数字表示灯具离尘、防止外物侵入的等级,第2个数字表示灯具防湿气、防水侵入的密闭程度,数字越大表示其防护等级越高。
目录两个标示数字所表示的防护等级如表一及表二所示:表一:表二:第二个标示特性号码(数字)所指的防护程度附加字母:防止接近危险部件A 手背B 手指C 工具D 金属线补充字母:专门补充的信息H 高压设备M 做防水试验时试样运行S 做防水试验时试样静止W 气候条件- 防水试验1、范围防水试验包括第二位特征数字为1至8,即防护等级代码为IPX1至IPX8。
2、各种等级的防水试验内容(1)IPX1方法名称:垂直滴水试验试验设备:滴水试验装置及其试验方法见2.11试样放置:按试样正常工作位置摆放在以1r/min的旋转样品台上,样品顶部至滴水口的距离不大于200mm试验条件:滴水量为1 0.5 mm/min;试验持续时间:10 min;(2)IPX2方法名称:倾斜15°滴水试验试验设备:滴水试验装置及其试验方法见2.11试样放置:使试样的一个面与垂线成15°角,样品顶部至滴水口的距离不大于200mm。
每试完一个面后,换另一个.....面,共四次。
试验条件:滴水量为3 0.5 mm/min;试验持续时间:4×2.5 min(共10 min);(3)IPX3方法名称:淋水试验试验方法:a.摆管式淋水试验试验设备:摆管式淋水溅水试验装置(装置图形及其试验方法见本书2.14)试样放置:选择适当半径的摆管,使样品台面高度处于摆管直径位置上,将试样放在样台上,使其顶部到样品喷水口的距离不大于200mm,样品台不旋转。
防爆等级划分标准简介防爆等级的定义防爆电气设备的防爆等级的划分是根据设备使用的类别、爆炸性气体混合物的温度组别、防爆电气设备的防爆型式来划分的。
防爆电气设备分为两类:I类为煤矿井下用电气设备;II为除矿井以外的场所使用的电气设备,依照最大试验安全间隙(MESG)或最小点燃电流(MICR)来区分,II 类电器设备又分为:IIA、IIB、IIC 三个类别。
以上四个类别主要是根据不同工况下可能引爆的最小火花能量,我国和欧洲及世界上大部分国家和地区将爆炸性气体分此四个危险等级,具体区别如下表:组别对比其次,根据爆炸性气体混合物按引燃温度的差异,组别又分为T1、T2、T3、T4、T5、T6六种,引燃温度用t(℃)表示,各组别的引燃温度为:T1为:450℃<t;T2为:300℃<t ≤450 ℃;T3为:200℃<t ≤300 ℃;T4为:135℃<t ≤200℃;T5为:100℃<t ≤135℃;T6为:85℃<t ≤100℃。
再次,针对不同的用途,防爆电气的防爆型式有所不同,型式分主要包括为:1、各种防爆型式的对应标准:防爆型式在英国允许使用的场所中国标准GB3836防爆型式符号IEC标准79-CENELEC标准EN50防爆方法对危险场所的适用性:序号防爆型式代号国家标准防爆措施适用区域1 隔爆型 d GB3836.2 隔离存在的点火源 Zone1,Zone22 增安型 e GB3836.3 设法防止产生点火源 Zone1,Zone23 本安型 ia GB3836.4 限制点火源的能量 Zone0-2本安型 ib GB3836.4 限制点火源的能量 Zone1,Zone24 正压型 p GB3836.5 危险物质与点火源隔开 Zone1,Zone25 充油型 o GB3836.6 危险物质与点火源隔开 Zone1,Zone26 充砂型 q GB3836.7 危险物质与点火源隔开 Zone1,Zone27 无火花型 n GB3836.8 设法防止产生点火源 Zone28 浇封型 m GB3836.9 设法防止产生点火源 Zone1,Zone29 气密型 h GB3836.10 设法防止产生点火源 Zone1,Zone2示例:防爆标志为dIIBT4,代表:防爆电气产品的型式为隔爆型,是使用在II类场所的IIB级(类)别,爆炸性气体的引燃温度为T4的组别。