电力工程建设项目安全生产标准化规范及达标评级标准
- 格式:doc
- 大小:356.50 KB
- 文档页数:66
附件4:《电力工程建设项目安全生产标准化规范及达标评级标准》之核心要求及评分标准(30分)实得分 28 分(50分)实得分 48 分(50分)实得分 47 分(60分)实得分 56 分(70分)实得分 62 分(150分)(60分)实得分 56 分(70分)实得分 70 分、拆除管理(20分)实得分 20 分(310分)(140分)实得分 131 分(110分)实得分 95 分(20分)实得分 19 分(30分)实得分 29 分(10分)实得分 10 分(70分)实得分 67 分(50分)实得分 48 分(50分)(35分)实得分 35 分(10分)实得分 9 分(5分)实得分 5 分(50分)实得分 50 分、调查和处理(30分)实得分 30 分(30分)实得分 28 分标准分1000分,应得分985分(),实得分943分。
以下是附加文档,不需要的朋友下载后删除,谢谢高二班主任教学工作总结5篇高二班主任工作总结1本学期,我担任高二(14)班班主任。
在学校领导的支持下,在学生科的领导下,我顺利地完成了学校布置的各项任务。
在从事德育教学过程中,有顺利也有挫折,有成功也有失败,既有困惑,也有启迪,交织着酸甜苦辣,现就本学期班主任工作做如下总结。
一、培养良好的班集体能否形成一个积极向上,努力学习,团结和睦的集合是至关重要的。
只有在良好的班集体中,教师开展教育和教学活动,才能收到较好效果。
在培养班集体方面,本学期我主要从以下几方面入手:(一)注重教室文化的建设开学初,我组织全班学生把教室布置好,让教室的每一块壁,每一个角落都具有教育内容,富有教育意义。
在具体布置时,针对班内学生的特点,从大处着眼,小处着手,制定班级文明公约,张贴名人名言,使学生行有可依,激发学生的上进心。
并设立评比栏。
班组设置由专人管理的“图书角”,以拓宽学生的知识面。
为及时反馈学生情况,设置了班级日记,由班长负责记录。
(二)注意班干部的培养进入高二以后,班干部换届重新选举,由学生民主投票,产生了一支能力较强,有一定影响力的班干部队伍。
电力工程建设项目安全生产标准化规范及达标评级标准中国电力建设企业协会前言为加强电力建设安全生产监督管理,落实《国务院关于进一步加强企业安全生产工作的通知》(国发〔2010〕23号)、《国务院关于坚持科学发展安全发展促进安全生产形势持续稳定好转的意见》(国发〔2011〕40号),规范电力工程建设项目安全生产标准化工作,国家电力监管委员会委托中国电力建设企业协会组织编制本规范。
本规范依据国家有关安全生产法律法规、国家及行业现行标准和《企业安全生产标准化基本规范》AQ/T9006-2010,根据电力工程建设项目的特点编制。
本规范规定了电力工程建设项目安全生产的目标、组织机构和职责、安全生产投入、法律法规与安全管理制度、教育培训、施工设备管理、作业安全、隐患排查和治理、重大危险源监控、职业健康、应急救援、事故报告调查和处理、绩效评定和持续改进等十三个方面的内容、要求及达标评级标准,规范了电力工程建设项目安全管理。
本规范由国家电力监管委员会提出。
本规范由国家电力监管委员会归口并负责解释。
本规范主要起草单位:国家电力监管委员会安全监管局、中国电力建设企业协会。
本规范参加起草单位:中电投电力工程有限公司、中国华电工程(集团)有限公司、中国葛洲坝集团公司、电监会大坝安全监察中心、国家电网安徽省电力公司、国家电网陕西省电力公司、国家电网河南省电力公司、中能建东北电力第二工程公司、中能建广东火电工程总公司、中能建天津电力建设公司、中电建河南第一火电建设公司、中电建山东电力建设第三工程公司、国家电网山东送变电工程公司、国家电网安徽送变电工程公司、中能建安徽电力建设第二工程公司、中能建东北电力第四工程公司、国家电网浙江电力建设监理有限公司、中电建上海电力建设启动调整试验所。
目次1 适用范围 (1)2 规范性引用文件 (1)3 术语和定义 (10)3.1 安全生产标准化 (10)3.2 安全绩效 (10)3.3 相关方 (10)3.4 资源 (10)3.5 高处作业 (10)3.6 受限空间 (11)3.7 特种作业 (11)3.8 重大危险源 (11)4 一般要求 (12)4.1 原则 (12)4.2 建立和保持 (12)4.3 评审和监督 (12)4.4 评审时间 (13)5 核心要求及评分标准 (14)5.1 目标 (14)5.2 组织机构和职责 (15)5.3 安全生产投入 (18)5.4 法律法规与安全管理制度 (20)5.5 教育培训 (22)5.6 施工设备管理 (24)5.6.1 施工设备基础管理 (24)5.6.2 施工设备使用管理 (26)5.6.3 施工设备安装、拆除管理 (27)5.7 作业安全 (28)5.7.1项目现场管理和过程控制 (28)5.7.2 作业行为管理 (36)5.7.3 警示标志 (42)5.7.4 相关方管理 (42)5.7.5 变更管理 (44)5.8 隐患排查和治理 (45)5.9 重大危险源监控 (47)5.10 职业健康 (48)5.10.1 职业健康管理 (48)5.10.2 职业危害告知和警示 (49)5.10.3 职业危害申报 (49)5.11 应急救援 (50)5.12 事故报告、调查和处理 (52)5.13 绩效评定和持续改进 (53)附录A:常规安全防护设施 (55)附录B:工程建设项目应建立的安全管理制度 (56)附录C:达到一定规模的危险性较大的分部分项工程 (57)附录D:超过一定规模的危险性较大的分部分项工程 (58)附录E:重要临时设施、重要施工工序、特殊作业、危险作业项目 (59)附录F:安全施工作业票 (60)附录G:专项应急预案 (54)附录H:现场应急处置方案 (62)1 适用范围本规范适用于中华人民共和国境内火电、水电、输变电等电力工程建设项目,其它电力工程建设项目可参照执行。
电力工程安全生产标准化规范及达标评级标准精品管理制度、管理方案、合同、协议、一起学习进步企业管理,管理制度,报告,协议,合同,标书电力工程建设项目安全生产标准化规范及达标评级标准中国电力监管委员会2012年7月d2前言为加强电力建设安全生产监督管理,落实《国务院关于进一步加强企业安全生产工作的通知》(国发〔2010〕23号)、《国务院关于坚持科学发展安全发展促进安全生产形势持续稳定好转的意见》(国发〔2011〕40号),规范电力工程建设项目安全生产标准化工作,国家电力监管委员会委托中国电力建设企业协会组织编制本规范。
本规范依据国家有关安全生产法律法规、国家及行业现行标准和《企业安全生产标准化基本规范》AQ/T9006-2010,根据电力工程建设项目的特点编制。
本规范规定了电力工程建设项目安全生产的目标、组织机构和职责、安全生产投入、法律法规与安全管理制度、教育培训、施工设备管理、作业安全、隐患排查和治理、重大危险源监控、职业健康、应急救援、事故报告调查和处理、绩效评定和持续改进等十三个方面的内容、要求及达标评级标准,规范了电力工程建设项目安全管理。
本规范由国家电力监管委员会提出。
本规范由国家电力监管委员会归口并负责解释。
本规范主要起草单位:国家电力监管委员会安全监管局、中国电力建设企业协会。
d0本规范参加起草单位:中电投电力工程有限公司、中国华电工程(集团)有限公司、中国葛洲坝集团公司、电监会大坝安全监察中心、国家电网安徽省电力公司、国家电网陕西省电力公司、国家电网河南省电力公司、中能建东北电力第二工程公司、中能建广东火电工程总公司、中能建天津电力建设公司、中电建河南第一火电建设公司、中电建山东电力建设第三工程公司、国家电网山东送变电工程公司、国家电网安徽送变电工程公司、中能建安徽电力建设第二工程公司、中能建东北电力第四工程公司、国家电网浙江电力建设监理有限公司、中电建上海电力建设启动调整试验所。
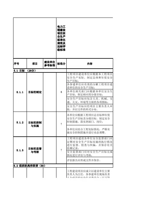
电力工程建设项目安全生产标准化规范及达标评级标准(DOC 36页)附件4:《电力工程建设项目安全生产标准化规范及达标评级标准》之核心要求及评分标准5.1目标(30分)实得分 28 分序号项目内容标准分评分标准实得分5.1. 1 目标的制定工程项目建设单位(项目部)应根据本工程项目安全生产实际,制定总体和年度安全生产目标;各参建单位应有效的分解工程项目建设单位(项目部)的安全生产目标;各单位相关部门应根据本单位安全生产目标,制定相应的分级目标;安全生产目标应包含人员、机械、交通、火灾、环境等方面的各项指标;安全生产目标应经项目主要负责人审批,并以文件的形式分布。
10①未制定总体和年度安全生产目标,不得分;②未分解安全生产目标,扣2分/项;③人员、机械、交通、火灾、环境方面的安全指标缺项,扣1分/项;④安全生产目标未经项目主要负责人审批,扣1分/单位;⑤未以项目文件的形式发布(查项目文件及文件清单),扣2分/单位。
1025.1. 2 目标的控制与实施各单位应根据工程项目总目标和年度安全生产目标及分级目标,制定安全控制措施,落实到部门、岗位;各单位应结合工程实际情况,严格实施安全控制措施并进行动态调整。
14①未制定具体的控制措施,扣3分/单位;②目标保证措施未落实到部门、岗位,扣4分/单位;③无安全目标实施情况的检查记录的或资料不齐全的,扣1分/项;④未进行动态调整的,扣2分。
125.1. 3 目标的监督与考核工程项目建设各单位安全监督部门应定期对安全生产目标实施的执行情况进行监督、检查与纠偏,并保存有关监测记录;安全监督部门应对安全生产目标完成情况进行评估与考核;评估报告应形成文件并保存。
6①安全监督部门未对安全生产目标的落实情况进行监督检查纠偏,扣2分/单位;②未对安全生产目标的完成情况进行定期考核,扣2分/单位;③评估报告未形成文件并保存,扣2分/单位。
65.2组织机构和职责(50分)实得分 48 分序号项目内容标准分评分标准实得分35.2.1 安委会建设项目应当在项目开工之前及时将建设项目的安全生产管理情况向所在地电力监管机构备案;工程建设项目应成立以建设单位主要负责人为主任,各参建单位现场负责人为成员的安全生产委员会(以下简称安委会),明确职责,建立健全工作制度和例会制度;安委会每季度应至少召开一次安委会会议,总结分析本单位的安全生产情况,部署安全生产工作,协调解决安全生产问题。
电力工程建设项目安全生产标准化规范及达标评级标准中国电力建设企业协会前言为加强电力建设安全生产监督管理,落实《国务院关于进一步加强企业安全生产工作的通知》(国发〔2010〕23号)、《国务院关于坚持科学发展安全发展促进安全生产形势持续稳定好转的意见》(国发〔2011〕40号),规范电力工程建设项目安全生产标准化工作,国家电力监管委员会委托中国电力建设企业协会组织编制本规范。
本规范依据国家有关安全生产法律法规、国家及行业现行标准和《企业安全生产标准化基本规范》AQ/T9006-2010,根据电力工程建设项目的特点编制。
本规范规定了电力工程建设项目安全生产的目标、组织机构和职责、安全生产投入、法律法规与安全管理制度、教育培训、施工设备管理、作业安全、隐患排查和治理、重大危险源监控、职业健康、应急救援、事故报告调查和处理、绩效评定和持续改进等十三个方面的内容、要求及达标评级标准,规范了电力工程建设项目安全管理。
本规范由国家电力监管委员会提出。
本规范由国家电力监管委员会归口并负责解释。
本规范主要起草单位:国家电力监管委员会安全监管局、中国电力建设企业协会。
本规范参加起草单位:中电投电力工程有限公司、中国华电工程(集团)有限公司、中国葛洲坝集团公司、电监会大坝安全监察中心、国家电网安徽省电力公司、国家电网陕西省电力公司、国家电网河南省电力公司、中能建东北电力第二工程公司、中能建广东火电工程总公司、中能建天津电力建设公司、中电建河南第一火电建设公司、中电建山东电力建设第三工程公司、国家电网山东送变电工程公司、国家电网安徽送变电工程公司、中能建安徽电力建设第二工程公司、中能建东北电力第四工程公司、国家电网浙江电力建设监理有限公司、中电建上海电力建设启动调整试验所。
目次1 适用范围 (1)2 规范性引用文件 (1)3 术语和定义 (10)3.1 安全生产标准化 (10)3.2 安全绩效 (10)3.3 相关方 (10)3.4 资源 (10)3.5 高处作业 (10)3.6 受限空间 (11)3.7 特种作业 (11)3.8 重大危险源 (11)4 一般要求 (12)4.1 原则 (12)4.2 建立和保持 (12)4.3 评审和监督 (12)4.4 评审时间 (13)5 核心要求及评分标准 (14)5.1 目标 (14)5.2 组织机构和职责 (15)5.3 安全生产投入 (18)5.4 法律法规与安全管理制度 (20)5.5 教育培训 (22)5.6 施工设备管理 (24)5.6.1 施工设备基础管理 (24)5.6.2 施工设备使用管理 (26)5.6.3 施工设备安装、拆除管理 (27)5.7 作业安全 (28)5.7.1项目现场管理和过程控制 (28)5.7.2 作业行为管理 (36)5.7.3 警示标志 (42)5.7.4 相关方管理 (42)5.7.5 变更管理 (44)5.8 隐患排查和治理 (45)5.9 重大危险源监控 (47)5.10 职业健康 (48)5.10.1 职业健康管理 (48)5.10.2 职业危害告知和警示 (49)5.10.3 职业危害申报 (49)5.11 应急救援 (50)5.12 事故报告、调查和处理 (52)5.13 绩效评定和持续改进 (53)附录A:常规安全防护设施 (55)附录B:工程建设项目应建立的安全管理制度 (56)附录C:达到一定规模的危险性较大的分部分项工程 (57)附录D:超过一定规模的危险性较大的分部分项工程 (58)附录E:重要临时设施、重要施工工序、特殊作业、危险作业项目 (59)附录F:安全施工作业票 (60)附录G:专项应急预案 (54)附录H:现场应急处置方案 (62)1 适用范围本规范适用于中华人民共和国境内火电、水电、输变电等电力工程建设项目,其它电力工程建设项目可参照执行。
电力工程建设项目安全生产标准化规范及达标评级标准中国电力监管委员会2012年7月前言为加强电力建设安全生产监督管理,落实《国务院关于进一步加强企业安全生产工作的通知》(国发〔2010〕23号)、《国务院关于坚持科学发展安全发展促进安全生产形势持续稳定好转的意见》(国发〔2011〕40号),规范电力工程建设项目安全生产标准化工作,国家电力监管委员会委托中国电力建设企业协会组织编制本规范。
本规范依据国家有关安全生产法律法规、国家及行业现行标准和《企业安全生产标准化基本规范》AQ/T9006-2010,根据电力工程建设项目的特点编制。
本规范规定了电力工程建设项目安全生产的目标、组织机构和职责、安全生产投入、法律法规与安全管理制度、教育培训、施工设备管理、作业安全、隐患排查和治理、重大危险源监控、职业健康、应急救援、事故报告调查和处理、绩效评定和持续改进等十三个方面的内容、要求及达标评级标准,规范了电力工程建设项目安全管理。
本规范由国家电力监管委员会提出。
本规范由国家电力监管委员会归口并负责解释。
本规范主要起草单位:国家电力监管委员会安全监管局、中国电力建设企业协会。
本规范参加起草单位:中电投电力工程有限公司、中国华电工程(集团)有限公司、中国葛洲坝集团公司、电监会大坝安全监察中心、国家电网安徽省电力公司、国家电网陕西省电力公司、国家电网河南省电力公司、中能建东北电力第二工程公司、中能建广东火电工程总公司、中能建天津电力建设公司、中电建河南第一火电建设公司、中电建山东电力建设第三工程公司、国家电网山东送变电工程公司、国家电网安徽送变电工程公司、中能建安徽电力建设第二工程公司、中能建东北电力第四工程公司、国家电网浙江电力建设监理有限公司、中电建上海电力建设启动调整试验所。
目次1 适用范围 02 规范性引用文件 03 术语和定义 (9)3.1 安全生产标准化 (9)3.2 安全绩效 (9)3.3 相关方 (9)3.4 资源 (9)3.5 高处作业 (9)3.6 受限空间 (10)3.7 特种作业 (10)3.8 重大危险源 (10)4 一般要求 (11)4.1 原则 (11)4.2 建立和保持 (11)4.3 评审和监督 (11)4.4 评审时间 (12)5 核心要求及评分标准 (13)5.1 目标 (13)5.2 组织机构和职责 (14)5.3 安全生产投入 (17)5.4 法律法规与安全管理制度 (19)5.5 教育培训 (21)5.6 施工设备管理 (23)5.6.1 施工设备基础管理 (23)5.6.2 施工设备使用管理 (25)5.6.3 施工设备安装、拆除管理 (26)5.7 作业安全 (27)5.7.1 项目现场管理和过程控制 (27)5.7.2 作业行为管理 (35)5.7.3 警示标志 (41)5.7.4 相关方管理 (41)5.7.5 变更管理 (43)5.8 隐患排查和治理 (44)5.9 重大危险源监控 (46)5.10 职业健康 (47)5.10.1 职业健康管理 (47)5.10.2 职业危害告知和警示 (48)5.10.3 职业危害申报 (48)5.11 应急救援 (49)5.12 事故报告、调查和处理 (51)5.13 绩效评定和持续改进 (52)附录A:常规安全防护设施 (54)附录B:工程建设项目应建立的安全管理制度 (55)附录C:达到一定规模的危险性较大的分部分项工程 (56)附录D:超过一定规模的危险性较大的分部分项工程 (57)附录E:重要临时设施、重要施工工序、特殊作业、危险作业项目 (58)附录F:安全施工作业票 (59)附录G:专项应急预案 (54)附录H:现场应急处置方案 (61)1 适用范围本规范适用于中华人民共和国境内火电、水电、输变电等电力工程建设项目,其它电力工程建设项目可参照执行。
电力工程建设项目安全生产标准化规范及达标评级标准中国电力监管委员会2012年7月前言为加强电力建设安全生产监督管理,落实《国务院关于进一步加强企业安全生产工作的通知》(国发〔2010〕23号)、《国务院关于坚持科学发展安全发展促进安全生产形势持续稳定好转的意见》(国发〔2011〕40号),规范电力工程建设项目安全生产标准化工作,国家电力监管委员会委托中国电力建设企业协会组织编制本规范。
本规范依据国家有关安全生产法律法规、国家及行业现行标准和《企业安全生产标准化基本规范》AQ/T9006-2010,根据电力工程建设项目的特点编制。
本规范规定了电力工程建设项目安全生产的目标、组织机构和职责、安全生产投入、法律法规与安全管理制度、教育培训、施工设备管理、作业安全、隐患排查和治理、重大危险源监控、职业健康、应急救援、事故报告调查和处理、绩效评定和持续改进等十三个方面的内容、要求及达标评级标准,规范了电力工程建设项目安全管理。
本规范由国家电力监管委员会提出。
本规范由国家电力监管委员会归口并负责解释。
本规范主要起草单位:国家电力监管委员会安全监管局、中国电力建设企业协会。
本规范参加起草单位:中电投电力工程有限公司、中国华电工程(集团)有限公司、中国葛洲坝集团公司、电监会大坝安全监察中心、国家电网安徽省电力公司、国家电网陕西省电力公司、国家电网河南省电力公司、中能建东北电力第二工程公司、中能建广东火电工程总公司、中能建天津电力建设公司、中电建河南第一火电建设公司、中电建山东电力建设第三工程公司、国家电网山东送变电工程公司、国家电网安徽送变电工程公司、中能建安徽电力建设第二工程公司、中能建东北电力第四工程公司、国家电网浙江电力建设监理有限公司、中电建上海电力建设启动调整试验所。
目次1 适用范围本规范适用于中华人民共和国境内火电、水电、输变电等电力工程建设项目,其它电力工程建设项目可参照执行。
2 规范性引用文件下列文件对于本规范的应用是必不可少的。
电力工程建设项目安全生产标准化规范及达标评级标准背景和意义随着国家经济的不断发展和人民生活水平的提高,电力需求量逐步增加,电力工程建设的规模越来越大,建设过程中的安全生产问题也越来越突出。
对于电力工程建设单位而言,建设项目的安全生产直接关系到企业的生产经营,同时也涉及到人民群众的生命财产安全。
因此,制定一套可行性强、操作性好、可落地的电力工程建设项目安全生产标准化规范,对于保障电力工程建设项目的安全生产,具有重要的意义和深远的影响。
规范的制定原则电力工程建设项目安全生产标准化规范的制定应该以以下原则为基础:•法律法规原则:规范应符合相关国家法律法规的要求,保障建设项目的合法性和合规性。
•安全保障原则:规范应着重保障建设项目的安全生产,实现事故的预防和控制。
•适用性原则:规范应当具有广泛适用性,以适应不同规模、不同阶段、不同类别的电力工程建设项目。
•实用性原则:规范要具有可操作性、可实施性,保障规范的实用性和可持续性。
规范的内容电力工程建设项目安全生产标准化规范应当包括以下几个方面的内容:安全风险评估安全风险评估是电力工程建设项目安全管理的基础和前提。
规范中应当包括对项目风险评估的内容和标准。
评估内容应包含建设项目所处环境的风险、建设过程中潜在的安全风险、以及建成后可能对人民群众、环境带来的安全风险。
安全生产管理电力工程建设项目安全生产管理应当从工程设计、施工过程、验收手续等多个方面进行规范,包括:安全生产目标制定、安全责任制度建立、安全监督管理机制、安全生产培训、事故预案及应急措施等内容。
安全生产措施电力工程建设项目安全生产措施应当包括现场安全措施、防护设施的设置、安全生产用品和设备的配备等内容,以保障安全现场的整体安全。
安全质量监管电力工程建设项目安全质量监管应当对建设项目各工序进行监管,保障质量的合格性、施工过程的安全性。
安全生产考核电力工程建设项目安全生产考核应当建立科学的考核机制,评估建设项目的安全生产水平,以不同等级体现建设项目的安全生产水平。
电力工程建设项目安全生产标准化规范及达标评级标准中国电力建设企业协会前言为加强电力建设安全生产监督管理,落实《国务院关于进一步加强企业安全生产工作的通知》(国发〔2010〕23号)、《国务院关于坚持科学进展安全进展促进安全生产形势持续稳固好转的意见》(国发〔2011〕40号),规范电力工程建设项目安全生产标准化工作,国家电力监管委员会委托中国电力建设企业协会组织编制本规范。
本规范根据国家有关安全生产法律法规、国家及行业现行标准与《企业安全生产标准化基本规范》AQ/T9006-2010,根据电力工程建设项目的特点编制。
本规范规定了电力工程建设项目安全生产的目标、组织机构与职责、安全生产投入、法律法规与安全管理制度、教育培训、施工设备管理、作业安全、隐患排查与治理、重大危险源监控、职业健康、应急救援、事故报告调查与处理、绩效评定与持续改进等十三个方面的内容、要求及达标评级标准,规范了电力工程建设项目安全管理。
本规范由国家电力监管委员会提出。
本规范由国家电力监管委员会归口并负责解释。
本规范要紧起草单位:国家电力监管委员会安全监管局、中国电力建设企业协会。
本规范参加起草单位:中电投电力工程有限公司、中国华电工程(集团)有限公司、中国葛洲坝集团公司、电监会大坝安全监察中心、国家电网安徽省电力公司、国家电网陕西省电力公司、国家电网河南省电力公司、中能建东北电力第二工程公司、中能建广东火电工程总公司、中能建天津电力建设公司、中电建河南第一火电建设公司、中电建山东电力建设第三工程公司、国家电网山东送变电工程公司、国家电网安徽送变电工程公司、中能建安徽电力建设第二工程公司、中能建东北电力第四工程公司、国家电网浙江电力建设监理有限公司、中电建上海电力建设启动调整试验所。
目次1 适用范围 (1)2 规范性引用文件 (1)3 术语与定义 (10)3.1 安全生产标准化.......................................................................................................................................................................................... 错误!未定义书签。
电力工程建设项目安全生产标准化规范及达标评级标准中国电力监管委员会2012年7月前言为加强电力建设安全生产监督管理,落实《国务院关于进一步加强企业安全生产工作的通知》(国发〔2010〕23号)、《国务院关于坚持科学发展安全发展促进安全生产形势持续稳定好转的意见》(国发〔2011〕40号),规范电力工程建设项目安全生产标准化工作,国家电力监管委员会委托中国电力建设企业协会组织编制本规范。
本规范依据国家有关安全生产法律法规、国家及行业现行标准和《企业安全生产标准化基本规范》AQ/T9006-2010,根据电力工程建设项目的特点编制。
本规范规定了电力工程建设项目安全生产的目标、组织机构和职责、安全生产投入、法律法规与安全管理制度、教育培训、施工设备管理、作业安全、隐患排查和治理、重大危险源监控、职业健康、应急救援、事故报告调查和处理、绩效评定和持续改进等十三个方面的内容、要求及达标评级标准,规范了电力工程建设项目安全管理。
本规范由国家电力监管委员会提出。
本规范由国家电力监管委员会归口并负责解释。
本规范主要起草单位:国家电力监管委员会安全监管局、中国电力建设企业协会。
本规范参加起草单位:中电投电力工程有限公司、中国华电工程(集团)有限公司、中国葛洲坝集团公司、电监会大坝安全监察中心、国家电网安徽省电力公司、国家电网陕西省电力公司、国家电网河南省电力公司、中能建东北电力第二工程公司、中能建广东火电工程总公司、中能建天津电力建设公司、中电建河南第一火电建设公司、中电建山东电力建设第三工程公司、国家电网山东送变电工程公司、国家电网安徽送变电工程公司、中能建安徽电力建设第二工程公司、中能建东北电力第四工程公司、国家电网浙江电力建设监理有限公司、中电建上海电力建设启动调整试验所。
目次1 适用范围 ......................................................................................2 规范性引用文件.................................................................................3 术语和定义 ....................................................................................安全生产标准化..............................................................................安全绩效....................................................................................相关方 .....................................................................................资源 .......................................................................................受限空间....................................................................................特种作业....................................................................................重大危险源..................................................................................4 一般要求 ......................................................................................原则 .......................................................................................建立和保持..................................................................................评审和监督..................................................................................评审时间....................................................................................5 核心要求及评分标准.............................................................................目标 .......................................................................................组织机构和职责..............................................................................安全生产投入................................................................................法律法规与安全管理制度......................................................................施工设备管理................................................................................施工设备基础管理........................................................................施工设备使用管理........................................................................施工设备安装、拆除管理.................................................................. 作业安全....................................................................................项目现场管理和过程控制..................................................................作业行为管理............................................................................警示标志................................................................................相关方管理..............................................................................变更管理................................................................................ 隐患排查和治理.............................................................................. 重大危险源监控.............................................................................. 职业健康 ....................................................................................职业健康管理............................................................................职业危害告知和警示......................................................................职业危害申报............................................................................ 应急救援.................................................................................... 事故报告、调查和处理........................................................................ 绩效评定和持续改进.......................................................................... 附录A:常规安全防护设施...................................................................... 附录B:工程建设项目应建立的安全管理制度 ...................................................... 附录C:达到一定规模的危险性较大的分部分项工程 ................................................ 附录D:超过一定规模的危险性较大的分部分项工程 ................................................ 附录E:重要临时设施、重要施工工序、特殊作业、危险作业项目..................................... 附录F:安全施工作业票........................................................................ 附录G:专项应急预案 (54)附录H:现场应急处置方案......................................................................1 适用范围本规范适用于中华人民共和国境内火电、水电、输变电等电力工程建设项目,其它电力工程建设项目可参照执行。
电力工程建设项目安全生产标准化规范及达标评级标准中国电力监管委员会2012年7月前言为加强电力建设安全生产监督管理,落实《国务院关于进一步加强企业安全生产工作的通知》(国发〔2010〕23号)、《国务院关于坚持科学发展安全发展促进安全生产形势持续稳定好转的意见》(国发〔2011〕40号),规范电力工程建设项目安全生产标准化工作,国家电力监管委员会委托中国电力建设企业协会组织编制本规范。
本规范依据国家有关安全生产法律法规、国家及行业现行标准和《企业安全生产标准化基本规范》AQ/T9006-2010,根据电力工程建设项目的特点编制。
本规范规定了电力工程建设项目安全生产的目标、组织机构和职责、安全生产投入、法律法规与安全管理制度、教育培训、施工设备管理、作业安全、隐患排查和治理、重大危险源监控、职业健康、应急救援、事故报告调查和处理、绩效评定和持续改进等十三个方面的内容、要求及达标评级标准,规范了电力工程建设项目安全管理。
本规范由国家电力监管委员会提出。
本规范由国家电力监管委员会归口并负责解释。
本规范主要起草单位:国家电力监管委员会安全监管局、中国电力建设企业协会。
本规范参加起草单位:中电投电力工程有限公司、中国华电工程(集团)有限公司、中国葛洲坝集团公司、电监会大坝安全监察中心、国家电网安徽省电力公司、国家电网陕西省电力公司、国家电网河南省电力公司、中能建东北电力第二工程公司、中能建广东火电工程总公司、中能建天津电力建设公司、中电建河南第一火电建设公司、中电建山东电力建设第三工程公司、国家电网山东送变电工程公司、国家电网安徽送变电工程公司、中能建安徽电力建设第二工程公司、中能建东北电力第四工程公司、国家电网浙江电力建设监理有限公司、中电建上海电力建设启动调整试验所。
目次1 适用范围 ......................................................................................2 规范性引用文件.................................................................................3 术语和定义 ....................................................................................安全生产标准化..............................................................................安全绩效....................................................................................相关方 .....................................................................................资源 .......................................................................................受限空间....................................................................................特种作业....................................................................................重大危险源..................................................................................4 一般要求 ......................................................................................原则 .......................................................................................建立和保持..................................................................................评审和监督..................................................................................评审时间....................................................................................5 核心要求及评分标准.............................................................................目标 .......................................................................................组织机构和职责..............................................................................安全生产投入................................................................................法律法规与安全管理制度......................................................................施工设备管理................................................................................施工设备基础管理........................................................................施工设备使用管理........................................................................施工设备安装、拆除管理.................................................................. 作业安全....................................................................................项目现场管理和过程控制..................................................................作业行为管理............................................................................警示标志................................................................................相关方管理..............................................................................变更管理................................................................................ 隐患排查和治理.............................................................................. 重大危险源监控.............................................................................. 职业健康 ....................................................................................职业健康管理............................................................................职业危害告知和警示......................................................................职业危害申报............................................................................ 应急救援.................................................................................... 事故报告、调查和处理........................................................................ 绩效评定和持续改进.......................................................................... 附录A:常规安全防护设施...................................................................... 附录B:工程建设项目应建立的安全管理制度 ...................................................... 附录C:达到一定规模的危险性较大的分部分项工程 ................................................ 附录D:超过一定规模的危险性较大的分部分项工程 ................................................ 附录E:重要临时设施、重要施工工序、特殊作业、危险作业项目..................................... 附录F:安全施工作业票........................................................................ 附录G:专项应急预案 (54)附录H:现场应急处置方案......................................................................1 适用范围本规范适用于中华人民共和国境内火电、水电、输变电等电力工程建设项目,其它电力工程建设项目可参照执行。
电力工程建设项目安全生产标准化规范及达标评级标准(试行)国家电力监管委员会二〇一二年七月前言为加强电力工程建设项目安全生产监督管理,落实《国务院关于进一步加强企业安全生产工作的通知》(国发〔2010〕23号)、《国务院关于坚持科学发展安全发展促进安全生产形势持续稳定好转的意见》(国发2011〕40号)等文件精神,规范电力工程建设项目安全生产标准化工作,国家电力监管委员会委托中国电力建设企业协会组织编制本规范。
本标准依据国家有关安全生产法律法规、国家和行业标准、以及《企业安全生产标准化基本规范》(AQ/T9006-2010),根据电力工程建设项目的特点编制而成。
本标准规定了电力工程建设项目安全生产的目标、组织机构和职责、安全生产投入、法律法规与安全管理制度、教育培训、施工设备管理、作业安全、隐患排查和治理、重大危险源监控、职业健康、应急救援、事故报告调查和处理、绩效考评和持续改进等十三个方面的内容和要求,以适应当前电力工程建设项目安全管理实际。
本标准由国家电力监管委员会提出。
本标准由国家电力监管委员会归口并负责解释。
本标准主要起草单位:国家电力监督委员会安全监管局、中国电力建设企业协会。
本标准参加起草单位:中电投电力工程有限公司、中国华电工程(集团)有限公司、中国葛洲坝集团公司、电监会大坝安全监察中心、国家电网安徽省电力公司、国家电网陕西省电力公司、国家电网河南省电力公司、中能建东北电力第二工程公司、中能建广东火电工程总公司、中能建天津电力建设公司、中能建河南第一火电建设公司、中电建山东电力建设第三工程公司、国家电网山东送变电工程公司、国家电网安徽送变电工程公司、中能建安徽电力建设第二工程公司、中能建东北电力第四工程公司、国家电网浙江电力建设监理有限公司、中电建上海电力建设启动调整试验所、浙江华东工程咨询有限公司。
目次1 适用范围 (5)2 规范性引用文件 (5)3 术语和定义 (16)3.1 电力工程建设项目安全生产标准化 (16)3.2 安全绩效 (16)3.3 相关方 (16)3.4 资源 (16)3.5 高处作业 (17)3.6 受限空间 (17)3.7 特种作业 (17)4 一般要求 (18)4.1 原则 (18)4.2 建立和保持 (18)4.3 评审和监督 (18)4.4 评审时间 (19)5 核心要求(评分项目) (19)5.1 目标(30分) (19)5.2 组织机构和职责(50分) (20)5.3 安全生产投入(50分) (22)5.4 法律法规与安全管理制度(60分) (24)5.5 教育培训(70分) (26)5.6 施工设备管理(150分) (28)5.6.1 施工设备基础管理(60分) (28)5.6.2 施工设备使用管理(70分) (30)5.6.3 设备安拆管理(20分) (31)5.7 作业安全(310分) (32)5.7.1 项目现场管理和过程控制(130分) (32)5.7.2 作业行为管理(70分) (40)5.7.3 警示标志(10分) (46)5.7.4 相关方管理(30分) (46)5.7.5 变更管理(10分) (48)5.8 隐患排查和治理(70分) (49)5.9 重大危险源监控(50分) (50)5.10 职业健康(50分) (52)5.10.1 职业健康管理(35分) (52)5.10.2 职业危害告知和警示(10分) (53)5.10.3 职业危害申报(5分) (53)5.11 应急救援(50分) (54)5.12 事故报告、调查和处理(30分) (56)5.13 绩效评定和持续改进(30分) (57)附录A:常规安全防护设施 (58)附录B:工程建设项目应建立的安全管理制度 (59)附录 C:达到一定规模的危险性较大的分部分项工程 (61)附录 D:超过一定规模的危险性较大的分部分项工程 (63)附录E:重要临时设施、重要施工工序、特殊作业、危险作业项目 (64)附录F:安全施工作业票 (65)附录G:专项应急预案 (66)附录H:现场应急处置方案 (68)1 适用范围本规范适用于中华人民共和国境内火电、水电、输变电等电力工程建设项目,其它电力工程建设项目可参照执行。
电力工程建设项目安全生产标准化规范及达标评级标准中国电力建设企业协会前言为加强电力建设安全生产监督管理,落实《国务院关于进一步加强企业安全生产工作的通知》(国发〔2010〕23号)、《国务院关于坚持科学发展安全发展促进安全生产形势持续稳定好转的意见》(国发〔2011〕40号),规范电力工程建设项目安全生产标准化工作,国家电力监管委员会委托中国电力建设企业协会组织编制本规范。
本规范依据国家有关安全生产法律法规、国家及行业现行标准和《企业安全生产标准化基本规范》AQ/T9006-2010,根据电力工程建设项目的特点编制。
本规范规定了电力工程建设项目安全生产的目标、组织机构和职责、安全生产投入、法律法规与安全管理制度、教育培训、施工设备管理、作业安全、隐患排查和治理、重大危险源监控、职业健康、应急救援、事故报告调查和处理、绩效评定和持续改进等十三个方面的内容、要求及达标评级标准,规范了电力工程建设项目安全管理。
本规范由国家电力监管委员会提出。
本规范由国家电力监管委员会归口并负责解释。
本规范主要起草单位:国家电力监管委员会安全监管局、中国电力建设企业协会。
本规范参加起草单位:中电投电力工程有限公司、中国华电工程(集团)有限公司、中国葛洲坝集团公司、电监会大坝安全监察中心、国家电网安徽省电力公司、国家电网陕西省电力公司、国家电网河南省电力公司、中能建东北电力第二工程公司、中能建广东火电工程总公司、中能建天津电力建设公司、中电建河南第一火电建设公司、中电建山东电力建设第三工程公司、国家电网山东送变电工程公司、国家电网安徽送变电工程公司、中能建安徽电力建设第二工程公司、中能建东北电力第四工程公司、国家电网浙江电力建设监理有限公司、中电建上海电力建设启动调整试验所。
目次1 适用范围 (1)2 规范性引用文件 (1)3 术语和定义 (10)3.1 安全生产标准化 (10)3.2 安全绩效 (10)3.3 相关方 (10)3.4 资源 (10)3.5 高处作业 (10)3.6 受限空间 (11)3.7 特种作业 (11)3.8 重大危险源 (11)4 一般要求 (12)4.1 原则 (12)4.2 建立和保持 (12)4.3 评审和监督 (12)4.4 评审时间 (13)5 核心要求及评分标准 (14)5.1 目标 (14)5.2 组织机构和职责 (15)5.3 安全生产投入 (18)5.4 法律法规与安全管理制度 (20)5.5 教育培训 (22)5.6 施工设备管理 (24)5.6.1 施工设备基础管理 (24)5.6.2 施工设备使用管理 (26)5.6.3 施工设备安装、拆除管理 (27)5.7 作业安全 (28)5.7.1项目现场管理和过程控制 (28)5.7.2 作业行为管理 (36)5.7.3 警示标志 (42)5.7.4 相关方管理 (42)5.7.5 变更管理 (44)5.8 隐患排查和治理 (45)5.9 重大危险源监控 (47)5.10 职业健康 (48)5.10.1 职业健康管理 (48)5.10.2 职业危害告知和警示 (49)5.10.3 职业危害申报 (49)5.11 应急救援 (50)5.12 事故报告、调查和处理 (52)5.13 绩效评定和持续改进 (53)附录A:常规安全防护设施 (55)附录B:工程建设项目应建立的安全管理制度 (56)附录C:达到一定规模的危险性较大的分部分项工程 (57)附录D:超过一定规模的危险性较大的分部分项工程 (58)附录E:重要临时设施、重要施工工序、特殊作业、危险作业项目 (59)附录F:安全施工作业票 (60)附录G:专项应急预案 (54)附录H:现场应急处置方案 (62)1 适用范围本规范适用于中华人民共和国境内火电、水电、输变电等电力工程建设项目,其它电力工程建设项目可参照执行。
2 规范性引用文件下列文件对于本规范的应用是必不可少的。
凡是注日期的引用文件,其随后所有的修改单(不包括勘误的内容)或修订版均不适用于本标准,然而,鼓励根据本标准达成协议的各方研究是否可使用这些文件的最新版本。
凡是不注日期的引用文件,其最新版本适用于本标准。
《中华人民共和国安全生产法》(2002年中华人民共和国主席令第70号)《中华人民共和国放射性污染防治法》(2003年中华人民共和国主席令第6号《中华人民共和国劳动法》(2007年中华人民共和国主席令第28号)《中华人民共和国突发事件应对法》(2007年中华人民共和国主席令第69号)《中华人民共和国消防法》(2008年中华人民共和国主席令第6号)《中华人民共和国防震减灾法》(2008年中华人民共和国主席令第7号)《中华人民共和国防洪法》(2009年中华人民共和国主席令第18号)《中华人民共和国道路交通安全法》(2011年中华人民共和国主席令第81号)《中华人民共和国建筑法》(2011年中华人民共和国主席第46号)《中华人民共和国职业病防治法》(2011年中华人民共和国主席令第52号)《中华人民共和国档案法》(1996年中华人民共和国主席令第71号)《水库大坝安全管理条例》(中华人民共和国国务院令第78号)《电力设施保护条例》(中华人民共和国国务院令第239号)《国务院关于特大安全事故行政责任追究的规定》(中华人民共和国国务院令第302号)《使用有毒物品作业场所劳动保护条例》(中华人民共和国国务院令第352号)《突发公共卫生事件应急条例》(中华人民共和国国务院令第376号)1《建设工程安全生产管理条例》(中华人民共和国国务院令第393号)《地质灾害防治条例》(中华人民共和国国务院令第394号)《安全生产许可证条例》(中华人民共和国国务院令第397号)《中华人民共和国道路交通安全法实施条例》(中华人民共和国国务院令第405号)《中华人民共和国道路运输条例》(中华人民共和国国务院令第406号)《地震监测管理条例》(中华人民共和国国务院令第409号)《劳动保障监察条例》(中华人民共和国国务院令第423号)《电力监管条例》(中华人民共和国国务院令第432号)《中华人民共和国防汛条例》(中华人民共和国国务院令第441号)《民用爆炸物品安全管理条例》(中华人民共和国国务院令第466号)《生产安全事故报告和调查处理条例》(中华人民共和国国务院令第493号)《对外承包工程管理条例》(中华人民共和国国务院令第527号)《中华人民共和国劳动合同法实施条例》(中华人民共和国国务院令第535号) 《特种设备安全监条例》(中华人民共和国国务院令第549号)《气象灾害防御条例》(中华人民共和国国务院令第570号)《工伤保险条例》(中华人民共和国国务院令第586号)《危险化学品安全管理条例》(中华人民共和国国务院令第591号)《电力安全事故应急处置和调查处理条例》(中华人民共和国国务院令第599号) 《劳动保护用品监督管理规定》(国家安全生产监督管理总局令第1号)《生产经营单位安全培训规定》(国家安全生产监督管理总局令第3号)《安全生产违法行为行政处罚办法》(国家安全生产监督管理总局令第15号)《安全生产事故隐患排查治理暂行规定》(国家安全生产监督管理总局令第16号) 2《生产安全事故应急预案管理办法》(国家安全生产监督管理总局令第17号)《作业场所职业健康监督管理暂行规定》(国家安全生产监督管理总局令第23号)《作业场所职业危害申报管理办法》(国家安全生产监督管理总局令第27号)《特种作业人员安全技术培训考核管理规定》(国家安全生产监督管理总局令第30号)《建设项目安全设施“三同时”监督管理暂行办法》(国家安全生产监督管理总局令第36号)《危险化学品重大危险源监督管理暂行规定》(国家安全生产监督管理总局令第40号)《国家安监总局关于修改<生产安全事故报告和调查处理条例>罚款处罚暂行规定》(国家安全生产监督管理总局第42号)《工伤认定办法》(中华人民共和国人力资源和社会保障部令第8号)《建设工程消防监督管理规定》(公安部106号令)《火灾事故调查规定》(公安部108号令)《道路交通事故处理程序规定》(公安部104号令)《电力安全生产监管办法》(国家电力监管委员会令第2号)《气瓶安全监察规定》(国家质量监督检验检疫总局令第46号)《起重机械安全监察规定》(国家质量监督检验检疫总局令第92号)《特种设备事故报告和调查处理规定》(国家质量监督检验检疫总局第115号令)《特种设备作业人员监督管理办法》(国家质量监督检验检疫总局令第140号)《建设起重机械安全监督管理规定》(建设部第166号令)《关于全面加强应急管理工作的意见》(国发〔2006〕24号)《关于进一步加强防震减灾工作的意见》(国发〔2010〕18号)《关于进一步加强企业安全生产工作的通知》(国发〔2010〕23号)《关于坚持科学发展安全发展促进安全生产形势持续稳定好转的意见》(国发〔2011〕40号)《关于加强和改进消防工作的意见》(国发〔2011〕46号)《关于深入开展企业安全生产标准化建设的指导意见》(安委〔2011〕4号)3《关于加强建设项目安全设施“三同时”工作的通知》(发改投资〔2003〕1346号)《关于加强重大工程安全质量保障措施的通知》(发改投资[〔2009〕3183号)《关于发布2004年版<工程建设标准强制性条文>(水利工程部分)的通知》(建标〔2004〕103号)《关于发布2006年版<工程建设标准强制性条文>(电力工程部分)的通知》(建标〔2006〕102号)《危险性较大的分部分项工程安全管理办法》(建质〔2009〕87号)《安全生产培训管理办法》(国家安全生产监督管理总局第44号)《关于开展重大危险源监督管理工作的指导意见》(安监总协调字〔2004〕56号)《关于规范重大危险源监督与管理工作的通知》(安监总协调字〔2005〕125号)《关于做好建设项目安全监管工作的通知》(安监总协调〔2006〕124号)《关于印发生产经营单位生产安全事故应急预案评审指南(试行)的通知》(安监总厅应急〔2009〕73号)《关于加强安全生产应急管理宣传教育工作的意见》(安监总应急〔2009〕217号)《关于加强电力建设起重机械安全管理的通知》(电监安全〔2006〕28号)《关于进一步加强电力应急管理工作的意见》(电监安全〔2006〕29号)《电力二次系统安全防护总体方案》(电监安全〔2006〕34号)《关于深入推进电力企业应急管理工作的通知》(电监安全〔2007〕11号)《电力建设安全生产监督管理办法》(电监安全〔2007〕38号)《关于印发<电力突发事件应急演练导则(试行)>等文件的通知》(电监安全〔2009〕22号)《关于深入开展电力安全生产标准化工作的指导意见》(电监安全〔2011〕21号)《电力安全生产标准化达标评级管理办法(试行)》的通知(电监安全〔2011〕28号)《电力安全生产标准化达标评级实施细则(试行)》(办安全〔2011〕83号)《机电类特种设备安装改造维修许可规则(试行)》(国质检锅〔2003〕251号)《建筑施工企业主要负责人、项目负责人和专职安全生产管理人员安全生产考核管理暂行规定》(建质[2004]59号)《建筑起重机械备案登记办法》(建质〔2008〕76号)4《电力企业应急预案管理办法》(电监安全〔2009〕61号)《电力企业综合应急预案编制导则》(试行)(国家电监会)《电力企业专项应急预案编制导则》(试行)(国家电监会)《电力企业现场处置方案编制导则》(试行)(国家电监会)《关于做好电力安全信息报送工作的通知》(办安全〔2011〕74号)《企业安全生产费用提取和使用管理办法》(财企〔2012〕16号)GB150 钢制压力容器GB2811 安全帽GB2893 安全色GB2894 安全标志及其使用导则GB/T3787 手持式电动工具的管理、使用、检查和维修安全技术规程GB4053.1~3 固定式钢梯及平台安全要求GB4962 氢气使用安全技术规程GB5144 塔式起重机安全规程GB5725 安全网GB6067 起重机械安全规程GB6095 安全带GB6096 安全带检验方法GB6722 爆破安全规程GB9448 焊接与切割安全GB10892 固定的空气压缩机安全规则和操作规程GB12011 足部防护电绝缘鞋5GB12602 起重机械超载保护装置GB13690 化学品分类和危险性公示通则GBZ16356 地下建筑氡及其子体控制标准GB17622带电作业用绝缘手套GB18218 危险化学品重大危险源辨识GB24539防护服装化学防护服通用技术要求GB24540防护服装酸碱类化学品防护服GB24541手部防护机械危害防护手套GB24542坠落防护带刚性导轨的自锁器GB24543坠落防护安全绳GB24544坠落防护速差自控器GB26859电力安全工作规程(电力线路部分)GB26860电力安全工作规程(发电厂和变电站电气部分)GB50011 建筑抗震设计规范GB50034 建筑照明设计规范GB50166火灾自动报警系统施工验收规范GB50201防洪标准GB50217 电力工程电缆设计规范GB50229 火力发电厂与变电站设计防火规范GB50260 电力设施抗震设计规范GB50261自动喷水灭火系统施工及验收规范GB50263气体灭火系统施工及验收规范GB50278 起重设备安装工程施工及验收规范6GB50281泡沫灭火系统施工及验收规范GB/T5905 起重机试验规范和程序GB/T5972 起重机钢丝绳保养、维护、安装、检验和报废GB/T6441 企业职工伤亡事故分类GB/T26471 塔式起重机安装与拆卸规则GB/T12801 生产过程安全卫生要求总则GB/T13861 生产过程危险和有害因素分类与代码GB/T14285 继电保护和安全自动装置技术规程GB/T16178 场(厂)内机动车辆安全检验技术要求GB/T20776 起重机械分类GB/T23723 起重机安全使用GB/T23724 起重机检查GBZ158 工作场所职业病危害警示标识GBZ/T 225 用人单位职业病防治指南电气装置安装工程施工验收规范(国标系列标准)AQ8001 安全评价通则AQ8003 安全预评价导则AQ/T9002 生产经营单位安全生产事故应急预案编制导则AQ/T9006 企业安全生产标准化基本规范DL/T435电站煤粉锅炉膛防爆规程DL612 电力工业锅炉压力容器监察规程DL647 电站锅炉压力容器检验规程DL5027 电力设备典型消防规程7DL/T596 电力设备预防性试验规程DL/T621 交流电气装置的接地DL796 风力发电场安全规程DL5009.1 电力建设安全工作规程(火力发电厂部分)DL5009.2 电力建设安全工作规程(架空电力线路部分)DL5009.3 电力建设安全工作规程(变电所部分)DL/T5036 转桨式转轮组装与试验工艺导则DL/T5099水工建筑物地下工程开挖施工技术规范DL/T5135水电水利工程爆破施工技术规范DL5162 水电水利工程施工安全防护设施技术规范DL/T5178 混凝土坝安全监测技术规范DL/T5370 水电水利工程施工通用安全技术规程DL/T5371 水电水利工程土建施工安全技术规程DL/T5372水电水利工程金属结构与机电设备安装安全技术规程DL/T5373水电水利工程施工作业人员安全技术操作规程DL/T5389水工建筑物岩石基础开挖工程施工技术规范DL/T5397水电工程施工组织设计规范DL/T 5259土石坝安全监测技术规范JGJ33建筑机械使用安全技术规程JGJ46 施工现场临时用电安全技术规范JGJ59 建筑施工安全检查标准JGJ80 建筑施工高处作业安全技术规范JGJ130 建筑施工扣件式钢管脚手架安全技术规范8JGJ146 建筑施工现场环境与卫生标准JGJ147 建筑拆除工程安全技术规范JGJ160施工现场机械设备检查技术规程JGJ162 建筑施工模板安全技术规范JGJ166 建筑施工碗扣式钢管脚手架安全技术规范JGJ184建筑施工作业劳动防护用品配备及使用标准JGJ196 建筑施工塔式起重机安装、使用、拆卸安全技术规程JGJ215 建筑施工升降机安装、使用、拆卸安全技术规程JGJ/T187 塔式起重机混凝土基础工程技术规程JGJ/T189 建筑起重机械安全评估技术规程TSG Q5001 起重机械使用管理规则TSG Q6001起重机械安全管理人员和作业人员考核大纲TSG Q7015 起重机械定期检验规则TSG Q7016起重机械安装改造重大维修监督检验规则TSG Z0004特种设备制造、安装、改造、维修质量保证体系基本要求TSG Z0005特种设备制造、安装、改造、维修许可鉴定评审细则TSG Z6002 特种设备焊接操作人员考核细则以下文件仅适用于中央企业:《中央企业安全生产监督管理暂行办法》(国有资产监督管理委员会令第21号)《中央企业安全生产禁令》(国务院国有资产监督管理委员会令第24号)93 术语和定义下列术语和定义适用于本规范。