粉尘防爆场所安全检查表
- 格式:doc
- 大小:79.50 KB
- 文档页数:6
粉尘防爆安全检查表检查人:检查时间:序号检查内容检查结果备注1公司法人是否清楚本单位有无粉尘爆炸危险场所并采取了有效防止爆炸控制的措施。
2爆炸危险场所有两个以上直通室外的安全出口,疏散门向外开启,作业场所通道畅通。
3 爆炸危险场所从业人员均经安全生产和粉尘防爆教育,清楚本单位粉尘爆炸危险场所部位,了解本单位粉尘爆炸危险场所的危险程度和防爆措施。
4 爆炸危险场所设置的防爆安全装置运行是否良好。
1)氮气保护。
2)出粉岗位防爆防烫伤。
3)筛分车间收尘装置。
4)除尘系统内的防爆安全。
5)收尘装置是否定期进行清理。
6)防止产品接触水的措施是否有遗漏。
5粉尘爆炸危险场所严禁烟火;严禁乱拉私接临时电线、电气。
6 防爆区内电器线路采用镀锌钢管套管保护,在车间外安装空气开关和漏电保护器,设备、电源开关满足防爆安全要求。
7 锌粉密封在防止粉尘泄漏的容器内,防止粉尘外逸的措施是否有效;所有产尘点是否装设吸尘罩;风管中是否有粉尘沉降聚积。
8 避风除尘系统:1)安装相对独立的避风除尘系统,并设置接地装置;2)收尘器离明火产生处不少于6米,并有防雨措施,回收的粉尘应当存储在干燥的堆放场所;3)除尘设施是否保持正常使用运行。
9生产、检修时应使用防爆工具,不应发火工具敲击各金属部件。
10 在粉尘爆炸危险场所进行明火作业时,是否满足下列规定:1)有安全负责人批准的作业证。
2)明火作业开始前,应彻底清除明火作业场所的可燃粉尘。
3)进行明火作业期间,严禁有粉尘进入明火作业场所。
11 每天对生产车间地面和设备进行清理,使作业场所积累的粉尘量降至最低,清扫方法符合安全要求,禁止使用压缩空气进行吹扫。
12 工作人员操作中是否认真贯彻减少粉尘的作业方法,检查人员对工作场所定置管理、生产秩序的评价。
整齐有序缺乏专门的措施脏乱差13 工作人员按照要求佩戴个人劳动防护用品,检查人员对员工工作状态的评价。
优良一般14粉尘爆炸危险场所尽可能减少同时作业的人数,避免粉尘产生量大的设备同时运行,生产安排是否遵守这一原则。
气设备粉尘涉爆企业安全生产专项检查表
检查人员: 检查日期:
第 1 页
32条;70号令GB 15577
、
生
产
第 2 页
检查意见:
检查负责人(签字):
说明:
1.粉尘是指粒径小于75μm的固体悬浮物。
粉尘类型:涉爆粉尘可以分为铝粉、镁粉、铁粉、锌粉、钛粉、锆粉
、炭黑粉等金属粉尘;煤粉、焦炭粉、木炭粉等燃料粉尘;玉米粉、黄豆粉、面粉、淀粉、糖粉、奶粉等农产品粉尘;血粉、鱼骨粉、烟草、棉花、茶叶粉、纤维粉、木粉、纸粉等纤维鱼粉类粉尘;聚苯乙烯粉、橡胶塑料粉等合成树脂类粉尘、染料粉等化学类粉尘以及其他类粉尘。
具体填写请填写具体粉尘名称,比如铝粉。
2. 所属行业:产生涉爆粉尘的行业可以分为冶金煤粉制备、金属制品加工、粮食加工、饲料加工、食品加工、
纺织品加工 、皮革羽毛制品加工、木材家具加工、纸制品加工、橡胶及塑料加工、烟草加工、其他。
第 3 页。
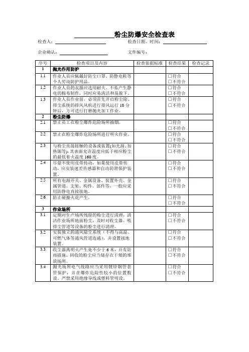
粉尘防爆安全检查表检查人:检查日期、时间:企业确认:文件编号:序号检查项目及内容检查依据标准检查结果检查记录1 抛光作用防护1.1 作业人员应佩戴好防尘口罩、防静电鞋等个人劳动防护用品。
□符合□不符合1.2 作业人员的衣服应选用耐火、不易产生静电的棉布制作,同时应易清洁和易脱下。
□符合□不符合1.3 作业人员作业前,必须首先开启粉尘除、排尘系统的排风风机进行排风运行10分钟后,方可进行打磨抛光加工作业。
□符合□不符合2 粉尘防爆2.1 禁止员工在粉尘爆炸危险场所抽烟。
□符合□不符合2.2 禁止在粉尘爆炸危险场所进行明火作业。
□符合□不符合2.3 与粉尘直接接触的设备或装置(如光源、加热源等),其表面允许温度应低于相应粉尘的最低着火温度160度。
□符合□不符合2.4 尽量不使用皮带传动,如果使用皮带传动,应安装速差传感器和自动防滑保护装置。
□符合□不符合2.5所有电源开关、金属设备、装置外壳、金属管道、支架、构件、部件等,一般应采用防静电直接接地。
□符合□不符合2.6 防止碰撞火花产生。
□符合□不符合3作业场所3.1 定期对生产场所残留的粉尘进行清理,清洁作业场所地面粉尘,及时对收尘器、吸排尘管道等设备的粉尘进行清理。
□符合□不符合3.2 安装独立的通风除尘系统(不得与高温、可燃气体等通风管道连通),并设置接地装置。
□符合□不符合3.3 收尘器离明火产生处不少于6米,并有防雨措施,回收的粉尘应当储存在干燥的堆放场所。
□符合□不符合3.4 抛光场所电气线路应当采用镀锌钢管套管保护,并在爆炸危险性较小的位置敷设。
严禁采用绝缘导线或塑料管明设。
□符合□不符合。
公司粉尘防爆场所安全检查表XXX粉尘防爆场所安全检查表日期:检查人:序号作业岗位安全操作规程:(1)个体防护措施:作业人员应佩戴好防尘口罩、防静电鞋等个体劳动防护用品。
1(2)作业人员身上禁止佩戴钥匙等金属饰物。
(3)检维修作业:生产系统完全停止、现场积尘清理干净后,方可进行检维修作业;(4)严禁交叉作业;检维修作业如涉及有限空间作业的,必须严格遵守“先通风、再检测、后作业”的原则,确定符合安全要求后,方可进入。
检查内容及要求检查情况及意见场所清洁制度:(1)定期对生产场所残留的粉尘进行清理,清洁作业场所地面粉尘,旋风分离器、2滤筒过滤器、加粉器及管道堆积的粉尘进行清理。
(2)应当采用不产生火花、静电、扬尘等方法清理生产场所。
(3)现场张贴粉尘定期清扫制度。
3场所建筑结构:生产场所应当有两个以上直通室外的安全出口,疏散门向外开启,通道确保畅通。
现场作业:4(1)作业场所严禁各种明火。
需求在作业场所举行动火作业时,必须停止生产作业,办理《危险作业审批单》,并采取相应的防护措施。
(2)作业场所内不应有非生产性明火存在,不应存放煤油、氧气、乙炔等易燃物。
注:1、此表每月由XXX车间安排专人进行点检,点检后及时将存在问题向车间主任进行反馈。
2、点检表点检后应留存,以备安监部门检查。
序号消防措施:检查内容及请求(1)根据不同的作业前提与环境,配备消防器材,灭火办法与灭火器应随时检查情况及意见5可用。
(2)粉尘燃烧时必须使用消防沙灭火,严禁使用普通灭火器灭火,不应使用使积尘撬起的灭火方法;不应使用水、泡沫或二氧化碳灭火器。
(3)喷涂地区应急分散通道禁止圈占、堵塞。
电气安全:(1)生产场所电气线路应当采用镀锌钢管套管或铠装式保护,并在爆炸危险性较小的位置敷设,严禁采用绝缘导线或塑料管明设。
粉尘防爆场所安全检查表序号检查内容检查依据检查结果检查说明一、建(构)筑物的结构与布局1安装有粉尘爆炸危险的工艺设备或存在可燃粉尘的建(构)筑物,应与其它建(构)筑物分离,其防火间距应符合GB50016的相关规定《粉尘防爆安全规程》GB15577-2007第5.1条2建筑物宜为单层建筑,屋顶宜用轻型结构《粉尘防爆安全规程》GB15577-2007 第5.2条3多层建筑的结构要求如下:多层建筑物宜采用框架结构;不能使用框架结构的建筑物应在墙上设置符合要求的泄爆口;如果将窗户或其他开口作为泄爆口,应经核算并保证在爆炸时其能有效的进行泄爆。
《粉尘防爆安全规程》GB15577-2007第5.3.1、5.3.2、5.3.3条4梁、支架、墙及设备等应具有便于清扫的表面结构。
工房内墙表面应采用平整不易积尘和易清扫的结构,且不应向上拼接。
非整料构筑的墙体,墙面应用砂浆抹平,不得留有孔隙。
工房、成品库房的地面、工作平台应采用硬质防滑导静电的非燃性材料制作,且不应有积尘接缝。
工、库房屋顶不应漏水,同时应防止室内漏水及外部水流入。
工房、成品库房所有门、窗框架均应采用金属材料制作。
窗扇应向外开启,且不得设中挺并配有摩擦式窗栓。
《粉尘防爆安全规程》GB15577-2007第5.5条《铝镁粉加工粉尘防爆安全规程》GB17269-2003第5.2.3、5.2.4、5.2.5、5.3.1、5.3.2条5疏散通道要求如下:工作区应有疏散通道。
疏散通道的数目和位置应符合GB50016的相关规定门应向外开启,并不得设门槛。
《粉尘防爆安全规程》GB15577-2007第5.6.1条《铝镁粉加工粉尘防爆安全规程》GB17269-2003第5.3.3条6疏散路线应设置明显的路标和应急照明《粉尘防爆安全规程》GB15577-2007号结果第5.6.2条二、工艺设备7如厂房内有粉尘爆炸危险的工艺设备,宜设在建筑物内较高的位置,并靠近外墙。
《粉尘防爆安全规程》GB15577-2007第5.4条8有爆炸危险的工艺设备宜设置在建筑物外的露天场所《粉尘防爆安全规程》GB15577-2007第5.7条9与粉尘直接接触的设备或装置(如光源、加热源等),其表面允许温度应低于相应粉尘的最低着火温度。
粉尘防爆场所安全检查表序号检查内容检查依据检查结果检查说明一、建(构)筑物的结构与布局1安装有粉尘爆炸危险的工艺设备或存在可燃粉尘的建(构)筑物,应与其它建(构)筑物分离,其防火间距应符合GB50016的相关规定《粉尘防爆安全规程》GB15577-2007第5.1条2建筑物宜为单层建筑,屋顶宜用轻型结构《粉尘防爆安全规程》GB15577-2007 第5.2条3多层建筑的结构要求如下:多层建筑物宜采用框架结构;不能使用框架结构的建筑物应在墙上设置符合要求的泄爆口;如果将窗户或其他开口作为泄爆口,应经核算并保证在爆炸时其能有效的进行泄爆。
《粉尘防爆安全规程》GB15577-2007第5.3.1、5.3.2、5.3.3条4梁、支架、墙及设备等应具有便于清扫的表面结构。
工房内墙表面应采用平整不易积尘和易清扫的结构,且不应向上拼接。
非整料构筑的墙体,墙面应用砂浆抹平,不得留有孔隙。
工房、成品库房的地面、工作平台应采用硬质防滑导静电的非燃性材料制作,且不应有积尘接缝。
工、库房屋顶不应漏水,同时应防止室内漏水及外部水流入。
工房、成品库房所有门、窗框架均应采用金属材料制作。
窗扇应向外开启,且不得设中挺并配有摩擦式窗栓。
《粉尘防爆安全规程》GB15577-2007第5.5条《铝镁粉加工粉尘防爆安全规程》GB17269-2003第5.2.3、5.2.4、5.2.5、5.3.1、5.3.2条5疏散通道要求如下:工作区应有疏散通道。
疏散通道的数目和位置应符合GB50016的相关规定门应向外开启,并不得设门槛。
《粉尘防爆安全规程》GB15577-2007第5.6.1条《铝镁粉加工粉尘防爆安全规程》GB17269-2003第5.3.3条6疏散路线应设置明显的路标和应急照明《粉尘防爆安全规程》GB15577-2007号结果第5.6.2条二、工艺设备7如厂房内有粉尘爆炸危险的工艺设备,宜设在建筑物内较高的位置,并靠近外墙。
《粉尘防爆安全规程》GB15577-2007第5.4条8有爆炸危险的工艺设备宜设置在建筑物外的露天场所《粉尘防爆安全规程》GB15577-2007第5.7条9与粉尘直接接触的设备或装置(如光源、加热源等),其表面允许温度应低于相应粉尘的最低着火温度。
《粉尘防爆安全规程》GB15577-2007第6.2.2条10存在可燃粉尘的场所,其设备和装置的传动机构应符合下列规定:——工艺设备的轴承应防尘密封;如有过热可能,应安装能连续监测轴承温度的探测器;——不宜使用皮带传动;如果使用皮带传动,应安装速差传感器和自动防滑保护装置;当发生滑动摩擦时,保护装置应能确保自动停机。
《粉尘防爆安全规程》GB15577-2007第6.2.3条11在工艺流程的进料处,应安装能除去混入料中杂物的磁铁、气动分离器或筛子,防止杂物与设备碰撞。
《粉尘防爆安全规程》GB15577-2007第6.4.2条12应采取有效措施防止铝、镁、钛、锆等金属粉末或含有这些金属的粉末与锈钢摩擦产生火花。
《粉尘防爆安全规程》GB15577-2007第6.4.3条13爆炸时实现保护性停车。
应根据车间的大小,安装数个能互相联锁的动力电源控制箱;在紧急情况下,应能及时切断所有电机的电源。
《粉尘防爆安全规程》GB15577-2007第7.2条14工艺设备的接头、检查门、挡板、泄爆口盖等均应封闭严密。
《粉尘防爆安全规程》GB15577-2007第8.1条15设备外壳应由非燃材料制成。
《粮食加工、储运系统粉尘防爆安全规程》GB17440-2008 第5.2.1.4条16设备的运转部件间应运转灵活,不得有刮、碰、《粮食加号结果卡、擦现象。
工、储运系统粉尘防爆安全规程》GB17440-2008第5.2.1.8条17工艺设备的强度不足以承受其实际工况下内部粉尘爆炸产生的超压时,应设置泄爆口,泄爆口的尺寸宜符合GB/T15605。
《粉尘防爆安全规程》GB15577-2007第7.5.1条18泄爆口的位置应靠近可能产生引爆源的地方;应尽量在围包体顶部或上部开设,不得泄向易燃易爆危险场所,以免点燃其他可燃物;不得泄向公共场所以免泄爆伤人。
《粉尘爆炸泄压指南》GB/T15605-1995第4.5.7条三、防雷防静电19粉尘爆炸危险场所,应按GB50057中有关规定采取相应防雷措施;《粉尘防爆安全规程》GB15577-2007第6.3.1条20当存在静电危险时,应遵守下列规定:所有金属设备、装置外壳、金属管道、支架、构件、部件等,一般应采用防静电直接接地;不便或工艺不允许直接接地的,可通过导静电材料或制品间接接地;直接用于盛装起电粉末的器具、输送粉末的管道(带)等,应采用金属或防静电材料制成;所有金属管道连接处(如法兰),应进行跨接;操作人员应采取防静电措施;不应采用直接接地的金属导体或筛网与高速流动的粉末接触的方法消除静电。
《粉尘防爆安全规程》GB15577-2007第6.3.2.1、6.3.2.2、6.3.2.3、6.2.2.4、6.3.2.5条四、防爆电气21粉尘爆炸危险场所用电气设备应符合GB12476.1的相关规定。
《粉尘防爆安全规程》GB15577-2007第6.3.3条22粉尘爆炸危险场所电力设计应按GB50058的有关规定执行《粉尘防爆安全规程》GB15577-2007第6.3.4条23防爆电气设备应根据爆炸危险区域的等级和爆炸危险物质的类别、级别和组别选型。
《危险场所电气防爆安全规范》AQ3009-2007第5.1条号结果24 防爆电气设备选型。
除可燃性非导电粉尘和可燃纤维的11区环境采用防尘结构(标志为DP )的粉尘防爆电气设备外,爆炸性粉尘环境10区及其它爆炸性粉尘环境11区均采用尘密结构(标志为DT )的粉尘防爆电气设备,并按照粉尘的不同引燃温度选择不同引燃温度组别的电气设备。
《爆炸和火灾危险环境电力装置设计规范》 GB50058-92 第3.4.2条25 配线钢管,应采用低压流体输送用镀锌焊接钢管。
《电气装置安装工程爆炸和火灾危险环境电气装置施工及验收规范》 GB 50257—96 第3.3.1条26钢管与钢管、钢管与电气设备、钢管与钢管附件之间的连接,应采用螺纹连接。
不得采用套管焊接,并应符合下列要求: 螺纹加工应光滑、完整、无锈蚀,在螺纹上应涂以电力复合脂或导电性防锈脂。
不得在螺纹上缠麻或绝缘胶带及涂其它油漆。
管径为25mm 及以下的钢管不应少于5扣;管径为32mm 及以上的钢管不应少于6扣。
《电气装置安装工程爆炸和火灾危险环境电气装置施工及验收规范》GB 50257—96 第3.3.2.1、3.3.2.2条27 钢管配线应在下列各处装设防爆挠性连接管:电机的进线口; 钢管与电气设备直接连接有困难处;管路通过建筑物的伸缩缝、沉降缝处。
《电气装置安装工程爆炸和火灾危险环境电气装置施工及验收规范》GB 50257—96第3.3.6.1、3.3.6.2、3.3.6.3条28 在20区、21区和22区内不宜用移动式电气设备。
若必须使用移动式电气设备时,导线应选用YC 或YCW 橡胶电缆。
《粮 食 加 工 、 储 运系 统 粉 尘 防 爆 安 全规 程》 GB17440-2008 第6.2.9条五、通风、除尘29 宜按工艺分片设置相对独立的除尘系统;《粉尘防爆安全规程》GB15577-2007 第6.6.1条30 所有产尘点均应装设吸尘罩;《粉尘防爆安全规程》GB15577-2007 第6.6.2条号结果31风管中不应有粉尘沉降;《粉尘防爆安全规程》GB15577-2007 第6.6.3条32宜采用袋式收尘器并优先采用外滤型式。
《粉尘爆炸危险场所用收尘器防爆导则》GB/T17919-2008第4.1.3条33收尘器宜安装于室外;如安装于室内,其泄爆管应直通室外,且长度小于3m,并根据粉尘属性确定是否设立隔(阻)爆装置。
《粉尘爆炸危险场所用收尘器防爆导则》GB/T17919-2008第4.1.8条34在收尘器进、出风口处宜设置隔离阀,并安装温度监控装置。
《粉尘爆炸危险场所用收尘器防爆导则》GB/T17919-2008第4.1.13条35脉冲喷吹灰袋式收尘器宜采用N2、CO2或其他惰性气体作为清灰气源。
《粉尘爆炸危险场所用收尘器防爆导则》GB/T17919-2008第4.3.1条六、消防36应根据粉尘的物理化学性质,正确选用灭火剂;《粉尘防爆安全规程》GB15577-2007 第8.4.1条37灭火时,应防止粉尘扬起形成粉尘云;《粉尘防爆安全规程》GB15577-2007 第8.4.2条38若燃烧物与水接触能生成爆炸性气体,不应用水灭火《粉尘防爆安全规程》GB15577-2007第8.4.3条七、作业安全39粉尘云能够被碰撞产生的火花引燃时,应采取措施防止碰撞发生,同时,检修时应使用防爆工具;《粉尘防爆安全规程》GB15577-2007第6.4.1条40没有与明火作业等效的保护措施不应使用旋转《粉尘防爆安号结果磨轮和旋转切盘进行研磨和切割全规程》GB15577-2007第6.4.4条41所有可能积累粉尘的生产车间和贮存室,都应及时清扫;《粉尘防爆安全规程》GB15577-2007第8.3.1条42不应使用压缩空气进行吹扫《粉尘防爆安全规程》GB15577-2007 第8.3.2条43在作业场所内,生产人员不应贴身穿着化纤制品衣裤《粉尘防爆安全规程》GB15577-2007第9.1.3条。