文件标准格式、编号管理规程
- 格式:doc
- 大小:185.50 KB
- 文档页数:8
管理制度文件编码要求一、目的为了规范管理制度文件的编写,提高文件的信息化程度和可阅读性,确保文件的准确、清晰和规范。
二、适用范围适用于所有管理制度文件的编码要求,包括各类规章制度、工作流程、操作规程等。
三、编码原则1. 简单明了:编码应简洁明了,易于识别和记忆。
2. 有序排列:编码应有序排列,便于归档和检索。
3. 规范统一:编码应遵循统一的规范,不得随意更改。
4. 保密性:编码应具有一定的保密性,不得随意泄露。
四、编码要求1. 编码内容:编码应包括编号和名称两部分,编号是标识文件的唯一序号,名称是对文件内容的简要描述。
2. 编码格式:编号采用数字、字母或符号等形式,名称采用中文或英文等形式。
3. 编码规范:编码应按照一定规范进行组织,如“规章制度-部门编号-序号”等形式。
4. 编码更新:编码更新应及时进行,确保文件的版本控制和管理。
五、编码管理1. 责任部门:由相关部门负责管理管理制度文件的编码工作。
2. 编码工作流程:编码工作应按照程序规定进行,包括新建、修改和废止等流程。
3. 编码备份:编码备份应妥善保存,以防丢失或损坏。
4. 编码检查:对编码进行定期检查和审核,确保编码的准确性和完整性。
六、附则1. 本编码要求自发布之日起开始执行。
2. 对于已编写的管理制度文件,应尽快进行编码整理,以符合本要求。
3. 如有变动或疑问,应及时向管理部门进行反馈和沟通。
七、结语管理制度文件的编码是规范管理工作的重要环节,各部门应严格按照要求执行,并不断完善和提高文件编码管理水平,确保管理制度文件的有效运行和实施。
1.0目的为了规范管理本公司的各种文件和记录,对其编号方法做出统一规定。
2.0适用范围适用于公司的所有文件与记录。
3.0内容3.1文件的编制格式3.1.1文件编制时,正文部分都要加上文件头用来明示文件信息,文件类别的填写请按照后附《文件类别对照表》中的文件类别进行填写,文件头中的具体设置参照附件。
(文件模板可以在OA系统的“模板”文件夹中下载使用。
)3.1.2文件编写条目按照以下格式。
1.01.11.1.11.1.1.12.0依此类推,层次分级最多不超过4级。
3.1.3文件页边距设置如下:竖版:上 1.8cm 下 1.5cm 左2.5cm 右1.8cm横版:上2.5cm 下1.8cm 左1.8cm 右1.5cm3.1.4文件正文字体为仿宋或宋体,字号13号,行间距为固定值20磅,数字序列字体为Arial,字号与正文相同,小标题可以加粗。
3.1.5文件文档为word文件,表单不限。
3.1.6页眉:1.5cm页脚:1.0cm页眉页脚及其他部分的未尽事宜以附件范本为准。
3.2表格记录的编制格式3.2.1表格编制时,要加入公司标示,公司标示如下图。
图(1)集团公司logo标示公司所有下发的公文,logo图标均用带字母标识的,文件头模板可以在OA导航系统中下载3.2.2表格具体排版样式参照附件的样本设置。
3.2.3表格中所有字体均为仿宋或宋体,表头字号为16号,表格正文字号13号,表格编号及表格正文之外的附属信息字号均为10号。
3.3文件的编号3.3.1公司、分厂及部门代码(详见附件)体系文件包含ISO9001质量体系文件,OHSAS18001安全体系文件,ISO14001环境体系文件。
3.3.2.1一阶文件(质量手册、安全手册、环境手册)X1-X2-01流水号:01—99文件类型标示: QM质量手册SM安全手册EM环境手册公司代码:参照附件说明:质量手册以后将分为集团公司质量手册和分公司质量手册,分公司质量手册的部分内容可引用集团公司质量手册。
A CFC 第一次发布版本状态修订编制人审核人批准人批准日期中核动力设备有限公司南京分公司文件编码文件名称:部门文件编制格式及编码规则管理规定文件类型文件分类技密级别所属专业发布单位质量管理部编制部门部门内部标识码适用范围质量管理部xxxxxxxx 中核动力设备有限公司南京分公司版权说明:此文件内容属中核动力设备有限公司南京分公司所有,未经同意不得引用、复制、借阅、发表。
目录1.目的 (4)2.适用范围 (4)3.参考文件 (4)4.程序管理 (4)5.职责 (4)5.1质量管理部 (4)5.2综合管理部 (5)5.3文件编制部门 (5)6.详细描述 (5)6.1文件的编制格式 (5)6.2文件编码规则 (10)6.3文件内部标识码编码规则 (10)7.附录 (10)1.目的为了便于文件的管理和控制,统一中核动力设备有限公司南京分公司(以下简称南京分公司)各部门文件格式、标识,规范化、标准化管理生产管理活动中的每份文件,特制定本规定。
2.适用范围本程序适用于南京分公司各部门产生的所有与生产活动有关的管理性、技术性文件(另有规定文件除外),包括但不限于部门制度、程序、规程、工艺技术文件等。
其它文件可参考使用。
3.参考文件1)Q/SQY·G08-0000-2012/A 《质量手册》2)QP/SQY.G08-3000-2012/A 《民用核安全机械设备制造质量保证大纲》3)Q/SQY·G08-401-2012/A 《文件控制管理程序》4.程序管理本程序由质量管理部编制、修订和解释,并具有以下签名:编制:编制人;审核:质量管理部负责人;批准:主管经理。
5.职责5.1质量管理部1)负责文件编制格式及编码的统一管理;2)负责文件符合性的审查;3)负责对文件编码进行准确性检查;4)负责范围内文件内部标识码流水号的管理。
5.2综合管理部1)负责文件格式的审查;2)负责文件的印制、装订、存档。
文件分类编号及编写格式管理规程【精选文档】GMP(7) WJ/SMP/00204 文件管理文件编号:文件分类编号及编写格式管理规程文件名:文件分类编号及编写格式管理规程文件编号:WJ/SMP/00204 制定人: 日期: 年月日文件类型:管理标准审核人: 日期: 年月日版次:第4版批准人: 日期: 年月日印数:共5份生效日期: 2007年12月01日颁发部门:办公室分发至:生产技术部、质量部、经营部、财务部、办公室修订号修订人批准日期生效日期原因及目的变01 张华亭 2005.05.01 2005.07.01 2005版药典的实施及2005年企业换证更记02 张华亭 2006.05.10 2006.10.01 2006年企业第二次GMP认证载03 张华亭 2007.10.10 2007.12.01 单品种GMP实施1.目的:建立文件的分类编号及编写格式管理规程,使其标准化,规范化。
2.范围:适用于文件分类编号、编写格式管理。
3.责任:公司生产技术部、质量部、经营部、财务部、办公室对本规程的实施负责。
4.内容:4.1 本公司的GMP文件系统由“质量管理(ZL)”“机构与人员(RY)”、“厂房与设施”(CF)、“设备(SB)”、“物料与产品(WL)”、“文件管理(WJ)”、“确认与验证(YZ)”、“生产管理(SC)”、“质量控制(QC)与质量保证(QA)”、“委托生产与委托检验(WT)”、“产品发运与召回(FY)”和“自检(ZJ)”共计十二部分组成,分别与《药品生产质量管理规范》(2010年版)的各有关章节相对应。
4.2 每一部分文件包括“标准”和“记录”两大类,标准包括:“技术标准(STP) ”、“管理标准(SM P) ”和“工作标准(SOP) ”三类;记录(SOR)有:批生产记录(SC)、批检验记录(JY)、物料管理记录(WL)、设备使用维护保养记录(SB)清洁记录(QJ)等,以及表、卡、证等凭证。
XX公司管理体系文件
文件编号(新罗马字体,小三)
文件标题(黑体,小初,加粗)
(文件编写页边距:上下 2cm
左右 2.5cm)
受控状态:
发放编号:
(黑色字体不用改)
发布日期:XXXX-XX-XX实施日期:XXXX-XX-XX
编制:XXXX审核:XXXX批准:XXXXX
修订记录
1 目的(小标题为宋体,四号,加粗)
内容用宋体四号字,行间距为固定值25磅
(两个小标题的内容之间空一行)
2 适用范围(小标题为宋体,四号,加粗)
内容用宋体四号字,行间距为固定值25磅
(两个小标题的内容之间空一行)
3 职责权限(小标题为宋体,四号,加粗)
内容用宋体四号字,行间距为固定值25磅
(两个小标题的内容之间空一行)
4 正文………(1级标题下的内容为悬挂缩进3.53字符)
4.1 ………(2级标题下的内容为悬挂缩进3.53字符)
4.1.1 ………(3级标题下的内容为悬挂缩进3.53字符)
(1)……………………………………………………………………
……………(4级标题下的内容为左侧缩进4.73字符,悬挂缩
进2.52字符)
a…………………………………………………………………
…………(5级标题下的内容为左侧缩进8.1字符)
X相关文件和记录
X.1 XXX表格(表格编号)
X.2 XXX表格(表格编号)
XXX表格
XXX表格
世上没有一件工作不辛苦,没有一处人事不复杂。
不要随意发脾气,谁都不欠你的。
钢铁公司公司级规程体系文件编制格式、编号管理标准第版一、前言为了规范钢铁公司的公司级规程体系文件的编制格式和编号管理标准,保证文件的准确性、完整性、科学性和规范性,根据公司规章制度管理相应要求和相关法律、法规的规定,制定本标准。
二、适用范围本标准适用于钢铁公司的公司级规程体系文件的编制格式和编号管理标准。
三、术语和定义1. 公司级规程体系文件:是指钢铁公司内部用于组织、实施和管理各项工作活动所制定的具有约束力、权威性和规范性的文档,如规章制度、管理制度、标准规范、操作手册等。
2. 编制格式:指公司级规程体系文件中的版式、字号、字体、页边距等排版要素。
3. 编号管理标准:钢铁公司用于标识公司级规程体系文件的编号编制、使用和管理办法。
四、编制格式1. 字体与字号:公司级规程体系文件的正文部分应使用宋体小四。
标题、副标题等应使用黑体小四或小三。
2. 页边距:上下左右页边距均为2.54厘米。
3. 行距:行距应为1.5倍行距。
4. 章节标识:公司级规程体系文件应按照章节标识层次编写,总章节编号采用一、二、三……表示,子章节编号采用1、2、3……表示,子子章节编号采用(1)、(2)、(3)……表示,其他标识采用阿拉伯数字表示。
5. 页眉、页脚:规定公司级规程体系文件的每一页必须标明页码,页码应标示在页眉右上角。
五、编号管理标准1. 文件编号分级:公司级规程体系文件的编号分为三级,分别为序号、类别和子类别编号。
2. 序号编制规则:序号编制规则为:四位数字,从1开始依次递增。
3. 类别编制规则:类别编制规则为:从A到Z,共26个字母。
不同的文件类型对应不同的字母。
4. 子类别编制规则:子类别编制规则为:从01到99,共99个数字。
不同的文件类别对应不同的数字段。
5. 编号组成规则:文件编号由序号、类别和子类别编号按颠倒顺序组成,中间用横线连接。
例如:01-AB-06。
6. 新文件编号的编制规则:每个新文件必须按照现行文件的最大编号,以递增方式编制新的编号。
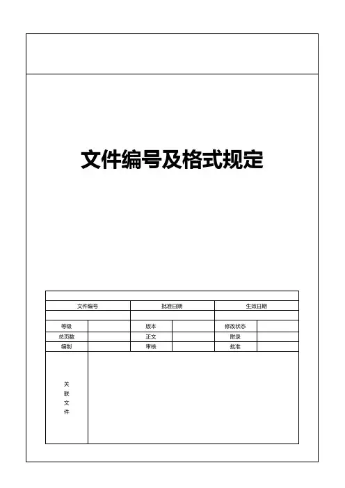
文件编号及格式规定文件编号批准日期生效日期等级版本修改状态总页数正文附录编制审核批准关联文件编号:文件编号及格式规定共页第页版次:A/0 页版号:修改记录页号页版修改内容修改人批准人修改日期版次:A/0页版号:0031 目的规范文件编写,以求文件格式与风格的统一。
2 范围适用于本公司除外来文件、图纸、工艺文件等之外的所有文件的编号与编写。
3 职责3.1管理性文件,体系文件,技术文件的文件管理负责人由管代、技术负责人担当;3.2一般性文件,通知,会议记录等的文件管理负责人由关联部门领导指定的人员担当;3.3文件管理负责人负责对文件进行编号,并对编号的唯一性负责。
并保证文件编号、书写符合本规范。
4 工作内容4.1文件编号的标记方法4.1.1标记在显眼的位置。
原则上为纸的右上角。
4.1.2原则上当一个文件有多页时,每页都要标记上编号。
4.1.3原则上在版面的右上角还应标上版次,左上角标上页号。
4.2文件种类的划分表1文件种类文件的种类对象文件类别代码性质编号方法体系文件质量手册、程序文件、质量环境管理方针、目标见表2 一级文件见§4.3 规程文件操作规程、规范见表2二级文件见§4.3 作业标准通用标准(含外来文件)见表2 二级文件见§4.3 设计文档图表、规范书、说明书、设计书等SM 二级文件见§4.3 质量记录产品质量环境记录、通用记录JL 三级文件见§4.4其它业务通知行政通知,人事通知财务通知,市场,商务,支撑通知质量检查通知,技术通知等TZ 三级文件见§4.4 技术报告技术报告、普通报告、调查报告等BG 三级文件培训资料公司内培训资料顾客培训资料PX 三级文件目录、手册销售资料(产品手册等)其它资料(公司介绍手册等)ML 三级文件上记以外的文件产品业务文件产品外业务文件(联络书,说明书,议事录发送件,报告书等)NT 三级文件4.3 体系文件的编号办法4.3.1 体系文件必须按本规定进行编号,编号应便于识别,•统一打印在文件的右上角。
件号管理制度第一章总则第一条为了规范公司文件的管理流程,提高文件管理的效率和质量,制定本管理制度。
第二条本管理制度适用于公司内所有文件的管理,包括纸质文件和电子文件。
第三条公司文件的管理应当遵循科学、规范、便捷、高效的原则,确保文件的安全、完整、准确和便于查阅。
第四条公司文件包括各类内部文件、外部文件、会议记录、合同、协议等,均须按照本管理制度进行管理。
第五条文件管理负责人应当负责文件管理制度的制定、实施和监督,确保文件管理工作的顺利进行。
第六条公司文件的管理包括文件的编制、编号、归档、借阅、销毁等环节。
第二章文件的编制第七条公司文件应当采用统一的格式进行编制,确保文件的规范性和一致性。
第八条文件的编制必须明确文件的标题、作者、编写日期、审定人、审定日期、文件编号等信息,确保文件的可追溯性和可审查性。
第九条编制文件时应当慎重对待,确保文件的内容真实、可靠、合法,避免造假、夸大、虚假等行为。
第三章文件的编号第十条公司文件的编号应当采用统一的编号规则,以确保文件的唯一性和可辨识性。
第十一条文件编号应当包括公司名称、文件种类、年份、序号等信息,确保文件编号的有效性和便于管理。
第十二条文件编号应当由文件管理负责人统一负责,避免重复、混乱的现象发生。
第十三条文件编号应当在文件编制完成后立即进行,确保文件编号与文件内容相符合。
第四章文件的归档第十四条文件的归档应当按照文件管理制度的规定进行,确保文件的整齐、清晰。
第十五条文件归档应当按照文件的主题、种类、年份等进行分类,确保文件的归档便于查阅。
第十六条文件归档应当定期进行,确保文件的及时性和完整性。
第十七条文件归档应当采用合适的存储设备,并在设备上标明文件的编写日期、编号等信息,确保文件的可追溯性和安全性。
第五章文件的借阅第十八条文件的借阅应当遵循规范的程序进行,确保文件的安全、完整。
第十九条文件的借阅必须经过文件管理负责人审批,借阅人对借阅文件的内容必须尊重和保密。
文件格式管理规程目的:建立文件格式管理规程,使文件的格式规范化,并符合GMP的要求。
范围:GMP文件。
责任人:文件起草人、各部门负责人。
内容:1 文件正文层次编号1.1 目的、范围、责任人、内容不加编号。
1.2 内容正文加编号,根据具体内容按1、1.1、1.1.1……进行编号,编号后不加标点,编号与其后文字之间空两个英文字符间隔。
1.3 编号不得采用Word自动生成。
2 文件的页面设置2.1 纸张大小:A4。
2.2 页面排版:横排。
2.3 页边距:上3.2cm,下2.5cm,左3.0cm,右2.5cm;页眉距顶边2.3cm,页脚距底边1.8cm。
3 文件的段落设置对齐方式:左对齐;缩进:左0字符,右0字符;首行缩进:2字符;间距:段前0行,段后0行;行距:固定值20磅;4 文件字体及格式4.1 文件内的所有字体均为宋体字。
4.2 文件标题为小二号加粗,居中;表头、正文为小四号字,左对齐;页眉、页脚为五号字,其中页眉文件名称及编号左对齐,页码右对齐,页脚左对齐。
4.3 正文段落行间距设为固定值20磅。
5文件内容及形式5.1文件顶头为文件标题。
5.2 文件表头内容包括:编号及文件名称,执行日期,起草,审核,批准,部门,姓名,签名,日期,分发部门。
样式如本文件表头。
其中部门、姓名、分发部门直接打印,签名、日期、执行日期必须有相关人员本人用黑色签字笔填写。
5.3 文件正文包括“目的”、“范围”、“责任人”、“内容”四部分内容。
5.4 页眉内容为“文件编号及名称”、“第X 页共X 页”;页脚内容为“亳州市张仲景中药饮片有限责任公司-XXXX”,其中“XXXX”为本文件所属类别,如本文件为“文件管理”。
样式如本文件页眉和页脚。
6 记录表格编制要求6.1 管理规程内容中涉及到的表格,格式根据实际情况而定,要求美观协调。
6.2 记录表格要编号。
6.3 记录名称用三号加粗宋体,居中排列;编号用五号宋体,右对齐排列。
公司文件编号及字号规范
为规范公司文档管理,特制定本文件编号规范。
一、文件编号结构
1.文件编号由四部分组成,每部分之间用“-”连接
第一部分. 表明发文部门
第二部分. 表明发文部门
第三部分. 表明文件的密级程度
第四部分. 表明文档的属性,即文件的类型及当年文件发文的顺序号。
第五部分. 表明文件的状态,即反映对源文件所作的修改。
注:协议与合同文件不纳入《公司文件编号及字号规范》中,可作为单独编号使用。
格式如下:
文件编号:2014.12.01.001(说明:年.月.日.当天发生的同协议与合同的排序)
2.各部门表示方法
1)第一部分:发文部门
2)第二部分:文件密级
3)第三部分:文件类型
4)第四部分:文件状态
版本号的使用:
第一版(原件)用Rev.1.0表示
对第一版进行细部调整用“状态符号 1.1/1.2 ……”表示
对第一版进行结构修改用“状态符号 2.0/3.0 ……”表示
举例:采购部发布的采购流程管理办法(第一版)
文件编号:CGB-R.00-RUS.采购流程管理办法-Rev.1.0
二、文件表头
公司文件统一使用下列表头,其中“文件类型”各部门可先建立本部门文件分类,如工作流程、规范、规程、备忘……,待一定时期积累后公司再统一文件分类;保密等级用第一条中密级表达符号表示。
三、文件字号使用规范
1.文件标题字符使用:黑体;
2.字号:三号;
3.文件正文字符使用:宋体;
4.字号:五号;
上海巴博信息技术有限公司
编写与制定:XXX。
文件管理操作规程一、概述文件管理是组织、保管和使用各种文件的活动,对于一个组织或企业的正常运作至关重要。
为了确保文件的安全性、完整性和便捷性,制定并遵守文件管理操作规程是必不可少的。
本文将就文件管理的操作步骤、要求和注意事项进行详细介绍。
二、文件归档1. 文件分类文件应按照内容、形式或用途进行分类,如行政类文件、财务类文件、项目类文件等。
确保分类合理、准确、清晰。
2. 文件编号每个文件应有唯一的编号,编号格式应规范并易于管理。
文件编号可以采用年份+序号的形式,如2022-001,2022-002等。
3. 文件标识文件应有明确的标识,标识应包括文件名称、编制部门、编制日期等关键信息,以提高查阅效率。
4. 文件装订文件应采用合适的装订方式,如文件夹、文件夹夹片等,确保文件整洁、易于存取。
5. 文件存放位置文件宜存放在专门的文件柜或书架中,并按照分类和编号进行规整,避免混乱和错位。
三、文件借阅1. 借阅申请借阅人应填写借阅申请表,并注明借阅的具体文件名称、编号、借阅目的和借阅期限等信息。
2. 审批程序借阅申请应经相关主管部门或责任人审批后方可借阅。
3. 借阅登记借阅人借阅文件后,应在借阅登记簿上填写借阅日期、借阅期限等相关信息,并经过相关工作人员确认。
4. 文件查阅借阅人应妥善保管借阅文件,防止遗失或损坏,并在借阅期满后及时归还文件。
在借阅期间,借阅人应尽量避免私自更改文件内容。
四、文件保管1. 文件保密性根据文件内容的重要性和保密等级,确定文件的保密措施。
对于机密文件,应采取相应的加密和存储措施。
2. 文件备份重要文件应进行定期备份,并存放在安全可靠的地方,以防止意外情况导致文件丢失。
3. 文件销毁对于已失效或无用的文件,应及时进行销毁处理。
文件销毁应记录销毁日期、销毁数量及销毁方式等信息。
五、文件传输1. 电子传输对于电子文件的传输,应采用安全可靠的网络,并且要确保传输过程中文件不被篡改或泄露。
2. 纸质传输纸质文件的传输应采取安全可靠的方式,如使用专车或快递,确保文件的完整性和安全性。
文件管理的操作规程文件管理是企业日常运营的基础,它的规范化操作对于提高工作效率和保障信息安全非常重要。
下面是文件管理的操作规程,以便提高企业的文件管理水平。
一、文件管理的原则1. 科学性原则:根据文件管理的基本规范和标准,将文件管理工作进行科学规划和组织,确保文件的有序管理和高效利用。
2. 便捷性原则:建立便捷有效的文件管理流程,减少文件管理时间和工作量,提高工作效率。
3. 保密性原则:严格遵守信息安全相关法律法规,加强文件的保密管理,保护文件的机密性和完整性。
4. 依据性原则:文件的编制、传输、存储等各个环节必须依据相关规章制度和授权程序进行操作,确保文件管理工作的合法性和规范性。
二、文件管理的操作流程1. 文件编制:根据文件的内容和目的,制定文件的名称、编号、格式和版本等要素,并明确文件的编制人、编制日期和编制部门。
采用电子文档必须按照规定格式保存。
2. 文件传输:文件传输可以通过纸质传递和电子传递两种方式进行。
纸质传递时,应制定传递单,并由传递人和接收人签字确认。
电子传递时,应使用加密传输的方式,并记录传输的时间和接收人。
3. 文件存储:文件存储既包括纸质存储,也包括电子存储。
纸质存储时,应按照文件的分类和重要性进行标签和分类存放。
电子存储时,文件应存放在指定的文件夹中,并进行备份和加密保护。
4. 文件检索:通过文件编号或关键词进行检索,快速找到需要的文件。
纸质文件通过文件柜进行存放,电子文件使用文件管理系统进行检索。
5. 文件销毁:根据公司的文件保存期限和规定,及时对过期、失效、废弃的文件进行销毁。
纸质文件应进行碎纸处理,电子文件应进行彻底删除或格式化处理。
三、文件管理的操作规范1. 严格规范文件命名规则,统一使用简洁明确的名称,避免使用特殊字符、空格和中文拼音等。
2. 每份文件应有明确的编号,文件编号应包括机构代码、年份和顺序号,可以按部门、类别进行编制。
3. 文件编制人员要认真填写文件的编制要素,在文件编制完成后及时整理和归档。
文件管理规程一、文件分类文件应根据其内容和用途进行分类,常见的分类方式包括:1、按部门分类:如人力资源部文件、财务部文件、市场部文件等。
2、按业务类型分类:如销售合同文件、采购订单文件、项目策划文件等。
3、按时间分类:如年度报告文件、月度报表文件等。
为了便于管理和查找,分类应明确、清晰,避免出现模糊不清或交叉重叠的情况。
二、文件编号对每一份文件进行唯一的编号,编号规则应具有系统性和逻辑性。
例如,可以采用部门代码+业务类型代码+流水号的方式。
编号的目的是快速准确地识别和定位文件,提高文件检索的效率。
三、文件存储1、选择合适的存储介质,如纸质文件柜、电子存储设备(硬盘、服务器)等。
2、纸质文件应存放在干燥、通风、安全的文件柜中,并按照分类和编号顺序摆放整齐。
3、电子文件应存储在指定的服务器或云存储中,并建立相应的文件夹结构进行分类存储。
同时,要定期对电子存储设备进行备份,防止数据丢失。
四、文件的创建与录入1、文件的创建应遵循相关的格式和规范,包括字体、字号、行距、页边距等。
2、内容应准确、完整、清晰,避免模糊不清或歧义的表述。
3、在录入电子文件时,要确保输入的准确性,并进行必要的格式调整和校对。
五、文件的审核与批准1、文件在正式发布或使用前,必须经过相关人员的审核和批准。
审核的重点包括内容的准确性、合规性、合理性等。
2、审核和批准的流程应明确,责任到人,确保每一个环节都得到有效的执行。
六、文件的借阅与复制1、建立文件借阅登记制度,明确借阅人的姓名、借阅时间、预计归还时间等信息。
2、借阅的文件应妥善保管,不得损坏、丢失或泄露文件内容。
3、如需复制文件,应经过相关授权,并在复制件上注明“副本”字样。
七、文件的销毁1、对于过期、无效或不再需要的文件,应及时进行销毁。
2、销毁文件应遵循相关的规定和流程,采取安全可靠的方式,如粉碎纸质文件、彻底删除电子文件等。
3、销毁文件应记录在案,包括销毁的文件名称、编号、销毁时间、销毁方式等信息。
文件编号规则操作规程
《文件编号规则操作规程》
一、目的
本规程的目的是为了规范文件编号的使用,确保文件管理的顺利进行,提高工作效率。
二、适用范围
本规程适用于公司内部所有文件的编号管理。
三、文件编号规则
1. 文件编号由数字和字母组成,以便于快速识别和检索。
2. 文件编号的格式为“分类代码-年份-编号”,例如:“HR-2022-001”。
3. 分类代码根据文件的内容进行分类,例如:“HR”代表人力资源文件,“FIN”代表财务文件等。
4. 年份为文件创建的年份。
5. 编号为每个分类下的文件逐年递增的序号。
四、文件编号操作规程
1. 文件编号的生成和管理由文件管理人员负责。
2. 每个文件在创建时,应当立即分配编号,并在文件封面、标题或文件夹上标注文件编号。
3. 文件编号不得更改,如有特殊情况需要更改编号,需经过文件管理员和相关领导的批准。
4. 文件编号记录应当保存在电子文档和实体文件两种形式中,以便于备份和查找。
5. 文件编号应当定期进行归档和整理,确保文件编号的连续清晰。
6. 文件编号的使用规则应当通过培训和文件管理手册等方式向员工进行宣传和教育。
五、附则
1. 违反本规程的行为将受到相应的处罚,包括但不限于口头警告、书面警告、停职或开除等。
2. 本规程的解释权归公司文件管理部门所有,如有任何疑问,请及时与文件管理人员联系。
六、生效日期
本规程自发布之日起生效。
文件编号规则操作规程文件编号规则操作规程一、目的和范围文件编号是为了方便管理和查找文件,规范文件流转流程,提高工作效率的重要环节。
本操作规程旨在规范文件编号的使用和管理,确保文件流转的顺利进行。
二、准备1. 文件编号规则:制定文件编号规则,包括编号格式、含义解释等内容。
2. 文件编号系统:建立文件编号系统,包括文号发放机构、文号分配方式等内容。
3. 文件编号字典:建立文件编号字典,记录文件编号及相关信息。
三、文件编号流程1. 申请编号(1)申请者填写文件申请表,包括文件标题、申请人、所属部门等信息。
(2)申请者将文件申请表提交给编号管理人员。
(3)编号管理人员核对申请表信息,并根据文件编号规则进行编号。
2. 发放编号(1)编号管理人员根据申请者的情况进行编号发放。
(2)将文件申请表归档并记录到文件编号字典中,防止重复编号。
3. 文件流转(1)申请者将获得编号的文件提交给相应的部门或人员。
(2)接收人对文件进行处理并签字确认。
(3)接收人将处理后的文件归档并记录到文件编号字典中。
4. 文件查询(1)需要查询文件的人员填写文件查询申请表,包括查询人员、查询文件的相关信息等。
(2)查询申请表提交给编号管理人员。
(3)编号管理人员根据文件查询申请表中的信息进行查询,并将查询结果反馈给申请人。
四、文件编号规则文件编号规则根据实际情况进行制定,以下是一般情况下的文件编号规则。
1. 文件编号由数字和字母组成。
2. 文件编号格式为“部门字母+年份+项目编号”,例如“A20210001”。
3. 部门字母表示文件所属的部门,例如“A”表示行政部门,“F”表示财务部门。
4. 年份表示文件产生的年份,例如“2021”表示2021年。
5. 项目编号表示文件所属的项目,每个项目根据需要分配一个唯一的编号。
五、文件编号管理1. 文件编号系统由编号管理人员负责管理和维护,包括文号发放机构、文号分配方式等。
2. 文件编号字典由编号管理人员负责管理和更新,记录文件编号及相关信息。
文件编号管理制度一、总则为规范文件编号管理,提高文件管理工作的效率和质量,特制定本制度。
二、适用范围本制度适用于全公司的文件管理工作,包括各部门、各岗位。
三、文件编号的定义文件编号是对文件进行标识和管理的重要工具,是对文件进行分类、检索和跟踪的必要条件。
文件编号应当具有唯一性、连续性和便于管理的特点。
四、文件编号的编制原则1. 根据文件的类别进行编号:按照文件类型和用途的不同,对文件进行不同的编号,以便于归档和检索。
2. 按照时间顺序进行编号:对文件按照建立或收文的时间顺序进行编号,以便于跟踪和管理文件流程。
3. 统一标准规范进行编号:制定统一的编号标准和规范,确保编号的唯一性和连续性。
4. 使用便于管理的编号方式:对于大量文件管理工作,可以采用自动生成或快速编制的方式进行编号,提高工作效率。
五、文件编号的管理办法1. 文件编号的编制(1)文件编号由文件管理部门统一进行编制,根据文件的类别和时间顺序,按照统一规范进行编号。
(2)文件编号包括年份、文件类型和顺序号,例如:2022-XX-001,表示2022年的某类文件的第一个文件编号。
(3)对于需要长期保存的文件,可以采用永久编号,以便于长期管理和归档。
2. 文件编号的使用(1)文件编号应当在文件建立或收文时即时进行编制和使用,避免延误或遗漏。
(2)文件编号应当在文件的各个阶段都进行使用,包括起草、审核、批准、传阅等环节。
(3)对于文件的电子版和纸质版,应当采用统一的编号标识,确保信息一致性和完整性。
3. 文件编号的管理(1)文件编号管理应当建立完善的档案登记和管理系统,对文件进行全程跟踪和管理。
(2)文件编号管理应当建立统一的数据库或系统,对文件编号进行统一管理和查询。
(3)文件编号管理应当遵循保密原则,防止泄露和篡改。
4. 文件编号的变更和补充(1)对于已经编制的文件编号,如有需要变更或补充,应当进行统一管理和控制,避免混乱和错误。
(2)对于文件编号的变更和补充,应当经过相关部门的审批和记录,确保信息的准确性和完整性。
文件标准格式、编号管理规程
1、目的:建立公司的文件格式和编码系统,使文件条理化和系统化,以利于识别、查询、控制、跟踪和使用。
2、依据:国家食品药品监督管理局《药品生产质量管理规范(2010年修订)》
3、范围:适用于公司所有GMP文件的编码、标准格式的管理
4、责任:质量管理部负责本规程的制定,各部门负责人根据本规程的要求对每份文件进行编号及文件格式的修订。
5、内容:
5.1 编码要求:
5.1.1 全局性:所有的文件均应有编号及版本号,其形式保持一致,以便于识别、控制及追踪,同时可避免使用或发放过时文件。
5.1.2 系统性:公司内相关部门的文件依照本管理标准,并经质量管理部文件管理人员进行登记,确认后方可使用其文件编号。
5.1.3 准确性:文件与编号一一对应,一旦某一文件终止使用,此文件编号即告作废,并不得再次启用。
5.1.4 可追踪性:根据文件编码系统规定,可随意调出文件,亦可随时查询文件及变更的历史。
5.1.5 稳定性:文件编码系统一旦确定,不得随意变动,应保证系统的稳定性,以防文件管理的混乱。
5.2文件标准格式
5.2.1文件格式要求
5.2.1.1文件标准格式由质量管理部统一下发,各部门起草文件依据此文件执行。
5.2.1.2如无特殊要求,公司文件一律采用A4幅面纸张。
5.2.1.3各种表格、记录根据其所依附文件要求选择用纸。
5.2.2 文件标准格式内容
5.2.2.1 首页
管理规程
5.2.2.2文件名称:文件的全称。
宋体,加粗,小二号字,居中。
5.2.2.3 文件类型及编号方式:
SMP、SOP、STP编号方式:
版本号(版本号自00开始)
编号(编号4位自0001开始)
从属代码(按文件分类列表)
主代码
文件分类代码
管理规程(SMP)类
操作规程(SOP)类
技术标准(STP)类
记录类(SOR):分类及主代码参照STP分类方式,其中确认与验证类记录、报告在《验证方案及报告编制标准操作规程》单独做出规定。
检验记录编号编制方式
版本号(版本号自00开始)
编号(编号4位自0001开始)
记录分类代码
检验种类
主代码
分类代码
批生产记录、辅助记录编号编制方式(除检验记录外)
版本号(版本号自00开始)
编号(编号2位自01开始)
记录分类代码
主代码
分类代码
检验报告单编号编制方式
(1)检验报告编号的组成:检品物料编码、报告年份、报告月份、流水号,即XXXXXX、XXXX、XX-、XXX。
(2)原则:接收年份用四位数表示,如2012;接收月份用两位数表示,如01、12;流水号用四位数表示,如001表示第一个文件,依次类推至999,流水号为月流水号。
例如:2015年7月份检验的第三批赤芍的检验报告单编号为:YL0001201507003。
(3)检品的物料编码见文件《物料编码管理规程》(文件编号:SMP-FM-01015-01)。
5.2.2.4 复制数:文件备档后需下发的份数
5.2.5.5 颁发部门:文件的颁发机构,GMP文件全部由质量管理部颁发。
5.2.5.6 分发部门:文件的接收部门。
5.2.5.7 复印件号:由文件管理员统一管理,由部门代码-复印件排序组成,如:分发生产部三份文件:则复印件号为:02-01/03、02-02/03、02-03/03。
5.2.5.8 生效日期:为批准日期七日之后日期,由文件管理员负责填写。
此七天时间为该文件试行、培训时间。
5.2.5.9 替代文件编号:由文件管理员统一管理。
5.2.5.10 适用范围:写明此文件应用的具体对象。
5.2.5.11 文件发放:由文件管理员按实际情况管理。
5.2.5.12 编制、日期:由该文件主要起草人签字,填写日期。
5.2.5.13 审核、日期:由起草人的部门主管或经理签字,填写审核日期。
GMP文件须经质量管理负责人审核。
5.2.5.14 批准、批准日期:根据文件性质,由公司总经理或质量受权人签字批准,填写批准日期。
GMP文件由质量受权人批准。
5.2.6 页眉和页脚
5.2.
6.1 页眉
5.2.
6.1.1首页页眉见下图
5.2.
6.1.2 其余页眉为文件名称及编号,要求宋体,小四号字,见下图。
5.2.
6.2 页脚
第a页共b页
宋体,小四号,a为页码,b为页数
5.2.
6.3 正文
如无特殊要求,公司文件统一使用小四号(表格内文字可根据表格调整),标准宋体字,标准字体间距,1.5倍行距,首行缩进2字符。
5.2.
6.3.1 目的:说明本文件的作用。
5.2.
6.3.2 依据:制订文件的有效依据
5.2.
6.3.3 范围:说明本文件的适用对象
5.2.
6.3.4 责任:说明本文件的责任部门
5.2.
6.3.5 正文:说明本文件的具体要求。
5.2.
6.4 序号格式
以阿拉伯数字与顿点编号,举例:
5、内容:
5.1.1
5.1.1.1
5.1.1.1.1
……
超过五位时,可用(1)、(2)、(3)……按级排列。
5.2.7批生产记录模板
批生产记录为通用格式
5.2.8批检验记录模板
批检验记录为品种单独使用,在起草记录时将检验产品(物料)名称直接输入在记录中。
变更历史。