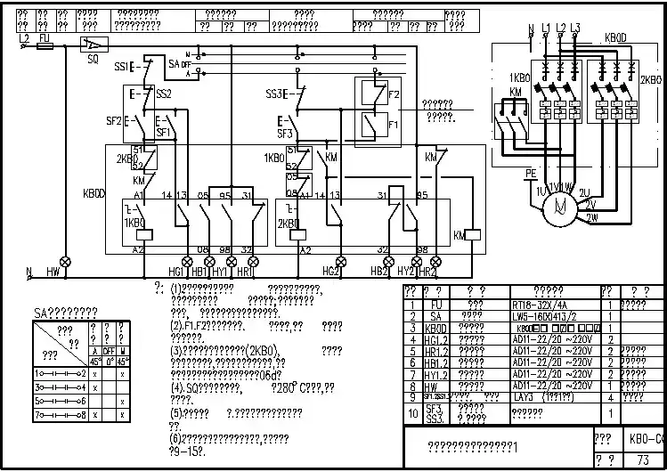
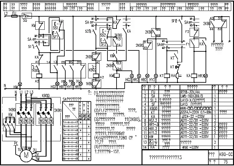
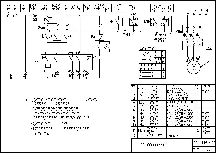
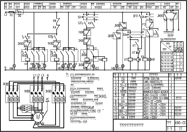
排烟风机电路图(带电动阀)(电施3)
- 格式:pdf
- 大小:32.72 KB
- 文档页数:1
HTF-X系列消音型消防高温排烟专用风机HTF-X系列消音型消防高温排烟风机分为两类:HTF—X1风机外壳不带消声器,进、出口带消音器:HTF—X2风机外壳和进、出风口均带消声器。
风机外壳带消声器可消声3—5分贝;进、出风口各带50mm 消声器,可消声3—8分贝进、出风口各带750mm消声器,可消声5—11分贝;进、出;进、出风口各带1000mm 消声器,可消声器8—14分贝;进、出风口各带2000mm消声器,可消声11-17分贝。
消声器的长度有500mm,75mm,1000mm,2000mm;用户可根据需要自定长度。
九、HTF系列双速消防高温排烟专用风机引出接线图1.HTF系列双速消防风机电机引出线接法.2。
双速风机在试车前,应仔细阅读产品说明书,严格按照接线图所示方法接线。
3。
试车人数不得少于两人,一人控制电源,一人观察风机运转情况,发现有异常现象立即停机检查。
4。
风机开始运转后,应立即检查运转电流是否正常,三相电源是否正常;运转五分钟后,停机检查风机是否有异常现象,确认无异常现象再开机运转。
5.若有不明之处,请来电咨询,不得带疑问操作,以免发生意外。
十、HTF系列消防高温排烟专用风机使用、维护保养1.安装前应认真检查风叶及机壳有否因运输损坏或变形,否则应待修复后方可安装。
2.检查连接螺栓是否松动,风机起动前,首先要检查风机管道内有无防碍转动的物品。
3.检查电机绝缘性能是否良好,接通电源后查看有无磨擦碰撞及异常振动。
4.风机振动产生的原因很多,可从下述方面进行检查:a、叶轮与风筒相磨擦,并发出异常的声响及振动;b、支架底脚螺栓未坚固,亦会出现较大的振动;c、叶轮与轴套的连接螺栓松动;d、支架与电机连接螺栓松动导致叶轮不平衡,轴承损坏而造成剧烈振动。
5.在常温下运转发现电机温升过高,则可能由下列原因造成:a、电机轴承损坏,配合间隙小,不符合要求;b、轴与轴承安装倾斜,两个轴承不同轴;c、电源电压过低或三相电源断相运行.6。