800S22A单级双吸中开离心泵
- 格式:pdf
- 大小:132.12 KB
- 文档页数:2
800S22A高效节能环保中开泵 一、800S22A高效节能环保中开泵概述 800S22A高效节能环保中开泵更新换代的高效节能新产品,其适用范围比SA、SH更加广泛。
它采用国家标准规范设计,其系列化、标准化、通用化程度高,该型泵性能先进、运行平稳、安全可靠,在设计中采用新结构、新材质,可适用多种介质的输送。
800S22A高效节能环保中开泵是S型泵基础上采用耐腐蚀材质及机械密封结构而设计的新产品,用于各类腐蚀介质和油品的输送。
二、800S22A高效节能环保中开泵性能范围: 泵出口直径 100~1200mm 流量 Q: 70~22392m3/h 扬程 H: 8~150m 工作温度 T: -20℃~200℃ 固体颗粒 ≤80mg/L 工作许用压力 ≤4Mpa 也可以根据用户要求设计性能参数。
三、800S22A高效节能环保中开泵型号意义 例500SF35A 500—泵的吸入口径(mm ) SF—单级双吸,耐腐蚀中开离心泵 35—设计点扬程(m)。
A—叶轮第一次切割。
四、800S22A高效节能环保中开泵结构说明 ﹒S型泵的吸入口与吐出口均在水泵轴心线的下方,与轴线垂直成水平方向。
检修时无需拆卸进出口水管及电动机。
从传动方向看去,水泵为顺时针方向旋转(根据用户需要亦可改为逆时针方向旋转)。
﹒泵的主要零件有;泵体、泵盖、叶轮、轴、双吸密封环、轴套等。
除轴的材料为优质碳钢外,其余主零件由铸铁、铸钢、不锈钢制成。
﹒泵体与泵盖构成叶轮的工作室,在进出法兰上,装有安装真空表和压力表的管螺孔。
进出水法兰的下部,装有放水的管螺纹孔。
﹒经过静平衡检验的叶轮,用轴套和两边的轴套螺母固定在轴上,其轴向位置可通过轴套螺母进行调整。
叶轮的轴向力利用其叶片对称布置、两面进水达到平衡。
﹒泵轴承为向心球轴承。
轴承装在轴承体内、安装在泵体两端,用黄油润滑。
﹒双吸密封环用以减少水泵压力室的水漏回吸水室。
﹒泵通过弹性联轴器由电动机直接传动,必要时亦可用内燃机传动。
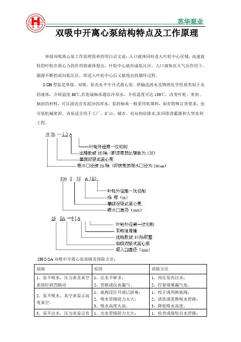
双吸中开离心泵结构特点及工作原理单级双吸离心泵工作原理简单的用白话文说:入口液体同时进入叶轮中心区域,高速旋转的叶轮在离心力的作用将液体甩出,叶轮中心就形成低压区,入口液体在大气压作用下,源源不断的流向低压区,即进入叶轮中心后又被甩出的循环过程。
S/SH型泵是单级、双吸、泵壳水平中开式离心泵。
供输送清水及物理化学性质类似于水的液体,介质温度80℃,若连端轴承通以冷却水,介质温度可达130℃,改变叶轮、密封、轴封的材料,可以汲送含有泥沙的浑水,泵的轴承一般采用软填料,如有特殊订货要求,也可装机械密封。
该泵适合用于工厂、矿山、城市、电站的给排水,农田排涝灌溉和大型水利工程。
SH/S/SA双吸中开离心泵故障及排除方法:故障原因消除方法1、泵不吸水,压力表及真空表指针剧烈跳动1、注水不够多;2、管路或仪表漏气。
1、再往泵内注水;2、拧紧堵塞漏气处。
2、泵不吸水,真空表显示高度真空。
1、底阀没打开或已淤塞;2、吸水管路阻力太大;3、吸水高度太高。
1、校正或列换底阀;2、清洗或更换吸水管路;3、降低吸水高度。
3、泵不出水,压力表显示有1、出水管路阻力太大;1、检查或缩短出水管路;压力。
2、旋转方向不对;3、叶轮堵塞;4、转速不够。
2、纠正电动机旋转方向;3、清洗叶轮;4、提高转速。
4、流量不足或扬程太低。
1、叶轮或进出水管路阻塞;2、双吸密封环磨损过多或叶轮损坏;3、转速低于规定值;1、清洗叶轮或管路;2、更换损坏的零件;3、调正至额定转速;5、泵消耗的功率过大。
1、填料压得太紧;2、叶轮与双吸密封环磨擦;3、流量过大;1、拧松填料压盖;2、检查原因,消除机械摩擦;3、调节出水闸阀,使之在规定范围内运转;6、泵内部声音反常,泵不上水。
1、吸水管阻力太大;或吸水高度过高;2、吸水处有空气吸入;3、所输送液体温度过高;4、流量过大而发生汽蚀现象。
1、清理进水管及底阀;降低吸水高度;2、检查底阀;降低吸水高度,堵塞漏气处;3、调节液体温度;4、调节出水闸阀,使之在规定范转内运转。
500S22A高效节能环保中开泵 一、500S22A高效节能环保中开泵概述 500S22A高效节能环保中开泵更新换代的高效节能新产品,其适用范围比SA、SH更加广泛。
它采用国家标准规范设计,其系列化、标准化、通用化程度高,该型泵性能先进、运行平稳、安全可靠,在设计中采用新结构、新材质,可适用多种介质的输送。
500S22A高效节能环保中开泵是S型泵基础上采用耐腐蚀材质及机械密封结构而设计的新产品,用于各类腐蚀介质和油品的输送。
二、500S22A高效节能环保中开泵性能范围: 泵出口直径 100~1200mm 流量 Q: 70~22392m3/h 扬程 H: 8~150m 工作温度 T: -20℃~200℃ 固体颗粒 ≤80mg/L 工作许用压力 ≤4Mpa 也可以根据用户要求设计性能参数。
三、500S22A高效节能环保中开泵型号意义 例500SF35A 500—泵的吸入口径(mm ) SF—单级双吸,耐腐蚀中开离心泵 35—设计点扬程(m)。
A—叶轮第一次切割。
四、500S22A高效节能环保中开泵结构说明 ﹒S型泵的吸入口与吐出口均在水泵轴心线的下方,与轴线垂直成水平方向。
检修时无需拆卸进出口水管及电动机。
从传动方向看去,水泵为顺时针方向旋转(根据用户需要亦可改为逆时针方向旋转)。
﹒泵的主要零件有;泵体、泵盖、叶轮、轴、双吸密封环、轴套等。
除轴的材料为优质碳钢外,其余主零件由铸铁、铸钢、不锈钢制成。
﹒泵体与泵盖构成叶轮的工作室,在进出法兰上,装有安装真空表和压力表的管螺孔。
进出水法兰的下部,装有放水的管螺纹孔。
﹒经过静平衡检验的叶轮,用轴套和两边的轴套螺母固定在轴上,其轴向位置可通过轴套螺母进行调整。
叶轮的轴向力利用其叶片对称布置、两面进水达到平衡。
﹒泵轴承为向心球轴承。
轴承装在轴承体内、安装在泵体两端,用黄油润滑。
﹒双吸密封环用以减少水泵压力室的水漏回吸水室。
﹒泵通过弹性联轴器由电动机直接传动,必要时亦可用内燃机传动。
单级双吸离心泵参数引言:单级双吸离心泵是一种广泛应用于工业、建筑、农田灌溉、城市供排水等领域的常用泵类。
它具有结构简单、可靠性高、运行平稳、流量大等特点,被广泛应用于各种工况下的液体输送。
本文将详细介绍单级双吸离心泵的参数,包括流量、扬程、效率、转速等方面的内容,以帮助读者更好地理解和选择单级双吸离心泵。
一、流量参数流量是指单位时间内通过泵的液体体积。
单级双吸离心泵的流量参数通常以立方米每小时(m³/h)或立方米每秒(m³/s)为单位进行表示。
根据工况需求和泵的规格,流量范围可以从几十立方米每小时到几千立方米每小时不等,满足不同场合下的液体输送要求。
二、扬程参数扬程是指液体从进口到出口的压头差,也可以理解为液体输送所需的能量。
单级双吸离心泵的扬程参数通常以米(m)为单位进行表示。
根据泵的规格和设计,扬程范围可以从几米到几十米不等,适用于不同场合下的输送高度。
三、效率参数效率是指泵的机械能与输入能量之间的比率。
单级双吸离心泵的效率参数通常以百分比(%)表示,表示泵输送液体的效率。
高效率的泵可以将更多的能量转化为液体的压力,提高泵的使用效果。
四、转速参数转速是指泵的旋转速度,通常以每分钟转数(rpm)为单位进行表示。
单级双吸离心泵的转速参数可以从几百rpm到几千rpm不等。
不同的泵规格和工况需求会有不同的转速要求,转速可以影响泵的流量、扬程和效率等参数。
五、材质参数单级双吸离心泵的材质参数是指泵的主要构件采用的材料。
常见的材质包括铸铁、不锈钢、镍铜合金等。
不同的材质可以适应不同的液体输送要求,提供更长的使用寿命和更好的耐腐蚀性能。
六、电机功率参数电机功率是指驱动泵运转所需的电能。
单级双吸离心泵的电机功率参数通常以千瓦(kW)为单位进行表示。
电机功率与泵的流量、扬程和效率等参数相关,通常根据泵的工况要求和泵的效率选择合适的电机功率。
七、安装尺寸参数安装尺寸是指单级双吸离心泵的外形尺寸和连接尺寸。
【S、SH型中开式单级双吸离心泵】产品:【S、SH型中开式单级双吸离心泵】产品简介:S、SH型中开式单级双吸离心泵,(简称:S、SH型中开泵),系属新型单级双吸卧式中开离心泵类产品。
该泵具有高效节能、应用范围广、轴向力平衡、寿命长、中开式结构、维修方便、快捷。
S、SH型中开式单级双吸离心泵适合输送各种清洁或带有微量颗粒的中性或弱腐蚀性液体。
中开泵适用于自来水厂、灌溉、排水泵站、电站、工业供水系统、空调系统、消防系统、船舶工业、亦适合炼油工业中作一般性用途。
【S、SH型中开式单级双吸离心泵】型号意义:【S、SH型中开式单级双吸离心泵】性能范围:泵进口直径DN: 100∽1400mm流量Q: 最高1800m3/h扬程H: 最高135m工作压力P: 最高2.5MPa工作温度T: 最高135°C【S、SH型中开式单级双吸离心泵】产品特点:S型中开泵与其它同类型的泵相比较具有寿命长、效率高、结构合理,运行成本低、安装及维修方便等特点,是消防、空调、化工、水处理及其它行业的理想用泵。
泵体的设计压力为1.6MPa和2.OMPa。
为满足世界范围用户的不同要求,相应的泵体进出口法兰可按ANSI、PN及IS等标准选取。
泵体的进出口法兰均位于下泵体,这样可以在不拆卸系统管路的情况下取出转子,维修方便部分泵体采用双流道设计,以减少径向力,从而延长机封和轴承的寿命。
叶轮叶轮的水力设计采用了最先进的CFD技术,因此提高了S泵的水力效率。
对叶轮进行动平衡,确保S泵的运行平稳。
轴轴径较粗,轴承间距较短,从而减小了轴的挠度,延长了机械密封和轴承的寿命。
轴套可以采用多种不同的材料,以防止轴被腐蚀和磨损,轴套可更换。
磨损环泵体与叶轮间采用可更换的磨损环,防止泵体和叶轮的磨损,更换方便,维修费用低,同时保证运行间隙和较高的工作效率。
既可以使用填料也可以使用机械密封,可以在不拆卸泵盖的情况下更换密封装置。
轴承独特的轴承体设计使轴承可采用油脂或稀油润滑,轴承的设计寿命10万小时以上,也可使用双列推力轴承和封闭轴承。
上海沈泉泵阀制造有限公司是集研究、开发、生产、销售和服务为一体的泵阀生产企业。
产品涉及工矿企业、农业、城市供水、石油化工、电站、船舶、冶金、高层建筑、消防供水、工业水处理和纯净水、食品、制药、锅炉、空调循环系统等行业领域。
一、概述离心泵是一种常见的流体传输设备,广泛应用于农业、工业、建筑等领域。
单级单吸离心泵是其中一种常见的型号,简单易用,适用于输送清洁、低温、高温、腐蚀性、含有固体杂质或纤维状物料的液体。
本文将介绍常见的单级单吸离心泵型号及参数,供读者参考选择。
二、常见型号及参数1. IS型单级单吸离心泵IS型单级单吸离心泵是我国标准型离心泵之一,有IS50-32-125、IS65-50-125、IS80-65-160等多个型号可供选择。
其中,IS50-32-125代表进口口径为50mm,出口口径为32mm,叶轮直径为125mm的IS型泵。
主要参数如下:流量:6.3-400m³/h扬程:5-125m转速:2900r/min或1450r/min功率:0.55-110kW2. IRG型热水循环泵IRG型热水循环泵是专门用于热水循环系统的泵,适用于输送温度在不超过120℃的热水,其主要参数如下:流量:2.5-400m³/h扬程:15-125m转速:2900r/min或1450r/min功率:0.37-90kW3. IHG型化工泵IHG型化工泵是一种化学流体输送泵,适用于输送腐蚀性液体,如酸、碱、盐水等。
其主要参数如下:流量:2.5-400m³/h扬程:15-125m转速:2900r/min或1450r/min功率:0.37-90kW4.ISW卧式管道离心泵ISW卧式管道离心泵是一种供输送清水及物理化学性质类似于清水的其他液体之用,适用于工业和城市给排水,高层建筑增压送水,园林喷灌,消防增压,远距离输送,暖通制冷循环、浴室等冷暖水循环增压及设备配套,使用温度T≤80℃。
主要参数如下:流量:1.1-1450(m3/h)扬程:7-150(m)转速:2900r/min或1450r/min功率:0.75-250(KW)5. IH型化工泵IH型化工泵是一种特殊用途的流体输送泵,适用于输送含有固体颗粒、腐蚀性液体、高温液体等。
1 引言众所周知,泵在世界范围内得到非常广泛的应用,它涉及到国民生产的各个领域。
可以这样说,只要有液体流动的地方就会有泵的出现。
在农业生产过程中,泵是主要的灌溉机械。
我国的农村每年都需要大量的泵,据不完全统计,在我国,农业用泵占到泵总产量的一半以上。
在电力部门当中,火力发电站需要大量的锅炉给水泵、循环水泵、灰渣泵、和冷凝水泵,核电站不仅有核主泵,还有二级泵、三级泵等。
在国防工业当中,飞机的机翼、座舱和起落架的调节、各种步战车炮塔的转动、潜艇的上升和下潜等都需要用到泵。
化学化工行业中,很多的原材料、成品都是液体,将原材料料制成品,都需要经过十分复杂繁复的工艺过程,泵在这些生产加工过程当中起到了输送液体与提供化学反应的压力流的作用。
总之,无论是在航天飞机、大炮、火箭还是钻采矿、火车、汽车,或者是日常的生活当中,到处都需要用到泵,到处都有泵在运行。
泵作为一种通用机械,它是机械工业中的一类非常重要的产品。
泵的种类繁多,按照泵的工作原理可以非为三类:一、叶片式泵叶片式泵又叫动力式泵,这种泵是通过高速旋转的叶片将能量传递给液体,使液体的能量增加,从而达到输送液体的目的。
叶片式泵又分为离心泵、混流泵、和轴流泵。
二、容积式泵容积式泵是通过密闭的,充满液体的工作强溶剂的周期变化,非连续的给液体施加能量,从而达到输送液体的目的。
容积式泵按工作腔变化方式有份为往复式泵和回转式泵。
三、其他类型其他类型的泵的工作原理各异,有射流泵、气升泵、螺旋泵、水锤泵等。
螺旋泵利用的是螺旋推进原理来提高液体的位能,其余几种泵,都是通过液体本身来传递能量,从而达到输送液体的目的的。
离心泵是各种类型的泵当中用量最大的一种泵。
离心泵的结构紧凑、流量与扬程的范围比较宽;适用于腐蚀性较低的液体;流量比较均匀、稳定性良好、振动比较小,不需要加装特殊的减震装置;设备安装和维护检修费用比较低。
离心泵的主要部件有叶轮、泵壳、密封机构、轴与轴承。
叶轮式泵的最为主要的部件,动力机要依靠叶轮将能量传递给液体。
单级双吸中开泵
s,sh单级双吸离心泵是卧式中开泵,用于输送水或其他液体的理化性质类似于水,根据用户需要,通过改变结构和材料可以是用于输送水或各种类型的泵多淤泥腐蚀性液体,该系列泵用于工厂,矿山,城市给排水,发电厂,农业灌溉和各种水利项目。
许用工作压力为2.5mpa;即泵入口压力+泵扬程≤2.5mpa。
根据泵壳承受的最大压力,泵体和泵盖材质采用灰口铸(1.6mpa)。
什么是中开泵,中开泵的工作原理是什么介质:温度≤105℃的清水或物理化学性质类似清水的其它液体(固体颗粒80mg/l)。
中开泵使用注意事项: 1、采用油脂润滑的封闭式滚动轴承,维护简单,运行时间长。
2、配备恒定油位的油杯,也可用稀油润滑。
3、中开泵选用进口(skf、nsk、ntn)高质量轴承,运行平稳,澡音低,使用寿命长。
结构紧凑、稳定性好。
该型泵为泵壳中开结构,进出口均在泵体上,检修时只需吊出泵盖,转子部件便可移出进行检修作业,而不需拆卸管路,十分方便。
根据需要电动机(驱动机)可以在左端也可在右端,方便现场安装。
结构上缩短转子部件轴向尺寸,轴的钢性更好,运行更稳定可靠。
设有泵体字符封环,而叶轮密封环为可选用件。
密封环磨损后可以更换,减少了运行维护费用。
单级双吸离心泵操作规范流程(1)启动前的准备工作①检查轴承箱内润滑油脂,加注太多反而因搅拌而发热。
若润滑油不足时应予补足。
②检查地脚螺栓等固定连接件有无松动,电机接地是否良好。
③盘泵,检查泵轴是否转动灵活,有无零部件相互摩擦的声响。
④打开泵壳和吸入管路高点的放气阀,利用吸入罐液位静水压力自流灌泵,或用真空泵引油灌泵,确认泵壳和吸入管路中没有气体后关闭放气阀。
⑤关闭泵的出口阀门,准备启动。
(2)启动启动电机,待排出管路上的压力表达到额定值并稳定后慢慢打开泵的出口阀,调整到所需工况。
泵的空转时间不宜太长,“以免密封环干摩擦生热,—般以不超过1~2min 为宜。
(3)运行离心泵稳定运行后要随时观察泵的真空表、压力表和电气系统的电流表,如果出现异常应及时对其原因作出判断,并采取相应措施。
如不见效,应停泵做进一步检查。
同时,要注意观测轴封的泄漏情况,监听运转是否平稳,有无不正常的声音。
(4)泵的切换其操作步骤是,按泵的启动方法启动备用泵,缓慢打开备用泵出口阀,并保持短时间两台泵并联运行,待运转平稳后缓慢关闭第一台泵的出口阀,然后停泵。
泵的切换操作中,阀门的开启或关闭都不能太快,以免引起水击。
(5)停泵先缓慢关闭出口阀,然后切断电源,再关闭进口阀;待泵体温度下降到室温后,关闭冷却水和封液阀门;最后做好运行记录。
离心泵操作规程1、启机前准备工作:检查离心泵和电机是否完好备用,轴承润滑油脂是否合乎要求,油盒油位是否合适,各部位的螺丝是否松动、缺少,盘泵3-5圈,看转动是否灵活自如,泵内有无杂音,检查联轴器有无偏磨,是否紧固。
2、启机前检查各阀门:泵进口阀门是否全部打开,平衡管阀门、平衡管压力阀门是否打开,将泵轴承、盘根盒的冷却水阀门打开,并控制好流量,检查泵出口阀门是否关闭,泵回流阀门是否关闭,打开泵出口放空阀门,将泵内空气放净,随后立即关闭。
3、启动操作:1)启动前泵工、电工(高压离心泵)必须联系配合好,并让其他人员注意安全,以免发生危险。
双吸单级中开泵(离心泵)检修作业指导书攀钢(集团)矿业公司动力厂2017年3月目录1 总则 (3)1。
1 适用范围 (3)1.2 结构简述 (3)1.3 技术性能 (3)2完好标准 (3)2.1 零、部件 (3)2.2 运行性能 (3)2。
3 技术资料 (3)2.4 设备及环境 (4)3 设备的维护 (4)3。
1 日常维护 (4)3.2 定期检查内容 (4)3。
3常见故障处理方法 (5)3.4 紧急情况停车 (6)4 检修周期和检修内容 (6)4.1 检修周期 (6)4.2 检修内容 (6)5 检修作业程序 (7)5.1检修作业网络图 (7)5。
2 修前准备 (8)5.3 泵的解体 (8)5.4 各零部件清理检查 (8)5。
5 各零部件测量 (9)5。
6 各零部件检修 (9)5.7 泵的回装 (9)5.8 调整找正 (10)6 试车与验收 (10)6.1 试车前的准备工作 (10)6.2 试车 (10)6。
3 验收 (11)7 维护检修安全注意事项 (11)7.1 维护安全注意事项 (11)7.2 检修安全注意事项 (11)7.3 试车安全注意事项 (11)1 总则1。
1 适用范围本作业指导书适用于动力厂使用的双吸单级中开离心泵的维护和检修。
泵主要用于给水和输送不含颗粒性物质和杂质、物理化学性质与水类似的液体。
1.2 结构简述泵为卧式安装,泵壳于轴心线水平中开,上部为泵盖,下部为泵体,吸入口和吐出口均在泵轴线下方的泵体上,其中心线与轴线垂直,检修时不需拆卸进、出水管路和电动机即可揭开泵盖,取出转子部件进行检修。
轴封采用填料密封或机械密封。
1。
3 技术性能设备主要技术性能见表1。
2完好标准2。
1 零、部件2.1。
1 泵本体及各零、部件完整齐全。
2。
1。
2 各部连接螺拴齐全,连接紧固,无锈蚀.2.1。
3 安全防护装置齐全、稳固。
2。
1。
4 压力表、电流表等仪表齐全、灵敏,量程符合规定并定期校验。
2。
泵型号国标规格
泵的型号和规格因使用场合和需要不同而有多种,以下是一些常见的泵型号及其参数:1.BA型泵:单级单吸悬臂式离心泵,流量为4.5~360m³/h,扬程为8~98米,
介质温度在80℃以下。
例如,8BA--18A中,8代表吸入管接头为8英寸,BA代表单级单吸悬臂式离心泵,18代表缩小1/10后化为整数的比转数,A代表缩小了外径的叶轮。
2.SH型泵:单级双吸泵壳水平中开的卧式离心泵,流量为102~12500m³/h,
扬程为9~140米,介质温度小于80℃。
例如,48SH-22中,48代表吸入管接头为48英寸,即入口直径为1.2米,SH代表单级双吸泵壳水平中开的卧式离心泵,22代表缩小了1/10后化为整数的比转数,即ns≈220。
3.DA型泵:单吸多级分段式离心泵,流量为25~350m³/h,扬程为25~550
米。
此外,国标潜水泵也有多种规格型号,如WQ为国标潜水泵型号代号,D表示剪切式潜水泵,10表示进口直径为50mm,8表示出口直径为32mm,0.55表示轴功率为0.55kW。
在选择泵时,需要考虑使用场合、流量、扬程、介质温度、液体性质等因素。
同时,应遵循相应的国家标准,如《潜水排污泵》(GB/T 26698-2011)等。
以上信息仅供参考,如需更多关于泵型号和规格的信息,建议咨询泵的生产商或供应商,或查阅相关的专业书籍。
200S42A 单级双吸离心泵200S42A200 ——泵进口直径为200mmS ——卧式单级双吸清水离心泵42 ——泵设计点扬程78mA ——叶轮外径切割代号I——代表叶轮外径加大G ——代表更改叶轮设计参数:泵型号流量扬程转速轴功率配套功率效率汽蚀(m3/h)(l/s)(m)(r/min)(kw)(kw)(%)(m)200S42A 270 75 36 2980 33.1 37 80 5.4工作条件:转速:370~2970 r/min 流量:135~38000m3/h (设计点)扬程:12~205m(设计点)介质温度:≤80℃(标配泵);≤150℃(轴承和机械密封增加冷却,泵壳材料采用QT500-7)允许进口压力:≤0.3Mpa(标配泵);≤0.6MPa(泵壳材料采用QT500-7)旋转方向:从驱动端看,订货时可选择顺时针或逆时针方向旋转。
简介:概述:“S”系列型泵为单级、双吸水平中开式离心清水泵。
“S”系列型泵是高效节能产品,具有结构简单,性能优良的特点。
适应于城市、电站、水利工程等排给水用泵,亦可用于农田排灌。
供输送不含固体颗粒的清水或物理、化学性质类似于水的其它液体,被输送液体温度为0℃~80℃。
允许最大进口压力为0.6MPa。
参数范围:流量Q 88~1400m3/h 扬程H 12~100m 型号说明: 6×14SD 6—吐出口径(英寸) 14—圆整的最大叶轮外径(英寸) S—单级双吸水平中开式离心泵 D—最大叶轮外径档次代号(有A、B、C、D、E、F共六档)结构型式:“S”系列型泵为卧式安装,吸入口和吐出口均在泵轴中心线下方,泵体水平中开,检修时不需拆卸进水和出水管路。
轴封为软填料密封;亦可改为机械密封。
旋转方向:从电动机端看,“S”系列型泵逆时针方向旋转,此时吸入口在左,吐出口在右,泵顺时针方向旋转,此时吸入口在右,吐出口在左。
主要零件材质:泵的过流部件材质均为铸铁。
成套范围:成套供应泵、电动机、底板、联轴器、进出口短管等。
500S22A 单级双吸离心泵500S22A500 ——泵进口直径为500mmS ——卧式单级双吸清水离心泵22 ——泵设计点扬程A ——叶轮外径切割代号I——代表叶轮外径加大G ——代表更改叶轮设计参数:泵型号流量扬程转速轴功率配套功率效率汽蚀(m3/h)(l/s)(m)(r/min)(kw)(kw)(%)(m)500S22A 1746 485 17 980 101 132 80 5工作条件:转速:370~2970 r/min 流量:135~38000m3/h (设计点)扬程:12~205m(设计点)介质温度:≤80℃(标配泵);≤150℃(轴承和机械密封增加冷却,泵壳材料采用QT500-7)允许进口压力:≤0.3Mpa(标配泵);≤0.6MPa(泵壳材料采用QT500-7)旋转方向:从驱动端看,订货时可选择顺时针或逆时针方向旋转。
简介:概述:“S”系列型泵为单级、双吸水平中开式离心清水泵。
“S”系列型泵是高效节能产品,具有结构简单,性能优良的特点。
适应于城市、电站、水利工程等排给水用泵,亦可用于农田排灌。
供输送不含固体颗粒的清水或物理、化学性质类似于水的其它液体,被输送液体温度为0℃~80℃。
允许最大进口压力为0.6MPa。
参数范围:流量Q 88~1400m3/h 扬程H 12~100m 型号说明: 6×14SD 6—吐出口径(英寸) 14—圆整的最大叶轮外径(英寸) S—单级双吸水平中开式离心泵 D—最大叶轮外径档次代号(有A、B、C、D、E、F共六档)结构型式:“S”系列型泵为卧式安装,吸入口和吐出口均在泵轴中心线下方,泵体水平中开,检修时不需拆卸进水和出水管路。
轴封为软填料密封;亦可改为机械密封。
旋转方向:从电动机端看,“S”系列型泵逆时针方向旋转,此时吸入口在左,吐出口在右,泵顺时针方向旋转,此时吸入口在右,吐出口在左。
主要零件材质:泵的过流部件材质均为铸铁。
成套范围:成套供应泵、电动机、底板、联轴器、进出口短管等。
单吸泵和双吸泵的区别 Document number:NOCG-YUNOO-BUYTT-UU986-1986UT一、单吸泵单吸泵水平轴向吸入,向上径向吐出。
泵为悬架式结构,检修时不需拆卸进、出口管路,即可退出转子部件进行检修。
泵是通过普通弹性联轴器或加长弹性联轴器与电动机联结,泵的轴封采用软填料密封。
轴承为单列向心球轴承,采用润滑油润滑。
从电机端看,泵为顺时针方向旋转。
工作原理当单吸泵启动后,泵轴带动叶轮一起作高速旋转运动,迫使预先充灌在叶片间液体旋转,在惯性离心力的作用下,液体自叶轮中心向外周作径向运动。
液体在流经叶轮的运动过程获得了能量,静压能增高,流速增大。
当液体离开叶轮进入泵壳后,由于壳内流道逐渐扩大而减速,部分动能转化为静压能,最后沿切向流入排出管路。
所以蜗形泵壳不仅是汇集由叶轮流出液体的部件,而且又是一个转能装置。
当液体自叶轮中心甩向外周的同时,叶轮中心形成低压区,在贮槽液面与叶轮中心总势能差的作用下,致使液体被吸进叶轮中心。
依靠叶轮的不断运转,液体便连续地被吸入和排出。
液体在离心泵中获得的机械能量最终表现为静压能的提高。
二、双吸泵双吸泵作为离心泵的一种重要形式,因其具有扬程高、流量大等特点,在工程中得到广泛应用。
这种泵型的叶轮实际上由两个背靠背的叶轮组合而成,从叶轮流出的水流汇入一个蜗壳中。
双吸泵具有如下一些特点:它相当于两个相同直径的单吸叶轮同时工作,在同样的叶轮外径下流量可增大一倍;泵壳水平中开,检查和维修方便,同时,双吸泵进出口在同一方向上且垂直于泵轴,利于泵和进出水管的布置与安装;双吸泵的叶轮结构对称,没有轴向力,运行较平稳。
在我国黄河沿线地区提灌泵站流量较大、扬程都较高,大多采用双吸离心泵。
三、单吸泵与双吸泵的区别解释一:我们先对它做一个介绍,有很多朋友都不了解什么是双吸离心泵,当我们在购买前进行相对的了解是非常有必要的,所以我们还是需要了解一些基础知识的。
由于双吸离心泵的吸入口和排出口均在泵轴心线下方,叶轮相当于两个相同大小的单吸叶轮组合在一起工作,在和单级离心泵叶轮一样大小直径的情况下流量可以翻一倍;这就是为什么叫双吸离心泵的原因。
Inosculating innovative technologies, interpreting the art of fluid![P R O D U C T C A T A L O G 2009]S SERIES SINGLE-STAGE DOUBLE-SUCTION HORIZONTAL SPLIT CENTRIFUGAL PUMP业务手机1381727422615201996575S Type pump figure dimension tableS Type double-suction centrifugal pump installation dimension drawing(with foundation)24S Type pump with y type motor installation dimension table(with foundation)25S Type double-suction centrifugal pump installation dimension drawing(without foundation)27S Type pump spare parts table39Ŀ¼CONTENTS112258133719S Type pump performance dataS Type pump performance curveS Type pump figure dimension drawing201Both pump casing and cover form the worki ng chamber of the impeller and there are threaded holes for mounting vacuum and pressure meters on the flanges at both inlet and outlet and for water draining on the lower side of them.The impeller is static-balance calibrated, fixed with the m-uff and the muff nuts in both sides and its axial position can be adjusted via the nuts and axial force gets balanced by means of the symmetrical arrangement of its blades, there may be residual axial force which is borne by the bearing at the axle end.The pump shaft is supported by two single-column centripe-tal ball bearings, which are mounted inside of the bearing body on both ends of the pump and lubricated with grease. The dual-suction seal ring is used to reduce the leak at the impeller.Both inlet and outlet of this pump are placed under the axial line, horizontally and vertical to the axial line, the pump casing is opened in the middle so it is unneccessary to remove the water inlet and outlet pipelines and motor(or other prime movers). The pump moves CW viewing from the clutch to it. The pump moving CCW can also be made, but it should be specially noted at order. The main parts of the pump are: pump casing(1), pump cover (2), impeller (3), shaft(4), dual-suction seal ring(5), muff(6), be-aring(15) etc.and all of them, except the axle which is made of quality carbon steel, are made of cast iron. The material may be replaced with others upon different media.()(1)(2)(3)(4)(5)(6)(15)So 80CGB/T3216GB/T5657Model S pump is a single-stage double-suction horizontal split centrifugal pump and used to transport pure water and the liquid of both physical and chemical nature similar to those of water, the maximum temperature of which must not be over 80,suitable for water supply and drainage in factories, mines, cities and electric stations, waterlogged land drainage and irrigation of farming land and carious hydraulic projects.This series pump comply with the standards of GB/T3216and GB/T5657.150 S 78 AOuter diameter of impeller via first cut78Head: 78mDual-suction centrifugal pump 150Pump's inlet diameter:150mm1Check both pump and motor to see if any damages with th- em.2The installat ion height f the pump plus the hydraulic loss of the suck-in pipeline and its speed energy is just the NPSHa of the unit, which should bigger than NPSHr. The dimensions of the basis should be in line with those of in- stallation of the pump unit. 3. Installation sequences:The pump is driven directly by means of connecting to it via an elastic clutch. (Set up a stand additionally in case of a rubber band driving).The shaft seal is packing seal and, to cool and lubricate the seal cavity and prevent air from getting into the pump, there is a packing ring between the packing. A small volume of high-pressure water flows into the packing cavity via the tapered beard during the pump's working to act as a water seal.1 21. Assembly of the rotor's parts: in turn mount the impeller, muff, muff nut, packing sleeve, packing ring, packing gland, mechanical seal, mechanical seal bland, water retai ning r- i ng and bearing on the pump shaft, put on the dual-suction seal ring and then the clutch.2. Check the outer circles of the impeller's seal and the muff on the rotor separately, the radial jumping of which should not be over the settings in the table below.34()3Mount the rotor on the pump casing and adjust the impeller to have its axial position in the middle of the dual-suction seal ring in both sides and then fixed, then fix the gland of the b- earing's body with the fixing screws.4Put on the packing(in case of a packing seal), the paper pad on the middle opened face and the pump cover and tighten the threaded-tail conical pin first and then cover's nut. Mo- unt the packing gland, but do not press the packing too tig- htly, otherwise the muff may get heated to leave a bigger power consumption; while not too loose, or a big leak of liquid and reduced pump efficiency may re sult in. If me- chanical seal is used, adjust compress capacity of mecha- nical seal to ensure no leak with it.After a sse mbl y, move the pump shaft with hand, it should be smooth and uniform without touch. Disassembly can be m- ade with the steps contrary to above ones.12 NPSHaNPSHaNPSHr 31. Start and stop(1) Before starting, move the rotor of the pump, which should be felt light, smooth and uniform.(2) Close the water outlet valve, prime water into the pump (le- ad water by extracting with a vacuum pump in case of no foot valve). Ensure the pump full of water and no air ne- sted inside of it.(1) (2)(3) (4) 0.10.3()(5) 4 5 6 7(20)(1) Place the pump on the concrete basis with built-in foot bolts, correct the levelness with the method adjusting the wedge cushi on block an d properly tighten the bolts to prevent them from displacement.(2) Grout concret e between the basis and the pump foot.(3) After the concrete gets solidified, tighten the foot bolts and check the pump's levelness again.(4) Correct the concentricity between the axles of both pump and motor to have them in a straight line. The allowed tol- erance of the non-concentricity of the outer circles of two clutches is 0.1mm and the one of the non-uniform end-face intervals along with the circumference is 0.3mm(another cor rection of which after both water inlet and outlet pipe- lines are connected and a trial movement, the above requ- irements should also be met with).(5) After finding out the rotating direction of the motor is ide- ntical to that of the pump, mount the link pin of the clutch.4Both water inlet and outlet pipelines should be supported by a separate stand and not by the pump body.5 A good air tightness of the combined face between both p- ump and pipeline should be kept, especially the inlet pipel- ine, it must be guaranteed without air leak and without the poss ibility for air to be nested on the unit.6In general, a foot valve can be mounted if the pump is mo- unted above the water level of the water inlet so as to start the pump with priming, it can also use the way of vacuum pu- mp water leading.7In general gate valve and check valve are required to be m- ounted in the water outlet pipeline of the pump(unnecessary for those of a head less than 20m), with the check valve mounted after the gate valve.The above ways of installation mean the pump without a common foundation.For the pump with a common foundation, use the wedge-iron-pad between both foundation and concrete to correct the levelness of the unit, then grout concrete between them. The installation principle and requirements are the same as those for the pump without a common foundation.(1)(2)(),(3) First close the plug of a vacuum or pressure meter, if so m- ounted on the pump, connected to the pump before starting the motor and then open it when the motor move in the nor- mal speed; next, gradually open the water outlet gate va- lve and make it smaller in case of a large flowrater or big- ger or bigger on the contrary.(4) Uniformly tighten the pressing nut on the packing gland to have liquid leak in drops and pay attention to the tempera- ture rise outside of the packing cavity.(5) When to stop the pump, first close the plug of the vacuum or pressure meter and the gate valve on the water outlet p- ipeline, then cut off the power of the motor. Open the squ- are screw plug on the lower side of the pump casing to let the residual water out to prevent frozen cracking in case of a lower ambient temperature.(6) In a long time stop, remove the pump and dry the parts and coat rust-proof grease on the processed surface.2. Running(1) The maximum temperature of the pump's bearing must not be over 75.(2) It is proper for the volume of the calcium-based grease lub- ricating the bearing to hold a space inside of the bearing body by 1/31/2.(3) Properly press the packing gland in case of a little bit we- ar and replace it in case of too much wear.(4) Take a periodic check of the elastic clutch and take care of the temperature rise with the motor's bearing.(5) During running, stop it at once when noise or other abnor- mal sound is heard to find the cause and settle it.(6) Do not raise the pump speed at will, but lowering it is all- owed. For instance, with this type of pump, the rated rotat- ing speed is n, flowrate is Q, head is H, axle power is N, lo- wered speed is n1, the flowrate, head and axle power after speed lowering are Q 1, H 1 and N 1, respectively. Make c- onversion by means of the following formula.(3) (4)(5)(6) (1)75(2)1/31/2(3) (4)(5) (6)nQHN n1Q 1H 1N 1Q 1=( )Q n 1n 2H 1=( ) H n 1n 3N 1=( ) Nn 1n0 50 100 150 200 250 3Q(m/h)0 50 100 150 200 250 3Q(m/h)0 50 100 150 200 250 3Q(m/h)0 100 200 300 4003Q(m/h)0 100 200 300 4003Q(m/h)0 100 200 300 4003Q(m/h)0 200 400 600 8003Q(m/h)0 200 400 600 8003Q(m/h)2004006008003Q(m /h)0 200 400 6008003Q(m /h)0 200 400 600 800 10003/h)12000 200 400 600 800 10003/h)12000 200 400 600 800 10003/h)12000 200 400 600 800 10003/h)12000 200 400 600 800 10003/h)12000 400 800 16001200300 600 900 1200 15000 400 800 16001200 0 400 800 16001200 403020100 400 800 16001200 0 600 1200 240018000 400 800 160012000 500 1000 1500 2000 250050010001500200025000 500 1000 1500 200025000 1000 2000 3000 400010002000 300040000 500 1000 1500 2000 250050010001500200025000 1000 2000 3000 40000 1000 2000 3000 40000 1000 2000 3000 40000 1000 2000 3000 4000 5000 60003/h)0 1000 2000 3000 4000 5000 60003/h)0 1000 2000 3000 4000 5000 60003/h)0 2000 4000 6000 80000 2000 4000 6000 80000 2000 4000 6000 80000 2000 4000 6000 80000 1000 2000 3000 4000 5000 60003/h)0 3000 6000 9000 120003/h)0 3000 6000 9000 12000 150003/h)0 3000 6000 9000 120003/h)0 3000 6000 9000 12000 150003/h)0 3000 6000 9000 120003/h)0 3000 6000 9000 12000 3/h)0 3000 6000 9000 12000 150003/h)A -Al e tn l e tU n i t m mU n i t m mU n i t m mU n i t m mAF l a n g e o f v o m i t i n g c o n i c a l p i p eU n i t m mU n i t m mAn -d 1F l a n g e o f v o m i t i n g c o n i c a l p i p eU n i t m mU n i t m mU n i t m mU n i t m mU n i t m mU n i t m mU n i t m mU n i t m mU n i t m mU n i t m mU n i t m m:B o t h v o m i t i n g c o n i c a l p i p e a n d h o o k w r e n c h a r e t h e a c c e s s o r i e s a l o n g w i t h t h e p u m p a n d o t h e r s m a y b e f i t t e d u p o n t h e r e q u i r e m e n t a t o r d e r .B o t h v o m i t i n g c o n i c a l p i p e a n d h o o k w r e n c h a r e t h e a c c e s s o r i e s a l o n g w i t h t h e p u m p a n d o t h e r s m a y b e f i t t e d u p o n t h e r e q u i r e m e n t a t o r d e r .B o t h v o m i t i n g c o n i c a l p i p e a n d h o o k w r e n c h a r e t h e a c c e s s o r i e s a l o n g w i t h t h e p u m p a n d o t h e r s m a y b e f i t t e d u p o n t h e r e q u i r e m e n t a t o r d e r .:B o t h v o m i t i n g c o n i c a l p i p e a n d h o o k w r e n c h a r e t h e a c c e s s o r i e s a l o n g w i t h t h e p u m p a n d o t h e r s m a y b e f i t t e d u p o n t h e r e q u i r e m e n t a t o r d e r .B o t h v o m i t i n g c o n i c a l p i p e a n d h o o k w r e n c h a r e t h e a c c e s s o r i e s a l o n g w i t h t h e p u m p a n d o t h e r s m a y b e f i t t e d u p o n t h e r e q u i r e m e n t a t o r d e r .B o t h v o m i t i n g c o n i c a l p i p e a n d h o o k w r e n c h a r e t h e a c c e s s o r i e s a l o n g w i t h t h e p u m p a n d o t h e r s m a y b e f i t t e d u p o n t h e r e q u i r e m e n t a t o r d e r .B o t h v o m i t i n g c o n i c a l p i p e a n d h o o k w r e n c h a r e t h e a c c e s s o r i e s a l o n g w i t h t h e p u m p a n d o t h e r s m a y b e f i t t e d u p o n t h e r e q u i r e m e n t a t o r d e r .。
天津单级双吸中开泵价格-800S22A型号报价-三昌泵业有限公司
概述:
800S22A型中开泵适应于工厂、城市、矿山、电站、农田、水利工程等领域。
用于输送不含固体颗粒的清水或物理、化学性质类似于水的其它液体,被输送的介质温度为0℃~80℃,允许最大进口压力0.6MPa。
100S32型双吸中开泵参数范围:
流量Q100m3/h
扬程H32m
800S22A型双吸中开泵结构型式:
泵为卧式安装,泵壳于轴心线水平分开,上部为泵盖,下部为泵体,吸入口和吐出口均在泵轴线下方的泵体上,其中心线与轴线垂直,检修时不需拆卸进水和出水管路,即可揭开泵盖,取出转子部件。
轴封为用软填料密封或机械密封。
800S22A型双吸中开泵旋转方向:
从电机端向泵看,800S22A型泵为逆时针方向旋转,即吸入口在左,吐出口在右。
800S22A型泵为顺时针方向旋转,即吸入口在右,吐出口在左。
也可根据用户要求将驱动端移到泵的另一端,此时,转向和吸入、吐出口方向均与上述相反。
800S22A型双吸中开泵主要零件材质:
泵的过流部件材质均为铸铁,如用户需要,叶轮也可用铸钢或黄铜制造,但须在订货合同上注明。
800S22A型双吸中开泵成套范围:
成套供应泵,电机、联轴器。
泵吸入口≤200mm配公用底座,其余不配底座,长沙三昌泵业有限公司。