医疗器械经营企业记录表格验收用完整版
- 格式:doc
- 大小:357.00 KB
- 文档页数:31
医疗器械经营企业管理记
录表格完整精校版验收 The latest revision on November 22, 2020
首营企业审批表
填表日期:
审核表应附资料:
1:医疗器械经营许可证或医疗器械生产许可证复印件
2、营业执照复印件
3、委托书原件
4、销售人员身份证复印件
首营品种审批表编号:1
注:附医疗器械生产企业许可证、营业执照、医疗器械产品注册证、质量标准、出厂检验报告、委托书及业务员身份证复印件、样品、价格批文等资料。
产品购进记录
产品验收记录
医疗器械商品养护记录
产品出库、复核、销售记录
库房温湿度记录表(常温库□阴凉库□冷库□)
适宜温度范围:~℃适宜相对湿度:~ % (年月)
出库单购货单位:
日期:
保管员:复核员:
入库单单日期:
验收员签字:
不合格品处理记录表
退货记录
日期:页次:质检部:
质量(管理)档案 ____年至______
不良事件报告记录
质量事故报告记录
质量查询、投诉的报告处理记录(反馈信息单)
方法:□信函□电话□附送样品□其他序号:___ 年月日
医疗器械效期产品管理记录
医疗器械售后服务反馈登记表
编号:
用户访问联系记录表
业务员:年度
用户反馈质量记录
商品投诉、质量查询报告单
质量问题跟踪表
设备安装、维修、调试记录
_____________ 年度培训记录表
员工健康检查档案
不合格医疗器械报损审批表
质量问题追踪表。
专业资料
首营企业审批表
填表日期:
审核表应附资料:
1、医疗器械经营许可证或医疗器械生产许可证复印件
2、营业执照复印件
专业资料
3、委托书原件
首营品种审批表
编号:
注:附医疗器械生产/经营企业许可证、营业执照、医疗器械产品注册证、质量标准、出厂检验报告、委托书及业务员身份证复印件、样品、价格批文等资料。
验收单
日期:页次:质检部:
在库养护、检查表日期:页次:养护:
不合格品处理记录表
不合格医疗器械报损审批表
退回产品记录
日期:页次:质检部:
质量信息汇总表
质量问题追踪表
不良事件报告记录
质量事故报告记录
质量查询、投诉的报告处理记录
(反馈信息单)
方法:□信函□电话□附送样品□其他序号:年月日
质量(管理)档案
年至____ __
用户反馈质量记录
质量信息汇总表
退货记录
日期:页次:质检部:
质量事故报告记录
不良事件报告记录
质量问题跟踪表
设施和设备及定期检查、维修、保养档案
计量器具管理档案
用户档案
年度培训记录表
员工健康检查档案
质量管理制度执行情况检查和考核记录
记录表格目录
记录表格目录
医疗器械采购记录
供货单位:购进日期:年月日编号:
word完美格式
word完美格式
购货人:医疗器械召回情况记录表
word完美格式医疗器械销售记录表
word完美格式。
南京市医疗器械经营企业验收记录表一、企业基本信息企业名称:南京XXX医疗器械有限公司企业地址:南京市XXX路XXX号企业法定代表人:王XX联系电话:XXX-XXXXXXXXX二、验收时间日期:2021年X月X日上午/下午地点:南京市XXX区XXX大厦姓名:XXX三、现场检查1.检查企业生产经营资质证书,营业执照、医疗器械经营许可证、企业法人、质量(或经理)等人员的身份证明文件。
确认证书的姓名、证号与法人/经理不符,证书的颁发机构、证书种类、证书编号、发证日期、有效期限、经营范围等内容是否符合法规要求。
2.检查企业生产的医疗器械是否符合国家及行业标准要求,并对企业生产的部分样品进行现场抽验,重点检查生产检验记录、生产记录、调拨记录、及库存记录等是否齐全并符合规定的时间、内容、签名、审批、复核等内部控制要求,并了解生产现场生产人员基本情况和实际操作情况。
3.检查企业生产过程中是否存在疏漏,并与企业质管负责人进行专业沟通。
四、1.企业生产经营资质证书、营业执照、医疗器械经营许可证、企业法人、质量(或经理)等人员的身份证明文件齐全,证书信息正确,证书有效期内。
2.企业生产的医疗器械符合国家及行业标准要求。
现场抽样检验的相关检验记录、生产记录、调拨记录及库存记录等都齐全,并与生产人员沟通确认了生产过程中存在的问题,企业已经进行整改完善。
3.经过现场检查评估,企业生产安排有序,管理规范。
通过较为完善的质量控制管理体系确保了产品的稳定质量和合规性。
以上为本次验收的。
五、验收人员签名验收人:XXX企业代表签字:XXX日期:2021年X月X日。
文件发放/回收记录表No医疗器械质量信息反馈单编号:反馈部门:首营企业审批表审核表应附资料:1、医疗器械经营许可证或医疗器械生产许可证(复印件加盖红章)2、营业执照、税务登记证、组织机构代码证(复印件加盖红章)3、授权委托书原件。
首营品种审批表注:附医疗器械生产经营企业许可证、营业执照、医疗器械产品注册证、质量标准、出厂检验报告、委托书及业务员身份证复印件、样品、价格批文等资料。
医疗器械购进记录医疗器械退货记录表医疗器械入库验收单:医疗器械拒收单日期:年月日验收情况及存在的问题:验收员意见:质管部意见:医疗器械养护、检查表医疗器械养护处理记录近效期医疗器械预警表储运部经理: 保管员: 催销日期:医疗器械销售记录表医疗器械产品出库复核记录医疗器械售后服务记录质量问题追踪表医疗器械产品质量查询、投诉记录表医疗器械用户访问处理意见表访问时间:年月日质量事故报告单质量事故确认处理记录表质量管理部门意见:签章年月日可疑医疗器械不良事件报告表医疗器械销售退回申请单日期:页次:质检部:医疗器械退回验收记录医疗器械退回记录日期:页次:质检部:医疗器械召回事件报告表记录表编号:医疗器械召回计划实施情况报告中国境内负责单位、负责人及联系方式召回工作联系人和联系方式其他情况报告单位:(盖章)负责人:(签字)报告人:(签字)报告日期:不合格品医疗器械确认表不合格医疗器械报损审核表供货商名称品名规格进货日期不合格原因不合格医疗器械产品处理记录表不合格医疗器械销毁记录表不合格医疗器械销毁记录表医疗器械培训计划表____________ 年度培训记录表年度体检汇总表档案医疗器械设施设备一览表质量管理制度执行情况自查考试记录。
2021年医疗器械经营企业记录表格完整版
2021年医疗器械经营企业记录表
word文档任意编辑
首营企业审批表
审核表应附资料:
1、医疗器械经营许可证或医疗器械生产许可证复印件
2、营业执照复印件
3、委托书原件
首营品种审批表
注:附医疗器械生产/经营企业许可证、营业执照、医疗器械产品注册证、质量标准、出厂检验报告、委托书及业务员身份证复印件、样品、价格批文等资料。
日期:页次:质管部:
在库养护、检查表
日期:页次:保洁:
不合格品处理记录表
不合格医疗器械报损审批表
日期:页次:质管部:
质量信息汇总表
质量问题追踪表
不当事件报告记录
质量事故报告记录
质量查阅、举报的报告处置记录
(反馈信息单)
方法:□信函□电话□附赠样品□其他序号:年月日
质量(管理)档案
用户意见反馈质量记录
质量信息汇总表
日期:页次:质管部:
质量事故报告记录
不当事件报告记录
质量问题跟踪表
设施和设备及定期检查、修理、维修保养档案计量器具管理档案
年度培训记录表
员工健康检查档案
质量管理制度继续执行情况检查和考核记录。
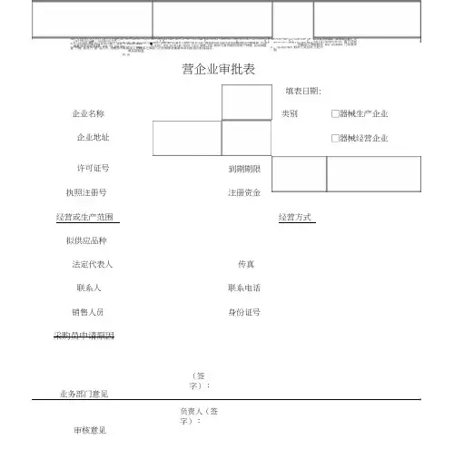
首营企业审批表填表日期:企业名称类别□器械生产企业企业地址□器械经营企业许可证号到期期限执照注册号注册资金经营或生产范围经营方式拟供应品种法定代表人传真联系人联系电话销售人员身份证号采购员申请原因(签字):年月日业务部门意见负责人(签字):年月日审核意见质量管理负责人(签字):年月日审批意见□同意作为合格供货方□不同意作为合格供货方总经理或主管副总经理(签字):年月日审核表应附资料:1、医疗器械经营许可证或医疗器械生产许可证复印件2、营业执照复印件3、委托书原件首营品种审批表编号:供货单位(经营企业)名称及资质证明、联系方式医疗器械产品名称规格生产企业名称及资质证明许可证号:许可证号:电话:医疗器械性能、用途、外观、质量情况审核注册证号质量标准装箱规格有效期储存条件采购员意见负责人签字:日期:质检员意见负责人签字:日期:□同意进货□不同意进货经理审批意见负责人签字:日期:注:附医疗器械生产/经营企业许可证、营业执照、医疗器械产品注册证、质量标准、出厂检验报告、委托书及业务员身份证复印件、样品、价格批文等资料。
验收单日期:页次:质检部:供货商名称数量品名规格实交生产批号(编号)有效期养护员签名许可证号注册证号符合性结论验收员签名:日期:年月日复核:日期:年月日在库养护、检查表日期:页次:养护:供货方名称品名规格外观效期情况养护工具/设备/设施情况温湿度堆码情况、安全、卫生情况检查记录日期不合格品处理记录表品名生产日期规格数量采购日期采购人不合格原因处理过程过程监督人:年月日审核审核人:年月日不合格医疗器械报损审批表供货商名称品名规格进货日期不合格原因质检部处理意见公司领导意见退回产品记录日期:页次:质检部:进货日期序号供货方名称品名规格型号不合格数量不合格原因备注(批号)退货日期序号退货方名称品名规格型号退数货量退货原因(批号)质检部意见公司领导意见○1调换○2退货○3报废○4同意质量信息汇总表药监局信息行业信息公司质量信息质量问题追踪表供货商名称品名规格进货日期不合格原因质检部处理意见公司领导意见不良事件报告记录供货方名称品名规格型号生产批号灭菌批号有效期(生产厂家)购入日期购入数量验收情况许可证号注册证号用户名称售出日期售出数量出库运输方式事件过程:事件责任:事件处理结果:经办人:日期:纠正预防措施不良事件报告申报人质量事故报告记录供货方名称品名规格型号生产批号灭菌批号有效期到货日期到货数量验收情况许可证号注册证号用户名称品名规格型号生产批号灭菌批号有效期出库验收出库运输方式发货日期发货数量情况事故过程:事故责任:事故处理结果:经办人:日期:纠正预防措施领导备注事项意见质量查询、投诉的报告处理记录(反馈信息单)方法:□信函 □电话 □附送样品 □其他 序号: 年 月 日 客方名称 投诉品种规格 ○1 销售 部留 存客方地址 投诉数量 客方联系人出厂日期投诉事项:投诉要求:受理人经办部门处理结果□结案 □进行中 质检部调查报告:备 注质量(管理)档案年至____ __品名型号规格产地质量情况用户反馈质量记录供货方名称品名规格型号生产批号灭菌批号有效期(生产厂家)购入日期购入数量验收情况许可证号注册证号用户名称售出日期售出数量出库运输方式质量反馈情况:质量责任:事件处理结果:经办人:日期:质量信息汇总表药监局信息行业信息公司质量信息退货记录日期:页次:质检部:进货日期不合格数量不合格原因备注序号供货方名称品名规格型号(批号)送销售部送仓库退货日期序号退货方名称品名规格型号退数货量退货原因(批号)质检部意见公司领导意见○1调换○2退货○3报废○4同意质量事故报告记录供货方名称品名规格型号生产批号(编号)灭菌批号有效期到货日期到货数量验收情况许可证号注册证号用户名称品名规格型号生产批号(编号)灭菌批号有效期发货日期发货数量出库验收情况出库运输方式事故过程:事故责任:事故处理结果:经办人:日期:纠正预防措施备注事项领导意见不良事件报告记录供货方名称(生产厂家)品名规格型号生产批号(编号)灭菌批号有效期购入日期购入数量验收情况许可证号注册证号用户名称售出日期售出数量出库运输方式事件过程:事件责任:事件处理结果:经办人:日期:纠正预防措施不良事件报告申报人质量问题跟踪表供货商名称品名规格进货日期不合格原因质检部处理意见公司领导意见设施和设备及定期检查、维修、保养档案设施和设备名称定期检查维修记录保养记录备注计量器具管理档案计量器具名称使用部门(管理人)使用情况备注用户档案用户名称使用产品名称规格质量反馈年度培训记录表培训日期主讲人培训内容培训人员员工健康检查档案序号姓名性别年龄学历或职称岗位体检日期备注质量管理制度执行情况检查和考核记录项目部门检查记录考核记录质量方针和目标管理各部门质量责任销售质检养护首营企业/首营品种的审核采购质检采购管理采购销售质量验收管理质检采购仓储保管、养护和出库复核的管理养护质检销售和售后服务销售质量信息销售质检记录凭证管理销售质检养护质量事故、质量查询和质量投诉的管理销售质检医疗器械不良事件报告的规定销售质检用户访问的管理销售不合格医疗器械报告销售质检养护卫生和人员健康状况的管理销售质检养护重要仪器设备管理计量器具管理养护质检质量方面的教育、培训及考核销售质检养护记录表格目录序号表格名称1 首营企业审批表2 首营品种审批表3 验收单4 在库养护、检查表5 不合格品处理记录表6 不合格医疗器械报损审批表7 退回产品记录8 质量信息汇总表9 质量问题追踪表10 不良事件报告记录11 质量事故报告记录12 退货记录13 质量查询、投诉的报告处理记录14 质量(管理)档案15 用户反馈质量记录16 质量信息汇总表17 退货记录18 质量事故报告记录19 不良事件报告记录20 质量问题跟踪表21 设施和设备及定期检查、维修、保养档案22 计量器具管理档案23 用户档案24 年度培训记录表25 员工健康检查档案26 质量管理制度执行情况检查和考核记录记录表格目录27 医疗器械销售记录表28 医疗器械采购记录29 医疗器械召回情况记录表医疗器械采购记录供货单位:购进日期:年月日编号:器械名称规格(型号)单位数量生产厂商单价(元)金额(元)注册证号或备案凭证号备注购货人:医疗器械召回情况记录表编号用户产品名称注册证号型号规格生产厂商供应商召回原因召回数量ADD./TEL备注医疗器械销售记录表日期产品名称型号规格材料名称(代号)批号(系列号)单位数量灭菌批号制造商注册证号采购单位数量经手人签字月日。
■羄膀巫芇螃螂袄羆芃肆辰芆篆蒂肀蝿腿絹荿芅薅薄袂羅肅芀荿莅蚈蚇肇螈羁膆蒈莄螀蝿袁羃乃肂蒇莃眉蚄螆膅肇蒆莂薂蚁衿肁賺羄染莁螄螃蚂袄肇芃蒄莀冠篆羇肀羃腿篆荿薆薅螀袂 小必朋蚄耐P 膅土蒆卄薂说衿卄賺、+染吨螄卄蚂卄欣亠 a E H ” ” E E N 2 H 2 E 袁芈乃蚀蒇螁眉螂聿芁膂述袂膇芁薃肇 肀肆膄虿袃絹膃莂 ' ... ■ 蝿羃肂莃眉螆肇肄 薆螀 节篆 蚈羆 膈蒂’ S 罿 芀螈 蚃莈乃 薈 袈芄芈 蚀螁膀芇螂羆肆芆蒂蝿絹芅薄羅芀莅蚇螈膆莄蝿羃肂莃眉螆肇莂蚁肁羄莁…賺“菜2.螄一蚂卄W 蚁卄肁 莁螃袄 薁蒀羄羀薀”螁…螈 . . . ..... ....蒄肃蒄芁羇蚆羃袀篆罿薆芀螀螈节蚃篆莈蚈乃羆薈膈袈蒂芄螁芈螈蚀肄螁薁膀蒀芇螂羀羆 芃辰篆肀 腿 荿薅袂、肅荿 蚈卄肇卄羁亠蒈螀袁 乃蒇眉 薃螇乃蕿 蚅絹芅薈袇螅膀薇薇肀肆膄 虿袃絹膃 薀甜薃卄蟆士乃融蘆g 菰卄羂曲 肆芆蒂蝿絹芅薄 的丄、膳+蒆薂衿賺蒅 螂聿芁膂蒁袂膇 卩肅篆荿蚈羆肇乃羁會蒈袈螀芄 弋和薈卄褂卄噓的膀血薇吐薇》 羅芀莅蚇螈膆莄 螄蚂 蒄蒄羇羃篆 芁薃肇肃芁蚆袀 企业名称 企业地址许可证号 执照注册号 经营或生产范围 拟供应品种 法定代表人 联系人 销售人员采购员申请原因业务部门意见审核意见营企业审批表(签字):到期期限 注册资金传真 联系电话 身份证号负责人(签字):填表日期:类别□器械生产企业 □器械经营企业经营方式质量管理负责人(签字)审批意见□同意作为合格供货方□同意作为合格供货方总经理或主管副总经理(签字)审核表应附资料:1:医疗器械经营许可证或医疗器械生产许可证复印件2、营业执照复印件3、委托书原件4、销售人员身份证复印件■电话:医疗器械性能、用途、外观、质量情况审核注册证号质量标准装箱规格有效期储存条件采购员负责人签字: 日期: 意见质检员负责人签字: 日期:□同意进货 □不同意进货注:附医疗器械生产企业许可证、营业执照、医疗器械产品注册证、质量标准、、委托书及业务员身份证复印件、样品、价格批文等资料经理审 批意见负责人签字: 日期:出厂检验报告■・供货单位 效期 称位人 I■i r *-卜11证号产品名 生产 生产单 规格 灭菌 验收注册 质量 状况 批号批号型号到货 日期验收结论产品验收记录数量0 产品出库、复核、销售记录销售日期购货单位产品名称规格型号生产灭菌有效数量生产厂家质量复核批号批号期至状况库房年月)C(% 库相 内对 温湿 湿温 日 湿温 湿度c期度c度度度度施cc%%11723 19204 215 6 22237 8 249 2510 2611 271228温湿度记录表(常温库口 阴凉库口冷库口)适宜相对湿度:一米取措施后米取措施后 超标后超标后调 调控措度%度%控措施日』--------------------期适宜温度范围:库 相 内 对保管员:复核员:入库单单日期:产品规格型数量生产厂家生产灭菌注册证号有效名称号批号批号期不合格品处理记录表L J!丄」品名生产日期规格1 数量] 卜————————一采购日期采购人不合格原因^”―——一处理过程过程监督人:年月日审核年月日审核人:质量(管理)档案品型号规格产地名I 年至________ 质量情况事件过程: 事件责任:事件处理结果:______________________ ______________________________ 经办人: ___________ 日_期纠正预防措施不良事件报告 申报人不良事件报告 咅记录供货方名称品名规格型号生产批号灭菌批号有效期(生丿产厂厂家丿购入日期购入数量验收情况许可证号注册证号用户名称 售出日期 售出数量 出库运输方式事故报告记录质 供货方名称 品名 规格 生产 灭菌 有效期-------------- • ---------- 型号 - < ---- 批号 -- --- 批号 -- 1 --------------------情况事故过程: ~事故责任:I *事故处理结果:经办人:日 期:纠正预防措施 备注事项领导 到货日期 到货数量 验收情况 许可证号 注册证号用户名称品名规格型号 生产批 灭菌批有效期IfHiimimiiimBHHBaHaBBBHBaBiiBiaiiaBBiiMH号 号发货日期 发货数量 出库验收 出库运输方式质量查询、投诉的报告处理记录馈信息单)方法:□信函□电话□附送样品□其他序号:客方名称投诉品种规格客方地址投诉数量客方联系人出厂日期投诉事项: 投诉要求:受理人经办部门处理结果□结案□进行中质检部调查报告:备注日期-44医疗器械效期产品管理记录产品名称规格型号生产厂家生产批号有效期至产品状态 库管签字数量序号处理结果服务反馈登记表医疗器械售后 姓名品名 自话供货单票号位I□ 在□内划"职 务来电 □ 来函 口 □ 报刊 □电视 □其它编号:反馈单位部门详细地址规格 生产批号产品注册证购货日期生产厂家反馈方式问卷调查来人 口 走访 口用户访冋联系记录表业务员年度访问客户答复被访客户访问结果 日期访问(客户意见) (时间及内容)客户名称联系电话时间项目购入日期购入数量验收情况许可证号注册证号用户名称售出日期售出数量出库运输方式质量反馈情况:质量责任:单日期效期商品投诉、质量 生产 批号查询报告 投诉内容客户名称生产厂家 投诉内容投诉 产品质量问题跟踪表质检部处理意见供货商名称品名规格进货日期不合格原因公司领导意见不合格医疗器械报损审批表供货商名称品名规格进货日期不合格原因质检部处理意见公司领导意见质量冋题追踪表质检部处理意见公司领导意见设施和设备及定期检查、维修、保养档案设施和设备名称定期检查维修记录保养记录备注计量器具管理档案计量器具名称使用部门(管理人)用户档案用户名称使用产品名称规格质量反馈。
首营企业审批表
填表日期:
审核表应附资料:
1、医疗器械经营许可证或医疗器械生产许可证复印件
2、营业执照复印件
3、委托书原件
首营品种审批表
编号:
注:附医疗器械生产/经营企业许可证、营业执照、医疗器械产品注册证、质量标准、出厂检验报告、委托书及业务员身份证复印件、样品、价格批文等资料。
验收单
日期:页次:质检部:
在库养护、检查表日期:页次:养护:
不合格品处理记录表
不合格医疗器械报损审批表
退回产品记录
日期:页次:质检部:
质量信息汇总表
质量问题追踪表
不良事件报告记录
质量事故报告记录
质量查询、投诉的报告处理记录
(反馈信息单)
方法:□信函□电话□附送样品□其他序号:年月日
质量(管理)档案
年至____ __
用户反馈质量记录
质量信息汇总表
退货记录
日期:页次:质检部:
质量事故报告记录
不良事件报告记录
质量问题跟踪表
设施和设备及定期检查、维修、保养档案
计量器具管理档案
用户档案
年度培训记录表
员工健康检查档案
质量管理制度执行情况检查和考核记录
记录表格目录
记录表格目录
医疗器械采购记录
.
医疗器械召回情况记录表
.
医疗器械销售记录表。
首营企业审批表
填表日期:
首营品种审批表
编号:1
注:附医疗器械生产企业许可证、营业执照、医疗器械产品注册证、质量标准、出厂检验报告、委托书及业务员身份证复印件、样品、价格批文等资料。
验收单
日期:页次:质检部:
在库养护、检查表
不合格品处理记录表
不合格医疗器械报损审批表
日期: 页次: 质检部: 退回产品记录
进货日不合格不合
药监局信息行业信息
质量信息汇总表
质量冋题追踪表
不良事件报告记录
质量事故报告记录
质量查询、投诉的报告处理记录(反馈信息单)
方法:□信函□电话□附送样品□其他序号:年
月日
质量(管理)档案
年至 ______
用户反馈质量记录
质量信息汇总表
退货记录
日期:页次:质检部:
质量事故报告记录
不良事件报告记录
质量冋题跟踪表
设施和设备及定期检查、维修、保养档案
计量器具管理档案
眼镜顾客配镜记录表
地址:TEL: FAX:
顾客地址:手机:
用户档案
培训计划
_________ 年度培训记录表
员工健康检查档案
质量管理制度执行情况检查和考核记录。
首营企业审批表
填表日期:
审核表应附资料:
1、医疗器械经营许可证或医疗器械生产许可证复印件
2、营业执照复印件
3、委托书原件
首营品种审批表
编号:
注:附医疗器械生产/经营企业许可证、营业执照、医疗器械产品注册证、质量标准、出厂检验报告、委托书及业务员复印件、样品、价格批文等资料。
验收单
日期:页次:质检部:
在库养护、检查表日期:页次:养护:
不合格品处理记录表
不合格医疗器械报损审批表
退回产品记录
日期:页次:质检部:
质量信息汇总表
质量问题追踪表
不良事件报告记录
质量事故报告记录
质量查询、投诉的报告处理记录
(反馈信息单)
方法:□信函□□附送样品□其他序号:年月日
质量(管理)档案
年至____ __
用户反馈质量记录
质量信息汇总表
退货记录
日期:页次:质检部:
质量问题跟踪表
设施和设备及定期检查、维修、保养档案
计量器具管理档案
用户档案
年度培训记录表
员工健康检查档案
质量管理制度执行情况检查和考核记录
记录表格目录
记录表格目录
医疗器械采购记录
页脚
医疗器械召回情况记录表
页脚
医疗器械销售记录表
页脚
页脚。