(最新版)房建工程土方施工技术交底
- 格式:doc
- 大小:51.00 KB
- 文档页数:3
土方工程施工技术交底
标题:土方工程施工技术交底
引言概述:土方工程施工技术交底是土木工程施工中非常重要的一个环节,它能够确保施工人员对土方工程的施工要求和技术细节有清晰的了解,从而保障工程质量和安全。
一、施工图纸解读
1.1 确认土方工程的具体位置和范围
1.2 理解土方工程的设计要求和标准
1.3 分析土方工程的施工难点和注意事项
二、施工方法和工艺要求
2.1 确定土方开挖的施工方法和流程
2.2 熟悉土方填方的施工工艺和要求
2.3 掌握土方工程施工中的安全措施和应急处理方法
三、施工设备和材料选择
3.1 选择适合的土方开挖设备和工具
3.2 确保土方填方所需的材料质量和数量充足
3.3 配备必要的安全设备和防护用具
四、施工质量和验收标准
4.1 制定土方工程的施工质量控制方案
4.2 定期进行施工质量检查和验收
4.3 严格按照设计要求和验收标准进行施工
五、施工人员培训和交底记录
5.1 对施工人员进行相关技术培训和考核
5.2 记录施工技术交底的内容和过程
5.3 定期进行技术交底的复习和更新
结论:土方工程施工技术交底对于工程的顺利进行和质量保障至关重要,只有通过全面的技术交底和培训,施工人员才能够做到心中有数,确保工程施工的顺利进行和质量可控。
一、施工准备(一)作业条件1、土方开挖(1)制定开挖方案,确定合理的开挖方式、施工顺序和边坡防护措施,选择适当的施工机械。
(2)将施工区城内的地上、地下障碍物清除和处理完毕。
(3)做好建筑物的标准轴线桩、标准水平桩,用白灰洒出开挖线,必须经过检验台格,办理完验线手续。
(4)若设计基础底面低于地下水位,要提前采取降水措施,把地下水位降至低于开挖底面0.5m以下。
然后再开挖。
(5)夜间施工时,应合理安排工序,防止错挖或超挖。
施工场地应根据需要安装照明设施,在危险地段应设置明显标志。
(6)熟悉图纸。
2、土方回填(1)回填前,对基础、箱型基础墙或地下防水层、保护层等进行检查验收并办理隐检手续。
(2)将基坑内的杂物、积水等清理干净。
(3)房心、管沟的回填应在上下水道的安装完成以后进行。
(4)施工前,做好水平高程的设置。
在基槽边上钉水平撅,在基础墙表面划分层线。
(5)做好技术交底。
(二)施工机具铲土机、自卸汽车、挖土机、铲运车及翻斗车等、蛙式或柴油打夯机、手推车、铁锹、3~5m钢尺,20#铅丝、胶皮管、尖、平头铁锹、手锤、手推车、梯子、铁镐、撬棍、钢尺、坡度尺、小线等。
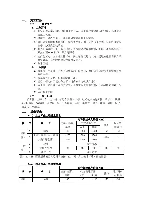
二、质量要求(一)土方开挖工程质量要求(二)土方回填工程质量要求三、工艺流程(一)土方开挖确定开挖的顺序和坡度→沿灰线切出槽边轮廓线→分层开挖→修整槽边→清底(二)土方回填基坑(槽)底地坪上清理→检验土质→分层铺土、耙平→夯打密实→检验密实度→修整找平验收基坑底地坪上清理→检验土质→分层铺土→分层碾压密实→检验密实度→修整找平验收四、操作工艺(一)土方开挖1、人工开挖浅基础、管沟等测量放线→切线分层开挖→修坡→整平挖土自上而下水平分段进行,每层0.3m左右,边挖边检查槽宽,至设计标高后,统一进行修坡清底。
相邻基坑开挖时,要按照先深后浅或同时进行开挖的原则施工。
2、机械开挖一般深度2m以内的大面积开挖,宜采用推±机或装载机淮土和装土;对长度和宽度较大的大面积土方一次开挖,可采用铲运机铲土;对面积大且深的基坑,可采用液压正、反铲开挖;深5m以上的设备基础或高层建筑地下室深基坑,宜分层开挖。
房建土建技术交底(最全)一、地基与基础--土方开挖技术交底二、地基与基础--地下防水技术交底三、地基与基础-钢筋工程技术交底四、地基与基础-混凝土工程技术交底五、地基与基础--模板技术交底六、主体结构-钢筋技术交底七、主体结构-模板技术交底八、主体结构-混凝土技术交底九、主体结构-电渣压力焊技术交底十、混凝土垫层技术交底十一、钢筋直螺纹连接技术交底十二、填充墙砌体技术交底十三、内墙抹灰技术交底十四、内墙乳胶漆技术交底十五、水泥砂浆地面技术交底十六、素水泥顶棚技术交底十七、外墙抹灰技术交底十八、外墙砖施工技术交底十九、室内防水技术交底二十、屋面技术交底二十一、排气道技术交底二十二、人防门安装技术交底一、土方开挖技术交底记录二、地基与基础--地下防水技术交底三、地基与基础-钢筋技术交底记录四、地基与基础-混凝土技术交底记录五、地基与基础--模板技术交底交底内容:一、施工准备1、人员准备:对所有操作人员进行详细认真的技术交底,并派有操作经验的人员带班。
2、材料准备:915*1830*12mm多层板、50*100木方、φ48钢管、扣件、"3"形卡、海绵条、Ф14止水螺杆、Ф14对拉螺杆、脱膜剂等。
3、机具准备:打眼电钻、扳手、钳子、水平尺、钢卷尺、铁榔头、托线板、钉子、爬梯、脚手架及塔吊等。
二、作业条件1、底板及导墙钢筋绑扎完毕,经技术复核完毕,并办好隐检手续。
2、墙钢筋绑扎完毕,水电管线、各种预留预埋件已安装完毕,钢筋保护层垫块已绑好。
隐检手续已办完。
3、模板板面清理并刷好脱模剂。
4、钢筋内部杂物和钢筋本身应清理干净。
5、模板安装控制线,水平控制标高引测到位。
三、施工工艺及施工方法工艺流程:模板制作→模板安装→模板加固→预检→浇筑时钢筋模板的复查维护→拆模→模板清理1、底板内集水坑的模板体系:采用12厚木胶板,内侧加B12@600定位钢筋,横向背楞为50×100木方,间距300mm。
土方工程质量技术交底一、背景介绍土方工程是土地开发和基础设施建设中重要的一项工作,质量问题直接影响工程的安全性和稳定性。
为了保证土方工程的质量,需要进行技术交底,使施工人员充分了解工程要求、施工方法和质量控制措施,确保施工质量符合规范要求。
二、交底内容1. 工程概况1.1 工程名称:XX土方工程1.2 工程地点:XX市XX区1.3 工程规模:占地面积XX平方米,土方开挖量XX立方米1.4 工程周期:预计工期XX个月1.5 工程目标:确保土方工程质量,保障工程安全和稳定性2. 施工要求2.1 土方开挖2.1.1 土方开挖范围:根据设计要求,按照图纸标明的范围进行开挖2.1.2 土方开挖深度:根据设计要求和地质情况,确保土方开挖深度符合要求2.1.3 土方开挖坡度:根据设计要求,确保土方开挖坡度符合要求2.1.4 土方开挖斜坡防护:对土方开挖的斜坡进行防护,确保斜坡的稳定性和安全性2.2 土方回填2.2.1 土方回填材料:使用符合规范要求的土方回填材料,确保材料质量合格2.2.2 土方回填压实度:根据设计要求和土方回填材料的特性,进行适当的压实控制,确保回填土的密实度符合要求2.2.3 土方回填坡度:根据设计要求,确保土方回填后的坡度符合要求2.2.4 土方回填排水:对土方回填后的排水进行合理设计和处理,确保排水系统的畅通性和稳定性2.3 土方工程质量控制2.3.1 施工人员素质:施工人员应具备相关证书和经验,熟悉土方工程施工要求和质量控制措施2.3.2 施工设备:使用符合要求的施工设备,确保施工过程中的安全和效率2.3.3 监测和检测:对土方工程施工过程进行监测和检测,及时发现和处理质量问题2.3.4 质量验收:按照规范要求进行质量验收,确保土方工程质量符合要求三、交底方式1. 会议交底:召开土方工程质量技术交底会议,邀请相关人员参加,包括施工队负责人、监理工程师等,通过会议形式进行交底,确保信息传达准确和全面。
(详解)土方开挖安全技术交底一、背景土方开挖是工程建设中常见的作业,但由于其涉及到地质、结构等多种因素,存在一定的安全风险。
为了确保土方开挖作业的安全性,本文将详细介绍土方开挖的安全技术交底内容。
二、安全技术交底的目的安全技术交底的目的是确保施工人员对土方开挖作业的安全要求和操作规程有清晰的认识,能够正确使用相关设备和工具,遵循安全操作流程,减少事故风险,保障人员的生命安全和财产安全。
三、安全技术交底的内容1. 土方开挖前的准备工作:- 确认土方开挖区域的地质情况,包括土层性质、地下水位等信息。
- 检查开挖设备和工具的完好性,确保其正常运行。
- 制定详细的开挖方案和安全措施,包括施工工序、作业区域划定、支护措施等。
2. 土方开挖的安全要求:- 在开挖过程中,严禁使用无证、无资质的设备和工具。
- 施工人员必须穿戴符合要求的个人防护用品,如安全帽、防护鞋等。
- 严禁饮酒、吸烟等影响操作安全的行为。
- 施工现场必须设立明确的警示标志和隔离措施,确保人员和非作业人员的安全。
3. 土方开挖的操作规程:- 开挖前,应清理作业区域,确保无杂物、无障碍物。
- 严格按照开挖方案进行操作,不得随意改变开挖顺序和范围。
- 在开挖过程中,要时刻关注周围环境和土方的稳定性,发现异常情况及时采取措施。
- 完成开挖后,要及时清理现场,确保道路通畅和施工区域的安全。
四、安全技术交底的培训方式安全技术交底可以通过以下方式进行培训:- 组织专业人员进行现场培训,讲解开挖作业的安全要求和操作规程。
- 制作详细的操作指南和安全宣传资料,供施工人员学习参考。
- 定期组织模拟演练和安全培训,提高施工人员的应急处置能力。
五、总结通过对土方开挖安全技术交底的详细介绍,施工人员可以更好地了解土方开挖作业的安全要求和操作规程,提高施工过程中的安全意识和操作水平。
这有助于减少事故风险,保障人员的生命安全和工程的顺利进行。
土方工程技术交底一、项目背景土方工程是指在建筑施工过程中对土壤进行开挖、填筑、平整等工作的一项重要工程。
土方工程技术交底是指施工单位将土方工程的施工方案、工艺流程、质量要求等相关技术要求向施工人员进行详细说明和交流的过程。
本文将详细介绍土方工程技术交底的标准格式。
二、交底内容1. 工程概况1.1 工程名称:XX工程1.2 工程地点:XX地点1.3 工程规模:XX平方米/立方米1.4 工程周期:XX天/月1.5 工程负责人:XX2. 施工方案2.1 开挖方案2.1.1 开挖范围:根据设计图纸确定2.1.2 开挖深度:根据设计要求确定2.1.3 开挖顺序:根据施工现场情况确定2.1.4 开挖方法:机械开挖/人工开挖2.1.5 开挖时间:根据工期计划确定2.2 填筑方案2.2.1 填筑材料:根据设计要求确定2.2.2 填筑层厚度:根据设计要求确定2.2.3 填筑方法:机械填筑/人工填筑2.2.4 填筑时间:根据工期计划确定2.3 平整方案2.3.1 平整要求:根据设计要求确定2.3.2 平整方法:机械平整/人工平整2.3.3 平整时间:根据工期计划确定3. 工艺流程3.1 开挖工艺流程3.1.1 土方开挖前的准备工作:清理工地、标定开挖范围等 3.1.2 开挖施工过程:按照开挖方案进行机械开挖/人工开挖 3.1.3 开挖后的处理:清理施工现场、处理挖出的土方等3.2 填筑工艺流程3.2.1 填筑前的准备工作:清理填筑区域、布置填筑材料等 3.2.2 填筑施工过程:按照填筑方案进行机械填筑/人工填筑 3.2.3 填筑后的处理:清理施工现场、处理填筑材料等3.3 平整工艺流程3.3.1 平整前的准备工作:清理平整区域、布置平整设备等3.3.2 平整施工过程:按照平整方案进行机械平整/人工平整3.3.3 平整后的处理:清理施工现场、处理平整设备等4. 质量要求4.1 开挖质量要求:开挖面平整度、开挖坡度、开挖底部平整度等4.2 填筑质量要求:填筑层厚度、填筑坡度、填筑密实度等4.3 平整质量要求:平整面平整度、平整坡度、平整密实度等5. 安全注意事项5.1 开挖安全注意事项:施工人员必须佩戴安全帽、防护鞋等个人防护装备5.2 填筑安全注意事项:施工人员必须掌握填筑材料的安全使用方法5.3 平整安全注意事项:施工人员必须熟悉平整设备的操作规程6. 施工人员培训6.1 施工人员培训内容:开挖工艺、填筑工艺、平整工艺等6.2 施工人员培训方式:理论培训、现场指导等6.3 施工人员培训时间:根据工期计划确定三、总结土方工程技术交底是确保土方工程施工质量和安全的重要环节。
土方工程施工技术交底一、施工前准备工作1. 确定施工范围和施工图纸:根据设计图纸和项目要求,确定土方工程的具体施工范围和施工图纸。
2. 土方工程设备准备:根据施工范围和施工图纸要求,准备好所需的土方工程设备,包括挖掘机、推土机、装载机等。
3. 施工人员组织:根据施工规模和工期安排,合理组织施工人员,包括工程师、技术员、操作工等。
二、土方工程施工流程1. 土方开挖:根据施工图纸要求,确定开挖的位置、深度和坡度。
使用挖掘机进行开挖,注意安全操作,避免损坏地下管线和周边建筑物。
2. 土方运输:将挖掘出的土方进行清理和整理,使用装载机将土方装载到运输车辆中,将土方运至指定地点或堆放区域。
3. 土方填筑:根据设计要求,在开挖区域进行土方填筑。
使用推土机进行土方的均匀分布和压实,确保填筑土方的稳定性和承载力。
4. 土方压实:使用压路机对填筑土方进行压实,提高土方的密实度和稳定性。
根据设计要求,进行多次压实,确保土方工程的质量。
5. 土方处理:对于不符合设计要求的土方,进行处理,包括剔除杂质、添加填料等,确保土方工程的质量和稳定性。
三、土方工程质量控制1. 施工现场管理:严格按照施工组织设计和安全生产要求,进行施工现场管理,包括施工道路的畅通、施工区域的封闭等。
2. 施工设备维护:定期对施工设备进行检查和维护,确保设备的正常运行和施工效率。
3. 施工材料选择:严格按照设计要求选择合适的土方填筑材料,保证土方工程的质量和稳定性。
4. 施工质量检查:定期对土方工程进行质量检查,包括土方的密实度、均匀性等指标的检测,确保土方工程的质量符合设计要求。
5. 施工记录和报告:及时记录施工过程中的关键节点和质量问题,并及时上报相关部门,确保土方工程施工的透明度和追溯性。
四、安全注意事项1. 施工人员必须佩戴个人防护装备,包括安全帽、安全鞋、手套等,确保人身安全。
2. 施工现场必须设置明显的安全警示标志,警示过往人员和车辆注意安全。
土方工程技术交底记录
标题:土方工程技术交底记录
引言概述:土方工程是建造工程中的重要环节,其施工质量直接影响整个工程的稳定性和安全性。
因此,进行土方工程技术交底记录是必不可少的步骤,可以确保施工过程中各项技术要求得以落实,保障工程质量。
一、施工前的准备工作
1.1 制定详细的土方工程施工方案
1.2 确定土方工程的施工范围和工期
1.3 完善土方工程施工的安全措施
二、土方工程的施工要点
2.1 确保土方开挖的平整度和坡度符合设计要求
2.2 控制土方开挖的深度和坡度
2.3 对土方开挖的边坡进行加固处理
三、土方工程的质量控制
3.1 对土方开挖的土质进行分类和检测
3.2 确保土方填筑的均匀性和密实度
3.3 进行土方工程的验收和记录
四、土方工程施工中的技术交底
4.1 确保施工人员具备相关技术资质
4.2 对施工人员进行技术交底和培训
4.3 定期组织施工人员进行技术交底会议
五、土方工程的施工后处理
5.1 清理施工现场,保持环境整洁
5.2 对土方工程施工过程中的问题进行总结和反馈
5.3 形成完整的土方工程技术交底记录,作为工程质量的重要依据
结语:土方工程技术交底记录是土方工程施工过程中的重要环节,惟独做好技术交底记录,才干确保土方工程施工的质量和安全。
希翼施工单位和相关人员能够重视土方工程技术交底记录,做好每一个细节,确保工程质量和安全。
土方工程技术交底记录引言概述:土方工程技术交底记录是土木工程中非常重要的一环,它记录了土方工程的具体要求、施工方法、质量标准等内容,是土方工程施工过程中的重要参考依据。
本文将详细介绍土方工程技术交底记录的内容和要点。
一、施工单位及人员信息1.1 施工单位信息:包括施工单位的名称、联系方式、注册资质等内容。
1.2 项目负责人信息:记录项目负责人的姓名、职称、联系方式等信息。
1.3 施工人员信息:列出参与土方工程的所有施工人员的姓名、职务、培训情况等。
二、土方工程具体要求2.1 工程范围:详细描述土方工程的范围,包括挖方、填方、平整等内容。
2.2 施工方法:说明土方工程的具体施工方法,包括机械设备的选择、作业方式等。
2.3 施工进度:确定土方工程的施工进度计划,包括开始时间、完工时间等。
三、土方工程质量标准3.1 施工质量要求:明确土方工程的质量标准,包括土方平整度、填方密实度等要求。
3.2 施工检验方法:描述土方工程的检验方法,包括现场检查、取样检测等。
3.3 质量验收标准:确定土方工程的质量验收标准,包括合格标准、不合格处理等。
四、安全生产要求4.1 安全措施:列出土方工程施工中需要遵守的安全措施,包括作业人员的安全防护、施工现场的安全标识等。
4.2 应急预案:编制土方工程施工中可能发生的应急预案,包括突发事件处理流程、应急联系方式等。
4.3 安全培训:对施工人员进行安全培训,提高其安全意识和应急处理能力。
五、其他事项5.1 施工材料要求:确定土方工程所需材料的规格、质量要求等。
5.2 环保要求:制定土方工程施工中的环保要求,包括土方作业的环保措施、废弃物处理等。
5.3 签署确认:最后由施工单位和监理单位共同确认土方工程技术交底记录,确保双方对施工内容的一致性。
结语:土方工程技术交底记录是土方工程施工中的重要文件,它规范了施工单位的施工行为,保障了土方工程的质量和安全。
施工单位和监理单位应严格按照技术交底记录的要求进行施工,确保土方工程的顺利进行。
土方开挖施工技术交底
1. 背景
本文档旨在对土方开挖施工技术进行交底,确保施工过程中的安全性和高效性。
2. 技术交底内容
2.1 施工前准备
- 确定开挖的具体位置和尺寸。
- 对开挖区域进行勘测和标定,确保施工准确。
- 根据地质条件和土体性质,选择合适的挖掘机和工具。
- 提前清理挖掘区域,确保无障碍。
2.2 施工过程
- 挖掘机操作员应具备相应的资质和经验。
- 在开挖过程中,始终保持机器和施工人员的安全。
- 根据施工图纸和标高要求,逐步进行土方开挖。
- 在开挖过程中注意对挖方土体的分层处理,避免发生坍塌。
- 如遇到地下管道等隐患,应停止开挖并及时报告。
2.3 施工结束后
- 对开挖区域进行检查和清理。
- 处理好挖方土体,确保无残留物和破坏。
- 如有需要,进行填方和压实,恢复现场地形。
3. 安全注意事项
- 挖掘机操作员应佩戴个人防护装备,并熟悉相关的安全操作规程。
- 在挖掘机周围设置合适的警示标识,以提醒他人注意施工区域。
- 挖掘机操作员应常态对挖掘机进行检查和维护,确保其正常运行。
- 如果遇到恶劣天气或不安全情况,应立即停止施工。
4. 总结
本文档对土方开挖施工技术进行了全面的交底,包括施工前准备、施工过程和施工结束后的注意事项。
通过遵守相应的施工规范和安全要求,我们将确保土方开挖工作的顺利进行,实现高效、安全的施工目标。
以上所述,敬请查收。
土方工程施工技术交底一、施工前准备1. 土方工程施工前,应进行详细的勘测和测量工作,确定场地的地形、土质、地下水位等情况,并编制相应的施工图纸和方案。
2. 施工前应对工地进行清理,清除杂草、垃圾等障碍物,并保证施工区域的安全。
同时,需要对施工现场进行围护,确保施工安全。
二、土方开挖1. 根据设计要求和施工图纸,确定土方开挖的范围和深度,并采取相应的开挖方法和工艺。
2. 在开挖过程中,应注意土方的坡度、边坡稳定性和开挖面的平整度,确保开挖面的垂直度和水平度符合要求。
3. 在土方开挖过程中,应及时排除积水,保持开挖面的干燥,以确保土方工程的质量。
三、土方回填1. 土方回填前,应对回填土的质量进行检查,确保回填土符合设计要求和施工规范。
2. 在回填过程中,应采取适当的回填方法和工艺,确保回填土的均匀性和紧实度,避免空隙和松散区域的浮现。
3. 在回填土的同时,应注意对回填土进行湿润处理,以提高土壤的粘结性和稳定性。
四、边坡保护1. 在土方工程施工过程中,应对边坡进行保护,防止边坡的塌方和滑坡等事故发生。
2. 边坡保护措施包括设置护坡、护岸、挡土墙等,根据边坡的高度和土质情况选择合适的保护措施。
3. 在边坡保护过程中,应注意保护措施的稳定性和耐久性,确保边坡的安全性和可靠性。
五、土方工程施工质量控制1. 在土方工程施工过程中,应进行施工质量的监控和控制,确保土方工程的质量符合设计要求和施工规范。
2. 施工质量控制包括对土方开挖、回填、边坡保护等工程环节的质量进行检查和测试,及时发现和纠正质量问题。
3. 施工质量控制还包括对施工人员的培训和管理,确保施工人员熟悉施工要求和操作规程,提高施工质量和效率。
六、土方工程施工安全措施1. 在土方工程施工过程中,应严格遵守相关的安全规定和操作规程,确保施工安全。
2. 施工人员应佩戴必要的安全防护用具,如安全帽、安全鞋等,避免因施工操作而导致的人身伤害。
3. 施工现场应设置明显的安全警示标志和隔离措施,确保施工区域的安全,防止人员和设备的意外伤害。
【范文大全】工程部位基础土方开挖交底对象土建施工队交底人接收人参加交底人员内容施工准备:(一)作业条件支护桩、止水帷幕施工结束;基坑预降水不少于10天,降至开挖面以下0.5m,具备开挖条件;疏通运土道路,夜间施工照明设施完备,危险地段设置好明显标志,对上下水管、电缆沟做好保护;对基坑周边建筑物作原始记录,开挖线控制桩、开挖控制标高均检验合格;施工区域内的地下、地上的障碍物已清除完毕;降水、支护喷锚、截桩、人工修整边坡和清理槽底等配合工作准备就绪。
(二)施工机具:两台WY-100反铲挖掘机挖土,10辆5吨东风自卸车运土,尖头铁锨20把,平头铁锨20把,扬镐10把,人工截桩用大锤20把,小锤5把,錾子20把,手推车15辆,电动空压机2台,小白线、20#铅丝钢卷尺及坡度尺等。
(三)人员组织:保证开挖期间现场土方挖运调度、垃圾清理、降水、喷锚支护、测量等人员到位,值班人员明确,交接班有记录,同时配50名工人配合截桩、清土。
施工顺序:基坑开挖平面图附后,由测量员放线定位。
开挖顺序:-1.2m以上表层土清运东楼第一层土开挖西楼第一层土开挖开挖东西两楼间通道东楼第二层土开挖西楼第二层土开挖余土人工清除西楼坡道退挖本工程土方开挖东楼由东向西,西楼由北向南均分三层依次挖运,东楼第一层土开挖后,西楼开挖第一层土时,将中间预留部分挖通,至标高-3.20m处,底宽4.0m,向南北方向放坡2m,作为东楼二层土运输通道,西楼第二层土开挖后,将此通道回填。
西楼开挖时,在基坑内预留坡度为1:8的车道。
汽车运输坡道留置详见平面布置图(附后)。
3、根据水位观测降深情况确定开挖时间,本工程土方拟分二次开挖,第一次开挖至-3.80m标高,第二次开挖至-5.35m标高,余土50cm人工清除。
4、在第一层土开挖后第二层土开挖前及第二层土开挖后第三层土开挖前,应先铺上一层0.8m厚的砖渣路再在上面满铺10mm钢板,便于自卸汽车运行。
施工工艺:1、现场挖土人员必须坚守岗位,专人负责测定挖土深度,标高控制点用醒目标志固定于基坑侧壁,避免土方挖浅或挖深。
土方施工方案交底
土方工程是土木工程中最基础、最常见的工程之一,一项土方工程的质量和效率,关系着整个工程项目的顺利进行和后续工程的质量。
在进行土方施工前,必须进行施工方案的交底,以确保各项工作有序进行,达到预期的效果。
一、施工范围
土方施工的范围应明确,包括工程的具体位置、面积、深度等信息,根据设计
图纸和土方工程量清单,确定具体的施工范围。
二、施工目的
土方施工的目的是为了满足工程的设计要求,保证地基的稳定性和承载能力,
为后续工程的顺利进行打下基础。
三、施工工艺
1. 土方开挖
根据工程需要和设计要求,确定开挖的深度和数量,采用机械开挖或人工开挖
方式进行土方开挖。
2. 土方回填
根据土方回填的位置和要求,选择合适的填料和回填方法进行土方回填,保证
地基的平整和稳定。
3. 土方压实
对回填的土方进行压实处理,确保土方的密实度和承载能力,以满足设计要求。
四、施工安全
在施工过程中,要严格遵守相关安全规定,配备必要的安全设备,保障施工人
员的安全。
五、施工质量检验
在施工结束后,对土方施工的质量进行检验,确保符合设计要求,达到预期效果。
通过土方施工方案的交底,施工人员明确施工范围和要求,保证土方施工的顺
利进行,为工程的顺利进行和后续工程的质量打下基础。
土方工程施工技术交底一、施工前准备工作1.1 确定施工范围和施工图纸:根据设计方案和相关图纸,确定土方工程的施工范围,并对施工图纸进行子细研究和理解。
1.2 土方工程设备准备:根据施工图纸和工期计划,确定所需的土方工程设备,并进行采购和调配。
1.3 土方工程材料准备:根据设计要求和工程规范,确定所需的土方工程材料,并进行采购和储存。
1.4 土方工程人员组织:根据施工图纸和工期计划,确定所需的土方工程人员,并进行培训和组织。
二、土方工程施工流程2.1 土方开挖:根据施工图纸和设计要求,确定土方开挖的深度和坡度,并进行挖土作业。
在挖土过程中,要注意土方的坚实度和稳定性,避免发生坍塌和滑坡等安全事故。
2.2 土方填筑:根据施工图纸和设计要求,确定土方填筑的高度和坡度,并进行填土作业。
在填土过程中,要注意土方的均匀性和紧实度,避免浮现不均匀沉降和塌方等问题。
2.3 土方夯实:根据施工图纸和设计要求,确定土方夯实的标准和方法,并进行夯实作业。
在夯实过程中,要注意夯击的力度和频率,确保土方的密实度和稳定性。
2.4 土方排水:根据施工图纸和设计要求,确定土方排水的方式和位置,并进行排水作业。
在排水过程中,要注意排水系统的畅通性和排水效果,避免土方受水浸泡和软化。
2.5 土方护坡:根据施工图纸和设计要求,确定土方护坡的方式和材料,并进行护坡作业。
在护坡过程中,要注意护坡结构的稳定性和抗冲击能力,确保土方的安全性和美观性。
三、土方工程质量控制3.1 施工过程质量检查:在土方工程施工过程中,要进行定期的质量检查,包括土方开挖、填筑、夯实、排水和护坡等工作的质量检验。
检查内容包括土方的均匀性、密实度、排水效果和护坡结构等。
3.2 施工现场安全监控:在土方工程施工现场,要设置安全监控设备,对施工过程进行实时监控,及时发现和处理安全隐患,确保施工人员的安全和土方工程的质量。
3.3 施工记录和报告:在土方工程施工过程中,要做好施工记录和报告,详细记录施工过程中的关键环节和质量问题,并及时向相关部门汇报。
第1篇一、工程概况本工程为某住宅小区土方工程,包括场地平整、基坑开挖、回填和压实等工作。
工程位于城市中心区域,占地面积约5000平方米。
工程总造价约为XXX万元,施工周期为XX个月。
二、施工准备1.施工组织成立土方工程施工项目部,明确项目经理、技术负责人、安全负责人等职责,确保施工顺利进行。
2.人员培训对施工人员进行安全技术培训,提高施工人员的安全意识和操作技能。
3.材料设备(1)材料:根据施工图纸和施工方案,准备所需的各类材料,如砂、石、水泥、钢筋等。
(2)设备:准备挖掘机、推土机、自卸汽车、压路机等施工设备。
4.施工图纸及资料熟悉施工图纸,掌握设计要求,做好施工资料的收集、整理和归档。
三、施工工艺1.场地平整(1)根据设计标高,进行场地平整,确保场地平整度满足要求。
(2)对场地进行排水处理,确保场地无积水。
2.基坑开挖(1)根据设计要求,确定基坑开挖深度、宽度、边坡坡度等参数。
(2)采用挖掘机进行基坑开挖,确保开挖质量。
(3)在开挖过程中,注意土方堆放,确保堆放距离和高度符合安全要求。
3.回填与压实(1)根据设计要求,选择合适的回填材料,确保回填质量。
(2)采用推土机将回填材料均匀摊铺,分层回填。
(3)使用压路机进行压实,确保压实度满足要求。
四、安全技术措施1.进入现场必须遵守安全生产纪律,佩戴安全帽、手套、防护眼镜等个人防护用品。
2.施工前,对施工区域进行安全检查,确保施工环境安全。
3.挖掘机、推土机等大型设备操作人员必须经过专业培训,持证上岗。
4.基坑开挖时,注意土壁稳定性,发现裂缝及倾、坍可能时,立即停止作业,及时处理。
5.挖掘机、推土机等设备作业时,确保周边无人员、障碍物,确保作业安全。
6.回填与压实过程中,注意压实度,确保路基稳定。
7.施工过程中,加强施工现场安全管理,防止安全事故发生。
8.施工结束后,对施工区域进行清理,确保场地整洁。
五、施工进度安排1.施工准备阶段:1个月2.场地平整阶段:1个月3.基坑开挖阶段:1个月4.回填与压实阶段:1个月5.验收阶段:1个月总计:5个月六、质量保证措施1.严格按照施工图纸和施工方案进行施工,确保施工质量。
房建土建技术交底(最全)一、地基与基础--土方开挖技术交底二、地基与基础--地下防水技术交底三、地基与基础-钢筋工程技术交底四、地基与基础-混凝土工程技术交底五、地基与基础--模板技术交底六、主体结构-钢筋技术交底七、主体结构-模板技术交底八、主体结构-混凝土技术交底九、主体结构-电渣压力焊技术交底十、混凝土垫层技术交底十一、钢筋直螺纹连接技术交底十二、填充墙砌体技术交底十三、内墙抹灰技术交底十四、内墙乳胶漆技术交底十五、水泥砂浆地面技术交底十六、素水泥顶棚技术交底十七、外墙抹灰技术交底十八、外墙砖施工技术交底十九、室内防水技术交底二十、屋面技术交底二十一、排气道技术交底二十二、人防门安装技术交底一、土方开挖技术交底记录二、地基与基础--地下防水技术交底三、地基与基础-钢筋技术交底记录四、地基与基础-混凝土技术交底记录五、地基与基础--模板技术交底交底内容:一、施工准备1、人员准备:对所有操作人员进行详细认真的技术交底,并派有操作经验的人员带班。
2、材料准备:915*1830*12mm多层板、50*100木方、φ48钢管、扣件、"3"形卡、海绵条、Ф14止水螺杆、Ф14对拉螺杆、脱膜剂等。
3、机具准备:打眼电钻、扳手、钳子、水平尺、钢卷尺、铁榔头、托线板、钉子、爬梯、脚手架及塔吊等。
二、作业条件1、底板及导墙钢筋绑扎完毕,经技术复核完毕,并办好隐检手续。
2、墙钢筋绑扎完毕,水电管线、各种预留预埋件已安装完毕,钢筋保护层垫块已绑好。
隐检手续已办完。
3、模板板面清理并刷好脱模剂。
4、钢筋内部杂物和钢筋本身应清理干净。
5、模板安装控制线,水平控制标高引测到位。
三、施工工艺及施工方法工艺流程:模板制作→模板安装→模板加固→预检→浇筑时钢筋模板的复查维护→拆模→模板清理1、底板内集水坑的模板体系:采用12厚木胶板,内侧加B12@600定位钢筋,横向背楞为50×100木方,间距300mm。
建筑施工土方工程施工技术交底1. 工程概况本项目为XXX建筑工程项目,位于XXX地区,主要包括XXX栋建筑物、XXX 配套设施等。
土方工程量为XXX立方米,主要施工内容包括土方开挖、运输、回填等。
2. 施工准备2.1 人员组织成立土方工程施工小组,明确各岗位职责,配备足够的施工人员。
2.2 材料准备根据施工图纸和工程量清单,提前准备土方工程所需的材料,如挖掘机、装载机、运输车辆等。
2.3 技术准备熟悉施工图纸和相关规范,编制土方工程施工方案和应急预案。
2.4 现场准备对施工区域进行清理,设置安全警戒线,确保施工场地符合要求。
3. 施工方法及工艺3.1 土方开挖按照施工图纸和开挖深度要求,采用挖掘机进行土方开挖。
在开挖过程中,注意保持边坡稳定,避免坍塌。
3.2 土方运输利用装载机将开挖的土方装入运输车辆,运输至指定位置。
在运输过程中,确保土方运输车辆符合要求,防止运输过程中发生泄露、遗漏等现象。
3.3 土方回填在土方工程完成后,根据施工图纸和回填要求,采用运输车辆将回填土方运至施工现场,利用挖掘机进行回填。
在回填过程中,注意控制土方含水量,确保回填质量。
3.4 质量控制施工过程中,严格按照相关规范和施工方案进行操作,确保土方工程质量。
对施工过程中的关键环节进行验收,发现问题及时整改。
4. 安全及环保措施4.1 安全措施加强施工现场安全管理,设置安全警示标志,定期对施工人员进行安全教育。
严格遵守施工操作规程,防止事故发生。
4.2 环保措施施工过程中,注意环境保护,妥善处理废弃物,防止污染环境。
严格执行噪声、扬尘防治措施,降低对周边环境的影响。
5. 施工进度及验收5.1 施工进度按照施工方案和工程量清单,合理安排施工进度,确保土方工程施工按时完成。
土方工程施工完成后,组织相关单位进行验收。
验收内容包括土方工程质量、安全、环保等方面。
验收合格后,方可进入下一道工序。
6. 施工要求及注意事项6.1 施工要求施工过程中,严格按照施工图纸、规范和施工方案进行操作。
技术交底记录
编号001
工程名称新村工程三标段交底日期
施工单位分项工程名称土方开挖
交底提要土方开挖施工技术交底
交底内容:
一、材料及机具要求
1、土方分包施工队准备:挖土机、推土机、铲运机、自卸汽车;(对于以上机械,项目部要求土方施工队根据工程土方量、土方运输距离、开挖速度及土方施工工期,切实确定各种机械的数量,进行合理的调配,保证工程顺利进行)
2、项目分包队准备:手推车、铁锹、小白线、钢卷尺、坡度尺等。
二、作业条件
1、土方开挖前,首先明确地下管线情况,并绘制出管线图,交给施工人员及挖掘机司机若施工中挖到不明管线后,立即停止施工,并及时通知甲方,共同处理解决。
2、设置测量定位。
根据红线桩和水准点,按建筑总平面要求,引测到现场。
设置测量控制网,打出控制基线、轴线和水平基准点,并作好校准和保护。
放出基坑挖土灰线上部边线和底部边线,作好标高控制基准桩,办好预检手续,复核无误后方可开挖。
3、场地清理平整,边坡上口做好防水挡墙,防水挡墙高300mm,用240mm红机砖砌筑,避免雨水流入坑内。
4、夜间施工时,做好照明设施,基坑东、西、北三侧各设置一个镝灯。
在危险地段设明显标志。
合理安排工序,防止错挖或超挖。
5、根据工程地质资料,本工程采用明沟排水降低地下水,边排水边挖土。
6、现场出口铺草袋子,并24小时安排工人对出场车辆进行清扫。
7、办理城XX市容、环卫、交通及渣土消纳等有关手续,确定卸土场(此项由分包队办理)。
三、操作工艺
1、基坑开挖顺序及要求
1.1挖土循环进行,根据开挖深度要求,分三层开挖,每层深度约1.5米。
直到基底设计标高以上30cm 的地方,上面2020随挖土机边挖边清,留10cm待钎探验槽后,垫层施工前人工清槽。
开挖过程中,要求先挖集水坑,再进行大面积开挖,要求边排水边开挖。
排水方法为集水坑、明沟排水,排水沟内填卵石,水泵用1×1×1的钢筋笼保护,外贴一层钢丝网。
1.2土方开挖均按照从西到东、从北到南的顺序进行,保证西侧两区先到底,以便进行流水施工。
挖掘机边挖边退,统一从东、北侧出土。
1.3在施工过程中,对基坑边坡位移实施安全监测,以便根据边坡位移随时间变化规律掌握边坡稳定情况。
1.4通过估算,总土方量大约为75164m³,后期回填土方量为25238m³,故要求留出33862m³的土以备后期填土。
1.5工程预留土为粘土或粉质粘土,埋深大约为
2.5m左右,其余土质(如杂土、素填土等)均运出场外。
1.6工程预留土具体堆放地点及堆放方法:堆放与现场西北侧,高度不要过高,防止影响其下部土质变化。
具体由现场工长确定。
2、具体施工方法
2.1基坑开挖程序:测量放线→切线分层开挖→修坡、整平→留足预留土层。
2.2具体事项:
2.2.1土方开挖过程中,项目安排专业工长、专业测量工、技术人员等随时在现场指挥,出现紧急情况要服从项目工长安排。
2.2.2开挖到大约桩头处时,施工机械需细心进行,小动作下铲,防止碰撞桩体。
3、基坑开挖程序:测量放线→切线分层开挖→修坡、整平→留足预留土层。
1.1、具体事项:1.1.1遵循先深后浅顺序,-
2.6m~-4.6m挖土坡度1:0.3;-7.15m~-4.6m挖土坡度1:1, 自上而下水平分段分层进行,当挖到-4.6m时,水平留出500mm的平台,然后在按照1:1进行放坡开挖,直至坑底。
边挖边检查坑底宽度及坡度,每1.5米左右修一次坡至设计标高再统一修坡清底。
具体剖面见下图。
1.1.2弃土及时运出,基坑边缘1米以内禁止堆放材料及施工机械。
基槽两侧砌好挡水墙防止雨水流入基坑。
1.1.3基坑挖完后应进行验槽,作好记录,如发现地基土质与地质勘察报告、设计要求不符时,应与有关人员研究及时处理。
1.1.4如出现局部坍塌的情况时,采用钢管护坡处理,在坍塌处的坡脚打入钢管,其后用装满石子的草袋护坡;同时,对于塔吊的边坡必要时也进行钢管护坡处理。
四、边坡支护施工
1、修坡及整平
每挖1.5米深时,由人工及时修坡到设计坡度,必须做到坡度平整。
2、预留人工清土层
2、当做分项工程施工技术交底时,应填写“分项工程名称”栏,其他技术交底可不填写。