危险化学品装卸车查验 核准登记表
- 格式:docx
- 大小:14.00 KB
- 文档页数:3
危险化学品装卸安全检查表(总3页)
--本页仅作为文档封面,使用时请直接删除即可--
--内页可以根据需求调整合适字体及大小--
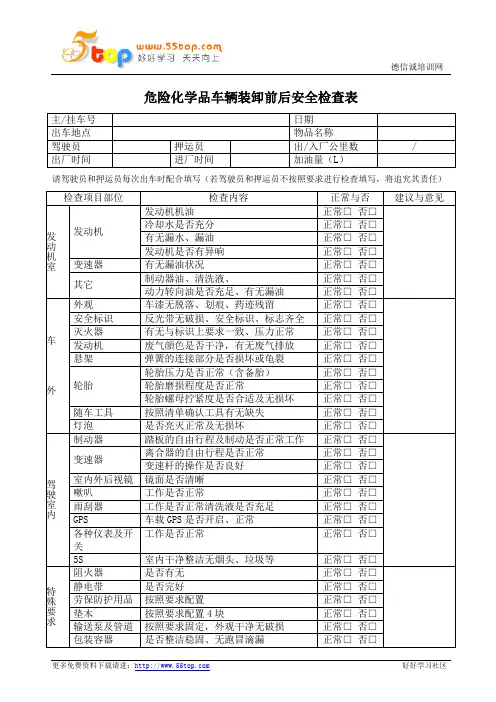
危险货物装卸安全检查表(罐车)
车辆单位:车牌号:装卸时间作业种类:装车□卸车□装卸货物种类:检查人:
危险货物装卸安全检查表(罐车)
车辆单位:车牌号:装卸时间作业种类:装车□卸车□装卸货物种类:检查人:
危险货物装卸安全检查表(罐车)
车辆单位:车牌号:装卸时间作业种类:装车□卸车□装卸货物种类:检查人:
危险货物装卸安全检查表(罐车)
车辆单位:车牌号:装卸时间作业种类:装车□卸车□装卸货物种类:检查人:。