芬克式三角形钢屋架设计说明
- 格式:doc
- 大小:1.23 MB
- 文档页数:26
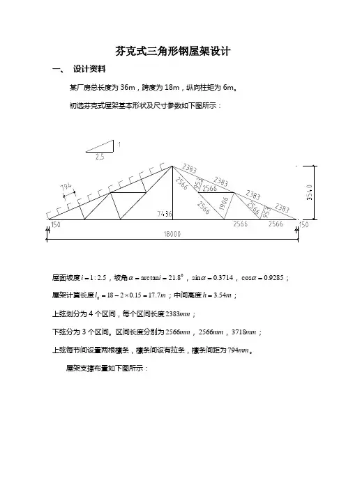
芬克式三角形钢屋架设计一、 设计资料某厂房总长度为36m ,跨度为18m ,纵向柱矩为6m 。
初选芬克式屋架基本形状及尺寸参数如下图所示:屋面坡度5.2:1=i ,坡角08.21arctan ==i α,3714.0sin =α,9285.0cos =α; 屋架计算长度m l 7.1715.02180=⨯-=;中间高度m h 54.3=; 上弦划分为4个区间,每个区间长度mm 2383;下弦分为3个区间。
区间长度分别为mm 2566,mm 2566,mm 3718; 上弦每节间设置两根檩条,檩条间设有拉条,檩条间距为mm 794。
屋架支撑布置如下图所示:1)永久荷载彩色钢板屋面:215.0m kN ; 保温层及灯具:255.0m kN ;屋架及支撑自重按经验公式20.120.011w P =+⨯(跨度)KN/m 计算;檩条重量:209.0m kN ; 2)可变荷载屋面活载 : 27.0m kN ; 雪荷载: 235.0m kN ; 积灰荷载: 20.1m kN二、荷载计算1.荷载标准值计算将沿屋面斜面分布的恒荷载换算为沿水平投影面分布的荷载,应乘以系数077.1cos 1=α。
彩色钢板屋面: 2162.015.0077.1m kN =⨯ 保温层及灯具: 2592.055.0077.1m kN =⨯ 屋架及支撑自重: 2318.018011.012.0m kN =⨯+ 檩条重量: 2097.009.0077.1m kN =⨯ 恒载合计: 2106.1m kN屋面活载 (或雪荷载,两者中取较大值): 27.0m kN ; 积灰荷载: 20.1m kN2、荷载组合由《建筑结构静力计算手册》查表可知,三角形芬克式屋架的腹杆在半跨荷载下内力不变号。
只按全跨荷载计算即可。
节点荷载kN 16.484/960.19.04.17.04.1016.12.1F 1=⨯⨯⨯⨯+⨯+⨯=)( kN 43.464/960.19.04.17.07.04.1106.135.1F 2=⨯⨯⨯⨯+⨯⨯+⨯=)(四、屋架设计1.节点集中荷载计算节点荷载取kN F F 16.481==等效荷载示意图如下示:2.屋架内力计算各杆件内力系数如下图示:各杆件内力设计值中间节点处集中荷载为檩条作用在屋架上弦杆的集中荷载,本例中根据檩条布置位置应取为F/3。
'芬克式三角形钢屋架设计一、 设计资料某厂房总长度为36m ,跨度为18m ,纵向柱矩为6m 。
初选芬克式屋架基本形状及尺寸参数如下图所示:屋面坡度5.2:1=i ,坡角08.21arctan ==i α,3714.0sin =α,9285.0cos =α;[屋架计算长度m l 7.1715.02180=⨯-=;中间高度m h 54.3=; 上弦划分为4个区间,每个区间长度mm 2383;下弦分为3个区间。
区间长度分别为mm 2566,mm 2566,mm 3718; 上弦每节间设置两根檩条,檩条间设有拉条,檩条间距为mm 794。
屋架支撑布置如下图所示:~1)永久荷载彩色钢板屋面:215.0m kN ; 保温层及灯具:255.0m kN ;屋架及支撑自重按经验公式20.120.011w P =+⨯(跨度)KN/m 计算;檩条重量:209.0m kN ; 2)可变荷载屋面活载 : 27.0m kN ; 雪荷载: 235.0m kN ;-积灰荷载: 20.1m kN二、荷载计算1.荷载标准值计算将沿屋面斜面分布的恒荷载换算为沿水平投影面分布的荷载,应乘以系数077.1cos 1=α。
彩色钢板屋面: 2162.015.0077.1m kN =⨯ 保温层及灯具: 2592.055.0077.1m kN =⨯ 屋架及支撑自重: 2318.018011.012.0m kN =⨯+。
檩条重量: 2097.009.0077.1m kN =⨯恒载合计: 2106.1m kN屋面活载 (或雪荷载,两者中取较大值): 27.0m kN ; 积灰荷载: 20.1m kN2、荷载组合由《建筑结构静力计算手册》查表可知,三角形芬克式屋架的腹杆在半跨荷载下内力不变号。
只按全跨荷载计算即可。
节点荷载 ~kN 16.484/960.19.04.17.04.1016.12.1F 1=⨯⨯⨯⨯+⨯+⨯=)(kN 43.464/960.19.04.17.07.04.1106.135.1F 2=⨯⨯⨯⨯+⨯⨯+⨯=)(四、屋架设计1.节点集中荷载计算节点荷载取kN F F 16.481==等效荷载示意图如下示:2.屋架内力计算…各杆件内力系数如下图示:各杆件内力设计值中间节点处集中荷载为檩条作用在屋架上弦杆的集中荷载,本例中根据檩条布置位置应取为F/3。
芬克式三角形钢屋架设计一、 设计资料某厂房总长度为49m ,跨度为18m ,纵向柱矩为7m 。
初选芬克式屋架基本形状及尺寸参数如下图所示:屋面坡度5.2:1=i ,坡角08.21arctan ==i α,3714.0sin =α,9285.0cos =α; 屋架计算长度m l 7.1715.02180=⨯-=;中间高度m h 54.3=; 上弦划分为4个区间,每个区间长度mm 2383;下弦分为3个区间。
区间长度分别为mm 2566,mm 2566,mm 3718; 上弦每节间设置两根檩条,檩条间设有拉条,檩条间距为mm 794。
屋架支撑布置如下图所示:荷载标准值(水平投影面计) 1)永久荷载彩色钢板屋面:20.15/kN m ; 保温层及灯具:20.55/kN m ;屋架及支撑自重按经验公式20.120.011w P =+⨯(跨度)KN/m 计算;檩条重量:20.09/KN m ;70007000×5 700070007000×570002) 可变荷载屋面活载 : 20.7/kN m ; 雪荷载: 20.25/kN m ; 积灰荷载: 20.8/kN m二、荷载计算1.荷载标准值计算将沿屋面斜面分布的恒荷载换算为沿水平投影面分布的荷载,应乘以系数077.1cos 1=α。
彩色钢板屋面: 21.0770.150.162/kN m ⨯= 保温层及灯具: 21.0770.550.592/kN m ⨯=屋架及支撑自重: 20.120.011180.318/kN m +⨯= 檩条重量: 21.0770.090.097/KN m ⨯= 恒载合计: 21.169/kN m屋面活载 (或雪荷载,两者中取较大值): 20.7/kN m ; 积灰荷载: 20.8/kN m2、荷载组合由《建筑结构静力计算手册》查表可知,三角形芬克式屋架的腹杆在半跨荷载下内力不变号。
只按全跨荷载计算即可。
节点荷载1(1.2 1.169 1.40.7 1.40.90.8)79/453.41F KN =⨯+⨯+⨯⨯⨯⨯= 2(1.35 1.169 1.40.70.7 1.40.90.8)79/451.54F KN =⨯+⨯⨯+⨯⨯⨯⨯=四、屋架设计1.节点集中荷载计算节点荷载取153.41F F KN ==等效荷载示意图如下示:2.屋架内力计算各杆件内力系数如下图示:53.41各杆件内力设计值中间节点处集中荷载为檩条作用在屋架上弦杆的集中荷载,本例中根据檩条布置位置应取为F/3。
[芬克式屋架模板]芬克式屋架1.设计资料某车间厂房总长度约为60米,跨度为15m。
车间设有两台30吨中级工作制吊车。
车间无腐蚀性的介质。
该车间为单跨双坡封闭式厂房,屋架采用三角形芬克式钢屋架。
屋面坡度为1:3,屋架间距为6m,屋架下弦标高为9米,其两端铰支于钢筋混凝土柱上,上柱截面尺寸为400mm×400mm,混泥土强度等级为c30。
屋面采用彩色压型钢屋板加保温层屋面,c型檩条,檩距为1.2~2.6米。
结构的重要度系数为γ=1.0,屋面的恒荷载的标准值为2.0kn/㎡。
屋面的活荷载为0.45kn/㎡,不考虑积灰荷载、风荷载,不考虑全跨荷载积雪不均匀分布状况。
屋架采用q235b,焊条采用e43型。
2.屋架形式及几何尺寸屋架形式及几何尺寸如图檩条支承于屋架上弦节点。
屋架坡角为α=arctan⅓=18.435º檩距为2.582m。
图1屋架形式和几何尺寸3.支撑的布置上、下弦横向水平支撑设置在厂房两端和中部的同一柱间,并在相应开间的屋架跨中设置垂直支撑,在其余开间的屋架上弦跨中设置一道通长的刚性细杆,下弦跨中设置一道通长的柔性细杆。
在下弦两端设纵向水平支撑。
支撑的布置见图2。
图2支撑的布置图4.檩条布置檩条设置在屋架上弦的每个节点上,间距2.582m。
因屋架间距为6.0m,所以在檩条跨中设一道直拉条。
在屋脊和屋檐分别设置斜拉条和撑杆。
5.荷载标准值上弦节点恒荷载标准值p1=2×2.582×6×3/√10=29.6kn上弦节点雪荷载标准值p2=0.45×2.582×6×3/√10=6.7kn由檩条传给屋架上弦节点的恒荷载如图3图3上弦节点恒荷载由檩条传给屋架上弦节点的雪荷载如图4图4上弦节点雪荷载6.内力组合内力组合见表—18.节点设计8.1杆件焊缝尺寸的计算屋架各杆件的角钢背面的距离z0’如图表-4,表中z0’为杆件重心线至角钢背面的距离8.3节点的设计8.3.1支座节点图5支座节点”1”(1)上弦杆的节点连接计算a.支座底板的计算支座反力r=4p=4*29.6kn=118.4kn设a,b取240mm,则a1=√2*120=169cm,b1=a1/2=84.5cm 锚栓孔径d=50mma0=5256.6mm2底板的承压面积a=240*240-5256.6=52343.4mm2底板下的应力q=r/an=52343.4mm2=2.32支座厚度t=√6m/f=√6*3975.69/204.25=10.81,取16mm加劲肋计算加劲肋厚度取与节点相同。
芬克式三角形钢屋架设计设计资料某厂房总长度为49n,跨度为18m纵向柱矩为7n。
初选芬克式屋架基本形状及尺寸参数如下图所示:屋面坡度 i 1:2.5,坡角arctani 21.80, sin 0.3714, cos 0.9285 ;屋架计算长度l o 18 2 0.15 17.7m ;中间高度h 3.54m ;上弦划分为4个区间,每个区间长度2383mm ;下弦分为3个区间。
区间长度分别为2566mm, 2566mm,3718mm ;上弦每节间设置两根檩条,檩条间设有拉条,檩条间距为794mm。
屋架支撑布置如下图所示:荷载标准值(水平投影面计)1)永久荷载彩色钢板屋面:0.15kN /m 2 ; 保温层及灯具:0.55kN /m 2;屋架及支撑自重按经验公式(P w 0.12 0.011跨度)KN/m 2计算; 檩条重量:0.09KN/m 2 ;7000 7000 X5 7000t ----- 1 --------------------------------- f2) 可变荷载屋面活载 : 雪荷载: 积灰荷载:荷载计算1.荷载标准值计算将沿屋面斜面分布的恒荷载换算为沿水平投影面分布的荷载, 21.077 0.15 0.162kN/m 2 1.077 0.55 0.59NN/m 220.12 0.011 18 0.318 kN /m 1.077 0.09 0.097 KN / m 21.169kN /m20.8kN /m 22 、荷载组合由《建筑结构静力计算手册》查表可知,三角形芬克式屋架的腹杆在半跨 荷载下内力不变号。
只按全跨荷载计算即可。
节点荷载F 1 (1.2 1.169 1.4 0.7 1.4 0.9 0.8) 7 9/4 53.41KNF 2 (1.35 1.169 1.4 0.7 0.7 1.4 0.9 0.8) 7 9/4 51.54KN四、屋架设计1.节点集中荷载计算0.7kN /m 2 ; 0.25kN/m 2 ;20.8kN /m应乘以系数1.077 cos 彩色钢板屋面:保温层及灯具: 屋架及支撑自重: 檩条重量: 恒载合计:屋面活载(或雪荷载,两者中取较大值)20.7kN积灰荷载:节点荷载取F F153.41KN等效荷载示意图如下示:2. 屋架内力计算各杆件内力系数如下图示:各杆件内力设计值中间节点处集中荷载为檩条作用在屋架上弦杆的集中荷载,本例中根据檩条布置位置应取为F/3。
课程设计(论文)题目15米跨度三角形钢屋架设计作者班级学号指导教师设计任务分配:屋架跨度15米,柱距7.5米,屋架采用三角形屋架芬克型腹杆。
2013 年6月21 日钢屋架设计计算一、设计资料屋面采用三角形钢屋架、石棉水泥波形瓦屋面(重量200N/m2),轻钢檩条及拉条(重量100N/m2)。
钢屋架两端支撑于钢筋混凝土柱上,上柱截面为400×400(砼等级C25)。
基本风压W0=350N/m2,屋面均布活载或雪载为500N/m2,积灰荷载为100~500N/m2,无抗震要求。
钢屋架材料为Q235-B钢,焊条采用E43型,手工焊接。
该厂房横向跨度为15m,房屋长度为120m,柱距(屋架间距)为7.5m,屋面坡度为1/3。
二、屋架布置及几何尺寸屋面坡度为i=1:3,屋面倾角α=arctg(1/3)=18.435°,sinα=0.3162,cosα=0.9487屋架计算跨度 l0 =l-300=15000-300=14700mm屋架跨中高度 h= l0×i/2=14700/(2×3)=2450mm上弦长度 L=l0/2cosα≈7747mm节间长度 a=L/6=7747/6≈1291mm节间水平段投影尺寸长度 a'=acosα=1291×0.9487=1225mm根据几何关系,得屋架各杆件的几何尺寸如图1所示屋架几何尺寸图三、(1)支撑布置(2)屋面檩条及其支撑波形石棉瓦长1520mm,要求搭接长度≥150mm,且每张瓦至少要有三个支撑点,因此最大的檩条间距为amax p =mm685131501520=--半跨屋面所需檩条数np =根3.12168561291=+⨯考虑到上弦平面横向支撑节点处必须设置檩条,为了便于布置,实际取半跨屋面檩条数13根,则檩条间距为:a p =685mm=a5.64511361291<=-⨯可以满足要求。
三、荷载计算1、荷载永久荷载石棉水泥波形瓦屋面 200N/m2 =0.2 KN/m2轻钢檩条及拉条 100N/m2 =0.1 KN/m2屋架及支撑自重 282N/m2 =0.282 KN/m2小计∑0.582 KN/m2可变荷载均布活载或雪载 500N/m2=0.50 KN/m2积灰荷载 175N/m2=0.175 KN/m21)全跨屋面恒荷载作用下上弦集中恒荷载标准值P'1=0.582×7.5×0.6455×103=2.67KN上弦节点恒荷载P1=2 P'1=2×2.67=5.34KN2)全跨雪荷载和灰荷载作用下上弦节点雪荷载和灰荷载P'2=0.675×7.5×0.6455×103=3.10KN上弦集中雪荷载和灰荷载标准值P2=2 P'2=2×3.10=6.20KN假定基本组合由可变荷载效应控制,则上弦节点荷载设计值为1.2×5.34+1.4×6.2=15.09KN 若基本组合由永久荷载效应控制,则上弦节点荷载设计值为 1.35×5.34+1.4×0.7×6.2=13.29KN。
课程设计(论文)题目15米跨度三角形钢屋架设计作者班级学号指导教师设计任务分配:屋架跨度15米,柱距7.5米,屋架采用三角形屋架芬克型腹杆。
2013 年6月21 日钢屋架设计计算一、设计资料屋面采用三角形钢屋架、石棉水泥波形瓦屋面(重量200N/m2),轻钢檩条及拉条(重量100N/m2)。
钢屋架两端支撑于钢筋混凝土柱上,上柱截面为400×400(砼等级C25)。
基本风压W0=350N/m2,屋面均布活载或雪载为500N/m2,积灰荷载为100~500N/m2,无抗震要求。
钢屋架材料为Q235-B钢,焊条采用E43型,手工焊接。
该厂房横向跨度为15m,房屋长度为120m,柱距(屋架间距)为7.5m,屋面坡度为1/3。
二、屋架布置及几何尺寸屋面坡度为i=1:3,屋面倾角α=arctg(1/3)=18.435°,sinα=0.3162,cosα=0.9487屋架计算跨度 l0 =l-300=15000-300=14700mm屋架跨中高度 h= l0×i/2=14700/(2×3)=2450mm上弦长度 L=l0/2cosα≈7747mm节间长度 a=L/6=7747/6≈1291mm节间水平段投影尺寸长度 a'=acosα=1291×0.9487=1225mm根据几何关系,得屋架各杆件的几何尺寸如图1所示屋架几何尺寸图三、(1)支撑布置(2)屋面檩条及其支撑波形石棉瓦长1520mm,要求搭接长度≥150mm,且每张瓦至少要有三个支撑点,因此最大的檩条间距为amax p =mm685131501520=--半跨屋面所需檩条数np =根3.12168561291=+⨯考虑到上弦平面横向支撑节点处必须设置檩条,为了便于布置,实际取半跨屋面檩条数13根,则檩条间距为:a p =685mm=a5.64511361291<=-⨯可以满足要求。
三、荷载计算1、荷载永久荷载石棉水泥波形瓦屋面 200N/m2 =0.2 KN/m2轻钢檩条及拉条 100N/m2 =0.1 KN/m2屋架及支撑自重 282N/m2 =0.282 KN/m2小计∑0.582 KN/m2可变荷载均布活载或雪载 500N/m2=0.50 KN/m2积灰荷载 175N/m2=0.175 KN/m21)全跨屋面恒荷载作用下上弦集中恒荷载标准值P'1=0.582×7.5×0.6455×103=2.67KN上弦节点恒荷载P1=2 P'1=2×2.67=5.34KN2)全跨雪荷载和灰荷载作用下上弦节点雪荷载和灰荷载P'2=0.675×7.5×0.6455×103=3.10KN上弦集中雪荷载和灰荷载标准值P2=2 P'2=2×3.10=6.20KN假定基本组合由可变荷载效应控制,则上弦节点荷载设计值为1.2×5.34+1.4×6.2=15.09KN 若基本组合由永久荷载效应控制,则上弦节点荷载设计值为 1.35×5.34+1.4×0.7×6.2=13.29KN。
芬克式三角形钢屋架设计一、 设计资料某厂房总长度为36m ,跨度为18m ,纵向柱矩为6m 。
初选芬克式屋架基本形状及尺寸参数如下图所示:屋面坡度5.2:1=i ,坡角08.21arctan ==i α,3714.0sin =α,9285.0cos =α; 屋架计算长度m l 7.1715.02180=⨯-=;中间高度m h 54.3=; 上弦划分为4个区间,每个区间长度mm 2383;下弦分为3个区间。
区间长度分别为mm 2566,mm 2566,mm 3718; 上弦每节间设置两根檩条,檩条间设有拉条,檩条间距为mm 794。
屋架支撑布置如下图所示:1)永久荷载彩色钢板屋面:215.0m kN ; 保温层及灯具:255.0m kN ;屋架及支撑自重按经验公式20.120.011w P =+⨯(跨度)KN/m 计算;檩条重量:209.0m kN ; 2)可变荷载屋面活载 : 27.0m kN ; 雪荷载: 235.0m kN ; 积灰荷载: 20.1m kN二、荷载计算1.荷载标准值计算将沿屋面斜面分布的恒荷载换算为沿水平投影面分布的荷载,应乘以系数077.1cos 1=α。
彩色钢板屋面: 2162.015.0077.1m kN =⨯ 保温层及灯具: 2592.055.0077.1m kN =⨯ 屋架及支撑自重: 2318.018011.012.0m kN =⨯+ 檩条重量: 2097.009.0077.1m kN =⨯ 恒载合计: 2106.1m kN屋面活载 (或雪荷载,两者中取较大值): 27.0m kN ; 积灰荷载: 20.1m kN2、荷载组合由《建筑结构静力计算手册》查表可知,三角形芬克式屋架的腹杆在半跨荷载下力不变号。
只按全跨荷载计算即可。
节点荷载kN 16.484/960.19.04.17.04.1016.12.1F 1=⨯⨯⨯⨯+⨯+⨯=)( kN 43.464/960.19.04.17.07.04.1106.135.1F 2=⨯⨯⨯⨯+⨯⨯+⨯=)(四、屋架设计1.节点集中荷载计算节点荷载取kN F F 16.481==等效荷载示意图如下示:2.屋架力计算各杆件力系数如下图示:各杆件力设计值中间节点处集中荷载为檩条作用在屋架上弦杆的集中荷载,本例中根据檩条布置位置应取为F/3。
轻型屋面三角形钢屋架设计说明书一、 设计资料及说明设计一位于杭州市近郊的单跨屋架结构(封闭式),要求结构合理,制作方便,安全经济。
1、单跨屋架,平面尺寸为:36m ×9m ,柱距S=4m ;2、屋面材料:波形石棉瓦(1820×725×8);3、屋面坡度i=1∶3,恒载0.6kN/mm 2,活(雪)载0.3kN/mm 2;4、屋架支承在钢筋混凝土柱顶,混凝土标号C20,柱顶标高6m ;5、钢材标号:Q235-B.F ;6、焊条型号:E43型;7、荷载计算按全跨永久荷载+全跨可变荷载(不包括风荷载),荷载分项系数取: γG =1.2,γQ =1.4。
一、 屋架形式及几何尺寸三角形钢屋架多用于屋面坡度较大的屋盖结构中,根据屋面的排水要求,上弦坡度一般为i=1/2~1/3。
三角形芬克式轻型钢屋架一般均为平面桁架式,其构造简单,受力明确,腹杆长杆受拉,短杆受压,受力较小,且制作方便,易于划分运送单元,适用于坡度较大的构件自防水屋盖。
此设计采用六节间的三角形芬克式轻钢屋架。
屋面坡度i=1∶3,于是屋面倾角43.18)31arctan(==α3162.0sin =α 9487.0cos =α屋架计算跨度: L 0=L-300=9000-300=8700mm屋架跨中高度: mm i L h 145032870020=⨯=⨯=上弦长度: mm L l 45859487.028700cos 200=⨯==α上弦节间长度: mm l l 15283==上弦节间水平投影长度:mm l a 14509487.01528cos =⨯=⋅=α根据已知几何关系,求得屋架各杆件的几何长度如图1所示(因对称,仅画出半榀屋架)。
图1 屋架杆件的几何长度(mm)三、屋架支撑布置 (一)屋架的支撑1.在房屋两端第一个柱间各设置一道上弦平面横向支撑和下弦平面横向支撑(如图2)。
2.在与横向支撑同一柱间的屋架长压杆D-2和D-2′处各设置一道垂直支撑,以保证长压杆平面的计算长度符合规范要求。
芬克式三角形钢屋架设计一、 设计资料某厂房总长度为36m ,跨度为18m ,纵向柱矩为6m 。
初选芬克式屋架基本形状及尺寸参数如下图所示:屋面坡度5.2:1=i ,坡角08.21arctan ==i α,3714.0sin =α,9285.0cos =α; 屋架计算长度m l 7.1715.02180=⨯-=;中间高度m h 54.3=; 上弦划分为4个区间,每个区间长度mm 2383;下弦分为3个区间。
区间长度分别为mm 2566,mm 2566,mm 3718; 上弦每节间设置两根檩条,檩条间设有拉条,檩条间距为mm 794。
屋架支撑布置如下图所示:1)永久荷载彩色钢板屋面:215.0m kN ; 保温层及灯具:255.0m kN ;屋架及支撑自重按经验公式20.120.011w P =+⨯(跨度)KN/m 计算;檩条重量:209.0m kN ; 2)可变荷载屋面活载 : 27.0m kN ; 雪荷载: 235.0m kN ; 积灰荷载: 20.1m kN二、荷载计算1.荷载标准值计算将沿屋面斜面分布的恒荷载换算为沿水平投影面分布的荷载,应乘以系数077.1cos 1=α。
彩色钢板屋面: 2162.015.0077.1m kN =⨯ 保温层及灯具: 2592.055.0077.1m kN =⨯ 屋架及支撑自重: 2318.018011.012.0m kN =⨯+ 檩条重量: 2097.009.0077.1m kN =⨯ 恒载合计: 2106.1m kN屋面活载 (或雪荷载,两者中取较大值): 27.0m kN ; 积灰荷载: 20.1m kN2、荷载组合由《建筑结构静力计算手册》查表可知,三角形芬克式屋架的腹杆在半跨荷载下内力不变号。
只按全跨荷载计算即可。
节点荷载kN 16.484/960.19.04.17.04.1016.12.1F 1=⨯⨯⨯⨯+⨯+⨯=)( kN 43.464/960.19.04.17.07.04.1106.135.1F 2=⨯⨯⨯⨯+⨯⨯+⨯=)(四、屋架设计1.节点集中荷载计算节点荷载取kN F F 16.481==等效荷载示意图如下示:2.屋架内力计算各杆件内力系数如下图示:各杆件内力设计值中间节点处集中荷载为檩条作用在屋架上弦杆的集中荷载,本例中根据檩条布置位置应取为F/3。
三角形钢屋架课程设计1 设计背景1.1 设计资料1.建筑物基本条件厂房长度96檐口高度15m。
厂房为单层单跨结构,内设有两台中级工作制桥式吊车。
拟设计钢屋架,简支于钢筋混凝土柱上,柱的混凝土强度等级为C20。
柱顶截面尺寸为400mm mm⨯。
钢屋架设计可不考虑抗震设防。
三角形(芬克式)屋架跨度、400柱距、屋面坡度、钢材型号见下表,屋面材料为波形石棉瓦(自重0.202kN m),厂房长度为96m,雪荷载为0.55 2kN m。
参数表2、设计题目(1)三角形钢屋架(b)1)属有檩体系:檩条采用槽钢,跨度为6m,跨中设有一根拉条φ10。
2)屋架屋面做法及荷载取值(荷载标准值):永久荷载:波形石棉瓦自重 0.20 kN/m2檩条及拉条自重 0.20 kN/m2保温木丝板重 0.25 kN/m2钢屋架及支撑重 (0.12+0.011⨯跨度) kN/m2可变荷载:雪荷载 0.55kN/m2屋面活荷载 0.40 kN/m2积灰荷载 0.30 kN/m 2 注:1、以上数值均为水平投影值;1.2 屋架形式图12 设计方案2.1 檩条设计根据屋面材料的最大容许檩距,可将檩条布置于上弦节点上(见上图1),檩距为节间长度。
在檩条的跨中设置一道拉条。
选用[18a 槽钢截面,由型钢表查得,x W =141.43cm ,y W =20.03cm ,x I =1272.74cm 。
1.荷载计算(对轻屋面,可只考虑可变荷载效应控制的组合)永久荷载:(坡面)沿屋面分布的永久荷载应乘以1/αcos =15.22+/2.5=1.077 波形石棉瓦自重: 0.20×2.555⨯1.077=0.550kN m 檩条和拉条自重: 0.20×2.555⨯1.077=0.550kN m 保温木丝板自重: 0.25×2.555⨯1.077=0.688kN mk g =1.788kN m 4可变荷载:(由于屋面活荷载为0.402m kN 小于雪荷载0.552m kN 故可不考虑屋面活荷载,只考虑雪荷载。
轻型屋面三角形钢屋架设计说明书学生:王山虎指导教师:付建科(三峡大学机械与材料学院)1 简介三角形屋架多用于屋面坡度较大的有檩条屋盖,屋面材料为波形石棉瓦、钢板或铝板等,坡度一般在16~13。
按腹杆布置又分为芬克式,单向斜杆式及人字式。
芬克式屋架的特点是将上弦分为等距离节间,短腹杆受压,长腹杆受拉,受力合理,是三角形屋架中常用的经济形式。
单向斜杆式屋架的腹杆总长度较大,节点数量较多,斜腹杆受拉,竖杆受压,受力不够合理,下弦节点距离相等适于吊顶,但杆件交角较小,构造上不宜处理,制作不够经济,人字形屋架上、下弦杆可任意分割布置节点,但斜杆有受拉和受压的可能,受力不确定,但腹杆数量少,较为经济。
2 设计资料及说明:设计一位于市近郊的单跨屋架结构(封闭式),要求结构合理,制作方便,安全经济。
1、单跨屋架,平面尺寸分别为:36m×12m,柱距S=4m。
2、屋面材料:波形石棉瓦(1820×725×8)。
3、屋面坡度1:2.5。
4、屋架支承在钢筋混凝土柱顶,混凝土标号C20,柱顶标高6m。
5、钢材标号:Q235-B.F 。
设计强度f=215kN/m 26、焊条型号:E43型。
7、屋架承受的荷载:(1)恒载:20.9kN m ;(2)活(雪)载: 20.6/kN m 8、荷载计算按全跨永久荷载+全跨可变荷载(不包括风荷载)考虑,荷载分项系数取:γG =1.2,γQ =1.4 。
3 屋架杆件几何尺寸的计算基于三角形屋架各腹杆布置的特点和设计的要求,选用芬克式八节三角形屋架。
3.1 屋架尺寸屋架的计算跨度:o l =12000-2×150=11700mm ;屋面倾角:()12.521.8arctg α==o ,sin 0.3714,cos 0.9285αα== 屋架跨中高度:h=11700/(2×2.5)=23400mm 上弦长度:L=o l /(2cos α)=6300mm. 节间长度:a=6300/4=1575mm根据已知几何关系,求得屋架各杆件的几何长度如图所示:图、屋架杆件几何尺寸(mm )上弦节间水平投影长度:'1575cos 1462a mm α==3.2 屋盖支撑布置3.2.1 屋架的支撑在房屋两端第一个之间各设置一道上弦平面横向支撑和下弦平面横向支撑。
轻型屋面三角形钢屋架设计说明书学 生:李 维 指导老师:付建科(三峡大学 机械与材料学院)一、 设计资料及说明设计一位于杭州市近郊的单跨屋架结构(封闭式),要求结构合理,制作方便,安全经济。
1、单跨屋架,平面尺寸为:36m ×9m ,柱距S=4m ; 2、屋面材料:波形石棉瓦(1820×725×8); 3、屋面坡度i=1∶,恒载0.9kN/m 22;4、屋架支承在钢筋混凝土柱顶,混凝土标号C20,柱顶标高6m ;5、钢材标号:Q235-B.F ;6、焊条型号:E43型;7、荷载计算按全跨永久荷载+全跨可变荷载(不包括风荷载),荷载分项系数取: γG =1.2,γQ =1.4。
二、屋架形式及几何尺寸三角形钢屋架多用于屋面坡度较大的屋盖结构中,根据屋面的排水要求,上弦坡度一般为i=1/2~1/3。
三角形芬克式轻型钢屋架一般均为平面桁架式,其构造简单,受力明确,腹杆长杆受拉,短杆受压,受力较小,且制作方便,易于划分运送单元,适用于坡度较大的构件自防水屋盖。
此设计采用六节间的三角形芬克式轻钢屋架。
屋面坡度i=1∶,于是屋面倾角︒==.821).521arctan(α 3714.0sin =α 9285.0cos =α屋架计算跨度: L 0=L-300=9000-300=8700mm屋架跨中高度: mm i L h 1740.522870020=⨯=⨯=上弦长度: mm L l 46859285.028700cos 200=⨯==α上弦节间长度: mm l l 15623==上弦节间水平投影长度:mm l a 14509285.01562cos =⨯=⋅=α根据已知几何关系,求得屋架各杆件的几何长度如图1所示(因对称,仅画出半榀屋架)。
图1 屋架杆件的几何长度(mm)三、屋架支撑布置 (一)屋架的支撑1.在房屋两端第一个柱间各设置一道上弦平面横向支撑和下弦平面横向支撑(如图2)。
三角形钢屋架课程设计1 三角形钢屋架课程设计任务书1.1 设计题目设计某市郊区某机械加工单层单跨厂房的三角形屋架 1.2 设计资料某机械加工厂房,设有两台工作级别A4的软钩吊车,建筑平面示意图如图1所示,屋面材料采用上下两层多波形压型钢板,中间用20mm 厚矿渣棉板保温层,屋面离地面高度约为图1 建筑平面示意图1.3 设计题号设计题目如表1所示。
表1 三角形钢屋架课程设计题号各建筑地点的雪荷载标准值为:北京0.402kN m ;南宁0;上海0.202kN m ;重庆0;沈阳0.502kN m ;拉萨0.152kN m 。
各建筑地点的基本风压:北京0.452kN m ;南宁0.352kN m ;上海0.552kN m ;重庆0.402kN m ;沈阳0.552kN m ;拉萨0.302kN m 。
1.4 设计内容(1)选择钢屋架的材料; (2)确定钢屋架的几何尺寸; (3)屋架及屋盖支撑的布置; (4)檩条的设计; (5)钢屋架的设计; (6)绘制钢屋架施工图。
1.5 参考资料 (1)《钢结构设计规范》(GB50017~2003)。
(2)《建筑结构荷载规范》(GB50009~2001)。
(3)《建筑抗震设计规范》(GB50011~2001)。
(4)《建筑结构可靠度设计统一标准》(GB50068~2001) (5)《建筑结构制图标准》(GB —T50101—2001) (6)《建筑结构设计术语和符号标准》(G B /T50083—97) (7)《钢结构设计手册》,罗邦富等,中国建筑工业出版社,1988。
(8)《钢结构》(第二版),魏忠明主编,武汉理工大学出版社,2002。
2、三角形钢屋架课程设计指导书参见梯形钢结构屋架课程实际指导书3、三角形钢屋架课程设计实例3.1 设计资料三角形(芬克式)屋架跨度24m ,间距6m ,屋面材料为压型钢板(自重0.122kN m ),屋面坡度1/2.5,厂房长度为60m 。
轻型屋面三角形钢屋架设计说明书1 简介三角形屋架多用于屋面坡度较大的有檩条屋盖,屋面材料为波形石棉瓦、钢板或铝板等,坡度一般在16~13。
按腹杆布置又分为芬克式,单向斜杆式及人字式。
芬克式屋架的特点是将上弦分为等距离节间,短腹杆受压,长腹杆受拉,受力合理,是三角形屋架中常用的经济形式。
单向斜杆式屋架的腹杆总长度较大,节点数量较多,斜腹杆受拉,竖杆受压,受力不够合理,下弦节点距离相等适于吊顶,但杆件交角较小,构造上不宜处理,制作不够经济,人字形屋架上、下弦杆可任意分割布置节点,但斜杆有受拉和受压的可能,受力不确定,但腹杆数量少,较为经济。
2 设计资料及说明:设计一位于郑州市的单跨屋架结构(封闭式),要求结构合理,制作方便,安全经济。
1、单跨屋架,平面尺寸分别为:96m×12m,柱距S=6m。
2、屋面材料:压型钢板。
3、屋面坡度1:2.5。
4、屋架支承在钢筋混凝土柱顶,混凝土标号C30,柱为混凝土柱尺寸为450mm*450mm。
5、钢材标号:Q235-B。
设计强度f=215kN/m26、焊条型号:E43型。
7、屋架承受的荷载:(1)恒载:0.45KN/m²;(2)活(雪)载:0.5KN/m²。
8、荷载计算按全跨永久荷载+全跨可变荷载(不包括风荷载)考虑,荷载分项系数取:γG =1.2,γQ =1.4 。
3 屋架杆件几何尺寸的计算基于三角形屋架各腹杆布置的特点和设计的要求,选用芬克式八节三角形屋架。
3.1 屋架尺寸屋架的计算跨度:o l =12000-2×150=11700mm ;屋面倾角:()12.521.8arctg α==,sin 0.3714,cos 0.9285αα== 屋架跨中高度:h=11700/(2×2.5)=23400mm 上弦长度:L=o l /(2cos α)=6300mm. 节间长度:a=6300/4=1575mm根据已知几何关系,求得屋架各杆件的几何长度如图所示:图、屋架杆件几何尺寸(mm )上弦节间水平投影长度:'1575cos 1462a mm α==3.2 屋盖支撑布置3.2.1 屋架的支撑在房屋两端第一个之间和中间各设置一道上弦平面横向支撑和下弦平面横向支撑。
芬克式三角形钢屋架设计一、 设计资料某厂房总长度为36m ,跨度为18m ,纵向柱矩为6m 。
初选芬克式屋架基本形状及尺寸参数如下图所示:屋面坡度5.2:1=i ,坡角08.21arctan ==i α,3714.0sin =α,9285.0cos =α; 屋架计算长度m l 7.1715.02180=⨯-=;中间高度m h 54.3=; 上弦划分为4个区间,每个区间长度mm 2383;下弦分为3个区间。
区间长度分别为mm 2566,mm 2566,mm 3718; 上弦每节间设置两根檩条,檩条间设有拉条,檩条间距为mm 794。
屋架支撑布置如下图所示:1)永久荷载彩色钢板屋面:215.0m kN ; 保温层及灯具:255.0m kN ;屋架及支撑自重按经验公式20.120.011w P =+⨯(跨度)KN/m 计算;檩条重量:209.0m kN ; 2)可变荷载屋面活载 : 27.0m kN ; 雪荷载: 235.0m kN ; 积灰荷载: 20.1m kN二、荷载计算1.荷载标准值计算将沿屋面斜面分布的恒荷载换算为沿水平投影面分布的荷载,应乘以系数077.1cos 1=α。
彩色钢板屋面: 2162.015.0077.1m kN =⨯ 保温层及灯具: 2592.055.0077.1m kN =⨯ 屋架及支撑自重: 2318.018011.012.0m kN =⨯+ 檩条重量: 2097.009.0077.1m kN =⨯ 恒载合计: 2106.1m kN屋面活载 (或雪荷载,两者中取较大值): 27.0m kN ; 积灰荷载: 20.1m kN2、荷载组合由《建筑结构静力计算手册》查表可知,三角形芬克式屋架的腹杆在半跨荷载下内力不变号。
只按全跨荷载计算即可。
节点荷载kN 16.484/960.19.04.17.04.1016.12.1F 1=⨯⨯⨯⨯+⨯+⨯=)( kN 43.464/960.19.04.17.07.04.1106.135.1F 2=⨯⨯⨯⨯+⨯⨯+⨯=)(四、屋架设计1.节点集中荷载计算节点荷载取kN F F 16.481==等效荷载示意图如下示:2.屋架内力计算各杆件内力系数如下图示:各杆件内力设计值中间节点处集中荷载为檩条作用在屋架上弦杆的集中荷载,本例中根据檩条布置位置应取为F/3。
则檩条集中荷载作用时mkNlFM⋅=⨯⨯⨯⨯==83.11)cos3794.0(16.4891331α端节点弯矩mkNMM⋅==46.98.01其他节间的正弯矩和节点负弯矩 m kN M M ⋅±=±=10.76.0023.上弦杆截面设计整个上弦杆采用等截面,按最大内力杆AB N N =max 设计kN N AB 67.453-=(压杆) 杆端m kN M ⋅=46.91,m kN M ⋅-=10.72选用角钢2L100×16等肢相拼成T 形截面,(其中a=12mm ,为节点板厚度,根据《钢结构课程设计》P23表2-3选用)226.59cm A n =cmi x 98.2=cmi y 72.4=3162.171cm W x =3264.75cm W x = cm Z 06.30=上弦杆是压弯构件 1)强度验算223623/215/1551064.752.11010.71026.591067.453mm N mm N W M A N nx x x n <=⨯⨯⨯-+⨯⨯-=+γ 故强度满足要求 2)稳定验算a. 由正弯矩控制的平面内 长细比:[]15093.791098.237940=<=⨯⨯==λλx x x i l , 绕X 轴屈曲时属于b 类截面,查表可得 688.0=x ϕkN EA N xEx68.171293.791.110026.591006.214.31.125222=⨯⨯⨯⨯⨯=='λπ 构件产生反向曲率85.0=mx β∴)1068.17121067.4538.01(1062.17105.11046.985.01026.59688.01067.453)8.01(3336231⨯⨯⨯-⨯⨯⨯⨯+⨯⨯⨯='-+Exx x x mx x N N W M A N γβϕ 22/215/86.164mm N mm N <= 满足要求 较小翼缘受拉区:)1068.17121067.45325.11(1064.752.11046.985.01026.591067.453)25.11(3336232⨯⨯⨯-⨯⨯⨯⨯-⨯⨯='--Exx x x mx N N W M A N γβ 22/215/73.71mm N mm N <= 满足要求 b. 由负弯矩控制的平面外由于受压弦杆侧向支撑点间距1l 为节间长度l 的2倍,且 BC AB N N ≠(《钢结构设计规范》P51(5.3.1)式) 则mm N N l l y 4717)67.45385.43525.075.0(23794)25.075.0(1210=⨯+⨯⨯⨯=+= 9.992.4747170===y yy i l λ 3.27100471758.058.025.6161000=⨯=<==b l t b y 换算长细比 (《钢结构设计规范》P41(5.1.2-6a )式)[]15069.100)164717100475.01(9.99)475.01(2242204=<=⨯⨯+⨯=+=λλλt l b y y yz 绕y 轴屈曲时处于b 类截面 由41.110=yz λ查表可得 553.0=y ϕ 构件产生反向曲率85.0=tx β 翼缘受拉且腹板 182351825.6=<=y f t b 故 950.02350005.01=-=yyb f λϕ362311062.171947.01010.785.011026.59553.01067.453⨯⨯⨯⨯⨯+⨯⨯⨯=+x b x tx y W M A N ϕβηϕ 22/215/57.175mm N mm N <= 满足要求 3)上弦填板的设置(《钢结构设计规范》P43 5.1.5条)查型钢表,一个角钢对于平行于填板的自身形心轴的回转半径i=2.98cm ,则40i=119.2cm 。
上弦节间长度为238.3cm 。
每节间设一块填板,间距为238.3/2=119.15cm<119.2cm.填板尺寸1101270⨯⨯-。
(《钢结构课程设计》P23)4.下弦杆截面设计整个下弦杆采用等截面,故按最大内力AF N N =max 设计kN N AF 4.421= mm l x 25660= 025*******y l mm =⨯= 所需杆件截面积 2236.191960215104.421cm mm f N A ==⨯== 选用角钢2L70×45×5短肢相拼成T 形截面 查表可得:22.23cm A n = cm i x 38.1= cm i y 95.3= 对于拉杆 []3509.18538.16.2560=<===λλx x x i l []3509.12995.32.5130=<===λλyy y i l 2223/215/6.181102.23104.421mm N mm N A N n <=⨯⨯==σ 均满足要求,故下弦杆所选钢材满足设计要求3)下弦填板的设置(《钢结构设计规范》P43 5.1.5条)查型钢表,一个角钢对于平行于填板的自身形心轴的回转半径i=2.33cm ,则80i=186.4cm 。
下弦节间AF 、FG 长度为256.6cm 。
每节间设一块填板,间距为238.3/2=128.3cm<186.4cm.下弦节间GJ 长度为371.8cm 。
每节间设两块填板,间距为371.8/3=123.9cm<186.4cm.填板尺寸801270⨯⨯-。
(《钢结构课程设计》P23)5.腹杆截面设计1) 腹杆EG 在节点H 处不断开,采用通长杆件kN N N EH 6.180max == kN N GH 4.120=mm l l x 25660== mm mm l l l y 513225662210=⨯===所需杆件截面积223840840215106.180cm mm f N A ==⨯== 选用角钢2L45×5相拼组成T 形截面 查表可得:258.8cm A n = cm i x 37.1= cm i y 34.2= 对于拉杆 []3503.18737.16.2560=<===λλx x x i l []3503.21934.22.5130=<===λλyy y i l 2223/215/2101058.8106.180mm N mm N A N n <=⨯⨯==σ均满足要求,故腹杆EG 所选钢材满足设计要求 填板设置按8080 1.37109.6i cm =⨯=GH 、HE 各设置两块,256.6/3=85.5cm<109.6cm 填板尺寸601270⨯⨯-。
2) 腹杆CF 和CH 选用单角钢L45×5kN N 2.60=,m m 053256628.08.00=⨯==l l x ,mm l l y 25660==所需杆件截面积2238.2280215102.60cm mm f N A ==⨯== 查表可得:229.4cm A n = cm i x 37.1= cm i y 881.0= 对于拉杆 []3509.14937.120530=<===λλx x x i l []35025.29181.825660=<===λλyy y i l 2223/215/32.1401029.4102.60mm N mm N A N n <=⨯⨯==σ 均满足要求,故腹杆CF 和CH 所选钢材满足设计要求 3) 对于腹杆BF 和DHkNN 79.44-=(压杆),786.4m m 9538.08.00=⨯==l l x ,mm l l y 9530== 初选单角钢L56×8 237.8cm A n =,cm i x 68.1=,cm i y 881.0=,[]2008.468.164.7860=<===λλx x x i l []2001.9009.13.980=<===λλyy y i l19.95695354.07856=⨯<==t b 换算长细比 []2001.103)85.01(2204=<=+=λλλtl b y y yz 由于y yz λλ>,所以只求y ϕ,由yz λ查表可得:536.0=y ϕ223/215/83.99837536.01079.44mm N mm N A N n y <=⨯⨯==ϕσ 强度、稳定性均满足要求,故所选钢材满足设计要求。