形位公差表标准【新版】
- 格式:docx
- 大小:35.85 KB
- 文档页数:7
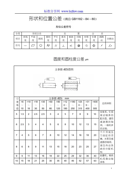
公差与配合形位公差表公差与配合(摘自GB1800~1804-79)1.基本偏差系列及配合种类.2.标准公差值及孔和轴的极限偏差值基本尺寸mm公差等级IT5 IT6 IT7 IT8 IT9 IT10 IT11 IT12轴的极限偏差(基本尺寸由于大于10至315mm)形状和位置公差(摘自GB1182~1184-80)形位公差符号分类形状公差位置公差项目直线度平面度圆度圆柱度平行度垂直度倾斜度同轴度对称度位置度圆跳动全跳动符号圆度和圆柱度公差μm主参数d(D)图例公差等级主参数d(D) mm应用举例>6~10>10~18>18~30>30~50>50~80>80~120>120~180>180~250>250~315>315~400>400~5005 1.5 2 2.5 2.5 3 4 5 7 8 9 10安装E、C级滚动轴承的配合面,通用减速器的轴颈,一般机床的主轴。
6 2.5 3 4 4 5 6 8 10 12 13 157 4 5 6 7 8 10 12 14 16 18 20千斤顶或压力油缸的活塞,水泵及减速器的轴颈,液压传动系统的分配机构8 6 8 9 11 13 15 18 20 23 25 279 9 11 13 16 19 22 25 29 32 36 40 起重机、卷扬机用滑动轴承等10 15 18 21 25 30 35 40 46 52 57 63直线度和平面度公差μm 主参数L图例公差等级主要参数L mm应用举例≤10>10~16>16~25>25~40>40~63>63~100>100~160>160~250>250~400>400~6305 2 2.5 3 4 56 8 10 12 15普通精度的机床导轨6 3 4 5 6 8 10 12 15 20 257 5 6 8 10 12 15 20 25 30 40轴承体的支承面,减速器的壳体,轴系支承轴承的接合面8 8 10 12 15 20 25 30 40 50 609 12 15 20 25 30 40 50 60 80 100辅助机构及手动机械的支承面,液压管件和法兰的连接面10 20 25 30 40 50 60 80 100 120 150平行度、垂直度和倾斜度公差μm主参数L、d (D)图例公差等级主参数L、d(D)mm应用举例≤10>10~16>16~25>25~40>40~63>63~100>100~160>160~250>250~400>400~6305 56 8 10 12 15 20 25 30 40 垂直度用于发动机的轴和离合器的凸缘,装D、E级轴承和装C、D级轴承之箱体的凸肩6 8 10 12 15 20 25 30 40 50 60 平行度用于中等精度钻模的工作面,7~10级精度齿轮传动壳体孔的中心线7 12 15 20 25 30 40 50 60 80 100 垂直度用于装F、G 级轴承之壳体孔的轴线,按h6与g6连接的锥形轴减速机的机体孔中心线8 20 25 30 40 50 60 80 100 120 150 平行度用于重型机械轴承盖的端面、手动传动装置中的传动轴同轴度、对称度、圆跳动和全跳动公差确良μm 主参数d(D)、B、L图例公差等级主参数d(D)、B、Lmm应用举例>3~6 >6~10>10~18>18~30>30~50>50~120>120~250>250~5005 3 4 56 8 10 12 15 6和7级精度齿轮轴的配合面,较高精度的快速轴,较高精度机床的轴套6 5 6 8 10 12 15 20 257 8 10 12 15 20 25 30 40 8和9级精度齿轮轴的配合面,普通精度高速轴(100r/min 以下),长度在1m 以下的主传动轴,起重运输机的鼓轮配合孔和导轮的滚动面M 12 15 20 25 30 40 50 60 表面粗糙度表面粗糙度R a值的应用范围粗糙度代号光洁度代号表面形状、特征加工方法应用范围ⅠⅡ除净毛刺铸、锻、冲压、热轧、冷轧用于保持原供应状况的表面微见刀痕粗车,刨,立铣,平铣,钻毛坯粗加工后的表面可见加工痕迹车,镗,刨,钻,平铣,立铣,锉,粗铰,磨,铣齿比较精确的粗加工表面,如车端面、倒角微见加工痕迹车,镗,刨,铣,刮1~2点/cm2,拉,磨,锉滚压,铣齿不重要零件的非结合面,如轴、盖的端面,倒角,齿轮及皮带轮的侧面、平键及键槽的上下面,轴或孔的退刀槽看不见加工痕迹车,镗,刨,铣,铰,拉,磨,滚压,铣齿,刮1~2点/cm2IT12级公差的零件的结合面,如盖板、套筒等与其它零件联接但不形成配合的表面,齿轮的非工作面,键与键槽的工作面,轴与毡圈的摩擦面可辨加工痕迹的方向车,镗,拉,磨,立铣,铰,滚压,刮3~10点/cm2IT8~IT12级公差的零件的结合面,如皮带轮的工作面,普通精度齿轮的齿面,与低精度滚动轴承相配合的箱体孔微辨加工痕迹的方向铰,磨,镗,拉,滚压,刮3~10点/cm2IT6~IT8厅级公差的零件的结合面;与齿轮、蜗轮、套筒等的配合面;与高精度滚动轴承相配合的轴颈;7级精度大小齿轮的工作面;滑动轴承轴瓦的工作面;7~8 级精度蜗杆的齿面不可辨加工痕迹的方向布轮磨,磨,研磨,超级加工IT5、IT6级公差的零件的结合面,与C级精度滚动轴承配合的轴颈;3、4、5级精度齿轮的工作面暗光泽面超级加工仪器导轨表面;要求密封的液压传动的工作面;塞的外表面;活汽缸的内表面为▽5,R a的最大允许值取6.3。
形位公差表
内容来源网络,由“深圳机械展(11万㎡,1100多家展商,超10万观众)”收集整理!
更多cnc加工中心、车铣磨钻床、线切割、数控刀具工具、工业机器人、非标自动化、数字化无人工厂、精密测量、3D打印、激光切割、钣金冲压折弯、精密零件加工等展示,就在深圳机械展.
直线度、平面度公差值(摘自GB/T1184-1996)
授课:XXX
平行度、垂直度、倾斜度公差值(摘自GB/T1184-1996)
授课:XXX
圆度、圆柱度度公差值(摘自GB/T1184-1996)
授课:XXX
同轴度、对称度、圆跳动度和全跳动度公差值(摘自GB/T1184-1996)
授课:XXX
内容来源网络,由“深圳机械展(11万㎡,1100多家展商,超10万观众)”收集整理!
更多cnc加工中心、车铣磨钻床、线切割、数控刀具工具、工业机器人、非标自动化、数字化无人工厂、精密测量、3D打印、激光切割、钣金冲压折弯、精密零件加工等展示,就在深圳机械展.
(注:可编辑下载,若有不当之处,请指正,谢谢!)
授课:XXX。
形状和位置公差(摘自GB1182-84-80)
形位公差符号
圆度和圆柱度公差μm
主参数d(D) mm
>18>30>50 >80>12>180>25>31>400
直线度和平面度公差μm 公主要参数L mm
平行度、垂直度和倾斜度公差μm
(D)图例
同轴度、对称度、圆跳动和全跳动公差确定μm
表面粗糙度
值的应用范围
表面粗糙度R
注:1. 粗糙度代号I为第一种过渡方式。
它是取新国标中相应最靠近的下一档的第1系列值,如原光洁度(旧国标)为▽5,R a的最大允许值取6.3。
因此,在不影响原表面粗糙要求的情况下,取该值有利于加工。
2. 粗糙度代号Ⅱ为第2种过渡方式。
它是取新国标中相应最靠近的上一档的第1系列值,如原光洁度为▽5,
R a的最大允许值取3.2。
因此,取该值提高了原表面粗糙度的要求和加工的成本。
形位公差符号介绍
下面是关于形位公差符号的介绍图:
定向公差符号
1、平行度(∥)用来控制零件上被测要素(平面或直线)相对于基准要素(平面或直线)的方向偏离0°的要求,即要求被测要素对基准等距。
2、垂直度(⊥)用来控制零件上被测要素(平面或直线)相对于基准要素(平面或直线)的方向偏离90°的要求,即要求被测要素对基准成90°。
3、倾斜度(∠)用来控制零件上被测要素(平面或直线)相对于基准要素(平面或直线)的方向偏离某一给定角度(0°——90°)的程度,即要求被测要素对基准成一定角度(除90°外)。
定位公差符号
1、同轴度(◎)用来控制理论上应该同轴的被测轴线与基准轴线的不同轴程度。
2、对称度符号是中间一横长的三条横线,一般用来控制理论上要求共面的被测要素(中心平面、中心线或轴线)与基准要素(中心平面、中心线或轴线)的不重合程度。
3、位置度符号是带互相垂直的两直线的圆,用来控制被测实际要素相对于其理想位置的变动量,其理想位置由基准和理论正确尺寸确定。
跳动公差符号
1、圆跳动符号为一带箭头的斜线,圆跳动是被测实际要素绕基准轴线作无轴向移动、回转一周中,由位置固定的指示器在给定方向上测得的最大与最小读数之差。
2、全跳动符号为两带箭头的斜线,全跳动是被测实际要素绕基准轴线作无轴向移动的连续回转,同时指示器沿理想素线连续移动,由指示器在给定方向上测得的最大与最小读数之差。
形位公差表
形位公差符号介绍
下面是关于形位公差符号的介绍图:
定向公差符号
1、平行度(∥)用来控制零件上被测要素(平面或直线)相对于基准要素(平面或
直线)的方向偏离0°的要求,即要求被测要素对基准等距。
2、垂直度(⊥)用以掌控零件上被测要素(平面或直线)相对于基准要素(平面或
直线)的方向偏移90°的建议,即为建议被测要素对基准成90°。
3、倾斜度(∠)用来控制零件上被测要素(平面或直线)相对于基准要素(平面或
直线)的方向偏离某一给定角度(0°――90°)的程度,即要求被测要素对基准成一定
角度(除90°外)。
定位公差符号
1、同轴度(◎)用来控制理论上应该同轴的被测轴线与基准轴线的不同轴程度。
2、等距度符号就是中间一图幅的三条横线,通常用以掌控理论上建议共面的被测要
素(中心平面、中心线或轴线)与基准要素(中心平面、中心线或轴线)的不能重合程度。
3、位置度符号是带互相垂直的两直线的圆,用来控制被测实际要素相对于其理想位
置的变动量,其理想位置由基准和理论正确尺寸确定。
跳动公差符号
1、圆跳动符号为一带箭头的斜线,圆跳动是被测实际要素绕基准轴线作无轴向移动、回转一周中,由位置固定的指示器在给定方向上测得的最大与最小读数之差。
2、全系列跳动符号为两拎箭头的斜线,全系列跳动就是被测实际要素拖基准轴线二
百九十三轴向移动的已连续调头,同时指示器沿理想素线已连续移动,由指示器在取值方
向上测出的最小与最轻读数之差。
公差/值(tolerance/value) ['tɔlərəns] ['vælju:]基本尺寸(basic size) ['beisik]偏差(deviation) [,di:vi'eiʃən]上/下偏差(upper/lower deviation) ['ʌpə] ['ləuə]配合/间隙配合/过盈配合/过渡配合(fit/clearance fit/interference fit/ transition fits) ['fit] ['kliərəns] [,intə'fiərəns] [træn'siʒən, -'ziʃən, trɑ:n-]单/双边公差(unilateral/bilateral tolerance) [,ju:ni'lætərəl] [,bai'lætərəl]标准/精度公差(standard/ precision tolerance) ['stændəd] [pri'siʒən]基准/特征/点/线/平面/轴线(datum/feature/point/line/ plane/axis) ['deitəm] ['fi:tʃə] [pɔint] [plein] ['æksis]最大/小材料状态(M/LMC=maximum/least material condition) ['mæksiməm] [li:st] [mə'tiəriəl] [kən'diʃən]理论正确尺寸(theoretical size ) [,θiə'retikəl, ,θi:ə-]基本尺寸(basic dimension) [di'menʃən]直径/半径(diameter/radius) [dai'æmitə] ['reidiəs]直线度(straightness) ['streitnis]平面度(flatness) ['flætnis]圆度(circularity) [,sə:kju'lærəti]圆柱度(cylindricity)线轮廓度(profile of a line) ['prəufail]面轮廓度(profile of a surface) ['sə:fis] 表面;表层;外观['prəufail]轮廓;外形定向公差(orientation tolerance) [,ɔ:rien'teiʃən, əu-]平行度(parallelism) ['pærəlelizəm]垂直度(perpendicularity) ['pə:pen,dikju'læriti]倾斜度(角度) (angularity) [,æŋɡju'lærəti]位置度(position)对称度(symmetry) ['simitri]同轴度(同心度) (concentricity) [kɔnsen'trisiti]圆跳动(circular runout) ['sə:kjulə] ['rʌnaut]全跳动(total runout) ['təutəl] 全部的;完全的;整个的.总数,合计坐标尺寸(coordinate dimensioning) [kəu'ɔ:dinit] [di'menʃəniŋ]尺寸标注;标示尺寸几何尺寸(geometric dimensioning) [dʒiəu'metrik]拔模斜度(draft angle) [drɑ:ft, dræft] ['æŋɡl]分型线(parting line) ['pɑ:tiŋ]外圆角/内圆角拔模斜度(rounds/fillets draft) [raunds] ['filits]肋材和尖角(rib and corner) [rib] ['kɔ:nə]顶/测/端视图(top/side/ end view) [tɔp] [vju:]。
形位公差的分类、项目、符号国家标准规定的形状公差的特征项目分为形状公差和位置公差两大类,共 14 个,它们的名称和符号如下表所示。
形位公差的定义直线度 - 所有点都在一条直线上的情况,公差由两条平行线形成的区域来指定平面度 - 表面上所有的点都在一个平面上,公差由两个平行平面形成的区域来表示。
圆度 - 表面上所有点都在圆周上。
公差由两个同心圆限制的区域来指定。
圆柱度 - 旋转表面上的所有点都与公共轴等距。
圆柱公差制定了两个同心圆柱所形成的公差区域,此旋转表面必须在此区域中。
轮廓度 - 控制不规则的表面、线条、弧形或普通位面的定义公差方式。
轮廓可适用于单个线条元件或者零件的整个表面。
轮廓公差指定了沿着实际轮廓的唯一边界。
倾斜度 - 表面与轴处于指定角度的情况(与数据平面或轴的角度不是90度)。
公差区域是由两个平行平面定义的,这两个平行平面与数据平面或轴成指定的基本角度。
垂直度 - 表面或轴与数据平面或轴成直角的情况。
垂直公差指定了下列情况之一:由垂直于数据平面或轴的两个平面定义的区域,或者由垂直与数据轴的两个平行平面所定义的区域。
平行度 - 表面与轴上所有点与数据平面或轴等距的情况。
平行度公差指定了下列情况之一:平行于数据平面或轴的两个平面或线定义的区域,或者其轴平行于数据轴的圆柱公差区域。
同轴度 - 旋转表面的所有交叉可组合元素的轴,是数据特征的公共轴。
同心度公差指定了其轴与数据轴一致的圆柱公差区域。
位置度 - 位置度公差定义了允许其中中心轴或者中心平面偏离真正(理论上正确)位置的区域。
基本尺寸建立了从数据特征和相互关联的特征之间的真正位置。
位置误差是,特征与其正确位置间,总的可允许的位置偏移量。
对于孔和外部直径这样的圆柱特征来说,位置度公差通常是特征轴必须在其中的公差区域的直径。
对于不是圆的特征(如槽和短小的突出物)来说,位置度公差是特征的中心平面必须在其中的公差区域的总宽度。
圆跳动 - 提供对表面圆形元素的控制。
形位公差表
内容来源网络,由“深圳机械展(11万㎡,1100多家展商,超10万观众)”收集整理!
更多cnc加工中心、车铣磨钻床、线切割、数控刀具工具、工业机器人、非标自动化、数字化无人工厂、精密测量、3D打印、激光切割、钣金冲压折弯、精密零件加工等展示,就在深圳机械展.
直线度、平面度公差值(摘自GB/T1184-1996)
平行度、垂直度、倾斜度公差值(摘自GB/T1184-1996)
圆度、圆柱度度公差值(摘自GB/T1184-1996)
同轴度、对称度、圆跳动度和全跳动度公差值(摘自GB/T1184-1996)
内容来源网络,由“深圳机械展(11万㎡,1100多家展商,超10万观众)”收集整理!
更多cnc加工中心、车铣磨钻床、线切割、数控刀具工具、工业机器人、非标自动化、数字化无人工厂、精密测量、3D打印、激光切割、钣金冲压折弯、精密零件加工等展示,就在深圳机械展.。