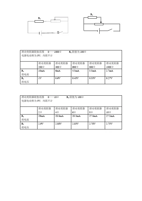
滑动变阻器阻值范围
- 格式:doc
- 大小:668.50 KB
- 文档页数:10
1.如图1所示电路,电源电压保持不变,当
闭合开关S,调节滑动变阻器阻值从最大变
化到最小,两个电阻的“U﹣I”关系图象如图2
中的甲、乙所示.根据图2可知,滑动变阻
器则电源电压为_________V,定值电阻
R1的阻值为_________Ω,R2的阻值变化
范围为_________Ω.
2.如图所示电路中,滑动变阻器的阻值变化范围是0~20欧,
电源电压为4.5伏.当电流表的示数是0.5A时,电压表的示数是
2V.已知电流表的量程是0~0.6A,电压表的量程是0~3V.为
了不损坏两个电表,求滑动变阻器可连入电路的阻值范围.
3.如图所示,电源电压保持不变.滑动变阻器R2的滑片P在移动过程中,电压表的示数变化范围是0~4伏,电流表的示数变化范围是0.5~1安,求:电源电压、电阻R1的阻值和变阻器R2的最大阻值.
4.如图所示,电源电压为12V,且保持不变,电阻R1=20Ω,滑动变阻器R2的最大阻值为20Ω,则当滑动片P在滑动变阻器上滑动时,电流表、电压表上示数变化的最大范围分别是多少?
5.如图甲所示的电路中,电源电压保持不变,S闭合
后,在滑动变阻器的滑片P由B端移动到A端的过程
中,测得电阻R1两端的电压与通过电阻R1的电流的变
化关系如图乙所示.求:
(1)电源的电压;(2)滑动变阻器的最大阻值;
(3)电阻R1消耗的电功率的变化范围.
6.如图所示,定值电阻R1的阻值18Ω,滑动变阻器R2的最大阻值为
150Ω,电源电压为18V,电流表选择0~0.6A量程,电压表的量程
为0~15V.为了保证电路各元件安全,滑动变阻器R2的阻值变化范
围为()。
滑动变阻器范围问题详解例题:如图所示,电源电压恒为4.5V ,定值电阻R 1规格为“10Ω 0.5A ”,滑动变阻器R 2规格为“20Ω 1A ”,电流表的量程为0~0.6A ,两个电压表的量程均为0~3V ,在保证电路安全的条件下,问:滑动变阻器的阻值范围以及电表取值范围?解析:详细过程如下:(1)先定性分析变化情况,再根据欧姆定律定量计算: 滑片滑向 滑动变阻器阻值R 2电流I定值电阻电压U 1 滑变电压U 2 向右变化 变(大) 变(小) 变(小)变(大) 定量 R 2max =I min = U 1min =U 2max =向左变化变(小) 变(大) 变(大) 变(小) 定量R 2min =I max =U 1max =3VU 2min =序号 原理 分析或演算过程1 R 总=U 总/I 当滑片向右滑动,阻值变(大),总电阻变(大),电流变(小)2 U 1=IR 1 定值电阻阻值不变,电流(小),定值电阻两端电压变(小)3 U 2=U -U 1 根据串联分压,电源电压U (不变),U 1(小),所以U 2变(大)4 由题意可知 表V 2的量程为0~3V ,所以U 2max 两端电压最大为(3V )5 U 1=U -U 2 计算可得:U 1min =4.5V -3V=1.5V 6I =U 1/R 1计算可得:I 1min = U 1/ R 1=1.5V/10Ω=0.15A 7最大值R 2max =U 2max /I min =3V/0 .15A=20ΩR 总=U 总/I min =4.5V/0.15A=30Ω U 2=U -U 1=4.5V -1.5V=3V8 I =U 1/R 1 表V 1量程决定U 1max =3V ,I max =U 1max /R 1=3V/10Ω=0.3A 9U 2=U -U 1U 2min =U -U 1max =4.5V -3V=1.5V 10最小值R 2min =U 2min /I max =1.5V/0.3A=5ΩR 总=U 总/I max =4.5V/0.3A=15Ω U 2=U -U 1=4.5V -3V=1.5V真题演练1.(2023四川达州)如图所示,灯泡规格为“5V2.5W ”(灯丝电阻不随温度变化),滑动变阻器规格① ②③ ⑦⑥ ⑤ ④⑧⑩ ⑨为“50Ω1A”,电流表所选量程为“0~0.6A”,电压表所选量程为“0~3V”,电源电压恒为9V,闭合开关,在保证电路中各元件安全的情况下,下列表述正确的是()A.该电路消耗的最大功率为4.5WB.滑动变阻器允许连入电路的阻值范围为8Ω~50ΩC.通过移动滑动变阻器的滑片可以使小灯泡正常发光D.滑动变阻器两端的电压变化范围为6V~7.5V【答案】D2.(2023四川遂宁)如图甲所示电路,电源电压恒定,R1为定值电阻,滑动变阻器R2铭牌上标有“120Ω 0.8A”的字样,电流表量程0~0.6A,电压表量程0~15V。
如何求滑动变阻器的取值范围2019-10-07在初中物理电学的学习中,有⼀类习题经常要求确定接⼊电路中滑动变阻器的取值范围.滑动变阻器在电路中的作⽤主要是通过改变连⼊电路的电阻,进⽽改变电路中的电压和电流,其次是保护电路.滑动变阻器保护电路,受到⽤电器规格及电流表或电压表量程的限制,于是,要求滑动变阻器接⼊电路中的电阻必须控制在⼀定的范围内,使电路中的电表、⽤电器等元件不会因超过量程⽽损坏.此类问题具有较强的综合性、逻辑性,需要同时考虑诸多因素,因此成为电学学习的⼀个难点.同学们在解决此类问题时,经常感到⽆从下⼿,或者因考虑不周,思维⽚⾯⽽造成错解.下⾯笔者对此问题进⾏归类分析,希望能对你有所帮助.影响滑动变阻器取值范围的限制⼀般有四个:滑动变阻器最⼤阻值及允许通过的最⼤电流、电流表量程、电压表量程、⼩灯泡额定电压及额定电流.⼀、⽤电器与滑动变阻器串联此种情况有两种电路模式:如图A和图B.⽐较模式A和模式B可知它们的相同之处:都是定值电阻与滑动变阻器串联;不同之处:电压表是测定值电阻两端电压还是滑动变阻器两端电压.在图A中,当滑⽚P移动时,电压表与电流表的⽰数变化趋势相同,并且当⼀只电表的⽰数达到最⼤(或最⼩)值时,另⼀只电表的⽰数也相应达到某⼀最⼤(或最⼩)值.若将图A中的电压表改测滑动变阻器两端的电压,如图B所⽰,则电压表与电流表的⽰数变化趋势相反,即当⼀只电表的⽰数达到最⼤(或最⼩)值时,另⼀只电表的⽰数相应达到最⼩(或最⼤)值.理解这两种电路模式,可使解题速度与准确率⼤⼤提⾼.例1.如图1所⽰的电路中,电源电压U=6V且保持不变,灯泡电阻为8Ω,R是标有“20Ω1A”字样的滑动变阻器,电流表的量程为0~0.6A,电压表的量程为0~3V,为保证两电表都安全使⽤,滑动变阻器接⼊电路阻值的变化范围是多少?错解:S闭合后,灯L与R串联,电流相等.由于电流表允许通过的最⼤电流是0.6A,由欧姆定律I=U/R可知,R总最⼩时,I最⼤,R总=U/I=6V/0.6A=10Ω,⽽串联电路中R总=RL+R故有变阻器的最⼩电阻值Rmin=R总-RL=10Ω-8Ω=2Ω.所以,滑动变阻器接⼊电路的阻值范围是2Ω~20Ω.分析:造成上述解法错误的原因是认为电流表可以达到最⼤量程0.6A,其实这是错误的,当电流表⽰数为0.6A时,电压表的⽰数应该为UL=0.6A×8Ω=4.8V>3V,此时电压表就会烧坏,所以这种情况下应该以电压表的量程为准.正解:当电压表⽰数为3V时,电路中电流达到最⼤值,此时滑动变阻器分压也为3V,根据分压公式UL/UR=RL/R,可知,Rmin= 8Ω.因此,滑动变阻器阻值变化范围是8Ω~ 20Ω.锦囊妙计:此电路属于图A模式,滑动变阻器取最⼩值时电流表和电压表的⽰数最⼤,所以要综合考虑电流表和电压表所选的量程,以它们所给的量程为已知条件,确定滑动变阻器的最⼩值.⾄于滑动变阻器的最⼤值即滑动变阻器能够接⼊电路的最⼤阻值.例2.标有“4V 1 W”的⼩灯泡和“20Ω1A”的滑动变阻器,连接在如图2所⽰的电路中,已知电源电压为6V,电流表量程为“0~0.6A”,电压表量程为“0~3V”.为确保电路安全,闭合开关时,滑动变阻器接⼊电路的阻值应控制在什么范围内?(不考虑温度对电阻的影响)错解:由于电流表最⼤量程是0.6A,电压表的最⼤量程是3V,根据欧姆定律I=U/ R,得,R滑最⼩时,I最⼤,所以滑动变阻器的最⼩值为R滑=U/I=3V/0.6A=5Ω,因此,滑动变阻器接⼊电路的阻值范围是5Ω~20Ω.分析:错误原因在哪⼉呢?原来本题中有两个容易被忽略的条件:⼀个是“4V 1W”的⼩灯泡正常发光时的电流是I=P/U=1W/4V=0.25A正解:当⼩灯泡正常发光时,电路中的电流达到最⼤.此时根据欧姆定律I=U/R,可知,R总=U总/I=6V/0.25A=24Ω,所以滑动变阻器接⼊电路的最⼩值Rmin=R总-RL= 24Ω-16Ω=8Ω;当电压表⽰数为3V时,滑动变阻器接⼊电路的阻值为最⼤值,根据分压公式UL/UR=RL/R,可知,Rmax=RL=16Ω.因此,滑动变阻器接⼊电路的阻值范围为8Ω~16Ω.锦囊妙计:此电路属于图B模式,如果给滑动变阻器并联⼀个电压表,则应考虑电压表的所选量程,以所选量程为已知条件,再结合其它条件可求出滑动变阻器接⼊电路的最⼤值.⼆、⽤电器与滑动变阻器并联例3 .在如图3所⽰的电路中,电阻R1=12Ω,R2为0~20Ω的变阻器,合上开关后,电压表的⽰数为6V,如果A表的量程为0~3A,A1表的量程为0~0.6A,为了不使电表损坏,滑动变阻器连⼊电路的阻值应在什么范围?错解:设通过两电流表A、A1的电流均达到其量程,则通过变阻器的电流为I2=I-I1=3A-0.6A=2.4A.R2接⼊电路的最⼩阻值为R2=U/ I2= 6V/2.4A=2.5Ω.分析:错解的原因是认为通过两电流表的电流都能达到最⼤量程,实际上电流表A1的⽰数I1=U/R1=6V/12Ω=0.5A,因此A1的⽰数不变,达不到最⼤量程.变阻器R2的滑⽚移动时,只能改变R2中电流的⼤⼩,故本题只要考虑通过A表的电流不超过3A即可.正解:电流表A1的⽰数I1=U/R1=6V/ 12Ω=0.5A,根据并联电路的特点,则I=I1+U/R2=0.5A+6V/R2≤3A.解得R2≥2.4Ω,所以滑动变阻器接⼊电路的阻值范围为2.4Ω~20Ω.锦囊妙计:两⽤电器并联时,各⽀路的电流表不⼀定都能达到量程,只要考虑⼲路的电流表达到量程即可.从上述三例可以看出,在涉及滑动变阻器接⼊电路的阻值范围时,应认真审题,科学分析,全⾯考虑,解题过程要灵活.因为试题是多变的,所以思路应该是发散的.尽管⽅法是不同的,但知识是永恒的.只要掌握核⼼思想,就能遇乱不惊,沉稳应对.注:本⽂为⽹友上传,不代表本站观点,与本站⽴场⽆关。
人教版九年级物理电学专题之极值和取值范围强化训练48题有答案姓名:__________ 班级:__________一、滑动变阻器接入电阻的范围1.最大阻值:首先应先进行分析,若随着变阻器阻值的增大,各电表的示数在减小,则变阻器允许的最大阻值即为变阻器铭牌中标注的最大值;若串联电路中,有电压表并联在滑动变阻器两端,则应利用电压表的量程最大值、电路电流值,求变阻器允许的最大阻值,即Rmax=U电压表max/I2.最小阻值:应先确定电路中允许的电流最大值,确定的依据是:电流表的量程、滑动变阻器的铭牌、用电器的额定电流以及并联在用电器两端的电压量程,利用这四者分别求出每一条件下允许的最大电流,取四者中最小的,作为电路中允许的最大电流,然后再根据滑动变阻器之外的用电器两端电压、电源电压来计算滑动变阻器的最小阻值,即Rmin=(U电源-U额)/Imin二、电路的电流、电压的极值1.电路电流的极值:a.电路最大电流:依据电路中用电器的额定电流、电流表的量程来决定,取两者中的最小值作为电路的最大电流值;b.电路最小电流:依据滑动变阻器接入电路的最大阻值决定,此时电路中的总电阻最大,由I=U/R可知此时电路中电流为最小电流:Imin=U电源/R总最大2.用电器两端电压的极值a.最大电压:依据用电器的额定电压,电压表的量程来决定,取两者中的最小阻值作为用电器两端的最大电压值;b.一般是求滑动变阻器的最小电压,此时要根据滑动变阻器之外的用电器的额定电压或电压表的量程来决定,此时要注意电路安全问题,即要注意在变阻器之外的用电器在不超过其额定值及电压表量程的情况下来取最小电压。
三、电路、用电器消耗电功率的极值:根据电路、用电器中各自最大(小)的物理量即可求得。
1. 最大(小)电压、电流值,则有P=UI2.最大(小)电压值、电阻值,则有P=U²/R3.最大(小)电流值,电阻值,则有P=12R一、单选题(共32题)1.如图是小白同学所设计的四种发热器的电路,所用的电源电压相同,R1>R2,四个电路中消耗的总电功率最大的是()A. B. C. D.2.如图甲所示,R1的阻值是20Ω,滑动变阻器R2消耗的功率P与其电阻R2的关系图象如图乙所示,则R2消耗的最大功率是()A. 0.45WB. 0.50WC. 0.80WD. 0.90W3.如图所示,电源电压为4.5 V,电压表量程为“0~3 V”,电流表量程为“0~0.6 A”,滑动变阻器规格为“101 A”,小灯泡L标有“2.5 V 1.25 w”(灯丝电阻不变)。
滑动变阻器题型归类1. 滑动变阻器的铭牌问题例1. 某个滑动变阻器的铭牌上标有“60Ω2A”的字样,它表示的意义是____________。
解析:滑动变阻器的铭牌说明了该变阻器的电气规格。
60Ω表示该滑动变阻器的最大阻值,同时说明该滑动变阻器的阻值可以在0~60Ω的范围内连续变化。
2A表示该滑动变阻器所允许通过的最大电流为2A,超过2A的电流通过滑动变阻器时将损坏或者烧毁滑动变阻器。
总结:解答此类问题的关键是正确认识铭牌上字母的含义。
而滑动变阻器是通过改变接入电路中的电阻线的长度来改变接入电路的电阻的大小的,因此它不是一个定值电阻,所以不能说该滑动变阻器的阻值为60Ω。
2. 滑动变阻器的原理问题例2. 滑动变阻器是通过改变什么来改变电阻的()A. 电阻线的长度B. 电阻线的材料C. 电阻线的横截面积D. 电阻线接在电路中的长度解析:本题主要考查滑动变阻器的原理。
滑动变阻器的原理是通过改变接入电路中的电阻线的长度来改变接入电路的电阻,从而改变电路中的电流。
因此选择D。
总结:本题解题的关键是理解滑动变阻器的原理,知道滑动变阻器在电路中的作用。
如果对于滑动变阻器的原理一知半解,就会错误的选择A,其实滑动变阻器中电阻线的长度是不会改变的,改变的只是接入电路中电阻线的长度。
3. 滑动变阻器的连接方式例3. 如图所示是滑动变阻器的结构示意图,若滑片向左移动后,电阻变大,则接入电路中的接线方式为()A. a、bB. a、cC. b、dD. a、d解析:滑动变阻器的接线柱应该选用“一上一下”,故A错误;而当a接线柱接入电路后,无论另外一个接线柱选用c还是d,当滑片向左移动时,都会使得电阻变小,故C正确。
总结:本题考查的是滑动变阻器的接线方式以及接入电路中电阻部分的判断。
只要我们掌握了这些规则,做起来也很容易。
4. 滑动变阻器在实际电路中的作用例4. 如图所示,是一种自动测定油箱内油面高度的装置,R是电阻,R'是滑动变阻器,从油量表(由电流表改装而成)指针所指的刻度就可以知道油面的高度,它的工作过程是()A. 油面升高,R'变大,油量表的指针偏转较小B. 油面升高,R'变小,油量表的指针偏转较大C. 油面降低,R'变小,油量表的指针偏转较大D. 油面降低,R'变大,油量表的指针偏转较大解析:R'是滑动变阻器,当油面升高时,浮标随着上升,浮标的上升会使金属片向滑动变阻器的下端移动,从而使滑动变阻器R'接入电路的电阻变小,电流值变大,油量表(电流表)的指针偏转较大;当油面下降时,浮标随着下降,浮标的下降会使金属片向滑动变阻器的上端移动,从而使滑动变阻器R'接入电路的电阻变大,电流值变小,油量表(电流表)的指针偏转较小。
17.4 欧姆定律在串并联电路中的应用(五)第5课时 滑动变阻器的取值范围当滑动变阻器移动时,会引起电路中的电流以及用电器两端的电压变化,如果电路中的电流或电压超过允许的最大值,则会损坏电路元件,所以为了保护电路元件的安全,滑动变阻器有最大值和最小值的限制。
一、串联电路中滑动变阻器的取值范围 (1)电压表与定值电阻并联当滑动变阻器取最小值时,电路中的电流达到最大值,所以滑动变阻器的最小值由电路中的允许通过的最大电流决定;滑动变阻器的最大值没有限制,取量程的最大值。
(2)电压表与滑动变阻器并联当滑动变阻器取最小值时,电路中的电流达到最大值,所以滑动变阻器的最小值由电路中的允许通过的最大电流决定。
当滑动变阻器连入电路的阻值变大时,电压表的示数也会变大,所以滑动变阻器的最大值由电压表的最大量程决定。
二、并联电路中滑动变阻器的取值范围并联电路中,由于各支路两端的电压等于电源电压,所以电压表的安全问题一般不会考虑。
滑动变阻器的阻值范围主要由支路或者干路的电流表的量程决定。
一、串联电路中滑动变阻器的取值范围 (1) 电压表与定值电阻并联例 1.标有“2V 0.5A ”字样的小灯泡和标有“20Ω1A ”字样的滑动变阻器。
连接在如图所示的电路中。
已知电源电压为6V ,电流表的量程为“00.6A -”。
电压表的量程为“03V -”。
闭合开关。
移动滑动变阻器滑片。
在不烧坏各元件的前提下求:滑片的移动方向所在支路电阻大(小)所在支路电流小(大)干路电流小(大)另一条支路电压、电阻和电流都不变,不受影响(1)电流表的取值范围; (2)变阻器的取值范围;【答案】:(1)变阻器的取值范围为8~20ΩΩ; (2)电流表的取值范围为0.25~0.5A A ; (3)电压表的取值范围为1~2V V 。
【解析】:由电路图可知,滑动变阻器与灯泡串联,电压表测灯泡两端的电压,电流表测电路中的电流。
因串联电路中各处的电流相等,且灯泡的额定电流为0.5A ,电流表的量程为0~0.6A ,变阻器允许通过的最大电流为1A ,所以,电路中的最大电流0.5I A =大,此时灯泡两端电压表的示数最大2L U V =大,变阻器接入电路中的电阻最小, 由UI R=可得,电路中的总电阻和灯泡的电阻分别为: 6120.5U VR I A===Ω总大,240.5L L L U V R I A ===Ω, 因串联电路中总电阻等于各分电阻之和, 所以,变阻器接入电路中的最小阻值:1248L R R R =-=Ω-Ω=Ω总小。
(3)滑动变阻器的变化范围(器材规格限制)知识储备电表示数变化的判断方法。
初中物理电学中,滑动变阻器与电流表、电压表是三个最基本也是最重要的电学仪表,特别是滑动变阻器的有关问题也是最多,它的作用是改变电路中的电阻,从而改变电路中的电流,其次是起到保护电路的作用。
正因为它的保护电路作用,滑动变阻器接入电路中的电阻就会受到限制。
器材限制有以下几点:电压表、电流表的量程,滑动变阻器允许通过的最大电流值,用电器工作时的额定电压或额定电流。
类型一:串联电路的滑动变阻器变化范围如图1所示,电源电压为12伏,R=18欧,滑动变阻器R2的变化范围为0~30欧.如果电流表的量程为0~安,电压表的量程为0~3伏,为使两表不损坏,求滑动变阻器的取值范围.解题思路在串联电路时,滑动变阻器向最小值移动时必须保证电路中电流不能超过所有器材限制的最小电流值,向最大值移动时必须保证其他的用电器或电压表不超过电压的限值。
练习:1、如图所示电路中,电源电压为10V,且保持不变,电阻R1=20Ω,滑动变阻器R2的最大阻值是30Ω,则当滑片P在滑动变阻器上滑动时,电流表、电压表上示数变化的范围分别是()A.~,6V~0V B.~,6V~0VC.~,4V~10V D.~,4~6V2、如图,已知L的电阻为20Ω,R是阻值0~80Ω的滑动变阻器,电源电压6V保持不变.在滑片滑动过程中,电压表、电流表示数的变化范围是()A.0~、~.6~、~C.0~、~.6~、~类型二:并联电路的滑动变阻器变化范围如图所示电路,电源电压恒为12V,定值电阻的阻值为40Ω,滑动变阻器上标有“60Ω”,电流表A2、A3的量程均为“0~”, A1的量程均为“0~”,为了保证电路各元件的安全,滑动变阻器R P允许接入电路中的阻值范围为,电路中总电阻的变化范围为,电流表A1的示数变化范围为练习1、在如图所示的电路中,R2为0~50Ω的变阻器,合上开关后,V的示数为6V,A表的示数为2A,A1的示数为,求:①电阻R1的阻值;②变阻器R2连入电路部分的阻值;③如果A表的量程为0~3A,A1表的量程为0~,为了不使电表损坏,变阻器连入电路的阻值应在什么范围内2、如图15-59所示,R1为0~200Ω的变阻器,R2=50Ω,电源电压为20V,电流表的量程A1是0~,电流表A2的量程是0~。
初中物理滑动变阻器的选择篇一:浅谈中学物理实验中滑动变阻器的选择浅谈中学物理实验中滑动变阻器的选择滑动变阻器是通过改变其阻值来改变电路中的电流或电路两端电压的重要电学仪器,在电学实验中正确选取滑动变阻器,既要有理论知识又要有实践经验,是学生应该掌握的基本技能,也是教学中的难点,下面谈谈我们在实验中是如何选择滑动变阻器的.1 流过变阻器的电流不能超过额定电流变阻器的额定电流是指变阻器允许通过的最大电流,使用中变阻器上任何一点的电流都不能超过此值,否则,变阻器要损坏.在制流电路中,流过变阻器的最大电流等于用电器的额定电流,在图1所示的分压电路中流过变阻器的最大电流如何计算呢?由图1可知,流过变阻器的电流有两部分,即变阻器左侧PA段电流为I2,变阻器右侧PB段电流为I1、I2之和.如果滑动端P不断向右移动,那么变阻器PB段电流也不断增大.设电源电动势为ε,内阻不计,变阻器PA段电阻为RA,PB段电阻为RB,RA与用电器电阻R的并联电阻为R',变阻器PA段两端电压如果变阻器滑动端无限接近B端,那么PA段两端电压2 根据实验中要求的最小电流选择变阻器这一点是针对制流电路的.在图2所示的电路中,设电源电动势为ε,内阻不计,电路中最小电流为In,当滑动端P移至B端时电路中电值稍大于此值.例如,在图2所示电路中,电源电动势为14V,安培表和电源内阻均可忽略,R=20Ω.若要求安培表示数在0.2~0.5A范围内变化,则满足实验要求,如果选0~20Ω的变阻器,则不能使电流在0.2~0.5A范围内变化.3 根据实验时便于调节和读取数据的原则选择变阻器在实验中,不管用制流电路还是分压电路,变阻器滑动端在移动过程中应使被测电流、电压在需要的范围内均匀变化,而且变阻器滑动端也应在较大范围内移动,如果变阻器滑动端在移动过程中,被测电流、电压无明显变化,或变阻器滑动端只有在一端一个很小范围内移动,电路中才出现需要的电流、电压,那么变阻器选择不当,后者不是电流、电压不便调节到某一数值,就是电流、电压数值太小,给实验带来较大误差.例如,在图3所示电路中,电源电动势为9V,内阻不计,要对阻值约为40~50Ω的电阻RX进一步测量其阻值,在下列器材中选择适当的毫安表和滑动变阻器:毫安表A1 量程0~50mA 内阻不计毫安表A2 量程0~300mA 内阻不计滑动变阻器R1阻值范围0~100Ω额定电流1A.滑动变阻器R2阻值范围0~1700Ω,额定电流0.3A.首先求出滑动变阻器的阻值为零时,电路中可能出现的最大电流值由误差理论可知,要使测量结果误差较小,从电流表A2上读取数据应在200mA以上.如果选用变阻器R2,要获取这样的电流,滑动变阻器在电路中的电阻应在5Ω以下,变阻器滑动端必须在其左侧占全长千分之三的范围滑动,变阻器的尺寸是有限的,滑动端在上述范围内滑动,并且从电流表A2上读取若干数据是很不容易的,要使滑动端在更大范围移动,电流太小,无法读出电流值.如果选取变阻器R1,上述矛盾则得到解决.4 从减小系统误差的角度选择变阻器所谓系统误差是由于仪器本身不准确,实验原理不完善,实验方法粗略等产生的误差,滑动变阻器是实验电路的组成部分,它的选用也要影响实验误差.例如,在如图4所示,利用半偏法测电流表内阻的实验中,由闭合使电流表半偏的电阻箱的阻值,由上式可知,当R1>>R2时,Rg≈R2.所以,只有在R1>>R2的条件下(一般取R1=100R2),利用半偏法测电流表内阻,才有较小的系统误差.此时,为保证电流表能够满偏,电源应有较高的电压.如果不满足R1>>R2的条件,电源电压较低,R1的阻值较小,电流表也能达到满偏.但测出的电流表内阻就要有较大系统误差,所以在这个实验中,要减小系统误差,R1的阻值应满足R1=100R2.篇二:中考物理专题复习资料:滑动变阻器的选择(解析版)滑动变阻器的选择一.解答题(共5小题)1.小敏用如图甲所示的电路图,研究通过导体的电流与导体电阻的关系,电源电压恒为6V.改变电阻R的阻值,调节滑动变阻器滑片,保持R两端的电压不变,记下相应的4次实验的电流和电阻值,描绘在乙图中.(1)实验过程中,移动变阻器滑片时,眼睛应注视 B (选填序号);A.变阻器滑片B.电压表示数C.电流表示数(2)在丙图中,用笔线代替导线,将电压表正确连入电路;(3)实验中,他所选择的变阻器是 C (选填序号);A.10Ω 0.5AB.20Ω 1AC.50Ω 2A(4)乙图中阴影部分面积表示的科学量是电压;(5)实验过程中,如果出现了电流表示数为0,电压表示数接近6V,电路发生的故障可能是电阻R处有断路.- 1 -2.在完成“测量小灯泡功率”的实验后,小明产生疑问:实验中滑动变阻器接入电路的阻值发生变化时,它消耗的电功率如何变化呢?为此,他找来了下列器材:电流表、电压表、开关各一个,一定值电阻,三个规格分别为“5Ω,1A”、“30Ω,1A”和“35Ω,0.5A”的滑动变阻器,导线若干,电源(电压为6V).- 2 -(1)通过分析表中的数据,你认为小明选择的规格是“30Ω,1A” 的滑动变阻器.(2)根据题意,正确完成剩余部分连线,并使滑片向右移动时电流变小.(3)分析表中的数据,写出该滑动变阻器消耗的功率随它接入电路的电阻变化而变化的情况是该滑动变阻器消耗的功率先随它接入电路电阻的减小是先增大,后减小.(4)以其中一组数据为例,算出定值电阻的阻值为 9 Ω.(结果取整数)(5)小李正确连接电路,闭合开关后发现电流表指针不转,电压表示数接近6V,电路的故障是滑动变阻器断路.- 3 -3.甲、乙两同学分别做“测定小灯泡的功率”实验,除了小灯泡外,他们所使用的器材规格均相同,小灯泡的额定电压可能是“2.2v”、“2.5v”或“3.8V”,电源电压为4.5V.(1)根据图所示的图,请你帮甲同学完成图实物图的连接.连接电路时开关要断开;在闭合开关之前,要把滑片P 移到滑动变阻器的左端.(2)甲同学闭合开关时记录了第一组数据;调节滑动变阻器当小灯泡正常发光时记录了第二组数据.他不小心将滑动变阻器的滑片移到右端时,小灯泡闪了一下就熄灭,灯丝烧了,记录了第三组数据,如下表所示.表中(来自: 小龙文档网:初中物理滑动变阻器的选择)漏填的电压表示数为 4.5 V,滑动变阻器的最大电阻为20 Ω.- 4 -(3)乙同学做实验时,不慎把电压表接在滑动变阻器两端,并更换电压表量程.调节滑动变阻器的滑片P,当滑片P恰好滑至滑动变阻器中点时,他选用的小灯泡正常发光,此时电压表示数如图18所示,电压表示数为 2 V,他所远用小灯泡的额定功率为 0.5 W.- 5 -篇三:初中物理滑动变阻器练习题1、电阻用字母来表示;在国际单位制中电阻的基本单位是,符号是。
一.选择题(共3小题)小题)1.如图所示,定值电阻R 1的阻值18Ω,滑动变阻器R 2的最大阻值为150Ω,电源电压为18V ,电流表选择0~0.6A 量程,电压表的量程为0~15V .为了保证电路各元件安全,滑动变阻器R 2的阻值变化范围为(的阻值变化范围为( )A . 0Ω~150ΩB . 20Ω~100ΩC . 12Ω~90ΩD . 20Ω~90Ω二.填空题(共2小题)小题)2.如图甲所示电路,电源电压保持不变,当闭合开关S ,调节滑动变阻器阻值从最大变化到最小,两个电阻的“U ﹣I ”关系图象如图乙所示.则电源电压为关系图象如图乙所示.则电源电压为 _________ V ,定值电阻R 1的阻值为的阻值为 _________ Ω,滑动变阻器R 2的阻值变化范围为的阻值变化范围为 _________ Ω.3.如图所示的电路中,电源电压保持不变,闭合开关S 后,滑动变阻器的滑片P 由B 端移动到A 端时,测得电阻R 1两端的电压与通过电阻R 1的电流的变化关系如图所示,则变阻器的最大阻值是器的最大阻值是 _________ ,电压表V 2对应示数的变化范围对应示数的变化范围 _________ .三.解答题(共12小题)小题)7.如图所示电路中,滑动变阻器的阻值变化范围是0~20欧,电源电压为4.5伏.当电流表的示数是0.5A 时,电压表的示数是2V .已知电流表的量程是0~0.6A ,电压表的量程是0~3V .为了不损坏两个电表,求滑动变阻器可连入电路的阻值范围..为了不损坏两个电表,求滑动变阻器可连入电路的阻值范围.8.如图所示,电压表的量程是0~3V ,电流表的量程是0~0.6A ,滑动变阻器R 2的最大阻值是15Ω,电热丝,电热丝 R 1的阻值是5Ω,电源电压4.5V .当滑动变阻器的滑片移到中点时,电压表的示数是多少?10s 内电热丝R 1产生的热量是多少;为了保证两电表均能安全用,滑动变阻器的阻值变化范围是多少?动变阻器的阻值变化范围是多少?9.如图所示,如图所示,电源电压保持不变.电源电压保持不变.电源电压保持不变.滑动变阻器滑动变阻器R 2的滑片P 在移动过程中,在移动过程中,电压表的示数变电压表的示数变化范围是0~4伏,电流表的示数变化范围是0.5~1安,求:电源电压、电阻R 1的阻值和变阻器R 2的最大阻值.的最大阻值.10.如图所示,电源电压为12V ,且保持不变,电阻R 1=20Ω,滑动变阻器R 2的最大阻值为20Ω,则当滑动片P 在滑动变阻器上滑动时,电流表、电压表上示数变化的最大范围分别是多少?多少?11.如图所示,电流表的量程为0~0.6A,电压表的量程为0~15V.灯泡铭牌标着“18V,9W”,电源电压恒为U=24V.时,灯泡消耗的实际功率.(1)当滑动变阻器连入电路的电阻值为36Ω时,灯泡消耗的实际功率.)当滑动变阻器的阻值为何值,滑动变阻器的功率最大,最大值是多少?(2)当滑动变阻器的阻值为何值,滑动变阻器的功率最大,最大值是多少?(3)当滑动变阻器左右任意滑动时,电路能安全工作,滑动变阻器连入电路中的电阻的变化范围.化范围.12.如图,电源电压保持不变.闭合开关S后,滑动变阻器R0的滑片P在移运过程中,电安,求:压表的示数变化范围为0~4伏,电流表的示数变化范围为0.5~1安,求:的阻值;(1)R的阻值;的最大阻值;(2)R0的最大阻值;)电源电压.(3)电源电压.13.如图所示,电源电压保持不变,闭合开关S后,滑动变阻器R',的滑片P在移动过程,求:中,电压表的示数变化范围为0~9.6V,电流表的示数变化范围为0.2~1A,求:的阻值;(1)R的阻值;的最大阻值;(2)R'的最大阻值;)电源电压.(3)电源电压.14.一只标有“2.5V 0.5A”的小灯泡和一只规格为“10Ω 1A”的滑动变阻器串连接在电压为3伏的电源上,如图所示.伏的电源上,如图所示.)正常发光时滑动变阻器接入电路中的阻值;求(1)正常发光时滑动变阻器接入电路中的阻值;)滑片滑动时,灯泡功率的变化范围;(2)滑片滑动时,灯泡功率的变化范围;,求滑动变阻器接入电路中的电阻.(3)若小灯泡的实际功率为0.8W,求滑动变阻器接入电路中的电阻.15.在图所示的电路中,电源两端电压U=9V,电阻R1=10Ω,滑动变阻器R2的最大电阻值消耗的电功率变化范围是为20Ω.当滑动变阻器的滑片P从右端移到左端时,电阻R1消耗的电功率变化范围是_________W.16.如图所示,小灯泡L标有“6V 3W”字样,滑动变阻器的最大阻值为100Ω,电压表的量程是0~15V.闭合开关后,移动滑动变阻器,使电压表的示数为12V,这时灯泡恰好正常发光.求:(1)电源电压;)电源电压;时,小灯泡消耗的实际功率;(2)当滑动变阻器接入电路中的电阻为33Ω时,小灯泡消耗的实际功率;(3)在不超过小灯泡额定电压和电压表量程的情况下,变阻器接入电路中的阻值变化范围.17.如图甲所示的电路中,电源电压保持不变,S闭合后,在滑动变阻器的滑片P由B端移动到A端的过程中,测得电阻R1两端的电压与通过电阻R1的电流的变化关系如图乙所示.求:示.求:)电源的电压;(1)电源的电压;)滑动变阻器的最大阻值;(2)滑动变阻器的最大阻值;消耗的电功率的变化范围.(3)电阻R1消耗的电功率的变化范围.7.解:当电流表的示数是0.5A时,定值电阻R0两端的电压U0=U-U P=4.5V-2V=2.5V,定值电阻R0的阻值为R0===5Ω;为保证电流表不损坏,电路中的最大电流为0.6A,则电路中的总电阻为=7.5Ω,滑动变阻器连入电路电阻的最小值为2.5Ω;为保证电压表不损坏,滑动变阻器的最大电压为3V,则此时R0的电压为4.5V-3V=1.5V,电路中的电流为=0.3A,此时滑动变阻器连入电路电阻的最大值为=10Ω;所以滑动变阻器可连入电路的阻值范围为2.5Ω~10Ω.答:为了不损坏两个电表,滑动变阻器连入电路的阻值范围为2.5Ω~10Ω.89。
一.选择题(共3小题)1.如图所示,定值电阻R1的阻值18Ω,滑动变阻器R2的最大阻值为150Ω,电源电压为18V,电流表选择0~0.6A量程,电压表的量程为0~15V.为了保证电路各元件安全,滑动变阻器R2的阻值变化范围为()A.0Ω~150ΩB.20Ω~100ΩC.12Ω~90ΩD.20Ω~90Ω二.填空题(共2小题)2.如图甲所示电路,电源电压保持不变,当闭合开关S,调节滑动变阻器阻值从最大变化到最小,两个电阻的“U﹣I”关系图象如图乙所示.则电源电压为_________V,定值电阻R1的阻值为_________Ω,滑动变阻器R2的阻值变化范围为_________Ω.3.如图所示的电路中,电源电压保持不变,闭合开关S后,滑动变阻器的滑片P由B端移动到A端时,测得电阻R1两端的电压与通过电阻R1的电流的变化关系如图所示,则变阻器的最大阻值是_________,电压表V2对应示数的变化范围_________.三.解答题(共12小题)7.如图所示电路中,滑动变阻器的阻值变化范围是0~20欧,电源电压为4.5伏.当电流表的示数是0.5A时,电压表的示数是2V.已知电流表的量程是0~0.6A,电压表的量程是0~3V.为了不损坏两个电表,求滑动变阻器可连入电路的阻值范围.8.如图所示,电压表的量程是0~3V,电流表的量程是0~0.6A,滑动变阻器R2的最大阻值是15Ω,电热丝R1的阻值是5Ω,电源电压4.5V.当滑动变阻器的滑片移到中点时,电压表的示数是多少?10s内电热丝R1产生的热量是多少;为了保证两电表均能安全用,滑动变阻器的阻值变化范围是多少?9.如图所示,电源电压保持不变.滑动变阻器R2的滑片P在移动过程中,电压表的示数变化范围是0~4伏,电流表的示数变化范围是0.5~1安,求:电源电压、电阻R1的阻值和变阻器R2的最大阻值.10.如图所示,电源电压为12V,且保持不变,电阻R1=20Ω,滑动变阻器R2的最大阻值为20Ω,则当滑动片P在滑动变阻器上滑动时,电流表、电压表上示数变化的最大范围分别是多少?11.如图所示,电流表的量程为0~0.6A,电压表的量程为0~15V.灯泡铭牌标着“18V,9W”,电源电压恒为U=24V.(1)当滑动变阻器连入电路的电阻值为36Ω时,灯泡消耗的实际功率.(2)当滑动变阻器的阻值为何值,滑动变阻器的功率最大,最大值是多少?(3)当滑动变阻器左右任意滑动时,电路能安全工作,滑动变阻器连入电路中的电阻的变化范围.12.如图,电源电压保持不变.闭合开关S后,滑动变阻器R0的滑片P在移运过程中,电压表的示数变化范围为0~4伏,电流表的示数变化范围为0.5~1安,求:(1)R的阻值;(2)R0的最大阻值;(3)电源电压.13.如图所示,电源电压保持不变,闭合开关S后,滑动变阻器R',的滑片P在移动过程中,电压表的示数变化范围为0~9.6V,电流表的示数变化范围为0.2~1A,求:(1)R的阻值;(2)R'的最大阻值;(3)电源电压.14.一只标有“2.5V 0.5A”的小灯泡和一只规格为“10Ω 1A”的滑动变阻器串连接在电压为3伏的电源上,如图所示.求(1)正常发光时滑动变阻器接入电路中的阻值;(2)滑片滑动时,灯泡功率的变化范围;(3)若小灯泡的实际功率为0.8W,求滑动变阻器接入电路中的电阻.15.在图所示的电路中,电源两端电压U=9V,电阻R1=10Ω,滑动变阻器R2的最大电阻值为20Ω.当滑动变阻器的滑片P从右端移到左端时,电阻R1消耗的电功率变化范围是_________W.16.如图所示,小灯泡L标有“6V 3W”字样,滑动变阻器的最大阻值为100Ω,电压表的量程是0~15V.闭合开关后,移动滑动变阻器,使电压表的示数为12V,这时灯泡恰好正常发光.求:(1)电源电压;(2)当滑动变阻器接入电路中的电阻为33Ω时,小灯泡消耗的实际功率;(3)在不超过小灯泡额定电压和电压表量程的情况下,变阻器接入电路中的阻值变化范围.17.如图甲所示的电路中,电源电压保持不变,S闭合后,在滑动变阻器的滑片P由B端移动到A端的过程中,测得电阻R1两端的电压与通过电阻R1的电流的变化关系如图乙所示.求:(1)电源的电压;(2)滑动变阻器的最大阻值;(3)电阻R1消耗的电功率的变化范围.7.解:当电流表的示数是0.5A时,定值电阻R0两端的电压U0=U-U P=4.5V-2V=2.5V,定值电阻R0的阻值为R0===5Ω;为保证电流表不损坏,电路中的最大电流为0.6A,则电路中的总电阻为=7.5Ω,滑动变阻器连入电路电阻的最小值为2.5Ω;为保证电压表不损坏,滑动变阻器的最大电压为3V,则此时R0的电压为4.5V-3V=1.5V,电路中的电流为=0.3A,此时滑动变阻器连入电路电阻的最大值为=10Ω;所以滑动变阻器可连入电路的阻值范围为2.5Ω~10Ω.答:为了不损坏两个电表,滑动变阻器连入电路的阻值范围为2.5Ω~10Ω.89。
V UR 12R R 3A 滑动变阻器阻值范围得计算一、串联型1、如图所示,R 为一个滑动变阻器,其阻值范围就是0~50Ω,若电压得示数为1、5V,电流表得示数为0.75A,R 1=1Ω,电源电压U=12V,(1)求R 2得阻值(2)如果电压表得量程为0~3V ,电流表得量程为0~3A,为了保证两表得安全,滑动变阻器连入电路得电阻值最少不能小于多少?2、如右图,电源电压为18V ,R 2就是0~50Ω得变阻器,合上S 后,A 表示数为0.5A,V 表示数为5V ,求(1)R 1与变阻器接入电路中部分得电阻就是多少。
⑵如果A 表得量程就是0~0.6A,V 表得量程就是0~15V,为了使电表不致被损坏,滑动变阻器接入电路得阻值不得小于多少?3、如图,电流表量程0~0.6A,电压表量程0~15V ,电阻R 0=30Ω,电路两端电压恒为24V ,当滑动变阻器连入电路得电阻太小时,电路中得电流会超过电流表量程,当滑动变阻器连入电路得电阻太大时,变阻器两端电压会超过电压表量程,求:在不超过电表量程得情况下,滑动变阻器连入电路得电阻范围。
4、一次实验中,郝奇同学连接了如图所示得电路,电源电压为6V 且保持不变,电阻R 1=8Ω,滑动变阻器R 2得最大阻值为10Ω。
她所选用得电压表量程为0~3V,电流表量程为0~0.6A 。
为了保证电路安全,实验中滑动变阻器接入电路得阻值范围就是?5、如图,电源电压12V 不变,R 2就是0--20Ω得滑动变阻器,S 闭合后电压表示数为4V,电流表示数为1 A 。
求:(1)R 1得阻值 (2)R 2接入电路得电阻就是多少?(3)如果电流表得量程就是0-0.6A,电压表量程就是0一3 V,为了使两电表不损坏,R 2允许接入电路得范围就是多少?6、在图示得电路中,电源电压为30V ,电阻R =30Ω,滑动变阻器得最大阻值为50Ω。
(1)滑动变阻器得滑片P 由a 端滑到b 端得过程,电压表得最大读数就是多少?(2)若改用电压表得量程为0-15V,要使它接在电路中不烧坏,滑动变阻器得滑片P 只能在阻值多大得范围内滑动?(3)若把一只量程为0-0.6A 得电流表接在图甲中得C 、D 两点上,如图乙所示,为了不损坏电流表与电压表,滑动变阻器得滑片P 只有在阻值多大范围内滑动?7、如图所示电路中,R 0为定值电阻,阻值为10Ω,R 1为滑动变阻 器,它得最大阻值就是10Ω,电流表量程为0—0.6A,电压表得量程为0—3V ,电源电压12V 保持不变。
初中物理滑动变阻器阻值范围题目
初中物理中,滑动变阻器是一种常见的电路元件,用于调节电路中的电流和电压。
在求解滑动变阻器阻值的范围问题时,通常需要先确定电路中的电流和电压,然后根据电路的串并联关系和欧姆定律来求解。
具体来说,当滑动变阻器接在电路中时,会根据电路的串并联关系,得出以下公式:
I1 = I2 = I3 = ... = IN
其中,I1、I2、I3、...、IN 是不同时刻电路中的电流值。
一般情况下,电流表的读数是不断变化的,因此需要根据实际情况来确定电流表的读数。
当滑动变阻器接在定值电阻两端时,会根据欧姆定律,得出以下公式:
U1 = U2 = U3 = ... = UN
其中,U1、U2、U3、...、UN 是不同时刻电路中的电压值。
一般情况下,电压表的读数是不断变化的,因此需要根据实际情况来确定电压表的读数。
根据电路的串并联关系和欧姆定律,可以求解滑动变阻器的阻值范围。
具体来说,当电路中有多个电阻时,它们的阻值范围应该是相互关联的。
一般来说,当电路中有多个电阻并联时,它们的阻值范围应该是较小的;当电路中有多个电阻串联时,它们的阻值范围应该是较大的。
在求解滑动变阻器阻值范围问题时,需要根据实际情况来确定电路中的电流和电压,然后根据电路的串并联关系和欧姆定律来求解。
一般来说,在求解滑动变阻器阻值范围问题时,需要充分考虑电路的复杂程度和实际情况,以便更好地理解电路的工作原理和规律。
一.选择题(共3小题)1.如图所示,定值电阻R1的阻值18Ω,滑动变阻器R2的最大阻值为150Ω,电源电压为18V,电流表选择0~0.6A量程,电压表的量程为0~15V.为了保证电路各元件安全,滑动变阻器R2的阻值变化范围为()2.如图所示电路图,电源电压18V恒定不变,滑动变阻器R1的最大阻值是160Ω,电压表的量程为O~15V,电流表的量程为O~0.6A.闭合开关S后,为保护电压表和电流表,滑动变阻器R l的阻值变化范围应是()二.填空题(共2小题)4.如图甲所示电路,电源电压保持不变,当闭合开关S,调节滑动变阻器阻值从最大变化到最小,两个电阻的“U﹣I”关系图象如图乙所示.则电源电压为_________V,定值电阻R1的阻值为_________Ω,滑动变阻器R2的阻值变化范围为_________Ω.5.如图所示的电路中,电源电压保持不变,闭合开关S后,滑动变阻器的滑片P由B端移动到A端时,测得电阻R1两端的电压与通过电阻R1的电流的变化关系如图所示,则变阻器的最大阻值是_________,电压表V2对应示数的变化范围_________.三.解答题(共12小题)6.如图1所示电路,电源电压保持不变,当闭合开关S,调节滑动变阻器阻值从最大变化到最小,两个电阻的“U﹣I”关系图象如图2中的甲、乙所示.根据图2可知,滑动变阻器R2的阻值变化范围为_________Ω.7.如图所示电路中,滑动变阻器的阻值变化范围是0~20欧,电源电压为4.5伏.当电流表的示数是0.5A时,电压表的示数是2V.已知电流表的量程是0~0.6A,电压表的量程是0~3V.为了不损坏两个电表,求滑动变阻器可连入电路的阻值范围.8.如图所示,电压表的量程是0~3V,电流表的量程是0~0.6A,滑动变阻器R2的最大阻值是15Ω,电热丝R1的阻值是5Ω,电源电压4.5V.当滑动变阻器的滑片移到中点时,电压表的示数是多少?10s内电热丝R1产生的热量是多少;为了保证两电表均能安全用,滑动变阻器的阻值变化范围是多少?9.如图所示,电源电压保持不变.滑动变阻器R2的滑片P在移动过程中,电压表的示数变化范围是0~4伏,电流表的示数变化范围是0.5~1安,求:电源电压、电阻R1的阻值和变阻器R2的最大阻值.10.如图所示,电源电压为12V,且保持不变,电阻R1=20Ω,滑动变阻器R2的最大阻值为20Ω,则当滑动片P在滑动变阻器上滑动时,电流表、电压表上示数变化的最大范围分别是多少?11.如图所示,电流表的量程为0~0.6A,电压表的量程为0~15V.灯泡铭牌标着“18V,9W”,电源电压恒为U=24V.(1)当滑动变阻器连入电路的电阻值为36Ω时,灯泡消耗的实际功率.(2)当滑动变阻器的阻值为何值,滑动变阻器的功率最大,最大值是多少?(3)当滑动变阻器左右任意滑动时,电路能安全工作,滑动变阻器连入电路中的电阻的变化范围.12.如图,电源电压保持不变.闭合开关S后,滑动变阻器R0的滑片P在移运过程中,电压表的示数变化范围为0~4伏,电流表的示数变化范围为0.5~1安,求:(1)R的阻值;(2)R0的最大阻值;(3)电源电压.13.如图所示,电源电压保持不变,闭合开关S后,滑动变阻器R',的滑片P在移动过程中,电压表的示数变化范围为0~9.6V,电流表的示数变化范围为0.2~1A,求:(1)R的阻值;(2)R'的最大阻值;(3)电源电压.14.一只标有“2.5V 0.5A”的小灯泡和一只规格为“10Ω 1A”的滑动变阻器串连接在电压为3伏的电源上,如图所示.求(1)正常发光时滑动变阻器接入电路中的阻值;(2)滑片滑动时,灯泡功率的变化范围;(3)若小灯泡的实际功率为0.8W,求滑动变阻器接入电路中的电阻..在图所示的电路中,电源两端电压U=9V,电阻R1=10Ω,滑动变阻器R2的最大电阻值为20Ω.当滑动变阻器的滑片P从右端移到左端时,电阻R1消耗的电功率变化范围是_________W.16.如图所示,小灯泡L标有“6V 3W”字样,滑动变阻器的最大阻值为100Ω,电压表的量程是0~15V.闭合开关后,移动滑动变阻器,使电压表的示数为12V,这时灯泡恰好正常发光.求:(1)电源电压;(2)当滑动变阻器接入电路中的电阻为33Ω时,小灯泡消耗的实际功率;(3)在不超过小灯泡额定电压和电压表量程的情况下,变阻器接入电路中的阻值变化范围.17.如图甲所示的电路中,电源电压保持不变,S闭合后,在滑动变阻器的滑片P由B端移动到A端的过程中,测得电阻R1两端的电压与通过电阻R1的电流的变化关系如图乙所示.求:(1)电源的电压;(2)滑动变阻器的最大阻值;(3)电阻R1消耗的电功率的变化范围.。
物理求变阻器范围
一般而言,滑动变阻器的范围问题可以通过欧姆定律和串联电路的特点进行求解。
首先,需要考虑滑动变阻器的最大阻值和最小阻值。
在电源电压一定的情况下,滑动变阻器的最大阻值和最小阻值可以通过电路的安全性条件来求得。
1. 如果R0在R滑的取值范围内,则R滑=R0时,滑动变阻器的功率最大。
再将最大阻值和最小阻值分别带入解析式计算,结果中较小的功率即为最小值。
2. 如果R0不在R滑的取值范围内,直接将滑动变阻器的最大阻值和最小阻值带入解析式计算,其结果中较小的功率为最小值,较大的功率为最大值。
滑动变阻器取值围
1.如图甲所示电路,电源电压保持不变,当闭合开关S,调节滑动变阻器阻值从最大变化到最小,两个电阻的“U﹣I”关系图象如图乙所示.则电源电压为
_________ V,定值电阻R1的阻值为_________ Ω,滑动变阻器R2的阻值变化围为_________ Ω.
2.如图所示的电路中,电源电压保持不变,闭合开关S后,滑动变阻器的滑片P由B端移动到A端时,测得电阻R1两端的电压与通过电阻R1的电流的变化关系如图所示,则变阻器的最大阻值是_________ ,电压表V2对应示数的变化围_________ .
3.如图所示电路中,滑动变阻器的阻值变化围是0~20欧,电源电压为4.5伏.当电流表的示数是0.5A时,电压表的示数是2V.已知电流表的量程是0~0.6A,电压表的量程是0~3V.为了不损坏两个电表,求滑动变阻器可连入电路的阻值围.
4.如图所示,电源电压保持不变.滑动变阻器R2的滑片P在移动过程中,电压表的示数变化围是0~4伏,电流表的示数变化围是0.5~1安,求:电源电压、电阻R1的阻值和变阻器R2的最大阻值.
5.如图所示,电源电压为12V,且保持不变,电阻R1=20Ω,滑动变阻器R2的最大阻值为20Ω,则当滑动片P在滑动变阻器上滑动时,电流表、电压表上示数变化的最大围分别是多少?
6.如图,电源电压保持不变.闭合开关S后,滑动变阻器R0的滑片P在移运过程中,电压表的示数变化围为0~4伏,电流表的示数变化围为0.5~1安,求:(1)R的阻值;
(2)R0的最大阻值;
(3)电源电压.
7.如图所示,电源电压保持不变,闭合开关S后,滑动变阻器R',的滑片P在移动过程中,电压表的示数变化围为0~9.6V,电流表的示数变化围为0.2~1A,求:
(1)R的阻值;
(2)R'的最大阻值;
(3)电源电压.
8.如图甲所示的电路中,电源电压保持不变,S闭合后,在滑动变阻器的滑片P 由B端移动到A端的过程中,测得电阻R1两端的电压与通过电阻R1的电流的变化关系如图乙所示.求:
(1)电源的电压;
(2)滑动变阻器的最大阻值;
(A V表示数、灯泡亮度变化专题)
一、选择题
1.如图所示的电路中,电源两端电压保持不变。
开关S闭合,灯L正常发光,将滑动变阻
器的滑片P向右滑动,则下列说法中正确的是
A.电压表的示数变大,灯L变亮
B.电压表的示数变小,灯L变暗
C.电流表的示数变大,灯L变暗
D.电流表的示数变小,灯L变亮
2.在图中所示,电源两端电压保持不变,闭合开关S后,滑动变阻
器的滑片P向右移动的过程中,下列说确的是A
A.电流表A1和电流表A2的示数之和变小
B.电压表V和电流表A2的示数之比保持不变
C.电流表A1的示数变小,电压表V的示数变大
D.电流表A2的示数不变,电压表V的示数不变
3.如图所示电路,电源电压保持不变,其中R0、R1为定值电阻,闭合
开关,当把滑动变阻器的滑片从右端调到左端过程中,下列说法中
正确的是
A.电流A1示数变小B.电压表V1示数变小
C.电压V2示数变小D.R0两端的电压变小
4.小明将酒精气体传感器,电阻R与电压表组成如图所示电路,闭合开关,将传感器逐渐靠近装有酒精的杯口上方,发现电压表示数逐渐增大,此过程中
A.通过传感器的电流逐渐减小
B.传感器两端的电压逐渐增大
C.传感器的电阻逐渐减小
D.传感器的电阻逐渐增大
5.某同学设计了一个电子身高测量仪。
下列四个电路中,R是定值电阻,
R'是滑动变阻器,电源电压不变,滑片会随身高上下平移。
能够实现身高越高,电压表示数越大的电路是
6.如右图所示电路,当滑动变阻器滑片P向a端滑动的过程中,
电流表,电压表示数变化情况是
A.电流表示数变大B.电流表示数变小
C电压表示数变大D.电压表示数变小
7.右图是某种“呼气式酒精测试仪”的原理简图,其中R2为定值电阻,
R1是酒精气体传感器,其电阻随酒精气体浓度增大而减小,则
A.酒精浓度越高,电压表示数越大
B.酒精浓度越低,电流表示数越小
C.酒精浓度越高,电源电压与电流表示数的乘积越小
D.酒精浓度越低,电压表与电流表示数比值越小
8.如图所示的电路,电源电压恒定不变,闭合开关S,将滑
动变阻器的滑片P向右移动的过程中,下列说确的是(假
定灯泡的电阻不变)
A.电流表示数变大B.电压表示数变大
C.电压表和电流表示数的比值变大
D.电压表和电流表的示数都变小
9 如图所示电路中,电源电压保持不变,闭合开关S后,将滑动变阻器R的滑片P向左移
动,在此过程中
A. 电压表V1示数变小,电压表V2示数变大
B. 电流表A示数变小,电压表V1示数不变
C. 电流表A示数不变,灯泡L亮度变亮
D. 电压表V1示数不变,灯泡L亮度变暗
10.在如图所示的电路图中,把滑动变阻器的滑片向右滑动时,各表的示数的变化情况是A.电压表示数变大,电流表示数变大
B.电压表示数变大,电流表示数变小
C.电压表示数变小,电流表示数变大
D.电压表示数变小,电流表示数变小
11.在探究一个用电器中电流随电压变化关系时,芳连接好的电路如图所示.闭合开关,发现电流表、电压表均有示数,调节滑动变阻器,电流表、电压表示数都不变化.芳连接的电路有不妥之处,改正的方法是
A.将导线K的a端移至接线柱A
B.将导线L的b端移至接线柱B
C.将导线L的b端移至接线柱D
D.将导线M的c端移至接线柱B
12.(13日照)某型号天燃气泄漏检测仪器的电路如图甲所示,
图中R为气敏电阻,其阻值R与天然气浓度β的变化关系如图乙所示,已知R0为定值
电阻,电源电压恒定不变,用此仪器检测天然气是否泄漏,则下列判断正确的是A.天然气浓度增大时,电压表示数变小
B.天然气浓度减小时,电流表示数变大
C.天然气浓度增大时,电路消耗的总功率变小
D.无论天然气浓度怎样变化,电压表与电流表示数的比值
13.如图所示,当开关S闭合,滑动变阻器的滑片P由右端向左滑
向中点处的过程中
A. 电压表V的示数变小,电流表A2示数变大
B. 灯泡变亮,电流表A2示数变小
C. 电压表V的示数不变,灯泡亮度不变
D. 电流表A1示数不变,电流表A2示数变大
14.图8是一个环境温度监控电路原理图。
电源电压不变,R0为定值电阻,R是用半导体材料制成的热敏电阻,其电阻值会随温度的升高而变小。
若环境温度升高,闭合开关S。
则
A.热敏电阻R的阻值变大
B.电压表的示数变大
C.通过电阻R的电流变小
D.电阻R两端电压变大
7.解:当电流表的示数是0.5A时,
定值电阻R0两端的电压U0=U-U P=4.5V-2V=2.5V,定值电阻R0的阻值为R0===5Ω;
为保证电流表不损坏,电路中的最大电流为0.6A,则电路中的总电阻为=7.5Ω,
滑动变阻器连入电路电阻的最小值为2.5Ω;
为保证电压表不损坏,滑动变阻器的最大电压为3V,
则此时R0的电压为4.5V-3V=1.5V,
电路中的电流为=0.3A,
此时滑动变阻器连入电路电阻的最大值为=10Ω;
所以滑动变阻器可连入电路的阻值围为2.5Ω~10Ω.
答:为了不损坏两个电表,滑动变阻器连入电路的阻值围为2.5Ω~10Ω.8
9。