丁二烯-工艺
- 格式:ppt
- 大小:701.50 KB
- 文档页数:21
目录1 引言 (37)2 工艺路线 (37)2.1 生产的基本原理 (37)2. 2 工艺路线的对比与选择 (37)2. 3 DMF法碳四抽提丁二烯装置的特点 (38)2. 4 物料衡算 (39)2. 5 装置工艺流程图 (40)2. 6 工艺流程说明 (40)2.6.1 第一萃取精馏部分 (40)2.6.2 第二萃取精馏部分 (42)2.6.3 丁二烯净化部分 (43)2.6.4 溶剂净化部分 (44)2. 7 工艺控制 (44)2.7.1 原料质量变化对产品的影响及调节方法 (45)2.7.2 主要工艺条件的变化对产品质量的影响 (46)结论 (49)参考文献 (50)致谢 (51)1 引言丁二烯来源:从油田气、炼厂气和烃类裂解制乙烯的副产品中都可获得碳四馏分。
碳四系列的基本有机化工产品主要有丁二烯、顺丁烯二酸酐、聚丁烯、二异丁烯、仲丁醇、甲乙酮等,它们是有机化学工业的重要原料。
无论是裂解气深冷分离得到的碳四馏分,还是经丁烯氧化脱氢得到的粗丁二烯,均是以碳四各组分为主的烃类混合物,主要含有丁烷、正丁烯、异丁烯、丁二烯,它们都是重要的有机化工原料[1,2]。
C4的分离与C2、C3馏分相比,其最大的特点是各组分之间的相对挥发度很小,使分离变得更加困难,采用普通精馏方法在通常条件下将其分离是不可能的。
为此工业生产中常用在碳四馏分中加入一种溶剂进行萃取的特殊精馏来实现对C4馏分的分离[3-5]。
2 工艺路线2.1 生产的基本原理由于碳四原料中大部分组分与丁二烯-1,3之间的沸点较为接近,而且相互之间有共沸物产生,这样采用一般的精馏方法很难进行分离开,所以为了得到目标产品(丁二烯)就必须采用特殊分离方法——萃取精馏。
萃取精馏的原理就是:向被分离物料碳四原料中加入一种新的组分——萃取溶剂二甲基甲酰胺(DMF),它的加入使得原来物料中各组分之间的相对挥发度发生明显变化,从而使物料中难以用普通精馏方法分离的组分如:顺丁烯-2和反丁烯-2等组分在第一萃取精馏塔分离出来,乙基乙炔和乙烯基乙炔等组分在第二萃取精馏塔分离出来。
丁二烯法制1,4丁二醇工艺流程下载温馨提示:该文档是我店铺精心编制而成,希望大家下载以后,能够帮助大家解决实际的问题。
文档下载后可定制随意修改,请根据实际需要进行相应的调整和使用,谢谢!并且,本店铺为大家提供各种各样类型的实用资料,如教育随笔、日记赏析、句子摘抄、古诗大全、经典美文、话题作文、工作总结、词语解析、文案摘录、其他资料等等,如想了解不同资料格式和写法,敬请关注!Download tips: This document is carefully compiled by theeditor.I hope that after you download them,they can help yousolve practical problems. The document can be customized andmodified after downloading,please adjust and use it according toactual needs, thank you!In addition, our shop provides you with various types ofpractical materials,such as educational essays, diaryappreciation,sentence excerpts,ancient poems,classic articles,topic composition,work summary,word parsing,copy excerpts,other materials and so on,want to know different data formats andwriting methods,please pay attention!丁二烯法制备1,4-丁二醇的工艺流程详解1,4-丁二醇,作为一种重要的有机化工原料,广泛应用于聚酯、塑料、溶剂等领域。
第一萃取蒸馏部分在DMF存在的情况下,凡与丁二烯相比其相对挥发度高于1.0的组分,都在这部分除去。
这部分设备有:原料汽化罐,第一萃取蒸馏塔(分为两个塔,共有238块塔板)以及装有14层塔板的第一汽提塔。
C4原料从乙烯装置A单元进入原料储罐后用泵送来经流量控制进入原料汽化罐。
原料汽化罐的热源由第一、第二汽提塔底的热溶剂提供。
汽化的C4原料送至第一萃取蒸馏塔的中部(进料板104层,114层,125层)。
DMF溶剂经流量控制进入T -1101A顶部第230层塔板上,溶剂进料温度约40℃,蒸汽压约9毫米汞柱。
塔顶8层塔板用于丁烷丁烯馏分中完全脱除溶剂的精馏段。
塔的操作压力约为0.38MPa(表压),塔顶操作温度约为43.5℃。
根据进料组成的变化,适当调节溶剂进料量和回流量,以控制丁二烯的损失量和塔釜液的组成,丁烷丁烯馏出液的1,3-丁二烯含量保持在0.3%(重量)以下。
塔顶丁烷丁烯抽余液直接送至MTBE装置或A单元罐区。
萃取蒸馏必要的回流经流量调节,经过上述8层塔板的精馏段,向下流至溶剂进料塔板。
顺2-丁烯是比1,3-丁二烯难溶解的一种组分,在第一萃取蒸馏塔中它是最难于分离出来的。
按GPB工艺,通常第一萃取蒸馏塔底的顺2-丁烯含量约为总烃的2.5%,而反2-丁烯含量约为总烃的0.05%。
顺2-丁烯在第二分馏塔(T-1302)随塔底物料脱除,但反2-丁烯不易在直接蒸馏部分脱除。
因此,第一萃取蒸馏塔的分离效果对最终丁二烯产品的纯度有影响。
在GPB工艺中提纯丁二烯的经济方法是在第一萃取蒸馏部分脱除全部反2-丁烯,随之脱除部分顺2-丁烯。
而在第二分馏塔脱除剩余的顺2-丁烯。
在第一萃取蒸馏塔(T-1101B)的C-3层塔板上,含烃(主要是含丁二烯和易溶组分)的溶剂被预热到86℃。
这些溶剂先通过第一萃取蒸馏塔的第一、第二溶剂再沸器,被来自汽提塔底的热溶剂加热到120℃。
然后,在第一萃取塔蒸汽再沸器中把它进一步加热到大约130℃。
丁二烯生产工艺常见问题分析与对策摘要:乙腈法抽提丁二烯的生产工艺技术是利用乙烯裂解碳四原料,用乙腈做萃取剂,通过两级萃取,两级精馏的方法来制取高纯度的丁二烯。
在实际生产过程中经常面临一些生产工艺波动和难题处理,本文主要讲述对常见问题的分析和相应的对策。
关键词:丁二烯、波动、难题、对策引言在丁二烯生产过程中经常会遇到一些问题需要处理和解决,例如原料异常变化组分不稳定,超出设计指标。
公用工程波动,蒸汽压力低,使系统加热升温困难。
循环水温度高,冷凝效果差,生产单元压力升高,无法维持生产1腈烃比的调节腈烃比的选择是控制萃取精馏效果的最重要手段。
腈烃比控制不当会降低萃取精馏塔的分离效果,造成塔顶抽余碳四产品中的丁二烯浓度升高和塔底物料中的反丁烯、顺丁烯过高在一定范围内,腈烃比增大,塔顶和塔釜的物料组成指标都会有一定程度的优化,但塔釜再沸器的蒸汽用量会相应增加。
溶剂的用量应根据原料中的具体组成和进料量的大小决定。
当进料条件发生大幅度的变化时,要及时调整乙腈加入量,以保证腈烃比稳定。
当原料中丁二烯含量升高时,应按升高比例增加乙腈用量,当丁二烯含量降低时,则减少乙腈用量。
由于溶剂循环系统为多个系统提供热源,所以乙腈加入量的改变,不仅对萃取塔的分离效果造成影响,也将影响到利用热乙腈为热源的系统的稳定,因此在正常情况下,腈烃比不能有太大的变化。
1.1乙腈含水量的影响乙腈含水量对萃取系统的分离效果影响较大,作为确保萃取精馏系统的一个重要指标进行控制。
如果含水量过高,将会导致碳四烃类在乙腈中的溶解度降低,萃取精馏塔的分离效果会大幅降低。
乙腈含水对萃取精馏的好处在于增加乙腈的选择性和降低塔釜温度两个方面。
随着乙腈中水含量的升高,对烃类的溶解选择性增加,但该效果随含水量的升高逐渐降低。
乙腈含水后,可降低乙腈和烃类的均相混合物的泡点,从而降低塔釜的操作温度,不但降低了丁二烯的热聚合机会,还可减少再沸器的蒸汽使用量。
除此之外,乙腈中加入一定量的水之后,可进一步扩大各碳四组分间的相对挥发度。
丁二烯生产技术进展2011-08-25丁二烯通常指1,3-丁二烯,是一种非常重要的石油化工原料,可以合成顺丁橡胶(BR)、丁苯橡胶(SBR)、丁腈橡胶(NBR)、苯乙烯-丁二烯-苯乙烯弹性体(SBS)、氯丁橡胶(CR)、丙烯腈-丁二烯-苯乙烯(ABS)树脂等多种产品,还可用于生产己二腈、己二胺、尼龙66、1,4-丁二醇等有机化工产品,用途十分广泛。
丁二烯的生产方法主要有乙烯裂解副产C4抽提法和C4烷烃或烯烃脱氢法,其中,乙烯裂解副产丁二烯约占全球丁二烯总生产能力的98%,是丁二烯的主要生产工艺。
从乙烯裂解装置副产混合C4抽提丁二烯工艺使用不同的溶剂来区分,主要有以日本合成橡胶(JSR)公司为代表的乙腈(ACN)工艺、日本瑞翁(Zeon)公司的二甲基甲酰胺(DMF)工艺和德国巴斯夫(BASF)公司的N-甲基吡咯烷酮(NMP)工艺三种流程。
自20世纪50年代丁二烯抽提工艺实现工业化以来,各大技术专利商均一直致力于技术改进,并在装置能耗物耗、运行稳定性和安全性等方面取得突破性进展,丁二烯抽提工艺也日趋成熟。
近年来,丁二烯技术研究主要集中在新型设备应用、萃取精馏系统的局部改进、反应精馏组合工艺研究、新型阻聚剂系统开发和丁二烯生产新技术的研究等方面。
1 萃取精馏工艺的改进1.1 隔壁精馏塔丁二烯第一萃取精馏工艺巴斯夫公司对传统的丁二烯抽提工艺进行了改进,第一萃取精馏塔采用隔壁精馏塔,一萃部分采用隔壁塔与萃取洗涤塔、溶剂脱气塔组合的新工艺,萃取溶剂采用含水的NMP溶液,分离可得到粗1,3-丁二烯。
C馏分换热后进入隔壁塔第一分区的中部,来自萃取洗涤塔的底部物流循环进入4第一分区的上部,来自溶剂脱气塔的一股溶剂进入第二分区的上部,第二分区的炔烃化合物塔顶抽出粗1,3-丁二烯产品,从隔壁塔的下部共用塔区域抽出含C4的溶剂,这股物流进入溶剂脱气塔进行溶剂再生,脱气塔塔釜物流循环。
来自隔壁精馏塔第一分区的顶部物流加入到萃取洗涤塔的下部,通过在萃取洗涤塔的上部区域加入一股溶剂进行逆流萃取,从萃取洗涤塔的顶部抽出抽余液。
丁二烯抽提工艺方法的比较与选择摘要丁二烯的加工利用水平和化工利用技术的发展对国家合成橡胶工业生产的发展有着重要影响。
丁二烯的生产可分为乙腈法、二甲基甲酰胺法和N甲基吡咯烷酮法三种。
不论是哪种溶剂,抽提工艺一般都采用两段萃取精馏,即先用溶剂萃取丁二烯及炔烃,把它们与丁烷,丁烯馏分分开,再用同一溶剂在炔烃萃取精馏塔中萃取掉炔烃,得到丁二烯馏分,丁二烯馏分脱除轻重组分后,便得到丁二烯。
三种方法都有各自的特点,在选择生产丁二烯的方法时,要详细比较各自的优缺点,选择出最适合的工艺方法。
关键词:丁二烯工艺;溶剂;抽提1丁二烯的简介丁二烯,通常是指1,3-丁二烯,又称乙烯基乙烯,分子式C4H6,无色气体。
熔点108.9℃,沸点4.41℃,微溶于水和醇,易溶于苯、甲苯、氯仿、等有机溶剂。
丁二烯在常温常压下为无色而略带大蒜味的气体,易液化,易燃,聚合。
丁二烯具有麻醉和刺激作用,可能引起遗传缺陷,可致癌。
丁二烯是碳四馏分中最重要的组分,是石油化工的基本原料之一,在石油化工烯烃原料中的地位仅次于乙烯和丙烯, 世界丁二烯主要用于合成橡胶以及ABS树脂等。
2丁二烯的生产方法我国丁二烯的生产经历了酒精接触分解、丁烯或丁烷氧化脱氢和蒸气裂解制乙烯联产C4抽提分离三个发展阶段。
C4抽提分离这种方法价格低廉,经济上占优势,是目前世界上丁二烯的主要来源。
只有少数一些丁烷、丁烯资源丰富的国家采用脱氢法。
目前我国正在运行的丁二烯生产装置,绝大多数都是随着乙烯工业的发展而逐步配套建设起来的[1]。
2.1乙腈法乙腈法(ACN法)乙腈法以含水10%左右的乙腈为溶剂,由两段萃取精馏、两段普通精馏、和溶剂回收等工艺单元组成。
原料裂解碳四第一萃取精馏塔,与塔顶来的乙腈接触。
丁烷、丁烯、反丁烯-2等从塔顶馏出,塔底含丁二烯和重组分的乙腈溶液由釜液泵送至汽提塔将烃类组分从乙腈溶液中汽提出来。
汽提塔中部炔烃浓度最高,侧线采出送入炔烃闪蒸塔汽提塔釜液由汽提塔釜液泵打出,作为循环溶剂。
编号:No.13d jj课题:碳4抽提工艺流程授课内容:●典型碳4抽提工艺流程●碳4抽提过程操作方法知识目标:●掌握典型碳4抽提工艺原则流程●了解碳4抽提过程操作方法能力目标:●分析和判断影响萃取精馏过程主要因素●分析和判断精馏萃取过程操作异常现象及处理方法思考与练习:●碳4乙睛抽提工艺构成●溶剂对抽提过程有何影响?●碳4乙睛抽提过程操作有何异常现象?授课班级:授课时间:年月日三、工艺流程1、乙腈法(ACN法)乙腈法是以含水5%~10%的乙腈为溶剂,以萃取精馏的方法分离丁二烯。
我国于1971年5月由兰化公司合成橡胶厂自行开发的乙腈法C4抽提丁二烯装置试车成功。
该装置采用两级萃取精馏的方法,一级是将丁烷、丁烯与丁二烯进行分离,二级是将丁二烯与炔烃进行分离。
其工艺流程见图3—1。
由裂解气分离工序送来的C4馏分首先送进碳三塔(1)碳五塔(2),分别脱除C3馏分和C5馏分,得到精制的C4馏分。
精制后的C4馏分,经预热汽化后进入丁二烯萃取精馏塔(3)。
丁二烯萃取精馏塔分为两段,共l20块塔板,塔顶压力为0.45Mpa,塔顶温度为46℃,塔釜温度114℃.C4馏分由塔中部进入,乙腈由塔顶加入,经萃取精馏分离后,塔顶蒸出的丁烷、丁烯馏分进入丁烷、丁烯水洗塔(7)水洗,塔釜排出的含丁二烯及少量炔烃的乙腈溶液,进入丁二烯蒸出塔(4)。
在塔(4)中塔釜排出的乙腈经冷却后供丁二烯萃取精馏塔循环使用,丁二烯、炔烃从乙腈中蒸出去塔顶,并送进炔烃萃取精馏塔(5)。
经萃取精馏后,塔顶丁二烯送丁二烯水洗塔(8),塔釜排出的乙腈与炔烃一起送入炔烃蒸出塔(6)。
为防止乙烯基乙炔爆炸,炔烃蒸出塔(6)顶的炔烃馏分必须间断地或连续地用丁烷、丁烯馏分进行稀释,使乙烯基乙炔的含量低于30%(摩尔),炔烃蒸出塔釜排出的乙腈返回炔烃蒸出塔循环使用,塔顶排放的炔烃送出用作燃料。
在塔(8)中经水洗脱除丁二烯中微量的乙腈后,塔顶的丁二烯送脱轻组分塔(10)。
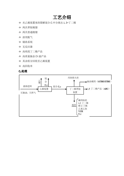
工艺介绍
✧从乙烯装置来的裂解混合C4中分离出1,3-丁二烯✧两次萃取精馏
✧两次普通精馏
✧溶剂脱气
✧辅助系统
✧无反应器
✧高纯度丁二烯产品
✧高质量抽余C4副产品
✧其余组分回收至乙烯装置
✧高回收率
C4处理
分离单元
⏹萃取精馏
丁烯、丁烷和C4烃类的沸点与1,3-丁二烯非常接近
普通精馏难以分离
在NMP溶剂中与1,3-丁二烯组分的溶解度差别较大
⏹普通精馏
1,2-丁二烯、丙炔和C5烃类的沸点远高于1,3-丁二烯
粗丁二烯可通过普通精馏分离
NMP溶剂工艺
⏹溶剂是丁二烯萃取的关键
⏹N MP溶剂是最好的选择,原因如下:
⏹具有很高的选择性,可以有效地降低操作成本和能耗,提高产量
⏹具有很好的环保效果,对环境影响最小
⏹低毒无致癌物
⏹稳定性好,无溶剂分解的副产物生成。
⏹无腐蚀性
⏹安全的溶剂。
丁二烯的生产工艺
丁二烯是一种重要的有机化工原料,广泛应用于橡胶、塑料、合成纤维、染料、医药等领域。
其生产工艺主要有以下几种:
1. 石油法:利用石油或煤矿中的石脑油和裂解汽油作为原料,通过热解反应生产丁二烯。
首先,将原料预热并送入热解炉加热,然后在催化剂的作用下进行热解反应,生成丁二烯和其他轻质烃类。
最后,通过分离提纯过程,得到纯度较高的丁二烯产品。
2. 丁炔解法:采用丁炔为原料,通过催化剂的作用,在高温条件下进行炔解反应,生成丁二烯。
该方法对原料的纯度要求较高,需要进行预处理和分离纯化等环节,但丁二烯产率较高。
3. 乙醇法:以乙醇为原料,通过脱水反应生成乙烯,然后通过乙烯的氧化和裂解反应,获得丁二烯。
该方法相对环保,但乙烯的产量较低,需要进行后续的转化反应。
4. 生物发酵法:利用微生物的代谢产物,如乙醇、丙酮等,通过发酵过程生成丁二烯。
该方法对原料的选择较为灵活,但产量相对较低且工艺较为复杂。
在丁二烯的生产过程中,需要考虑原料的选择和纯度要求、反应条件的控制以及分离纯化等环节。
丁二烯的生产工艺中,催化剂的选择和优化以及废气的处理和资源化利用等问题也是需要考虑的重要因素。
随着科技的进步和工艺的不断优化,丁二烯的生产工艺将更加高效、环保和经济。
年产15万吨丁二烯工艺
本文介绍了一种年产15万吨丁二烯的工艺流程。
该工艺以丙
烯和丁烯为原料,通过催化裂解反应得到丁二烯。
工艺流程
1. 原料准备:将丙烯和丁烯送入混合釜中,按照一定比例混合。
2. 催化裂解:将混合好的原料送入裂解器中,在催化剂的作用
下进行裂解反应,生成丁二烯。
3. 分离净化:将反应生成物送入分离塔进行分馏,分离出丁二
烯和其他副产品,并通过净化塔进行净化。
4. 产品输送:将丁二烯输送至储罐,进行储存和包装。
工艺优势
1. 原料稳定:丙烯和丁烯作为工业品都具有稳定性,不易变质。
2. 高产率:通过优化催化剂的选择和反应条件,该工艺能够实
现较高的丁二烯产率。
3. 产品纯度高:通过净化塔进行净化,丁二烯的纯度能够达到99%以上。
4. 能耗低:该工艺的能耗较低,且无需高压反应,降低了设备
投资和运营成本。
工艺不足
1. 催化剂寿命较短:催化裂解反应会导致催化剂活性逐渐降低,需要定期更换催化剂。
2. 环保问题:裂解反应会产生少量有害气体,需要进行处理和
排放控制。
结论
该工艺能够实现较高的丁二烯产量和产品纯度,同时具有低能耗、原料稳定等优点。
可以应用于丁二烯市场的生产中。
但在实际
应用中需要考虑催化剂的更换和环保问题。
丁二烯工艺基础知识
嘿,朋友们!今天咱就来唠唠丁二烯工艺基础知识,这可真是超级有趣的玩意儿呢!
你知道吗,丁二烯就像是化学世界里的一个小精灵,它有着神奇的作用。
比如说,橡胶知道吧,那可是我们生活中常见的东西呀,像汽车轮胎啥的。
丁二烯就是制造橡胶的重要原料之一哟!如果没有丁二烯,那咱们的车胎可咋整呀,难不成都用木头做轮子啊?哈哈!
丁二烯的生产工艺可不简单呢!就好像是一场精彩的魔术表演。
从原料的选取,到一系列复杂的化学反应,再到最终获得丁二烯,这整个过程充满了玄机。
好比说,这就像是厨师做菜,得精心挑选食材,精确掌握火候和调料,才能做出美味佳肴呀!想想看,如果步骤错了一点,那出来的可就不是丁二烯,而是不知道啥奇怪的东西啦!
在丁二烯工艺中,那些科学家和工程师们可都是超级厉害的角色!他们就像勇敢的探险家,在化学的海洋里不断探索。
他们不断尝试新的方法,改进工艺,力求让丁二烯的生产更加高效、更加优质。
他们难道不伟大吗?咱真得给他们点个赞呀!
咱们再来说说这丁二烯的用途吧,那可真是广泛得很呐!不仅能做橡胶,还能在其他好多领域发挥作用呢!这就像一个全能选手,哪里需要往哪去。
哎呀呀,丁二烯可真是太重要啦!
总之,丁二烯工艺基础知识就像是一个宝藏,等待着我们去挖掘,去了解。
大家难道不想深入探究一下吗?赶紧行动起来吧,去发现丁二烯的更多奇妙之处!
我的观点结论就是:丁二烯工艺非常重要且有趣,值得我们去好好学习和了解!。
丁二烯车间工艺流程下载温馨提示:该文档是我店铺精心编制而成,希望大家下载以后,能够帮助大家解决实际的问题。
文档下载后可定制随意修改,请根据实际需要进行相应的调整和使用,谢谢!并且,本店铺为大家提供各种各样类型的实用资料,如教育随笔、日记赏析、句子摘抄、古诗大全、经典美文、话题作文、工作总结、词语解析、文案摘录、其他资料等等,如想了解不同资料格式和写法,敬请关注!Download tips: This document is carefully compiled by theeditor.I hope that after you download them,they can help yousolve practical problems. The document can be customized andmodified after downloading,please adjust and use it according toactual needs, thank you!In addition, our shop provides you with various types ofpractical materials,such as educational essays, diaryappreciation,sentence excerpts,ancient poems,classic articles,topic composition,work summary,word parsing,copy excerpts,other materials and so on,want to know different data formats andwriting methods,please pay attention!丁二烯生产车间的工艺流程详解丁二烯,作为一种重要的有机化工原料,广泛应用于合成橡胶、塑料等工业生产中。
丁二烯生产工艺流程设计与安全评价丁二烯是一种重要的化工原料,在合成橡胶、塑料和化学品制造中具有广泛的应用。
为了确保丁二烯的生产过程高效、安全、稳定,需要进行工艺流程设计和安全评价。
本文将探讨丁二烯生产工艺的流程设计以及安全评价的相关内容。
一、工艺流程设计1. 原料准备:丁二烯的主要原料是丁烯和乙醇。
其中丁烯为乙醇脱水制备,需要确定合适的脱水剂、温度和时间等参数,以提高丁烯的纯度和产率。
2. 反应装置设计:丁二烯的生产主要是通过丁烯的烯烃加聚反应完成的。
反应器的设计应考虑反应温度、压力、催化剂的选择以及反应器的尺寸和材料等因素。
同时,为了提高反应效率和产品质量,还需要考虑适当的搅拌和冷却条件。
3. 分离纯化:在反应后,需要进行产品的分离纯化。
这包括对乙醇催化剂的回收利用、丁二烯和其他副产物的分离、纯化和再生等步骤。
分离纯化过程的设计需结合实际情况和工艺要求,选择适当的分离技术和设备,以提高产品的纯度和收率。
4. 产品储存和运输:生产完成后,丁二烯需要储存和运输至下游工艺或客户处。
应选择适当的储罐和容器,对丁二烯进行储存和包装,确保产品的安全性和稳定性。
二、安全评价1. 火灾和爆炸风险评估:丁二烯是易燃易爆的化学品,因此应对生产过程中的火灾和爆炸风险进行评估。
包括对原料、反应装置、储存设施和环境条件等因素进行分析,预测潜在的火灾和爆炸风险,并采取相应的措施进行防范。
2. 有害物质防护:丁二烯的生产过程中还包括一些有害物质的生成和释放,如有毒气体、废水和废气等。
应对这些有害物质进行评估,确定其对环境和人体的潜在风险,并采取相应的防护设施和处理措施,以减少对环境和人体的影响。
3. 装置安全设计:在丁二烯生产工厂的设计过程中,应考虑装置的安全设计。
包括对设备的选择、设计和材料的选择,以及安全设备的设置。
同时,在施工和运营过程中,还需要进行定期的安全检查和维护,确保装置的正常运行和安全性。
4. 应急预案和培训:针对丁二烯生产过程中可能发生的事故和紧急情况,需要制定相应的应急预案。
丁二烯生产工艺流程设计与质量控制一. 引言丁二烯是一种重要的合成橡胶原材料,广泛应用于橡胶工业、塑料工业等领域。
为了确保丁二烯的生产效率和质量稳定,需要进行合理的工艺流程设计和严格的质量控制措施。
本文将围绕丁二烯的生产工艺流程设计与质量控制展开探讨。
二. 丁二烯生产工艺流程设计丁二烯的生产可分为烷烃烯化法和烯烃裂解法两种主要工艺。
本文将重点介绍烷烃烯化法的工艺流程设计。
1. 原料准备烷烃烯化法中,常用的原料是丁烷、溶剂和催化剂。
丁烷作为丁二烯的原料,需要经过精炼处理以提高其纯度。
溶剂的选择要考虑其溶解能力和稳定性,一般选择具有较高热稳定性的溶剂。
催化剂的选择要考虑其活性和选择性,优选具有高效活性和较好选择性的催化剂。
2. 反应器设计反应器是丁烷烯化反应的核心设备,其设计要考虑反应条件和反应热平衡等因素。
反应器一般采用多管式或回流式设计,以提高反应的效率和选择性。
此外,反应器还需要考虑搅拌和加热冷却系统的设计,以确保反应均匀性和热平衡。
3. 分离与纯化反应后的产物中含有未反应的丁烷、副产物和杂质等物质,需要进行分离和纯化处理。
分离一般采用精馏、萃取和吸附等技术,以分离出纯净的丁二烯。
纯化过程中,还需要考虑对杂质的去除和如何提高丁二烯的纯度。
4. 支撑设施丁二烯生产过程中还需要考虑辅助设施的建设,如催化剂再生装置、废气处理系统和能源供应系统等。
这些支撑设施对于生产效率和环境保护都具有重要意义。
三. 丁二烯质量控制为保证丁二烯的产品质量稳定,需要采取一系列质量控制措施。
下面从原料控制、工艺控制和产品检测三个方面进行介绍。
1. 原料控制原料的质量直接影响到终产品的质量稳定性。
因此,对于丁烷、溶剂和催化剂等原料的选择要严格把控。
在原料进厂时需进行严格检验,确保原料符合相关标准和要求。
2. 工艺控制工艺参数对于丁二烯生产过程中反应的效率和选择性具有重要影响。
对于丁烷烯化反应,需要控制反应温度、压力和反应时间等参数,以确保反应的高效进行。
丁二烯法生产己二腈工艺流程
己二腈是一种重要的化工原料,广泛应用于农药、医药、涂料、塑料等工业领域。
丁二烯法是目前生产己二腈的主要工艺路线之一,其工艺流程如下:
1. 原料准备:采用工业级丁二烯和氰化氢作为主要原料。
丁二烯经过脱丁基处理后与氰化氢反应得到己二腈。
2. 反应器:采用密闭式反应器进行反应,反应器内部设有搅拌器,保证反应均匀进行。
3. 反应条件:反应温度一般控制在50℃~70℃,反应压力为
0.5MPa,反应时间为3~5小时。
4. 分离提纯:反应结束后,将反应液经过蒸馏分离得到己二腈产品。
产品经过后续的提纯处理后,可得到高纯度的己二腈。
5. 应用领域:生产的己二腈可用于制备多种农药、医药、合成纤维、涂料、塑料等工业领域。
以上就是丁二烯法生产己二腈的工艺流程,该工艺路线具有反应简单、产率高、原料易得等优点,是目前广泛应用的一种生产工艺。
- 1 -。