管道土方量计算公式
- 格式:xls
- 大小:25.50 KB
- 文档页数:3
市政给排水管道挖方与回填量计算市政排水管道的挖方与回填量计算是确定排水管道施工中所需开挖土方和回填土方的工作。
准确计算挖方与回填量对于工程进度和质量具有重要作用。
下面将详细介绍市政排水管道挖方与回填量的计算方法。
1.挖方计算挖方计算是指确定开挖土方的工作量。
通常有以下几种方法可以计算挖方量:1.1矩形截面法:根据排水管道的截面形状,将开挖区域划分为若干个矩形,并计算每个矩形的面积,然后求和即可得到挖方量。
公式为:挖方量=∑(B*H),其中B为矩形宽度,H为矩形深度,∑为求和符号。
1.2梯形截面法:当排水管道的截面形状为梯形时,可利用梯形的面积公式计算挖方量。
公式为:挖方量=(A+B)*H/2,其中A为梯形上底,B 为梯形下底,H为梯形高度。
1.3弧形截面法:当排水管道为弧形截面时,可将弧形划分为若干个扇形,并计算每个扇形的面积,然后求和即可得到挖方量。
公式为:挖方量=∑(0.5*R^2*θ),其中R为扇形半径,θ为扇形的圆心角,∑为求和符号。
回填量计算是指确定回填土方的工作量。
与挖方计算类似,回填量计算也可以通过多种方法进行,具体计算方法如下:2.1矩形截面法:根据排水管道的截面形状,将回填区域划分为若干个矩形,并计算每个矩形的面积,然后求和即可得到回填量。
公式为:回填量=∑(B*H),其中B为矩形宽度,H为矩形深度,∑为求和符号。
2.2梯形截面法:当排水管道的截面形状为梯形时,可利用梯形的面积公式计算回填量。
公式为:回填量=(A+B)*H/2,其中A为梯形上底,B为梯形下底,H为梯形高度。
2.3弧形截面法:当排水管道为弧形截面时,可将弧形划分为若干个扇形,并计算每个扇形的面积,然后求和即可得到回填量。
公式为:回填量=∑(0.5*R^2*θ),其中R为扇形半径,θ为扇形的圆心角,∑为求和符号。
需要注意的是,上述计算方法要根据实际情况进行取舍,如对于不规则形状的施工段,可以采用剖面计算法或测图计算法确定挖方与回填量。
一、土方工程。
(一) 一般土方。
1.土方的挖、运均以天然密实体积(自然方)计算,回填土按碾压后的体积(实方)计算。
2.一般挖方包括道路土方,底面宽度超过7m、长度超过底宽3倍、基坑底面积在150m2以上的土方开挖。
3.土方分类为综合土和四类土,一般情况下,执行综合土定额。
土方中砾石含量超过10%时,可套用四类土;碎、砾石含量超过30%时,按地四类土乘以1.43系数。
4.人工挖土、运土定额系指工程量小、运距近和不适宜用机械施工的土方工程。
除以上情况外,均执行机械土方定额。
对于机械挖不到的方或需要人工配合修整挖土时,可套用人工挖土定额。
区分比例为机械挖土按90%计算,人工土方为10%,人工辅助挖土按相应定额乘以1.5系数。
5.机械土方分为推土机推土(最大推距不能超过80m)、铲运机铲运土方和挖掘机挖土。
6.机械土方现场运输指现场分段施工需回填时可利用的土方,不包括耕植土、流砂、淤泥、垃圾、杂填土和冻土。
(二) 沟槽土方。
1.沟槽土方,底宽小于7m,底长>底宽3倍以上按沟槽计算。
2.沟槽土方挖土深度步距分为2m、4m、6m、8m。
深度超过8m时,每增深1m,按上步定额乘以1.12系数。
3.沟槽底宽每侧工作面,按设计要求计算。
如无设计要求时,按下表规定执行。
管道结构宽(cm)混凝土管道基础90º混凝土管道基础>90º金属管道构筑物无防潮层有防潮层50以内40 40 3040 60100以内50 50 40250以内60 50 40250以上80 80 604.沟槽、支撑、放坡有设计要求时,按设计规定执行。
无设计要求时按以下规定参考计算:(1)沟槽深度在1m内,不放坡,不设撑。
(2)沟槽深度在2m以内时,放坡系数按1∶0.25;3m以内放坡系数按1∶0.33。
(3)沟槽深度在4m以内时,设置疏撑,放坡系数按1∶0.05。
(4)沟槽深度超度4m,可设密撑,放坡系数按1∶0.05。
管道沟槽土方计算方法管道沟槽是指为了埋设地下管道而进行的挖掘工程。
在进行管道沟槽土方计算之前,首先需要了解一些基本概念和术语。
1.管道沟槽宽度(b):管道沟槽的底宽。
2.管道沟槽深度(H):管道沟槽的最大深度。
3.管道沟槽坡度(s):管道沟槽的纵向坡度,用于排水。
4.操作坡度(s'):用于设备作业和施工人员安全所需的坡度。
5.土方回填系数(K):用于计算土方开挖与土方回填之间的体积关系。
那么,如何进行管道沟槽土方计算呢?下面是一种常见的方法,基于工程图纸上的沟槽剖面尺寸和土方回填系数。
1.确定开挖方向和断面:根据工程要求和管道布置,确定管道沟槽的开挖方向和沟槽断面形状。
2.测量和标注:在现场测量与记录出沟槽的实际尺寸,包括宽度(b)和深度(H)。
3.计算体积:根据测量数据,计算沟槽土方的体积。
通常情况下,土方的计算可以分为两个步骤:开挖体积和回填体积。
-开挖体积计算:根据沟槽的实际尺寸,计算开挖土方的体积。
土方体积的计算可以通过求解梯形或矩形的体积公式来进行。
例如,如果沟槽的断面为梯形,可以使用以下公式计算开挖体积:V=(A+B)×L×H/2其中,A和B分别为梯形上底和下底的宽度,L为梯形的长度,H为梯形的高度。
-回填体积计算:根据回填层的厚度和沟槽断面尺寸,计算回填土方的体积。
与开挖体积计算类似,回填体积的计算也可以通过求解梯形或矩形的体积公式来进行。
4.考虑坡度:根据工程要求和规范,考虑沟槽的纵向坡度和操作坡度。
如果存在坡度要求,需要根据坡度计算相关的调整值。
5.考虑土方回填系数:根据设计要求,考虑土方开挖与土方回填之间的体积关系。
通常情况下,土方回填系数为1.1左右,即需开挖的土方体积乘以1.1来得到总的土方体积。
6.检查校核:对计算结果进行检查和校核,确保计算正确。
需要注意的是,上述方法是一种常见的计算方法,但在实际工程中,可能会根据具体要求和地质条件进行适当的调整。
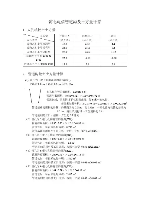
河北电信管道沟及土方量计算1.人孔坑挖土土方量2.管道沟挖土土方量计算(1) 管孔为1根七孔梅花管的管沟(1X1):上沿为0.81m,下沿为0.51m,高为1.2m.七孔梅花管的截面积:0.006633㎡管道沟截面积:(0.81+0.51)×1.2÷2=0.792㎡管道包封:正常情况下七孔梅花管,每6米一处包封。
每百米包封体积:(0.21×0.15-0.006633)×17=0.4227m³管道基础的用料的计算:的截面为高0.08m,宽0.35m。
一根七孔梅花管的基础为0.21m,所以采用标准一立型用料的0.6。
管道基础的工日:按照一立型的0.8计列。
(2)管孔为2根七孔梅花管的管沟(2X1):管道沟截面积:(0.95+0.65)×1.2÷2=0.96㎡管道包封:每百米包封体积:0.736 m³管道基础的用料及工日计算:按照一立型(0.35 mX0.08m)(3)管孔为4根七孔梅花管的管沟(2X2):管道沟截面积:(0.95+0.65)×1.2÷2=0.96㎡管道包封:每百米包封体积:1.6 m³管道基础的用料及工日计算:按照一立型(0.35 mX0.08m)(4)管孔为6根七孔梅花管的管沟(3X2):管道沟截面积:(1.09+0.79)×1.2÷2=1.13㎡管道包封:每百米包封体积:1.802 m³管道基础的用料及工日计算:按照一平型(0.46 m X0.08 m)(5)管孔为9根七孔梅花管的管沟(3X3):管道沟截面积:(1.09+0.79)×1.26÷2=1.18㎡管道包封:每百米包封体积:2.817 m³管道基础的用料及工日计算:按照一平型(0.46 m X0.08 m)]另见附图。
室外管道挖⼟⽅⼯程量计算规则是什么在进⾏⼯程建设之前是要根据图纸计算⼯程计量的,⽽且⼯程计量的计算有规定的规则,不同的种类有不同的计算⽅法。
例如室外管道挖⼟⽅⼯程量计算都有⼏种,室外管道挖⼟⽅⼯程量计算规则是什么,下⾯店铺的⼩编为⼤家整理了相关内容,来为⼤家解答。
⼀、室外管道挖⼟⽅⼯程量计算主要有⼏种(1)平整场地系指厚度在±30cm以内的就地挖、填、找平,其⼯程量按建筑物的⾸层建筑⾯积计算。
(2)挖地槽⼯程量按设计图⽰尺⼨以体积计算,其中:外墙地槽长度按设计图⽰外墙槽底中⼼线长度计算,内墙地槽长度按内墙槽底净长计算;槽宽按设计图⽰基础垫层底尺⼨加⼯作⾯的宽度计算;槽深按⾃然地坪标⾼⾄槽底标⾼计算。
当需要放坡时,应将放坡的⼟⽅⼯程量合并于总⼟⽅⼯程量中。
(3)⼈⼯挖冻⼟⼯程量按设计图⽰尺⼨按开挖⾯积乘厚度以体积计算。
(4)挖淤泥、流砂⼯程量按设计图⽰尺⼨以体积计算。
(5)原⼟打夯、槽底钎探⼯程量,以槽底⾯积计算。
(6)⽀挡⼟板⼯程量,以槽的垂直⾯积计算,双⾯⽀挡⼟板者计算双⾯⾯积,⽀挡⼟板后,不得再计算放坡⼟⽅⼯程量。
(7)挖室内管沟,凡带有混凝⼟垫层或基础、砖砌管沟墙、混凝⼟沟盖板者,如需反刨槽的挖⼟⼯程量,应按设计图⽰尺⼨的混凝⼟垫层或基础的底⾯积乘以深度以体积计算。
(8)排⽔沟挖⼟⼯程量按施⼯组织设计的规定以体积计算,并⼊挖⼟⼯程量内。
(9)管沟⼟⽅⼯程量按设计图⽰尺⼨以体积计算,管沟长度按管道中⼼线长度计算(不扣除检查井所占长度);管沟深度有设计时,平均深度以沟垫层底表⾯标⾼⾄交付施⼯场地标⾼计算,⽆设计时,直埋管深度应按管底外表⾯标⾼⾄交付施⼯场地标⾼的平均⾼度计算⼆、室外管道挖⼟⽅⼯程量计算室外给排⽔管挖⼟⽅⽆设计规定时,按经批准的施⼯组织设计或预算定额给出的计算规则计算其⼟⽅⼯程量;(⼀)室外排⽔⼟⽅量:管沟挖⽅量计算式: V=h(b+0.3h)L式中:h=沟深,按设计管底标⾼计算,m;b=沟底宽,m;L=沟长,m;0.3=放坡系数。
土方工程量怎么计算?计算方法有哪些?(一)垂直断面法。
此法适用于带状地形单体或土方工程(如带状山体、水体、沟,、堤、路堑、路槽等)的土方量计算。
其基本计算公式如公式(1—7)。
在Sl和S2的面积相差较大或两相邻断面之间的距离大于50m时,计算的结果,误差较大,遇上述情况,可改用以下公式运算:v=L*(S1+S2+S3)/6。
热门城市:江苏律师景德镇律师淮北律师盐城律师鄂尔多斯律师枣庄律师绥化律师齐齐哈尔律师商洛律师在日常生活中,我们经常会遇到道路施工修整等情况,而工程开工是需要经历相应的准备阶段,其中涉及的土方工程量的计算,只有通过合理的计算,才能降低工程费用。
但是由于大多数人对不清楚▲土方工程量怎么计算,因此今天的小编来为大家介绍。
▲一、平整场地及辗压工程量计算按下列规定计算:l、人工平整场地是指建筑场地在±30cm以内挖、填土方及找平。
挖、填土,厚度超过±30cm以外时,按场地土方平衡竖向布置图另行计算。
2、平整场地工程量按建筑物外墙外边线每边各加2m,以平方米计算。
3、建筑场地原土辗压以平方米计算,填土辗压按图示填土厚度以立方米计算。
判断关键依据:看挖的高度以及填的深度是否超过(>;h 或=)300mm▲二、挖掘沟槽、基坑土方工程量计算按下列规定计算:l、沟槽、基坑划分:凡图示沟槽底宽在3m以内,且沟槽长大于槽宽三倍以上的为沟槽。
凡图示基坑底面积在20m2以内,且坑底的长与宽之比小于或等于3的为基坑。
凡图示沟槽底宽3m以外,坑底面积20m2以外,平整场地挖土方厚度在30cm以外,均按挖土方计算。
2、挖沟槽、基坑需支挡土板时,其宽度按图示沟槽、基坑底宽,每边各加10cm。
挡土板面积,按槽、坑垂直支撑面积计算。
双面支撑亦按单面垂直面积计算,套用双面支挡土板定额,不论连续或断续均执行本定额。
凡放坡部分不得再计算挡土板,支挡土板后,不得再计算放坡。
3、基础施工所需工作面,按表A1-4规定计算。