水利工程质量监督检查记录表汇总表[精品文档]
- 格式:doc
- 大小:190.50 KB
- 文档页数:7
水利水电设备质量监督检查记录尊敬的各位领导:根据水利水电设备质量监督检查的要求和工作安排,我们将对水利水电设备进行全面检查,并记录检查过程中的问题及处理情况。
以下是本次检查的具体记录:日期:xxxx年xx月xx日地点:xxxxxx参与人员:xxxx、xxxx、xxxx一、检查情况:1. 设备名称:xxxxxx型号:xxxxxx生产日期:xxxx年xx月xx日生产厂家:xxxxxx设备安装时间:xxxx年xx月xx日设备使用时间:xxxx年xx月xx日2. 检查项目:a) 设备外观检查:- 设备表面是否有明显划痕或损坏情况- 设备焊接部位是否牢固- 设备防护罩是否完好b) 设备性能检查:- 设备工作状态是否正常- 设备运行噪音是否超过标准范围- 设备电流、电压等参数是否稳定c) 设备安全检查:- 设备是否存在漏电、短路等安全隐患- 设备接地是否良好- 设备运行时是否存在过载等安全风险二、问题记录:1. 设备外观检查:- 发现设备表面有划痕,需及时修复- 设备防护罩存在破损,需更换2. 设备性能检查:- 发现设备运行噪音超过了标准范围,需要进行维修调整 - 设备电流波动较大,需进一步检查排除问题3. 设备安全检查:- 设备存在漏电现象,需检修电路并加强设备接地- 设备存在过载运行情况,需调整运行参数以降低安全风险三、处理情况:1. 根据问题记录,及时通知设备维修人员进行处理,修复设备表面划痕,更换防护罩,并进行维修调整以减少噪音和电流波动。
2. 安排专人对设备进行电路检修和接地加强工作,确保设备的电气安全。
3. 加强设备操作培训,提醒操作人员不得超负荷运行设备,以降低安全风险。
四、检查结论:根据本次检查结果,发现了设备外观、性能和安全方面的问题,并及时进行了处理,确保了设备的正常运行。
各项处理措施已落实到位,问题得到了妥善解决。
五、建议:1. 建议将设备外观检查、性能检查和安全检查纳入设备定期维护计划,以保证设备的正常运行和安全使用。
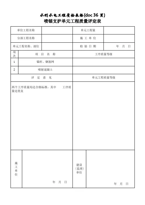
水利水电工程质检表格(doc 36页)喷锚支护单元工程质量评定表
水利水电工程
喷锚支护喷射混凝土质量工序评定表
灵关水电站工程
喷射混凝土检查证
工程名称:检查部位:编号:
灵关水电站工程
基础开挖验收合格证
施工单位:合同编号: No:
混凝土浇筑工序质量检查表
混凝土止水、伸缩缝和排水管安装工序质量评定表
钢筋工序质量评定表
锚喷支护锚杆、钢筋网工序质量评定表
岩石地基固结灌浆单元工程质量评定表
水工隧洞回填灌浆单元工程质量评定表
岩石地基帷幕灌浆单元工程质量评定表
混凝土坝体接缝灌浆单元工程质量评定表
水工建筑物岩石基础验收证书
水利水电工程
砂料质量评定表
混凝土配料单
编号:
承包单位运算承包单位校核监理工程师〔签章〕本表由承包单位填报,监理单位、承包单位、业主各一份。
砂浆配料单
编号:
本表由一试三份,监理单位、承包单位、业主个一份。
水利水电工程
粗骨料质量评定表
进场材料质量检验报告单
备查.
施工质检员资质认证申请表
注:〝+〞为超挖,〝-〞为欠挖。
灵关水电站混凝土开仓准浇证〔存根联〕
灵关水电站混凝土开仓准浇证
混凝土浇筑仓面设计
混凝土单元工程质量评定表
模板工序质量评定表
混凝土预制构件安装单元工程质量评定表
报验申请表
监理工程师通知回复单
工程竣工报验单
灵关水电站
混凝土浇筑开仓证
水利水电工程
基础面或混凝土施工缝处理质量评定表
岩石边坡开挖单元工程质量评定表
水利水电工程
混凝土预制构件安装单元工程质量评定表。
附件1
龙岩市烟基水源水库工程质量监督现场检查表
工程名称:
项目法人:
设计单位:
监理单位:
施工单位:
质量监督检查人员:
年月日
项目法人质量管理体系质量监督现场检查表
监理单位质量控制体系质量监督现场检查表
施工单位质量保证体系质量监督现场检查表
工程项目法人管理人员抽查登记表
工程名称:项目法人:(盖章)
注:本表一式贰份,由项目法人填写、监督机构检查并签署意见,监督机构、项目法人各执壹份。
监理机构监理人员抽查登记表
工程名称:监理单位:(盖章)
注:1、总监理工程师注册岗位证号应填写总监岗位证书号及监理工程师注册证号;
2、监理员只需填写资格证书号;
3、本表一式贰份,由监理单位填写、监督机构检查并签署意见,监督机构、监理单位各执壹份。
施工单位项目管理人员抽查登记表工程名称:施工单位:(盖章)
注:本表一式贰份,由施工单位填写、监督机构检查并签署意见,监督机构、施工单位各执壹份。
工程实物质量抽查表。
过程检查记录表编辑整理:尊敬的读者朋友们:这里是精品文档编辑中心,本文档内容是由我和我的同事精心编辑整理后发布的,发布之前我们对文中内容进行仔细校对,但是难免会有疏漏的地方,但是任然希望(过程检查记录表)的内容能够给您的工作和学习带来便利。
同时也真诚的希望收到您的建议和反馈,这将是我们进步的源泉,前进的动力。
本文可编辑可修改,如果觉得对您有帮助请收藏以便随时查阅,最后祝您生活愉快业绩进步,以下为过程检查记录表的全部内容。
过程(产品)检查记录表一、。
每项检查扣分最多不得大于标准分。
2.公司将每个月组织对项目进行一次考核。
3.检查组成人员:有工程部与项目总监组成。
4.计分规则:总分实得分÷(总分未发生项分数)×报验验收资料;报验验收资料得分报验验收资料实得分÷(未发生项分数)×。
检查结果将作为对项目部总监或负责人年终评先的考核条件之一。
奖惩:每考核一次,将进行一次评比,.对序号大型机械(塔吊、施工电梯、物料提升机)报验资料检查内容如下:①检查生产厂家资质有关资料:营业执照、生产许可证、产品合格证、使用说明书及制造技术资料、出厂检验合格报告、当地产品产权备案及销售备案手续。
②检查出租(经销商)单位资质有关资料:当地产品销售备案手续.其他同生产厂家资料.③检查安装单位资质有关资料:营业执照、资格证书、人员上岗证书(复印件盖公章)以及检查安拆方案(技术负责人签章)、安拆过程记录(基础隐蔽及旁站记录签字齐全)、法定检测机构检测合格报告。
④检查使用单位(施工)当地安全监督机构办理的【准用证】。
项目部环境、职业健康安全过程检查记录说明:、检查内容共项,每个检查项目分,对不符合处打×扣分,最多扣分不得>分、项目监理部根据项目部环境、职业健康安全过程检查记录中存在的问题向施工单位发出安全通知并督促其整改,复查期限为年月日.不合格监理服务评审处置记录监理费回收情况评价表项目名称:现场观感质量评价表注观感质量为标准,考核人员在相应表格内根据实际情况浮动打分,必须做到客观、公证;(1)砌体、混凝土、抹灰工程以外观尺寸偏差、平整度、垂直度、砌体勾缝等符合规范标准为好;不符合规范项在可控范围内(≤)为一般;不符合规范项过多()为差;(2)安装工程以预留洞口位置形状、穿线合理情况、后期剔槽量等是否符合要求为评价标准。
目录单位工程质量评定表 (7)分部工程施工质量评定表 (9)单位工程施工质量检测资料核查表 (11)单位工程施工质量检测资料核查表 (12)开挖单元工程质量评定表 (13)软基开挖单元工程质量评定表 (15)隐蔽工程联合验收表 (17)基础(隐蔽)工程验收表 (19)混凝土单元工程质量评定表 (22)混凝土基础面或施工缝处理工序质量评定表 (24)模板工序质量评定表 (26)钢筋工序质量评定表 (28)止水及伸缩缝工序质量评定表 (30)混凝土浇筑工序质量评定表 (32)现浇砼单元工程质量检验评定表 (34)土石坝坝基及岸坡处理单元工程质量评定表 (36)坝基及岸坡清理工序质量评定表 (38)防渗体岩基及岸坡开挖工序质量评定表 (41)坝基及岸坡地质构造处理工序质量评定表 (43)坝基及岸坡渗水处理工序质量评定表 (45)土质防渗体填筑单元工程质量评定表 (47)土石坝土质防渗体结合面处理工序质量评定表 (49)土石坝土质防渗体卸料及铺填工序质量评定表 (51)土石坝土质防渗体压实工序质量评定表 (53)土石坝土质防渗体接缝处理工序质量评定表 (55)反滤工程单元工程质量评定表 (58)混凝土预制块质量评定表 (60)浆砌石砌筑单元工程质量检验评定表 (62)浆(干)砌石护坡单元工程质量评定表 (64)浆砌预制块单元工程质量检验评定表 (66)预制构件单元工程质量检验评定表 (68)预制构件安装单元工程质量检验评定表 (70)管床、管座单元工程质量评定表 (72)混凝土管道安装单元工程质量检验评定表 (74)灌注桩单元工程质量评定表 (76)隧洞洞身开挖单元工程质量评定表 (78)喷锚支护单元工程质量检验评定表 (80)水工建筑物回填灌浆单元工程质量评定表 (83)隧洞(涵洞)洞身预制混凝土构件衬砌单元工程质量评定表 (85)隧洞(涵洞)洞身混凝土浇筑单元工程质量评定表 (87)土渠开挖单元工程质量评定表 (89)石渠开挖单元工程质量评定表 (91)岸坡清理及开挖单元工程质量评定表 (93)回填土方单元工程质量评定表 (95)灰土、砂石、砂和三合土基础单元工程质量检验评定表 (97)预制混凝土板单元工程质量评定表 (99)渠道混凝土板衬砌单元工程质量评定表 (101)砂质量评定表 (103)砂浆质量评定表 (105)卵石(碎石)质量评定表 (107)同一验收批砂浆强度检验评定报告 (110)混凝土拌和质量评定表 (112)砼拌和物质量评定表 (114)混凝土试块质量评定表 (116)混凝土试块试验强度统计质量评定报告 (118)水泥品质评定表 (120)钢筋质量评定表 (122)栏杆梯步、金属盖板及灯饰单元工程质量评定表 (124)施工日记 (126)堤防(或坝体)填筑单元工程质量评定表 (128)草土体、草帚单元工程质量评定表 (130)铅丝笼、砼四角体、散抛石单元工程质量评定表 (133)砌体勾缝单元工程质量检验评定表 (135)现浇渠道砼单元工程质量评定表 (137)土地开发单元工程质量评定表 (139)四级公路与乡村道路单元工程质量评定表 (141)反滤体单元工程质量检查评定表 (143)岩石地基帷幕灌浆单元工程质量评定表 (145)土渠开挖、(沟道清淤或开挖)质量评定表 (147)田间配套工程闸门单元工程质量评定表 (149)田间配套工程生产桥单元工程质量评定表 (151)田间配套工程陡坡单元工程质量评定表 (153)田间配套工程涵洞单元工程质量评定表 (155)田间配套工程斗口(农口)单元工程质量评定表 (158)建筑屋面单元工程质量评定表 (160)建筑门窗单元工程质量评定表 (161)建筑砌砖单元工程质量评定表 (163)建筑地面单元工程质量评定表 (165)室内外装饰单元工程质量评定表 (167)水落斗、水落管单元工程质量检验评定表 (169)工程报验单 (172)沟道整治单元工程质量检验评定表 (174)人饮工程输水管道安装单元工程质量评定表 (176)分水井、检查井单元工程质量评定表 (178)机井成井单元工程质量评定表 (180)井孔水文地质柱状剖面图 (182)抽水试验成果表 (184)下管(套管、井管、滤水管)记录表 (186)强夯法基础处理单元工程质量评定表 (188)地基夯实法试验 (190)砼管、预应力砼管及预防应力钢筒砼管单元工程质量评定表 (192)预应力钢筒砼管接头水压试验原始记录 (194)压力钢管制作单元工程质量评定表 (196)压力钢管安装单元工程质量评定表 (198)拦污栅安装单元工程质量评定表 (200)金属结构防腐蚀表面处理、涂料涂装单元工程质量评定表 (202)焊缝质量检查评定表 (205)螺杆式启闭机安装单元工程质量评定表 (207)启闭机械轨道安装单元工程质量评定表 (209)桥式起重机安装单元工程质量检验评定表 (211)平面闸门埋件安装单元工程质量评定表 (213)平面闸门安装单元工程质量评定表 (215)压力钢管岔管、弯管制作单元工程质量评定表 (217)设备地脚螺栓、基础板及垫铁质量评定表 (219)离心泵与轴流泵安装单元工程质量评定表 (221)卧式电动机安装单元工程质量评定表 (223)阀门(蝶阀、电动、手动阀门)安装单元工程质量评定表 (226)通风机安装单元工程质量检验评定表 (228)风管及部件安装单元工程质量检验评定表 (230)架空线路和杆上电气安装单元工程质量检验评定表 (232)电缆支架制作单元工程质量检验评定表 (234)电缆线路单元工程质量评定表 (236)配管及管内穿线单元工程质量评定表 (238)护套线配线单元工程质量评定表 (240)配线用钢索单元工程质量检验评定表 (242)硬母线安装单元工程检验质量评定表 (244)滑接线和移动式软电缆安装单元工程检验质量评定表 (246)高压开关安装单元工程检验质量评定表 (248)成套配电柜(盘)及动力开关柜安装单元工程质量检验评定表 (251)低压电器安装单元工程质量评定表 (253)蓄电池安装单元工程质量评定表 (255)电气照明器具及其配电箱(盘)安装单元工程质量评定表 (257)避雷针架制作安装单元工程质量评定表 (259)避雷针(网)及接地装置单元工程质量检验评定表 (261)水利水电工程单位工程质量评定表综表1宁夏水利水电建设工程质量监督中心站制综表1说明将表中主要分部工程用“△”符合标注。
单元工程施工质量报验表
(承包【2011】质报Ⅱ02号)
合同名称:合同编号:
说明:本表一式 3 份,由承包人填写。
监理机构审签后,承包人机构、发包人各1份。
堤坡填筑单元工程质量评定表
注:检测日期为终检日期,由施工单位填写。
评定日期由监理单位负责填写。
“△”为主要检查或检测项目。
堤坡填筑铺土厚度自检记录表
施工单位:初检人:终检人:技术负责:
堤坡填筑铺土宽度自检记录表
施工单位:初检人:终检人:技术负责:
工序转换验收单
坡面整修单元工程质量评定表
注:检测日期为终检日期,由施工单位填写。
评定日期由监理单位负责填写。
“△”为主要检查或检测项目。
坡面整修平整度自检记录表
施工单位:初检人:终检人:技术负责:
土料填筑碾压压实度试验记录表(环刀法)
施工单位:监理工程师:
试验人:日期年月日复核人:
技术负责人:
日期年月日。
汛前水利工程安全大检查情况统计表背景近年来,气候变化导致洪水、干旱等自然灾害频繁发生。
而水利工程是保障人民生命财产安全的重要设施,必须保证其良好的运行状态。
因此,为了做好汛前工作,保障水利工程安全运行,我们开展了水利工程安全大检查,并将检查情况进行统计汇总。
方法我们通过以下方法进行水利工程安全大检查:1.制定检查方案:针对不同类型的水利工程,我们制定了相应的检查方案,包括检查内容、检查标准、检查要求等,确保检查工作有针对性、全面性和可操作性。
2.组织人员实施检查:我们抽调了专业技术人员和管理人员组成检查组,根据方案要求在现场对水利工程进行全面检查,包括水文、结构、机电、管理等方面。
3.记录检查结果:检查组对每个检查点的情况进行记录,并按照统一的标准进行评分。
4.汇总检查结果:对检查结果进行整理汇总,并制定合理的解决方案,确保出现问题能够及时得到解决。
统计结果经过全面检查,我们共检查了X个水利工程,其中达到安全标准的占XX%。
以下是各类水利工程的检查结果:水库共检查了X座水库,全部达到安全标准。
水文站共检查了X个水文站,其中XX%达到安全标准。
堤防共检查了X段堤防,其中XX%达到安全标准。
对于未达标的堤防,我们已制定了相应的加固方案,正在进行实施。
泵站共检查了X个泵站,其中XX%达到安全标准。
对于未达标的泵站,我们已经进行了维修和更新换代。
工业用水共检查了X个工业用水设施,全部达到安全标准。
本次水利工程安全大检查覆盖了水利工程的各个方面,确保了水利工程运行的安全稳定。
检查结果表明,大多数水利工程达到了安全标准。
对于未达标的水利工程,我们已经制定了相应的解决方案,确保出现问题能够及时得到解决。
作为水利工程管理部门,我们将继续加强日常巡检和安全管理工作,做好汛前准备工作,确保水利工程的安全运行,为人民群众的生命财产安全提供保障。
水利工程三检表范本
水利工程三检表范本可能包括以下内容:
1. 单元工程开工报告
2. 单元工程质量评定表
3. 质量事故处理记录
4. 单元工程完工验收鉴定书
5. 验收会议纪要及验收人员签到
6. 单元工程开工申请批复单
7. 单元工程质量评定表(项目划分表)
8. 单元工程验收鉴定书(施工、监理、设计、建设单位)
9. 单元工程开工申请批复单(建设单位)
10. 工程质量事故处理记录(施工、监理、设计、建设单位)
需要注意的是,上述范本仅作为参考,具体内容可能因工程类型、规模和要求而有所不同。
在实际应用中,应根据具体情况进行适当调整和修改。
水利工程建设质量与安全生产监督检查办法(试行)第一章总则第一条为落实水利工程建设质量、安全生产管理责任,根据《中华人民共和国安全生产法》《建设工程质量管理条例》《建设工程安全生产管理条例》等法律、法规、规章,制定本办法。
第二条本办法适用于水利工程建设质量与安全生产的监督检查、问题认定和责任追究。
本办法所称水利工程,是指由国家投资、中央和地方共同投资、地方投资以及其它投资方式兴建的防洪、除涝、灌溉、水力发电、供水、围垦、采用工程措施的水土保持等(包括新建、续建、改建、扩建、加固、修复)工程建设项目。
第三条本办法所称质量管理是指建设、勘察设计、监理、施工、质量检测等参建单位按照法律、法规、规章、技术标准和设计文件开展的质量策划、质量控制、质量保证、质量服务和质量改进等工作。
本办法所称安全生产管理是指建设、勘察设计、监理、施工、质量检测等参建单位按照法律、法规、规章、技术标准和设计文件开展安全策划、安全预防、安全治理、安全改善、安全保障等工作。
质量与安全生产管理职责是指各参建单位履行质量、安全生产管理应承担的责任和义务。
第四条本办法所称水利工程建设质量、安全生产问题,包括质量管理违规行为、安全生产管理违规行为、质量缺陷。
水利工程质量与生产安全事故的分类、报告、调查、处理、处罚等工作按照《水利工程质量事故处理暂行规定》和《生产安全事故报告和调查处理条例》执行。
第五条水利工程项目法人(建设单位)、勘察设计、监理、施工、质量检测等参建单位是质量、安全生产问题的责任单位。
项目法人(建设单位)对工程建设质量、安全生产管理负总责,其他参建单位作为责任主体,依照法律、法规、规章和合同对水利工程建设质量、安全生产管理负责。
第六条水利部、各流域管理机构、县级以上地方人民政府水行政主管部门是水利工程建设质量、安全生产监督检查单位。
水利部对全国的水利工程建设质量、安全生产实施统一监督管理,指导各级地方水行政主管部门的质量与安全生产管理工作,负责组织对质量、安全生产问题进行监督检查、问题认定和责任追究。
施工监理工作常用表格1表格说明1.1 表格可分为以下两种类型:1承包人用表。
以CB××表示。
2监理机构用表。
以JL××表示。
注1:“CB11”——表格类型及序号。
注2:“施工放样报验单”——表格名称。
注3:“承包【】放样号”——表格编号。
其中:①“承包”:指该表以承包人为填表人,当填表人为监理机构时,即以“监理”代之。
②当监理工程范围内包括两个以上承包人时,为区分不同承包人的用表,“承包”可用其简称表示。
③【】:年份,【2019】表示2019年的表格。
④“放样”:表格的使用性质,即用于“放样”工作。
⑤“号”:一般为3位数的流水号。
如承包人简称为“华安”,则2019年承包人向监理机构报送的第3次放样报表可表示为:2表格使用说明2.1监理机构可根据施工项目的规模和复杂程度,采用其中的部分或全部表格;如果表格种类不能满足工程实际需要时,可按照表格的设计原则另行增加。
2.2各表格脚注中所列单位和份数为基本单位和最少份数,工作中应根据具体情况和要求具体指定各类表格的报送单位和份数。
2.3相关单位都应明确文件的签收人。
2.4“CB01 施工技术方案申报表”可用于承包人向监理机构申报关于施工组织设计、施工措施计划、工程测量施测计划和方施工工法、工程放样计划、专项试验计划和方案等。
2.5承包人的施工质量检验月汇总表、工程事故月报表除作为施工月报附表外,还应按有关要求另行单独填报。
2.6表格底部注明的“设代机构”是代表工程设计单位在施工现场的机构,如设计代表、设代组、设代处等。
3施工监理工作常用表格目录3.1承包人用表目录3.2监理机构用表目录CB01施工技术方案申报表(承包【】技案号)合同名称:合同编号:说明:本表一式份,由承包人填写。
监理机构审签后,随同审批意见,承包人、监理机构、发包人、设代机构各1份。
CB02施工进度计划申报表(承包【】进度号)合同名称:合同编号:说明:本表一式份,由承包人填写。
喷锚支护单元工程质量评定表单位工程名称单元工程量分部工程名称施工单位单元工程名称、部位查验日期年月日项项目名称工序质量等级次1锚杆、钢筋网2发射混凝土评定意见单元工程质量等级两个工序质量均达合格标准,此中工序质量达优秀施建设工(监理)单单位位年月日年月日喷锚支护发射混凝土质量工序评定表单位工程名称单元工程量分部工程名称施工单位单元工程名称、部位查验日期年月日项检查项目质量标准检测记录次优秀合格1 △抗压强度保证率85%及其以上2 △喷混凝土性能切合设计要求喷混凝土厚水工85%及其以70%及其以隧洞上上3 度不得小于非过水70%及其以60%及其以设计厚度隧洞上上4 △喷层均匀性(现场取无平层、包个别处有夹样)砂层、包砂5 喷层表面整体性无裂痕个别处有细微裂痕6 △喷层密屋度无渗水、滴个别点渗水水7 喷层保养保养、保温保养、保温好一般评定意见工序质量等级主要检查项目质量标准。
一般检查项目标准施建设工(监理)单单位位年月日年月日灵关水电站工程发射混凝土检查证工程名称:检查部位:编号:序施工单位自检建议监理工程师建议检查项目、内容号开超欠挖状况1挖地质状况锚锚杆直径规格2杆深度间距数目钢钢筋规格、间距、根数3筋绑扎、定位、保护层网喷砂石骨料质量射水泥及外加剂标号品种4准备混凝土号配合比配料质量状况拌和运输状况喷发射程序操作射5混发射分层及层面联合状况凝检查厚度土起伏差及外观质量状况保养状况施工承包单位建议:监理工程师检查建议:综评意见年月日年月日灵关水电站工程基础开挖查收合格证施工单位:合同编号:No :单位工程:单元工程查收日期桩号查收部位高程工程地质概略:施工状况:查收建议:施工单位监理单位设计单位建设单位混凝土浇筑工序质量检查表单元工程名称分部工程名称单元工程名称、部位项检查项目次1 沙浆铺筑2 △入仓混凝土料3 △平仓分层4 △混凝土振捣5 △铺料空隙时间6积水和泌水7插筋、管路等埋设件保护8混凝土保养9△有表面平坦要求的部位10麻面11蜂窝狗洞单元工程质量施工单位查验日期年月日质量标准查验记录优秀合格厚度不大于 3cm、均匀平坦、厚度不大于 3cm,局部稍差无漏铺无不合格料入仓少许不合格料入仓,经办理尚能基本知足设计要求厚度不大于 50cm,铺设均匀,局部稍差分层清楚,无骨料集中现象垂直插入基层 5cm,有序次无无架空和漏振漏振上游迎水面 15cm 内无初凝现切合要求,无初凝现象象,其余部位初凝累计面积不超出 1%并经办理合格无外面水流入,泌水排出实时无外面水流入,有少许泌水,清除不够实时保护好,切合要求有少许位移,但不影响使用混凝土表面保持润湿,无时干混凝土表面保持润湿,但局部时湿现象短时间有时干时湿现象切合设计规定局部稍高出规定,但累计面积不超出 0.5%无少许麻面,但累计面积不超出0.5%稍微、少许、不连续,但各面无积不超出2,深度不超出骨料最大粒径,已按要求办理12 △露筋无无主筋外露,箍、副筋个别微露,已按要求办理13 碰损掉角无重要部位不一样意,其余部位轻微少许,已按要求办理14 表面裂痕无有短小、不跨层的表面裂痕,已按要求办理15 △深层及贯串裂痕无无评定项目工序质量等级主要检查项目所有切合质量标准,一般检查项目施初检监工复检理单单终检位位混凝土止水、伸缩缝和排水管安装工序质量评定表单位工程项目分部工程名称单元工程名称、部位项次检查项目1 涂敷沥青伸2 缩粘贴沥青油毛毡板缝制3 作铺设预制油毛毡及安4 装△沥青井、柱安装单元工程量施工单位查验日期年月日质量标准查验记录混凝土表面干净干燥,涂刷均匀平坦,与混凝土粘结密切,无气泡及隆起现象伸缩缝表面洁净干燥,蜂窝麻面已办理填平,外露施工铁件割除,铺设厚度均匀平坦,搭接密切。
质量监督整改通知回复单
致:阜阳市水利工程质量监督站
我方接到编号为阜水质监[ 2013]04号的质量监督要求通知后,已按要求完成了各项问题的整改工作,现报上,请予以复查。
详细内容:
1、公安站泵室粉喷桩基础处理,沟塘垃圾已清除,并以粘性土回填,局部软弱夹层及垃圾已清除,已回填粘性土。
回填土已送到相关检测单位进行检测。
2、建基面高程及轴线均已进行校核。
3、穿堤穿路涵管已进行防渗加固。
4、出水涵管固定埋设及止水连接符合设计和规范要求。
5、钢筋、水泥、止水橡皮等原材料进场都已进行检测。
6、钢筋混泥土基础面、模板、钢筋、分缝止水安装、混泥土浇筑各个工序均按规范进行施工,并进行混泥土开仓联合验收。
7、穿堤涵洞土方回填严格按照设计要求进行。
承包单位:界首市水利水电建筑安装有限公司
项目经理:
日期:
复查意见
监理机构:利辛县江河水利工程建设监理有限公司
总监理工程师:
日期:。
水利水电单元工程施工质量评定表样表(2019版)中国水利水电第六工程局有限公司抚顺苏子河胜利水电站工程项目部二零一三年六月目录第一部分土石方工程单元工程质量验收评定表………………………… 1~69 第二部分混凝土工程单元工程质量验收评定表…………………………70~175 第三部分提防工程单元工程质量验收评定表………………………… 176~241 第四部分地基处理与基础工程单元工程质量验收评定表…………… 242~278 第五部分水工金属结构安装工程单元工程质量验收评定表………… 279~281 第六部分水轮发电机组安装工程单元工程质量验收评定表………… 282~284 第七部分水力机械辅助设备系统安装工程单元工程质量验收评定表… 285~287说明本表样是根据中华人民共和国水利部2019版《水利水电工程单元工程施工质量验收评定标准——土石方工程》(SL631-2019)、《水利水电工程单元工程施工质量验收评定标准——混凝土工程》(SL632-2019)、《水利水电工程单元工程施工质量验收评定标准——地基处理与基础工程》(SL633-2019)、《水利水电工程单元工程施工质量验收评定标准——堤防工程》(SL634-2019)、《水利水电工程单元工程施工质量验收评定标准——水工金属结构安装工程》、(SL635-2019)《水利水电工程单元工程施工质量验收评定标准——水轮发电机组安装工程》、(SL636-2019)《水利水电工程单元工程施工质量验收评定标准——水力机械辅助设备系统安装工程》(SL637-2019)等七项标准编制而成,各项目在使用过程中,应切实对照以上规范标准的要求,认真填写质量验收评定表格。
特此说明二零一三年五月单元工程施工质量验收评定表(划分工序)表土及土质岸坡清理施工质量标准表土及土质岸坡清理施工质量验收评定表表4.2.3软基或土质岸坡开挖施工质量标准表4.2.4软基或土质岸坡开挖施工质量验收评定表表4.2.4岩石岸坡开挖施工质量标准表4.3.3岩石岸坡开挖施工质量验收评定表表4.3.3岩石地基开挖施工质量标准表4.4.3岩石地基开挖施工质量验收评定表表4.4.3地质缺陷处理施工质量标准表4.4.4地质缺陷处理施工质量验收评定表表4.4.4岩石洞室开挖施工质量标准表5.2.2岩石洞室开挖施工质量验收评定表表5.2.2土质洞室开挖施工质量标准表5.3.3土质洞室开挖施工质量验收评定表表5.3.3结合面处理施工质量标准表6.2.4结合面处理施工质量验收评定表表6.2.4卸料及铺填施工质量标准卸料及铺填施工质量验收评定表土料压实施工质量标准土料压实施工质量验收评定表接缝处理施工质量标准接缝处理施工质量验收评定表砂砾料铺填施工质量标准砂砾料铺填施工质量验收评定表砂砾料压实施工质量标准砂砾料压实施工质量验收评定表堆石料铺填施工质量标准堆石料铺填施工质量验收评定表堆石料压实施工质量标准堆石料压实施工质量验收评定表反滤(过渡)料铺填施工质量标准反滤(过渡)料铺填施工质量验收评定表反滤(过渡)料压实施工质量标准反滤(过渡)料压实施工质量验收评定表垫层料铺填施工质量标准垫层料铺填施工质量验收评定表垫层料压实施工质量标准垫层料压实施工质量验收评定表第 39 页排水工程单元工程施工质量标准排水工程单元工程施工质量验收评定表第 41 页干砌石单元工程施工质量标准干砌石单元工程施工质量验收评定表第 43 页水泥砂浆砌石体层面处理施工质量标准水泥砂浆砌石体层面处理施工质量验收评定表第 45 页水泥砂浆砌石体砌筑施工质量标准表7.3.4-1水泥砂浆砌石体砌筑施工质量验收评定表表7.3.4-1第 47 页。
管理所
经常性检查记录工程名称:
2 0 年
××××处印制
填写说明
为加强工程规范化管理,根据《泵站技术管理规程》、《水闸技术管理规程》、《江苏省泵站技术管理办法》、《江苏省水闸技术管理办法》、《江苏省水利工程管理考核办法(试行)》等规程、办法要求,结合我处工程实际制定本记录。
1、封面的“工程名称”应填写“××泵站”或“××闸”。
2、封面的“管理所”中应按照工程所属的管理所填写。
3、应严格按照有关技术规范要求,经常对工程开展全面细致的检查,按实做好检查记录,发现问题及时处理。
4、检查结果中一般不允许出现“可能、也许、部分”等模糊说明,必要时应用具体数据描述检查结果,特殊的应单独附文、附图说明。
5、经常性检查的周期:每月不得少于一次。
6、根据科技档案归档要求,本记录须使用黑色墨水笔手工填写。
月份检查记录
检查人员:,检查时间:年月日。
工程质量监督检查记录1 施工单位质量行为检查检查结果
1.1 施工承包合同规范、清晰。
所承担的施工项目与本单位资质相符。
1.2 项目经理与投标文件相一致,已经本企业法定代表人授权,如有变动,已经建设单位确认。
项目部技术负责人、质检员和其他专业技术管理人员配备能满足施工质量管理需要,并具有相应资格及上岗证书。
各类特殊操作工种(人员)的资格证书符合规定
1.3 现场各类工程试验室(或合同检测单位)资质证书与试验项目相符,试验员持证上岗
1.4 质量管理体系健全,并运行有效,能体现计划、实施、检查、处理各环节的持续改进过程:
1.4.1 (1)项目部已编制《项目管理实施规划》;已建立项目与本工程相适应的质量管理制度和考核评价办法,并实施有效;质量问题台账完整、清晰、规范,管理闭环
1.4.2 (2)验收项目范围划分表的编制准确、完整,已经监理审核,总监签认。
验评结论、统计方法和签证手续正确、规范。
1.4.3 (3)建立计量管理制度和适应本工程的计量管理措施,并已切实执行。
1.4.4 (4)规范执行见证取样送检制度
1.5 有经过批准的施工组织总设计和施工技术方案,并贯彻执行:
1.5.1 (1)施工组织总设计已编制完成并经审批。
专业施工组织设计已编制或已制订编制计划。
施工组织设计能切实贯彻实施。
1.5.2 (2)施工技术措施或作业指导书内容充实,可操作性强,审批手续完备。
技术交底制度健全并认真实施,交底和被交底各方签字记录规范
1.6 施工图会检记录齐全、签证有效,实施过程闭环
1.7 设计变更、技术洽商等管理制度健全,签证及时、齐全,实施过程闭环
1.8 技术档案管理制度健全,档案管理人员到位工作。
1.9 物资管理制度健全,并有效实施:
1.9.1 (1)合格供货商名录和合格分承包商名录齐全;
1.9.2 (2)原材料、成品、半成品和设备采购、保管、复试、发放制度健全,主要材料跟踪管理台账规范。
1.10 工程项目的分包制度完善,无违法分包或转包行为。
分包单位资质符合规定要求。
2.技术文件和资料监督检查
序号核查内容检查结果2.1 主要施工技术资料
2.1.1 反映工程建设各责任主体的质量行为和工程建设《强制性条文》执行情况的资料
2.1.2 反映工程地基、基础、主体结构安全和使用功能的资料
序号核查内容检查结果
2.1.3 结合工程特点,认为有必要重点抽查、随机核实的资料
2.1.4 施工组织总设计和专业施工组织设计2.1.5 施工技术措施或作业指导书
2.1.6 单位工程开工报告
2.1.7 设计变更和材料代用签证
2.1.8 施工图会审记录
2.1.9 施工技术交底记录
2.1.10 质量问题台帐
2.1.11 质量事故报告及处理记录
2.1.12 监理所发的开(复、停、返)工令和各类质量问题通知单等文件
2.1.13 现场执行的有效标准、规范、规程和文件清单,形成的技术资料清单
2.1.14 结合工程特点,认为有必要重点抽查、随机核实的资料
2.2 主要施工技术记录2.2.1 施工日记
2.2.2 施工测量记录
序号核查内容检查结果2.2.3 地基处理施工记录
2.2.4 重要工序交接记录
2.2.5 混凝土浇灌通知单
2.2.6 混凝土搅拌、浇灌及养护记录或混凝土施工日记
2.2.7 混凝土和主要原材料跟踪台帐2.2.8 建(构)筑物构件消缺处理记录2.2.9 冬期施工测温记录
2.2.10 重要结构安装检验记录
2.2.11 预制构件检验记录
2.2.12 蓄水构筑物灌水试验记录
2.2.13 现场综合检查报告
2.2.14 质量检验记录
2.2.15 检验批、分项、分部(子分部)和单位(子单位)工程质量验收记录;单位工程外感质量检查记录
2.3 隐蔽工程验收记录:2.
3.1 (1)地基验槽
2.3.2 (2)钢筋
2.3.3 (3)混凝土结构
序号核查内容检查结果2.4 出厂证件和试验资料
2.4.1 原材料出厂合格证和出厂检验、试验报告
2.4.2 半成品、成品出厂合格证和出厂检验、试验报告
2.4.3 现场检验报告
(1)防水材料、防腐材料、外加剂及掺
合料工艺性能试验报告
(2)砂浆、混凝土试验报告
(3)钢筋焊接、机械连接和钢材焊接试
验报告
(4)土(石)方回填试验报告
(5)商品混凝土拌和配合比报告
(6)重要构件强度试验报告
(7)地基承载力试验报告及桩基检测报
告
(8)其它施工工艺试验报告。