大体积混凝土计算书 excel版
- 格式:xls
- 大小:133.00 KB
- 文档页数:5
Th= m c Q/C ρ(1-е-mt)式中:Th—混凝土的绝热温升(℃);m c ——每m 3混凝土的水泥用量,取3;Q——每千克水泥28d 水化热,取C——混凝土比热,取0.97[KJ/(Kg·K)];ρ——混凝土密度,取2400(Kg/m3);е——为常数,取2.718;t——混凝土的龄期(d);m——系数、随浇筑温度改变,取2、混凝土内部中心温度计算T 1(t)=T j +Thξ(t)式中:T 1(t)——t 龄期混凝土中心计算温度,是混凝土温度最高值T j ——混凝土浇筑温度,取由上表可知,砼第6d左右内部温度最高,则验算第6d砼温差2、混凝土养护计算混凝土表层(表面下50-100mm 处)温度,底板混凝土表面采用保温材料(阻燃草帘)蓄热保温养护,并在草袋上下各铺一层不透风的塑料薄膜。
地下室外墙1200 厚混凝土表面,双面也采用保温材料(阻燃草帘)蓄热保温养护,并在草袋上下各铺一层不透风的塑料薄膜。
计算结果如下表ξ(t)——t 龄期降温系数,取值如下表大体积混凝土热工计算1、绝热温升计算计算结果如下表:①保温材料厚度δ= 0.5h·λi (T 2-T q )K b /λ·(T max -T 2)式中:δ——保温材料厚度(m);λi ——各保温材料导热系数[W/(m·K)] ,取λ——混凝土的导热系数,取2.33[W/(m·K)]T 2——混凝土表面温度:23.9(℃)(Tmax-25)T q ——施工期大气平均温度:25(℃)T 2-T q —--1.1(℃)T max -T 2—21.0(℃)K b ——传热系数修正值,取δ= 0.5h·λi (T 2-T q )K b /λ·(T max -T2)*100=-0.32cm故可采用一层阻燃草帘并在其上下各铺一层塑料薄膜进行养护。
②混凝土保温层的传热系数计算β=1/[Σδi /λi +1/βq ]δi ——各保温材料厚度λi ——各保温材料导热系数[W/(m·K)]βq ——空气层的传热系数,取23[W/(m 2·K)]代入数值得:β=1/[Σδi /λi +1/βq ]=48.83③混凝土虚厚度计算:hˊ=k·λ/βk——折减系数,取2/3;λ——混凝土的传热系数,取2.33[W/(m·K)]hˊ=k·λ/β=0.0318④混凝土计算厚度:H=h+2hˊ= 1.66m ⑤混凝土表面温度T 2(t)= T q +4·hˊ(H- h)[T 1(t)- T q ]/H 2式中:T 2(t)——混凝土表面温度(℃)T q —施工期大气平均温度(℃)hˊ——混凝土虚厚度(m)H——混凝土计算厚度(m)式中: hˊ——混凝土虚厚度(m)式中:β——混凝土保温层的传热系数[W/(m 2·K)]T 1(t)——t 龄期混凝土中心计算温度(℃)不同龄期混凝土的中心计算温度(T 1(t))和表面温度(T 2(t))如下表。
大体积混凝土温度计算本工程承台采用C30混凝土,经项目中心检测试验室进行的C30混凝土配合比设计,C30承台混凝土的配合比为:水泥:砂:石子:水:粉煤灰:外加剂=303:767:1103:160:53:4.272。
(1) 最大绝热温升h T =(c m +K ⨯F) ⨯Q/c ⨯ρ=(303+0.30⨯53) ⨯375/(0.97⨯2400)=51.37ºC式中:h T ——混凝土最大绝热温升(ºC );c m ——混凝土中水泥(包括膨胀剂)用量(303kg/m 3);根据配合比取值。
F ——混凝土活性掺合料用量(53 kg/m 3);根据配合比取值。
K ——掺合料折减系数,粉煤灰取0.25~0.30;取最大值。
Q ——水泥28天水化热(375kJ/kg );c ——混凝土比热,取0.97[kJ/(kg ·K)]ρ——混凝土密度,取2400(kg/m 3)。
(2) 混凝土中心计算温度)(1t T =j T +h T ⨯t ξ=30+51.37⨯0.68=64.93ºC式中:)(1t T ——t 龄期混凝土中心计算温度(ºC );j T ——混凝土浇筑温度(混凝土入模温度取30ºC );t ξ——t 龄期降温系数(按3天龄期取0.68)。
(3) 混凝土表层(表面下50~100mm 处)温度1)保温材料厚度δ=0.5h ⨯x λ⨯(2T -q T )⨯b K /[λ⨯(m ax T -2T )]=0.5⨯4.5⨯0.035⨯20⨯2.0/[2.33⨯25]=0.054m式中:δ——保温材料厚度(m );x λ——所选保温材料导热系数[0.035W/(m ·K)];2T ——混凝土表面温度(ºC );q T ——施工期大气平均温度(ºC );λ——混凝土导热系数,取2.33W (m ·K );m ax T ——计算得混凝土最高温度(ºC );b K ——传热系数修正值,取1.3~2.0。
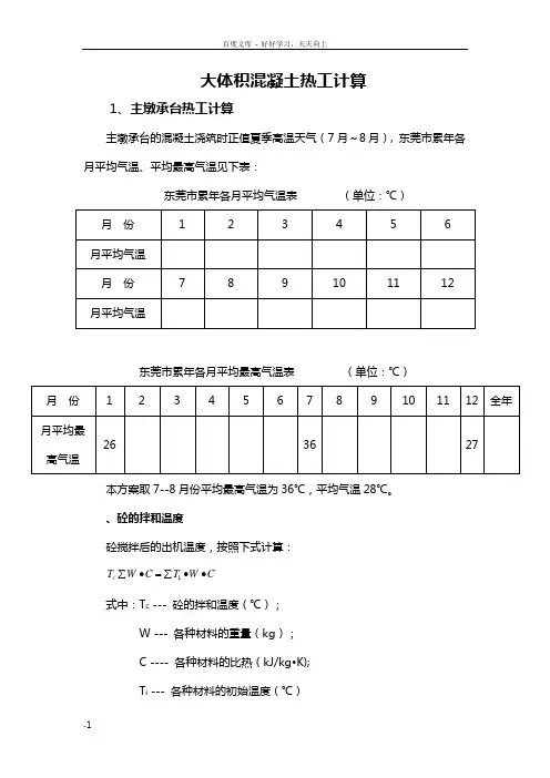
大体积混凝土热工计算1、主墩承台热工计算主墩承台的混凝土浇筑时正值夏季高温天气(7月~8月), 东莞市累年各月平均气温、平均最高气温见下表:东莞市累年各月平均气温表 (单位:℃)东莞市累年各月平均最高气温表 (单位:℃)本方案取7--8月份平均最高气温为36℃,平均气温28℃。
、砼的拌和温度砼搅拌后的出机温度,按照下式计算:C W T C W T c ••∑=•∑i式中:T c --- 砼的拌和温度(℃); W --- 各种材料的重量(kg ); C ---- 各种材料的比热(kJ/kg•K); T i --- 各种材料的初始温度(℃)混凝土拌和温度计算表注:1、表中砂、石的重量,应是扣除游离水份后的净重;2、上表温度栏中水泥、粉煤灰、减水剂均为太阳直晒温度,拌合水、砂、碎石为采用降温措施后的温度。
由此可得出采取降温措施的混凝土拌和温度:26.2491.260268291.54==∑∑=WC WC T T i c ℃、砼的浇筑温度砼搅拌后的浇筑温度,按照下式计算:)()n 321c q c j -(A A A A T T T T +⋅⋅⋅+++•+=式中:T j --- 砼的浇筑温度(℃); T c --- 砼的拌和温度(℃);T q ---- 砼运输和浇筑时的室外气温,取28℃; A 1~A n --- 温度损失系数 砼装、卸和转运,每次A=;砼运输时,A=θτ ,τ为运输时间(min ); 砼浇筑过程中A=τ,τ为浇捣时间(min )。
砼出机拌和温度按照计算取值,为℃;砼运输和浇筑时的室外气温按照平均温度取值28℃;砼运输罐车运输时间为45min ,砼泵车下料时间约12min ,砼分层厚度为30cm ,每层砼()从振捣至浇筑完毕预计约2小时。
整个承台(分三次浇筑)每次浇筑完毕预计最大用时12小时。
温度损失系数值: 装料:A 1= 运输:A 2=×45= 砼罐车卸料:A 3= 砼泵车下料:A 4=×12= 浇捣:A 5=×2×60=∑==51i i A故:)()n 321c q c j -(A A A A T T T T +⋅⋅⋅+++•+== +(-)× = ℃如不计入浇捣影响A 5,则:∑==41i i A此时:)()n 321c q c j -(A A A A T T T T +⋅⋅⋅+++•+== +(-)×= ℃ 、砼的绝热温升)()(ττ-m h e -1•=T T 式中:T (τ) --- 在τ龄期时砼的绝热温升(℃); T h ---- 砼的最终绝热温升(℃),ρC WQT =h ; e ----- 自然常数,取值为;m ----- 与水泥品种、浇捣时温度有关的经验系数,见下表, 取28℃时的m 值,内插求得m=;τ----- 龄期(d )计算水化热温升时的m 值W ----- 每m 3砼中水泥用量(kg/m 3);Q ----- 每kg 水泥水化热量(J/kg ),取值335J/kg ;(《查简明施工计算手册》第572页表10--39)C ----- 砼的比热,取值为(J/kg•K)(《查简明施工计算手册》第571页表10—38)ρ ----- 砼的容重,取为2400kg/m 3。
温度控制计算书
依据<<建筑施工计算手册>>。
一、计算公式:
(1) 混凝土表面所需的热阻系数计算公式:
(2) 蓄水深度计算公式:
式中 R----混凝土表面的热阻系数(k/W);
X----混凝土维持到预定温度的延续时间(h);
M----混凝土结构物表面系数(1/m);
T max---混凝土中心最高温度(℃);
T b---混凝土表面温度(℃);
K----透风系数,取 K=1.30;
700----混凝土的热容量,即比热与密度之乘积(kJ/m3.K); T0---混凝土浇筑、振捣完毕开始养护时的温度(℃);
T c---每立方米混凝土的水泥用量(kg/m3);
Q(t)---混凝土在规定龄期内水泥的水化热(kJ/kg);
λw---水导热系数,取0.58W/m.k。
二、计算参数
(1) 大体积混凝土结构长a=15.00(m);
(2) 大体积混凝土结构宽b=15.00(m);
(3) 大体积混凝土结构厚c=2.00(m);
(4) 混凝土表面温度T b=25.00(℃);
(5) 混凝土中心温度T max=45.00(℃);
(6) 开始养护时的温度T0=15.00(℃);
(7) 维持到预定温度的延续时间X=10.00(d);
(8) 每立方米混凝土的水泥用量m c=300.00(kg/m3);
(9) 在规定龄期内水泥的水化热Q(t)=188.00(kJ/kg)。
三、计算结果
(1) 混凝土表面的热阻系数R=0.18(k/W);
(2) 混凝土表面蓄水深度h w = 0.11(m);。
Th= m c Q/C ρ(1-е-mt)式中:Th—混凝土的绝热温升(℃);m c ——每m 3 混凝土的水泥用量,取3;Q——每千克水泥28d 水化热,取C——混凝土比热,取0.97[KJ/(Kg·K)];ρ——混凝土密度,取2400(Kg/m3);е——为常数,取2.718;t——混凝土的龄期(d);m——系数、随浇筑温度改变,取2、混凝土内部中心温度计算T 1(t)=T j +Thξ(t)式中:T 1(t)——t 龄期混凝土中心计算温度,是混凝土温度最高值T j ——混凝土浇筑温度,取由上表可知,砼第9d左右内部温度最高,则验算第9d砼温差2、混凝土养护计算1、绝热温升计算计算结果如下表ξ(t)——t 龄期降温系数,取值如下表大体积混凝土热工计算计算结果如下表:混凝土表层(表面下50-100mm 处)温度,底板混凝土表面采用保温材料(阻燃草帘)蓄热保温养护,并在草袋上下各铺一层不透风的塑料薄膜。
地下室外墙1200 厚混凝土表面,双面也采用保温材料(阻燃草帘)蓄热保温养护,并在草袋上下各铺一层不透风的塑料薄膜。
①保温材料厚度δ= 0.5h·λi (T 2-T q )K b /λ·(T max -T 2)式中:δ——保温材料厚度(m);λi ——各保温材料导热系数[W/(m·K)] ,取λ——混凝土的导热系数,取2.33[W/(m·K)]T 2——混凝土表面温度:39.6(℃)(Tmax-25)T q ——施工期大气平均温度:30(℃)T 2-T q —-9.6(℃)T max -T 2—21.0(℃)K b ——传热系数修正值,取δ= 0.5h·λi (T 2-T q )K b /λ·(T max -T2)*100=4.46cm故可采用两层阻燃草帘并在其上下各铺一层塑料薄膜进行养护。
②混凝土保温层的传热系数计算β=1/[Σδi /λi +1/βq ]δi ——各保温材料厚度λi ——各保温材料导热系数[W/(m·K)]βq ——空气层的传热系数,取23[W/(m 2·K)]代入数值得:β=1/[Σδi /λi +1/βq ]= 2.76③混凝土虚厚度计算:hˊ=k·λ/βk——折减系数,取2/3;λ——混凝土的传热系数,取2.33[W/(m·K)]hˊ=k·λ/β=0.5628④混凝土计算厚度:H=h+2hˊ= 3.63m⑤混凝土表面温度T 2(t)= T q +4·hˊ(H- h)[T 1(t)- T q ]/H 2式中:T 2(t)——混凝土表面温度(℃)T q —施工期大气平均温度(℃)hˊ——混凝土虚厚度(m)H——混凝土计算厚度(m)式中: hˊ——混凝土虚厚度(m)式中:β——混凝土保温层的传热系数[W/(m 2·K)]T 1(t)——t 龄期混凝土中心计算温度(℃)不同龄期混凝土的中心计算温度(T 1(t))和表面温度(T 2(t))如下表。
反应器基础大体积混凝土计算书一、参考资料:《建筑施工计算手册》汪正荣编著2001年7月第一版《大体积混凝土施工规范》GB50496-2009《建筑施工手册》第四版二、已知条件:配合比设计报告砂含水率为6%,石子含水率均为1.5%三、大体积混凝土裂缝控制计算大体积混凝土结构浇筑后,由于水泥水化热使混凝土温度升高,体积膨胀,达到峰值后(约3~5d)将持续一段时间,因内部温度慢慢要与外界气温相平衡,以后温度将逐渐下降,从表面开始慢慢深入到内部,此时混凝土已基本结硬,弹性模量很大,降温时当温度收缩变形受到外部边界条件的约束,将引起较大的温度应力。
一般混凝土内部温升值愈大,降温值也愈大,产生的拉应力也愈大,如通过施工计算后采取措施控制过大的降温收缩应力的出现,即可控制裂缝的发生。
外约束裂缝控制的施工计算按不同时间和要求,分以下两个阶段进行。
3.1混凝土浇筑前裂缝控制施工计算在大体积混凝土浇筑前,根据施工拟采取的施工方法、裂缝控制技术措施和已知施工条件,先计算混凝土的最大水泥水化热温升值、收缩变形值、收缩当量温差和弹性模量,然后通过计算,估量混凝土浇筑后可能产生的最大温度收缩应力,如小于混凝土的抗拉强度,则表示所采取的裂缝控制技术措施,能有效地控制裂缝的出现;如超过混凝土的允许抗拉强度,则应采取调整混凝土的浇筑温度,减低水化热温升值,降低内外温差,改善施工操作工艺和性能,提高混凝土极限拉伸强度或改善约束技术措施,重新进行计算,直至计算的降温收缩应力,在允许范围以内为止,以达到预防温度收缩裂缝出现的目的。
3.1.1混凝土拌合物温度计算预计施工时室外环境温度为20℃;砂温度20℃,石温度20℃,水温度18℃,水泥温度20℃。
采用搅拌运输车运输,运输车运输时间为40min泵车浇筑,使用汽车泵浇筑,机械振捣。
砂含水量W=761*6%=46kgs=1052*1.5%=16kg石子含水量Wg=155-46-16=93kg应加水量Mw—混凝土的拌合温度()式中 TT S、T g、T c、T w—砂、石子、水泥、拌合用水的温度(℃)M c、M s、M g—水泥、扣除含水量的砂及石子的重量(kg)M w、w s、w g—水及砂、石子中游离水的重量(kg)C c、C s、C g、C w—水泥、砂子、石子及水的比热容(KJ/kg.K)取C c= C s= C g=0.84kj/kg.K, C w=4.2kj/kg.K= [0.22(20×761+20×1052+20×291)+(18×93+20×46+20×16)]÷[0.22 T(761+1052+291)+155]=19.7℃3.1.2混凝土浇筑温度计算:θ1、θ2、θ3——温度损失系数,按以下规定取用: ⑴、 装料、运转、卸料θ1=0.032×3min=0.096 ⑵、 搅拌运输车运输 θ2=0.0042×40min=0.168 ⑶、 平仓振捣时间计60min ,θ3=0.003×60min=0.18 θ1+θ2+θ3=0.096+0.168+0.18=0.444 T P =19.7+(20-19.7)×0.444=20℃ 3.1.3计算混凝土绝热升温值)(t T :3.1.3.1水泥水化热计算: A 、水泥水化热总量计算=4÷(7÷354-3÷314)=391kj/kgB 、胶凝材料水化热总量计算根据配合比可知K=0.96+0.93-1=0.89 Q=0.89×391 kj/kg=348 kj/kg3.1.3.2绝热状态下混凝土的水化热绝热升温值为: )1()(mt c t e C Q m T --=ρ;ρC Qm T c =max 上式中:)(t T ——浇完一段时间t ,混凝土的绝热升温值;m a x T ——混凝土的最大水化热绝热升温值,即最终升温值; c m ——每立方米混凝土胶凝材料用量,403kg/m 3;Q ——胶凝材料水化热总量(kj/kg); 348 kj/kgc ——混凝土比热在0.84~1.05K kg kJ ∙/之间,一般取K kg kJ c ∙=/96.0 ρ——混凝土质量密度: 2380 kg/m 3; e ——常数,e =2.718m ——与水泥品种比表面、浇捣时温度以及有关的经验系数,由表11-9查得,一般取m=0.2~0.4;查表11-9得(m=0.363)mt e --1——可查表11-101-e -m3=0.662(3天) 1-e -m6=0.886(6天) 1-e -m9=0.962(9天)ρC Qm T c =max = (403x348)/0.96x2380=61.38℃ T (3)=m c Q(1-e -mt )/C ρ=61.38×0.662=40.63℃ T (6)=m c Q(1-e -mt )/C ρ=61.38×0.886=54.38℃T (9)=m c Q(1-e -mt )/C ρ=61.38×0.962=59.05℃ 3.1.3.3混凝土中心计算温度 T=T P +T t ×T 为混凝土中心计算温度T P 为混凝土浇筑温度为3.1.2计算结果20℃ Tt 为混凝土的绝热升温值为3.1.3.2计算结果为t 龄期降温系数T (3d)=20+40.63×0.42=37.1℃ T (6d)=20+54.38×0.31=36.9℃ T (9d)=20+59.05×0.19=31.2℃ 3.1.4混凝土收缩变形值《大体积混凝土施工规范》第23页M 1:水泥品种修正系数,普通水泥取1.0; M 2:水泥细度修正系数:细度模数为370m 2/kg 取1.13 M 3:水灰比修正系数:水灰比为0.38取1.0;M 4:胶浆量修正系数:估算一般为(水全部重量+胶凝材料全部重量+砂子重量的30%)÷混凝土重量。
1 混凝土泵输出量和搅拌车数量计算1 泵车数量计算N=q nq max·η=120140∗0.6=2式中:q n-混凝土浇筑数量,取q n=120m3/h;q max-混凝土输送泵车最大排量,取q max=140m3/h;η-泵车作业效率,取η=0.6。
2 每台泵车需配备的混凝土搅拌车数量计算N=Q1V(LS+T t)=75.620(7.630+2060)=3式中:Q1-混凝土泵的实际输出量Q1=Q max·α·η=140*0.9*0.6=75.6m3/h;V-每台混凝土搅拌车容量,取V=20m3;S-混凝土搅拌车平均行车速度,取30km/h;L-搅拌桩到施工现场往返距离,取7.6km;T t-每台混凝土搅拌车总计停歇时间,取20min。
2 混凝土温升计算1 水泥水化热计算水泥水化热可按下式计算:Q0=4(3.1)7/Q7−3/Q3-在龄期3d 时的累积水化热(kJ/kg);式中:Q3-在龄期7d 时的累积水化热(kJ/kg);Q7Q-水泥水化热总量(kJ/kg)。
不同龄期水泥水化热见表3.1-1。
表3.1-1 水泥在不同期限内的发热量计算得Q=392.37kJ/kg。
2 胶凝材料水化热计算胶凝材料水化热可按下式计算:Q=(k1+k2−1)Q0(3.2)式中:Q-胶凝材料水化热总量(kJ/kg);k1-粉煤灰掺量对应的水化热调整系数,取值见表3.1-2。
k2-矿渣粉掺量对应的水化热调整系数,取值见表3.1-2。
表3.1-2 不同掺量掺合料水化热调整系数注:表中掺量为掺合料占总胶凝材料用散的百分比。
本项目承台C40混凝土粉煤灰掺量为14.9%,不掺矿渣。
故Q=0.955*Q=374.71kJ/kg。
3 混凝土绝热升温值计算混凝土绝热温升值可按下式计算:T(t)=WQCρ(1−e−mt)(3.3)式中: T(t)-混凝土龄期为t 时的绝热温升(℃);W-每立方米混凝土的胶凝材料用量(kg/m3);C-混凝土的比热容,可取0.92~1.00[kJ/(kg·℃)],取0.96kJ/(kg·℃);ρ-混凝土的质量密度,根据配合比取2417.4kg/m3;t-混凝土龄期(d),取3d、6d、9d、12d、15d、18d、21d;m-与水泥品种、用量和入模温度等有关的单方胶凝材料对应系数。
excel土建计算表格一、土方工程土方工程是土建工程中的基础工程,主要涉及土方的挖掘、运输、填筑和压实等作业。
在Excel表格中,可以建立以下计算公式:1.土方量计算公式:V=L×W×H(体积等于长乘宽乘高)2.土方运输量计算公式:Q=V/T×C(运输量等于体积除以每车运输时间乘以车数)3.土方填筑压实量计算公式:P=V/S×N(压实量等于体积除以每层铺筑面积乘以层数)二、混凝土工程混凝土工程是土建工程中的重要部分,主要包括混凝土的配制、运输、浇筑和养护等作业。
在Excel表格中,可以建立以下计算公式:1.混凝土用量计算公式:Q=V/T×C(用量等于体积除以每车运输时间乘以车数)2.混凝土浇筑量计算公式:P=V/D×N(浇筑量等于体积除以每段浇筑长度乘以段数)3.混凝土养护时间计算公式:T=A/(Q×D)(养护时间等于工作面面积除以每段浇筑长度乘以每段混凝土用量)三、钢筋工程钢筋工程是土建工程中的重要部分,主要涉及钢筋的加工、运输、安装和焊接等作业。
在Excel表格中,可以建立以下计算公式:1.钢筋用量计算公式:R=A/(D×L)(用量等于工作面面积除以每段长度乘以间距)2.钢筋焊接时间计算公式:T=(D×L)/W(焊接时间等于每段长度除以焊接速度)3.钢筋安装时间计算公式:T=R/P(安装时间等于钢筋用量除以每日安装数量)四、模板工程模板工程是土建工程中的辅助工程,主要涉及模板的加工、运输、安装和拆除等作业。
在Excel表格中,可以建立以下计算公式:1.模板用量计算公式:M=A/S(用量等于工作面面积除以每块模板面积)2.模板安装时间计算公式:T=M/P(安装时间等于模板用量除以每日安装数量)3.模板拆除时间计算公式:T=M/Q(拆除时间等于模板用量除以每日拆除数量)五、砌筑工程砌筑工程是土建工程中的重要部分,主要涉及砌块的运输、堆放、砌筑和抹灰等作业。
目录1.工程概况 (1)2.大体积混凝土的温控计算资料 (1)2.1.计算依据及温控要求 (1)2.2承台混凝土物理及热性能参数 (1)3.大体积混凝土的温控计算 (2)1.工程概况中渡长江大桥是主桥为主跨600m双索面悬索桥,桥跨布置为50+600+65m,桥面宽32.5m,双向六车道,主跨加劲梁采用扁平型钢箱梁,桥塔采用门式框架结构,南岸采用重力式锚碇,北岸采用隧道式锚碇。
南、北岸主塔跨度为600m,承台靠近防洪堤,远离通航航道,有利船舶通行和桥塔自身的安全。
矩形承台平面尺寸为22.5m×16.5m,承台高为6m,采用C35混凝土。
混凝土的开裂可以由很多不同情况引起,并且开裂范围可以从施加适当应力而产生的内部微裂缝至由于环境的不良作用、不恰当的结构使用或者结构处理方面等原因而产生的较大裂缝。
在极端的情况下,混凝土的结构完整性可以受到严重的影响。
对大体积混凝土而言,混凝土开裂最主要的原因是干缩和温度应力。
本承台混凝土施工按照大体积混凝土施工工艺进行,采取循环冷却水管和保温养护等一系列技术措施,冷却水管在浇注混凝土时即开始浇注冷水,施工过程中监控温度变化情况。
控制混凝土内部因水化热引起的绝热温升,防止内外温差过大产生的有害裂纹,确保大体积混凝土质量。
2.大体积混凝土的温控计算资料2.1.计算依据及温控要求(1)计算依据《公路桥涵施工技术规范》(JTJ041-2011)《重庆市工程建设标准》(DBJ50-086-2008)(2)温控要求A.最高温度不大于75℃,内表温差不大于25 ℃。
B.入模温度不低于5 ℃,不高于28℃。
C.降温速率不大于2 ℃/d。
2.2承台混凝土物理及热性能参数主桥承台采用C35混凝土,每方混凝土水泥用量按300kg计算。
承台采用商品混凝土,拌和站集中拌和,混凝土泵输送混凝土至模内。
混凝土主要物理及热性能参数如下表所示:表2.1 混凝土主要物理及热性能参数表3.大体积混凝土的温控计算承台大体积混凝土计算采用Midas Civil 2010大型有限元软件。
大体积混凝土热工计算书大体积混凝土是指体积较大,一般厚度大于3米,体积大于1000立方米的混凝土结构。
大体积混凝土在工程中应用广泛,如桥梁基础、高层建筑基础等。
大体积混凝土与其他混凝土相比,具有结构厚、体积大、钢筋密集等特点,因此其施工过程中的热工计算尤为重要。
本计算书将根据相关规范和理论,对大体积混凝土施工过程中的热工问题进行计算和分析。
《混凝土结构工程施工规范》(GB-2011)《混凝土外加剂应用技术规范》(GB-2013)《民用建筑热工设计规范》(GB-2016)混凝土材料:采用C30混凝土,密度为2400kg/m³,比热容为92kJ/(kg·℃),导热系数为33W/(m·℃)。
钢筋材料:采用HRB400钢筋,密度为7850kg/m³,比热容为5kJ/(kg·℃),导热系数为80W/(m·℃)。
施工环境:考虑混凝土浇筑时的温度为25℃,环境温度为20℃。
体积表面系数计算:根据混凝土立方体尺寸,计算立方体表面积与体积之比,即体积表面系数。
混凝土内部温度计算:根据混凝土材料比热容和导热系数,结合环境温度和浇筑温度,计算混凝土内部温度。
表面温度计算:根据混凝土表面与环境之间的热交换,计算表面温度。
温度应力计算:根据混凝土内部温度和表面温度之差,计算温度应力。
体积表面系数计算结果:根据计算,该大体积混凝土的体积表面系数为85。
该系数较大,说明混凝土表面积较大,散热较快。
因此,在施工过程中应采取相应的措施,如通水冷却、表面保温等,以控制混凝土内部温度。
混凝土内部温度计算结果:根据计算,该大体积混凝土的内部温度最高可达35℃。
由于大体积混凝土厚度较大,热量传递至表面需要一定时间,因此内部温度较高。
在施工过程中应采取相应的措施,如分层浇筑、控制水泥用量等,以降低内部温度。
表面温度计算结果:根据计算,该大体积混凝土的表面温度为24℃。
由于大体积混凝土表面积较大,与环境之间的热交换较为明显。
大体积混凝土热工计算书一、工程概况本工程基础底板为大体积混凝土结构,混凝土强度等级为 C40,抗渗等级为 P8。
基础底板长_____m,宽_____m,厚_____m。
混凝土浇筑时间为_____年_____月_____日,当时的环境温度为_____℃。
二、热工计算依据1、《大体积混凝土施工规范》(GB 50496-2018)2、《混凝土结构工程施工规范》(GB 50666-2011)3、混凝土配合比设计报告4、当地气象资料三、混凝土配合比水泥:_____kg/m³粉煤灰:_____kg/m³矿粉:_____kg/m³砂:_____kg/m³石子:_____kg/m³水:_____kg/m³外加剂:_____kg/m³四、混凝土的绝热温升计算1、水泥水化热根据水泥品种及强度等级,查得 3d 龄期的水化热 Q3 =_____kJ/kg,7d 龄期的水化热 Q7 =_____kJ/kg。
2、混凝土的绝热温升Th =(mcQ)/(cρ)×(1 emt)其中:mc ——每立方米混凝土中水泥用量(kg/m³)Q ——每千克水泥水化热(kJ/kg)c ——混凝土的比热容,取 097kJ/(kg·℃)ρ ——混凝土的质量密度,取 2400kg/m³m ——与水泥品种、浇筑温度等有关的系数,取 03t ——混凝土的龄期(d)3d 龄期的绝热温升:Th3 =(mcQ3)/(cρ)×(1 em×3)=(_____×_____)/(097×2400)×(1 e-03×3)=_____℃7d 龄期的绝热温升:Th7 =(mcQ7)/(cρ)×(1 em×7)=(_____×_____)/(097×2400)×(1 e-03×7)=_____℃五、混凝土中心温度计算T1(t)= Tj +Thξ(t)其中:T1(t)——t 龄期混凝土中心温度(℃)Tj ——混凝土浇筑温度(℃)Th ——混凝土的绝热温升(℃)ξ(t)——t 龄期降温系数,可根据龄期和厚度查表得到假设混凝土浇筑温度 Tj =_____℃,3d 龄期的降温系数ξ(3)=_____,7d 龄期的降温系数ξ(7)=_____。
安园综合楼大体积混凝土热工计算1、大体积混凝土各组份含量通过与力天混凝土搅拌站工程技术人员协商,拟采用P.O 42.5水泥配置C40混凝土,因设计要求降低水化热对混凝土的影响,故混凝土配比将降低水泥用量,增加掺合料其配合比可按以下常规配合比计算2、计算常数取值水泥水化热:Q=461J/kg 混凝土密度:ρ=2400kg/m 3混凝土比热:C=0.96常数e= 2.718常数m=0.3(控制入模温度10℃以下)标准状态下最终收缩值:=0.000324混凝土线膨胀系数:α=0.00001混凝土最终弹性模量:E 0=32500N/mm 2混凝土外约束系数:R=0.32泊松比:v=0.15混凝土稳定时温度:T h =29℃验算时间:3,7,28,60h混凝土水化热绝热温升值:m c 为每立方米混凝土中水泥用量T(3)=38.59ΔT=38.59℃T(7)=57.06ΔT=18.48℃T(28)=65.01ΔT=7.95℃T(60)=65.03ΔT=0.01℃0y ε()()m tc t e C qm T --=1ρ3、各龄期混凝土收缩变形值计算M1=M2=M3=M9=1M4=1.3M5=0.9M6=1.1M7=0.54M8=1E a A a /E b A b =0.031577 M10=0.9 =5.99E-06 =1.37E-05 = 4.95E-05 =9.14E-054、各龄期混凝土收缩当量温差计算:=-0.60℃ =-1.37℃ =-4.95℃ =-9.14℃5、各龄期混凝土弹性模量计算:计算公式: =7689.47N/mm 2 =15189.64N/mm 2 =29884.38N/mm 2 =32353.13N/mm 26、混凝土初始温度计算必要时,可采取一定降低水温的措施nt y y m m m e t ⋅⋅⋅⨯⨯-=-2101.00)1()(εε)3(y ε)7(y ε)28(y ε)60(y ε)3(y T aT t y y /)()(ε-=)7(y T )28(y T )60(y T )1()(09.00t e E t E --=)3(E )7(E )28(E )60(E混凝土拌合物理论值式中:T 0--混凝土拌合物温度(℃)T s 、T g --砂石的温度(℃)T c 、T w --水泥、拌合用水的温度(℃)m c 、m s 、m g 、m w --水泥、砂、石、水的重量(kg)C c 、C s 、C g 、C w --水泥、砂、石、水的热容(kj/kg.k)=20.86℃混凝土拌合物出机温度计算其中T 1--混凝土拌合物出机温度T i --搅拌机棚内温度则T 1=22.00℃混凝土拌合物浇筑温度计算式中T2--混凝土拌合物运输到浇筑时温度t 1--从运输到浇筑的时间n--混凝土拌合物运转次数T a --运输时环境温度--温度损失系数0.0042则T 2=22.87℃7、混凝土最大综合温差:(℃)混凝土水化热:Q=461kJ/kg则混凝土最高水化热温度=(325×260)/(0.96×2500)=65.03℃混凝土1、2、7d的水化热绝热温度基础底板厚度1800mm)/()(0w c g s w w w c c c g g g s s s m m m m m T C m T C m T C m T C T ++++++=0T )(16.0001i T T T T --=))(032.0(1112T T n t T T -++=αααh T查降温系数 可求得不同龄期的水热温升及中心温度:其中T 0 --混凝土浇筑入模温度T(t) --浇筑完t 时后的绝热温升T h --混凝土浇筑稳定后的温度,一般为当地平均气温(℃):28则ΔT (3)=19.31℃ΔT (7)=16.18℃ΔT (28)= 4.16℃ΔT (60)=5.75℃因混凝土核心与大气温差为23度,故,核心与表面温差及表面与大气温差均小于25度8、混凝土松驰系数=0.57=0.502=0.336=0.2889、混凝土收缩应力计算其中--混凝土拉应力(N/mm2) --混凝土弹性模量 --混凝土热膨胀系数 --混凝土截面中心与表面之间的温差--混凝土的泊松比,取0.15)3(h S )7(h S )28(h S )60(h S t σα1T ∆ν)(t E )1(09.00)(t t e E E ⨯--=ht y t T T T T T -++=∆)()(032αε)()(t y t y T -=RS T E t ct )()(1⋅-∆-=νασζS (t) --考虑徐变影响的松弛系数:R 混凝土外约束系数0.32则 σ3 =0.32N/mm 2σ7 =0.46N/mm 2σ28 =0.16N/mm 2σ60 =0.20N/mm 210、最大拉应力计算大体积混凝土分块最大尺寸:32m×24m厚度1800mmCx=0.03(考虑垫层与基础地板同步伸缩)最大温度收缩拉应力:其中σ(t)--各龄期混凝土承受的温度应力cosh --双曲余弦函数β --约束状态系数L --大体积混凝土长度β3 =4.66E-05 =0.744897β7 =3.31E-05 =0.529994β28 =2.36E-05 =0.377852β60=2.27E-05=0.36315查双曲函数表得3d = 1.437d = 1.2128d = 1.160d = 1.08σ3 =0.299478约束状态影响系数ν)(t xE H C ⋅=β∑=∆⎥⎥⎦⎤⎢⎢⎣⎡⋅⋅--=ni n t i t i t i t S T E l )()()()(2cosh 111βνασ2L⋅β2L⋅β2L⋅β2L ⋅β2cosh L ⋅⋅β2cosh L ⋅⋅β2cosh L ⋅⋅β2cosh L ⋅⋅βσ7 =0.251968σ280.04463σ600.04668=0.642756N/mm 2混凝土抗拉强度设计值取1.1N/mm 2,则抗裂安全度:K= 1.7113804>1.15满足抗裂条件故不会出现裂缝。