钢板基础知识大全
- 格式:doc
- 大小:289.50 KB
- 文档页数:30
钢材基础知识大全 This model paper was revised by LINDA on December 15, 2012.钢材基础知识(一)第一部分基础知识一、钢及其分类1、按冶炼方法分类:平炉钢:包括碳素钢和低合金钢。
按炉衬材料不同又分酸性和碱性平炉钢两种。
转炉钢:包括碳素钢和低合金钢。
按吹氧位置不同又分底吹、侧吹和氧气顶吹转炉钢三种。
电炉钢:主要是合金钢。
按电炉种类不同又分电弧炉钢、感应电炉钢、真空感应电炉钢和电渣炉钢四种。
沸腾钢、镇静钢和半镇静钢:按脱氧程度和浇注制度不同区分。
2、按化学成分分类:碳素钢:是铁和碳的合金。
据中除铁和碳之外,含有硅、锰、磷和硫等元素。
按含碳量不同可分为低碳(C<%)、中碳(C:%%)和高碳(C>%)钢三类。
碳含量小于%的钢称工业纯铁。
普通低合金钢:在低碳普碳钢的基础上加入少量合金元素(如硅、钙、钛、铌、硼和稀土元素等,其总量不超过3%)。
而获得较好综合性能的钢种。
合金钢:是含有一种或多种适量合金元素的钢种,具有良好和特殊性能。
按合金元素总含量不同可分为低合金(总量<5%)、中合金(合金总量在5%-10%)和高合金(总量>10%)钢三类。
3、按用途分类:结构钢:按用途不同分建造用钢和机械用钢两类。
建造用钢用于建造锅炉、船舶、桥梁、厂房和其他建筑物。
机械用钢用于制造机器或机械零件。
工具钢:用于制造各种工具的高碳钢和中碳钢,包括碳素工具钢、合金工具钢和高速工具钢等。
特殊钢:具有特殊的物理和化学性能的特殊用途钢类,包括不锈耐酸钢、耐热钢、电热合金和磁性材料等。
二、钢材及其分类炼钢炉炼出的钢水被铸成钢坯,钢锭或钢坯经压力加工成钢材(钢铁产品)。
钢材种类很多,一般可分为型、板、管和丝四大类。
1、型钢类型钢品种很多,是一种具有一定截面形状和尺寸的实心长条钢材。
按其断面形状不同又分简单和复杂断面两种。
前者包括圆钢、方钢、扁钢、六角钢和角钢;后者包括钢轨、工字钢、槽钢、窗框钢和异型钢等。
钢板基础知识大全现在汽车车身主要的原材料是钢板,无论是承载式车身,非承载式车身。
按照钢板的生产工艺分主要可分为热轧钢板和冷轧钢板两大类。
一、钢板的种类冷轧钢板生产工艺(宝钢):矿石-高炉炼铁-转炉炼钢-连铸(板坯)-热连轧-酸洗-冷连轧-连续退火(-热镀锌)-卷取/其他(电镀锌/纵剪成带/横剪成板/)热轧钢板生产工艺(宝钢):矿石-高炉炼铁-转炉炼钢-连铸(板坯)-除鳞-精轧-冷却-卷取-热轧卷(-冷轧)-矫直/纵剪/横剪二、表征钢板的主要力学性能指标强度:金属材料在外力作用下抵抗变形和断裂的能力。
屈服强度、抗拉强度是极为重要的强度指标,是金属材料选用的重要依据。
强度的大小用应力来表示,即用单位面积所能承受的载荷(外力)来表示,常用单位为MPa。
屈服强度:金属试样在拉力试验过程中,载荷不再增加,而试样仍继续发生变形的现象,称为“屈服”。
产生屈服现象时的应力,即开始产生塑性变形时的应力,称为屈服点,用符号σs表示,单位为MPa。
一般的,材料达到屈服强度,就开始伴随着永久的塑性变形,因此其是非常重要的指标。
抗拉强度:金属试样在拉力试验时,拉断前所能承受的最大应力,用符号σb表示,单位为MPa。
伸长率:金属在拉力试验时,试样拉断后,其标距部分所增加的长度与原始标距长度的百分比,称为伸长率。
用符号δ表示。
伸长率反映了材料塑性的大小,伸长率越大,材料的塑性越大。
应变强化指数n:钢材在拉伸中实际应力-应变曲线的斜率。
其物理意义是,n值高,表示材料在成形加工过程中变形容易传播到低变形区,而使应变分布较为均匀,减少局部变形集中现象,因此n值对拉延胀形非常重要。
塑性应变比r值:r值表示钢板拉伸时,宽度方向与厚度方向应变比之比值。
r值越大,表示钢板越不易在厚度方向变形(越不容易开裂),深冲性越好。
表一典型的冷轧钢板性能表 EL 1.0-1.6三、钢板表面质量四、强化因素一般的,材料的性能由组织(结构)决定,组织由成分(工艺)决定,他们之间构成一个四面体。
钢材知识基础知识点总结一、钢材概述钢材是一种重要的金属材料,其主要成分是铁和碳,同时还含有少量的其他元素。
由于其广泛的应用领域和优良的物理特性,钢材在现代工业中起着至关重要的作用。
在建筑、机械制造、交通运输和能源等领域,都离不开钢材的应用。
二、钢材的分类1.按成分分类(1)碳素钢:主要成分是铁和碳,无其他元素。
(2)合金钢:在碳素钢的基础上添加其他元素形成的合金,如铬钢、锰钢等。
2.按用途分类(1)结构钢:用于建筑、桥梁、机械制造等领域。
(2)轧制钢材:用于汽车、船舶、轨道交通等领域。
(3)容器用钢:用于制造储罐、压力容器等。
3.按生产工艺分类(1)平板钢:通过热轧、冷轧等工艺制造的钢材。
(2)型材钢:通过挤压、拉拔、锻造等工艺制造的钢材。
三、钢材的物理性能1.强度:钢材的强度是其最重要的物理性能之一,通常以抗拉强度和屈服强度来表示。
2.韧性:钢材具有较好的韧性,在受外力作用下能够发生一定程度的塑性变形而不断。
3.硬度:钢材的硬度是指其抵抗外部力量的能力,通常通过洛氏硬度或者布氏硬度来表示。
4.塑性:钢材具有很好的塑性,可以通过热加工、冷加工等方式进行成型。
5.疲劳性能:当钢材受到交变载荷作用时,会产生疲劳现象,这是一种比较特殊的物理性能。
四、钢材的加工和应用1.热加工:包括锻造、轧制、铸造等工艺,通过加热将钢材加工成特定形状。
2.冷加工:包括冷拔、拉伸、淬火等工艺,通过低温加工改变钢材的形状和性能。
3.焊接:钢材可以通过电弧焊、气体保护焊等方式进行连接和修复。
4.表面处理:包括镀锌、喷涂、电镀等方式对钢材的表面进行保护和装饰。
5.应用领域:建筑结构、机械制造、汽车制造、船舶制造、航空航天等领域都是钢材的重要应用领域。
五、钢材的质量检测1.物理性能测试:包括拉伸试验、冲击试验、硬度测试等。
2.化学成分分析:通过化学成分分析仪器对钢材进行成分分析。
3.金相组织观察:通过金相显微镜观察钢材的组织结构。
钢板基础知识点总结钢板是一种重要的建筑材料,在建筑、制造、汽车和船舶等行业都有广泛的应用。
钢板基础知识是相关行业从业者必须掌握的基础知识之一,本文将从钢板的生产工艺、材质分类、表面处理、应用领域等几个方面对钢板基础知识进行总结。
一、钢板的生产工艺钢板是通过冶金、轧制和热处理等工艺制造而成的。
在生产过程中,主要包括原料准备、炼钢、轧制、热处理、表面处理等环节。
1. 原料准备:钢板的主要原料是铁矿石、煤炭和焦炭等。
首先需要通过高炉冶炼将铁矿石炼制成生铁,随后通过炼钢炉对生铁进行炼钢,最终得到钢坯。
2. 轧制:钢坯经过轧机的多道辊轧制成所需的厚度和宽度,形成钢板。
3. 热处理:钢板在生产过程中需要进行热处理,以改变钢板的组织结构和性能,提高其硬度和强度。
4. 表面处理:通过镀锌、涂漆等方式对钢板表面进行处理,以提高其耐腐蚀性能和美观度。
二、钢板的材质分类钢板按材质可以分为碳素钢板、合金钢板、不锈钢板和耐磨钢板等几类。
1. 碳素钢板:碳素钢板是最常见的一种钢板,其碳含量在0.12%~2.0%之间。
碳素钢板具有高强度、硬度和刚性,广泛用于汽车、船舶、机械设备等领域。
2. 合金钢板:合金钢板是在碳素钢中添加了其他合金元素的钢板,如铬、镍、钼等。
合金钢板具有耐磨、耐腐蚀和高温抗氧化等性能,适用于制造高强度零部件和工具。
3. 不锈钢板:不锈钢板主要由铁、铬、镍等元素构成,具有良好的耐腐蚀性能、耐高温性能和美观度,用于制造厨具、家居装饰等产品。
4. 耐磨钢板:耐磨钢板主要用于制造磨损严重的零部件,具有超强的耐磨性能和耐冲击性能。
三、钢板的表面处理钢板在使用前需要进行表面处理,以提高其耐腐蚀性能和美观度。
常见的表面处理方法包括镀锌、涂漆、喷砂等。
1. 镀锌处理:镀锌是将钢板表面覆盖一层锌层,以提高其耐腐蚀性能。
镀锌钢板广泛用于建筑、输液管道等领域。
2. 涂漆处理:涂漆是将钢板表面涂覆一层保护漆,以提高其耐腐蚀性能和美观度。
板材产品知识根据公司总经办会议精神,为了便于板材的销售、结算,就萍钢板材产品的一些相关知识汇总如下,如有不足请多多指正。
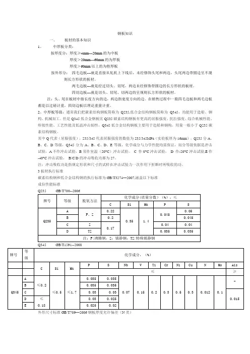
一、板材的基本知识1、中厚板分类:按厚度分:厚度≥4mm---20mm的为中板厚度>20mm---60mm的为厚板厚度>60mm以上的为特厚板按外形分:四毛边板---就是直接从轧机上下线后,未经修饰头尾和两边,头尾两边带圆边呈不规则长方形状的板材。
两毛边板---就是经过切头、切尾,两边未经修饰带圆边的长方形状的板材。
四切边板---就是切头、切尾、切两边的呈规则长方形状的板材。
注:头、尾在板材中指长度方向的边,两边指宽度方向的边。
在销售过程中一般四毛边板和两毛边板都是以过磅计重,四切边板以理论重量计重。
2、中厚板等级:通常我们把碳素结构钢板简称为Q235,低合金结构钢板简称为Q345,均能用于造船、钢构、机械加工,但是Q345低合金钢板比Q235碳素结构钢板有更高的屈服强度、抗拉强度、综合机械性能、焊接性能、工艺性能及低温冲击韧性,Q345低合金结构钢板主要用于造船和钢构,用量一般小于Q235碳素结构钢板。
其中Q代表(屈服强度),235/345代表屈服强度的数值为235/345 MPa(实验板厚为16mm),Q235分A、B、C、D等级,Q345分为A、B、C、D、E等级,化学成分与力学性能均需保证,而分等级依据是冲击试验,A不作冲击试验,B须作室温(20°C)冲击试验,C 作0°C冲击试验,D 作-20°C冲击试验,E作-40°C冲击试验,B/C/D的冲击吸收功都为27。
注:冲击吸收功是指规定形状和尺寸的试样在冲击试验力一次作用下折断时所吸收的功。
3板材执行标准碳素结构钢和低合金结构钢的执行标准为GB/T3274—2007,涵盖以下标准成份性能标准Q235 GB/T700--2006牌号等级脱氧方法化学成分(质量分数)(%),≤C Si Mn P SQ235 AF、Z0.220.35 1.40.0450.05B 0.2 0.045C Z0.170.04 0.04D TZ 0.035 0.035 注:F:沸腾钢,Z:镇静钢,TZ:特殊镇静钢Q345 GB/T1591--2008牌号等级化学成分,(%)C Si MnP S Nb V Ti Cr Ni Cu N Mo Ais≤≥Q345 A≤0.2≤0.5≤1.70.035 0.0350.07 0.15 0.2 0.3 0.5 0.3 0.012 0.1-B 0.035 0.035C 0.03 0.03 0.015D ≤0.18 0.03 0.025E 0.025 0.02外形尺寸标准GB/T709—2006钢板厚度允许偏差(N类)公称厚度常用厚度宽度>1.5~2.5公称厚度常用厚度宽度>1.5~2.5 允许偏差最低厚度允许偏差最低厚度3~5 3±0.552.45>25~4026±0.825.24 3.45 30 29.25 4.45 40 39.2>5~8 6±0.65.4 >40~6042±0.941.1 8 7.4 60 59.1长度允许偏差10----15米,+75毫米长度允许偏差15----20米,+100毫米外形尺寸要求常见宽度的厚度允许偏差(mm) 常见厚度(mm)1500mm~2500mm 2500mm~4000 >15mm-25mm ±0.75 ±0.9>25mm-40mm ±0.8 ±1.00>40mm-60mm ±0.9 ±1.10切边单轧钢板的宽度允许偏差厚度(mm) 宽度允许偏差3mm--16mm >1500mm 15>16mm≤2000mm 20 >2000mm-3000mm 25 >3000mm 30不切边单轧钢板的宽度允许偏差允许双方协商公称宽度允许偏差≤1500mm 20>1500mm 25外观缺陷包含:不平度、镰刀弯、斜切、塔形、气泡、裂纹、夹渣、结疤、波浪纹。
钢板知识一、板材的基本知识1、中厚板分类:按厚度分:厚度≥4mm---20mm的为中板厚度>20mm---60mm的为厚板厚度>60mm以上的为特厚板按外形分:四毛边板---就是直接从轧机上下线后,未经修饰头尾和两边,头尾两边带圆边呈不规则长方形状的板材。
两毛边板---就是经过切头、切尾,两边未经修饰带圆边的长方形状的板材。
四切边板---就是切头、切尾、切两边的呈规则长方形状的板材。
注:头、尾在板材中指长度方向的边,两边指宽度方向的边。
在销售过程中一般四毛边板和两毛边板都是以过磅计重,四切边板以理论重量计重。
2、中厚板等级:通常我们把碳素结构钢板简称为Q235,低合金结构钢板简称为Q345,均能用于造船、钢构、机械加工,但是Q345低合金钢板比Q235碳素结构钢板有更高的屈服强度、抗拉强度、综合机械性能、焊接性能、工艺性能及低温冲击韧性,Q345低合金结构钢板主要用于造船和钢构,用量一般小于Q235碳素结构钢板。
其中Q代表(屈服强度),235/345代表屈服强度的数值为235/345MPa(实验板厚为16mm),Q235分A、B、C、D等级,Q345分为A、B、C、D、E等级,化学成分与力学性能均需保证,而分等级依据是冲击试验,A不作冲击试验,B须作室温(20°C)冲击试验, C 作0°C冲击试验, D 作-20°C冲击试验,E作-40°C冲击试验,B/C/D的冲击吸收功都为27。
注:冲击吸收功是指规定形状和尺寸的试样在冲击试验力一次作用下折断时所吸收的功。
3板材执行标准碳素结构钢和低合金结构钢的执行标准为GB/T3274—2007,涵盖以下标准成份性能标准Q235 GB/T700--2006牌号等级脱氧方法化学成分(质量分数)(%),≤C Si Mn P SQ235 AF、Z0.220.35 1.40.0450.05B 0.2 0.045C Z0.170.04 0.04D TZ 0.035 0.035注:F:沸腾钢,Z:镇静钢,TZ:特殊镇静钢Q345 GB/T1591--2008牌号等级化学成分,(%)C Si MnP S Nb V Ti Cr Ni Cu N Mo Ais≤≥Q345 A≤0.2≤0.5 ≤1.70.035 0.0350.07 0.15 0.2 0.3 0.5 0.3 0.012 0.1- B 0.035 0.035C 0.03 0.030.015D ≤0.180.03 0.025E 0.025 0.02外形尺寸标准GB/T709—2006钢板厚度允许偏差(N类)公称厚度常用厚度宽度>1.5~2.5公称厚度常用厚度宽度>1.5~2.5 允许偏差最低厚度允许偏差最低厚度3~5 3±0.552.45>25~4026±0.825.24 3.45 30 29.25 4.45 40 39.2>5~8 6±0.65.4>40~6042±0.941.1 8 7.4 60 59.1长度允许偏差10----15米,+75毫米长度允许偏差15----20米,+100毫米外形尺寸要求常见宽度的厚度允许偏差(mm) 常见厚度(mm) 1500mm~2500mm 2500mm~4000 >15mm-25mm ±0.75 ±0.9 >25mm-40mm ±0.8 ±1.00 >40mm-60mm ±0.9 ±1.10切边单轧钢板的宽度允许偏差厚度(mm) 宽度允许偏差3mm--16mm >1500mm 15>16mm≤2000mm 20 >2000mm-3000mm 25 >3000mm 30 不切边单轧钢板的宽度允许偏差允许双方协商公称宽度允许偏差≤1500mm 20>1500mm 25外观缺陷包含:不平度、镰刀弯、斜切、塔形、气泡、裂纹、夹渣、结疤、波浪纹。
钢材基础知识钢材基础知识船板基础知识⼀、⼀般强度船体结构⽤钢⼀般强度船体结构⽤钢分为A、B、C、D4个等级,这4个等级的钢材的屈服强度(不⼩于235N/mm^2)和抗拉强度(400~520N/mm^2)⼀样,只是不同温度下的冲击功不⼀样⽽已;⾼强度船体结构⽤钢按其最⼩屈服强度划分强度等级,每⼀强度等级⼜按其冲击韧性的不同分为A、D、E、F4级。
A32、D32、E32、F32的屈服强度不⼩于315N/mm^2,抗拉强度440~570N/mm^2,A、D、E、F分别表⽰其各⾃可分别在0°、-20°、-40°、-60°的情况下所能达到的冲击韧性;A36、D36、E36、F36的屈服强度不⼩于355N/mm^2,抗拉强度490~620N/mm^2,A、D、E、F分别表⽰其各⾃可分别在0°、-20°、-40°、-60°的情况下所能达到的冲击韧性;A40、D40、E40、F40的屈服强度不⼩于390N/mm^2,抗拉强度510~660N/mm^2,A、D、E、F分别表⽰其各⾃可分别在0°、-20°、-40°、-60°的情况下所能达到的冲击韧性。
还有,焊接结构⽤⾼强度淬⽕回⽕钢:A420、D420、E420、F420;A460、D460、E460、F460;A500、D500、E500、F500;A550、D550、E550、F550;A620、D620、E620、F620;A690、D690、E690、F690;锅炉与受压容器⽤钢:360A、360B;410A、410B;460A、460B;490A、490B;1Cr0.5Mo、2.25Cr1Mo机械结构⽤钢:⼀般可选⽤上述钢材;低温韧性钢:0.5NiA、0.5NiB、1.5Ni、3.5Ni、5Ni、9Ni;奥⽒体不锈钢:00Cr18Ni10、00Cr18Ni10N、00Cr17Ni14Mo2、00Cr17Ni13Mo2N、00Cr19Ni13Mo3、00Cr19Ni13Mo3N、0Cr18Ni11Nb;双相不锈钢:00Cr22Ni5Mo3N、00Cr25Ni6Mo3Cu、00Cr25Ni7Mo4N3。
钢板知识 (2)一、中、厚板 (2)(一)普通中、厚钢板 (2)1、普碳钢沸腾钢板(GB3274-88) (2)2、普碳钢镇静钢板(GB3274-88) (3)3、低合金结构钢钢板(GB3274-88) (3)4、一般结构用热连轧钢板(GB2517-81) (3)5、焊接结构用耐候钢板(GB4172-84) (3)6、高耐候性结构钢钢板(GB4171-84) (4)7、花纹钢板(GB3277-82) (4)8、桥梁用钢板(YB168-70) (4)9、船体结构用钢板(GB712-88) (4)10、锅炉用钢板(GB713-86) (5)11、容器用钢板(GB6654-86GB6655-86) (5)13、复合钢钢板(企业标准) (6)14、汽车用钢板(GB3273-89) (6)15、犁壁用热轧三层钢板(GB11252-89) (7)(二)优质中、厚板 (7)1、优质碳素结构钢热轧中、厚钢板(GB711-88) (7)2、汽车制造用优碳热轧厚钢板(GB3275-82) (7)3、碳素工具钢厚钢板(GB3278-82) (8)4、合金结构钢厚钢板(GB11251-89) (8)5、航空用厚钢板(YB540-65) (8)6、高速工具钢厚钢板(GB994-88) (8)7、不锈钢热轧厚钢板(GB4237-84) (9)8、耐热钢厚钢炉(GB4238-84) (9)9、电磁纯铁热轧厚钢板(GB6984-86) (9)二、薄钢板 (9)(一)普通薄钢板 (10)1)热轧普通薄钢板(GB912-89、GB708-88) (10)2)酸洗薄钢板(YB178-65) (10)钢板知识钢板是钢材四大品种(板、管、型、丝)之一,在发达国家,钢板产量占钢材生产总量50%以上,随着我国国民经济的发展,钢板生产量逐渐增长。
钢板是一种宽厚比和表面积都很大的扁平钢材。
钢板按厚琊分为薄板和厚板两大规格。
薄钢板是用热轧或冷轧方法生产的厚度在0.2-4mm之间的钢板。
钢材的知识点总结一、钢材的分类:1. 按照化学成分可分为碳素钢、合金钢和特种钢;2. 按照加工工艺可分为热轧钢、冷轧钢和锻造钢;3. 按照表面处理可分为镀锌钢、涂层钢和不锈钢;4. 按照用途可分为结构钢、工具钢和耐磨钢。
二、钢材的制造工艺:1. 炼铁和铁炉炼钢:主要包括高炉炼铁和转炉炼钢两种工艺;2. 连铸和热轧:将液态钢水连续铸造成坯料,然后进行热轧加工;3. 冷轧和热处理:将热轧的钢材进行冷轧加工,然后进行热处理来改善钢材的性能;4. 表面处理:包括镀锌、涂层和抛光等工艺。
三、钢材的性能要求:1. 机械性能:包括强度、硬度、塑性和韧性等;2. 化学成分:要求符合标准,控制杂质含量;3. 特殊性能:如耐高温、耐腐蚀和耐磨性能等。
四、钢材的表面处理:1. 镀锌:通过镀锌工艺在钢材表面形成锌层,提高钢材的耐腐蚀能力;2. 涂层:在钢材表面涂覆一层保护膜,提高钢材的抗氧化性和外观质量;3. 抛光:对不锈钢等特种钢进行表面抛光处理,提高钢材的表面光洁度和装饰性。
五、钢材的安全使用:1. 储存和运输:要求储存场所通风干燥,避免受潮和锈蚀;运输时要加强包装,防止碰撞;2. 施工和安装:要遵守相关规范和标准,采取安全措施,保证施工人员的安全;3. 维护和保养:定期对钢材进行检查和清洁,及时修理和更换受损部分。
六、钢材的环保和节能:1. 资源利用:加强废钢回收利用,减少对原生资源的消耗;2. 绿色生产:推广清洁生产工艺,减少对环境的污染;3. 节能减排:优化能源结构,降低生产过程中的能耗和排放。
总之,钢材是一种不可缺少的材料,它的生产和应用对于工业生产和社会建设有着重要的意义。
通过加强钢材的分类、制造工艺、性能要求和安全使用等方面的知识,可以更好地认识和利用钢材,为推动工业发展和提高社会生活水平做出贡献。
钢材基础知识一、钢的分类方法钢的分类方法多种多样,其主要方法有八种:1.按品质分类(1) 普通钢(磷P≤0.045%,硫S≤0.050%)(2) 优质钢(P、S均≤0.035%)(3) 高级优质钢(P≤0.035%,S≤0.030%)2.按化学成份分类(1) 碳素钢:a.低碳钢(碳C≤0.25%);b.中碳钢(碳C≤0.25~0.60%);c.高碳钢(碳C≤0.60%)。
(2) 合金钢:a.低合金钢(合金元素总含量≤5%);b.中合金钢(合金元素总含量>5~10%);c.高合金钢(合金元素总含量>10%)。
3.按成形方法分类(1) 锻钢;(2) 铸钢;(3) 热轧钢;(4) 冷拉钢。
4.按金相组织分类(1) 退火状态的:a.亚共析钢(铁素体+珠光体);b.共析钢(珠光体);c.过共析钢(珠光体+渗碳体);d.莱氏体钢(珠光体+渗碳体)。
(2) 正火状态的:a.珠光体钢;b.贝氏体钢;c.马氏体钢;d.奥氏体钢。
(3) 无相变或部分发生相变的。
5.按用途分类(1) 建筑及工程用钢:a.普通碳素结构钢;b.低合金结构钢;c.钢筋钢。
(2) 结构钢a.机械制造用钢:(a)调质结构钢;(b)表面硬化结构钢:包括渗碳钢、渗氨钢、表面淬火用钢;(c)易切结构钢;(d)冷塑性成形用钢:包括冷冲压用钢、冷镦用钢。
b.弹簧钢c.轴承钢(3) 工具钢:a.碳素工具钢;b.合金工具钢;c.高速工具钢。
(4) 特殊性能钢:a.不锈耐酸钢;b.耐热钢:包括抗氧化钢、热强钢、气阀钢;c.电热合金钢;d.耐磨钢;e.低温用钢;f.电工用钢。
(5) 专业用钢——如桥梁用钢、船舶用钢、锅炉用钢、压力容器用钢、农机用钢等。
6.综合分类(1)普通钢 a.碳素结构钢:(a) Q195;(b) Q215(A、B);(c) Q235(A、B、C);(d) Q255(A、B);(e) Q275。
b.低合金结构钢 c.特定用途的普通结构钢(2)优质钢(包括高级优质钢)a.结构钢:(a)优质碳素结构钢;(b)合金结构钢;(c)弹簧钢;(d)易切钢;(e)轴承钢;(f)特定用途优质结构钢。
一、管材的分类1、按生产方法分类(1)无缝管——热轧管、冷轧管、冷拔管、挤压管、顶管(2)焊管(a)按工艺分——电弧焊管、电阻焊管(高频、低频)、气焊管、炉焊管(b)按焊缝分——直缝焊管、螺旋焊管2、按断面形状分类(1)简单断面钢管——圆形钢管、方形钢管、椭圆形钢管、三角形钢管、六角形钢管、菱形钢管、八角形钢管、半圆形钢圆、其他(2)复杂断面钢管——不等边六角形钢管、五瓣梅花形钢管、双凸形钢管、双凹形钢管、瓜子形钢管、圆锥形钢管、波纹形钢管、表壳钢管、其他3、按壁厚分类——薄壁钢管、厚壁钢管4、按用途分类——管道用钢管、热工设备用钢管、机械工业用钢管、石油、地质钻探用钢管、容器钢管、化学工业用钢管、特殊用途钢管、其他实用文档二、无缝钢管是一种具有中空截面、周边没有接缝的长条钢材。
钢管具有中空截面,大量用作输送流体的管道,如输送石油、天然气、煤气、水及某些固体物料的管道等。
钢管与圆钢等实心钢材相比,在抗弯抗扭强度相同时,重量较轻,是一种经济截面钢材,广泛用于制造结构件和机械零件,如石油钻杆、汽车传动轴、自行车架以及建筑施工中用的钢脚手架等。
用钢管制造环形零件,可提高材料利用率,简化制造工序,节约材料和加工工时,如滚动轴承套圈、千斤顶套等,目前已广泛用钢管来制造。
钢管还是各种常规武器不可缺少的材料,枪管、炮筒等都要钢管来制造。
钢管按横截面积形状的不同可分为圆管和异型管。
由于在周长相等的条件下,圆面积最大,用圆形管可以输送更多的流体。
此外,圆环截面在承受内部或外部径向压力时,受力较均匀,因此,绝大多数钢管是圆管。
但是,圆管也有一定的局限性,如在受平面弯曲的条件下,圆管就不如方、矩形管抗弯强度大,一些农机具骨架、钢木家具等就常用方、矩形管。
根据不同用途还需有其他截面形状的异型钢管。
1.结构用无缝钢管(GB/T8162-1999)是用于一般结构和机械结构的无缝钢管。
2.流体输送用无缝钢管(GB/T8163-1999)是用于输送水、油、气等流体的一般无缝钢管。
钢板销售必备知识点总结一、钢板销售的市场概况1. 钢板的种类和用途:普通碳结构钢板、低合金高强度钢板、耐候钢板、耐磨钢板等,广泛应用于建筑、汽车、机械制造、船舶建造等行业。
2. 市场需求分析:中国钢铁产能过剩,需求增长放缓,市场竞争激烈,价格波动较大。
3. 竞争对手分析:中国钢铁行业龙头企业有宝钢集团、沙钢集团、武钢集团等,还有一大批中小钢铁企业。
二、钢板销售的基本知识1. 钢板的生产工艺:炼钢、轧钢、表面处理等。
2. 钢板的规格和品种:常用的规格有厚度、宽度、长度等。
3. 钢板的质量标准:国际标准和国家标准,如GB/T 3274-2007、GB/T 1591-2008等。
4. 钢板的性能要求:强度、韧性、冷弯性、抗腐蚀性等。
三、钢板销售的商务知识1. 钢板销售的市场营销策略:市场定位、产品定位、价格定位、推广策略等。
2. 销售渠道:直销、代理商销售、电子商务销售等。
3. 销售合同的签订:合同条款、价格条款、交货条款、付款条款等。
4. 售后服务:产品质量保证、客户投诉处理、产品回访等。
四、钢板销售的技术知识1. 钢板的材质分析:碳素含量、合金元素含量、微量元素含量等。
2. 钢板的加工工艺:切割、弯曲、焊接、钻孔等。
3. 钢板的质量检测:化学成分分析、机械性能测试、金相组织分析等。
五、钢板销售的风险管理1. 市场风险:市场需求下降、价格波动等;2. 供应链风险:供应商质量不稳定、交货延迟等;3. 财务风险:客户信用风险、资金回笼风险等;4. 质量风险:产品质量不合格、产品责任纠纷等。
六、钢板销售的法律法规1. 商品条例:对商品的质量、标识、包装等提出了具体的要求。
2. 合同法:规定了合同的签订、履行、修改、解除等相关规定。
3. 商品质量法:规定了商品的质量标准、产品责任等相关规定。
七、钢板销售的发展趋势1. 大型化:钢铁企业规模化、生产标准化趋势明显;2. 绿色化:环保限产政策加大,企业环保意识增强;3. 智能化:智能生产、智能物流、智能销售等智能化发展格局初显;4. 国际化:中国钢铁企业积极拓展国际市场,推进国际化经营。
一.钢板的基本介绍1.钢板的简介:钢板是钢材四大品种(板、管、型、丝)之一,随着我国国民经济的发展,钢板生产量逐渐增长。
钢板(SteelSheet)是用钢水浇注,冷却后压制而成的平板状钢材。
是平板状,矩形的,可直接轧制或由宽钢带剪切而成。
2.分类:(1)按厚度分为,薄钢板<4毫米(最薄0.2毫米),中厚钢板4-60毫米,特厚钢板60-115毫米。
(2)按轧制分为,热轧和冷轧。
(3)按钢种分为,有普通钢、优质钢、合金钢、弹簧钢、不锈钢、工具钢、耐热钢、轴承钢、硅钢和工业纯铁薄板等。
(4)按专业用途分为,有桥梁钢板、锅炉钢板、汽车制造钢板、压力容器钢板等。
(5)按表面涂镀层分为,有镀锌薄板、镀锡薄板、镀铅薄板、塑料复合钢板等。
二、钢板的种类及特点1.低合金钢板:低合金钢板是个统称,指的是合金含量低于5%钢板的统称。
低合金钢是相对于碳钢而言的,是在碳钢的基础上,为了改善钢的一种或几种性能,而有意向钢中加入一种或几种合金元素。
加入的合金量超过碳钢正常生产方法所具有的一般含量时,称这种钢为合金钢。
当合金总量低于5%时称为低合金钢。
合金含量在5-10%之间称为中合金钢;大于10%的称为高合金钢。
分类:(1)按成分分为:低合金、中合金和高合金钢板。
(2)按加工方法分为:热轧钢板、冷轧钢板。
(3)按厚度分为:薄板(厚度不大于3mm),中厚板(厚度4mm-60mm)和特厚板(厚度大于60mm)。
(4)按制造标准分为:国标、美标等。
特点:其优点是强度较高、性能较越、能节省大量钢材、减轻结构重量等。
用途:主要用于制造桥梁、船舶、车辆、锅炉、高压容器、输油输气管道、大型钢结构等。
2.镀锌钢板:镀锌钢板是表面有热浸镀或电镀锌层的焊接钢板。
分类:(1)按轧制分为:>3.Omm热轧、<3.Omm冷轧。
(2)按厚度分为:薄钢板、中厚钢板、特厚钢板。
(3)按钢种分为:一般商品卷(CQ),结构用镀锌板(HSLA),冲压镀锌板(DQ)深冲热镀锌板(DDQ),烘烤硬化热镀锌板(BH),双相钢(DP),TRlP钢(相变诱导塑性钢)。
钢板知识一、板材的基本知识1、中厚板分类:按厚度分:厚度≥4mm---20mm的为中板厚度>20mm---60mm的为厚板厚度>60mm以上的为特厚板按外形分:四毛边板---就是直接从轧机上下线后,未经修饰头尾和两边,头尾两边带圆边呈不规则长方形状的板材。
两毛边板---就是经过切头、切尾,两边未经修饰带圆边的长方形状的板材。
四切边板---就是切头、切尾、切两边的呈规则长方形状的板材。
注:头、尾在板材中指长度方向的边,两边指宽度方向的边。
在销售过程中一般四毛边板和两毛边板都是以过磅计重,四切边板以理论重量计重。
2、中厚板等级:通常我们把碳素结构钢板简称为Q235,低合金结构钢板简称为Q345,均能用于造船、钢构、机械加工,但是Q345低合金钢板比Q235碳素结构钢板有更高的屈服强度、抗拉强度、综合机械性能、焊接性能、工艺性能及低温冲击韧性,Q345低合金结构钢板主要用于造船和钢构,用量一般小于Q235碳素结构钢板。
其中Q代表(屈服强度),235/345代表屈服强度的数值为235/345MPa(实验板厚为16mm),Q235分A、B、C、D等级,Q345分为A、B、C、D、E等级,化学成分与力学性能均需保证,而分等级依据是冲击试验,A不作冲击试验,B须作室温(20°C)冲击试验,C 作0°C冲击试验,D 作-20°C冲击试验,E作-40°C冲击试验,B/C/D的冲击吸收功都为27。
注:冲击吸收功是指规定形状和尺寸的试样在冲击试验力一次作用下折断时所吸收的功。
3板材执行标准碳素结构钢和低合金结构钢的执行标准为GB/T3274—2007,涵盖以下标准成份性能标准Q235 GB/T700--2006牌号等级脱氧方法化学成分(质量分数)(%),≤C Si Mn P SQ235 AF、Z0.220.35 1.40.0450.05B 0.2 0.045C Z0.170.04 0.04D TZ 0.035 0.035 注:F:沸腾钢,Z:镇静钢,TZ:特殊镇静钢Q345 GB/T1591--2008牌号等级化学成分,(%)C Si MnP S Nb V Ti Cr Ni Cu N Mo Ais≤≥Q345 A≤0.2 ≤0.5≤1.70.035 0.0350.07 0.15 0.2 0.3 0.5 0.3 0.012 0.1-B 0.035 0.035C 0.03 0.030.015D ≤0.180.03 0.025E 0.025 0.02外形尺寸标准GB/T709—2006钢板厚度允许偏差(N类)公称厚度常用厚度宽度>1.5~2.5公称厚度常用厚度宽度>1.5~2.5 允许偏差最低厚度允许偏差最低厚度3~5 3±0.552.45>25~4026±0.825.24 3.45 30 29.25 4.45 40 39.2>5~8 6±0.65.4 >40~6042±0.941.1 8 7.4 60 59.1长度允许偏差10----15米,+75毫米长度允许偏差15----20米,+100毫米外形尺寸要求常见宽度的厚度允许偏差(mm) 常见厚度(mm)1500mm~2500mm 2500mm~4000 >15mm-25mm ±0.75 ±0.9>25mm-40mm ±0.8 ±1.00>40mm-60mm ±0.9 ±1.10切边单轧钢板的宽度允许偏差厚度(mm) 宽度允许偏差3mm--16mm >1500mm 15>16mm≤2000mm 20 >2000mm-3000mm 25 >3000mm 30不切边单轧钢板的宽度允许偏差允许双方协商公称宽度允许偏差≤1500mm 20>1500mm 25外观缺陷包含:不平度、镰刀弯、斜切、塔形、气泡、裂纹、夹渣、结疤、波浪纹。
钢板基础知识大全现在汽车车身主要的原材料是钢板,无论是承载式车身,非承载式车身。
按照钢板的生产工艺分主要可分为热轧钢板和冷轧钢板两大类。
一、钢板的种类冷轧钢板生产工艺(宝钢):矿石-高炉炼铁-转炉炼钢-连铸(板坯)-热连轧-酸洗-冷连轧-连续退火(-热镀锌)-卷取/其他(电镀锌/纵剪成带/横剪成板/)热轧钢板生产工艺(宝钢):矿石-高炉炼铁-转炉炼钢-连铸(板坯)-除鳞-精轧-冷却-卷取-热轧卷(-冷轧)-矫直/纵剪/横剪二、表征钢板的主要力学性能指标强度:金属材料在外力作用下抵抗变形和断裂的能力。
屈服强度、抗拉强度是极为重要的强度指标,是金属材料选用的重要依据。
强度的大小用应力来表示,即用单位面积所能承受的载荷(外力)来表示,常用单位为MPa。
屈服强度:金属试样在拉力试验过程中,载荷不再增加,而试样仍继续发生变形的现象,称为“屈服”。
产生屈服现象时的应力,即开始产生塑性变形时的应力,称为屈服点,用符号σs表示,单位为MPa。
一般的,材料达到屈服强度,就开始伴随着永久的塑性变形,因此其是非常重要的指标。
抗拉强度:金属试样在拉力试验时,拉断前所能承受的最大应力,用符号σb表示,单位为MPa。
伸长率:金属在拉力试验时,试样拉断后,其标距部分所增加的长度与原始标距长度的百分比,称为伸长率。
用符号δ表示。
伸长率反映了材料塑性的大小,伸长率越大,材料的塑性越大。
应变强化指数n:钢材在拉伸中实际应力-应变曲线的斜率。
其物理意义是,n值高,表示材料在成形加工过程中变形容易传播到低变形区,而使应变分布较为均匀,减少局部变形集中现象,因此n值对拉延胀形非常重要。
塑性应变比r值:r值表示钢板拉伸时,宽度方向与厚度方向应变比之比值。
r值越大,表示钢板越不易在厚度方向变形(越不容易开裂),深冲性越好。
表一典型的冷轧钢板性能表EL 1.0-1.6三、钢板表面质量四、强化因素一般的,材料的性能由组织(结构)决定,组织由成分(工艺)决定,他们之间构成一个四面体。
钢板也是这样,钢板的强化主要是靠成分和组织,下面拿加磷钢和烘烤硬化钢举例说明。
加磷钢:一般的,强化钢板的元素主要有C、Mn、Ti、Nb、Al等,有害的元素主要是P和S。
实际上P的强化作用非常明显,仅次于C,但是数量要达到0.04%以上才能使强化作用超过有害的部分,体现出强化作用。
加磷钢正是基于这种原理制造的。
主要有B170P1, B210P1, B250P1, B180P2(BP340), B220P2(BP380) 。
烘烤硬化钢:烘烤硬化钢是指在低碳或者超低碳钢中保留一定量的固溶碳原子,必要时加入磷等固溶强化元素来提高强度,钢板成形后经过涂漆烘烤处理后强度进一步提高,同时这种钢板具有很好的成形性能。
主要有:DIN标准手册3中所规定的DIN及SEW中钢牌号的组成及其主要符号(完)金属热处理简述金属热处理是将金属工件放在一定的介质中加热到适宜的温度,并在此温度中保持一定时间后,又以不同速度冷却的一种工艺。
金属热处理是机械制造中的重要工艺之一,与其他加工工艺相比,热处理一般不改变工件的形状和整体的化学成分,而是通过改变工件内部的显微组织,或改变工件表面的化学成分,赋予或改善工件的使用性能。
其特点是改善工件的内在质量,而这一般不是肉眼所能看到的。
为使金属工件具有所需要的力学性能、物理性能和化学性能,除合理选用材料和各种成形工艺外,热处理工艺往往是必不可少的。
钢铁是机械工业中应用最广的材料,钢铁显微组织复杂,可以通过热处理予以控制,所以钢铁的热处理是金属热处理的主要内容。
另外,铝、铜、镁、钛等及其合金也都可以通过热处理改变其力学、物理和化学性能,以获得不同的使用性能。
金属热处理的工艺:热处理工艺一般包括加热、保温、冷却三个过程,有时只有加热和冷却两个过程。
这些过程互相衔接,不可间断。
加热是热处理的重要工序之一。
金属热处理的加热方法很多,最早是采用木炭和煤作为热源,进而应用液体和气体燃料。
电的应用使加热易于控制,且无环境污染。
利用这些热源可以直接加热,也可以通过熔融的盐或金属,以至浮动粒子进行间接加热。
金属加热时,工件暴露在空气中,常常发生氧化、脱碳(即钢铁零件表面碳含量降低),这对于热处理后零件的表面性能有很不利的影响。
因而金属通常应在可控气氛或保护气氛中、熔融盐中和真空中加热,也可用涂料或包装方法进行保护加热。
加热温度是热处理工艺的重要工艺参数之一,选择和控制加热温度,是保证热处理质量的主要问题。
加热温度随被处理的金属材料和热处理的目的不同而异,但一般都是加热到相变温度以上,以获得高温组织。
另外转变需要一定的时间,因此当金属工件表面达到要求的加热温度时,还须在此温度保持一定时间,使内外温度一致,使显微组织转变完全,这段时间称为保温时间。
采用高能密度加热和表面热处理时,加热速度极快,一般就没有保温时间,而化学热处理的保温时间往往较长。
冷却也是热处理工艺过程中不可缺少的步骤,冷却方法因工艺不同而不同,主要是控制冷却速度。
一般退火的冷却速度最慢,正火的冷却速度较快,淬火的冷却速度更快。
但还因钢种不同而有不同的要求,例如空硬钢就可以用正火一样的冷却速度进行淬硬。
金属热处理工艺大体可分为整体热处理、表面热处理和化学热处理三大类。
根据加热介质、加热温度和冷却方法的不同,每一大类又可区分为若干不同的热处理工艺。
同一种金属采用不同的热处理工艺,可获得不同的组织,从而具有不同的性能。
钢铁是工业上应用最广的金属,而且钢铁显微组织也最为复杂,因此钢铁热处理工艺种类繁多。
整体热处理是对工件整体加热,然后以适当的速度冷却,以改变其整体力学性能的金属热处理工艺。
钢铁整体热处理大致有退火、正火、淬火和回火四种基本工艺。
退火是将工件加热到适当温度,根据材料和工件尺寸采用不同的保温时间,然后进行缓慢冷却,目的是使金属内部组织达到或接近平衡状态,获得良好的工艺性能和使用性能,或者为进一步淬火作组织准备。
正火是将工件加热到适宜的温度后在空气中冷却,正火的效果同退火相似,只是得到的组织更细,常用于改善材料的切削性能,也有时用于对一些要求不高的零件作为最终热处理。
淬火是将工件加热保温后,在水、油或其他无机盐、有机水溶液等淬冷介质中快速冷却。
淬火后钢件变硬,但同时变脆。
为了降低钢件的脆性,将淬火后的钢件在高于室温而低于650℃的某一适当温度进行长时间的保温,再进行冷却,这种工艺称为回火。
退火、正火、淬火、回火是整体热处理中的“四把火”,其中的淬火与回火关系密切,常常配合使用,缺一不可。
“四把火”随着加热温度和冷却方式的不同,又演变出不同的热处理工艺。
为了获得一定的强度和韧性,把淬火和高温回火结合起来的工艺,称为调质。
某些合金淬火形成过饱和固溶体后,将其置于室温或稍高的适当温度下保持较长时间,以提高合金的硬度、强度或电性磁性等。
这样的热处理工艺称为时效处理。
把压力加工形变与热处理有效而紧密地结合起来进行,使工件获得很好的强度、韧性配合的方法称为形变热处理;在负压气氛或真空中进行的热处理称为真空热处理,它不仅能使工件不氧化,不脱碳,保持处理后工件表面光洁,提高工件的性能,还可以通入渗剂进行化学热处理。
表面热处理是只加热工件表层,以改变其表层力学性能的金属热处理工艺。
为了只加热工件表层而不使过多的热量传入工件内部,使用的热源须具有高的能量密度,即在单位面积的工件上给予较大的热能,使工件表层或局部能短时或瞬时达到高温。
表面热处理的主要方法有火焰淬火和感应加热热处理,常用的热源有氧乙炔或氧丙烷等火焰、感应电流、激光和电子束等。
化学热处理是通过改变工件表层化学成分、组织和性能的金属热处理工艺。
化学热处理与表面热处理不同之处是后者改变了工件表层的化学成分。
化学热处理是将工件放在含碳、氮或其他合金元素的介质(气体、液体、固体)中加热,保温较长时间,从而使工件表层渗入碳、氮、硼和铬等元素。
渗入元素后,有时还要进行其他热处理工艺如淬火及回火。
化学热处理的主要方法有渗碳、渗氮、渗金属。
热处理是机械零件和工模具制造过程中的重要工序之一。
大体来说,它可以保证和提高工件的各种性能,如耐磨、耐腐蚀等。
还可以改善毛坯的组织和应力状态,以利于进行各种冷、热加工。
例如白口铸铁经过长时间退火处理可以获得可锻铸铁,提高塑性;齿轮采用正确的热处理工艺,使用寿命可以比不经热处理的齿轮成倍或几十倍地提高;另外,价廉的碳钢通过渗入某些合金元素就具有某些价昂的合金钢性能,可以代替某些耐热钢、不锈钢;工模具则几乎全部需要经过热处理方可使用。
概述随着社会和科学技术的发展,对钢材的作用性能要求越来越严格,目前提高钢材性能的方法主要有以下两点:1),在钢中特意加入一些合金元素,也就是用合金化的手段提高钢材的性能(下一章讨论);2)对钢进行热处理(这一章的内容)。
钢的热处理有以下途径(三步骤):固态下进行不同的加热,保温,冷却。
热处理在生产中越来越广泛,据调查,80-90%工件需要进行热处理,象各种工,模具几乎百分之百要求热处理。
根据加热与冷却的不同,热处理可按下面分类:虽然热处理有很多方法,但它都可归纳为加热,保温,冷却三个步骤,对不同的材料进行不同的热处理,以上三步各部相同,整个这一章我们就讨论的正是这里面的不同与实质。
钢在加热时的转变从FE-FE3C的分析中我们知道,碳钢在缓慢加热或冷却过程中,经PSK,GS,E线时都会发生组织转变,例如S点, 冷却到S点温度时A 转化> P,加热到S点时P 转化>S,由于在加热过程中,PSK,GS,ES 三条线很重要。
以后我们把它们分别简称为PSK—A1线,GS—A3线,ES—Acm线, 那么在热处理过程中无论是加热还是冷却到这三条线时,温度与这三条上的交点就为平衡临界点。
有一点大家必须明确,以上我们所讨论的FE-FE3C相。
图的制定是在冷却速度非常缓慢的情况下制定的,而实际生产中,我们则选用较大的过冷度和加热度,因此碳钢不可能恰好在平衡临界点上发生转变,而是冷却时在三条线以下的地方,加热时在三条线以上的地方,并且加热和冷却速度越大,组织转变点偏离平衡临界点也越大,这个概念必须有,为了能够区别以上临界点(A1,A3,Acm),我们则将实际加热时的各临界点用Ac1,Ac3,Accm表示,冷却时的各临界点我们则选用Ar1,Ar3,Arcm表示。
一.共析钢的奥氏体化过程“奥氏体”概念:任何成分的钢在热处理时都要首先加热,加热到A1以上温时,开始了P 转化> S,象这种由加热获得的A组织我们就称为“奥氏体”,下面我们以共析钢为例,来分析奥氏化过程。
A1点以下的共析钢全为珠光体组织,珠光体是由层片状的铁素体与渗碳体组成的机械混合物,铁素体含碳量很底,在A1点仅为0.0218%, 而渗碳体晶格复杂,含碳量高达6.69%。