工业机械手设计说明书-参考模板
- 格式:doc
- 大小:910.00 KB
- 文档页数:43
1 设计项目名称机械装备项目--机械手课程设计2 设计目的利用设计的机械手夹起形状为正六边体,质量为5kg工件,并运送到工作台。
设计的过程主要解决的问题如下:(1)工件的重量和外形尺寸问题:工件质量5kg,半径在90-110mm范围内。
(2)工件的外形问题:工件的横截面为正六边形,夹紧的过程要解决夹到棱边的问题。
(3)各零部件的工艺问题:零部件应有良好的工艺性,可用最简单,常见的工艺(铸,车,铣,钻等),实现零部件的加工。
(4)整体的稳定性,灵活性保证问题:各部件协调工作,保证装配体的工作稳定:如齿轮齿条配合,连杆配合等的稳定性考虑;保证机械手总体质量小,惯性小,灵活可靠。
3 设计方案说明3.1机械手工作原理图1 拆去底板装配图工作过程:液压缸产生推力,推动齿条来回移动,齿轮与齿条啮合旋转,齿轮带动四连杆转动,连杆推动夹板夹住工件。
3.2结构说明3.2.1执行机构:夹板图2 夹板1)特点夹板在竖直方向上有采用铰接,可自动调整到与工件位置相平行的状态,夹板上有滚花工艺,增大摩擦系数,保证夹起的工件不滑落。
2)尺寸根据工件的外形尺寸,确定夹板长×宽为:80×50,根据经验,采用厚度为5mm的钢板。
3.2.2传动链1、四连杆机构图4 四连杆机构1)特点四连杆机构铰链连接的部分采用滑动轴承,安装尺寸小,润滑方便,四连杆运动摩擦小;连杆机构在未到达死点的位置下工作,机构工作可靠;连杆机构可以保证使夹板平行运动,从而保证夹板与工件表面平行,夹板接触工件时受力均匀,可平稳夹住工件,增强了整体装夹的稳定性。
2)尺寸计算图5 结构简图确定L2:因为机械手要夹紧的工件的范围是90~110mm,故L2=L1=(110+19×2-40)÷2=54mm留下一定的设计余量,选L2=60mm。
确定L3:为了能够装夹不同高度的工件,同时选择L5=40mm,连杆的长度L3应满足:L3=L5+h=87.5mm,取L3=90mm。
机械手设计说明书篇一:机械手设计说明书指导老师:设计合作成员:一、设计项目名称机械手臂手指机构2二、设计目的本设计拟搬运宽度尺寸90~110mm、质量为5kg以内的六菱柱形钢质工件,手指机构带水平转盘。
手指的动力驱动方式为液压传动。
液压传动的机械手是以压缩液体的压力来驱动执行机构运动的机械手。
三、设计要求(1)机械手为专用机械手,适用于夹六菱柱形钢质工件。
(2)选取机械手的座标型式和自由度。
(3)主要设计出机械手的手部机构。
(4)液压传动系统液压缸的选用四、设计方案4.1 机械手基本形式的选择机械手的典型结构一般可分为:回转型(包括滑槽杠杆式和连杆杠杆式两种)、移动型(移动型即两手指相对支座作往复运动)和平面平移型。
本设计采用二指回转型手抓。
4.2 机械手的主要部件及运动本机械手的部件有齿轮、齿条、连杆和液压缸等。
主要的运动有直动液压缸驱动齿条的平动、齿轮和齿条的啮合运动、连杆的转动和手抓的平行移动。
4.3 驱动方式的选择本机械手的驱动方案采用液压机构驱动机械手,结构简单、尺寸紧凑、重量轻、控制方便。
4.4 机械手的技术参数列表用途:卸码垛机械手臂抓重:5kg抓取的物体的几何形状:宽度为90~110mm六菱柱形钢质工件机械手自重:小于等于10kg4.5 机械工作原理机械手的夹工件的工作原理框图如图1所示。
图1. 机械手夹工件的工作原理框图该机械手采用了液压驱动方式来实现其工作的要求,工作要求就是机械手能适应六菱柱形钢质工件不同面的夹持,故带有水平转盘手臂的回转运动。
传动机构采用齿条与齿轮啮合。
本机械通过液压驱动传递动力推动齿条平动,齿条与齿轮啮合将液压缸传来的水平运动转化为齿轮连杆的回转运动。
而齿条与齿轮啮合驱动四连杆转动,四连杆机构使夹板水平移动,完成对工件的夹紧松开。
机械手的整体结构图如图2、图3所示。
手爪部分特点如下表述:1. 机械手手部由手爪(即夹板)和传力机构所构成。
机械手爪能夹宽度尺寸为90~110mm的工件,由于所夹工件是六菱柱形钢质工件,故在竖直方面上夹持会比较方便设计和简化机构,手爪部分可以做成平面夹板,而机构本身应带水平转盘机构以适应不同角度的夹持。
)机械手臂课设说明书.目录1引言 (1)2 PLC的简介 (2)2。
1 PLC的产生 (2)2.2 PLC的定义和特点 (2)2。
2。
1 PLC的定义 (2)2.2.2 PLC的特点 (2)2。
3可编程控制器的主要性能指标 (3)2。
4 PLC系统的组成 (4)2。
4.1 PLC的硬件结构 (4)2.4。
2 PLC的软件 (4)2。
5 PLC的应用领域 (4)3方案设计 (6)3。
1 主程序设计 (6)3。
2 公用程序设计 (7)3.3 自动程序设计 (8)3.4 手动程序设计 (9)3.5 自动回原点程序设计 (9)4心得体会 (11)参考文献 (12)附录1 (13)附录2 (17)1引言机械手是工业自动化领域中经常遇到的一种控制对象。
近年来随着工业自动化的发展机械手逐渐成为一门新兴学科,并得到了较快的发展。
机械手广泛地应用与锻压、冲压、锻造、焊接、装配、机加、喷漆、热处理等各个行业。
特别是在笨重、高温、有毒、危险、放射性、多粉尘等恶劣的劳动环境中,机械手由于其显著的优点而受到特别重视。
总之,机械手是提高劳动生产率,改善劳动条件,减轻工人劳动强度和实现工业生产自动化的一个重要手段.国内外都十分重视它的应用和发展。
可编程序控制器(PLC)是专为在工业环境下应用而设计的实时工业控制装置。
随着微电子技术、自动控制技术和计算机通信技术的飞速发展,PLC在硬件配置、软件编程、通讯联网功能以及模拟量控制等方面均取得了长足的进步,已经成为工厂自动化的标准配置之一[1]。
由于自动化可以节省大量的人力、物力等,而PLC也具有其他控制方式所不具有的特殊优越性,如通用性好、实用性强、硬件配套齐全、编程方法简单易学,因此工业领域中广泛应用PLC。
机械手在美国、加拿大等国家应用较多,如用果实采摘机械手来摘果实、装配生产线上应用智能机器人等。
我国自动化水平本身比较低,因此用PLC来控制的机械手还比较少。
2 PLC的简介2。
机械手说明书范例目录前言--------------------------------------第一章设计任务书------------------------------------第二章设计任务分析以及总体方案----------------------- (一)机械手设计原则---------------------------(二)机械手分类-------------------------------------(三)机械手主要组成------------------------------ (四)机械手结构布置要求及平稳性与定位精度-----------第三章机械部分的设计---------------------(一)机械手手部----------------------------------(二)机械手的手腕------------------------------------- (三)机械手的手臂----------------------------------第四章驱动部件设计----------------------------(一)液压驱动部分------------------------------------(二)气压驱动设计-------------------------------------(三)液动机的选择-------------------------------------(四)减速齿轮的选择------------------------第五章管路布置及效验---------------------------(一)机械手常用位置检测元件--------------------------- (二)管路布置方法--------------------------------第六章参考文献---------------------第七章设计感言-------------------------------------前言机械手是模仿人的手部动作,按给定程序、轨迹和要求实现自动抓取、搬运和操作的自动装置。
机械手毕业设计说明书一、设计目的本毕业设计旨在设计一种机械手,能够根据预先设定的程序自动执行各种操作。
通过该设计,可以提高工作效率,减少人力成本,同时具备高精度和高可靠性。
二、设计背景近年来,随着工业自动化的不断发展,机械手在工业生产中的应用越来越广泛。
机械手凭借其高速、高精度、高可靠性等优势,成为工厂生产线上的重要设备之一。
因此,设计一种功能强大的机械手对于工业生产的提升具有重要意义。
三、设计内容1.机械结构设计本设计采用七自由度机械手结构,包括基座、旋转关节、摇摆关节、剪切关节以及爪子等部分。
结构设计中要考虑刚性、稳定性以及重量平衡等因素,确保机械手能够准确地执行各种操作。
2.传感器系统设计为了使机械手具备自主感知能力,本设计将配备多种传感器,如力传感器、视觉传感器等。
通过传感器系统的设计,机械手可以根据实时的反馈信息进行运动控制,提高操作的准确性和安全性。
3.运动控制系统设计运动控制系统是机械手的核心部分,本设计将采用PLC (可编程逻辑控制器)作为控制器,结合伺服驱动器实现机械手的精确定位和协调运动。
通过编写程序,机械手可以根据预先设定的路径和信号执行各种操作。
四、设计过程1.需求分析针对机械手的应用场景和功能需求,进行需求分析。
确定机械手所需执行的任务类型、速度要求、负载能力等。
2.机械结构设计根据需求分析,设计机械手的结构,包括基座、旋转关节、摇摆关节、剪切关节和爪子等。
进行力学分析和模拟,确保结构设计的合理性和可靠性。
3.传感器系统设计根据需求分析,确定机械手所需的传感器类型和数量。
选择合适的传感器并安装在机械手上,设计传感器的接口电路和数据处理算法。
4.运动控制系统设计选择合适的PLC和伺服驱动器,进行硬件选型和连接。
编写控制程序,实现机械手的位置控制、速度控制和力控制等功能。
5.整体集成与测试将机械结构、传感器系统和运动控制系统进行整体集成。
进行系统测试,检验机械手的功能和性能是否满足设计要求。
第一章前言1.1 研究的目的及意义机械手作为前沿的产品应自动化设备更新时的需要,可以大量代替单调往复或高精度需求的工作,在先进制造领域中扮演着极其重要的角色。
它可以搬运货物、分拣物品、代替人的繁重劳动。
可以实现生产的机械化和自动化,能在高温、腐蚀及有毒气体等环境下操作以保护人身安全,可以广泛应用于机械制造、冶金、电子、轻工业和原子能等部门。
随着工业的高速发展,机械手作为前沿的产品应自动化设备更新时的需要,已经在工业生产中得到了广泛的应用。
它可以搬运货物、分拣物品、用以代替人的繁重及单调劳动,实现生产的机械化和自动化;并能在高温、腐蚀及有毒气体等有害环境下操作以保护人身安全,被广泛应用于机械制造、冶金、电子、轻工业和原子能等部门。
可编程控制器(PLC)是以中央处理器为核心,综合了计算机和自动控制等先进技术,具有可靠性高、功能完善、组合灵活、编程简单、功耗低等优点,已成为目前在机械手控制系统中使用最多的控制方式。
使用PLC的自动控制系统具有体积小,可靠高,故障率低,动作精度高等优点。
适应工业需要,本课题试图开发PLC对物料分拣机械手的控制,并借助必要的精密传感器,使其能够对不同颜色的物料按预先设定的程序进行分拣,动作灵活多样,适用于可变换生产品种的中小批量自动化生产,广泛应用于柔性生产线。
采用PLC控制,是一种预先设定的程序进行物料分拣的自动化装置,可部分代替人工在高温和危险的作业区进行单调持久的作业,并且在产品变化或临时需要对机械手进行新的分配任务时,可以允许方便的改动或重新设计其新部件,而对于位置改变时,只要重新编程,并能很快地投产,降低安装和转换工作的费用。
本设计主要完成机械手的硬件部分与软件部分设计。
主要包括执行系统、驱动系统和控制系统的设计。
1.2 机械手在国内外现状和发展趋势机械手最早应用在汽车制造工业,常用于焊接、喷漆、上下料和搬运。
机械手延伸和扩大了人的手足和大脑功能,它可替代人从事危险、有害、有毒、低温和高热等恶劣环境中的工作;代替人完成繁重、单调重复劳动,提高劳动生产率,保证产品质量。
机械综合课程设计说明书设计题目:机器人液压手爪设计专业:机械设计制造及其自动化班级:姓名:学号:成绩:2017年12月23日目录课程设计指导书 (1)目录 (2)摘要 (3)第一章概述 (4)1.1工业机器人和机械手概述 (4)1.2 机器人的历史、现状 (5)1。
3 机器人发展趋势 (6)第二章机械手结构设计 (6)2.1 设计时应考虑的几个问题 (6)2。
2 机械手指形状设计 (7)2。
3 机械手爪整体结构设计 (7)第三章手爪受力计算及分析 (8)3.1 手爪受力分析 (8)3.2 动作原理说明 (8)3.3 夹紧力与N与驱动力A的关系(传力比) (8)3.4 运动的动作范围 (9)第四章手爪的夹持误差分析 (10)4.1 误差产生原因 (10)4。
2 误差计算 (11)第五章其他零件的设计 (13)5。
1 楔块 (13)5.2 材料及连接件选择 (15)5。
3 液压设备的选择 (15)5.4 手爪零件的设计和尺寸 (16)5.5 零件的连接固定 (17)设计心得与体会 (19)参考文献 (20)摘要在当今大规模制造业中,企业为提高生产效率,保障产品质量,普遍重视生产过程的自动化程度,工业机器人作为自动化生产线上的重要成员,逐渐被企业所认同并采用。
工业机器人的技术水平和应用程度在一定程度上反映了一个国家工业自动化的水平,目前,工业机器人主要承担着焊接、喷涂、搬运、取件以及堆垛等重复性并且劳动强度极大的工作,工作方式一般采取示教再现的方式。
本次课程设计旨在设计一个简易的机械手结构,使其能够在气缸作为动力的情况下实现对目标的夹持,运送以及放下等工作,并绘制出机械手各部件的详细零件图和装配图,在此基础上能进行三维仿真。
在金工实习期间将该机械手进行制造加工,使实物能够顺利运作,关键词:机械手;气缸;结构设计第一章概述1.1工业机器人和机械手概述在现代工业中,生产过程的机械化、自动化已成为突出的主题。
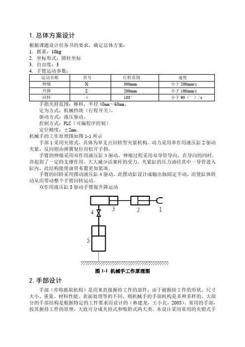
1.总体方案设计根据课题设计任务书的要求,确定总体方案:1.抓重:10kg2.坐标形式:圆柱坐标3.自由度:3定为方式:机械挡块(行程开关)。
驱动方式:液压驱动。
控制方式:PLC(可编程序控制)定位精度:±2mm。
机械手的工作原理图如图1-1所示手部1采用夹钳式,具体为单支点回转型夹紧机构。
动力采用单作用液压缸2驱动夹紧,反向则由弹簧复位而松开手指。
手臂的伸缩采用双作用液压缸3驱动,伸缩过程采用双导管导向,在导向的同时,亦起到了一定的支撑作用,大大减少活塞杆的受力。
夹紧缸的压力油经其中一导管进入缸内,此结构能使油管布置更加紧凑。
手臂的回转采用摆动液压缸4驱动,此摆动缸设计成输出轴固定不动,而使缸体转动从而带动整个手臂回转运动。
双作用液压缸5驱动手臂做升降运动图1-1 机械手工作原理图2.手部设计手部(亦称抓取机构)是用来直接握持工件的部件,由于被握持工件的形状、尺寸大小、重量、材料性能、表面处理等的不同,则机械手的手部机构是多种多样的,大部分的手部结构是根据特定的工件要求而设计的(林建龙,王小北,2003)。
常用的手部,按其握持工件的原理,大致可分成夹持式和吸附式两大类。
本设计采用常用的夹钳式手部结构,它是最常见的夹持式结构。
夹钳式手部是由手指、传动机构和驱动装置三部分组成的,它对抓取各种形状的工件具有较大的适应性,可以抓取轴、盘和套类零件(殷际英,何广平,2003)。
一般情况下多采用两个手指,少数采用三指或多指。
本设计中的工件是棒料,所以选择较简单的两指结构。
夹钳式手部设计的基本要求:1、应具有适当的夹紧力和驱动力手指握力(夹紧力)大小要合适,力量过大则动力消耗多,结构庞大,不经济,甚至会损坏工件;力量过小则夹持不住或产生松动、脱落。
在确定握力时,除考虑工件总量外,还应考虑传送或操作过程中所产生的惯性力和振动,亦保证工件夹持安全可靠(杨永清等,2008)。
对于手部的驱动装置来说,应有足够的驱动力。
机械专业课程设计指导老师:设计者:学号:专业班级:设计题目:搬运机械手完成时间:2011年07 月02日目录一、设计任务 (1)1.1 设计任务介绍 (1)1.1.1 课程设计的目的. (1)1.1.2 课程设计的容. (1)1.1.3 课程设计的要求. (1)1.1.4 课程设计的具体任务. (2)1.1.5 研究机械手的意义. (2)1.2 设计任务明细 (3)1.2.1 总体方案的设计. (3)1.2.2 机械系统的设计 (3)二、总体方案设计 (3)2.1 驱动系统 (3)2.2 执行 (4)2.3 控制系统 (4)3.1 机械传动装置的组成及原理 (5)机械手的机械传动装置示意图如下. (5)3.2 滚珠丝杠简介与特点 (5)3.3 滚珠丝杠的设计及选型 (6)3.3.1 螺旋类型及种类. (6)3.3.2 初始条件 (6)3.3.3. 滚珠丝杠副的组成及主要尺寸. (7)3.3.4 计算过程 (7)3.3.5 滚珠丝杠最小轴经校核. (9)3.4 电机选型及联轴器选型 (9)3.4.1 电机选型 (9)3.4.2 联轴器的选择. (9)3.5 键的选择与校核 (10)3.5 轴承的选型与校核 (10)3.5.1 轴承的选型. (10)3.5.2 轴承的校核. (10)3.6 主要联接部位螺栓的校核 (12)3.7 轴承座、机架、导向柱、底座等基本构件的结构设计 (13)四、电气控制系统设计 (13)4.1 控制系统的基本组成 (13)4.2 电气元件的选型 (14)4.2.1 可编程序控制器的选择 (14)4.2.2 步进电机驱动器的选择 (14)4.2.3 步进电机选择与控制 (15)4.3 电气控制电路的设计 (16)4.4 控制程序的设计 (17)4.4.1 机械手搬运流程图 (17)4.4.2 输入/ 输出地址分配 (17)4.4.3 机械手位移控制程序 (18)4.4.4 搬运机械手搬运程序设计. (21)五、课程设计总结 (28)六、参考文献 (29)一、设计任务1.1设计任务介绍1.1.1课程设计的目的通过课程设计培养学生综合运用所学知识和能力、提高分析和解决实际问题能力的一个重要环节,专业课程设计时建立的专业基础课程和专业方向课的基础上的,是学生根据所学课程进行的工程基本训练,课程设计的目的在于:1、培养学生综合运用所学的基础理论和专业知识,独立进行机电控制系统产品的初步设计工作,并结合设计或试验研究课题进一步巩固和扩大知识领域。
SHANDONGUNIVERSITYOFTECHNOLOGY课程设计说明书二维机械手,二号黑体学院:农业工程与食品科学学院专业:农业机械化及自动化学生姓名:指导教师:***2011 年7 月1目录第一章绪论································································错误!未定义书签。
1.1设计目的·······························································错误!未定义书签。
工业控制系统管理制度工业机械手设计--指导老师:郝健组员: ******目录第一章引言第二章机械手的整体设计方案第三章手爪结构设计第四章手腕结构设计第五章机械手伸缩,升降,回转液压缸的尺寸设计与校核第六章气动系统设计第七章机械手的PLC控制系统设计第一章引言1.1 工业机械手概述机械手的结构形式比较简单,专用性较强,仅为某台机床的上下料装置,是附属于该机床的专用机械手。
随着工业技术的发展,制成了能够独立的按程序控制实现重复操作,适用范围比较广的“程序控制通用机械手”,简称通用机械手。
由于通用机械手能很快的改变工作程序,适应性较强,所以它在不断变换生产品种的中小批量生产中获得广泛的引用。
液压传动机械手是以压缩液体的压力来驱动执行机构运动的机械手。
其主要特点是:介质源极为方便,输出力小,液压动作迅速,结构简单,成本低。
但是,由于空气具有可压缩的特性,工作速度的稳定性较差,冲击大,而且气源压力较低,抓重一般在30公斤以下,在同样抓重条件下它比液压机械手的结构大,所以适用于高速、轻载、高温和粉尘大的环境中进行工作。
液压技术有以下优点:(1)体积小、重量轻,因此惯性力较小,当突然过载或停车时,不会发生大的冲击;(2)能在给定范围内平稳的自动调节牵引速度,并可实现无极调速;(3)换向容易,在不改变电机旋转方向的情况下,可以较方便地实现工作机构旋转和直线往复运动的转换;(4)液压泵和液压马达之间用油管连接,在空间布置上彼此不受严格限制;(5)由于采用油液为工作介质,元件相对运动表面间能自行润滑,磨损小,使用寿命长;(6)操纵控制简便,自动化程度高;(7)容易实现过载保护。
1.2 液压机械手的设计要求1.2.2 课题的设计要求本课题将要完成的主要任务如下:(1)机械手为通用机械手,因此相对于专用机械手来说,它的适用面相对较广。
(2)选取机械手的座标型式和自由度。
(3)设计出机械手的各执行机构,包括:手部、手腕、手臂等部件的设计,可以应用于夹持式手爪来抓取棒状物体等。
机电一体化系统设计课程设计说明书设计题目:系专业班级姓名:学号:指导老师:日期:目录1、机械手总体方案设计 (2)2、机械部分的设计 (2)3、滚珠丝杆副传动机构的设计和计算 (4)4、步进电机的计算和选择 (5)5、机械手控制系统的方案设计 (6)6、PLC的硬件接线图 (12)7、机械手PLC程序设计 (19)1.机械手总体方案设计图1是该机械手的动作示意图。
机械手的全部动作由步进电机驱动控制。
其中,上升/下降和左移/右移,分别由两部电机控制。
当控制上下运动的电机正转时,机械手下降;当控制上下运动的电机停止时,机械手下降停止。
当控制上下运动的电机反转时,机械手上升;当控制上下运动的电机停止时,机械手上升停止。
同样,左移/右移分别由控制左右运动的电机控制。
机械手的左旋转/右旋转则由一台伺服电机驱动控制。
机械手的放松/夹紧由一个电机带动一个齿轮齿条机构控制,当该电机正转时,机械手夹紧;该电机反转时,机械手放松。
当机械手右移到位并准备下降时,为了确保安全,必须在右工作台上无工件时才允许机械手下降。
也就是说,若上一次搬运到右工作台的工件尚未搬走时.机械手应自动停止下降。
左工作台右工作台夹紧放松上升下降左转右转图1 机械手的动作示意图机械手的动作过程如下:(1)复位;(2)横轴前升;(3)手张开,竖轴下降;(4)手夹紧物品;(5) 竖轴上升;(6)横轴收回;(7)底盘旋转;(8)横轴前升;(9)竖轴下降;(10)手放开,物品放下;(11) 竖轴上升;(12)手复位,横轴收回;机械手的操作方式分为:手动操作方式和自动操作方式。
自动操作方式又分为:单步、单周期和连续操作方式。
手动操作:用按钮操作。
返回原点操作:按下返回原点按钮,机械手自动返回原点。
单步操作:每按一次启动按钮,机械手完成一步动作,然后自动停止。
单周期操作:从原点开始按一下启动按钮,机械手便自动完成一个周期然后停止。
在工作中,如按下停止按钮,机械手便停止。
机械系统设计课程设计说明书设计题目:工业机械手设计学院:机电工程学院班级:机械092班:学号:第四章手臂的设计4.1手臂伸缩的设计计算手臂是机械手的主要执行部件。
它的作用是支撑腕部和手部,并带动它们在空间运动。
臂部运动的目的,一般是把手部送达空间运动围的任意点上,从臂部的受力情况看,它在工作中即直接承受着腕部、手部和工件的动、静载荷,而且自身运动又较多,故受力较复杂。
机械手的精度最终集中在反映在手部的位置精度上。
多义性在选择合适的导向装置和定位方式就显得尤其重要了。
1. 伸缩液压缸的设计计算1.1 求水平伸缩直线运动液压缸的驱动力根据液压缸运动时所需克服的摩擦、回油背压及惯性等几个方面的限力,来确定液压缸所需的驱动力。
手臂的伸缩速度为300mm/s行程L=400mm抓重100N液压缸活塞的驱动力的计算F F F F F=+++回摩密惯式中F摩一一摩擦阻力。
手臂运动时,为运动件表面间的摩擦阻力。
若是导向装置,则为活塞和缸壁等处的摩擦阻力。
F密一一密封装置处的康擦阻力;F回一一液压缸回油腔低压油掖所造成的阻力;F惯一一起动或制动时,活塞杆所受平均惯性力。
F 摩、F密、F回、F惯的计算如下。
4.1.1. F摩的计算不同的配置和不同的导向截面形状,其摩擦阻力不同,要根据具体情况进行估算。
图4-15为双导向杆导向,其导向杆截面形状为圆柱面,导向杆对称配置在伸缩缸的两侧, 启动时,导向装置的摩擦阻力较大,计算如下:由于导向杆对称配置,两导向杆受力均衡,可按一个导向杆计算。
0AM=∑b G L aF =总b G LF =总a0Y =∑b a G F F +=得a L a F G a +⎛⎫=⎪⎝⎭总'2L a F G a μ+⎛⎫∴=⎪⎝⎭总摩 式中G 总——参与运动的零部件所受的总重力(含工件重),估算G 总=(100+700)N=800N L ——手臂参与运动的零部件的总重量的重心到导向支承前端的距离(m),L=100mma ——导向支承的长度,a=150mm;'μ一一当量摩擦系数,其值与导向支承的截面形状有关。
前言近年来,随着电子技术特别是电子计算机的广泛应用,机器人的研制和生产已成为高技术领域内迅速发展起来的一门新兴技术,它更加促进了机械手的发展,使得机械手能更好地实现与机械化和自动化的有机结合。
机械手虽然目前还不如人手那样灵活,但它具有能不断重复工作和劳动、不知疲劳、不怕危险、抓举重物的力量比人手大等特点,因此,机械手已受到许多部门的重视,并越来越广泛地得到了应用。
例如:在机床加工,装配作业,劳动条件差,单调重复易于疲劳的工作环境以及在危险场合下工作等。
随着工业技术的发展,工业机器人与机械手的应用范围不断扩大,其技术性能也在不断提高。
在国内,应用于生产实际的工业机器人特别是示教再现性机器人不断增多,而且计算机控制的也有所应用。
在国外应用于生产实际的工业机器人多为示教再现型机器人,而且计算机控制的工业机器人占有相当比例。
带有“触觉”,“视觉”等感觉的“智能机器人”正处于研制开发阶段。
带有一定智能的工业机器人是工业机器人技术的发展方向。
第1章液压机械手总体方案设计1.1机械手总体设计方案拟定机械手是能够模仿人手的部分动作,按照给定的程序,轨迹和要求,实现自动抓取、搬运或操作动作的自动化机械装置。
在工业中应用的机械手称为“工业机械手”。
能够配合主机完成辅助性的工作,随着工业技术的发展,机械手能够独立地按照程序,自动重复操作。
根据课题的要求,机械手需具备上料,翻转和转位等功能,并按照自动线的统一生产节拍和生产纲领完成以上动作。
设计可参考以下多种设计方案:1.1.1 采用直角坐标式,自动线呈直线布置,机械手在空中行走,按照顺序完成上料、翻转、转位等功能。
这种方案结构简单,自由度少,易于配线,但需要架空行走,油液站不能固定,使得设计复杂程度增加,运动质量增大。
图1.1.1 直角坐标式布局示意图1.1.2 机身采用立柱式,机械手侧面行走,按照顺序完成上料、翻转、转位的功能,自动线仍成直线布置。
这种方案可以集中设计液压站,易于实现电气,油路定点连接,但是占地面积大,手臂悬伸量较大。
目录摘要 (1)引言 (1)1.机械手总体方案设计 (2)1.1设计要求 (2)1.2运动形式的选择 (2)1.3驱动方式的选择 (4)1.4总体结构设计 (5)2.机械手手部设计 (6)2.1结构分析 (6)2.2计算分析 (6)3.PLC控制系统设计 (11)3.1机械手移动工件控制系统的控制要求 (11)3.2机械手移动工件控制系统的PLC选型和资源配置 (13)3.3机械手移动工件控制系统的PLC程序 (14)4.动画制作 (18)4.1建立机械手模型 (18)4.2制作机械手的动画 (18)结束语 (26)致谢 (26)参考文献 (26)附录 (27)摘要机械手设计包括机械结构设计,检测传感系统设计和控制系统设计等,是机械、电子、检测、控制和计算机技术的综合应用。
本课题通过对设计要求的分析,设计出机械手的总体方案,重点阐述了手部结构的设计以及控制系统硬软件的设计,完成了整个系统工作的动画设计。
实现了机械手的基本搬运功能,达到了预期要求,具有一定的应用前景。
关键词:机械手PLC 动画引言随着世界经济和技术的发展,人类活动的不断扩大,机器人应用正迅速向社会生产和生活的各个领域扩展,也从制造领域转向非制造领域,各种各样的机器人产品随之出现。
像海洋开发、宇宙探测、采掘、建筑、医疗、农林业、服务、娱乐等行业都提出了自动化各机器人化的要求。
随着机器人的产生和大量应用,很多领域,许多单一、重复的机械工作由机器人(也称机械手)来完成。
工业机器人是一种能进行自动控制的、可重复编程的,多功能的、多自由度的、多用途的操作机, 广泛采用工业机器人,不仅可提高产品的质量与产量,而且对保障人身安全,改善劳动环境,减轻劳动强度,提高劳动生产率,节约原材料消耗以及降低生产成本,有着十分重要的意义。
和计算机、网络技术一样,工业机器人的广泛应用正在日益改变着人类的生产和生活方式。
机械手是一种模仿人手动作,并按设定的程序来抓取、搬运工件或夹持工具,机械手可在空间抓放物体,动作灵活多样,适用于可变换生产品种的中、小批量自动化生产,广泛应用于自动生产线、自动机的上下料、数控设备的自动换刀装置中。
Compilation of instructions使用说明概述机器手由操作机(机械本体)、操控器、伺服驱动体系和检测传感设备构成,是一种仿人操作,主动操控、可重复编程、能在三维空间完结各种作业的机电一体化主动化出产设备。
特别适合于多种类、变批量的柔性出产。
它对安稳、进步产品质量,进步出产功率,改进劳动条件和产品的快速更新换代起着十分重要的效果。
机器人运用状况,是一个国家工业主动化水平的重要标志。
出产中运用机械手能够进步出产的主动化水平,能够减轻劳动强度、确保产品质量、完结安全出产;尤其在高温、高压、低温、低压、粉尘、易爆、有毒气体和放射性等恶劣的环境中,它代替人进行正常的作业,含义更为严重。
因而,在机械加工、冲压、铸、锻、焊接、热处理、电镀、喷漆、设备以及轻工业、交通运输业等方面得到越来越广泛的引证。
机械手的结构方法开端比较简略,专用性较强,仅为某台机床的上下料设备,是附归于该机床的专用机械手。
跟着工业技能的开展,制成了能够独立的按程序操控完结重复操作,适用规模比较广的“程序操控通用机械手”,简称通用机械手。
因为通用机械手能很快的改动作业程序,习惯性较强,所以它在不断改换出产种类的中小批量出产中取得广泛的引证。
液压传动机械手是以紧缩液体的压力来驱动履行组织运动的机械手。
其首要特色是:介质李源极为便利,输出力小,液压动作敏捷,结构简略,本钱低。
可是,因为空气具有可紧缩的特性,作业速度的安稳性较差,冲击大,并且气源压力较低,抓重一般在30公斤以下,在相同抓重条件下它比液压机械手的结构大,所以适用于高速、轻载、高温文粉尘大的环境中进行作业。
液压技能有以下长处:(1)体积小、分量轻,因而惯性力小,当忽然过载或泊车时,不会发生大的冲击(2)能在给定规模内平稳的主动调理牵引速度,并可完结无极调速;(3)换向简略,在不改动电机旋转方向的状况下,能够较便利地完结作业组织旋转和直线往复运动的转化;(4)液压泵和液压马达之间用油管衔接,在空间安置上互相不受严厉约束;(5)因为选用油液为作业介质,元件相对运动外表间能自行光滑,磨损小,运用寿命长;(6)操作操控简洁,主动化程度高;(7)简略完结过载维护。
第一章引言1.1 工业机械手概述工业机器人由操作机(机械本体)、控制器、伺服驱动系统和检测传感装置构成,是一种仿人操作,自动控制、可重复编程、能在三维空间完成各种作业的机电一体化自动化生产设备。
特别适合于多品种、变批量的柔性生产。
它对稳定、提高产品质量,提高生产效率,改善劳动条件和产品的快速更新换代起着十分重要的作用。
机器人应用情况,是一个国家工业自动化水平的重要标志。
生产中应用机械手可以提高生产的自动化水平,可以减轻劳动强度、保证产品质量、实现安全生产;尤其在高温、高压、低温、低压、粉尘、易爆、有毒气体和放射性等恶劣的环境中,它代替人进行正常的工作,意义更为重大。
因此,在机械加工、冲压、铸、锻、焊接、热处理、电镀、喷漆、装配以及轻工业、交通运输业等方面得到越来越广泛的引用。
机械手的结构形式开始比较简单,专用性较强,仅为某台机床的上下料装置,是附属于该机床的专用机械手。
随着工业技术的发展,制成了能够独立的按程序控制实现重复操作,适用范围比较广的“程序控制通用机械手”,简称通用机械手。
由于通用机械手能很快的改变工作程序,适应性较强,所以它在不断变换生产品种的中小批量生产中获得广泛的引用。
液压传动机械手是以压缩液体的压力来驱动执行机构运动的机械手。
其主要特点是:介质李源极为方便,输出力小,液压动作迅速,结构简单,成本低。
但是,由于空气具有可压缩的特性,工作速度的稳定性较差,冲击大,而且气源压力较低,抓重一般在30公斤以下,在同样抓重条件下它比液压机械手的结构大,所以适用于高速、轻载、高温和粉尘大的环境中进行工作。
液压技术有以下优点:(1)体积小、重量轻,因此惯性力较小,当突然过载或停车时,不会发生大的冲击;(2)能在给定范围内平稳的自动调节牵引速度,并可实现无极调速;(3)换向容易,在不改变电机旋转方向的情况下,可以较方便地实现工作机构旋转和直线往复运动的转换;(4)液压泵和液压马达之间用油管连接,在空间布置上彼此不受严格限制;(5)由于采用油液为工作介质,元件相对运动表面间能自行润滑,磨损小,使用寿命长;(6)操纵控制简便,自动化程度高;(7)容易实现过载保护。
1.2 液压机械手的设计要求1.2.2 课题的设计要求本课题将要完成的主要任务如下:(1)机械手为通用机械手,因此相对于专用机械手来说,它的适用面相对较广。
(2)选取机械手的座标型式和自由度。
(3)设计出机械手的各执行机构,包括:手部、手腕、手臂等部件的设计。
为了使通用性更强,手部设计成可更换结构,不仅可以应用于夹持式手指来抓取棒料工件,在工业需要的时候还可以用气流负压式吸盘来吸取板料工件。
(4)液压传动系统的设计本课题将设计出机械手的液压传动系统,包括液压元器件的选取,液压回路的设计,并绘出液压原理图。
(5)机械手的控制系统的设计本机械手拟采用可编程序控制器(PLC)对机械手进行控制,本课题将要选取PLC型号,根据机械手的工作流程编制出PLC程序,并画出梯形图。
1.3 机械手的系统工作原理及组成机械手的系统工作原理框图如图1-1所示。
图1-1机械手的系统工作原理框图机械手的工作原理:机械手主要由执行机构、驱动系统、控制系统以及位置检测装置等所组成。
在PLC程序控制的条件下,采用液压传动方式,来实现执行机构的相应部位发生规定要求的,有顺序,有运动轨迹,有一定速度和时间的动作。
同时按其控制系统的信息对执行机构发出指令,必要时可对机械手的动作进行监视,当动作有错误或发生故障时即发出报警信号。
位置检测装置随时将执行机构的实际位置反馈给控制系统,并与设定的位置进行比较,然后通过控制系统进行调整,从而使执行机构以一定的精度达到设定位置.(一)执行机构包括手部、手腕、手臂和立柱等部件,有的还增设行走机构。
1、手部即与物件接触的部件。
由于与物件接触的形式不同,可分为夹持式和吸附式手在本课题中我们采用夹持式手部结构。
夹持式手部由手指(或手爪)和传力机构所构成。
手指是与物件直接接触的构件,常用的手指运动形式有回转型和平移型。
回转型手指结构简单,制造容易,故应用较广泛。
平移型应用较少,其原因是结构比较复杂,但平移型手指夹持圆形零件时,工件直径变化不影响其轴心的位置,因此适宜夹持直径变化范围大的工件。
手指结构取决于被抓取物件的表面形状、被抓部位(是外廓或是内孔)和物件的重量及尺寸。
而传力机构则通过手指产生夹紧力来完成夹放物件的任务。
传力机构型式较多时常用的有:滑槽杠杆式、连杆杠杆式、斜面杠杆式、齿轮齿条式、丝杠螺母弹簧式和重力式等。
2、手腕是连接手部和手臂的部件,并可用来调整被抓取物件的方位(即姿势)3、手臂手臂是支承被抓物件、手部、手腕的重要部件。
手臂的作用是带动手指去抓取物件,并按预定要求将其搬运到指定的位置。
工业机械手的手臂通常由驱动手臂运动的部件(如油缸、液压缸、齿轮齿条机构、连杆机构、螺旋机构和凸轮机构等)与驱动源(如液压、液压或电机等)相配合,以实现手臂的各种运动。
4、立柱立柱是支承手臂的部件,立柱也可以是手臂的一部分,手臂的回转运动和升降(或俯仰)运动均与立柱有密切的联系。
机械手的立柱因工作需要,有时也可作横向移动,即称为可移机座是机械手的基础部分,机械手执行机构的各部件和驱动系统均安装于机座上,故起支撑和连接的作用。
(二)驱动系统驱动系统是驱动工业机械手执行机构运动的。
它由动力装置、调节装置和辅助装置组成。
常用的驱动系统有液压传动、液压传动、机械传动。
(三)控制系统控制系统是支配着工业机械手按规定的要求运动的系统。
目前工业机械手的控制系统一般由程序控制系统和电气定位(或机械挡块定位)系统组成。
该机械手采用的是PLC程序控制系统,它支配着机械手按规定的程序运动,并记忆人们给予机械手的指令信息(如动作顺序、运动轨迹、运动速度及时间),同时按其控制系统的信息对执行机构发出指令,必要时可对机械手的动作进行监视,当动作有错误或发生故障时即发出报警信号。
(四)位置检测装置控制机械手执行机构的运动位置,并随时将执行机构的实际位置反馈给控制系统,并与设定的位置进行比较,然后通过控制系统进行调整,从而使执行机构以一定的精度达到设定位置.第二章机械手的整体设计方案对液压机械手的基本要求是能快速、准确地拾-放和搬运物件,这就要求它们具有高精度、快速反应、一定的承载能力、足够的工作空间和灵活的自由度及在任意位置都能自动定位等特性。
设计液压机械手的原则是:充分分析作业对象(工件)的作业技术要求,拟定最合理的作业工序和工艺,并满足系统功能要求和环境条件;明确工件的结构形状和材料特性,定位精度要求,抓取、搬运时的受力特性、尺寸和质量参数等,从而进一步确定对机械手结构及运行控制的要求;尽量选用定型的标准组件,简化设计制造过程,兼顾通用性和专用性,并能实现柔性转换和编程控制.本次设计的机械手是通用液压上下料机械手(如图2-1所示),是一种适合于成批或中、小批生产的、可以改变动作程序的自动搬运或操作设备,动作强度大和操作单调频繁的生产场合。
它可用于操作环境恶劣的场合。
图2-1机械手的整体机械结构2.1 机械手的座标型式与自由度按机械手手臂的不同运动形式及其组合情况,其座标型式可分为直角座标式、圆柱座标式、球座标式和关节式。
由于本机械手在上下料时手臂具有升降、收缩及回转运动,因此,采用圆柱座标型式。
相应的机械手具有三个自由度,为了弥补升降运动行程较小的缺点,增加手臂摆动机构,从而增加一个手臂上下摆动的自由度。
(如图2-2所示)图2-2 机械手的运动示意图2.2 机械手的手部结构方案设计为了使机械手的通用性更强,把机械手的手部结构设计成可更换结构,当工件是棒料时,使用夹持式手部;当工件是板料时,使用气流负压式吸盘。
2.3 机械手的手腕结构方案设计考虑到机械手的通用性,同时由于被抓取工件是水平放置,因此手腕必须设有回转运动才可满足工作的要求。
因此,手腕设计成回转结构,实现手腕回转运动的机构为回转液压缸。
2.4 机械手的手臂结构方案设计按照抓取工件的要求,本机械手的手臂有三个自由度,即手臂的伸缩、左右回转和降(或俯仰)运动。
手臂的回转和升降运动是通过立柱来实现的,立柱的横向移动即为手臂的横移。
手臂的各种运动由液压缸来实现。
2.5 机械手的驱动方案设计由于液压传动系统的动作迅速,反应灵敏,阻力损失和泄漏较小,成本低廉因此本机械手采用液压传动方式。
2.6 机械手的控制方案设计考虑到机械手的通用性,同时使用点位控制,因此我们采用可编程序控制器(PLC)对机械手进行控制。
当机械手的动作流程改变时,只需改变PLC程序即可实现,非常方便快捷。
2.7 机械手的主要技术参数一.机械手的最大抓重是其规格的主参数,由于是采用液压方式驱动,因此考虑抓取的物体不应该太重,查阅相关机械手的设计参数,结合工业生产的实际情况,本设计设计抓取的工件质量为5公斤。
二.基本参数运动速度是机械手主要的基本参数。
操作节拍对机械手速度提出了要求,设计速度过低限制了它的使用范围。
(如图2-3所示)而影响机械手动作快慢的主要因素是手臂90 。
平伸缩及回转的速度。
该机械手最大移动速度设计为s0.1。
最大回转速度设计为s/m/60 。
机械手动作时有启动、停止过程的加、减速均移动速度为s8.0。
平均回转速度为s/m/度存在,用速度一行程曲线来说明速度特性较为全面,因为平均速度与行程有关,故用平均速度表示速度的快慢更为符合速度特性。
除了运动速度以外,手臂设计的基本参数还有伸缩行程和工作半径。
大部分机械手设计成相当于人工坐着或站着且略有走动操作的空间。
过大的伸缩行程和工作半径,必然带来偏重力矩增大而刚性降低。
在这种情况下宜采用自动传送装置为好。
根据统计和比较,该机械手手臂的伸缩行程定为600mm,最大工作半径约为mm 1400。
手臂升降行程定为mm 120。
定位精度也是基本参数之一。
该机械手的定位精度为mm 1±。
三. 用途:用于自动输送线的上下料。
四.设计技术参数:1、抓重 kg 52、自由度数 4个自由度 3、座标型式圆柱座标 4、最大工作半径mm 1400 5、手臂最大中心高mm 1250 6、手臂运动参数伸缩行程mm 1200伸缩速度s mm /400升降行程mm 120升降速度s mm /250回转范围 1800-回转速度s /90 7、手腕运动参数回转范围 1800- 回转速度s /90 8、手指夹持范围棒料:mm mm 15080φφ- 9、定位方式行程开关或可调机械挡块等 10、定位精度mm 1± 11、驱动方式液压传动 12、控制方式 点位程序控制(采用PLC)图2-3机械手的工作范围第三章手部结构设计3.1 夹持式手部结构夹持式手部结构由手指(或手爪)和传力机构所组成。