通风空调工程工程量清单
- 格式:xls
- 大小:64.00 KB
- 文档页数:16
D。
7 通风空调工程
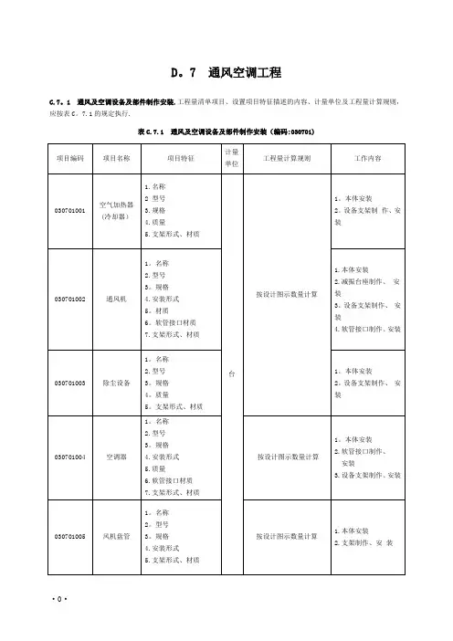
C.7。
1 通风及空调设备及部件制作安装.工程量清单项目、设置项目特征描述的内容、计量单位及工程量计算规则,应按表C。
7.1的规定执行.
表C.7.1 通风及空调设备及部件制作安装(编码:030701)
表C.7。
1(续)
2的规定执行。
表C.7.2通风管道制作安装(编码:030702)
7。
3的规定执行。
表C.7。
3 通风管道部件制作安装(编码:030703)
C.7。
4 通风工程检测、调试。
工程量清单项目设置、项目特征描述的内容、计量单位及工程量计算规则,应按表C。
7.4的规定执行.
表C.7.4 通风工程检测、调试(编码:030704)
C。
7。
5 通风空调工程适用于通风(空调)设备及部件、通风管道及部件的制作安装工程.
C。
7.6其他相关问题,应按下列规定处理。
1.设备和支架的除锈、刷漆、保温及保护层安装,应按本附录C。
12相关项目编码列项。
实例:某工厂车间送风系统工程清单计价通常安装工程计价按照以下程序进行:一、熟悉工程概况、施工图与施工说明二、编制依据三、工程清单项目的划分及项目编码表格形式四、工程量计算五、套用定额计价表计算分部分项工程量清单报价六、计算主材费用七、单位工程措施项目清单八、单位工程其他项目清单九、规费明细十、单位工程费用汇总一、熟悉工程概况、施工图与施工说明该送风工程提供了三张设计施工图纸:通风系统平面图(图5-1),通风系统A-A剖面图(图5-2)和通风管网系统图(图5-3)。
图5-1通风系统平面图本工程为某一工厂车间的送风系统,室外空气由空调箱的固定式钢百叶窗1引入,经保温阀2去空气过滤器3过滤。
再由空气加热器4(冷却器)(或上通阀5),加热或降温后的空气由帆布软管7,经风机圆形瓣式启动阀6进入风机8,由风机驱动,通过斜插板阀10进入主风管。
再由六根支管上的空气分布器14送入室内。
空气分布器前均设有圆形蝶阀12,供调节风量用。
)工程的施工说明:(1)风管采用热轧薄钢板。
风管壁厚:DN500,δ=0.75mm;DN500以上,δ=1.0mm。
图5-2通风系统A-A剖面图图5-3通风管网系统图(2)风管角钢法兰规格:DN500,∟25×4;DN500以上,∟30×4。
(3)风管内外表面除锈后刷红丹酚醛防锈漆两道,外表面再刷灰色酚醛调和漆两道。
(4)所有钢部件内外表面除锈后刷红丹酚醛防锈漆两道,外表面再刷灰色厚漆两道。
(5)风管、部件制作安装要求,执行国家施工验收规范有关规定。
(本工程的设备部件一览表见表5-1)设备部件一览表(表5-1)编号名称型号及规格单位数量备注1 钢百叶窗500×400 个 1 20kg2 保温阀500×400 个 13 空气过滤器LWP-D(I型) 台 1空气过滤器框架个 1 41kg4 空气加热器(冷却器) SRZ-12x6D 台 2 139kg空气加热器支架个 1 G=9.64kg5 空气加热器上通阀1200×400 个 1 23.16kg/个6 风机圆形瓣式启动阀D800 个 1 42.38kg/个7 帆布软接头D600 个 1 L=3008离心式通风机T4-72No8C 台 1电动机Y200L–4300kw 台 1皮带防护罩C式II型个 1 G=15.5kg风机减震台CG327 8C kg 291.39 天圆地方管D800/560×640 个 1 H=40010 密闭式斜插板阀D800 个 1 G=40kg/个11 帆布软接头D800 个 1 L=30012 圆形蝶阀D320 个 6 5.78kg/个13 天圆地方管D320/600×300 个 6 H=20014空气分布器4# 600×300 个 6 12.42kg/个空气分布器支架个 6 图5-4图5-4 矩形空气分布器支架二、编制的依据①某工厂车间通风工程施工图(图5-1、图5-2、图5-3和图5-4),设备部件一览表(表5-1)和相关资料说明。
第九章通风空调工程工程量清单设置与计价【例6】某工业厂房通风空调工程,用δ=1.2米米镀锌钢板制作、安装φ=1200米米的通风管25米(直管),弯头4个,三通2个,防火阀1个,长度均为1米;风管采用咬口连接;超细玻璃棉保温δ=80米米,外缠塑料布一道,玻璃丝布二道,刷调和漆二道,请计算工程量与含量并编制分部分项工程量清单.【解】一、编制分部分项工程量清单根据通风管道制作、安装(030902)确定项目编码:0001项目名称:碳钢通风管道制作、安装1、材质:镀锌钢板2、形状、规格:圆形φ=1200米米3、板材厚度:δ=1.2米米4、接口形式:咬口连接计量单位:㎡工程数量:πDL=3.14×1.2×(25+6)㎡=116.81㎡注:风管长度应包括弯头、三通等管件长度,但不包括阀门消音器等部件长度将上述内容填入“分部分项工程量清单”见表9—14:表9-14 分部分项工程量清单工程名称:某工业厂房通风空调工程第1页共1页1.根据现行的计算规则计算工程量(1)风管制作、安装116.81㎡(2)风管保温根据V=π(D+1.033δ)×1.033δ×L=3.14×(1.2+1.003×0.08) ×1.033×0.08×(25+6) 米³=10.32米³(3)防潮层根据S=π(D+2.1δ+0.0082)×L=3.14×(1.2+2.1×0.08+0.0082)×(25+6)㎡=133.96㎡(4)保护层根据S=π(D+2.1δ+0.0082)×L×2㎡=267.92㎡(5)保护层刷油133.96㎡2.计算含量(1)风管制作安装1㎡(2)风管保温10.32÷116.81㎡=0.088㎡(3)防潮层133.96÷116.81㎡=1.147㎡(4)保护层267.92÷116.81㎡=2.294㎡(5)保护层刷油133.96÷116.81㎡=1.147㎡【例7】某酒店4层空调扩建工程须增装矩形风管(1200米米×400米米)共45米,单层百叶风口的制作、安装(T202-2,550×375)共30个.请对各工程项目计算其工程量.【解】工程量的计算(1)通风管道的制作与安装(1.2+0.4)×2×45㎡=144㎡=14.4(10㎡)(2)单层百叶风口的制作查标准部件重量表克制,T202-2风口(550米米×375米米),每个重3.59㎏,30个共重107.70㎏=1.08(100㎏)(3)单层、百叶风口安装工程量为30个.【例8】图9—1为某办公楼空调管道平面图.风管为δ=1.5米米的镀锌钢板(咬口).试计算办公楼水平管道送风干管和支管的安装工程量.【解】(1)风管制作安装从图9—1可知,计算管道是一条均匀送风管道,其截面是均匀减小的.计算工程量(分管道)有关数据见表9—15.米米、小头直径D=220米米、管长100米,请计算制作安装直接工程费.【解】首先要求求出平均直径,即(780+220)÷2=500米米求工程量:工程量=πL(R+r)÷2=3.14×100×0.5㎡=157㎡=15.7(10㎡)查定额基价:直径为500米米的δ=2米米薄钢板圆形风管定额基价为1225.87元(C9—87),其中人工费为626.15元.套定额,计算制作安装直接费:制作安装直接工程费一般情况下等于基价与工程量的乘积.但该系统是圆形渐缩风管,按定额规定,其人工费应乘以系数2.5.所以安装直接费为:[﹙1225.87-626.15+626.15×2.5﹚×15.7]元=33992.00元.【例10】某工程制作镀锌薄钢板(δ=1.2米米)空气幕风管,风管平均周长为1200米米,风管工程量为300㎡,试计算空气幕风管制作安装费、人工费.【解】因题中风管为空气幕风管,应套用相应矩形风管子目,其人工应乘以系数3.风管制作安装费:根据题意,应套用(C9—80)子目,并对该子目进行换算:C9—80(H)=定额基价-人工费+3×人工费=(800.02-380.62﹢3×380.62)元=1561.26(元∕10㎡)风管制作安装费=30(10㎡)×1561.26(元∕10㎡)=46837.80元.人工费=30×380.62×3=34255.80元【例11】某通风工程安装D=600薄钢板风管100米(δ=2米米焊接).风管由甲方供应,乙方安装风管,应收多少直接安装费?【解】(1)查定额知定额基价为973.37元,其中人工费460.73元,材料费235.77元,机械费276.87元(定额编号C9-88).(2)从定额知,风管制作、安装费用划分比例为:人工安装费占40%,材料费占5%,机械费占5%.(3)求风管工程量:πDL÷10=3.14×0.6×100㎡÷10=18.84(10㎡).(4)求定额直接安装费:(460.73×40%+235.77×5%+276.87×5%)×18.84元=209.92×18.84元=3954.97元.【例13】镀锌薄钢板圆形风管φ600,δ=1米米,长度10米.试计算工程量.【解】(1)风管展开面积.F=π×D×L=3.14×0.6×10㎡=18.84㎡【例14】某工程人防地下室滤毒间600米米×400米米薄钢板矩形风管,设计要求风管厚度δ=3米米,风管采用焊接,长度 2.8米.试计算工程量.【解】(1)风管展开面积.F=(A+B)×2×L=(0.6+0.4)×2×2.8㎡=5.6㎡【例15】部件手动密闭式对开多叶调节阀制作安装,规格630米米×320米米,T308-1,8只,试计算工程量,套用定额.【解】(1)调节阀制作查本册定额附录二“国际通风部件标准重量表”,T308-1规格,630米米×320米米,14.70㎏/个,总重量117.6㎏.套用定额C9-219,对开多叶调节阀制作(30㎏以下),计量单位:100㎏基价:6057.04元制作费:6057.04×1.176元=7123.08元(2)调节阀安装套用定额C9-214,对开多叶调节阀安装(周长2800米米以内),计量单位:个. 基价:30.41元安装费:30.41×8元=243.28元注意:如为成品购买的调节阀,则不发生制作过程(费用),执行调节阀安装定额,调节阀本身价值(作为未计价主材)另计.【例16】部件双层百叶风口制作安装,规格330米米×240米米,T202-2,10只,计算工程量,套用定额.【解】(1)风口制作套用定额C9-271.查《全国统一安装工程预算定额》附录二“国标通风部件标准重量表”,T202-2,规格330米米×240米米,3.48㎏/个,总重量34.8㎏.双层百叶风口制作(5㎏以下),计量单位:100㎏,工程量:0.348/100㎏.(2)风口安装套用定额C9-309.百叶风口安装(周长1280米米以内)计量单位:个,工程量:10个.注意:如为成品购买的风口,则不发生制作过程(费用),执行风口安装定额,其本身价值(作为未计价主材)另计.【例18】矩形薄钢板风管,展开面积60㎡,设计要求风管外壁刷耐酸漆各二遍,计算工程量,套用定额. 【解】(1)计算工程量风管刷油工程量=风管展开面积合计=60㎡=6(10㎡)(2)套用定额C14—109~110(刷二遍),计量单位:10㎡【例19】有400米米×200米米送风管,长8米,设计要求采用δ=40米米自熄性聚苯乙烯泡沫塑料板保温,计算工程量,套用定额.【解】(1)计算工程量:δ=40米米.风管保温工程量=[﹙0.4+0.2﹚×2×8×0.04+0.04²×4×8]米³=0.44米³(2)套用定额C14—1265,计量单位:米³.自熄性聚苯乙烯泡沫塑料板为未计价主材,定额含量1.200米³,假定800元∕米³,则主材单位价值(元)=1.200×800=960(元∕米³)主材价值(元)=960×0.44元=422.4元【例22】某通风空调工程,有100米直径为600米米的薄钢板圆形风管(δ=2米米焊接),安装高度为6.5米.该风管要求内外表面刷带锈底漆一遍,请计算该项工程应计取多少超高增加费?【解】计算过程如下:(1)计算工程量πDL=3.14×0.6×100㎡=188.4㎡=18.84(10㎡)(2)套定额.查定额C9—96风管制作安装基价为1111.33元,其中人工费为539.89元,材料费304.51元,机械费266.93元;风管刷油安装基价为19.40元,其中人工费为11.00元,材料费8.40元,机械费为0元(定额编号C14—55).(3)计算超高增加费.超高增加费=制作安装人工费×15%+刷油人工费+刷油机械费)×30%=(18.84×539.89×15%+18.84×11.00×1.1×30%)元=1594.12元式中,系数1.1是风管内外表面刷油的系数.【例24】×办公楼空调风管路工程施工图工程量计算.㈠工程概况⑴本例题为×市区×办公楼(部分房间)空调风管路工程预算,空调风管路平面图见图9-6.⑵本工程风管采用镀锌铁皮,咬口连接.其中:矩形风管200米米×120米米,镀锌铁皮δ=0.50米米.矩形风管320米米×250米米,镀锌铁皮δ=0.75米米.矩形风管630米米×250米米、1000米米×200米米、1000米米×250米米,镀锌铁皮δ=1.00米米.⑶图中密闭对开多叶调节阀、风量调节阀、铝合金百叶送风口、铝合金百叶回风口、阻抗复合消声器均按成品考虑.⑷风机盘管采用卧式暗装(吊顶式),主风管(1000米米×250米米)上均设温度测定孔和风量测定孔各1个.表9-20 工程量计算书【例25】×办公楼空调水管路施工图工程量计算.㈠工程概况⑴本工程空调水管路平面图和大样图分别见图9-7、图9-8..空调水管路系统图见图9-9,风机盘管水管路安装图可见图9-10.图中标高以米计,其余以米米计.空调供水、回水及凝结水管均采用镀锌钢管,丝扣连接.⑵阀门采用铜球阀.穿墙均加一般钢套管.进出风机盘管供、回水支管均装金属软管(丝接)各一个,凝结水管与风机盘管连接需装橡胶软管(丝接)一个.⑶管道安装完毕后要求试压,空调系统试验压力为1.3米Pa,凝结水管做灌水试验.图9-8 办公楼部分房间空调水管路平面图图9-9 办公楼部分房间空调水管路系统图图9-10 风机盘管水管路安装图示1-风机盘管;2-金属软管;3-橡胶软管;4-过滤器;5-丝扣铜球阀;6-铸钢法兰蝶阀;7-法兰闸阀表9-22 工程量计算书工程名称:×办公楼部分房间空调水管路。
F.1 分部分项工程和单价措施项目清单与计价表
工程名称:通风空调工程 标段:第1页 共4页
注:1.本表工程量清单项目综合的消耗量标准与综合单价分析表(附F表2)综合的内容应相同;2.此表用于竣工结算时无暂估价栏;3.最后一页应按规定计取其他材料费。
F.1 分部分项工程和单价措施项目清单与计价表
工程名称:通风空调工程 标段:第2页 共4页
注:1.本表工程量清单项目综合的消耗量标准与综合单价分析表(附F表2)综合的内容应相同;2.此表用于竣工结算时无暂估价栏;3.最后一页应按规定计取其他材料费。
F.1 分部分项工程和单价措施项目清单与计价表
工程名称:通风空调工程 标段:第3页 共4页
注:1.本表工程量清单项目综合的消耗量标准与综合单价分析表(附F表2)综合的内容应相同;2.此表用于竣工结算时无暂估价栏;3.最后一页应按规定计取其他材料费。
F.1 分部分项工程和单价措施项目清单与计价表
工程名称:通风空调工程 标段:第4页 共4页
注:1.本表工程量清单项目综合的消耗量标准与综合单价分析表(附F表2)综合的内容应相同;2.此表用于竣工结算时无暂估价栏;3.最后一页应按规定计取其他材料费。
空调工程量清单摘要本文详细介绍了空调工程量清单的内容及编写方法。
空调工程量清单是指对空调工程所需材料、设备及人工费用进行详细列举和计算的清单。
本文从清单编写的基本原则、分类、材料选用及费用计算等方面进行了阐述,旨在帮助读者更好地理解和应用空调工程量清单。
1. 空调工程量清单的基本原则1.1 准确性原则空调工程量清单的编写必须准确无误,对于材料、设备的名称、规格、数量等需要进行仔细核对和计算,确保清单的准确性。
1.2 完整性原则清单应包含空调工程所有的材料、设备及人工费用,不得有遗漏,以保证工程量清单的完整性。
1.3 结构化原则清单应按照一定的结构进行编写,使得清单的内容清晰易读,并便于阅读者查找和理解。
2. 空调工程量清单的分类2.1 材料清单材料清单是指对空调工程所需的各种材料进行列举,包括空调主机、室内机、管道、阀门、支架等。
在编写材料清单时,需要注明材料的名称、规格、数量、单位和单价等详细信息。
2.2 设备清单设备清单是指对空调工程所需的各种设备进行列举,包括冷凝器、蒸发器、压缩机、风机等。
在编写设备清单时,需要注明设备的名称、型号、数量、单位和单价等详细信息。
2.3 人工费清单人工费清单是指对空调工程所需的人工费用进行列举,包括安装、调试、维护等方面的人工费用。
在编写人工费清单时,需要详细列出各项人工费用及其计算方法。
3. 空调工程量清单的材料选用在编写空调工程量清单时,需要根据项目要求和实际情况进行材料的选用。
3.1 材料的质量和性能选用的材料必须符合国家和行业相关标准,具有良好的质量和性能,以保证空调工程的安全和可靠性。
3.2 材料的价格材料的价格是影响清单编写的重要因素之一,应根据预算和实际情况选择合适的材料,避免过高或过低造成资源浪费或工程质量问题。
3.3 材料的供应商选择选择可靠的材料供应商是保证材料质量和供货能力的关键,应根据供应商的信誉和实力进行选择。
4. 空调工程量清单的费用计算空调工程量清单的费用计算是保证清单准确性和完整性的重要步骤。
第三章工程报价说明一、报价范围1.本标段的通风空调工程深化设计及指导其他各专业系统分包的施工、验收,以及土建配合预留预埋。
2.除招标人供应的材料、设备外的本通风空调工程的供货、安装,整个通风空调系统的调试、开通、竣工验收、培训和维修等一切工作内容。
3.对本标段通风空调工程进行全面的质量及进度控制和现场管理协调。
4.本标段通风空调工程质量缺陷质量保修期内的免费保养及免费质量保修。
5.与总承包商已施工部分的衔接或整改,根据现场情况自行完善有关系统,以保证整个系统的完整性。
6.本次报价不包括招标人供应材料设备清单内所指明由招标人供应的材料、设备的采购。
二、报价要求1、本工程划分为两个标段,投标方两个标段均需分别报价,根据开标情况,招标方将合同分别授予两家投标人,一家单位只能中标一个标段,请投标方在报价时综合考虑。
2、投标人在报价时,应按两个标段分别报价。
(若划分标段)3、各投标人在投标时必须在投标文件中提供一份完整的工程报价书(必须配备电子文档);仅有投标总价无完整的工程量清单报价书者评标时按无效投标处理。
4、投标报价应将该工程所需的措施费用各项内容、费用项系列出,仅有总价无详细内容者评标时一律按无效投标处理。
5、招标人不接受任何有选择的报价,对同一工程只允许有一个报价。
但招标人可以参考投标人的多方案建议报价。
6、经过招标人询标,本着公平、公正原则,若在没有招标人修改相关技术文件及资料的情况下投标人修改的最终报价和最初报价差异过大,招标人可能不接受投标人的投标。
四、报价方式及其他说明1.计量计价依据:本招标工程采用工程量清单计价方式,数量由招标人暂定。
1)所有的调试费用均包含在措施费中。
2)业主供应的材料设备不进入此次报价,但业主供应的设备的采购保管费用应包含在相应清单报价中。
3)清单中辅材费应包含主材损耗,供应价中不包括主材损耗。
4)工程量计算规则执行《建设工程工程量清单计价规范》GB50500-2013的规定,其中《建设工程工程量清单计价规范》(GB50500-2013)和相关配套工程量计算规范(GB50854-GB50862)与本合同规定相冲突之处,需以本合同规定为准。
序号项目编码项目名称计量单位工程量说明单价人工费单价材料费单价1空调风系统0000台1项目特征:1.组合式送风机箱SYJ-L1-HVA-AHU-012.落地安装LxW000203090100400组合式送风机 SYJ-L1-HVA-AHU-01000台1项目特征:1.组合式新风机箱SYJ-L1-HVA-AHU-022.落地安装LxW 303090100400组合式新风机 SYJ-L1-HVA-AHU-02000403090100400组合式新风机 SYJ-L1-HVA-AHU-03台1项目特征:1.组合式新风机箱SYJ-L1-HVA-AHU-032.落地安装LxW台1项目特征:1.组合式送风机箱SYJ-L1-HVA-AHU-042.落地安装LxW000503090100400组合式送风机 SYJ-L1-HVA-AHU-04000台1项目特征:1.组合式新风机箱SYJ-L1-HVA-AHU-052.落地安装LxW 603090100400组合式新风机 SYJ-L1-HVA-AHU-05台2项目特征:1.组合式新风机箱SYJ-L1-HVA-AHU-06/072.落地安装L000703090100400组合式新风机 SYJ-L1-HVA-AHU-06/07台1项目特征:1.高压微雾加湿器SYJ-L1-HVA-JSQ-012.落地安装3.详000803090100400高压微雾加湿 SYJ-L1-HVA-JSQ-01000台2项目特征:1.流量1000m3/h,静压200Pa,功率0.55kw2.详见图纸903090100200管道式轴流排 SYJ-L1-VEN-EF-08/09台1项目特征:1.流量800m3/h,静压200Pa,功率0.55kw2.详见图纸做0001003090100200管道式轴流排 SYJ-L1-VEN-EF-10000台2项目特征:1.流量600m3/h,静压200Pa,功率0.55kw2.详见图纸做1103090100200管道式轴流排 SYJ-L1-VEN-EF-11/12000台1项目特征:1.流量4426m3/h,静压272Pa,功率1.5kw2.详见图纸做1203090100200管道式轴流送 SYJ-L1-HVA-SF-01000台20项目特征:1.流量1000m3/h,静压150Pa,功率0.15kw2.详见图纸1303090100200边墙式送、排 SYJ-L1-VEN-EF-07a~t台4项目特征:1.流量1200m3/h,功率0.6kw2.详见图纸做法,满足招标0001403090100100热水型空气幕 SYJ-L1-HVA-WHF-01~04台4项目特征:1.流量1500m3/h,功率0.7kw2.详见图纸做法,满足招标0001503090100100热水型空气幕 SYJ-L1-HVA-WHF-05~08000台7项目特征:1.名义面积:40m2,冷库温度:5°C,吊顶内安装2.详1603090100200高温型冷风机SYJ-L1-HVA-KFD-01~07台3项目特征:1.吊顶安装,制冷量:12kw;制热量:10kw,风量:200001703090100400卧式暗装吊顶 SYJ-L1-HVA-AHU-08~10000台2项目特征:1.吊顶安装,制冷量:10kw;制热量:8kw,风量:100 1803090100400卧式暗装吊顶 SYJ-L1-HVA-AHU-11~12000台1项目特征:1.风量:270m3/h出口静压:30Pa,冷量:2KW7/12°C 1903090100500卧式暗装风机02000台1项目特征:1.风量:640m3/h出口静压:30Pa,冷量:3.8KW进出2003090100500卧式暗装风机06000台18项目特征:1.风量:770m3/h出口静压:30Pa,冷量:4.6KW进出2103090100500卧式暗装风机08个7项目特征:1.进风静压箱(LXWXH):500*500*5002.详见图纸做0002203090300700进风静压箱(LXWXH)000个2项目特征:1.微穿孔板消声器L=1000mm320*2002.详见图纸做法,2303090300700微穿孔板消声 L=1000mm 320*200个3项目特征:1.微穿孔板消声器L=1000mm400*2002.详见图纸做法,0002403090300700微穿孔板消声 L=1000mm 400*200000个1项目特征:1.微穿孔板消声器L=1000mm200*2002.详见图纸做法,2503090300700微穿孔板消声 L=1000mm 200*200000台6项目特征:1.风机过滤单元FFU1200*1200,标准风量:2000m3/h 2603090100200风机过滤单元FFU 1200*1200000个13项目特征:1.高效过滤送风口G1(H14,带调节阀配静压箱、扩散2703090300700高效过滤送风G1(H14,带调节阀配静压箱、扩散板)000个12项目特征:1.高效过滤送风口G2(H14,带调节阀配静压箱、扩散2803090300700高效过滤送风G2(H14,带调节阀配静压箱、扩散板)个1项目特征:1.铝合金(喷塑)外墙防雨百叶800*3202.详见图纸做法0002903090300700铝合金(喷塑800*320000个5项目特征:1.外墙防雨百叶320*2002.详见图纸做法,满足招标文件3003090300700外墙防雨百叶320*200个6项目特征:1.方型铝合金散流器送风口550*550(带调节阀)2.详见0003103090300700方型铝合金散550*550(带调节阀)000个37项目特征:1.方型铝合金散流器送风口400*400(带调节阀)2.详见3203090300701方型铝合金散400*400(带调节阀)000个6项目特征:1.方型单层百叶回风口550*550(带调节阀)2.详见图纸3303090300701方型单层百叶550*550(带调节阀)000个19项目特征:1.方型单层百叶回风口400*400(带调节阀)2.详见图纸3403090300701方型单层百叶400*400(带调节阀)000个12项目特征:1.方型单层百叶回风口300*3002.详见图纸做法,满足招3503090300701方型单层百叶300*300个12项目特征:1.可拆式单层固定百叶风口300*3002.详见图纸做法,满0003603090300701可拆式单层固 300*300000个13项目特征:1.可拆式单层固定百叶风口400*4002.详见图纸做法,满3703090300701可拆式单层固 400*400个2项目特征:1.方形单层百叶排风口400*400带调节阀2.详见图纸做法0003803090300701方形单层百叶400*400带调节阀000个12项目特征:1.150*200对开调节阀2.详见图纸做法,满足招标文件及3903090300100150*200对开调节阀000个24项目特征:1.200*200对开调节阀2.详见图纸做法,满足招标文件及4003090300100200*200对开调节阀000个1项目特征:1.320*200对开调节阀2.详见图纸做法,满足招标文件及4103090300100320*200对开调节阀000 4203090300100400*200对开调节阀个5项目特征:1.400*200对开调节阀2.详见图纸做法,满足招标文件及个2项目特征:1.500*200对开调节阀2.详见图纸做法,满足招标文件及000 4303090300100500*200对开调节阀000个1项目特征:1.500*320对开调节阀2.详见图纸做法,满足招标文件及4403090300100500*320对开调节阀个1项目特征:1.500*400对开调节阀2.详见图纸做法,满足招标文件及000 4503090300100500*400对开调节阀000个2项目特征:1.630*200对开调节阀2.详见图纸做法,满足招标文件及4603090300100630*200对开调节阀000个1项目特征:1.630*320对开调节阀2.详见图纸做法,满足招标文件及4703090300100630*320对开调节阀000个2项目特征:1.800*320对开调节阀2.详见图纸做法,满足招标文件及4803090300101800*320对开调节阀000 4903090300101800*400对开调节阀个1项目特征:1.800*400对开调节阀2.详见图纸做法,满足招标文件及个1项目特征:1.1250*200对开调节阀2.详见图纸做法,满足招标文件000 50030903001011250*200对开调节阀000个1项目特征:1.调节型电动风阀500*4002.详见图纸做法,满足招标文5103090300101调节型电动风500*400个10项目特征:1.电动风阀(关断型)800*3202.详见图纸做法,满足招0005203090300101电动风阀(关800*320000个1项目特征:1.70℃防火阀630*4002.详见图纸做法,满足招标文件及530309030010170℃防火阀630*4000005403090200100镀锌薄钢板矩(δ=1.2内咬口,周长800mm以内)m2215.6项目特征:1.镀锌薄钢板矩形风管(δ=1.2内咬口,周长800mm以内)20005503090200100镀锌薄钢板矩(δ=1.2内咬口,周长2000mm以内)m2410.7项目特征:1.镀锌薄钢板矩形风管(δ=1.2内咬口,周长2000mm以内5603090200100镀锌薄钢板矩(δ=1.2内咬口,周长4000mm以内)000m2214.6项目特征:1.镀锌薄钢板矩形风管(δ=1.2内咬口,周长4000mm以内000m 2.4项目特征:1.金属柔性保温风管150*2002.详见图纸做法,满足招标5703090200800柔性保温风管150*200000m1项目特征:1.金属柔性保温风管200*2002.详见图纸做法,满足招标5803090200800柔性保温风管200*2000005903090200800柔性保温风管630*200m0.2项目特征:1.金属柔性保温风管630*2002.详见图纸做法,满足招标m0.2项目特征:1.金属柔性保温风管1250*2002.详见图纸做法,满足招0006003090200800柔性保温风管1250*2000006103090200100帆布软连接 m213.5项目特征:1.帆布软连接2.详见图纸做法,满足招标文件及相关规范62空调水系统00000006303080100200焊接钢管 DN20m81项目特征:1.焊接钢管DN20螺纹连接2.详见图纸做法,满足招标文m65项目特征:1.焊接钢管DN25螺纹连接2.详见图纸做法,满足招标文0006403080100200焊接钢管 DN25000m152项目特征:1.焊接钢管DN40螺纹连接2.详见图纸做法,满足招标文6503080100200焊接钢管 DN40000m75.2项目特征:1.无缝钢管DN50焊接2.详见图纸做法,满足招标文件及6603080100200无缝钢管 DN50m115.4项目特征:1.无缝钢管DN65焊接2.详见图纸做法,满足招标文件及0006703080100200无缝钢管 DN65000m123.6项目特征:1.无缝钢管DN80焊接2.详见图纸做法,满足招标文件及6803080100200无缝钢管 DN80000m142.1项目特征:1.无缝钢管DN100焊接2.详见图纸做法,满足招标文件6903080100200无缝钢管 DN100000m48项目特征:1.热镀锌钢管DN20螺纹连接2.详见图纸做法,满足招标7003080100100热镀锌钢管 DN200007103080100100热镀锌钢管 DN32m103.5项目特征:1.热镀锌钢管DN32螺纹连接2.详见图纸做法,满足招标0007203080080100空调冷媒用铜批1项目特征:1.空调冷媒用铜管焊接2.详见图纸做法,满足招标文件及0007303020800100电伴热 m55项目特征:1.电伴热电缆2.详见图纸做法,满足招标文件及相关规范0007403080300100截止阀 DN20个40项目特征:1.截止阀DN202.详见图纸做法,满足招标文件及相关规0007503080300100截止阀 DN40个44项目特征:1.截止阀DN402.详见图纸做法,满足招标文件及相关规000个6项目特征:1.手柄对夹式蝶阀DN502.详见图纸做法,满足招标文件7603080300300手柄对夹式蝶 DN500007703080300300手柄对夹式蝶 DN80个6项目特征:1.手柄对夹式蝶阀DN802.详见图纸做法,满足招标文件个7项目特征:1.手柄对夹式蝶阀DN1002.详见图纸做法,满足招标文0007803080300300手柄对夹式蝶 DN100000个20项目特征:1.电动两通阀(调节型)DN202.详见图纸做法,满足招7903080300100电动两通阀(DN20000个12项目特征:1.电动两通阀(调节型)DN402.详见图纸做法,满足招8003080300100电动两通阀(DN40个1项目特征:1.电动两通阀(调节型)DN502.详见图纸做法,满足招0008103080300300电动两通阀(DN50000个2项目特征:1.电动两通阀(调节型)DN802.详见图纸做法,满足招8203080300300电动两通阀(DN80个1项目特征:1.电动两通阀(调节型)DN1002.详见图纸做法,满足0008303080300300电动两通阀(DN1000008403080300300平衡阀DN80个1项目特征:1.平衡阀DN802.详见图纸做法,满足招标文件及相关规0008503080300300止回阀 DN100个2项目特征:1.止回阀DN1002.详见图纸做法,满足招标文件及相关000个20项目特征:1.Y型过滤器DN202.详见图纸做法,满足招标文件及相8603080300100Y型过滤器 DN200008703080300100Y型过滤器 DN40个12项目特征:1.Y型过滤器DN402.详见图纸做法,满足招标文件及相个1项目特征:1.Y型过滤器DN502.详见图纸做法,满足招标文件及相0008803080300300Y型过滤器 DN500008903080300301Y型过滤器 DN80个2项目特征:1.Y型过滤器DN802.详见图纸做法,满足招标文件及相0009003080300500自动排气阀个6项目特征:1.自动排气阀2.详见图纸做法,满足招标文件及相关规范个60项目特征:1.不锈钢软接头DN202.详见图纸做法,满足招标文件及0009103080330200不锈钢软接头 DN20000个16项目特征:1.不锈钢软接头DN402.详见图纸做法,满足招标文件及9203080330200不锈钢软接头 DN40根2项目特征:1.金属软管DN1002.详见图纸做法,满足招标文件及相0009303080130200金属软管 DN1000009403100100200压力表台4项目特征:1.压力表2.详见图纸做法,满足招标文件及相关规范要求0009503100100100温度计支4项目特征:1.温度计2.详见图纸做法,满足招标文件及相关规范要求0009603080200100管道支架制作 kg331项目特征:1.管道支架2.详见图纸做法,满足招标文件及相关规范要000台2项目特征:1.风冷冷(热)水机组,制冷量80kW,制热量85kW,9703011300100风冷冷(热) SYJ-L1-HVA-OVAC-01a/b000台2项目特征:1.冷(热)水循环泵2.额定扬程20m,额定流量25m3/h 9803010900100冷(热)水循 SYJ-L1-HVA-CWP-01a/b000台1项目特征:1.定压补水箱SYJ-L1-HVA-BSX-012.有效容积1m3,长9903070101000定压补水箱 SYJ-L1-HVA-BSX-0100010003070101000软化水装置 SYJ-L1-HVA-RHS-01台1项目特征:1.软化水装置SYJ-L1-HVA-RHS-012.软化水量1m3/h3. 101排风、排烟系000000010203090100200管道式轴流排 SYJ-L1-VEN-SMX-01台1项目特征:1.管道式轴流排烟风机SYJ-L1-VEN-SMX-01,流量160台1项目特征:1.管道式轴流排烟风机SYJ-L1-VEN-SMX-02,流量10900010303090100200管道式轴流排 SYJ-L1-VEN-SMX-02000台1项目特征:1.管道式轴流排烟风机SYJ-L1-VEN-SMX-03,流量804 10403090100201管道式轴流排 SYJ-L1-VEN-SMX-03000台1项目特征:1.管道式轴流排烟风机SYJ-L1-VEN-SMX-04,流量804 10503090100201管道式轴流排 SYJ-L1-VEN-SMX-04台1项目特征:1.管道式轴流排烟风机SYJ-L1-VEN-SMX-01,流量98200010603090100201管道式轴流排 SYJ-L1-VEN-SMX-05000台1项目特征:1.管道式轴流排烟风机SYJ-L1-VEN-SMX-06,流量216 10703090100201管道式轴流排 SYJ-L1-VEN-SMX-06台1项目特征:1.管道式轴流排风机SYJ-L1-VEN-EF-01,流量4141m300010803090100201管道式轴流排 SYJ-L1-VEN-EF-01000台1项目特征:1.管道式轴流排风机SYJ-L1-VEN-EF-02,流量2167m3 10903090100201管道式轴流排 SYJ-L1-VEN-EF-0200011003090100201管道式轴流排 SYJ-L1-VEN-EF-03台1项目特征:1.管道式轴流排风机SYJ-L1-VEN-EF-03,流量2167m300011103090100201管道式轴流排 SYJ-L1-VEN-EF-04台1项目特征:1.管道式轴流排风机SYJ-L1-VEN-EF-04,流量1649m311203090100201吸顶式排气扇 SYJ-L1-VEN-EF-05000台1项目特征:1.吸顶式排气扇SYJ-L1-VEN-EF-05,流量400m3/h,静000台1项目特征:1.吸顶式排气扇SYJ-L1-VEN-EF-05,流量400m3/h,静11303090100201吸顶式排气扇 SYJ-L1-VEN-EF-06000m2 2.9项目特征:1.镀锌薄钢板矩形风管(δ=1.2内咬口,周长800mm以内)2 11403090200100镀锌薄钢板矩(δ=1.2内咬口,周长800mm以内)00011503090200100镀锌薄钢板矩(δ=1.2内咬口,周长2000mm以内)m2142.6项目特征:1.镀锌薄钢板矩形风管(δ=1.2内咬口,周长2000mm以内m2310.6项目特征:1.镀锌薄钢板矩形风管(δ=1.2内咬口,周长4000mm以内00011603090200100镀锌薄钢板矩(δ=1.2内咬口,周长4000mm以内)000m213.9项目特征:1.镀锌薄钢板圆形风管(δ=1.2mm内咬口,直径500mm以11703090200100镀锌薄钢板圆(δ=1.2mm内咬口,直径500mm以内)000m218.6项目特征:1.镀锌薄钢板圆形风管(δ=1.2mm内咬口,直径1120mm以11803090200100镀锌薄钢板圆(δ=1.2mm内咬口,直径1120mm以内)个2项目特征:1.外墙防雨百叶(配镀锌防虫网)200*2002.详见图纸做00011903090300701外墙防雨百叶200*200000个1项目特征:1.外墙防雨百叶(配镀锌防虫网)400*2502.详见图纸做12003090300701外墙防雨百叶400*250个3项目特征:1.外墙防雨百叶(配镀锌防虫网)630*4002.详见图纸做00012103090300701外墙防雨百叶630*400000个5项目特征:1.外墙防雨百叶(配镀锌防虫网)800*4002.详见图纸做12203090300702外墙防雨百叶800*400000个1项目特征:1.电动风阀(比例调节型)400*2502.详见图纸做法,满12303090300101电动风阀(比400*250000个2项目特征:1.电动风阀(比例调节型)630*4002.详见图纸做法,满12403090300101电动风阀(比630*400个4项目特征:1.电动风阀(比例调节型)800*4002.详见图纸做法,满00012503090300101电动风阀(比800*400个1项目特征:1.电动风阀(比例调节型)Φ4002.详见图纸做法,满足00012603090300101电动风阀(比Φ400000个2项目特征:1.280℃防火阀630*3202.详见图纸做法,满足招标文件12703090300102280℃防火阀630*320个4项目特征:1.280℃防火阀800*3202.详见图纸做法,满足招标文件000 12803090300102280℃防火阀800*320000个1项目特征:1.280℃防火阀800*4002.详见图纸做法,满足招标文件12903090300102280℃防火阀800*400000个1项目特征:1.280℃防火阀1000*4002.详见图纸做法,满足招标文件13003090300102280℃防火阀1000*400000个2项目特征:1.280℃防火阀Φ6302.详见图纸做法,满足招标文件及13103090300102280℃防火阀Φ630000个2项目特征:1.70℃防火阀Φ6302.详见图纸做法,满足招标文件及相1320309030010270℃防火阀Φ630000个1项目特征:1.70℃防火阀1000*4002.详见图纸做法,满足招标文件1330309030010270℃防火阀1000*400000个2项目特征:1.200*200止回阀2.详见图纸做法,满足招标文件及相关13403090300102200*200止回阀000个6项目特征:1.板式排烟口630*6302.详见图纸做法,满足招标文件及13503090330200板式排烟口630*63000013603090330200板式排烟口800*800个1项目特征:1.板式排烟口800*8002.详见图纸做法,满足招标文件及000个20项目特征:1.方型单层百叶排风口400*4002.详见图纸做法,满足招13703090300702方型单层百叶400*40000013803090300702方型单层百叶600*600个1项目特征:1.方型单层百叶排风口600*6002.详见图纸做法,满足招000139通风、空调工元0通风、空调工13%计取,其中人工主材费单价设备费单价机械费单价管理费单价规费单价利润单价合价人工费合价材料费合价000000000 000000000 000000000 000000000 000000000 000000000 000000000 000000000 000000000 000000000 000000000 000000000 000000000 000000000 000000000 000000000 000000000 000000000 000000000 000000000 000000000 000000000 000000000 000000000 000000000 000000000 000000000 000000000 000000000 000000000 000000000 000000000 000000000 000000000 000000000 000000000 000000000 000000000 000000000 000000000 000000000 000000000 000000000 000000000 000000000 000000000 000000000 000000000 000000000 000000000 000000000 000000000 000000000 000000000 000000000000000000 000000000 000000000 000000000 000000000 000000000 000000000 000000000 000000000 000000000 000000000 000000000 000000000 000000000 000000000 000000000 000000000 000000000 000000000 000000000 000000000 000000000 000000000 000000000 000000000 000000000 000000000 000000000 000000000 000000000 000000000 000000000 000000000 000000000 000000000 000000000 000000000 000000000 000000000 000000000 000000000 000000000 000000000 000000000 000000000 000000000 000000000 000000000 000000000 000000000 000000000 000000000 000000000 000000000 000000000000000000 000000000 000000000 000000000 000000000 000000000 000000000 000000000 000000000 000000000 000000000 000000000 000000000 000000000 000000000 000000000 000000000 000000000 000000000 000000000 000000000 000000000 000000000 000000000 000000000 000000000 000000000主材费合价设备费合价机械费合价管理费合价规费合价利润合价000000000000000000000000000000000000000000000000000000000000000000000000000000000000000000000000000000000000000000000000000000000000000000000000000000000000000000000000000000000000000000000000000000000000000000000000000000000000000000000000000000000000000000000000000000000000000000000000000000000000000000000000000000000000000000000000 000000 000000 000000 000000 000000 000000 000000 000000 000000 000000 000000 000000 000000 000000 000000 000000 000000 000000 000000 000000 000000 000000 000000 000000 000000 000000 000000 000000 000000 000000 000000 000000 000000 000000 000000 000000 000000 000000 000000 000000 000000 000000 000000 000000 000000 000000 000000 000000 000000 000000 000000 000000 000000 000000000000 000000 000000 000000 000000 000000 000000 000000 000000 000000 000000 000000 000000 000000 000000 000000 000000 000000 000000 000000 000000 000000 000000 000000 000000 000000 000000。
枣庄市十五中综合楼及看台通风空调工程工 程 量 清 单工程招 标 人:工 程 造 价 咨 询 人:(单位盖章)(单位资质专用章)法定代表人 或其授权人:法定代表人 或其授权人:(签字或盖章)(签字或盖章)编 制 人:复 核 人:(造价人员签字盖专用章)(造价工程师签字盖专用章)编 制 时 间:复 核 时 间:工程名称:枣庄市十五中综合楼及看台通风空调工程 标段: 第 2 页 共 17 页序号项目编码项目名称项目特征计量单位工程数量金额(元)综合单价合价其中:暂估价1030801010001铜管1.输送介质:冷媒管2.材质:去磷无缝紫铜管3.规格:Ф38.1/22.24.连接方式:氮气置换焊接5.保温:20mm难燃B1级橡塑保温材料保温6.穿墙套管:钢套管m380.882030801010002铜管1.输送介质:冷媒管2.材质:去磷无缝紫铜管3.规格:Ф31.8/19.14.连接方式:氮气置换焊接5.保温:20mm难燃B1级橡塑保温材料保温6.穿墙套管:钢套管m100.063030801010003铜管1.输送介质:冷媒管2.材质:去磷无缝紫铜管3.规格:Ф28.6/15.94.连接方式:氮气置换焊接5.保温:20mm难燃B1级橡塑保温材料保温6.穿墙套管:钢套管m163.214030801010010铜管1.输送介质:冷媒管2.材质:去磷无缝紫铜管3.规格:Ф28.6/12.74.连接方式:氮气置换焊接5.保温:20mm难燃B1级橡塑保温材料保温6.穿墙套管:钢套管m195.55030801010004铜管1.输送介质:冷媒管2.材质:去磷无缝紫铜管3.规格:Ф22.2/9.54.连接方式:氮气置换焊接5.保温:20mm难燃B1级橡塑保温材料保温6.穿墙套管:钢套管m61.076030801010005铜管1.输送介质:冷媒管2.材质:去磷无缝紫铜管3.规格:Ф19.1/9.54.连接方式:氮气置换焊接5.保温:20mm难燃B1级橡塑保温材料保温6.穿墙套管:钢套管m57.17030801010006铜管1.输送介质:冷媒管2.材质:去磷无缝紫铜管3.规格:Ф15.9/9.54.连接方式:氮气置换焊接5.保温:20mm难燃B1级橡塑保温材料保温6.穿墙套管:钢套管m337.51工程名称:枣庄市十五中综合楼及看台通风空调工程 标段: 第 3 页 共 17 页序号项目编码项目名称项目特征计量单位工程数量金额(元)综合单价合价其中:暂估价8030801010007铜管1.输送介质:冷媒管2.材质:去磷无缝紫铜管3.规格:Ф12.7/6.44.连接方式:氮气置换焊接5.保温:15mm难燃B1级橡塑保温材料保温6.穿墙套管:钢套管m11.159030801005001塑料管(UPVC、PVC、PP-C、PP-R、PE管等)1.输送介质:冷凝水管2.材质:UPVC塑料管3.规格:DN504.连接方式:粘接5.保温:10mm厚难燃B1级福乐斯保温材料m9.510030801005002塑料管(UPVC、PVC、PP-C、PP-R、PE管等)1.输送介质:冷凝水管2.材质:UPVC塑料管3.规格:DN404.连接方式:粘接5.保温:10mm厚难燃B1级福乐斯保温材料m664.3611030801005003塑料管(UPVC、PVC、PP-C、PP-R、PE管等)1.输送介质:冷凝水管2.材质:UPVC塑料管3.规格:DN324.连接方式:粘接5.保温:10mm厚难燃B1级福乐斯保温材料m440.4712030802001001管道支架制作安装1.形式:详见图纸2.材质:Ф8圆钢Kg88013030902001001碳钢通风管道制作安装1.材质:镀锌钢板2.形状、规格:矩形800*4003.板材厚度:0.8mm以内4.接口形式:咬口5.保温:橡塑保温板6.保护层:铝箔m2236.1114030902001002碳钢通风管道制作安装1.材质:镀锌钢板2.形状、规格:矩形500*3203.板材厚度:0.6mm以内4.接口形式:咬口5.保温:橡塑保温板6.保护层:铝箔m276.79本页小计工程名称:枣庄市十五中综合楼及看台通风空调工程 标段: 第 4 页 共 17 页序号项目编码项目名称项目特征计量单位工程数量金额(元)综合单价合价其中:暂估价15030902001003碳钢通风管道制作安装1.材质:镀锌钢板2.形状、规格:矩形450*3203.板材厚度:0.6mm以内4.接口形式:咬口5.保温:橡塑保温板6.保护层:铝箔m229.6916030902001004碳钢通风管道制作安装1.材质:镀锌钢板2.形状、规格:矩形400*3003.板材厚度:0.6mm以内4.接口形式:咬口5.保温:橡塑保温板6.保护层:铝箔m265.9717030902001005碳钢通风管道制作安装1.材质:镀锌钢板2.形状、规格:矩形250*2503.板材厚度:0.5mm以内4.接口形式:咬口5.保温:橡塑保温板6.保护层:铝箔m2357.6518030902001006碳钢通风管道制作安装1.材质:镀锌钢板2.形状、规格:矩形350*2503.板材厚度:0.6mm以内4.接口形式:咬口5.保温:橡塑保温板6.保护层:铝箔m237.2619030902001007碳钢通风管道制作安装1.材质:镀锌钢板2.形状、规格:矩形150*1503.板材厚度:0.5mm以内4.接口形式:咬口5.保温:橡塑保温板6.保护层:铝箔m261.3920030902001008碳钢通风管道制作安装1.材质:镀锌钢板2.形状、规格:矩形250*2003.板材厚度:0.5mm以内4.接口形式:咬口5.保温:橡塑保温板6.保护层:铝箔m2 5.3521030902001009碳钢通风管道制作安装1.材质:镀锌钢板2.形状、规格:矩形200*2003.板材厚度:0.5mm以内4.接口形式:咬口5.保温:橡塑保温板6.保护层:铝箔m2 4.49工程名称:枣庄市十五中综合楼及看台通风空调工程 标段: 第 5 页 共 17 页序号项目编码项目名称项目特征计量单位工程数量金额(元)综合单价合价其中:暂估价22030902001010碳钢通风管道制作安装1.材质:镀锌钢板2.形状、规格:矩形100*1003.板材厚度:0.5mm以内4.接口形式:咬口5.保温:橡塑保温板6.保护层:铝箔m210.8723030902001011碳钢通风管道制作安装1.材质:镀锌钢板2.形状、规格:矩形450*3003.板材厚度:0.6mm以内4.接口形式:咬口5.保温:橡塑保温板6.保护层:铝箔m261.4324030902001012碳钢通风管道制作安装1.材质:镀锌钢板2.形状、规格:矩形350*3003.板材厚度:0.6mm以内4.接口形式:咬口5.保温:橡塑保温板6.保护层:铝箔m276.3625030902001013碳钢通风管道制作安装1.材质:镀锌钢板2.形状、规格:矩形300*2503.板材厚度:0.5mm以内4.接口形式:咬口5.保温:橡塑保温板6.保护层:铝箔m295.7526030902001014碳钢通风管道制作安装1.材质:镀锌钢板2.形状、规格:矩形300*3003.板材厚度:0.5mm以内4.接口形式:咬口5.保温:橡塑保温板6.保护层:铝箔m222.2527030902001015碳钢通风管道制作安装1.材质:镀锌钢板2.形状、规格:矩形1000*5003.板材厚度:0.8mm以内4.接口形式:咬口5.保温:橡塑保温板6.保护层:铝箔m2297.6628030902001016碳钢通风管道制作安装1.材质:镀锌钢板2.形状、规格:矩形630*3203.板材厚度:0.8mm以内4.接口形式:咬口5.保温:橡塑保温板6.保护层:铝箔m264.64工程名称:枣庄市十五中综合楼及看台通风空调工程 标段: 第 6 页 共 17 页序号项目编码项目名称项目特征计量单位工程数量金额(元)综合单价合价其中:暂估价29030902001017碳钢通风管道制作安装1.材质:镀锌钢板2.形状、规格:矩形800*4003.板材厚度:0.8mm以内4.接口形式:咬口5.保温:橡塑保温板6.保护层:铝箔m2 5.2830030903019001柔性接口及伸缩节制作安装1.材质:复合铝箔柔性玻纤软管2.接口方式:柔性接口m256.831030903021001静压箱制作安装1.材质:镀锌钢板2.吸音材料:聚氨酯软泡沫塑料板个1132030903020001消声器制作安装1.类型:矿棉式2.型号、规格:周长 7600mm以内kg(个)2233030903001001碳钢调节阀制作安装1.类型:对开多叶调节阀2.型号或规格:L2400内个8634030903001002碳钢调节阀制作安装1.类型:70°防火阀2.型号或规格:L3600内个2235030903001003碳钢调节阀制作安装1.类型:风管止回阀2.型号或规格:L2400内个1136030903007001碳钢风口、散流器制作安装(百叶窗)1.类型:双层格栅送风口2.型号、规格:L2400内个14237030903007002碳钢风口、散流器制作安装(百叶窗)1.类型:单层格栅回风口(带过滤网)2.型号、规格:L2400内个5038030212001001电气配管1.材质:钢管2.规格:DN15m53039030212003001电气配线1.导线用途、配线形式、部位:室内机有线遥控控制线2.型号、规格:BVR2*2.53.种类(导线、母线):铜芯屏蔽双绞线m54040030904001001通风工程检测、调试1.系统:气密性实验及吹污系统141CB002新风全热交换器1.规格:XFHQ-30DZ/S-A全热交换器台842CB003新风全热交换器1.规格:XFHQ-20DZ/S-B全热交换器台243CB004新风全热交换器1.规格:XFHQ-40DZ/S-A全热交换器台1工程名称:枣庄市十五中综合楼及看台通风空调工程 标段: 第 7 页 共 17 页序号项目编码项目名称项目特征计量单位工程数量金额(元)综合单价合价其中:暂估价44CB005新风全热交换器1.规格:XFHQ-100DZ/S-A全热交换器台145CB006空调室外机1.规格:900W室外空调主机台346CB007室外空调主机1.规格:850W室外空调主机台547CB008室外空调主机1.规格:500W室外空调主机台248CB009室外空调主机1.规格:615W室外空调主机台149CB010室外空调主机1.规格:560W室外空调主机台250CB012风管检查口1.规格:450*450个5351CB013风管式室内机1.规格:D100T2/N1-C台1052CB014风管式室内机1.规格:D71T2/N1-C3台353CB015风管式室内机1.规格:D56T2/N1-C3台854CB016风管式室内机1.规格:D36T2/N1-C3台655CB017风管式室内机1.规格:D45T2/N1-C3台256CB018风管式室内机1.规格:D112T2/N1-C台1157CB019风管式室内机1.规格:D140T2/N1-C台858CB020风管式室内机1.规格:D80T2/N1-C台159CB021风管式室内机1.规格:D125T2/N1-C台160CB022风管式室内机1.规格:D28T2/N1-C台261CB023嵌入式四面出风室内机1.规格:D100Q4/N1-D台1762CB024嵌入式四面出风室内机1.规格:D112Q4/N1-D台2663CB025嵌入式四面出风室内机1.规格:D140Q4/N1-D台464CB026嵌入式四面出风室内机1.规格:D90Q4/N1-D台11本页小计合 计工程名称:枣庄市十五中综合楼及看台通风空调工程措施项目清单计价汇总表标段:第 8 页 共 17 页序号项目名称金额(元)1措施项目清单计价(一 )2措施项目清单计价(二 )合 计工程名称:枣庄市十五中综合楼及看台通风空调工程 标段: 第 9 页 共 17 页序号项目名称计算基础费 率(%)金额(元)备注1夜间施工费2二次搬运费3冬、雨季施工4已完工程及设备保护5脚手架合 计工程名称:枣庄市十五中综合楼及看台通风空调工程 标段: 第 10 页 共 17 页工程名称:枣庄市十五中综合楼及看台通风空调工程其他项目清单与计价汇总表标段:第 11 页 共 17 页序号项目名称计量单位金额(元)备注1暂列金额项详见暂列金额表2暂估价2.1材料暂估价-详见材料暂估价表2.2专业工程暂估价项详见专业工程暂估价表3计日工详见计日工表4总承包服务费详见总承包服务费表合 计—工程名称:枣庄市十五中综合楼及看台通风空调工程暂列金额明细表标段:第 12 页 共 17 页序号项目名称计量单位暂定金额(元)备注1暂列金额项合 计工程名称:枣庄市十五中综合楼及看台通风空调工程材料暂估价一览表标段:第 13 页 共 17 页工程名称:枣庄市十五中综合楼及看台通风空调工程专业工程暂估价表标段:第 14 页 共 17 页工程名称:枣庄市十五中综合楼及看台通风空调工程计 日 工 表标段:第 15 页 共 17 页编号项目名称、型号、规格单位暂定数量综合单价合价一人工人工小计二材料材料小计三机械机械小计总 计工程名称:枣庄市十五中综合楼及看台通风空调工程总承包服务费清单与计价表标段:第 16 页 共 17 页序号项目名称及服务内容项目费用(元)费率(%)金额(元)1专业工程总承包服务费02发包人供应材料总承包服务费合 计工程名称:枣庄市十五中综合楼及看台通风空调工程规费、税金项目清单与计价表标段:第 17 页 共 17 页序号项目名称计算基础费率(%)金额(元)1规费1.1安全文明施工费1.1.1环境保护费分部分项工程费+措施项目费+其他项目费-不取规费_合计1.1.2文明施工费分部分项工程费+措施项目费+其他项目费-不取规费_合计1.1.3临时设施费分部分项工程费+措施项目费+其他项目费-不取规费_合计1.1.4安全施工费分部分项工程费+措施项目费+其他项目费-不取规费_合计1.2工程排污费分部分项工程费+措施项目费+其他项目费-不取规费_合计1.3社会保障费分部分项工程费+措施项目费+其他项目费-不取规费_合计1.4住房公积金分部分项工程费+措施项目费+其他项目费-不取规费_合计1.5危险作业意外伤害保险分部分项工程费+措施项目费+其他项目费-不取规费_合计2税金分部分项工程费+措施项目费+其他项目费+规费-不取税金_合计合 计。
通风空调工程一、概略1.通风工程通风工程包括通风及空调设备装置、各种材质的通风管道的制造装置、管道部件〔阀类、风口、风帽及消声器等〕制造装置项目。
2.适用范围本节适用于采用工程量清单报价的新建、扩建工程中的通风空调工程。
关于通风设备、除尘设备、专供为通风工程配套的各种风机及除尘设备、其他工业用风机〔如热力设备用风机〕及除尘设备应按机械设备装置工程及热力设备装置工程中的相关项目编制工程量清单。
3.清单项目内容清单项目包括通风空调设备装置、通风管道制造装置、通风管道部件制造装置、通风工程检测、试调等。
4.说明〔1〕项目特征项目特征是工程量清单计价的关键依据之一,由于项目的特征不同,其计价的结果也相应发作差异,因此招标单位在编制工程量清单时,应在能够的状况下明白描画该工程量清单项目的特征。
招标人应按招标人提出的特征要求计价。
(2〕工程内容工程量清单的工程内容是完成该工程量清单能够发作的综合工程项目,工程量清单计价时,按图纸、规程、规范等要求,选择编列所需项目。
(3〕工程量计算必需依据工程量计算规那么的要求编制,工程量只列实物量,所谓实物量即是工程完工后的实体量,如绝热工程量只能按设计要求的绝热厚度计算,不能将施工的误差添加量计入绝热工程量。
招标人在招标报价时,可以按本企业技术水平和施工方案的详细状况将绝热的施工误差量计入综合单价内。
添加的量越小越有竞标才干。
l〕特殊状况下,不属于工程实体的工程项目,但在工程量清单计量规那么中列有的清单项目,也要编制工程量清单。
如通风工程检测、调试等项目。
2〕风管法兰、风管加固框、托吊架等的刷油工程量可按风管刷油量乘于适当系数计价。
3〕风管部件油漆工程量按重量计算,可按部件自身重量乘于适当系数计价。
5.招标人依据工程的需求状况选择以下费用,计入综合单价〔1〕高层修建施工添加费;〔2〕在有害身体安康环境中施工添加费;〔3〕工程施工超高添加费;〔4〕沟内、地下室内无自然采光需人工照明的施工添加费。