公司产能分析报告模板
- 格式:docx
- 大小:256.23 KB
- 文档页数:4
公司产能分析报告及规划
编号:
一、主要产品信息
1、预订工作时间标准
2、生产能力计算
3、毛产能核算
4、设备能力评估
a)设备的效率能否满足下一年度的经营计划目标的要求;
b)设备的精度能否满足现有产品和新产品的要求。
c)制定设备运行目标(设备有效利用率、设备故障停机时间)的达成情况(应附数据)
d)如未能满足要求,应制定如下相应的措施:
e)根据上一年度的设备运行目标的达成情况,设备的检查和维护保养项目和频率应如何
调整?(必要时,附具体的设备维护计划)
三、生产瓶颈
四、需求平衡/产能提升策略
五、未来五年规划
编制:审核:批准:。
产能分析报告分析1. 引言本产能分析报告旨在对某公司的产能情况进行分析和评估。
通过对产能数据的收集和分析,将帮助公司了解当前产能水平、瓶颈和潜在改进机会,从而做出相应的决策和调整。
2. 数据收集和整理在进行产能分析之前,首先需要收集相关的数据。
产能相关的数据包括生产线的运行时间、生产批次数量、设备利用率等。
通过与相关部门的沟通和数据收集,我们获取了以下数据:•每月生产批次数量:2019年1月-2020年12月•每月生产线运行时间:2019年1月-2020年12月•每月设备利用率:2019年1月-2020年12月数据整理工作包括去除异常值,对数据进行排序和归档,以便后续的分析和计算。
3. 产能分析方法在进行产能分析时,我们采用了以下方法:3.1 平均产能计算通过对生产批次数量和生产线运行时间进行对应月份的平均计算,得出每月的平均产能。
这将帮助我们了解公司的整体产能水平。
3.2 设备利用率分析设备利用率是衡量设备使用效率的重要指标。
我们对设备利用率数据进行分析,找出设备利用率较低的月份,并与生产批次数量进行比对,以确定是否存在设备资源浪费的情况。
3.3 瓶颈分析通过对各个生产环节的产能数据进行比较,我们可以找出生产过程中的瓶颈环节。
从而找到可能导致产能下降的原因,以便进行改进和优化。
3.4 潜在改进机会通过对产能数据的分析,我们还可以找到公司的潜在改进机会。
例如,发现某月的生产线运行时间较短,可以进一步调查原因,并采取措施来增加生产线的利用率。
4. 产能分析结果经过对数据的分析,得出以下产能分析结果:•平均产能在2019年上半年较为稳定,但在下半年出现了小幅下降。
2020年的平均产能整体较低,与2019年相比下降了10%。
•设备利用率数据显示,2019年10月和2020年3月的设备利用率明显低于其他月份,而且与生产批次数量的变化不成正比。
这可能意味着在这两个月份存在不可预测的设备故障或其他原因导致的资源浪费。
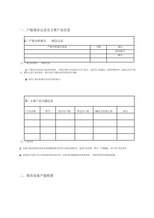
一、产能修改记录及主要产品信息1)产能发生变化时以便及时追踪。
如进行增产以达到完全生产能力,此时生产线通过一系列步骤可以达到完全生产能力,则应记录下这些变化。
填写论证产能时也应同时填写日期。
2)此次产能分析报告均记作初次提交。
1)完成产能分析报告的首先要明确需要分析的产品的详细信息。
包括产品名称、型号、产能概况、客户需求信息等。
2)必要时应完善产品主要零部件供应商信息,以便及时掌握配套商供货情况,平衡零部件供货影响系数。
二、现有设备产能核算1、预订工作时间标准注:1)单班时间:每班总时间-每班的总计可用小时数。
2)班次:表示的是每天每个工艺操作的班次数。
3)作业率:(总工时-无效工时)/总工时。
人员休息-如果在人员休息的时候,机器也停止运转,则输入每班中机器不运转的时间长度。
计划的维修时间-这是计划的每班中机器停机用于维护的时间长度。
4)年出勤时间:年出勤天数-表示的是每年的工艺运作的天数(扣除法定节假日、双休日)5)计算举例:每班8小时、每天2班次、作业率80%年出勤302天,净可用时间=8*2*80%*302=时。
2、代表产品制程/线能力计算1)瓶颈工序、设备产能2)其他注:1)代表产品:所谓代表产品指产品制程包含其他所有产品制造过程包含的所有工艺过程;如存在两种以上产品包含不同工艺过程、需分别取各类型产品代表产品制程并进行线能力分析。
2)评价瓶颈工序应排除可用外协、其他生产线可用设备借代等因素影响。
3)每条生产线选取一种或2种产品作为代表说明制程及瓶颈工序即可,其他产品可直接计算毛产能。
3、毛产能核算产品年度毛产能=代表产品/产品定额系数1)毛产能核算过程没有排除产品合格率、设备故障率、人员负荷等因素对产能的影响,不能作为需求平衡分析的依据,需进一步平衡。
2)其他产品可根据代表产品计算方法计算出出毛产能。
3、有效产能(净产能)有效设备产能核算(OEE 及人员负荷平衡 净产能二毛产能*OEE 人员负荷率产品/生 产线毛产能设备可 用性性能 效率合格率OEE人员配 置 现有人 员 人员负 荷率净产能100%100%100%1)设备生产包括机器检修、保养、待料等时间,实际的工作时间达不到计划工时,且生产的产 品有不良品,因此有效产能必须是以毛产能为基础, 减去因停机和良率以及人员缺口等综合因素 所造成的产能损失。
公司产能分析报告一、产能概述公司产能是指企业在单位时间内生产或提供的产品或服务的能力。
产能是企业核心竞争力的重要体现,直接影响着企业市场地位和盈利能力。
本次报告将对公司产能进行综合分析,并提出优化建议,以提高公司的生产效率和竞争能力。
二、产能分析1.产能定量评估通过对公司过去一年的生产数据进行梳理和分析,得出公司的实际产能为X单位/月,比去年同期增长了Y%。
同时,我们还发现公司产能利用率没有达到预期水平,存在一定的闲置生产能力。
2.产能瓶颈分析针对产能利用率不高的问题,我们进行了产能瓶颈分析。
通过对生产线的调研和数据统计,我们发现公司的主要瓶颈在生产设备和工人素质方面。
生产设备老化、效率低下,严重影响了生产效率;同时,员工技术水平和操作规范不高,导致生产效率低下和品质问题。
三、产能优化建议1.更新生产设备针对生产设备老化和效率低下的问题,我们建议公司进行设备更新升级。
通过引进先进生产设备,提高生产效率和产能利用率。
同时,优化生产流程,缩短产品制造周期,以提高产能和快速满足市场需求。
2.提升员工素质为了解决员工技术水平和操作规范问题,公司应加强员工培训和技能提升。
培训计划可以包括工艺技术培训、操作规范培训和质量控制培训等。
通过提高员工素质,可以有效提高生产效率和品质水平。
3.管理系统优化公司应改进生产管理系统,引入先进的物流管理和信息化技术。
通过优化物料供应链、加强生产计划管理和调度,及时排除生产中的问题,提高生产效率和响应速度。
4.加强品质管理公司应加强品质控制,建立完善的品质管理体系,提高产品质量水平。
通过严格的品质检测和品质反馈机制,及时发现和解决质量问题,减少次品率,提高产品竞争力。
五、产能增长规划1.定期评估产能公司应定期对产能进行评估,及时调整产能策略。
根据市场需求和竞争态势,确定适宜的产能增长幅度和方向,以满足市场需求并保持竞争优势。
2.规划长期产能考虑长期发展和未来市场需求,公司应进行长期产能规划。
产能分析报告表格模板概述本文档旨在为制定产能分析报告提供表格模板,以便用户可以更加方便和高效地进行产能分析。
1. 产能分析指标在进行产能分析之前,首先需要确定合适的产能分析指标。
以下是一些常用的产能分析指标:1.1 产能利用率产能利用率是指实际产能与理论产能之间的比率,用于衡量企业在特定时间段内实现产品或服务的能力。
产能利用率的计算公式如下:产能利用率 = 实际产能 / 理论产能1.2 产能率产能率是指在特定时间段内实际产出的产品或服务数量与理论产能之间的比率。
产能率的计算公式如下:产能率= 实际产出量 / 理论产能1.3 产能缺口产能缺口是指实际产出量与市场需求量之间的差距。
产能缺口可以帮助企业确定是否需要增加产能或调整生产计划。
产能缺口的计算公式如下:产能缺口 = 实际产出量 - 市场需求量2. 表格模板下面是一个使用表格展示产能分析报告的模板。
用户只需要根据实际情况填入相应数据即可。
时间段理论产能实际产能产能利用率实际产出量产能率市场需求量产能缺口2020年1月1000 900 90% 800 80% 1000 -2002020年2月1200 1100 91.7% 1000 83.3% 1200 -2002020年3月1300 1200 92.3% 1100 84.6% 1300 -2002020年4月1500 1400 93.3% 1300 86.7% 1500 -2002020年5月1600 1500 93.8% 1400 87.5% 1600 -200 ……………………3. 使用说明用户只需要按照自己的需求填入表格模板中的数据即可。
具体步骤如下:1.将时间段填写在“时间段”一栏中;2.将相应时间段的理论产能填写在“理论产能”一栏中;3.将相应时间段的实际产能填写在“实际产能”一栏中;4.根据实际情况计算并填写相应时间段的产能利用率、实际产出量、产能率、市场需求量和产能缺口。
4. 结论通过使用本表格模板进行产能分析,用户可以更好地了解企业在特定时间段内的产能状况,并根据产能指标进行相应的调整和决策。
产能分析报告模板一、产能修改记录及主要产品信息A)产能分析报告一一修改记录产能分析报告简述日期备注初次提交修订注:产能分析报告一一修改记录1)产能发生变化时以便及时追踪。
如进行增产以达到完全生产能力,此时生产线通过一系列步骤可以达到完全生产能力,则应记录下这些变化。
填写论证产能时也应同时填写日期。
2)此次产能分析报告均记作初次提交。
B)主要产品关键信息产品名称型号设计年产能查定年产能2012年需求计划备注注:产品信息1)完成产能分析报告的首先要明确需要分析的产品的详细信息。
包括产品名称、型号、产能概况、客户需求信息等。
2)必要时应完善产品主要零部件供应商信息,以便及时掌握配套商供货情况,平衡零部件供货影响系数。
二、现有设备产能核算1、预订工作时间标准A)计划工时计算公式:净可用工时e=a*b*c*d 说明a 单班时间/时8 根据自身工时计划安排填写b 班次/班 2 根据自身工时计划安排填写c 作业率(%)80 根据自身工时计划安排填写d 年出勤天数/天302 根据自身工时计划安排填写e 净可用时间/时注:1)单班时间:每班总时间-每班的总计可用小时数。
2)班次:表示的是每天每个工艺操作的班次数。
3)作业率:(总工时-无效工时)/总工时。
人员休息-如果在人员休息的时候,机器也停止运转,则输入每班中机器不运转的时间长度。
计划的维修时间-这是计划的每班中机器停机用于维护的时间长度。
4)年出勤时间:年出勤天数-表示的是每年的工艺运作的天数(扣除法定节假日、双休日)。
5)计算举例:每班8小时、每天2班次、作业率80%、年出勤302天,净可用时间=8*2*80%*302=3865.6 时。
2、代表产品制程/线能力计算产品年产能=净可用时间(年)/瓶颈工序总加工时间工序名称设备名称设备编号设备台数加工工时min/件辅助工时min/ 件总加工时间日加工能力人员配置备注生产线瓶颈工序设备产能描述:1)瓶颈工序、设备产能2)其他注:1)代表产品:所谓代表产品指产品制程包含其他所有产品制造过程包含的所有工艺过程;如存在两种以上产品包含不同工艺过程、需分别取各类型产品代表产品制程并进行线能力分析。
产能评估分析报告一、背景介绍产能评估分析报告旨在对某企业的产能进行全面评估和分析,为企业的决策提供参考依据。
本报告将通过对企业的生产能力、资源配置、市场需求等方面进行深入研究和分析,揭示企业的产能状况,并提出相应的改进建议。
二、产能概述1. 企业基本信息本报告所评估的企业为某电子产品制造企业,成立于2005年,主要生产电视、手机等消费电子产品。
企业拥有现代化的生产设备和一支专业的研发团队,拥有一定的市场份额和品牌影响力。
2. 产能定义产能是指企业在一定时间内能够生产的产品数量或提供的服务量。
本报告将从产能规模、产能利用率、产能弹性等方面对企业的产能进行评估和分析。
三、产能评估指标1. 产能规模评估通过对企业的生产线数量、设备配置、人员规模等方面进行调查和分析,评估企业的生产能力。
根据调研数据,目前企业拥有5条生产线,每条生产线每天可生产1000台电视或2000部手机。
2. 产能利用率评估产能利用率是指企业实际生产能力与潜在生产能力之间的比值,反映了企业生产资源的利用程度。
通过对企业的生产数据进行统计和分析,评估企业的产能利用率。
根据数据分析,企业的产能利用率为80%,存在一定的提升空间。
3. 产能弹性评估产能弹性是指企业对市场需求变化的适应能力。
通过对企业的市场调研和销售数据进行分析,评估企业的产能弹性。
根据数据分析,企业对市场需求的变化反应较慢,产能弹性较低。
四、产能分析结果1. 产能优势企业在生产设备、技术研发、品牌影响力等方面具有一定的优势,能够满足一定规模的市场需求。
2. 产能短板企业的产能利用率较低,存在一定的生产资源浪费。
产能弹性不足,难以快速适应市场需求变化。
3. 产能改进建议a. 提升产能利用率:优化生产计划,合理安排生产任务,减少生产资源的浪费,提高产能利用率。
b. 提高产能弹性:加强市场调研,及时了解市场需求变化,灵活调整生产计划,提高产能的灵活性和适应能力。
c. 加大技术研发投入:通过技术创新,提高生产效率和产品质量,增强企业的竞争力。
车间产能分析报告模板一、引言本文档旨在为车间产能分析提供一个模板,通过对车间产能的详细分析,全面了解车间的生产情况,为车间管理者提供决策依据和管理指导。
本报告主要分为以下几个部分:产能概述、产能瓶颈分析、产能优化建议。
二、产能概述1. 生产情况概述在本部分,我们将对车间的生产情况进行概述,包括生产量、生产效率等指标。
首先,我们将列出最近一段时间内的总生产量,并与历史数据进行比较,以了解生产趋势。
其次,我们将计算生产效率,包括单台设备的生产能力、生产线的生产效率等。
2. 产能利用率在本部分,我们将对车间的产能利用率进行分析。
我们将计算出车间的总产能以及实际利用的产能,然后将其进行对比,得出产能利用率。
同时,我们还将对产能利用率的波动情况进行分析,找出可能的原因。
3. 产能分布情况在本部分,我们将对不同产品/工序的产能进行分析,了解产能的分布情况。
我们将列出各个产品/工序的产量,并计算其占总产量的比例。
通过分析产能的分布情况,可以有针对性地优化生产流程,提高整体产能。
三、产能瓶颈分析1. 生产流程分析在本部分,我们将对车间的生产流程进行详细分析,找出可能存在的瓶颈环节。
我们将绘制生产流程图,并标注每个工序的耗时和产能。
通过分析生产流程,可以找出生产效率低下、周期长的环节,进而提出优化建议。
2. 设备利用率分析在本部分,我们将对车间的设备利用率进行分析。
我们将分别计算每台设备的利用率,并对各个设备进行排名。
通过分析设备利用率,可以找出设备利用率低下、产能被浪费的设备,提出设备调整或增加的建议。
3. 人员效率分析在本部分,我们将对车间的人员效率进行分析。
我们将计算每个人员的工作时间和生产量,并计算其效率。
通过分析人员效率,可以找出人员效率低下的情况,提出人员培训、调整或增加的建议。
四、产能优化建议在本部分,我们将根据前面的分析结果,提出一些具体的产能优化建议。
这些建议可以包括优化生产流程、调整设备配置、改善人员效率等。
公司产能分析报告及规划一、引言本报告是对公司产能进行分析及规划的报告,旨在分析公司目前的产能水平,明确未来的发展方向,并制定相应的规划以提高公司的产能水平和竞争力。
二、产能分析1.公司目前的产能水平公司目前的产能主要以生产设备、人力资源和生产线等为支撑。
通过对过去一年的生产数据进行分析,发现公司已经接近产能极限,生产线运作时间长,生产效率不高,导致产品交付周期延长,客户满意度下降。
2.产能瓶颈分析通过对公司生产过程的分析,发现以下几个产能瓶颈:-设备老化:部分生产设备已经使用了较长时间,出现故障频繁,影响了生产效率。
-人员不足:公司生产线所需的技术工人及操作人员不足,导致生产线运行效率低。
-原材料供应不稳定:一些原材料供应商供货不稳定,导致生产线停产,影响了公司的产能。
三、产能规划1.提升设备更新率公司计划对老化设备进行更换,引进先进的生产设备来提高生产效率和产能水平。
此外,公司还将加大对设备的维护力度,降低故障发生频率,减少生产线停产时间。
2.人力资源规划公司将加大对技术工人和操作人员的培养力度,提高其技术水平。
同时,公司还将拓宽人才招聘渠道,扩大员工数量,确保生产线的正常运行。
3.供应链优化公司将与原材料供应商建立长期合作伙伴关系,确保原材料的稳定供应。
同时,也将寻找具备稳定供应能力的新供应商作为备选。
此外,公司还将优化供应链流程,减少供应链上的环节和时间成本,提高原材料的到货速度。
4.生产线优化公司计划对生产线进行调整和升级,优化生产工艺,提升生产效率。
通过引进自动化设备和智能化系统,降低生产成本,提高产品质量和产能水平。
5.市场拓展除了提高产能水平,公司还将积极拓展市场,增加销售额。
通过开拓新的销售渠道、推出更多的产品线以及加强市场营销活动,吸引更多客户,提高市场份额。
6.质量管理公司计划加强质量管理,提高产品的质量水平和合格率。
通过建立质量管理体系、加强对生产过程的监控和检验,降低次品率和返工率,提高产品质量和客户满意度。
引言概述本文旨在对公司的产能进行详细分析,并提供相应的解决方案。
产能是指企业在一定时间周期内所能生产的产品或提供的服务数量。
通过对公司产能的分析,可以发现潜在的问题并提出改进或优化的建议,以提高效率和盈利能力。
正文内容一、产能评估1.历史产能分析a.过去几年公司产能的发展趋势b.各生产部门的产能变化及原因分析c.季度或年度产能的波动情况2.现有产能分析a.目前公司的生产线数量和配置b.各生产线的产能规模及利用率c.产能瓶颈分析及原因分析3.潜在产能分析a.对现有生产线的扩展潜力进行评估b.新技术或新工艺的引入对产能的影响c.未来市场需求变化对产能的影响二、产能提升方案1.增加生产线或设备a.根据产能评估结果确定新设备或生产线的需求b.设备或生产线的选型标准和筛选流程c.增加生产线的成本和效益分析2.优化生产流程a.识别并改进产能瓶颈环节b.建立高效的物料管理和生产排程系统c.通过自动化或智能化工艺提升产能3.提高员工技能和培训a.评估员工技能水平和现有培训计划b.制定员工培训计划并进行实施c.定期评估培训效果和员工绩效4.外部合作和资源整合a.寻找合作机会,与供应商或其他企业合作b.利用外部资源,如代工或共享设备c.优化供应链管理,降低生产成本5.风险管理和预防措施a.预测潜在的产能短缺或过剩风险b.制定相应的风险管理和应对措施c.建立监测和反馈机制,及时调整生产计划总结本文通过对公司产能的全面分析,提出了一系列的产能提升方案。
这些方案涵盖了多个层面,包括增加生产设备、优化生产流程、提高员工技能、外部合作和风险管理等。
通过实施这些方案,公司可以提高产能,提升效率,优化资源利用,以实现更好的盈利能力和市场竞争力。
同时,需要注意的是,产能的提升不是一次性的工作,而是一个持续的过程。
随着市场需求的变化和技术的进步,公司需要不断进行产能评估和调整,以保持竞争优势和可持续发展。
因此,建议公司建立健全的产能管理体系,及时监测产能状况,并制定相应的调整策略,以适应市场需求的变化。
第1篇一、报告概述报告时间:2023年1月1日至2023年12月31日报告单位:XX有限公司报告编制人:生产部报告目的:总结2023年度公司产能情况,分析产能利用率,提出产能提升策略,为公司未来的生产计划和战略调整提供依据。
二、产能概况1. 产能总量:截至2023年底,公司总产能达到XX万吨,较上年同期增长XX%。
2. 产品结构:公司主要产品包括A产品、B产品和C产品,其产能分别为XX万吨、XX万吨和XX万吨。
3. 生产线:公司拥有XX条生产线,其中自动化生产线XX条,人工生产线XX条。
三、产能利用率分析1. 整体产能利用率:2023年度公司整体产能利用率为XX%,较上年同期提高XX个百分点。
2. 产品产能利用率:- A产品:产能利用率为XX%,较上年同期提高XX个百分点;- B产品:产能利用率为XX%,较上年同期提高XX个百分点;- C产品:产能利用率为XX%,较上年同期提高XX个百分点。
3. 生产线产能利用率:- 自动化生产线:产能利用率为XX%,较上年同期提高XX个百分点;- 人工生产线:产能利用率为XX%,较上年同期提高XX个百分点。
四、产能提升措施及效果1. 技术改造:- 对XX条生产线进行技术改造,提高了生产效率和产品质量;- 引进先进的生产设备,提升自动化程度,降低人工成本。
2. 人员培训:- 加强对生产人员的技能培训,提高操作熟练度和生产效率;- 实施岗位责任制,确保生产流程的顺畅。
3. 生产计划优化:- 根据市场需求,优化生产计划,合理调配资源,提高生产效率;- 实施精益生产,减少生产过程中的浪费。
4. 效果分析:- 技术改造使生产线产能提高了XX%,产品合格率提高了XX个百分点;- 人员培训使生产人员操作熟练度提高了XX%,生产效率提高了XX%;- 生产计划优化使产能利用率提高了XX个百分点。
五、产能不足原因分析1. 市场需求波动:受市场环境变化影响,部分产品需求波动较大,导致产能无法充分利用。
X X公司产能分析报告(模板)(共5页)-本页仅作为预览文档封面,使用时请删除本页-产能跟踪分析报告一、现有设备产能核算1、预订工作时间标准注:1)单班时间:每班总时间-每班的总计可用小时数。
2)班次:表示的是每天每个工艺操作的班次数。
3)作业率:(总工时-无效工时)/总工时。
人员休息-如果在人员休息的时候,机器也停止运转,则输入每班中机器不运转的时间长度。
计划的维修时间-这是计划的每班中机器停机用于维护的时间长度。
4)年出勤时间:年出勤天数-表示的是每年的工艺运作的天数(扣除法定节假日、双休日)。
5)计算举例:每班8小时、每天2班次、作业率80%、年出勤302天,净可用时间=8*2*80%*302=时。
2、代表产品制程/线能力计算注:1)代表产品:所谓代表产品指产品制程包含其他所有产品制造过程包含的所有工艺过程;如存在两种以上产品包含不同工艺过程、需分别取各类型产品代表产品制程并进行线能力分析。
2)评价瓶颈工序应排除可用外协、其他生产线可用设备借代等因素影响。
3)每条生产线选取一种或2种产品作为代表说明制程及瓶颈工序即可,其他产品可直接计算毛产能。
3、毛产能核算注:1)毛产能核算过程没有排除产品合格率、设备故障率、人员负荷等因素对产能的影响,不能作为需求平衡分析的依据,需进一步平衡。
2)其他产品可根据代表产品计算方法计算出出毛产能。
4、有效产能(净产能)注:1)设备生产包括机器检修、保养、待料等时间,实际的工作时间达不到计划工时,且生产的产品有不良品,因此有效产能必须是以毛产能为基础,减去因停机和良率以及人员缺口等综合因素所造成的产能损失。
2)总体设备利用率计算公式:OEE=设备可用性*性能效率*产品合格率。
根据来自生产验证运转的历史数据来计算总体设备利用率的(OEE)。
性能效率的计算是通过计划的所需周期时间来的。
如果计算单元显示的是100%或者更高,则该单元用红色进行强调。
3)人员负荷率=(现有生产人员/人员配置)*100%反映了以设备为依据的人员配备情况,这一指标在短期内直接对净产能产生影响。
产能评估分析报告一、引言产能评估是企业在制定生产计划和决策扩大产能时的重要工作。
本报告旨在对某企业的产能进行评估和分析,为企业提供决策参考。
二、背景介绍该企业是一家创造业公司,专注于生产电子产品。
随着市场需求的增长,企业计划扩大产能以满足市场需求,并提高竞争力。
三、目标和方法本次产能评估的目标是评估企业在现有设备和资源基础上的潜在产能,以及扩大产能的可行性。
评估方法包括以下几个方面:1. 设备评估:对现有设备的数量、性能、稳定性进行评估,包括设备的工作能力、生产效率、故障率等。
2. 人力资源评估:评估企业现有的人力资源情况,包括员工数量、技能水平、工作效率等。
3. 生产流程评估:对企业的生产流程进行评估,包括原材料采购、生产线布局、工序安排等。
4. 市场需求分析:分析市场对产品的需求趋势,预测未来一段时间内的市场需求量。
四、数据采集与分析1. 设备评估:通过对企业现有设备的调查和统计,得出设备的数量、工作能力、故障率等数据。
结合设备的使用情况和维修记录,对设备的可靠性和稳定性进行评估。
2. 人力资源评估:通过对企业员工的调查和统计,得出员工数量、技能水平、工作效率等数据。
结合员工的绩效评估和培训记录,对员工的能力和潜力进行评估。
3. 生产流程评估:通过对企业生产流程的观察和分析,得出原材料采购周期、生产线布局、工序安排等数据。
结合生产记录和工时统计,对生产流程的效率和优化空间进行评估。
4. 市场需求分析:通过对市场数据的调研和分析,得出市场对产品的需求趋势和预测。
结合竞争对手的情况和市场份额,对市场的潜在需求进行评估。
五、评估结果与分析1. 设备评估结果:根据设备评估数据,企业现有设备的总产能为XX台/小时,平均故障率为X%。
设备的工作能力和稳定性较好,可以满足目前的市场需求。
2. 人力资源评估结果:企业现有员工数量为XXX人,技能水平较高,工作效率较高。
但随着产能的扩大,可能需要进一步增加员工数量和培训提升员工技能。
产能评估分析报告一、引言产能评估是企业制定生产计划和决策的重要依据,通过对企业现有产能的评估分析,可以匡助企业了解自身生产能力的状况,为未来发展提供参考依据。
本报告旨在对某企业的产能进行评估分析,以匡助企业制定合理的生产计划和决策。
二、背景介绍某企业是一家创造业企业,主要生产电子产品。
随着市场需求的增长,企业面临着如何提升产能的问题。
因此,对企业现有产能进行评估分析,对企业的发展具有重要意义。
三、数据采集与分析1. 产能数据采集通过企业内部数据统计和调查问卷的方式采集了以下数据:- 企业生产线数量和设备情况- 企业员工数量和技术水平- 企业生产能力利用率- 企业生产周期和交付周期- 企业原材料供应情况2. 产能数据分析基于采集到的数据,对企业现有产能进行了分析:- 生产线数量和设备情况:企业目前拥有5条生产线,每条生产线配备了先进的生产设备,能够满足当前的生产需求。
- 员工数量和技术水平:企业拥有200名员工,其中30%具有高级技术水平。
员工整体素质较高,能够适应生产工艺的变化。
- 生产能力利用率:企业的生产能力利用率为80%,存在一定的提升空间。
- 生产周期和交付周期:企业的平均生产周期为10天,交付周期为15天。
- 原材料供应情况:企业与多家供应商建立了稳定的合作关系,原材料供应充足。
四、产能评估结果基于数据分析的结果,对企业的产能进行评估:1. 现有产能能够满足当前市场需求,但存在一定的提升空间。
2. 建议提高生产能力利用率,通过优化生产流程和提高设备利用率,实现产能的最大化。
3. 建议缩短生产周期和交付周期,提高交付效率,以满足客户需求。
4. 建议加强与供应商的合作,确保原材料供应的稳定性。
五、产能提升方案1. 优化生产流程:通过改进生产工艺和流程,减少生产环节中的浪费和瓶颈,提高生产效率。
2. 增加生产设备:根据市场需求的增长,适时增加生产设备,以提高产能。
3. 培训员工:加强员工培训,提升员工的技术水平和工作效率。
公司产能分析报告模板 Revised final draft November 26, 2020
X X公司产能分析报告(模板)产能跟踪分析报告
一、现有设备产能核算
1、预订工作时间标准注:
1)单班时间:每班总时间-每班的总计可用小时数。
2)班次:表示的是每天每个工艺操作的班次数。
3)作业率:(总工时-无效工时)/总工时。
人员休息-如果在人员休息的时候,机器也停止运转,则输入每班中机器不运转的时间长度。
计划的维修时间-这是计划的每班中机器停机用于维护的时间长度。
4)年出勤时间:年出勤天数-表示的是每年的工艺运作的天数(扣除法定节假日、双休日)。
5)计算举例:每班8小时、每天2班次、作业率80%、年出勤302天,净可用时间
=8*2*80%*302=3865.6时。
2、代表产品制程/线能力计算
注:
1)代表产品:所谓代表产品指产品制程包含其他所有产品制造过程包含的所有工艺过程;如存在两种以上产品包含不同工艺过程、需分别取各类型产品代表产品制程并进行线能力分析。
2)评价瓶颈工序应排除可用外协、其他生产线可用设备借代等因素影响。
3)每条生产线选取一种或2种产品作为代表说明制程及瓶颈工序即可,其他产品可直接计算毛产能。
3、毛产能核算
注:
1)毛产能核算过程没有排除产品合格率、设备故障率、人员负荷等因素对产能的影响,不能作为需求平衡分析的依据,需进一步平衡。
2)其他产品可根据代表产品计算方法计算出出毛产能。
4、有效产能(净产能)
注:
1)设备生产包括机器检修、保养、待料等时间,实际的工作时间达不到计划工时,且生产的产品有不良品,因此有效产能必须是以毛产能为基础,减去因停机和良率以及人员缺口等综合因素所造成的产能损失。
2)总体设备利用率计算公式:OEE=设备可用性*性能效率*产品合格率。
根据来自生产验证运转的历史数据来计算总体设备利用率的(OEE)。
性能效率的计算是通过计划的所需周期时间来的。
如果计算单元显示的是100%或者更高,则该单元用红色进行强调。
3)人员负荷率=(现有生产人员/人员配置)*100%
反映了以设备为依据的人员配备情况,这一指标在短期内直接对净产能产生影响。
二、产能需求平衡/预警机制
1、产能负荷率计算
注:
1)产能负荷率反映了企业中长期、短期需求计划对目前净产能比值的柔性指标,其作为产能预警的基础数据,对产能提升计划起指导性作用。
2)当负荷率反映3个月以内需求产能状态时,初步方案采取短期产能提升计划;3-6月以上,采取中长期产能提升计划;超过6个月以上,采取长期产能提升计划。
2)预警设置采取红黄蓝三色,具体设置见(三、2)产能预警。
2、产能预警
注:
1)坐标轴纵轴表示产能,横轴为时间进度,两条黑色虚线分别表示长期扩能预警、短期扩能预警,红色实线为需求线(变化情况可参照历史数据)。
2)当需求线在短期扩能预警线以下时显示为蓝色椭圆。
不设预警,不需扩能;当需求线在短期扩能预警线与长期扩能预警线之间时,设置黄色预警,采取短期产能提升计划;当红色需求线超过长期扩能预警线,并长时间处于短期最大可获得差能之上,采取红色预警,并策划中长期扩能计划。
三、需求平衡/产能提升策略
1、约束产能的解决对策
通过设置产能预警线,提前对可能产生约束的时间点提出产能扩充的对策建议,并针对各类扩充对策预留实施提前期。
2、超过短期预警线的解决对策:可以在标准产能的基础上快速扩充,并在1个月内投入使用,内容概括为(括号内为准备周期):
1)人力资源:
A)增加班次,采取两班制或三班制(1小时-1星期)
B)加班,适当延长工作时间(1小时-1星期)
C)内部支援,其他线暂时借调(1小时-1星期)
D)借用外协员工(培训期在1个月内);
2)增大外协量、外包量(增大现有的计划外协比例,1星期-2星期);
3)设备资源:
内部调配或快速购买(<1个月);
机器增加开机的台数、开机时间(<1个月)。
4)场地资源:内部调配(<1个月)等.
3、超过长期产能预警线的解决对策:无法在现有资源基础上扩充达到,需要新增设备、人员,通常这种产能扩充需要一个月或更长的准备周期。
1)人力资源:招聘新员工,准备周期超过1个月;
2)设备资源:需要新申购(>1个月)
3)新增场地、新设生产线(内部调整、新租/建:准备周期在1个月以上)
4)新增车间或厂房(需要论证,总裁签字,准备周期1个月以上)
是否进行长期产能扩充要考虑和需求的匹配:规划期内,如果需求产能超出短期扩充产能达6个月就需要进行长期扩充,小于6个月的通过短期产能扩充来满足;
(注:以上产能提升计划仅供参考,具体方案,各子公司根据自身经营现状编制执行)。