异步电动机实验
- 格式:doc
- 大小:185.00 KB
- 文档页数:13
第三章 异步电机实验一 三相鼠笼异步电动机的工作特性一.实验目的1.掌握三相异步电机的空载、堵转和负载试验的方法。
2.用直接负载法测取三相鼠笼异步电动机的工作特性。
3.测定三相笼型异步电动机的参数。
二.预习要点1.异步电动机的工作特性指哪些特性?2.异步电动机的等效电路有哪些参数?它们的特理意义是什么? 3.工作特性和参数的测定方法。
三.实验项目1.测量定子绕组的冷态电阻。
2.判定定子绕组的首未端。
3.空载试验。
4.短路试验。
5.负载试验。
四.实验设备及仪器1.电机教学实验台主控制屏2.电机导轨及测功机、矩矩转速测量 3.交流功率、功率因数表 4.直流电压、毫安、安培表5.三相可调电阻器900Ω(NMEL-03) 6.波形测试及开关板(NMEL-05B ) 7.三相鼠笼式异步电动机M04A1准备:超过2K 阻值即为冷态直流电阻。
(1)伏安法测量线路如图3-1。
S1,S2:位于NMEL-05B 。
R:四只900Ω和900Ω电阻相串联(NMEL-03)。
A、V:直流毫安表和直流电压表,或采用MEL-06,或在主控制屏上。
量程的选择:测量时,通过的测量电流约为电机额定电流的10%,即为50mA,因而直流毫安表的量程用200mA档。
三相笼型异步电动机定子一相绕组的电阻约为50欧姆,因而当流过的电流为50mA时三端电压约为2.5伏,所以直流电压表量程用20V档,实验开始前,合上开关S1,断开开关S2,调节电阻R至最大(3600Ω)。
分别合上绿色“闭合”按钮开关和220V直流可调电源的船形开关,按下复位按钮,调节直流可调电源及可调电阻R,使试验电机电流不超过电机额定电流的10%,以防止因试验电流过大而引起绕组的温度上升,读取电流值,再接通开关S2读取电压值。
读完后,先打开开关S2,再打开开关S1。
调节R使A表分别为50mA,40mA,30mA测取三次,取其平均值,测量定子三相绕组的电阻值,记录于表3-1中。
异步电动机变频调速实验
一、实验目的
1. 掌握异步电动机变频调速原理;
2. 熟悉SVF 系列变频器的使用方法;
3. 加深理解变频调速机械特性。
二、实验内容
测定闭环变频调速机械特性。
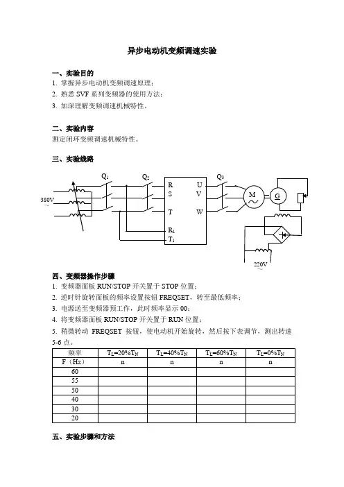
三、实验线路
四、变频器操作步骤
1. 变频器面板RUN/STOP 开关置于STOP 位置;
2. 逆时针旋转面板的频率设置按钮FREQSET ,转至最低频率;
3. 电源送至变频器预工作,此时频率显示00;
4. 将变频器面板RUN/STOP 开关置于RUN 位置;
5. 稍微转动FREQSET 按钮,使电动机开始旋转,然后按下表调节,测出转速5-6点。
五、实验步骤和方法
~
~
1. 电源通过三相变压器输出380伏电压输入至变频器R1和T1端,使变频器内部先工作(即合上开关Q1);
2. 将开关Q2闭合,然后再将开关Q3合上接通异步电动机。
调节变频器频率至表中所要求点;
3. 在相同频率下调节励磁电流,使测功机转矩为给定大小,测出转速,改变转矩(20%,40%,60%,0%)T N,测出不同转速填入表格。
4. 改变频率f=(60,55,50,40,30,20)Hz,重做步骤3;
六、实验报告
1. 画出给定负载时的变频调速曲线;
2. 画出不同频率时电机的机械特性曲线。
七、思考题
1. 频率变化时机械特性硬度如何变化?为什么?
2. 根据机械特性分析低频时电动机的过载能力。
三相异步电动机点动实验报告引言三相异步电动机是工业中常用的电动机类型之一,它具有结构简单、可靠性高、使用范围广等特点,在许多领域都有广泛的应用。
本实验旨在通过对三相异步电动机的点动实验,了解其工作原理和特性。
实验目的1.了解三相异步电动机的工作原理;2.学习三相异步电动机的点动控制方法;3.掌握实验装置的操作和调试。
实验装置与原理本实验使用的装置包括三相异步电动机、交流供电电源、电流表、电压表、按钮开关等。
三相异步电动机的工作原理是通过三个相位的交流电流在定子上产生旋转磁场,进而驱动转子旋转。
实验步骤1.连接实验装置:将三相异步电动机、交流供电电源、电流表、电压表等设备按照实验指导书上的要求进行正确连接。
2.检查电路连接:确保所有电路连接正确无误,检查接线是否牢固。
3.调试电源参数:根据实验要求,设置合适的电源电压和频率。
4.执行点动控制:按下按钮开关,使电动机进行点动运行。
观察电动机的运行状况,并记录相应的电流和电压数值。
5.结束实验:实验结束后,关闭电源并拆除实验装置。
实验结果与分析通过实验观察和数据记录,我们可以得到三相异步电动机的点动运行特性。
根据实验结果,我们可以分析电动机的启动电流、运行稳定性等参数,进一步了解电动机的性能和可靠性。
实验总结通过本次实验,我们深入了解了三相异步电动机的工作原理和性能特点。
同时,我们掌握了电动机的点动控制方法和实验装置的操作。
这对于我们今后在工业领域中应用电动机具有重要的理论和实践意义。
参考资料[1] 电力学院. 电机与拖动实验指导书. 中国电力出版社, 2008.。
单相电容异步电动机负载实验
单相电容异步电动机是一种广泛使用的电动机类型,可以用于许多家庭和工业应用,例如空调、风扇、冰箱、泵等。
为了测试单相电容异步电动机的性能,可以进行负载实验。
下面是单相电容异步电动机负载实验的步骤:
1. 准备工作
首先要确保电动机和负载设备的工作电压和额定电流相同,否则可能会导致电机损坏或无法正常工作。
然后,将电动机连接到电源,并使用电容器使其成为单相电容异步电动机。
2. 测量空载电流
在运行电机之前,先测量其空载电流。
此时,电动机未承受任何负载,因此测量结果将提供电动机未承受任何负载时的基准值。
3. 连接负载设备
将负载设备连接到电动机上,确保负载设备的工作电压和额定电流与电动机相同。
接下来,打开负载设备,并逐渐增加电流直到达到额定电流。
4. 测量负载电流和电压
测量负载电流和电压,并计算电动机的线功率。
5. 计算效率和功率因数
根据测量结果可以计算电动机的运行效率和功率因数。
注意事项:
在进行单相电容异步电动机负载实验时,应注意以下事项:
1. 确保电动机和负载设备的参数匹配,以免电动机损坏或无法正常工作。
2. 在进行实验之前,应对电动机和负载设备进行彻底的安全检查。
3. 在实验过程中应注意安全,以免发生危险。
例如,不要触摸电动机或负载设备时,应戴上手套。
4. 在实验结束后,应清理现场,并将电动机和负载设备归还到适当的位置。
三相异步电动机实训报告范文三相异步电机实验心得体会10篇为期30天的矿机班学生电动机实训结束了,作为从初中毕业升上来的中专的学生,理论知识水平不高,但是,对实践动手有一定的积极性,实验室学习效果很好。
对这段实践做个总结,为以后的实验教学和培训学生参加比赛积累经验。
关键词:电动机实训;实验教学;经验这学期我所教的班级是11矿机的两个班,学生课堂学习积极性不高,但是对上实验课动手操作还是挺有兴趣的。
在实验前我反复讲解学生在实验室需遵守的安全管理规定,第一天上实训又根据实验室设备讲解了一次,根据学生的基础,安排实验内容,从容易到难。
第一个实验是电动机的点动实验,首先讲解了实验报告的写法并在黑板上画出电路图。
刚开始做实验需要仔细讲解电路,左边是主电路,右边是控制电路。
主电路最上面是u,v和w三相交流电,接着是开关、熔断器和接触器的三个主触头,热继电器及三相异步电动机。
控制电路中需讲到fr是继电器的热保护,sb1是控制按钮和km是接触器的线圈。
我们使用的是插线式电动机试验台,所以,学生只需要看清楚电路图后就可以接线了。
一、点动控制的工作过程按下按钮sb1接触器km线圈得电,接触器的主触头闭合,电动机转动。
接线要求学生从主电路开始接起,从上到下一个个元器件接下来,接好主电路后接控制电路,接线思路也是从上到下一个个元器件接下来的。
实验过程需要两个同学一组,在一个同学连接好电路后,另一个仔细检查一下确定正确后方可通电,这样提高了实验的正确性。
在学生实验做成功后开始写实验报告,尤其注意让学生对实验做总结。
在学生理解掌握点动实验后开始做电动机单向自锁运行控制实验。
首先,介绍自锁。
自锁又叫自保,就是通过启动按钮启动后让接触器线圈持续有电,保持接点通路状态。
在这近两个月的电工实习中,我学到了很多东西,也更深刻地认识到实践的重要性。
掌握扎实的理论知识,并能在实践中学以致用是非常重要的。
通过这近两个月的学习,我觉得自己在以下几个方面有收获:一、通过这次实习,我熟悉掌握了几种基本的电工工具的使用。
三相鼠笼式异步电动机的参数测定一、实验目的1.了解三相鼠笼式异步电动机2.测定三相鼠笼式异步电动机的参数二、预习要点1.鼠笼式异步电动机的等效电路有哪些参数?他们的物理意义是什么?2.异步电动机参数的测定方法三、实验项目1.空载实验2.短路实验四、实验线路及操作步骤1.空载试验空载试验时所用的仪器设备有:三相交流电源、电机导轨、功率表、交流电流表、交流电压表。
电机选用三相鼠笼异步电动机D21仪表量程选择为:交流电压表的量程选为300V,交流电流表的量程为0.5A,功率表的量程选为250V、0.5A。
安装电机时,空载实验时电机和测功机脱离,旋紧固定螺丝。
实验前首先把三相电源调至零位,然后接通电源,慢慢的调节三相交流可调电源使电机起动旋转,注意观察电机旋转的方向。
调整电源相序,使电机旋转方向符合测功机加载的要求。
注意:调整相序时,必须切断电源。
仍然将三相电源调至零位,短接电流表及功率表电流线圈。
接通电源,逐渐升高电压,起动电机,保持电动机在额定电压时空载运行数分钟,使机械损耗达到稳定后再进行试验。
去掉电流短接导线。
调节电源电压由1.2倍额定电压开始逐渐降低,直至电机电流或功率显著增大为止。
在这个范围内读取空载电压、空载电流、空载频率,共读取4~5组数据。
=415.9456Ω空载电阻r0=P03I02空载电抗x0=√Z02−r02=1634.0217Ω2.短路实验电路要求在空载实验的基础上,将电机与测功机同轴连接即可。
实验时首先把三相电源调至零位,然后接通电源,慢慢的调节三相交流可调电源使之逐渐升压至1.2倍额定电流,然后逐渐降压至0.3倍额定电流为止。
在这范围内读取短路电压、=109.1253Ω短路电阻r k=P k3I k2短路电抗x k=√Z k2−r k2=437.8361Ω五、思考题1.由空载、短路实验数据求取异步电机的等效电路参数时,有哪些因素会引起误差?答:电动机在正常运行情况下,就是负载转矩在额定转矩以下情况时,电动机总能维持负载转矩与电机输出转矩的平衡,并且保持转速变化很小,但当负载转矩过大,超过额定转矩时,电动机仍然要维持转矩平衡,只有降低转速,继续提高转矩,(如果转矩超过最大负载转矩电机将堵转)转矩的继续提高,必然导致定子电流的升高,从而导致定子绕组发热增加,如果持续大过载,会造成电动机烧毁.2.从短路实验数据我们可以得出那些结论?答:短路、电机阻转情况下,电机的电压和电流是呈线性关系的。
三项异步电机实验报告三项异步电机实验报告引言:在现代工业中,电机是不可或缺的设备之一。
而异步电机作为最常见的电动机之一,广泛应用于各个领域。
本次实验旨在通过三项异步电机的实验,探究其工作原理和性能特点,为电机的应用和优化提供参考。
一、实验一:三相异步电机的基本原理1.1 实验目的通过实验,深入了解三相异步电机的基本原理,包括转子和定子的相互作用、磁场的形成等。
1.2 实验内容搭建三相异步电机实验平台,通过改变电压和频率等条件,观察电机的运行状态和转速变化。
1.3 实验结果与分析通过实验观察,我们发现电机在不同电压和频率条件下有不同的运行状态和转速。
当电压和频率适当时,电机能够达到最佳的运行效果。
二、实验二:三相异步电机的性能测试2.1 实验目的通过实验,测试三相异步电机的性能参数,包括转速、效率、功率因数等。
2.2 实验内容利用实验设备,测量电机的转速、输入功率、输出功率等参数,计算电机的效率和功率因数。
2.3 实验结果与分析通过实验测量和计算,我们得到了电机的转速、效率和功率因数等参数。
通过对比不同条件下的实验结果,我们可以得出电机在不同负载下的性能变化规律。
三、实验三:三相异步电机的控制方法3.1 实验目的通过实验,了解三相异步电机的控制方法,包括变频控制、矢量控制等。
3.2 实验内容利用实验设备,实现对电机的不同控制方法,观察电机的运行状态和性能变化。
3.3 实验结果与分析通过实验观察和数据分析,我们发现不同控制方法对电机的运行状态和性能有着不同的影响。
变频控制可以实现电机的转速调节,而矢量控制可以实现电机的精确控制。
结论:通过本次实验,我们深入了解了三相异步电机的基本原理、性能特点和控制方法。
电机作为现代工业中不可或缺的设备,其性能的优化和控制的精确度对于提高生产效率和降低能源消耗具有重要意义。
希望通过本次实验的学习,能够为电机的应用和优化提供一定的参考和指导。
关于教学中三相异步电动机控制实验的探讨摘要:在我国许多本、专科院校工业电器自动化及同类专业中都开设《电器控制》这门课程及与之对应的各教学实验环节,三相异步电动机控制实验就是其中最重要的一个项目。
由于实际工业应用与教学实验的环境差异、目的差异而造成的教学实验与实际工业应用的脱节就是我们应认真研究解决的问题。
关键词:三相异步电动机线电压相电压星型接法角型接法中图分类号:g642 文献标识码:a 文章编号:1673-9795(2013)05(a)-0137-01有关三相异步电动机的控制实验教学项目一般集中在三相异步电动机的启动与停止控制,三相异步电动机的正、反转控制等环节。
在这些环节中教师与学生关注的是连接变化较多的主令器件(按钮开关)和控制器件(继电器、接触器等)而往往忽略了三相异步电动机本身的连接方式的重要性。
而这很有可能使学生在毕业后的实际工作中犯错误。
这就是本文要讨论的问题。
1 三相异步电动机的绕组与出线端由于三相异步电动机有三个定子绕组,所以它应有六个出线端,这六个出线端一般标注为u1、v1、w1、u2、v2、w2三相绕组由三个彼此独立的绕组组成,且每个绕组又由若干线圈连接而成。
每个绕组即为一相,每个绕组在空间相差120°电角度。
线圈由绝缘铜导线或绝缘铝导线绕制后,再按一定规律嵌入定子铁心槽内。
定子三相绕组的六个出线端都引至接线盒上,首端分别标为u1,v1,w1,末端分别标为u2,v2,w2。
2 三相异步电动机的连接方式三相异步电动机可以接成星形或三角形。
(如图1)u1、v1、w1三个电动机出线端分别连接供电系统的三个相线,它们之间的电压称为线电压,之间的电流称为线电流。
u1与u2、v1与v2、w1与w2之间的电压称为相电压,之间的电流称为相电流。
由上图我们可以看出,星型接法时线电压等于相电压的1.732倍,相电流等于线电流。
角型接法时相电压等于线电压,线电流等于相电流的1.732倍。
三相异步电动机正反转控制电路实验报告示例文章篇一:《三相异步电动机正反转控制电路实验报告》嗨,大家好!今天我要和大家分享一下我们做的三相异步电动机正反转控制电路实验,这可太有趣啦!一、实验目的我们为啥要做这个实验呢?那就是要搞清楚三相异步电动机正反转是怎么控制的呀。
就像我们想要知道一辆汽车怎么向前开又怎么向后倒一样,电动机的正反转在好多地方都特别重要呢。
比如说,工厂里的一些机器,有时候需要正转来加工东西,有时候又得反转来调整或者做其他操作。
要是不搞明白这个控制电路,就像你想让玩具车跑起来,却不知道怎么控制方向一样,那可不行!二、实验器材做这个实验,我们得有好多东西才行。
首先就是三相异步电动机啦,这可是主角呢!它就像一个大力士,只要电路一通,就能呼呼地转起来。
然后还有接触器,这东西可神奇啦,就像是电动机的指挥官。
还有按钮,这就是我们给电动机下命令的小工具,按一下,就像跟电动机说“嘿,你该正转啦”或者“你快反转吧”。
还有熔断器呢,这就像是电动机的小保镖,如果电流太大,它就会“挺身而出”,把电路切断,保护电动机不被烧坏。
这就好比你出门的时候,有个保镖在你身边,要是有危险,保镖就会保护你一样。
三、实验步骤1. 连接电路刚开始连接电路的时候,我可紧张啦。
我和我的小伙伴们小心翼翼的,就像在给一个超级精密的机器人组装零件一样。
我们先把电动机的三根线按照电路图接好,这时候我就在想,要是接错了会不会电动机就“发脾气”不转了呢?然后再把接触器也接上去,那些线就像小辫子一样,得一根一根地梳理好,接到正确的地方。
我们一边接,一边互相提醒,“这个线是不是应该接这儿呀?”“你看,这个接头是不是没拧紧呀?”就像一群小蚂蚁在齐心协力地建造自己的小窝一样。
2. 检查电路接好电路后,可不能马上就通电呀,就像你出门前要检查一下自己的东西有没有带齐一样。
我们得仔仔细细地检查电路,看看有没有线接错了,有没有接头没接好。
这时候我的心跳得可快啦,就怕有什么问题。
三相异步电动机工作特性及参数测定实验三相异步电动机的工作特性主要包括转速-转矩特性、效率特性和功率因数特性。
转速-转矩特性是指电动机在不同负载下的转速和转矩的关系。
通常来说,电动机的转速与其转矩成反比关系,也就是转速越高,转矩越小。
通过测定电动机在不同负载下的转速和转矩,可以绘制出转速-转矩特性曲线,用于电动机的选型和工作状态的评估。
效率特性是指电动机在不同负载下的效率变化情况。
电动机的效率是指输出功率与输入功率之间的比值,通常以百分比表示。
通过测定电动机在不同负载下的输入功率和输出功率,可以计算出电动机的效率,并绘制出效率-负载特性曲线,用于评估电动机的能量利用效率。
功率因数特性是指电动机在不同负载下的功率因数的变化情况。
功率因数是指电动机输入功率与有功功率之比,它描述了电动机输入电网的电力质量。
通常来说,功率因数越高,表示电动机对电网的影响越小。
通过测量电动机在不同负载下的功率因数,可以绘制功率因数-负载特性曲线,用于评估电动机对电网的影响程度。
对于三相异步电动机工作特性及参数测定实验,一般可以按照以下步骤进行:1.实验仪器准备:准备好实验所需的电动机、测功仪、转速传感器、负载电阻等仪器设备,并进行检查和校准。
2.实验电路连接:根据实验要求,连接好电动机、测功仪、转速传感器和负载电阻等设备,确保电路连接正确。
3.实验参数调节:根据实验要求,调节电源电压和频率,使其符合电动机的额定工作参数。
4.实验数据记录:在实验过程中,记录电动机的转速、输入功率、输出功率、转矩、功率因数等相关参数,并按照实验要求进行数据记录和整理。
5.数据处理和分析:根据实验记录的数据,进行数据处理和分析,计算出电动机在不同负载下的转速、转矩、效率和功率因数等参数,并绘制相应的特性曲线。
6.结果与讨论:根据实验结果,进行结果的分析、比较和讨论,验证实验的准确性,并对实验结果进行解释和说明。
总结:通过三相异步电动机工作特性及参数测定实验,可以深入理解电动机的工作原理和性能特点,为电动机的选型和运行维护提供依据。
实验一三相异步电动机启停控制实验
目的:
通过实验掌握三相异步电动机的启停控制方法,加深对三相异步电动机的理解和认识。
仪器设备:
三相异步电动机、交流调速器、控制电路板、开关、电缆等。
实验原理:
三相异步电动机的启动方法有直接启动、自动扭矩启动、降压启动、星角启动等,其中直接启动和星角启动比较常用。
直接启动:将电动机的三个线圈接在三相电源上,通过空气开关将电动机接通电源即可启动。
直接启动方法适用于功率较小、负载较轻的电动机。
星角启动:将电动机的三个线圈接在星角切换器上,先通过星形接法将电动机启动,当电动机加速至大约70%时,切换为
三角接法,以保证电动机有足够的启动转矩。
实验步骤:
1.将三相异步电动机、控制电路板、交流调速器、开关等准备好。
2.将电动机的三个线圈按照星形接法接在星角切换器上。
3.将星角切换器的三个三角连接接在控制电路板上。
4.将交流调速器的输出电缆连接到电动机的电缆上。
5.将开关连接在电源和控制电路板之间,使其能够控制电动机的启停。
6.按照星形接法将电动机启动,当电动机加速至70%左右时,切换为三角接法,电动机将正常运行。
7.通过开关控制电动机的启停,实现对电动机的控制。
注意事项:
1.操作时需要注意安全,禁止用湿手操作。
2.请按照步骤操作,不得倒序或遗漏步骤。
3.操作时,需保证设备间的接线正确、牢固。
4.实验结束后,需切断电源,将设备清理干净,归位。
三相异步电动机实验报告一、实验目的。
本实验旨在通过对三相异步电动机的实验研究,掌握其基本原理和运行特性,加深对电动机工作原理的理解,提高实验操作能力。
二、实验原理。
三相异步电动机是利用三相交流电源产生的旋转磁场与转子导体中感应的感应电动势之间的相互作用,使得转子产生转动的电机。
在三相异步电动机中,定子绕组与电源连接,当三相电源加在定子绕组上时,就在定子绕组中产生一个旋转磁场。
转子绕组中感应出感应电动势,由于感应电动势的作用,转子绕组中产生感应电流,感应电流与磁场相互作用,使得转子产生转动。
三、实验设备和仪器。
本实验使用的设备和仪器包括三相异步电动机、电动机控制柜、电动机运行状态监测仪器等。
四、实验步骤。
1. 将三相异步电动机与电动机控制柜连接,并将电源接通。
2. 调节电动机控制柜的参数,使得电动机达到额定转速。
3. 使用电动机运行状态监测仪器监测电动机的运行状态,记录相关数据。
4. 分析实验数据,得出三相异步电动机的运行特性。
五、实验结果与分析。
通过实验数据的记录和分析,我们得出了三相异步电动机的运行特性。
根据实验结果,我们可以得知电动机的额定转速、额定功率、效率等参数,进一步了解了电动机在不同工况下的运行情况。
六、实验结论。
通过本次实验,我们对三相异步电动机的工作原理和运行特性有了更深入的了解,掌握了电动机的基本操作和监测方法,为今后的相关研究和工作打下了良好的基础。
七、实验心得体会。
通过本次实验,我们不仅学习到了理论知识,更加深了对电动机工作原理的理解,同时也提高了实验操作的能力,这对我们今后的学习和工作都具有重要的意义。
总之,本次实验对我们的专业知识和实际操作能力都起到了积极的促进作用,希望在今后的学习和工作中能够继续努力,不断提高自己的专业水平。
三相异步电动机的正反转控制实验报告实验报告:三相异步电动机的正反转控制
一、实验目的
1.学习三相异步电动机的正反转控制原理;
2.了解三相异步电动机的工作特性及控制要点;
3.掌握三相异步电动机正反转控制的实验方法和步骤。
二、实验原理
实验设备包括三相异步电动机、三相变压器、电动机控制面板和电源等。
三、实验步骤
1.将三相异步电动机连接到电源上,调整电压为额定电压;
2.将三相变压器连接到电源上,并调整相序开关为正序;
3.打开电源,观察电动机的运行方向,确认为正转;
4.关闭电源,并将相序开关调整为反序;
5.再次打开电源,观察电动机的运行方向,确认为反转;
6.关闭电源,将相序开关调整为正序;
7.打开电源,观察电动机的运行方向,确认为正转。
四、实验结果与分析
在实验过程中,我们通过改变电源的相序来控制三相异步电动机的正反转。
当相序为正序时,电动机按照正向旋转;当相序为反序时,电动机按照反向旋转。
五、实验总结
通过本次实验,我们学习了三相异步电动机的正反转控制原理,并掌握了改变电源相序来实现电动机正反转的实验方法。
三相异步电动机的正反转控制在现实生活中具有广泛应用,包括机械传动、工业生产等领域。
掌握了正反转控制的方法,可以实现对电动机运行方向的灵活控制,提高机械系统的工作效率和生产效益。
1.《电机与拖动》,潘晓军著,清华大学出版社;
2.《电气传动与控制技术》,方仕贤主编,机械工业出版社。
一、实验目的1. 了解异步电动机的基本结构和工作原理。
2. 掌握异步电动机的起动方法及其技术指标。
3. 学习异步电动机的调速方法。
4. 通过实验,加深对异步电动机控制系统的理解。
二、实验原理异步电动机是一种广泛应用于工农业生产和日常生活中的电动机,其工作原理是利用电磁感应现象产生旋转力矩。
当三相交流电源接通时,定子绕组产生旋转磁场,转子绕组中的导体切割磁力线,产生感应电动势,从而产生电流,电流与磁场相互作用产生旋转力矩,使转子跟随定子磁场旋转。
三、实验仪器与设备1. 异步电动机2. 三相电源3. 电流表4. 电压表5. 接触器6. 按钮开关7. 万用表8. 导线等四、实验内容1. 异步电动机的起动实验(1)直接起动:将异步电动机的定子绕组直接接入三相电源,观察电动机的起动过程,并记录起动电流和电压。
(2)星形-三角形(Y-)起动:先将异步电动机的定子绕组接成星形,待电动机转速稳定后,再切换为三角形连接,观察电动机的起动过程,并记录起动电流和电压。
2. 异步电动机的调速实验(1)变频调速:通过改变异步电动机电源的频率,实现电动机的调速。
观察电动机在不同频率下的转速变化,并记录相应的电流和电压。
(2)绕线式转子调速:在异步电动机的转子回路中接入调速电阻,通过改变电阻值,实现电动机的调速。
观察电动机在不同电阻值下的转速变化,并记录相应的电流和电压。
五、实验步骤1. 异步电动机的起动实验(1)将异步电动机的定子绕组接入三相电源,观察电动机的起动过程,并记录起动电流和电压。
(2)将异步电动机的定子绕组接成星形,待电动机转速稳定后,再切换为三角形连接,观察电动机的起动过程,并记录起动电流和电压。
2. 异步电动机的调速实验(1)将异步电动机的电源频率调至50Hz,观察电动机的转速,并记录相应的电流和电压。
(2)改变电源频率,观察电动机的转速变化,并记录相应的电流和电压。
(3)将异步电动机的转子回路接入调速电阻,观察电动机的转速变化,并记录相应的电流和电压。
一、实验目的本次实验的主要目的是通过实验,了解异步电动机的基本工作原理、性能特点、起动与调速方法,掌握异步电动机的接线方法、运行控制方式,以及故障分析与排除方法。
通过实验,加深对异步电动机理论知识的学习,提高动手能力和实际操作技能。
二、实验过程1. 异步电动机的接线实验(1)根据实验指导书,按照电路图进行异步电动机的接线,确保接线正确。
(2)检查电动机接线是否牢固,无误后闭合开关,观察电动机的起动与运行情况。
(3)观察电动机起动过程中电流、电压的变化,记录实验数据。
2. 异步电动机的正反转控制实验(1)根据实验指导书,按照电路图进行异步电动机的正反转控制接线。
(2)观察电动机正转和反转过程中电流、电压的变化,记录实验数据。
(3)分析正反转控制电路的原理,总结正反转控制方法。
3. 异步电动机的起动与调速实验(1)根据实验指导书,进行异步电动机的起动与调速实验。
(2)观察电动机起动过程中电流、电压的变化,记录实验数据。
(3)分析起动与调速方法的原理,总结起动与调速方法。
4. 异步电动机的故障分析与排除实验(1)根据实验指导书,进行异步电动机的故障分析与排除实验。
(2)观察电动机故障现象,分析故障原因,排除故障。
(3)总结故障分析与排除方法。
三、实验结果与分析1. 异步电动机的接线实验实验结果表明,异步电动机接线正确,起动顺利,运行稳定。
在实验过程中,电流、电压变化正常,符合理论分析。
2. 异步电动机的正反转控制实验实验结果表明,异步电动机正反转控制电路接线正确,正反转运行稳定。
在实验过程中,电流、电压变化正常,符合理论分析。
3. 异步电动机的起动与调速实验实验结果表明,异步电动机起动顺利,调速范围较广。
在实验过程中,电流、电压变化正常,符合理论分析。
4. 异步电动机的故障分析与排除实验实验结果表明,在异步电动机运行过程中,出现故障现象时,能够迅速分析故障原因,排除故障。
在实验过程中,故障分析与排除方法有效,符合理论分析。
异步电动机实验报告实验目的:1. 了解异步电动机的工作原理和结构。
2. 掌握异步电动机的基本参数测量方法。
3. 分析异步电动机的性能特点。
实验仪器和材料:1. 异步电动机2. 电动机控制器3. 电源4. 电动机负载装置5. 测功仪6. 电流表7. 电压表8. 电能表9. 温度计10. 数据记录仪实验步骤:1. 连接电源和电动机控制器,将电动机连接到控制器的输出端口。
2. 设置电动机控制器的参数,如功率、电流、频率等。
3. 连接电流表和电压表,测量电动机的输入电流和输入电压。
4. 连接电能表,测量电动机的输入功率。
5. 使用测功仪,加载电动机,测量电动机的输出功率。
6. 使用温度计,测量电动机的温度。
7. 记录测量结果。
实验结果:1. 根据实验测得的输入电流、输入电压和输入功率,计算电动机的效率。
2. 根据实验测得的温度和时间,绘制电动机的温度曲线。
3. 根据实验测得的输入功率和输出功率,计算电动机的负载率。
分析和讨论:1. 根据实验结果,分析电动机的性能特点,如效率、输出功率、温升等。
2. 比较不同负载条件下的电动机性能差异。
3. 探讨影响电动机性能的因素,如负载、电源电压、电流等。
结论:根据实验结果和分析讨论,得出结论。
例如,电动机在不同负载条件下的效率变化规律,电动机在长时间运行时的温升情况等。
改进措施:根据实验中发现的问题和不足,提出改进措施。
例如,调整电源电压、改变电动机控制器参数等,以提高电动机的性能。
总结:对实验过程和结果进行总结,概括实验的目的、步骤、工作原理以及得出的结论和改进措施。
参考文献:列出所参考的文献,包括教材、论文、实验方法等。
附录:附上实验数据的原始记录和处理结果,以及实验中使用的图表、图纸等资料。
一、实验目的1. 熟悉三相异步电动机的结构、工作原理及运行特性。
2. 掌握三相异步电动机的起动、制动、调速等基本控制方法。
3. 理解三相异步电动机的运行原理,为实际工程应用奠定基础。
二、实验原理三相异步电动机是一种广泛应用于工农业生产和日常生活中的一种电动机。
它的工作原理是:当三相交流电源接入电动机定子绕组时,产生一个旋转磁场,该磁场在转子绕组中感应出电流,从而产生转矩,使转子转动。
三、实验器材1. 三相异步电动机一台2. 万能表一台3. 交流电源一台4. 接触器一台5. 按钮一台6. 电阻箱一台7. 导线若干8. 螺丝刀一把四、实验步骤1. 将三相异步电动机接入实验电路,连接好电源、接触器、按钮等元器件。
2. 打开电源,观察电动机的起动过程,记录电动机的起动时间、起动电流等参数。
3. 调整电阻箱,观察电动机的调速过程,记录不同电阻值下的电动机转速、电流等参数。
4. 改变电源电压,观察电动机的起动性能和调速性能,记录不同电压下的电动机转速、电流等参数。
5. 关闭电源,进行电动机的制动实验。
将电阻箱调至最小值,观察电动机的制动过程,记录制动时间、制动电流等参数。
6. 重复以上实验步骤,验证实验数据的可靠性。
五、实验结果与分析1. 实验结果(1)起动过程:电动机起动时间为2秒,起动电流为5.5A。
(2)调速过程:在电阻箱为10Ω时,电动机转速为1400r/min,电流为3.5A;在电阻箱为20Ω时,电动机转速为1000r/min,电流为2.5A。
(3)制动过程:制动时间为1秒,制动电流为6A。
2. 结果分析(1)起动过程:电动机起动时间较短,起动电流较大,说明电动机起动性能良好。
(2)调速过程:通过调整电阻箱,可以改变电动机的转速,实现调速功能。
(3)制动过程:电动机制动时间较短,制动电流较大,说明电动机制动性能良好。
六、实验总结通过本次实验,我们掌握了三相异步电动机的结构、工作原理及运行特性,了解了电动机的起动、制动、调速等基本控制方法。
实验三三相感应电动机实验一、实验目的1、测定三相感应电动机的参数2、测定三相感应电动机的工作特性二、预习要点1、三相感应电动机的等效电路有哪些参数?它们的物理意义是什么?2、三相感应电动机参数的测定方法3、三相感应电动机的工作特性的测定三、实验项目1、空载试验2、短路试验3、负载试验四、实验线路及操作步骤电动机编号为D21,其额定数据:P N=100W,U N=220V,I N=0.48A,n N=1420r/min,定子绕组△接法。
2、空载试验(1)所用的仪器设备:电机导轨,功率表(DT01B),交流电流表(DT01B),交流电压表(DT01B)。
(2)测量线路图:见图4-4,电机绕组△接法。
(3)仪表量程选择:交流电压表250V,交流电流表0.5A,功率表250V、0.5A。
(4)试验步骤:安装电机时,将电机和测功机脱离,旋紧固定螺丝。
试验前先将三相交流可调电源电压调至零位,接通电源,合上起动开S1,缓缓升高电源电压使电机起动旋转,注意观察电机转向应符合测功机加载的要求(右视机组,电机旋转方向为顺时针方向),否则调整电源相序。
注意:调整相序时应将电源电压调至零位并切断电源。
接通电源,合上起动开关S1,从零开始缓缓升高电源电压,起动电机,保持电动机在额定电压时空载运行数分钟,使机械损耗达到稳定后再进行试验。
调节电源电压由1.2倍额定电压开始逐渐降低,直至电机电流或功率显著增大为止?,在此范围内读取空载电压、空载电流、空载功率,共读取7~9组数据,记录于表4-3中。
注意:在额定电压附近应多测几点。
试验完毕,将三相电源电压退回零位,按下电源停止按钮,停止电机。
表4-3序号U(V)I(A)P(W)cosφU AB U BC U CA U0 I A I B I C I0 P I P II P0 cosφ03、短路试验(1)所用的仪器设备:同空载试验(2)测量线路图:见图4-4,电机绕组△接法。
(3)仪表量程选择:交流电压表250V,交流电流表1A,功率表250V、2A。
(4)试验步骤:安装电机时,将电机和测功机同轴联接,旋紧固定螺丝,并用销钉把测功机的定子和转子销住。
首先将三相电源电压调至零位,接通电源,合上起动开关S1,逐渐升高电源电压至1.2倍额定电流,然后逐渐降压至0.3倍额定电流为止。
在此范围内读取短路电压、短路电流、短路功率共4~5组数据,记录于表4-4中。
试验完毕,将三相电源电压退回零位,按下电源停止按钮,停止电机,并拔出销钉。
注意:试验时控制调节电源电压大小,并尽量减小电机试验时间。
表4-44、负载试验(1)所用的仪器设备:电机导轨,功率表(DT01B),交流电流表(DT01B),交流电压表(DT01B)。
(2)测量线路图:见图4-4,电机绕组△接法。
(3)仪表量程选择:交流电压表250V,交流电流表1A,功率表250V、2.5A。
(4)试验步骤:安装电机时,将电机和测功机同轴联接,旋紧固定螺丝。
将三相电源电压调至零位,测功机旋钮调至零位。
接通电源,合上起动开S 1,缓缓升高电源电压使电机起动。
调节电源电压至额定电压,逐渐旋动测功机加载旋钮,使电机慢慢加载,此时电机的电流逐渐上升,直至电流上升到1.25倍额定电流。
从这点负载开始,逐渐减少负载直至空载,在此范围内读取异步电动机的定子电流、输入功率、转速、测功机转矩等数据,共读取5~6组数据,记录于表4-5中。
数据,共读取5~6组数据,记录于表4-5中。
表4-5注意:测功机加载开始前有一个死区,要注意慢慢旋动加载旋钮,以免电机突然加载,导致电机加载过大。
三、实验报告1、计算基准工作温度时的相电阻。
2、作空载特性曲线 I 0、P 0、cos φ0=f (U 0)3、作短路特性曲线 I k 、P k 、cos φk =f (U k )4、由空载和短路试验的数据求取异步电机等效电路中的参数5、作工作特性曲线 P 1、I 1、T 2、n 、η、s 、cos φ1=f (P 2)。
附:参数计算1.计算基准温度75 0C 时的相电阻CCCR R θφ++=2357523501750 θ----室温 2空载和短路实验数据求取感应电动机的参数1)由短路实验数据求短路参数 短路阻抗:K KK I U Z =短路电阻:23k k K I P R =短路电抗:22KK K R Z X -= 式中,K K K P I U ,,分别对应于K I 为额定电流时的相电压、相电流和三相短路功率。
转子电阻的折算值:1'2R R R K -= 定转子绕组漏电抗:K X X X 21'21==σσ2)由空载实验数据求激磁参数 空载阻抗:ϕϕ000I U Z =空载电阻:20003I P R =空载电抗:20200R Z X -=式中,000,,P I U 分别对应于0U 为额定电压时的相电压、相电流和三相空载功率。
激磁电阻: 203I p R Fe m =激磁电抗:σ10X X X m -=式中,Fe p 为额定电压时的铁耗,由下图确定从空载实验计算铁耗 3.工作特性曲线)(cos ,,,,,2111P f S n I P =φη 计算公式:定子绕组相电流:331CB A I I I I ++=转差率:11n nn S -=功率因素:11113cos I U P =ϕ 输出功率:n T P 22105.0= 效率:%10012⨯=P P η'p实验二 三相鼠笼式异步电动机的工作特性一、实验目的用直接测功法作三相鼠笼式异步电动机的负载实验 二、实验项目三相鼠笼式异步电动机的负载实验 三、实验线路及操作步骤电动机编号为D21,其额定数据:P N =100W ,U N =220V ,I N =0.48A ,n N =1420r/min ,定子绕组△接法。
(1)所用的仪器设备:电机导轨,功率表(DT01B ),交流电流表(DT01B ),交流电压表(DT01B )。
(2)测量线路图:见图4-4,电机绕组△接法。
(3)仪表量程选择:交流电压表 250V ,交流电流表1A ,功率表250V 、2.5A 。
(4)试验步骤:安装电机时,将电机和测功机同轴联接,旋紧固定螺丝。
将三相电源电压调至零位,测功机旋钮调至零位。
接通电源,合上起动开S 1,缓缓升高电源电压使电机起动。
调节电源电压至额定电压,逐渐旋动测功机加载旋钮,使电机慢慢加载,此时电机的电流逐渐上升,直至电流上升到1.25倍额定电流。
从这点负载开始,逐渐减少负载直至空载,在此范围内读取异步电动机的定子电流、输入功率、转速、测功机转矩等数据,共读取5~6组数据,记录于表4-5中。
图4-4 三相鼠笼式异步电动机试验接线图表4-5注意:测功机加载开始前有一个死区,要注意慢慢旋动加载旋钮,以免电机突然加载,导致电机加载过大。
四、实验报告1、作工作特性曲线P1、I1、T2、n、η、s、cosφ1=f(P2)。
2、由损耗分析法求额定负载时的效率。
实验三 三相异步电动机的起动和调速一、实验目的通过实验掌握异步电动机的不同起动方法。
二、预习要点1、复习三相异步电动机有哪几种主要起动方法并比较它们的优缺点。
2、复习三相异步电动机有哪几种主要调速方法并比较它们的优缺点。
三、实验项目1、三相鼠笼式异步电动机的直接起动2、三相鼠笼式异步电动机的星形-三角形(Y-△)起动。
1、三相绕线式异步电动机转子串可变电阻器起动。
2、三相绕线式异步电动机转子串可变电阻器调速。
四、实验线路及操作步骤1、三相鼠笼式异步电动机的直接起动电动机编号为D21,其额定数据:P N =100W ,U N =220V ,I N =0.48A ,n N =1420r/min ,定子绕组△接法。
(1)所用的仪器设备:电机导轨,交流电流表(DT01B ),交流电压表(DT01B ),继电接触箱组合(DT31、DT32)。
(2)测量线路图:见图4-5。
(3)仪表量程选择:交流电压表 250V ,交流电流表5A 。
(4)试验步骤:图4-5 三相鼠笼式异步电动机起动试验接线图安装电机时,将电机和测功机同轴联接,旋紧固定螺丝。
首先将开关S2合向三角形接法侧(图中左侧),三相电源电压调至零位,测功机旋钮调至零位。
接通电源,合上起动开S1,逐渐升高电源电压,起动电机(注意电机转向符合测功机加载要求),调节电源电压至额定电压。
然后断开起动开关S1,待电动机完全停转后,再合上起动开关S1,使电动机在额定电压下起动,读取电流表显示的最大电流,记录于表4-6,此电流值可作为电机起动电流的估计值。
将三相电源电压降至零,断开起动开关S1,切断电源停机。
定量确定起动电流值可按以下实验步骤实现:将三相电源电压降至零,停机,测功机旋钮旋至最小位置,用销钉将测功机的定、转子销住。
合上起动开关S1,逐渐升高电源电压,使电动机在堵转状态下的定子电流达2~3倍额定电流,读取此时的电压值U k、电流值I k、转矩值M k,注意:实验通电时间不应超过10秒,以免绕组过热。
实验完毕,切断电源,拔出销钉。
对应于额定电压时的起动电流I st、和起动转矩M st按下式计算:I st= (U N/U k)I k式中U k:起动时的电压值U N:电机额定电压值M st=(I st/I k)2M k式中I k:起动时的电流值U N:电机额定电压值2、三相鼠笼式异步电动机的星形-三角形(Y-△)起动电动机编号为D21,其额定数据:P N=100W,U N=220V,I N=0.48A,n N=1420r/min,定子绕组△接法。
(1)所用的仪器设备:电机导轨,交流电流表(DT01B),交流电压表(DT01B),继电接触箱组合(DT31、DT32)。
(2)测量线路图:见图4-5。
(3)仪表量程选择:交流电压表250V,交流电流表5A。
(4)试验步骤:安装电机时,将电机和测功机同轴联接,旋紧固定螺丝。
先将开关S2合向三角形接法侧(图中左侧),三相电源电压调至零位,测功机旋钮调至零位。
接通电源,合上起动开S 1,逐渐升高电源电压,起动电机,调节电源电压至额定电压。
断开起动开关S 1,待电动机完全停转后,将开关S 2合向定子绕组Y 接法侧(图中右侧),再合上起动开关S 1,使用权电机接成Y 接法起动,读取起动时冲击电流的最大值,记录于表4-6中,与其他起动方法作定性比较。
待电动机转速升高,再把开关S 2合向左侧,使电动机切换成△接法正常运行,整个起动过程结束。
表4-63、三相绕线式异步电动机转子串可变电阻器起动电动机编号为D15,其额定数据为:P N =100W ,U N =220V ,I N =0.55A ,n N =1420r/min ,定转子绕组均为Y 接法。