实验一 三相异步电动机启停控制实验
- 格式:doc
- 大小:1.32 MB
- 文档页数:8
项目一电动机启停控制
1.实验目的:
2.熟悉并掌握继电器接触器控制系统基本电路环节的接线操作。
3.进一步了解常用电器元件的结构及使用方法。
二、实验步骤:
1.熟悉各种电器设备和控制电器接线方式, 了解所用电器规格、型号。
2.按实验图1完成控制交流异步电动机起动、停止的电路接线。
(1)检查电路, 准备试机。
电源开关QS处于断开位置, 按原理逐点检查接线, 经实验指导教师确认接线正确后, 送电试车。
合上电源开关QS, 按SB2电动机运转, 按SB1停转。
反复按SB1、SB2几次, 观察电路工作情况。
若电路工作有问题时, 应首先断开电源开关QS, 再进行检查, 排除故障后方可实验。
实验图1 三相异步电动机直接起动控制电路
四、实验要求:
1.弄清利用接触器、起动按钮组成的起动、停止电路工作原理。
2.学会实验电路接线及故障排除。
五、思考题:
1.如试车中出现故障现象, 分析产生原因及处理步骤。
2.电路中如果没有自锁环节, 电动机的转动会出现怎样的情况?
接线图如下:。
[精品]12_三相异步电机的启保停控制线路_实验报告三相异步电机的启保停控制线路实验报告一、实验目的1.学习三相异步电机的启动、停止控制方法;2.掌握电器元件的选择和接线方法;3.熟悉电路的基本操作和安全用电知识。
二、实验原理三相异步电机是一种常用的电动机,其启动、停止控制线路是电气控制中的重要部分。
通过控制电动机的电源通断,可以实现电动机的启动和停止。
同时,为了保证电动机的安全运行,还需要加入保护环节,如短路保护、过载保护等。
本实验中,我们将采用基本的启保停控制线路,包括启动按钮、停止按钮、接触器、热继电器等电器元件,实现三相异步电机的启动、停止和过载保护。
三、实验步骤1.准备实验器材:三相异步电机、接触器、热继电器、按钮、导线等;2.根据电路图,将电器元件连接起来。
注意接线的正确性和紧固性;3.检查电路无误后,接通电源,按下启动按钮,观察电动机是否正常启动;4.按下停止按钮,观察电动机是否正常停止;5.用手触摸电动机外壳,感受电动机的运行状态;6.故意制造过载故障,观察热继电器是否动作,电动机是否停止运行;7.排除故障后,再次启动电动机,观察是否正常运行。
四、实验结果与分析1.电动机正常启动和停止:按下启动按钮,电动机正常运行;按下停止按钮,电动机立即停止。
这表明启保停控制线路能够正常工作。
2.电动机过载保护:当故意制造过载故障时,热继电器动作,电动机停止运行。
这表明热继电器能够在过载时起到保护作用,保证电动机的安全运行。
3.电动机运行状态:用手触摸电动机外壳,感受到轻微的振动和热量。
这是正常的电动机运行状态,表明电动机正在正常工作。
五、实验总结与体会通过本次实验,我们学习了三相异步电机的启保停控制方法,掌握了电器元件的选择和接线方法,熟悉了电路的基本操作和安全用电知识。
实验中,我们采用了基本的启保停控制线路,实现了三相异步电机的启动、停止和过载保护。
实验结果表明,该控制线路能够正常工作,具有良好的实用性和可靠性。
实验一三相异步电动机启停控制实验
三相异步电动机启停控制实验是一项使用Galanz J400型卷扬机的实验,主要是为了考察它的启动控制和停止控制特性。
实验的设备主要包括三相异步电动机,按钮控制器和卷扬机。
首先,连接卷扬机线路,打开电源;然后,根据电动机的不同驱动方式,将卷扬机中的sw1\sw2\sw3分别打开,当sw5也打开,表示卷扬机正在准备状态,此时为启动卷扬机做准备,同时也可以实现故障诊断功能;随后,通过按钮控制器,将启动按钮按下,卷扬机即开始启动,此时卷扬机的叶片慢慢升起;最终,当运转到预定的高度时,将sw5停止到位,以防止卷扬机失控时的安全事故;最后,通过按钮控制器,将卷扬机的停止按钮按下,即可实现卷扬机的停止控制。
通过以上实验,我们可以更加清楚地了解Galanz J400型卷扬机的启动控制和停止控制特性,从而正确使用此类设备,尽可能地去阻止可能发生的安全事故,保证设备的正常使用。
三相异步电动机启停控制试验报告姓名:___________________________________________学号:___________________________________________班级:___________________________________________专业:___________________________________________指导老师:______________________________________一、试验目标1、进一步学习和掌握接触器及其它控制元器件的结构、工作原理和使用方法;2、通过三相异步电动机启、停控制电路的试验,进一步学习和掌握接触器控制电路的结构、工作原理。
二、试验器材三、试验内容及步骤试验基本原理图(接线图)如下图所示,电路的基本工作原理是:1、首先闭合主电源断路器QS7和控制电路断路器QS9;2、点按“启动”按钮,接触器吸合,红色指示灯熄灭,绿色指示灯点亮,电机开始运行;3、点按“停止”按钮,绿色指示灯熄灭,红色指示灯点亮,电机停止运行;试验步骤:1、按原理图完成主电路和控制电路的线路连接;2、经过老师检查认可,验证电路接线正确后方可开始上电试验;3、闭合主电源和控制电源断路器,观察电机和接触器的工作状态;4、按下启动按钮,观察电机和接触器的工作状态;5、按下停止按钮,观察电机和接触器的工作状态;6、按下急停按钮,观察电机和接触器的工作状态;7、分别断开主电路和控制电源的断路器控制开关,再分别进行4、5、6步骤,观察电机和接触器的工作状态;四、注意事项试验电压为三相380V和单项220V,务必注意人身安全,防止触电!五、实验结果1、闭合主电源和控制电源的断路器控制开关后,点按启动按钮,红色指示灯熄灭,绿色指示灯点亮,接触器吸合,电动机开始运转;2、在三相电机开始运转后,点按停止按钮,绿色指示灯熄灭,红色指示灯点亮,接触器断开,电动机自由停止;3、在电机运行后,按下急停按钮,红色和绿色指示灯均熄灭,接触器断开,电机停止运转;4、在未闭合主电源和控制电源断路器时,无论点按启动、停止、急停按钮,接触器和电动机均无动作。
第八节铣床自动控制程序铣床的种类很多,有立铣、卧铣、龙门铣和仿形铣等,它们的加工性能及使用范围各不相同,但梯形图程序的设计方法基本一致。
一、控制要求X62W万能升降台铣床采用三相笼形异步电动机拖动,并且主轴的主运动和工作台的进给运动分别由单独的电动机拖动。
铣床主轴的主运动为刀具的切削运动,有顺铣和逆铣两种加工方式。
工作台的进给运动有水平工作台前、后、左、右、上、下六个方向的进给运动,以及圆工作台的回转运动。
其控制要求如下:1、主轴电动机M1(7.5kW、1450r/min)空载时直接起动,为实现顺铣和逆铣两种加工方式,要求能够正反转,为提高生产率,要求采用电磁制动器YB进行停车制动,同时从安全和操作方便的角度考虑,换刀时主轴应处于制动状态,且主轴电动机M1可在两处实行起停等控制操作。
2、工作台进给电动机M2直接起动,而且要求能够正反转。
为提高生产率,要求空行程时可快速移动。
工作台的各进给运动之间必须联锁,并由手柄操作机械离合器选择进给运动的方向。
3、电动机M3拖动冷却泵,在铣削加工时提供切削液。
4、主轴运动和进给运动采用变速孔盘来进行速度选择。
为保证变速齿轮进入良好的啮合状态,要求电动机在变速后能够瞬时点动。
5、加工工件时,为保证设备安全,要求主轴电动机M1起动后,工作台进给电动机M2才能起动。
二、动作分析及I/O点分配1、主轴电动机M1的起动主轴换向开关选定电动机的转向后,闭合主轴上刀制动开关SA2-1,然后按下起动按钮SB3或SB4,主交流接触器KM1的线圈得电,其主触点闭合,主轴电动机M1按给定方向起动运转。
2、主轴电动机M1的制动按下停止按钮SB1或SB2,其常闭触点使主交流接触器KM1的线圈失电,主轴电动机M1脱离电源,同时其常开触点闭合,使电磁制动器YB的线圈得电,对M1进行制动停车。
当进行换刀和上刀操作时,闭合主轴上刀制动开关SA2-2,KM1线圈失电的同时YB线圈得电,使M1处于制动状态不能转动,保证了换刀和上刀操作的顺利进行。
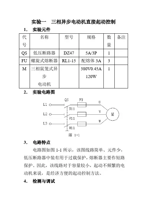
实验一 三相异步电动机直接起动控制1. 实验元件 代号名称 型号规格 数量 备注 QS 低压断路器 DZ475A/3P 1 FU 螺旋式熔断器 RL1-15 配熔体3A 3 M 三相鼠笼式异步电动机380V0.45A120W 1 2. 实验电路图3. 电路特点电路图如图1-1所示,该图线路简单、元件少,低压断路器中装有用于过载保护,熔断器主要作短路保护。
因此,该线路对于容量较小,起动不频繁的电动机来说,是经济方便的起动控制方法。
4. 检测与调试确认安装牢固接线无误后,先接通三相总电源,再合上QS开关,电机应正常起动和平稳运转。
若熔丝熔断(可看到熔心顶盖弹出)则应断开电源,检查分析并排除故障后才能够重新合上电源。
1)安装要求1.建议连接导线要采用规定的颜色(1)接地保护导线(PE)采用黄绿双色线;(2)动力电路的中线(N)采用浅兰色;(3)交流和直流动力电路应采用黑色;(4)交流控制电路采用红色;(5)直流控制电路采用兰色。
2.导线的绝缘和耐压要符合电路要求,每一根连接导线在接近端子处的线头上必须套上标有线号的套管;进行布线要求走线横平竖直、整齐、合理,接点不得松动,不得承受拉力,接地线和其他导线接头,同样应套上标有线号的套管。
3.指示灯及按钮的颜色(1)指示灯颜色的含义红—运行、危险或报警绿—安全(2)按钮颜色的用法红—“停止”或“断开”绿—“启动”2)安装后(在接通电源前的)质量检验1.再次检查各个接线端子是否连接牢固。
线头上的线号是否同电路原理图相符合,绝缘导线是否符合规定,保护导线是否已可靠连接。
2.短接主电路、控制电路,用500V兆欧表测量与保护接地电路导线之间的绝缘电阻应不得小于2兆欧。
[精品]12_三相异步电机的启保停控制线路_实验报告实验报告以下是关于三相异步电机的启动和停止控制电路的实验报告,旨在展示三相异步电机的启动和停止控制线路的特性,对学习三相异步电机控制电路有一定的参考价值。
一、实验内容本实验采用SANYO三相异步电机、可控硅、前置电抗器、起动继电器等相关元件,组成一个运行简单的恒功率三相异步电机控制线路,实现调速控制。
二、实验原理三相异步电机的启动控制是利用全桥可控硅对电机的实际转矩大小进行控制,通过调节可控硅的输出电压来控制三相异步电机的速度。
在实际的操作中,首先需要起动继电器来把电路给启动,达到给电机进行启动的介入作用,这样就可以完成开动的动作了。
起动后,这个起动继电器就会关闭,电流就可以贯穿三个相位,异步电机就可以正常运行了。
停止电机控制就是停止可控硅的输出电压,不让其给电机输出电压,以此达到电机停止运行的目的。
三、实验步骤1. 首先,将电机、前置电抗器、可控硅、起动继电器以及其他元件组成实验电路;2. 打开电源开关,闭合起动继电器触点进行启动——电机运转;3. 再次关闭起动继电器触点,可控硅输出电压为恒定值,调节电流进而控制电机转速;4. 为增大减速比,在可控硅输出省电压后加感受电阻,进行反馈控制;5. 关闭可控硅,结束实验。
四、实验结果分析本实验共测试了电机的启动和停止控制两个过程,调节可控硅的输出电压来控制三相异步电机的转速。
结果表明,电机的转速虽然不能与可控硅输出电压完全持平,但是随着电压的升高,转速也在不断增加,可以很好地控制电机的转速,为电机的调速提供有效的支持。
五、结论根据本次实验结果,可以肯定的是,采用可控硅控制的三相异步电机完全可以实现启动和停止控制,达到有效调速的目的。
此外,可以结合制动器、叶片等元件,完成复杂的调速装置控制,为智能电动设备提供更有效的实施。
实验一三相异步电动机单方向起动停止及点动及双方向运行控制1、电动机直接起动控制一、实验器材:电动机、热继电器、按纽、交流接触器、开关、熔断器等二、实验内容:1.参照《机床电气控制技术》第三版第6页中的内容,设计主回路和控制回路。
2.根据已设计的电气控制原理图,选择合适的元器件。
3.接线。
4.经检查后,接通电源,按下起动按纽,松开手指,观察电动机的运转情况。
5.按下停止按纽,拆去交流接触器的自锁触点,再次按下起动按纽后,松开手指观察电动机的运转情况实验过程中应观察交流接触器的触点有何变化。
注意:接线完成后,应仔细检查线路,等指导老师检查后,方可通电源。
2、电动机的正反转控制一、实验器材:电动机、热继电器、按纽、交流接触器、开关、熔断器等二、实验内容:1.参照《机床电气控制技术》第三版第9页中的内容及正反转的原理,设计主回路和控制回路。
2.根据已设计的电气控制原理图,选择合适的元器件。
3.接线。
4.经检查后,接通电源,按下正转起动按纽后,再按下反转起动按纽,观察电动机的转动有无变化。
在该实验中,应仔细体会联锁或互锁的作用。
注意:接线完成后,应仔细检查线路,等指导老师检查后,方可通电源。
3、能耗制动一、实验器材:电动机、热继电器、按纽、交流接触器、开关、熔断器、变压器、整流器等二、实验内容:1.参照《机床电气控制技术》第三版第11页中的内容及正反转的原理,设计主回路和控制回路。
2.根据已设计的电气控制原理图,选择合适的元器件。
3.接线4.经检查后,接通电源,按下起动按纽后,电动机开始运转,然后按下停止按纽,观察电动机的停止情况。
将能耗制动与直接起动线路中的制动比较,看能耗制动有何优点。
改变时间继电器中设定的时间值,再次重复步骤4,看结果有何变化。
注意:接线完成后,应仔细检查线路,等指导老师检查后,方可通电源。
三、思考题:1.实验中发现,接通电源,不按开关电机既起动,何原因?2.若自锁常开触点错接成常闭触点,会产生什么现象?3.如果改变电源进线的相序,会产生什么现象,为什么?实验二变频器调速控制一、实验目的1.了解变频器的系统构成和接线2.了解并熟悉变频器操作方法及显示特点3.掌握变频器的各种运行模式4.熟练掌握变频器多段运行方式和参数的预置方法二、实验内容变频器的系统构成与接线(Panasonic M1X系列)1.标准接线图:2.接线端子:3.控制端子:熟悉变频器的面板操作1.仔细阅读操作说明书,掌握在监视模式下显示Hz、A、V的方法,及运用面板Run键直接设定或者更改0速的设定速度2.全部清除操作(变频器的参数初始化)为了实验能按要求进行,在实验过程的第一步必须进行参数初始化的操作,步骤如下:1)按下DATA SET 键,二位数LCD灯闪烁。
三相异步电动机的直接起动、点动控制实验报告(精选)第一篇:三相异步电动机的直接起动、点动控制实验报告(精选)三相异步电动机的直接起动、点动控制实验报告姓名:杨宇学号:091542 班级: 10931 专业:数控指导老师:申爱民2011.4.18一、实验目标1.熟悉常用低压电器、仪表的使用及接线。
2.熟悉三相异步电动机的铭牌数据、并能正确接线。
3.训练三相异步电动机直接起动、点动控制线路的正确接线和调试。
4.学习熔断器、接触器、空气开关、热继电器及按钮的使用方法。
二、实验器材1.三相交流电源380V、220V2.三相异步电动机1台3.交流接触器1个4.空气开关1个5.熔断器4个6.热继电器1个7.常闭开关1个,常开开关1个8.电工工具1套9.导线若干 10.欧姆表1个三、实验原理1.三相鼠笼式电动机的转动原理是,在通电的情况下在电动机的内部产生一种磁场,而电动机的转子要切割磁感线而产生运动,从而把电能转化为机械能。
2.去掉KM辅助触点,可以除去自锁功能,实现电机的点动。
3.图1—1是异步电动机直接启动的控制电路图。
四、实验内容和步骤1.认识常用低压电器和三相异步电机的铭牌标记,了解结构和工作原理及其接线方法。
五、实验总结1.控制电路接线要先接串联电路,再接支路。
2.控制电路中的自锁由接触器的辅助触点实现。
它的作用是在按下SB2后,SB2有弹簧作用下恢复到常开状态,这时KM为自锁状态,仍可以保证控制电路形成闭合回路。
3.故障及原因1).接通电源后,按起动按钮,接触器吸合,但电动机不转且发出“嗡嗡”声响;或者虽能起动,但转速很慢。
这种故障大多是主回路一相断电或电源缺项。
2).接通电源后,按起动按钮,若接触器通断频繁,且发出连续的噼啪声或吸合不牢,发出颤动声,此类故障原因可能是:a、线路接错,将接触器线圈与自身的动断触头串在一条回路上了。
b、自锁触头接触不良,时通时断。
c、接触器铁心上的短路环脱落或断裂。
实验一三相异步电动机点动和自锁控制实验一:三相异步电动机点动和自锁控制一、实验目的1.掌握三相异步电动机点动控制原理和实现方法。
2.掌握三相异步电动机自锁控制原理和实现方法。
3.理解点动与自锁控制在实际应用中的差异及其适用场合。
二、实验原理1.点动控制:通过手动开关或按钮控制电动机的启动和停止,适用于短时间、临时性的控制。
其特点是操作简单,但容易误操作,不安全。
2.自锁控制:利用接触器的辅助触点与启动按钮串联,实现电动机的连续运转。
当按下启动按钮时,接触器吸合,电动机开始运转;当松开启动按钮时,接触器仍然保持吸合状态,电动机继续运转。
自锁控制在长时间连续运转的场合应用广泛,具有安全可靠的特点。
三、实验步骤1.准备实验器材:三相异步电动机、交流接触器、热继电器、按钮开关、导线等。
2.搭建实验电路:根据点动和自锁控制的原理,设计并搭建实验电路。
电路应包括电源部分、控制部分和负载部分。
3.通电前检查:在通电前,检查电路连接是否正确,是否符合电气安全规范。
特别注意电源与负载的连接是否正确,以及导线是否接触良好。
4.点动控制实验:(1)按照电路图连接好电源、控制和负载部分。
(2)按下按钮开关,观察电动机是否启动。
(3)松开按钮开关,观察电动机是否停止。
5.自锁控制实验:(1)在点动控制电路的基础上,添加接触器的辅助触点与启动按钮串联。
(2)按照电路图连接好电源、控制和负载部分。
(3)按下按钮开关,观察电动机是否启动并持续运转。
(4)松开按钮开关,观察电动机是否继续运转。
6.观察与记录:在实验过程中,观察并记录各种操作下的电动机状态,以及接触器的吸合与释放情况。
7.整理实验数据:根据实验观察和记录的数据,分析点动控制和自锁控制在不同场合的适用性。
8.清理实验现场:在实验结束后,断开电源,拆除电路连接,并整理好实验器材。
四、实验结果与分析1.点动控制实验结果表明,当按下按钮时,电动机启动;松开按钮时,电动机停止。
实验一异步电动机起、停实验一、实验目的(1)加深理解接触器的工作原理;(2)掌握接触器合理选择的原则;(3)熟练掌握电机起停设计;(4)能够熟练进行安装、配线和调试。
控制。
二、实验所需设备及附件三、实验线路及原理(1)利用接触器实现电动机启停控制电气原理如图一所示,电动机起动时,合上电源开关QS,引入三相电源,按下按钮SB2,接触器KM 的线圈通电吸合,主触点KM 闭合,电动机M 接通电源起动运转。
同时与SB2并联的常开触点KM 闭合。
当手松开按钮后,SB2在自身复位弹簧的作用下恢复到原来断开的位置时,接触器KM 的线圈仍可通过KM 的常开触点使接触器线圈继续通电,从而保持电动机的连续运行。
这种依靠接触器自身常开触点而使其线圈保持通电的现象称为自锁。
起自锁作用的辅助触点称为自锁触点。
电动机停止时,只要按下停止按钮SB1,将控制电路断开即可。
这时接触器KM 的线圈断电释放,KM 的常开主触点将三相电源切断,M 停止旋转。
当手松开按钮后,SB1 的常闭触点在复位弹簧的作用下,虽又恢复到原来的常闭状态,但接触器线圈已不再能依靠自锁触点通电了,因为原来闭合的自锁触点早已随着接触器线圈的断电而断开了。
这个电路的特点是,起动、保持、停止,所以称为“起、保、停”控制电路。
图一接触器控制电动机启停电气原理图四、实验内容(1)接触器得电吸合,观察主触点和辅助触点的动作情况;(2)观察组合按钮的触点情况;(3)根据电气原理图进行必要的接线,实现异步电动机起、停控制。
五、实验报告(1)画出电气原理图,并分析系统的实际运行情况;(2)讨论、分析实验中出现的各种情况。
六、注意事项(1) 合闸前需要检查:1)主回路和控制回路已经接好,检查无误;2)熔断管是否完好;(2) 严禁带电接线;(3) 由于未加过载保护,严禁自主给电动机加负载。
三相异步电动机的Y—△启动控制实验报告DOC实验名称:三相异步电动机Y—△启动控制实验报告一、实验目的:1.了解三相异步电动机的原理及工作特性;2.学习三相异步电动机的Y—△启动方式;3.掌握对三相异步电动机进行Y—△启动的控制方法;4.观察不同条件下的电动机的启动过程及运行情况。
二、实验原理:1.三相异步电动机的原理:2.Y—△启动方式:Y—△启动方式是一种较为常见的电动机启动方式,即先将电动机的绕组通过Y连接,使得电动机的起动电流较小;当电动机转速达到一定值后,再切换至△连接,使电动机能够正常运转。
三、实验器材及设备:1.三相异步电动机2.实验台架3.电源4.电流表5.电压表6.开关四、实验步骤及结果:1.将三相异步电动机连接至实验台架上,确保连接正确且牢固。
2.将电源接入实验台架,并调整电源参数(例如,电流、电压等)。
3.打开电源,使电源供电给电动机。
4.观察电动机的启动情况,记录电动机在不同条件下的启动时间和电流、电压等参数。
5.将电动机的连接方式从Y切换至△,观察电动机的运行情况并记录相关参数。
6.实验结束后,关闭电源,拆卸电动机。
五、实验讨论:1.分析Y—△启动方式的优点和缺点。
2.分析在实验过程中观察到的电动机启动时间和电流、电压等参数的变化规律及影响因素。
3.总结对三相异步电动机进行Y—△启动的控制方法。
4.提出改进实验方案的建议,并说明改进的原因。
六、实验结论:根据实验结果分析得知,Y—△启动方式能够有效地减小电动机起动时的电流冲击,降低电动机起动所需的能量,同时保证电动机能够正常运转。
在不同条件下,电动机的启动时间、电流、电压等参数存在差异,通过对电动机启动控制方法的改进,能够更好地控制电动机的启动过程,提高电动机的启动效率和运行质量。
在今后的实际应用中,可以根据电动机的不同要求选择合适的启动方式,以提高电动机的性能和可靠性。
实验一三相异步电动机启停控制实验
目的:
通过实验掌握三相异步电动机的启停控制方法,加深对三相异步电动机的理解和认识。
仪器设备:
三相异步电动机、交流调速器、控制电路板、开关、电缆等。
实验原理:
三相异步电动机的启动方法有直接启动、自动扭矩启动、降压启动、星角启动等,其中直接启动和星角启动比较常用。
直接启动:将电动机的三个线圈接在三相电源上,通过空气开关将电动机接通电源即可启动。
直接启动方法适用于功率较小、负载较轻的电动机。
星角启动:将电动机的三个线圈接在星角切换器上,先通过星形接法将电动机启动,当电动机加速至大约70%时,切换为
三角接法,以保证电动机有足够的启动转矩。
实验步骤:
1.将三相异步电动机、控制电路板、交流调速器、开关等准备好。
2.将电动机的三个线圈按照星形接法接在星角切换器上。
3.将星角切换器的三个三角连接接在控制电路板上。
4.将交流调速器的输出电缆连接到电动机的电缆上。
5.将开关连接在电源和控制电路板之间,使其能够控制电动机的启停。
6.按照星形接法将电动机启动,当电动机加速至70%左右时,切换为三角接法,电动机将正常运行。
7.通过开关控制电动机的启停,实现对电动机的控制。
注意事项:
1.操作时需要注意安全,禁止用湿手操作。
2.请按照步骤操作,不得倒序或遗漏步骤。
3.操作时,需保证设备间的接线正确、牢固。
4.实验结束后,需切断电源,将设备清理干净,归位。
仲恺农业工程学院实验报告纸
自动化(院、系)工业自动化专业144班1组可编程控制器技术课
学号06/30姓名黄国盛汤敬麟实验日期2017-05-06教师评定
实验一三相异步电动机启停控制实验
一、实验目的
(1)进一步学习和掌握接触器以及其它控制元器件的结构、工作原理和使用方法;
(2)通过三相异步电动机的启、停控制电路的实验,进一步学习和掌握接触器控制电路的
结构、工作原理。
二、实验设备
断路器1个,接触器1个,按钮2个,380V交流电压源,导线,三相异步电动机
三、实验内容
如图为三相异步电动机的基本启停电路。
电路的基本工作原理是:首先合上电源开关QK,再按下“启动”按钮,KM得电并自锁,主触头闭合,电动机得电运行。
按下“停止”
按钮,KM失电,主触头断开,电动机失电停止。
四、实验步骤
1.按图完成控制电路的接线;
2.经老师检查认可后才可进行以下操作
3.合上断路器QK,观察电动机和接触器的工作状态;
4.按下操作控制面板上“启动”按钮,观察接触器的工作状态;
5.按下操作控制面板上“停止”按钮,观察接触器的工作状态。
五、实验结果图
六、实验总结
因为三相电压源的相电压为AC 380V ,且控制回路的控制电压为线电压,故控制回路的电压为220。
实验中用到的接触器为交流接触器。
每个按钮都有三个引脚,其中一个引脚为公共端,另外两个和它相连,一个为常闭,一个为常开。
如图启动按钮应接成常开状态,停止按钮接为常闭状态。
注意,导线的进出都要通过接线端子进行固定排列后才可接入电路。
三相异步电动机启停控制实验报告一、实验目的1.掌握三相异步电动机的基本原理和性能参数;2.了解三相异步电动机的启动方式及控制原理;3.熟悉三相异步电动机的停止方式和控制原理;4.利用开关控制电动机的启停过程,观察电动机的运行状况并分析。
二、实验原理1.启动方式:(1)直接启动:将电动机直接接入三相交流电源,在粘滞转矩较小的情况下,电动机能够快速启动;(2)小电流启动:将启动线圈与主回路电源并联,通过减小启动电流来实现电动机的启动;(3)自耦变压器启动:将启动线圈与主回路电源通过自耦变压器连接,通过变压器的调节来实现启动。
2.停止方式:(1)直接切断电源:直接将三相交流电源切断,使电动机停止运行;(2)减小电源电压:通过降低电源电压使电动机停止运行;(3)电磁刹车:通过给电动机施加制动力矩,使其停止运行。
三、实验装置和材料实验装置包括:三相电源、三相异步电动机、开关、电压表、电流表等。
实验材料包括:实验报告纸、铁笔、直尺等。
四、实验步骤1.连接电源:将三相电源接入实验电动机的三相供电端,通过电压表检测电源电压;2.连接电动机:将电动机的相线依次与电源的相线相连,将电动机的中性线与电源的中性线相连;3.设置测量参数:通过电流表和电压表分别测量电动机的电流和电压,并记录数据;4.进行启动实验:按照不同的启动方法,逐一进行试验,并记录电动机启动的情况和所需的启动电流;5.进行停止实验:按照不同的停止方法,逐一进行试验,并记录电动机停止的情况和所需的制动力矩;6.关闭电源:实验结束后,关闭电源,拆除实验装置。
五、实验结果分析在实验中,我们通过不同的启动方法(直接启动、小电流启动、自耦变压器启动)对电动机进行启动,并观察记录电动机启动的情况和所需的启动电流。
我们还通过不同的停止方法(直接切断电源、减小电源电压、电磁刹车)对电动机进行停止,并观察记录电动机停止的情况和所需的制动力矩。
根据实验结果,我们可以分析不同启动方法和停止方法的效果和影响。
三相异步电动机的Y—△启动控制实验报告第一篇:三相异步电动机的Y—△启动控制实验报告可编程控制器课程设计报告书三相异步电动机的Y—△启动控制学院名称:学生姓名:专业名称:班级:时间:自动化学院2013年5月20日至5月 31日三相异步电动机的Y—△启动控制一、设计目的:1.了解交流继电器、热继电器在电器控制系统中应用。
2.了解对自锁、互锁功能。
3.了解异步电动机Y—△降压启动控制的原理、运行情况及操作方法。
二、设计要求:1、设计电动机Y—△的启动控制系统电路;2、装配电动机Y—△启动控制系统;3、编写s7_300的控制程序;4、软、硬件进行仿真,得出结果。
三、设计设备:1.三相交流电源(输出电压线);2.继电接触控制、交流接触器、按钮、热继电器、熔断器、PLCS300;3.三相鼠笼式电动机。
四、设计原理:对于正常运行的定子绕组为三角形接法的鼠笼式异步电动机来说,如果在启动时将定子绕组接成星形,待起动完毕后再接成三角形,就可以降低启动电流,减轻它对电网的冲击,这样的起动方式称为星三角减压启动,或简称为星三角启动(Y-Δ启动)。
星三角起动法适用于正常运行时绕组为三角形联接的的电动机,电动机的三相绕组的六个出线端都要引出,并接到转换开关上。
起动时,将正常运行时三角形接法的定子绕组改接为星形联接,起动结束后再换为三角形连接。
这种方法只适用于中小型鼠笼式异步电动机.定子绕组星形连接时,定子电压降为三角形连接的1/√3,由电源提供的起动电流仅为定子绕组三角形连接时的1/3。
就是可以较大的降低启动电流,这是它的优点.但是,由于起动转矩与每相绕组电压的平方成正比,星形接法时的绕组电压降低了1/ √3倍,所以起动转矩将降到三角形接法的1/3,这是其缺点。
Y-△降压启动器仅适用于△运行380V的三相鼠笼式电动机作空载或轻载启动。
三相鼠笼式异步电动机Y—△降压启动控制线路图,如图1所示。
图1 原理图的分析:按下空开后,按下SB1按钮,KM,KMY线圈得点,同时计时器也开始计时,KM得点,SB1按钮断开,KM触点闭合实现自锁,此时KM、KMY触点闭合,电动机以Y型启动;当计时器计时时间到,如上电路图KMΔ线圈得到,KMΔ常闭触点断开KMY 线圈失电,KMY触点断开,KMΔ触点闭合进行工作,同时KMΔ动合触点闭合实现了互锁电路,此时电动机以Δ型运行。
实验一三相异步电动机启停控制实验一、实验目的:1.进一步学习和掌握接触器以及其它控制元器件的结构、工作原理和使用方法;2.通过三相异步电动机的启、停控制电路的实验,进一步学习和掌握接触器控制电路的结构、工作原理。
二、实验内容及步骤:图1-1为三相异步电动机的基本启停电路。
电路的基本工作原理是:首先合上电源开关QF5 ,再按下“启动”按钮,KM5得电并自锁,主触头闭合,电动机得电运行。
按下“停止”按钮,KM5失电,主触头断开,电动机失电停止。
实验步骤:1.按图1-1完成控制电路的接线;2.经老师检查认可后才可进行下面操作!3.合上断路器QF5,观察电动机和接触器的工作状态;4.按下操作控制面板上“启动”按钮,观察接触器和电动机的工作状态;5.按下操作控制面板上“停止”按钮,观察接触器和电动机的工作状态。
6.当未合上断路器QF5时,进行4和5步操作,观察结果。
图 1-1 三相异步电动机基本启停控制三.实验说明及注意事项1.本实验中,主电路电压为380VAC,请注意安全。
四.实验用仪器工具三相异步电动机 1台断路器(QF5) 1个接触器(KM5) 1个按钮 2个实验导线若干五.实验前的准备预习实验报告,复习教材的相关章节。
六.实验报告要求1.记录实验中所用异步电动机的名牌数据;2.弄清QF5型号和功能;3.比较实验结果和电路工作原理的一致性;4.说明6步的实验结果并分析原因。
七.思考题1.控制回路的控制电压是多少?2.接触器是交流接触器,还是直流接触器?接触器的工作电压是多少3.如果将A点的连线改接在B点,电路是否能正常工作?为什么?4.控制电路是怎样实现短路保护和过载保护的?5.电动机为什么采用直接启动方法?实验二三相异步电动机正反转控制实验一、实验目的:1.学习和掌握PLC的实际操作和使用方法;2.学习和掌握利用PLC控制三相异步电动机正反转的方法。
二、实验内容及步骤:本实验采用PLC对三相异步电动机进行正反转控制,其主电路和控制电路接线图分别为图2-1和图2-2 。
图中:正向按钮接PLC的输入口X0,反向按钮接PLC的输入口X1,停止按钮接PLC 的输入口X2,KM5为正向接触器,KM6反向接触器。
继电器KA5、KA6分别接于PLC的输出口Y33、Y34。
其基本工作原理为:合上QF1、QF5, PLC运行。
当按下正向按钮,控制程序使Y33有效,继电器KA5线圈得电,其常开触点闭合,接触器KM5的线圈得电,主触头闭合,电动机正转;当按下反向按钮,控制程序使Y34有效,继电器KA6线圈得电,其常开触点闭合,接触器KM6的线圈得电,主触头闭合,电动机反转。
实验步骤:1.在断电的情况下,学生按图2-1和图2-2接线(为安全起见,控制电路的PLC外围继电器KA5、KA6以及接触器KM5、KM6输出线路已接好);2.在老师检查合格后,接通断路器QF1、QF5 ;3.运行PC机上的工具软件FX-WIN,输入PLC梯形图;4.对梯形图进行编辑﹑指令代码转换等操作并将程序传至PLC;5.运行PLC,操作控制面板上的相应开关及按钮,实现电动机的正反转控制。
在PC机上对运行状况进行监控,同时观察继电器KA5、KA6和接触器KM5 、KM6的动作及变化情况,调试并修改程序直至正确;6.记录运行结果。
图 2-1 主控电路图 2-2 控制电路接线图三.实验说明及注意事项1.本实验中,继电器KA5、KA6的线圈控制电压为24V DC,其触点5A 220V AC(或5A 30V DC);接触器KM5、KM6的线圈控制电压为220V AC,其主触点25A 380V AC。
2.三相异步电动机的正、反转控制是通过正、反向接触器KM5、KM6改变定子绕组的相序来实现的。
其中一个很重要的问题就是必须保证任何时候、任何条件下正反向接触器KM5、KM6都不能同时接通,否则会造成电源相间瞬时短路。
为此,在梯形图中应采用正反转互锁,以保证系统工作安全可靠。
3.本实验中,主控电路的电压为380V DC,请注意安全!四.实验用仪器工具PC 机 1台PLC 1台编程电缆线 1根三相异步电动机 1台断路器(QF1、QF5) 2个接触器(KM5、KM6) 2个继电器(KA5、KA6) 2个按钮 3个实验导线若干五.实验前的准备1.预习实验报告,复习教材的相关章节;2.根据图2-1、图2-2画出梯形图,并写出指令代码。
六.实验报告要求画出梯形图,写出指令代码,分析实验结果。
七.思考题1.试比较继电器和接触器的结构及工作原理的异同点;2.请说明本实验中继电器的线圈工作电压和接触器的线圈工作电压分别是多少?3.试比较可编程控制器的三种输出接口:晶体管输出方式、晶闸管输出方式、继电器输出方式的工作原理异同点;4.能否将接触器KM5,KM6的线圈直接接至PLC的输出端Y33、Y34(注:本实验所用的PLC为FX2N-64MT,其输出接口为晶体管型)?实验三 PLC控制三相异步电动机变频调速实验一、实验目的1.学习和掌握变频器的操作及控制方法;2.测试三相异步电动机变频调速性能。
二、实验内容及步骤:松下VFO变频器的操作模式分:面板操作模式、外部操作模式以及混合操作模式三种。
面板操作模式是根据面板设定的启动信号和频率信号进行的运行方式;外部操作模式是根据外部的启动信号和频率信号进行的运行方式;混合操作模式是启动信号、频率信号分别由面板设定、外部设定(或分别由外部设定、面板设定)的运行方式。
变频器出厂时,已将操作模式设定为外部模式。
本实验采用外部操作模式(参数设置:P08=2 , P09=2)。
最大运行频率值采用出厂设定值50HZ 。
通过变频器控制三相异步电动机,并由三相异步电动机带动工作台主轴在不同频率下运行,同时测量并记录一些相关参数如:电压、速度等,从而得出三相异步电动机变频调速性能。
图3-1为VFO变频器外部操作模式连线图。
其中,PLC的电源由断路器QF1控制,VFO变频器的电源由断路器QF4和接触器KM4的主触头共同控制。
实验步骤:1.学生根据图3-1接线(为安全起见,变频器和三相异步电动机的主控电路以及PLC外围的继电器KA4、接触器KM4输出线路已接好);2.征得老师同意后,合上断路器QF1和QF4,输入并运行PLC程序;3.按“启动”按钮,接触器KM4的主触头闭合,变频器得电;4.按“正向”按钮,Y10输出,电动机正转。
根据实验记录表调节电位器1的旋钮,使电动机在某一频率下运行。
按“复位”按钮,定时器开始定时10S,同时计数器C240开始计数,其速度为:N(10S内主轴转数)×6。
记录正转时各频率所对应的电压值、速度值;5.按“反向”按钮,Y11输出,电动机反转。
根据实验记录表调节电位器1的旋钮,使电动机在某一频率下运行。
按“复位”按钮,定时器开始定时10S,同时计数器C240开始计数,其速度为:N(10S内主轴转数)×6。
记录反转时各频率所对应的电压值、速度值; 6.按“停止”按钮,电动机停转;图3-1 VFO变频器外部操作模式连线图三.实验说明及注意事项1.本实验中,电动机的工作电压为380VAC ,请注意安全;2.继电器接触器KM4的作用是给变频器上电,不可作为变频器的启停控制,否则损坏变频器。
变频器的启停由对变频器的输入端5的控制来实现, 变频器的正反转由对变频器的控制输入端6的控制来实现;3.“主轴准停”为安装于主轴上的接近开关的一个常开触点,用于测量主轴的旋转速度(r/min)。
X5作为高速计数输入端,与其相关联的内部高速计数器为C240 。
四.实验用仪器工具PC 机 1台PLC 1台RS-232串行电缆线 1根变频器 1台三相异步电动机 1台断路器(QF1、QF4) 2个继电器(KA4) 1个接触器(KM4) 1个按钮 5个实验导线若干五.实验前的准备预习实验指导书及附录相关内容。
六.实验报告要求1.画出PLC控制程序梯形图并写出相对应的指令代码;2.分别画出正转和反转时的:速度电压曲线(v/V) ,并分析之。
思考题1.试说明三相异步电动机变频调速的工作原理;实验四步进电机基本动作参数设定及控制实验一、实验目的1.学习和掌握步进电机的控制方法;2.了解步进电机的部分频率特性。
二、实验内容及步骤本实验的研究对象为X轴步进电机,控制系统原理图如图4-1所示。
其实验内容是对步进电机进行控制并了解其部分频率特性。
如:步进电机的工作频率、最高频率、突跳频率、振动频率等。
图4-1 控制系统原理图实验步骤:1. 学生根据图4-2接线(为安全起见,步进电机M和驱动器SH-20806C的主控电路以及PLC外围的继电器KA2、接触器KM2输出线路已接好);2. 征得老师同意后,合上断路器QF1和QF2 ;3. 输入PLC控制程序;4. 运行PLC ;5. 按“启动”按钮,接触器KM2的主触头闭合,驱动器SH-20806C得电;6. 按“正向”按钮,X轴正向移动;7. 按“反向”按钮,X轴反向移动;8. 按“复位”按钮,X轴回原位;9. 修改PLC程序及有关参数(其中加减速时间设为500MS),使X轴以200脉冲/S的速度运行,观察并记录X轴运行状况;10.修改PLC程序及有关参数(其中加减速时间设为500MS),使X轴以1000脉冲/S的速度运行,观察并记录X轴运行状况;11.修改PLC程序及有关参数(其中加减速时间设为500MS),使X轴以10000脉冲/S的速度运行,观察并记录X轴运行状况;12.修改PLC 程序及有关参数(其中加减速时间设为0),使X 轴以10000脉冲/S 的速度运行,观察并记录X 轴运行状况 ;13.按“停止”按钮,接触器KM2的主触头断开,驱动器SH-20806C 失电 。
图4-2 控制系统接线图三.实验说明及注意事项1.在控制步进电机启动时,如果频率升得太快,步进电机就会出现失步或不动现象;另一方面,在步进电机停止之前,如果控制频率降得太快,也会出现失步现象。
因此,在控制步进电机启动时,应先使步进电机在低频下启动,然后逐步加速,最后使其进给脉冲频率升到所要求的工作频率运行; 当需要电机停止时,将脉冲频率逐步降速, 然后再停止。
图4-3为步进电机升、降频示意图。
其中S1为步进电机工作频率;S2为输出脉冲总数;S3表示升、降频时间。
在加减速控制下,步进电机可达到的最大频率为最高频率;不进行加减速控制,步进电机从静止状态启动,不出现失步或不振动现象可达到的频率为突跳频率 。
图4-3 步进电机升、降频示意图2. 在本实验中,如果X 轴步进电机在较低的频率下运行(本实验为200脉冲/S 以下),步进电机振动,从而引起机械系统振动。
步进电机应避免在振动频率下运行 ;如果步进电机在300脉冲数(PLS )脉冲/S ~ 8000脉冲/S频率下运行,运行平稳;3.本实验步进电机57BYG250E的步距角为1.8度,驱动器向步进电机每发送200个脉冲,步进电机旋转1圈;4.步进电机旋转1圈,丝杆走1个螺距(4MM)。