CA6140卧式车床电气原理图分析
- 格式:pptx
- 大小:653.89 KB
- 文档页数:14
CA6140型车床电气控制电路分析一、普通车床的主要结构和运动形式车床是一种应用极为广泛的金属切削机床,主要用于加工各种回转表面(内外圆柱面、端面、成型回转面等),还可用于车削螺纹,并可用钻头。
铰刀等进行加工。
车床主要是由床身、主轴箱、进给箱、溜板箱、刀架、丝杠和尾架等部分组成。
图1所示为CA6140型普通车床的结构示意图。
1-主轴箱;2-刀架;3-尾座;4-床身;5、9-床腿;6-光杠;7-丝杠;8-溜板箱;10-进给箱;11-挂轮图1 CA6140型车床结构示意图CA6140普通车床型号的含义为:普通车床主要是由三个运动部分组成,一是卡盘带着工件的旋转运动,也就是车床主轴的运动。
车床根据工件的材料性质、车刀材料及几何形式、工件直径、加工方式及冷却的条件不同,要求主轴由不同的切削速度。
主轴运动是由主轴电动机经传输带传递到主轴变速箱来带动主轴旋转,而主轴变速箱则用于调节主轴的转速。
二是溜板箱带着刀架的直线运动,称为进给运动。
溜板箱把丝杠或光杆的运动传递给刀架部分,变换溜板箱外置的手柄位置,经刀架部分使车刀做纵向或横向进给。
三是刀架的快速移动和工件的夹紧和放松,称为车床的辅助运动。
尾座的移动和工件的装卸都是由人力操作,车床工作时大部分功率消耗在主轴运动上。
二、车床的电力拖动形式及控制要求车床的主轴一般只需要单向运转,只有在加工螺纹时要退刀,需要主轴反转。
根据加工工艺的要求,主轴应能够在相当宽的范围内进行调速,CA6140型车床的主轴正转速度有24种(10~1 400r/min),反转速度有12种(14~1 580r/min)。
CA6140型普通车床对电力拖动及其控制有以下要求:1主轴电动机从经济性、可靠性考虑,一般选用三相笼型异步电动机,不进行电气调速。
2主轴电动机的起动、停止采用按钮操作,一般普通车床上的三相异步电动机均采用直接起动。
停止采用机械制动。
3刀架移动和主轴转动有固定的比例关系,以满足对螺纹的加工需要。
加油站CA6140型卧式车床的电气控制电路一、CA6140型卧式车床的电气控制1、CA6140型卧式车床的电气控制电路(如图1-1)图1-1二、中小型车床对电气控制的要求1、主拖动电动机一般选用三相笼型异步电动机,为满足调速设计要求,采用机械变速。
主轴要求正、反转,对于小型车床主轴的正反转由拖动电动机正反转来实现;档拖动电动机容量较大时,可由摩擦离合器来实现主轴正反转,电动机只作单向旋转。
一般中小型车床的主轴电动机均采用直接起动。
当电动机容量较大时,常采用Y-△降压起动。
停车时为实现快速停车,一般采用机械或电气制动。
2、切削加工时,刀具与工件温度较高时需要切削液进行冷却。
为此。
设有一台冷却泵电动机,且与主轴电动机有着联锁关系,即冷却泵电动机应在主轴电动机启动后方可选择启动与否;当主轴电动机停止时,冷却泵电动机便立即停止。
3、速移动电动机采用点动控制,单方向旋转,靠机械结构实现不同方向的快速移动。
4、路应具有必要的保护环节、安全可靠的照明电路及信号指示。
三、CA6140电气控制电路分析1、主电路分析主电路中共有三台电动机,图中M1为主轴电动机,用以实现主轴旋转和进给运动;M2为冷却泵电动机;M3为溜板快速移动电动机。
M1、M2、M3均为三相异步电动机,容量均小于10kW,全部采用全压直接起动皆有交流接触器控制单向旋转。
M1电动机由起动按钮SB1,停止按钮SB2和接触器KM1构成电动机单向连续运转控制电路。
主轴的正反转由摩擦离合器改变传动来实现。
M2电动机是在主轴电动机起动之后,扳动冷却泵控制开关SA1来控制接触器KM2的通断,实现冷却泵电动机的起动与停止。
由于SA1开关具有定位功能,故不需自锁。
M3电动机由装在溜板箱上的快慢速进给手柄内的快速移动按钮SB3来控制KM3接触器,从而实现M3的点动。
操作时,先将快速进给手柄扳到所需移动方向,再按下SB3按钮,即实现该方向的快速移动。
三相相电源通过转换开关QS1引入,FU1和FU2作短路保护。
CA6140车床电气控制线路分析
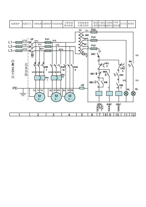
CA6140卧式车床电路图
接触器触头在电路图中位置的标记
栏目左栏中栏右栏
触头类型
主触头所处的
图区号辅助常开触头所处的
图区号
辅助常闭触头所处
的图区号
举例
KM 2 8 表示3对主触头
均在图区2
表示一对辅助常开触
头在图区8,另一对
常开触头在图区10
表示2对辅助常闭触
头未用
X
2 10
X
2
继电器触头在电路图中位置的标记
栏目左栏右栏
触头类型常开触头所处的图区号常闭触头所处的图区号举例
KA2
4 4 4
表示3对常开触头均在图
区4
表示常闭触头未用CA6140型卧式车床电气原理图
CA6140型卧式车床电气原理图
打开SB
CA6140型卧式车床电气原理图
合上电源开关QF
CA6140型卧式车床电气原理图
按下SB2
CA6140型卧式车床电气原理图
按下SB1,停
CA6140型卧式车床电气原理图在M1运行时,按下SB4
CA6140型卧式车床电气原理图
在M1、M2不停转的情况下,按下SB3
CA6140型卧式车床电气原理图
按下SA
CA6140型卧式车床电气原理图M1,M2不工作,快速移动刀架。
M3~M3~M3~设备界限PEL1L2L3V10U10W 10OFU11V11W11FU1U13V13W13KM 7FR171W1U 1V XBKA110KA29FR2103U 2U 3V 2V 2W3WTCFU2FU3FU4SQ110120124V6V110V1102103202FR12FR23SB4SB1SB2SB3KM KA2KA1KMKM 7SAELHL103456789121234567891011222108X X 444333电源保护电源开关主轴电机短路保护冷却泵电机刀架快速移动电机控制电源变压器及保护继电保护主轴电机控制刀架快速移动冷却泵控制信号灯照明灯CA6140车床U12V12W12W14V14U142YL-ZC型CA6140车床电路实训考核台故障点序号、编号及现象序号编号现象序号编号现象1 038-041间断路全部电机均缺一相,所有控制回路失效。
11093-094间断路闭合SA后,照明灯不亮。
2 049-050间断路主轴电机缺相。
12005-006间断路通电指示灯不亮。
3 052-053间断路主轴电机缺相。
13008-009间断路指示灯亮,其它控制均失效。
4 060-067间断路M2、M3电机缺一相,控制回路失效。
14012-018间断路主轴电机不能自锁,只是按钮SB2点动有效。
5 063-064间断路冷却泵电机缺一相。
15013-014间短路接通QS1主轴电机即启动,无需按SB2。
6 075-076间断路冷却泵电机缺一相。
16015-016间断路主轴电机不起动。
7 078-079间断路刀架快速移动电机缺一相。
17011-019间断路刀架快移及冷却泵操作失效。
8 084-085间断路刀架快速移动电机缺一相。
18019-020间短路接通QS1刀架即快移,无需按SB3。
9 002-005间断路除照明灯外,其它控制均失效。
19020-021间断路刀架快移电机不启动,刀加快移失效。
e-CA6140 机床控制参数表 系统参数表 参数号 参数值 标记 说明P1 915 # Z 正软限位P2 -5 # Z 负软限位P3 410 # X 正软限位P4 -10 # X 负软限位 P5 5000 Z 快移速度 P6 5000 X 快移速度 P7 0 # 反向间隙值 P8 0 # 反向间隙值 P9 1500 主轴低档转速P10 3000 主轴高档转速P11 01001100 位参数1 P12 10001000 位参数2 P13 4 4-8 刀位数 P14 10 刀架反转时间P15 10 M代码时间 P16 10 主轴制动时间P17 50 # Z 轴 最低起始速度P18 50 # X 轴 最低起始速度P19 300 @ Z 轴 加减速时间 P20 300 @ X 轴 加减速时间 P21 50 @ 切削进给 起始速度 P22 300 @ 切削进给 加减速时间 P23 10 # 程序段号间距P24 0 主轴中档转速P25 00000000 位参数3 注: 1、加‘*’的参数为系统参数,不能随意修改。
2、加‘#’的参数可现场修改。
3、加‘@’的参数影响加减速特征,用户需根据系统配置及负载特性做适当调整。
伺服参数表 参数号 X 轴 Z 轴 00 315 315 01 45 47 02 03 19 1904 0 0 *05 50 50*06 900 90007 50 60*08 120 15009 128 12810 0 011 16 1612 1 513 1 314 0 015 0 016 8 817 200 20018 0 0192021 200 20022 240 13023 2550 205024 100 1002526272829 3072 250030313233 175 21034 172 21835 -172 -21836 110 110注:1、N01表示电机型号。
2、加‘*’参数可根据负载进行调整:5号调整范围30~508号调整范围50~150 沈阳第一机床厂 1。