砌筑与抹灰单价分析表1
- 格式:xls
- 大小:31.50 KB
- 文档页数:2
混凝土工程项目投标单价分析表单价分析表项目编号:项目名称: 基岩初验单 价: 24.50 元/m²分析单位: 100m²编号 名称及规格 单位 数量 单价(元) 合价(元)一 直接费 2187。
841 基本直接费 2127.83(1) 人工费 870.84 工长 工时 15.58 10。
41 162。
19高级工 工时 24.98 7.69 192。
10中级工 工时 37。
60 5。
98 224.85初级工 工时 59。
41 4.91 291.70 (2) 材料费 668.20 扒子、铁锹 把 15。
00 16。
00 240。
00簸箕 个 15。
00 8.00 120.00编织袋 个 500.00 0。
50 250.00水 m3 50.00 1。
00 50.00其它材料费 % 2.00 410。
00 8.20 (3) 施工机械使用费 588.80 风水枪 台时 13.89 42.39 588.802 其它直接费 % 2.82 2127。
83 60。
00二 间接费 % 7。
60 2187.84 166。
28三 利润 % 2。
00 2354。
11 47.08四 税金 % 2。
03 2401。
19 48.74合 计 2449。
94单价分析表项目编号:项目名称: C35路面混凝土 厚35cm单 价: 345.57 元/m3分析单位: 100m3编号 名称及规格 单位 数量 单价(元) 合价(元)一 直接费 30860.141 基本直接费 30013。
75(1) 人工费 2429。
74 工长 工时 68。
98 10.41 718.08高级工 工时 79.78 7。
69 613。
51中级工 工时 94。
10 5。
98 562.72初级工 工时 109.05 4。
91 535。
44 (2) 材料费 22505。
28 混凝土 m3 102。
00 215.00 21930。
00水 m3 134。
上海市建设工程招标、投标电子系统打印
上海市建设工程招标、投标电子系统打印
上海市建设工程招标、投标电子系统打印
上海市建设工程招标、投标电子系统打印
17
17
上海市建设工程招标、投标电子系统打印
上海市建设工程招标、投标电子系统打印
上海市建设工程招标、投标电子系统打印
上海市建设工程招标、投标电子系统打印
上海市建设工程招标、投标电子系统打印
82
上海市建设工程招标、投标电子系统打印
上海市建设工程招标、投标电子系统打印
上海市建设工程招标、投标电子系统打印
上海市建设工程招标、投标电子系统打印
上海市建设工程招标、投标电子系统打印
上海市建设工程招标、投标电子系统打印
上海市建设工程招标、投标电子系统打印
9
9
上海市建设工程招标、投标电子系统打印
上海市建设工程招标、投标电子系统打印。
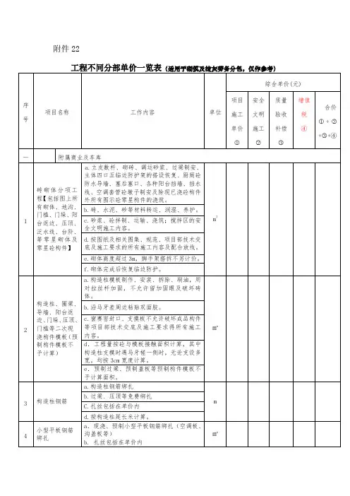
建筑工程每平方米实际材料用量及费用分析表一、砖混结构:1、水泥用量160Kg/㎡2、用砖量140-160块/㎡3、钢筋用量18-20Kg/㎡(6-7抗震)4、外墙抹灰面积=0.7-1倍建筑面积5、内墙抹灰面积=1.7倍建筑面积6、室内抹灰面积=3-3.4倍建筑面积7、 240砖墙 529块/m3;370砖墙 522块/m3;490砖墙 518块/m3;120砖墙 552块/m3;180砖墙 539块/m3;60砖墙 606块/m38、外墙瓷砖面积=0.3-0.33倍建筑面积二、工程造价:1、砖混结构:620-630元/㎡2、框架结构:900-1100元/㎡3、底框结构:650-680元/㎡4、剪力墙结构:1200元/㎡5、短肢剪力墙结构:860-900元/㎡6、厂房框架:1300元/㎡7、别墅:1000-1200元/㎡8、办公楼框架:1300-1500元/㎡三、水泥地面抹灰3㎡/袋四、框架结构:1、水泥用量175-190Kg/㎡2、用砖量110-130块/㎡3、钢筋用量35-40Kg/㎡;公共建筑50-60Kg/㎡:厂房:70Kg/㎡4、外墙抹灰0.7-0.9建筑面积5、内墙抹灰面积=1.7倍建筑面积6、粘灰面积=2倍建筑面积五、损耗外墙瓷砖:横贴20-25%;竖贴10-15%;砖混结构房屋多用标准砖砌筑,可通过以下经验公式计算出每立方米标准砖砌体的材料用量。
标准砖用量(块):A=8/(0.053+灰缝厚)*K/砖墙厚砂浆净用量(M3):1-0.0014628*A式中:(1)灰缝厚度、砖墙厚度的单位为米,计算时略去单位;(2)标准砖的尺寸及体积为长*宽* 厚=0.240*0.115*0.053=0.0014628(M3)(3)K为不同厚度砖砌体的砖数,见表1;上述公式不适用于空斗墙。
通过上式可以计算出每立方米砖墙的砖和砂浆的净用量,见表2。
这个公式在实际工程中应用时,还应考虑材料的损耗,砖和砂浆可考虑1%损耗率。
建筑工程新包工价格参考表模板:22—45元/平米(粘灰面)砼:45—50元/立钢筋:600—850元/吨,或者绑扎一个平方20-37元砌筑:90-150元/立抹灰:10—18元/平米(不扣除门窗洞口,不包括脚手架搭拆)面砖粘贴:包工墙面在35到45看面积。
地面28元/m2(修正)室内地面砖:(600*600)28元/平米踢脚线:12元/米室内墙砖:30元/平米(包括倒角)楼梯间石材:45元/平米踏步板磨边:16元/米石膏板吊顶:26元(平棚)铝扣板吊项:35元/平米蹲台隔断:180-360元/蹭位大白乳胶漆:16元/平米外墙砖:65元/平米外墙干挂蘑菇石:90元/平米屋面挂瓦:43元/平米水暖:22元/平米(建筑面积)住宅电气照明部分:23-26元/平米(修正)架子工:,一般挑架15到19元一平米,爬架13到16元,不含施工期间图纸变更,市政装潢架18到32元(实搭面积)(修正)房地产建筑成本(按建筑平方米算)桩基工程(如有):70~100元/平方米;钢筋:40~75KG/平方米(多层含量较低、高层含量较高),合160~300元/平方米;砼:0.3~0。
5立方/平方米(多层含量较低、高层含量较高),合100~165元/平方米;砌体工程:60~120元/平方米(多层含量较高、高层含量较低);抹灰工程:25~40元/平方米;外墙工程(包括保温):50~100元/平方米(以一般涂料为标准,如为石材或幕墙,则可能高达300~1000元/平方米;室内水电安装工程(含消防):60~120元/平方米(按小区档次,多层略低一些);屋面工程:15~30元/平方米(多层含量较高、高层含量较低);门窗工程(不含进户门):每平方米建筑面积门窗面积约为0。
25~0.5平方米(与设计及是否高档很大关系,高档的比例较大),造价90~300元/平方米,一般为90~150元/平方米,如采用高档铝合金门窗,则可能达到300元/平方米;土方、进户门、烟道及公共部位装饰工程:30~150元/平方米(与小区档次高低关系很大,档次越高,造价越高);地下室(如有):增加造价40~100元/平方米(多层含量较高、高层含量较低);电梯工程(如有):40~200元/平方米,与电梯的档次、电梯设置的多少及楼层的多少有很大关系,一般工程约为100元/平方米;人工费:130~200元/平方米;室外配套工程:30~300元/平方米,一般约为70~100元/平方米;模板、支撑、脚手架工程(成本):70~150元/平方米;塔吊、人货电梯、升降机等各型施工机械等(约为总造价的5~8%:约60~90元/平方米;临时设施(生活区、办公区、仓库、道路、现场其它临时设施(水、电、排污、形象、生产厂棚与其它生产用房):30~50元/平方米;检测、试验、手续、交通、交际等费用:10~30元/平方米;承包商管理费、资料、劳保、利润等各种费用(约为10%):以上各项之和*10%=90~180元/平方米;上交国家各种税费(总造价3.3~3。
抹灰砌墙项目定额中人工~利润单位价格表工程名称:抹灰砌墙项目人工专业:土建工程第1页/共1页序号项目名称计量单位工程量人工费机械费管理费利润备注1空心砖墙1/2砖m3144.102空心砖墙1砖m3136.953空心砖墙1砖半m3132.924人工运土方运距20m以内m31 5.395人工运石方运距20m以内m3110.566实心砖墙单面清水砖墙1/2砖m3172.477实心砖墙单面清水砖墙3/4砖m3171.358实心砖墙单面清水砖墙1砖m3162.259实心砖墙单面清水砖墙1砖半m3158.8210实心砖墙单面清水砖墙2砖及2砖以上m3156.5411零星砖砌体m3175.8712砖砌台阶m3116.0313砖砌锅台m31120.34 2.2314现场搅拌砌筑砂浆水泥砂浆强度等级M2.5m3113.3116.2615现场搅拌砌筑砂浆水泥砂浆强度等级M5m3113.3116.2616墙、地面三元乙丙橡胶卷材冷贴满铺平面m217.0517墙、地面三元乙丙橡胶卷材冷贴满铺立面m219.1018楼地面隔热聚苯乙烯泡沫塑料板m31170.0619楼地面砼或硬基层上水泥砂浆找平层20mm m21 3.100.3320楼地面细石砼找平层每增减5mm m210.540.0821水泥砂浆楼地面20mm m21 4.080.3322水泥砂浆楼地面加浆抹光随捣随抹5mm m21 2.980.0923水泥砂浆踢脚板底20mm100m1 1.990.0524水泥砂浆楼梯20mm m2115.740.4425水泥砂浆台阶20mm m2111.120.4826水泥砂浆20mm零星项目m21 4.420.3627墙面墙裙抹水泥砂浆20mm 砖墙m217.3328一般抹灰砂浆厚度调整抹灰层每增减1mm石灰砂浆m210.180.0229建筑物20m内垂直运输混合结构m21 6.18。