外墙保温进场验收记录文本
- 格式:doc
- 大小:184.00 KB
- 文档页数:17
外墙保温基层处理检验批检查验收记录检查时间:XXXX年XX月XX日检查单位:XXXX建设工程质量监督部门一、项目基本信息项目名称:XXXX工程施工单位:XXXX施工公司监理单位:XXXX监理公司二、检查内容本次检查主要针对外墙保温基层处理情况进行验收,包括基层处理材料、施工工艺和施工质量等方面。
三、检查情况1.基层处理材料1.1基层处理材料的采购根据施工单位提供的采购记录和供货单位提供的供货证明,基层处理材料的采购符合工程规范和质量要求。
1.2基层处理材料的保管根据现场观察和询问施工单位负责人,基层处理材料储存条件符合要求,未出现明显的质量问题。
2.施工工艺2.1基层处理工艺方案根据施工单位提供的基层处理工艺方案和相关图纸,设计方案符合施工要求,能够保证外墙保温质量。
2.2基层处理施工记录根据施工单位提供的施工记录,确认施工过程中基层处理工艺按照要求进行,施工过程符合工程规范。
3.施工质量3.1基层处理质量现场对基层处理情况进行抽查,发现基层处理平整度符合规范要求,无明显裂缝和凹凸不平现象。
3.2基层处理质量检测根据施工单位提供的基层处理质量检测报告,发现基层处理强度和附着力等性能指标符合规范要求,能够满足外墙保温系统的稳定性和耐久性要求。
四、存在的问题1.部分墙面基层处理材料的涂刷厚度不够均匀,需要进行修补。
2.部分墙面基层处理存在细微的凹凸不平现象,需要进行修整。
五、整改措施1.施工单位负责人将核实涂刷厚度不够均匀的墙面,并组织工人进行修补。
2.施工单位负责人将组织工人对凹凸不平的墙面进行修整,使其达到规范要求。
六、复验计划施工单位负责人将在修补和修整完毕后,及时通知监理单位进行复验。
七、验收结论经过检查,外墙保温基层处理材料、施工工艺和施工质量均符合要求,但存在部分质量问题,需要整改。
整改完毕后,施工单位负责人应及时通知监理单位进行复验。
八、备注本次检查结果仅针对外墙保温基层处理情况,其他施工工序未涉及。
保温工程质量验收记录一、工程概况1.工程名称:保温工程2.工程地点:****3.工程面积:****4.建设单位:****5.施工单位:****6.监理单位:****7.验收时间:****年**月**日二、验收内容1.工程施工情况(1)确认施工进度是否按照施工计划进行;(2)检查施工人员是否具备相关证书和资质;(3)检查施工现场是否按照相关规定进行标识和引导;(4)确认施工现场是否整洁,安全设施是否齐全;(5)确认施工过程中是否按照相关规范操作。
2.施工材料验收情况(1)检查施工现场材料堆放是否规范,是否有防晒、防潮措施;(2)检查材料集中地是否可以满足材料的保护和管理要求;(3)对保温材料进行抽样检测,检查其规格、性能是否符合合同要求;(4)对保温材料的运输过程进行检验,包括是否有受潮、破损等问题。
3.工程质量验收情况(1)检查施工图纸、设计文件是否完备,是否符合相关规范;(2)对施工技术要求进行检验,包括保温层的施工工艺、层数是否符合设计要求;(3)对施工工序进行现场抽样检测,确保施工质量符合相关标准;(4)检查工程结构是否牢固,是否有渗漏、脱落等问题。
4.工程验收结果(1)工程施工合格意见;(2)工程存在问题和不合格意见,提出整改要求;(3)整改方案和验收复查计划的制定。
三、验收结论1.工程施工合格意见(1)施工人员具备相关资格和证书,施工进度按计划进行;(2)施工现场环境整洁,安全设施齐全;(3)材料的堆放、保护和运输符合相关规定;(4)施工工艺按照设计要求进行,施工质量符合标准;(5)工程结构牢固,符合相关规范要求。
2.工程存在问题和不合格意见记录工程存在的问题和不合格情况,以及具体的整改要求。
3.整改方案和验收复查计划根据工程存在的问题和不合格情况,制定整改方案,并确定验收复查计划,以确保问题得到解决和合格。
四、附录1.相关备案资料:工程施工图纸、设计文件、合同及相关证照等;2.验收人员名单;3.相关抽样检测报告;4.工程照片和现场记录等。
外墙外保温样板检查验收记录外墙外保温样板验收记录工程名称欣嘉园3号地项目二标段总包单位天津二建建筑工程有限公司施工部位外墙外保温分包单位天津东信建筑工程有限公司验收日期年月日一、节能设计依据:1、《天津市居住建筑节能设计标准》 DB29-1-20132、《民用建筑热工设计规范》 GB50176-933、《墙体材料应用统一技术规范》 GB50574-20104、《外墙外保温工程技术规程》 JGJ144-20045、《天津市岩棉外墙外保温系统应用技术规程》DB/T29-217-20136、《建筑外墙外保温防火隔离带技术规程》 JGJ289-20127、《天津市泡沫塑料板薄抹灰外墙外保温系统应用技术规程》DB/T29-227-2014 8、《天津市民用建筑围护结构节能检测技术规程》DB/T29-88-2014 9、《天津市民用建筑节能工程施工质量验收规程》DB29-126-201410、《市建设交通委关于印发天津市民用建筑外墙外保温工程管理办法的通知》津建科【2013】504号文11、《市建委市公安局关于进一步提高我市民用建筑节能工程防火技术要求的通知》津建科(2015)522号二、节能设计做法(建筑专业)1、常用建筑材料热工计算参数表:注:以上常用建筑材料热工计算参数表选自《天津市公共建筑节能设计标准》DB29-153-2014附录F 2、主要围护结构的构造设计:1)外露梁、柱结构性热桥部位,外墙挑出构件、附墙构件等和外门窗洞口室外部分的侧墙面,采用隔断热桥或保温措施,为30厚膨胀玻化微珠保温隔热砂浆。
2)外门窗附框与外墙之间的缝隙采用防水砂浆抹平,外门窗框与附框之间的缝隙采用聚氨酯高效保温材料发泡填充饱满,其洞口周边缝隙内外两侧采用中性硅酮系列建筑密封胶密封,严禁采用普通水泥砂浆补缝,当外窗安装采用金属附框时,附框内应满填保温材料,且外墙外保温材料应完全覆盖附框,门窗上口应做滴水线。
3)凸窗凸出(从外墙外保温完成面至凸窗框外表面)400mm ,满足不大于400mm 的规定,且其不透明的顶板、底板、侧板的传热系数当采用石墨聚苯板时不大于外墙的平均传热系数,当采用岩棉板时大于外墙的平均传热系数,保温材料名称密度p Kg/m 3标准值导热系数修正系数(α)燃烧性能等级备注导热系数入 [w/(m.k )]蓄热系数s [w/(㎡.k)] 使用部位岩棉板 140-160 0.040 0.75 1.20 A 级外墙挤塑聚苯板 22-35 0.032 0.32 1.10 B1级屋顶、分户楼板、周边地面模塑石墨聚苯板 18-22 0.033 0.36 1.05 B1级外墙蒸压加气混凝土砌块≤600 0.160 3.11 1.25 A 级外、内墙膨胀玻化微珠保温砂浆≤3000.0701.151.25A 级内墙、热桥部位设计单位验收意见:项目负责人:年月日分包单位验收意见:项目负责人:年月日施工单位验收意见:项目负责人:年月日供货单位验收意见:项目负责人:年月日监理单位验收意见:项目负责人:年月日建设单位验收意见:项目负责人:年月日工程名称欣嘉园3号地项目二标段外墙外保温样板验收记录外墙外保温样板验收记录总包单位天津二建建筑工程有限公司施工部位外墙外保温分包单位天津东信建筑工程有限公司验收日期年月日进行权衡计算。
外墙保温隐蔽工程验收记录日期:XXXX年XX月XX日工程名称:XXXX外墙保温工程一、工程基本信息1.1工程名称:XXXX外墙保温工程1.2工程地点:XXXX市XXXX区XXXX路XXXX号1.3建设单位:XXXX公司1.4施工单位:XXXX建筑装饰有限公司1.5监理单位:XXXX工程监理有限公司1.6验收人员:XXX、XXX、XXX等二、施工过程2.1工程施工起止时间:XXXX年XX月XX日至XXXX年XX月XX日2.2施工内容:本次外墙保温隐蔽工程主要包括保温材料的安装,保温层与建筑结构之间的复合处理,外墙饰面层的施工等。
三、隐蔽工程验收3.1在施工过程中,我们按照相关规范和要求对外墙保温的隐蔽工程进行了严格的验收。
3.2在隐蔽工程验收过程中,我们主要对以下几个方面进行了检查和记录:3.2.1保温材料安装:检查保温材料的品质和规格是否符合设计文件的要求,检查施工人员是否按照相关要求进行施工。
3.2.2保温层与建筑结构的复合处理:对保温层与建筑结构的粘结强度、抗拉强度等进行了检测,确保其符合设计要求。
3.2.3外墙饰面层施工:检查外墙饰面层的工艺是否符合设计规定,检查饰面层的质量和外观效果。
3.2.4排水系统:检查外墙保温隐蔽工程是否设置了合理的排水系统,确保排水畅通。
3.3隐蔽工程验收结果如下:3.3.1保温材料安装:保温材料的规格和品质符合设计文件的要求,施工人员按照相关要求进行施工,无明显质量问题。
3.3.2保温层与建筑结构的复合处理:复合层与建筑结构之间的粘结强度和抗拉强度均符合设计要求。
3.3.3外墙饰面层施工:外墙饰面层的工艺符合设计规定,饰面层质量良好,外观效果满意。
3.3.4排水系统:外墙保温隐蔽工程设置了合理的排水系统,确保排水畅通。
四、隐蔽工程合格性评定4.1经过严格的隐蔽工程验收,现对本次外墙保温工程的隐蔽工程进行合格性评定,结论如下:4.2本次外墙保温工程的隐蔽工程符合设计要求,吻合相关规范和标准,经验收人员认为合格。
下面是赠送的范文,不需要的朋友可以下载后编辑删除2013党风建设心得体会范文按照上级的统一部署,我们认真组织开展了党风廉政建设教育活动。
通过学习,我对活动的重要意义有了一个更高的认识,使我对开展党风廉政建设的重要性和必要性有了更进一步的认识和了解。
可以肯定地说,通过这次教育活动,使自己对相关内容在原有的学习基础上有了更进一步的提高,在一些方面拓宽了思路,开阔了视野,增强了搞好工作的信心。
现就学习情况谈一点粗浅的认识和看法。
一、加强党风廉政建设,干干净净履行职责党风廉政建设关乎民心向背,关乎事业成败。
党中央领导集体对加强党风廉政建设和反腐败斗争给予高度关注和重视,采取了强力措施,中纪委三次全会上提出了“四大纪律”、“八项要求”,中央连续出台了《党内监督条例》和《纪律处分条例》两个法规,充分显示了坚持不懈反腐倡廉的强大决心。
对于廉洁自律问题,要把握好两条:一要干事,二要干净,也就是既勤又廉。
不勤政无以立业,就没地位;不廉政无以立身,就栽跟头。
要把这两条统一起来对待,经得起考验,树立好形象。
1、要警钟长鸣,筑牢防线。
任何腐化、腐败行为都是从思想的蜕化开始的,都有一个思想演变的过程。
因此,把牢思想这一关是最有效的预防,加强思想教育也是反腐倡廉的根本之策。
我们一时一刻都不能放松世界观、人生观、价值观的改造。
要认识到权力是一把双刃剑,用好了能为民造福,用不好也能为自己造“罪”。
我虽然只是公安局一名普通民警,也应该倍加珍惜得来不易的工作,不要因一念之差给家庭、给亲人带来无以挽回的痛苦。
2、从严自律,管住自己。
当前市场经济的趋利性逐步渗透到社会生活的方方面面,形形色色的价值观不断充斥人们的思想,我们现在各方面的条件也有了很大的改善。
但越是在这种形势下,越要保持清醒的头脑,越要保持艰苦奋斗的作风,越要从方方面面严格要求自己。
稍有不慎,就可能犯错误、栽跟头。
“常在河边走,难得不湿鞋”,就是要时时刻刻谨小慎微。
我们每一名党员干部都要正确行使手中的权力,在大事上一定要泾渭分明,小节上时刻从严把握,哪些事能做,哪些事不能做,脑子里要有明确的界限,自重、自省、自警、自励,清清白白从政,踏踏实实干事,堂堂正正做人。
外墙保温隐蔽工程验收记录1. 项目概述本项目为某高层住宅小区外墙保温工程,总面积约为6000平方米,工程采用挂板外墙保温系统。
本文档为隐蔽工程验收记录,主要记录外墙保温工程中的关键节点以及质量检查情况。
2. 工程进度本次外墙保温工程于2021年3月15日正式开始施工,预计完工日期为2021年5月20日。
截至2021年4月15日,本工程的主体施工已经完成,隐蔽工程验收也已经完成了50%左右。
3. 关键隐蔽工程节点3.1. 板材包扎板材包扎是保温系统的核心部分,保温板要求平整无明显鼓包和挤压变形。
带钉保温板固定钉长短要求相同,保温板固定钉孔必须垂直深入,严禁出现歪斜或插不入现象。
施工时要求备料,防止板材遗失。
3.2. 防水层施工防水层是保障隐蔽工程质量的关键,施工要求一次成形,重点检查三通和弯头部位的施工质量。
防水层材料要求全是品牌新材料,保证施工质量达到标准。
3.3. 粘结剂施工粘结剂的施工质量直接影响保温材料与墙体之间的粘结强度。
施工前要按要求预留脚手架固定点,施工过程中,要检查粘结是否牢固,是否有漏粘现象。
4. 隐蔽工程验收记录在工程的隐蔽工程验收过程中,本项目针对关键节点进行了严格把关,每个节点都进行了仔细检查,并记录在此文档中。
验收记录如下:工程名称验收时间验收情况板材包扎2021-3-25 合格防水层施工2021-4-2 合格粘结剂施工2021-4-12 合格防火隔离带施工2021-4-15 不合格5. 验收本次外墙保温工程的隐蔽工程验收记录如上所示。
在所有关键节点的验收过程中,工程均达到了预期的质量标准,而防火隔离带施工不合格,我们将进行整改,并在下次验收时仔细检查确认。
外墙内保温检验批质量验收记录一、项目概述为确保工程质量符合相关标准和技术要求,对外墙内保温进行了检验批质量验收工作。
本文档旨在对验收过程、验收结果及问题处理等进行详细记录,为工程质量的监督和管理提供依据。
二、验收时间及地点验收时间:[填写具体时间]验收地点:[填写具体地点]三、验收人员本次验收由以下人员参与:1. 验收人员1:[填写姓名]2. 验收人员2:[填写姓名]3. 验收人员3:[填写姓名]4. 验收人员4:[填写姓名]四、检查内容本次验收主要检查以下内容:1. 外墙内保温材料的质量及安装情况2. 外墙内保温层的厚度与设计要求是否一致3. 外墙内保温层的表面平整度和垂直度4. 外墙内保温层与结构之间的粘接情况5. 外墙内保温层的防水性能五、验收过程1. 验收人员按照验收内容对施工现场进行实地勘察和测量,并记录实际情况。
2. 对外墙内保温材料进行抽样检测,检测项目包括材料的密度、导热系数、抗拉强度等。
3. 对外墙内保温层的厚度进行测量,与设计要求进行比对。
4. 对外墙内保温层的表面平整度进行测量,记录测量结果。
5. 对外墙内保温层的垂直度进行测量,记录测量结果。
6. 对外墙内保温层与结构之间的粘接情况进行检查,记录问题及处理办法。
7. 对外墙内保温层进行防水性能测试,记录测试结果。
六、验收结果1. 外墙内保温材料的质量符合相关标准和技术要求。
2. 外墙内保温层的厚度与设计要求一致。
3. 外墙内保温层的表面平整度满足要求,无明显凹凸不平。
4. 外墙内保温层的垂直度满足要求,无明显倾斜。
5. 外墙内保温层与结构之间的粘接情况良好,无松动或空鼓现象。
6. 外墙内保温层的防水性能满足要求,无渗水现象。
七、存在的问题及处理办法1. 问题1:[填写具体问题描述]处理办法:[填写问题的处理办法]2. 问题2:[填写具体问题描述]处理办法:[填写问题的处理办法]八、备注[填写备注信息]九、附件清单本次验收记录无附件。
外墙保温基层处理检验批检查验收记录
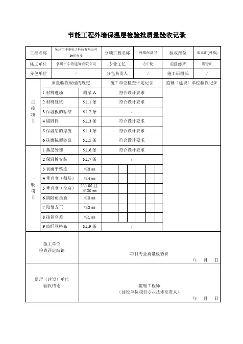
外墙保温层检验批检查验收记录
外墙保温抹面验收批检查验收记录
外墙保温变形缝检验批检查验收记录
外墙保温饰面层检验批检查验收记录
建筑节能分部工程质量验收表
建筑节能分项工程质量验收表
外墙保温基层处理检验批检查验收记录
外墙保温基层处理检验批检查验收记录
外墙保温基层处理检验批检查验收记录
外墙保温基层处理检验批检查验收记录
外墙保温基层处理检验批检查验收记录
外墙保温基层处理检验批检查验收记录
外墙保温基层处理检验批检查验收记录
外墙保温基层处理检验批检查验收记录
外墙保温基层处理检验批检查验收记录
外墙保温层检验批检查验收记录
外墙保温层检验批检查验收记录
外墙保温层检验批检查验收记录
外墙保温层检验批检查验收记录
外墙保温层检验批检查验收记录
外墙保温层检验批检查验收记录
外墙保温层检验批检查验收记录
外墙保温层检验批检查验收记录
外墙保温层检验批检查验收记录
外墙保温抹面验收批检查验收记录
外墙保温抹面验收批检查验收记录
外墙保温抹面验收批检查验收记录
外墙保温抹面验收批检查验收记录
外墙保温抹面验收批检查验收记录
外墙保温抹面验收批检查验收记录
外墙保温抹面验收批检查验收记录
外墙保温抹面验收批检查验收记录
外墙保温抹面验收批检查验收记录。
隐蔽工程验收记录工程名称淅川县第七小学建设项目编号09-01-01-C5- 001隐验项目外墙保温一体板节能隐验日期2019年6月4日隐验部位D区(A-D轴/A-1~A-12轴)北立面隐验依据:施工图号建施说明、平面图、立面图,设计变更/洽商/技术核定单(编号)及有关国家现行标准等。
主要材料名称及规格/型号:外墙保温装饰一体板(岩棉板)隐检内容:1、材料有出厂合格证及检验报告,规格型号符合要求,材料复检合格。
基层墙体表面没有有油污、脱模剂、浮尘等污染物,墙体工程平整度达到要求,经有关部门检查验收合格。
2、外墙面采用外墙保温装饰一体板(岩棉板)保温系统。
其保温体系构造由内到外,依次为:①.基层墙体表面清理干净,满涂界面砂浆②.砌体墙与混凝土结构件结合缝侧每边200mm(不小于150)宽墙面上,抹一层聚合物水泥砂浆加强层,中间压入Ф0.6热镀锌钢丝网③.10厚聚合物水泥防水砂浆(防水层)⑤.60mm厚外墙保温装饰一体板(岩棉板)⑥.锚栓安装⑦.面层处理3、在建筑物外墙大角(阳角、阴角)、飘窗沿、阳台沿、平窗套及其他必要处挂垂直基准钢线,每个楼层适当位置挂水平线,以控制岩棉板的垂直度和平整度。
4、保温层与墙体以及各构造层之间必须粘结牢固,无松动和虚粘现象。
隐检内容已做完,请予以检查。
检查结论:同意隐蔽不同意隐蔽,修改后复查复查结论:复查人:复查日期:签字栏施工单位(章)郑州达凯建筑工程有限公司专业技术负责人专业质检员专业工长监理或建设单位(章)淅川县工程建设监理有限公司专业工程师工程名称淅川县第七小学建设项目编号09-01-01-C5- 002隐验项目外墙保温一体板节能隐验日期2019年6月8日隐验部位D区西立面(A-A~A-D轴/A-1轴)及南立面(A-A轴/A-1~A-4轴)隐验依据:施工图号建施说明、平面图、立面图,设计变更/洽商/技术核定单(编号)及有关国家现行标准等。
主要材料名称及规格/型号:外墙保温装饰一体板(岩棉板)隐检内容:1、材料有出厂合格证及检验报告,规格型号符合要求,材料复检合格。
外墙外保温样板验收记录
外墙外保温样板验收记录外墙外保温样板验收记录
外墙外保温样板验收记录
基层抹灰防水保温板排板及钉子
设计单位验收意见:项目负责人:
年月日施工单位验收意见:
项目负责人:
年月日
监理单位验收意见:
项目负责人:
年月日
建设单位验收意见:
项目负责人:
年月日外墙外保温样板验收记录
阴阳角搭接窗口样板工序分层整体样板
设计单位验收意见:项目负责人:
年月日施工单位验收意见:
项目负责人:
年月日
监理单位验收意见:
项目负责人:
年月日
建设单位验收意见:
项目负责人:
年月日。