010312_水泥粉煤灰碎石桩复合地基工程检验批质量验收记录表
- 格式:xls
- 大小:20.50 KB
- 文档页数:1
水泥粉煤灰碎石桩复合地基检验批质量验收记录一、前言在建筑行业中,地基的稳定性和质量直接影响到建筑物的安全性和使用寿命。
水泥粉煤灰碎石桩复合地基是一种常用的地基处理方法,其质量的好坏直接关系到建筑物的安全。
因此,对水泥粉煤灰碎石桩复合地基的质量进行检验和验收是非常重要的。
本文将从理论和实践两个方面,对水泥粉煤灰碎石桩复合地基的检验批质量验收记录进行详细的分析和探讨。
二、理论分析1.1 水泥粉煤灰碎石桩复合地基的组成和作用水泥粉煤灰碎石桩复合地基是由水泥、粉煤灰、碎石等材料组成的,具有较强的耐久性和稳定性。
它的主要作用是增加地基的承载力,提高地基的稳定性,减少地基沉降,防止地基土体的破坏。
它还具有良好的渗透性能和抗渗性能,可以有效地防止地下水侵蚀地基。
1.2 水泥粉煤灰碎石桩复合地基的质量要求水泥粉煤灰碎石桩复合地基的质量要求主要包括以下几个方面:(1)强度要求:水泥粉煤灰碎石桩复合地基的强度应符合设计要求,以保证地基的承载能力。
(2)稳定性要求:水泥粉煤灰碎石桩复合地基应具有良好的稳定性,能够承受各种荷载,不发生沉降或变形。
(3)渗透性能要求:水泥粉煤灰碎石桩复合地基应具有良好的渗透性能和抗渗性能,能够有效防止地下水侵蚀。
(4)耐久性要求:水泥粉煤灰碎石桩复合地基应具有较长的使用寿命,能够在各种环境条件下保持稳定。
1.3 水泥粉煤灰碎石桩复合地基的检验方法水泥粉煤灰碎石桩复合地基的检验方法主要包括以下几个方面:(1)现场检查:检查施工现场是否符合施工规范要求,如材料的质量、施工工艺等。
(2)试验检测:通过实验室试验,对水泥粉煤灰碎石桩复合地基的强度、稳定性等性能进行检测。
(3)钻孔取样:在施工完成后,对水泥粉煤灰碎石桩复合地基进行钻孔取样,分析其内部结构和性能。
三、实践分析2.1 检验批质量验收记录的编制在进行水泥粉煤灰碎石桩复合地基的检验批质量验收时,需要编制详细的检验批质量验收记录。
记录内容包括:施工单位名称、工程名称、工程地点、检验日期、检验人员、检验结果等。
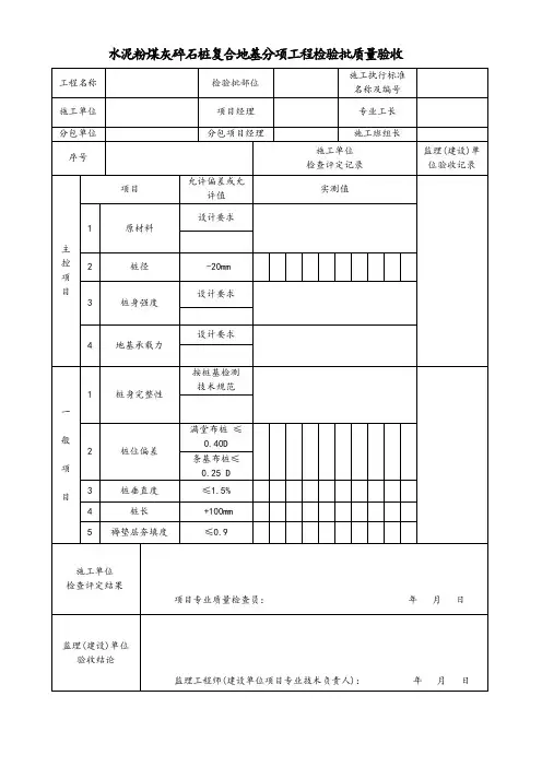
水泥粉煤灰碎石桩复合地基工程检验批质量验收记录GB50202-2002A-25 单位(子单位)工程名称分部(子分部)工程名称验收部位施工单位项目经理专业分包单位分包项目经理施工执行标准名称及编号施工质量验收规范的规定施工单位检查评定记录监理单位验收记录主控项目1 原材料设计要求2 桩径(mm)-203 桩身强度设计要求4 地基承载力设计要求一般项目1 桩身完整性按桩基检测技术规范2 桩位偏差满堂布桩≤0.40D条基布桩≤0.25D3 桩垂直度(%)≤1.54 桩长(mm)+1005 褥垫层夯填度≤0.9施工单位检查评定结果项目专业质量检查员:年月日监理单位验收结论专业监理工程师:年月日填表说明1、水泥、粉煤灰、砂石碎石等原材料应符合设计要求。
2、施工中应检查桩身混合料的配合比、坍落度和提拔钻杆速度(或提拔套管速度)、成孔深度、混合料灌入量等。
说明:提拔钻杆(或套管)的速度必须与泵入混合料的速度相配,否则容易产生缩颈或断桩,而且不同土层中提拔的速度不一样,砂性土、砂质粘土、粘土中提拔的速度为1.2-1.5m/min,在淤泥质土中应当放慢。
桩顶标高应高出设计标高0.5m。
由沉管方法成孔后时,应注意新施工桩对已成桩的影响,避免挤桩。
3、地基承载力检验数量为总数的0.5~1%,但不应少于3处,有单桩强度检验要求时,数量为桩总数的0.5~1%,但不应少于3根。
其它项抽查20%。
说明:复合地基检验应在桩体强度符合试验荷载条件时进行,一般宜在施工结束后2-4周后进行。
4、水泥粉煤灰碎石桩复合地基的质量检验标准应符合表4.13.4的规定水泥粉煤灰碎石桩复合地基质量检验标准项序检查项目允许偏差或允许值检查方法单位数值主控项目1 原材料设计要求查产品合格证或抽样送检2 桩径mm -20 用钢尺量或计算填料量3 桩身强度设计要求查28d试块强度4 地基承载力设计要求按规定的办法一般项目1 桩身完整性按桩基检测技术规范按桩基检测技术规范2 桩位偏差满堂布桩≤0.04D用钢尺量,D为桩径条基布桩≤0.25D3 桩垂直度% ≤1.5用经纬仪测桩管4 桩长mm 100 测桩管长度或垂球测孔深5 褥垫层夯填度≤0.9用钢尺量注:1、夯填土指夯实后的褥垫层厚度与虚体厚度的比值。
水泥粉煤灰碎石桩复合地基检验批质量验收记录话说这天,咱们工地上的监理大哥,拿着一大摞文件,来到了我们的地基施工现场。
他是来检查我们这个水泥粉煤灰碎石桩复合地基的检验批质量是否合格的。
我这心里可是紧张得呀,生怕哪里出了差错,让监理大哥不满意。
不过,我也知道,咱也不能一直紧张着,得想点办法放松一下。
于是,我就跟工友们聊起了天气、八卦什么的,顺便也了解一下监理大哥的背景。
原来,这位监理大哥呀,可是个严格要求的人。
他曾经在一家大型建筑公司工作过,那时候他可是出了名的“铁面无私”,对工程质量的要求可是高得离谱。
不过,他的手下却也是人才辈出,因为他总是能把那些看似不起眼的小问题挑出来,让大家都觉得他是个“鸡蛋里挑骨头”的人。
所以,大家都叫他“鸡蛋仔”。
聊天间,监理大哥终于来了。
他一边看着我们的地基施工图纸,一边跟我们讲解这个水泥粉煤灰碎石桩复合地基的特点和要求。
我听着他那一口标准的普通话,心里暗自下定决心,一定要把他的要求都满足了,让他刮目相看。
监理大哥对我们的地基设计图纸进行了详细的检查。
他说:“你们这个地基的设计图纸可不能马虎,要严格按照国家标准来。
”我连忙点头称是,心里暗暗发誓,以后再也不偷懒了。
接着,监理大哥又对我们的施工过程进行了抽查。
他说:“你们这个施工过程可不能马虎,要严格按照施工规范来进行。
”我又连忙点头称是,心里暗暗发誓,以后再也不拖延工期了。
然后,监理大哥又对我们的地基材料进行了检查。
他说:“你们这个地基材料可不能马虎,要严格按照质量标准来。
”我又连忙点头称是,心里暗暗发誓,以后再也不偷工减料了。
监理大哥对我们的地基验收记录进行了审查。
他说:“你们这个地基验收记录可不能马虎,要严格按照验收标准来。
”我再次连忙点头称是,心里暗暗发誓,以后再也不敷衍了事了。
经过一番严格的检查,监理大哥终于宣布我们的水泥粉煤灰碎石桩复合地基合格了。
我这心里呀,简直高兴得比中了大奖还高兴。
不过,我也明白,这只是我们施工过程中的一个小小的胜利,我们还得继续努力,不能掉以轻心。
水泥粉煤灰碎石桩复合地基检验批质量验收记录一、前言水泥粉煤灰碎石桩复合地基是一种常用的地基处理方法,其质量的好坏直接关系到建筑物的稳定性和安全性。
因此,在施工过程中,对水泥粉煤灰碎石桩复合地基的质量验收显得尤为重要。
本文将从理论和实践两个方面,对水泥粉煤灰碎石桩复合地基检验批质量验收记录进行详细的分析和探讨。
二、理论分析1.1 水泥粉煤灰碎石桩复合地基的构造原理水泥粉煤灰碎石桩复合地基是由水泥、粉煤灰、碎石等材料按一定比例混合制成的,具有一定的强度和刚度。
在施工过程中,通过钻孔、灌注等方式,将混合料注入地下,形成一个连续的复合地基。
这种地基具有较好的承载能力和抗沉降能力,能够有效地提高建筑物的稳定性和安全性。
1.2 水泥粉煤灰碎石桩复合地基的质量要求水泥粉煤灰碎石桩复合地基的质量要求主要包括以下几个方面:(1)强度:水泥粉煤灰碎石桩复合地基的强度应符合设计要求,以保证其具有足够的承载能力。
(2)刚度:水泥粉煤灰碎石桩复合地基的刚度应符合设计要求,以保证其具有良好的变形性能。
(3)沉降量:水泥粉煤灰碎石桩复合地基在一定时间内的沉降量应符合设计要求,以保证其具有良好的稳定性。
1.3 水泥粉煤灰碎石桩复合地基的检验方法水泥粉煤灰碎石桩复合地基的检验方法主要包括以下几个方面:(1)现场检查:检查水泥粉煤灰碎石桩复合地基的尺寸、形状、密度等是否符合设计要求。
(2)实验室试验:通过力学试验、静载试验等方式,对水泥粉煤灰碎石桩复合地基的强度、刚度等性能进行测试。
(3)监测数据:通过对水泥粉煤灰碎石桩复合地基在使用过程中的沉降量进行监测,评估其稳定性。
三、实践探讨2.1 施工过程的质量控制为了保证水泥粉煤灰碎石桩复合地基的质量,需要在施工过程中严格控制各个环节。
要选择合适的原材料,确保其质量达到设计要求;要加强施工现场的管理,确保施工人员按照规范操作;要加强对施工过程的监控,及时发现并解决存在的问题。
2.2 质量验收的标准与程序水泥粉煤灰碎石桩复合地基的质量验收应按照国家相关标准进行。