方格网法计算土方量教材及例题
- 格式:doc
- 大小:595.24 KB
- 文档页数:8
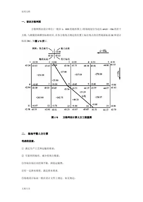
一、读识方格网图方格网图由设计单位(一般在1:500的地形图上)将场地划分为边长a=10~40m的若干方格,与测量的纵横坐标相对应,在各方格角点规定的位置上标注角点的自然地面标高(H)和设计标高(Hn),如图1-3所示.图1-3 方格网法计算土方工程量图二、场地平整土方计算考虑的因素:① 满足生产工艺和运输的要求;② 尽量利用地形,减少挖填方数量;③争取在场区内挖填平衡,降低运输费;④有一定泄水坡度,满足排水要求.⑤场地设计标高一般在设计文件上规定,如无规定:A.小型场地――挖填平衡法;B.大型场地――最佳平面设计法(用最小二乘法,使挖填平衡且总土方量最小)。
1、初步标高(按挖填平衡),也就是设计标高。
如果已知设计标高,1.2步可跳过。
场地初步标高:H0=(∑H1+2∑H2+3∑H3+4∑H4)/4MH1--一个方格所仅有角点的标高;H2、H3、H4--分别为两个、三个、四个方格共用角点的标高.M——方格个数.2、地设计标高的调整按泄水坡度、土的可松性、就近借弃土等调整.按泄水坡度调整各角点设计标高:①单向排水时,各方格角点设计标高为: Hn = H0 ±Li②双向排水时,各方格角点设计标高为:Hn = H0± Lx ix± L yi y3.计算场地各个角点的施工高度施工高度为角点设计地面标高与自然地面标高之差,是以角点设计标高为基准的挖方或填方的施工高度.各方格角点的施工高度按下式计算:式中 hn------角点施工高度即填挖高度(以“+”为填,“-”为挖),m;n------方格的角点编号(自然数列1,2,3,…,n).Hn------角点设计高程,H------角点原地面高程.4.计算“零点”位置,确定零线方格边线一端施工高程为“+”,若另一端为“-”,则沿其边线必然有一不挖不填的点,即“零点”(如图1-4所示).图1-4 零点位置零点位置按下式计算:式中 x1、x2 ——角点至零点的距离,m;h1、h2 ——相邻两角点的施工高度(均用绝对值),m;a —方格网的边长,m.5.计算方格土方工程量按方格底面积图形和表1-3所列计算公式,逐格计算每个方格内的挖方量或填方量.表1-3 常用方格网点计算公式6.边坡土方量计算场地的挖方区和填方区的边沿都需要做成边坡,以保证挖方土壁和填方区的稳定。
⽅格⽹法计算⼟⽅量教材及例题⼀、读识⽅格⽹图⽅格⽹图由设计单位(⼀般在1: 500的地形图上)将场地划分为边长a=10?40m 的若⼲⽅格,与测量的纵横坐标相对应,在各⽅格⾓点规定的位置上标注⾓点的⾃然地⾯标⾼(H )和设计标⾼(Hn ),如图1-3所⽰.图1-3⽅格⽹法计算⼟⽅⼯程量图⼆、场地平整⼟⽅计算考虑的因素:①满⾜⽣产⼯艺和运输的要求;②尽量利⽤地形,减少挖填⽅数量;③争取在场区内挖填平衡,降低运输费;+0 392 *0 033 0 194-Q 朴5⽻⼀阴4? 67K44対 ?.81444|昶 00\-MM-270 04+2SW\诃砧7 +0S0、L E -0 059w弗 594? 354J &5434』|7 4J 7744 67-35 29+ 142 71*-I56G7T.97n +Q.7I13 + 0.44+o.oe42.94 地⾎杯矗/、復廿札简42 *0 43(514S 1? 43 47 J3 “43 7? 44 1? 43 7?42.58④有⼀定泄⽔坡度,满⾜排⽔要求 .⑤场地设计标⾼⼀般在设计⽂件上规定,如⽆规定:A. ⼩型场地⼀⼀挖填平衡法;B. ⼤型场地⼀⼀最佳平⾯设计法(⽤最⼩⼆乘法,使挖填平衡且总⼟⽅量最⼩)。
1、初步标⾼(按挖填平衡),也就是设计标⾼。
如果已知设计标⾼, 1.2步可跳过。
场地初步标⾼:H0=(E H1+2E H2+3E H3+4E H4)/(4*M)H1--⼀个⽅格所仅有⾓点的标⾼;H2、H3、H4-—分别为两个、三个、四个⽅格共⽤⾓点的标⾼M——⽅格个数.2、地设计标⾼的调整按泄⽔坡度、⼟的可松性、就近借弃⼟等调整按泄⽔坡度调整各⾓点设计标⾼:①单向排⽔时,各⽅格⾓点设计标⾼为:Hn = H0 ⼠Li②双向排⽔时,各⽅格⾓点设计标⾼为:Hn = H0 ⼠Lx ix ⼠L yi y3、计算场地各个⾓点的施⼯⾼度施⼯⾼度为⾓点设计地⾯标⾼与⾃然地⾯标⾼之差,是以⾓点设计标⾼为基准的挖⽅或填⽅的施⼯⾼度.各⽅格⾓点的施⼯⾼度按下式计算:h n= H n- H式中hn------⾓点施⼯⾼度即填挖⾼度(以“+”为填,“-”为挖),mn------ ⽅格的⾓点编号(⾃然数列1,2,3,…,n).Hn------ ⾓点设计⾼程,H------ ⾓点原地⾯⾼程.4. 计算“零点”位置,确定零线⽅格边线⼀端施⼯⾼程为“ +” ,若另⼀端为,则沿其边线必然有⼀不挖不填的点,即“零点”(如图1-4所⽰).零点位置按下式计算:hl、h2 ――相邻两⾓点的施⼯⾼度(均⽤绝对值),m ;a—⽅格⽹的边长,m.5. 计算⽅格⼟⽅⼯程量按⽅格底⾯积图形和表1-3所列计算公式,逐格计算每个⽅格内的挖⽅量或填⽅量表1-3常⽤⽅格⽹点计算公式式中x1、x2——⾓点⾄零点的距离,m;hy图1-4 零点位置项冃图式计算公式6. 边坡⼟⽅量计算场地的挖⽅区和填⽅区的边沿都需要做成边坡 ,以保证挖⽅⼟壁和填⽅区的稳定。
场地平整土方量计算例题(方格网法) 今天星期天空闲之余,给大家提供一个我接手的一个用专业的飞时达土方计算软件计算某场地平整土方量计算案例例题,其实场地平整施工前后产生的土方量计算在工程施工当中也是经常碰到的,具体看我怎么用专业化的飞时达土方计算软件FastTFT来计算场地平整土方量呢?别急,听我慢慢说怎么用飞时达土方计算软件来计算场地平整土方量。
一、工程概况
该场地总面积为304.23亩,所处位置地形起伏不大,平整前的自然地形高程介于1676.080 m~ 1697.560m之间,平整后的设计地形高程介于1677.99m~1712.900m,总挖方量为549 192.05方左右,填方量609.98方。
二、提供场地平整前后的矢量化的地形图
1、平整前的现状地形图
2、平整后的现状地形图
三、场地平整土方量计算方法步骤
1、先将场地平整前后的地形图按照坐标合并到一张图里去,如下图所示:
青色的是平整后的地形高程点,红色是平整前的地形高程点,黄色的是场地范围线
2、分别转换平整前的高程点数据(视作自然地形标高)、平整后的高程点数据(视作数据地形标高)
平整前的自然地形标高高程范围1676.08~1697.56
平整后的设计地形标高高程范围1677.99~1712.900 3、布置土方计算范围
4、布置方格网(采用方格网法计算平整土方量)
5、分别采集平整前的地形标高和平整后的设计标高
方格网标高数据局部放大
6、计算场地平整方格网土方量
方格网土方量局部放大7、方格网法土方量统计
来源:/tft/post/55.html。
建筑工程技术土方量(方格网)计算一、方格网识图:方格网图由设计单位(一般在1:500的地形图上)将场地划分为边长a=10~40m的若干方格,与测量的纵横坐标相对应,在各方格角点规定的位置上标注角点的自然地面标高(H)和设计标高(Hn),如图1-3所示.图1-3 方格网法计算土方工程量图二、场地平整土方计算考虑的因素:① 满足生产工艺和运输的要求;② 尽量利用地形,减少挖填方数量;③争取在场区内挖填平衡,降低运输费;④有一定泄水坡度,满足排水要求.⑤场地设计标高一般在设计文件上规定,如无规定:A.小型场地――挖填平衡法;B.大型场地――最佳平面设计法(用最小二乘法,使挖填平衡且总土方量最小)。
1、初步标高(按挖填平衡),也就是设计标高。
如果已知设计标高,1.2步可跳过。
场地初步标高:H0=(∑H1+2∑H2+3∑H3+4∑H4)/4MH1--一个方格所仅有角点的标高;H2、H3、H4--分别为两个、三个、四个方格共用角点的标高.M ——方格个数.2、地设计标高的调整按泄水坡度、土的可松性、就近借弃土等调整.按泄水坡度调整各角点设计标高:①单向排水时,各方格角点设计标高为: Hn = H0 ± Li②双向排水时,各方格角点设计标高为:Hn = H0 ± Lx ix ± L yi y3.计算场地各个角点的施工高度施工高度为角点设计地面标高与自然地面标高之差,是以角点设计标高为基准的挖方或填方的施工高度.各方格角点的施工高度按下式计算:式中hn------角点施工高度即填挖高度(以“+”为填,“-”为挖),m;n------方格的角点编号(自然数列1,2,3,…,n).Hn------角点设计高程,H------角点原地面高程.4.计算“零点”位置,确定零线方格边线一端施工高程为“+”,若另一端为“-”,则沿其边线必然有一不挖不填的点,即“零点”(如图1-4所示).图1-4 零点位置零点位置按下式计算:式中x1、x2 ——角点至零点的距离,m;h1、h2 ——相邻两角点的施工高度(均用绝对值),m;a —方格网的边长,m.5.计算方格土方工程量按方格底面积图形和表1-3所列计算公式,逐格计算每个方格内的挖方量或填方量.表1-3 常用方格网点计算公式6.边坡土方量计算场地的挖方区和填方区的边沿都需要做成边坡,以保证挖方土壁和填方区的稳定。
全面方格网计算土方量教材及例题[1]-2一、读识方格网图方格网图由设计单位(一般在1:500的地形图上)将场地划分为边长a=10~40m的若干方格,与测量的纵横坐标相对应,在各方格角点规定的位置上标注角点的自然地面标高(H)和设计标高(Hn),如图1-3所示.图1-3 方格网法计算土方工程量图二、场地平整土方计算考虑的因素:① 满足生产工艺和运输的要求;② 尽量利用地形,减少挖填方数量;③争取在场区内挖填平衡,降低运输费;④有一定泄水坡度,满足排水要求.⑤场地设计标高一般在设计文件上规定,如无规定:A.小型场地――挖填平衡法;B.大型场地――最佳平面设计法(用最小二乘法,使挖填平衡且总土方量最小)。
1、初步标高(按挖填平衡),也就是设计标高。
如果已知设计标高,1.2步可跳过。
场地初步标高:H0=(∑H1+2∑H2+3∑H3+4∑H4)/4MH1--一个方格所仅有角点的标高;H2、H3、H4--分别为两个、三个、四个方格共用角点的标高.M——方格个数.2、地设计标高的调整按泄水坡度、土的可松性、就近借弃土等调整.按泄水坡度调整各角点设计标高:①单向排水时,各方格角点设计标高为: Hn = H0 ±Li②双向排水时,各方格角点设计标高为:Hn = H0± Lx ix± L yi y3.计算场地各个角点的施工高度施工高度为角点设计地面标高与自然地面标高之差,是以角点设计标高为基准的挖方或填方的施工高度.各方格角点的施工高度按下式计算:式中hn------角点施工高度即填挖高度(以“+”为填,“-”为挖),m;n------方格的角点编号(自然数列1,2,3,…,n).Hn------角点设计高程,H------角点原地面高程.4.计算“零点”位置,确定零线方格边线一端施工高程为“+”,若另一端为“-”,则沿其边线必然有一不挖不填的点,即“零点”(如图1-4所示).图1-4 零点位置零点位置按下式计算:式中x1、x2 ——角点至零点的距离,m;h1、h2 ——相邻两角点的施工高度(均用绝对值),m;a —方格网的边长,m.5.计算方格土方工程量按方格底面积图形和表1-3所列计算公式,逐格计算每个方格内的挖方量或填方量.表1-3 常用方格网点计算公式6.边坡土方量计算场地的挖方区和填方区的边沿都需要做成边坡,以保证挖方土壁和填方区的稳定。
一、读识方格网图方格网图由设计单位(一般在1:500的地形图上)将场地划分为边长a=10~40m的若干方格,与测量的纵横坐标相对应,在各方格角点规定的位置上标注角点的自然地面标高(H)和设计标高(Hn),如图1-3所示.图1-3 方格网法计算土方工程量图二、场地平整土方计算考虑的因素:① 满足生产工艺和运输的要求;② 尽量利用地形,减少挖填方数量;③争取在场区内挖填平衡,降低运输费;④有一定泄水坡度,满足排水要求.⑤场地设计标高一般在设计文件上规定,如无规定:A.小型场地――挖填平衡法;B.大型场地――最佳平面设计法(用最小二乘法,使挖填平衡且总土方量最小)。
1、初步标高(按挖填平衡),也就是设计标高。
如果已知设计标高,1.2步可跳过。
场地初步标高:H0=(∑H1+2∑H2+3∑H3+4∑H4)/(4*M)H1--一个方格所仅有角点的标高;H2、H3、H4--分别为两个、三个、四个方格共用角点的标高.M ——方格个数.2、地设计标高的调整按泄水坡度、土的可松性、就近借弃土等调整.按泄水坡度调整各角点设计标高:①单向排水时,各方格角点设计标高为:Hn = H0 ±Li②双向排水时,各方格角点设计标高为:Hn = H0±Lx ix±L yi y3.计算场地各个角点的施工高度施工高度为角点设计地面标高与自然地面标高之差,是以角点设计标高为基准的挖方或填方的施工高度.各方格角点的施工高度按下式计算:式中hn------角点施工高度即填挖高度(以“+”为填,“-”为挖),m;n------方格的角点编号(自然数列1,2,3,…,n).Hn------角点设计高程,H------角点原地面高程.4.计算“零点”位置,确定零线方格边线一端施工高程为“+”,若另一端为“-”,则沿其边线必然有一不挖不填的点,即“零点”(如图1-4所示).图1-4 零点位置零点位置按下式计算:式中x1、x2 ——角点至零点的距离,m;h1、h2 ——相邻两角点的施工高度(均用绝对值),m;a —方格网的边长,m.5.计算方格土方工程量按方格底面积图形和表1-3所列计算公式,逐格计算每个方格内的挖方量或填方量.表1-3 常用方格网点计算公式6.边坡土方量计算场地的挖方区和填方区的边沿都需要做成边坡,以保证挖方土壁和填方区的稳定。
两期⼟⽅量计算(⽅格⽹法)实例例题该场地总⾯积为28144.5473平⽅⽶,所处位置地形起伏⽐较⼤,处理前的⾃然地形⾼程介于164.850m~171.320m之间,现状地形(设计标⾼数据)⾼程介于166.620m~175.110m之间,总挖⽅量为1021.90⽅左右,填⽅量为50842.88⽅左右。
⼀、提供两组地形数据
⽤户提供了原始地形图、后期现状图,根据这两个测得的地形图,⽤⽅格⽹法来计算出产⽣的⼟⽅⼯程量。
整体观看地形图现状地形图
⼆、合图
⽤软件计算⼟⽅量,只能在⼀张图纸上,之前我们的两期地形数据都是在两张图上,所以,必须要先进⾏合图,合到⼀张图纸上。
切记:在合图前,两期地形数据图纸⾥的⾼程点和等⾼线所在的图层必须分开,不能重名(飞时达⼟⽅软件转换⾼程数据是认图层的,如果图层重名,转换后的离散点⾼程也会混乱)。
其他图层没有什么需要注意的。
什么叫合图?就是将两张图合起来放在⼀张图纸⾥。
合图后,整体观看
局部放⼤,黄⾊是原始地形⾼程点;青⾊是现状设计⾼程点
三、分别转换两期地形⾼程数据
⽤飞时达⼟⽅计算软件V13.0分别转换杨家畈⼩学原始地形图⾼程点(地形点)和杨家畈⼩学后
期现状图⾼程点(设计点)
黄⾊的是现状设计地形三⾓⾯模型、蓝⾊的是原始地形三⾓⾯模型四、布置⼟⽅计算范围
布置⼟⽅计算范围
五、布置⽅格⽹
⼟⽅⽅格⽹
六、采集⾃然地形标⾼和采集现状场地设计标⾼
采集地形标⾼
局部放⼤图
七、计算⽅格⽹⼟⽅⼯程量
局部放⼤⽅格⽹⼟⽅⼯程量⼋、统计⽅格⽹⼟⽅⼯程量
⽅格⽹⼟⽅量⾏列汇总
九、绘制⽅格⽹⼟⽅平⼟断⾯图。
一、读识方格网图方格网图由设计单位(一般在1:500的地形图上)将场地划分为边长a=10~40m的若干方格,与测量的纵横坐标相对应,在各方格角点规定的位置上标注角点的自然地面标高(H)和设计标高(Hn),如图1-3所示.图1-3 方格网法计算土方工程量图二、场地平整土方计算考虑的因素:① 满足生产工艺和运输的要求;② 尽量利用地形,减少挖填方数量;③争取在场区内挖填平衡,降低运输费;④有一定泄水坡度,满足排水要求.⑤场地设计标高一般在设计文件上规定,如无规定:A.小型场地――挖填平衡法;B.大型场地――最佳平面设计法(用最小二乘法,使挖填平衡且总土方量最小)。
1、初步标高(按挖填平衡),也就是设计标高。
如果已知设计标高,1.2步可跳过。
场地初步标高:H0=(∑H1+2∑H2+3∑H3+4∑H4)/4MH1--一个方格所仅有角点的标高;H2、H3、H4--分别为两个、三个、四个方格共用角点的标高.M——方格个数.2、地设计标高的调整按泄水坡度、土的可松性、就近借弃土等调整.按泄水坡度调整各角点设计标高:①单向排水时,各方格角点设计标高为: Hn = H0 ±Li②双向排水时,各方格角点设计标高为:Hn = H0± Lx ix± L yi y3.计算场地各个角点的施工高度施工高度为角点设计地面标高与自然地面标高之差,是以角点设计标高为基准的挖方或填方的施工高度.各方格角点的施工高度按下式计算:式中hn------角点施工高度即填挖高度(以“+”为填,“-”为挖),m;n------方格的角点编号(自然数列1,2,3,…,n).Hn------角点设计高程,H------角点原地面高程.4.计算“零点”位置,确定零线方格边线一端施工高程为“+”,若另一端为“-”,则沿其边线必然有一不挖不填的点,即“零点”(如图1-4所示).图1-4 零点位置零点位置按下式计算:式中x1、x2 ——角点至零点的距离,m;h1、h2 ——相邻两角点的施工高度(均用绝对值),m;a —方格网的边长,m.5.计算方格土方工程量按方格底面积图形和表1-3所列计算公式,逐格计算每个方格内的挖方量或填方量.表1-3 常用方格网点计算公式6.边坡土方量计算场地的挖方区和填方区的边沿都需要做成边坡,以保证挖方土壁和填方区的稳定。
一、读识方格网图方格网图由设计单位(一般在1:500的地形图上)将场地划分为边长a=10~40m的若干方格,与测量的纵横坐标相对应,在各方格角点规定的位置上标注角点的自然地面标高(H)和设计标高(Hn),如图1-3所示.图1-3 方格网法计算土方工程量图二、场地平整土方计算考虑的因素:① 满足生产工艺和运输的要求;② 尽量利用地形,减少挖填方数量;③争取在场区内挖填平衡,降低运输费;④有一定泄水坡度,满足排水要求.⑤场地设计标高一般在设计文件上规定,如无规定:A.小型场地――挖填平衡法;B.大型场地――最佳平面设计法(用最小二乘法,使挖填平衡且总土方量最小)。
1、初步标高(按挖填平衡),也就是设计标高。
如果已知设计标高,1.2步可跳过。
场地初步标高:H0=(∑H1+2∑H2+3∑H3+4∑H4)/(4*M)H1--一个方格所仅有角点的标高;H2、H3、H4--分别为两个、三个、四个方格共用角点的标高.M ——方格个数.2、地设计标高的调整按泄水坡度、土的可松性、就近借弃土等调整.按泄水坡度调整各角点设计标高:①单向排水时,各方格角点设计标高为:Hn = H0 ±Li②双向排水时,各方格角点设计标高为:Hn = H0±Lx ix±L yi y3.计算场地各个角点的施工高度施工高度为角点设计地面标高与自然地面标高之差,是以角点设计标高为基准的挖方或填方的施工高度.各方格角点的施工高度按下式计算:式中hn------角点施工高度即填挖高度(以“+”为填,“-”为挖),m;n------方格的角点编号(自然数列1,2,3,…,n).Hn------角点设计高程,H------角点原地面高程.4.计算“零点”位置,确定零线方格边线一端施工高程为“+”,若另一端为“-”,则沿其边线必然有一不挖不填的点,即“零点”(如图1-4所示).图1-4 零点位置零点位置按下式计算:式中x1、x2 ——角点至零点的距离,m;h1、h2 ——相邻两角点的施工高度(均用绝对值),m;a —方格网的边长,m.5.计算方格土方工程量按方格底面积图形和表1-3所列计算公式,逐格计算每个方格内的挖方量或填方量.表1-3 常用方格网点计算公式6.边坡土方量计算场地的挖方区和填方区的边沿都需要做成边坡,以保证挖方土壁和填方区的稳定。
概述1、竖向布置的土石方主要有:方格网计算法和平均横断面计算法。
2、适用于:方格网计算法,平基、水池、运动场、堤坝、沟渠。
块状区域,原地形起伏不大。
平均横断面计算法:路基、管沟、河道、河堤。
带状区域,原地形起伏大。
分手工和软件算,软件有南方CASS7.0、广联达等土建造价软件、同望软件(公路专业)。
autoCAD辅助.一、读识方格网图方格网图由设计单位(一般在1:500的地形图上)将场地划分为边长a=5~50m的若干方格,(是垂直的方格网,方格网的边长依自然地面或设计地面复杂和平缓程度确定,越小越精确,但是方格越多,计算量越大)。
与测量的纵横坐标相对应,在各方格角点规定的位置上标注角点的自然地面标高(H)和设计标高(Hn),如图1-3所示.图1-3 方格网法计算土方工程量图——自然地面标高:通过原始地面看等高线,用内插法求(相似三角形)。
也可以实际测量(利用经纬仪、水准仪、全站仪)。
——设计标高:按规划局的规定或者是按填挖平衡的基本原则由现场施工员确定。
二、方格网土石方计算考虑的因素:① 满足生产工艺和运输的要求;② 尽量利用地形,减少挖填方数量;③争取在场区内挖填平衡,降低运输费;④有一定泄水坡度,满足排水要求.⑤场地设计标高一般在设计文件上规定,如无规定:A.小型场地――挖填平衡法;B.大型场地――最佳平面设计法(用最小二乘法,使挖填平衡且总土方量最小)。
1、初步标高(按挖填平衡),也就是设计标高。
如果已知设计标高,1.2步可跳过。
场地初步标高:H0=(∑H1+2∑H2+3∑H3+4∑H4)/4MH1--一个方格所仅有一个角点的标高;H2、H3、H4--分别为两个、三个、四个方格共用角点的标高. M——方格个数.2、设计标高的调整按泄水坡度、土的可松性、就近借弃土等调整.按泄水坡度调整各角点设计标高:①单向排水时,各方格角点设计标高为:Hn= H0 ±Li②双向排水时,各方格角点设计标高为:Hn= H0± Lx ix± L yi y3.计算场地各个角点的施工高度施工高度为角点设计地面标高与自然地面标高之差,是以角点设计标高为基准的挖方或填方的施工高度.各方格角点的施工高度按下式计算:(公式1.9)式中hn------角点施工高度即填挖高度(以“+”为填,“-”为挖),m;n------方格的角点编号(自然数列1,2,3,…,n).Hn------角点设计高程,H------角点原地面高程.4.计算“零点”位置,确定零线方格边线一端施工高程为“+”,若另一端为“-”,则沿其边线必然有一不挖不填的点,即“零点”(如图1-4所示).图1-4 零点位置零点位置按下式计算:式中x1、x2 ——角点至零点的距离,m;h1、h2 ——相邻两角点的施工高度(均用绝对值),m;a —方格网的边长,m.5.计算方格土方工程量按方格底面积图形和表1-3所列计算公式,逐格计算每个方格内的挖方量或填方量.表1-3 常用方格网点计算公式6.边坡土方量计算场地的挖方区和填方区的边沿都需要做成边坡,以保证挖方土壁和填方区的稳定。
一、读识方格网图方格网图由设计单位(一般在1:500的地形图上)将场地划分为边长a=10~40m的若干方格,与测量的纵横坐标相对应,在各方格角点规定的位置上标注角点的自然地面标高(H)和设计标高(Hn),如图1-3所示.图1-3 方格网法计算土方工程量图二、场地平整土方计算考虑的因素:①满足生产工艺和运输的要求;②尽量利用地形,减少挖填方数量;③争取在场区挖填平衡,降低运输费;④有一定泄水坡度,满足排水要求.⑤场地设计标高一般在设计文件上规定,如无规定:A.小型场地――挖填平衡法;B.大型场地――最佳平面设计法(用最小二乘法,使挖填平衡且总土方量最小)。
1、初步标高(按挖填平衡),也就是设计标高。
如果已知设计标高,1.2步可跳过。
场地初步标高:H0=(∑H1+2∑H2+3∑H3+4∑H4)/4MH1--一个方格所仅有角点的标高;H2、H3、H4--分别为两个、三个、四个方格共用角点的标高.M——方格个数.2、地设计标高的调整按泄水坡度、土的可松性、就近借弃土等调整.按泄水坡度调整各角点设计标高:①单向排水时,各方格角点设计标高为: Hn = H0 ±Li②双向排水时,各方格角点设计标高为:Hn = H0±Lx ix±L yi y3.计算场地各个角点的施工高度施工高度为角点设计地面标高与自然地面标高之差,是以角点设计标高为基准的挖方或填方的施工高度.各方格角点的施工高度按下式计算:式中 hn------角点施工高度即填挖高度(以“+”为填,“-”为挖),m;n------方格的角点编号(自然数列1,2,3,…,n).Hn------角点设计高程,H------角点原地面高程.4.计算“零点”位置,确定零线方格边线一端施工高程为“+”,若另一端为“-”,则沿其边线必然有一不挖不填的点,即“零点”(如图1-4所示).图1-4 零点位置零点位置按下式计算:式中 x1、x2 ——角点至零点的距离,m;h1、h2 ——相邻两角点的施工高度(均用绝对值),m;a —方格网的边长,m.5.计算方格土方工程量按方格底面积图形和表1-3所列计算公式,逐格计算每个方格的挖方量或填方量.表1-3 常用方格网点计算公式6.边坡土方量计算场地的挖方区和填方区的边沿都需要做成边坡,以保证挖方土壁和填方区的稳定。
一、读识方格网图方格网图由设计单位(一般在1:500的地形图上)将场地划分为边长a=10~40m的若干方格,与测量的纵横坐标相对应,在各方格角点规定的位置上标注角点的自然地面标高(H)和设计标高(Hn),如图1—3所示。
图1-3 方格网法计算土方工程量图二、场地平整土方计算考虑的因素:① 满足生产工艺和运输的要求;② 尽量利用地形,减少挖填方数量;③争取在场区内挖填平衡,降低运输费;④有一定泄水坡度,满足排水要求。
⑤场地设计标高一般在设计文件上规定,如无规定:A。
小型场地――挖填平衡法;B.大型场地――最佳平面设计法(用最小二乘法,使挖填平衡且总土方量最小)。
1、初步标高(按挖填平衡),也就是设计标高。
如果已知设计标高,1.2步可跳过。
场地初步标高:H0=(∑H1+2∑H2+3∑H3+4∑H4)/4MH1--一个方格所仅有角点的标高;H2、H3、H4--分别为两个、三个、四个方格共用角点的标高。
M—-方格个数.2、地设计标高的调整按泄水坡度、土的可松性、就近借弃土等调整.按泄水坡度调整各角点设计标高:①单向排水时,各方格角点设计标高为: Hn = H0 ±Li②双向排水时,各方格角点设计标高为:Hn = H0± Lx ix± L yi y3.计算场地各个角点的施工高度施工高度为角点设计地面标高与自然地面标高之差,是以角点设计标高为基准的挖方或填方的施工高度.各方格角点的施工高度按下式计算:式中hn—-—---角点施工高度即填挖高度(以“+”为填,“—”为挖),m;n-——-—-方格的角点编号(自然数列1,2,3,…,n).Hn——-—--角点设计高程,H———---角点原地面高程。
4。
计算“零点"位置,确定零线方格边线一端施工高程为“+”,若另一端为“-”,则沿其边线必然有一不挖不填的点,即“零点”(如图1—4所示).图1-4 零点位置零点位置按下式计算:式中x1、x2 —-角点至零点的距离,m;h1、h2 -—相邻两角点的施工高度(均用绝对值),m;a -方格网的边长,m。
一、读识方格网图方格网图由设计单位(一般在1:500的地形图上)将场地划分为边长a=10~40m的若干方格,与测量的纵横坐标相对应,在各方格角点规定的位置上标注角点的自然地面标高(H)和设计标高(Hn),如图1-3所示.图1-3方格网法计算土方工程量图二、场地平整土方计算考虑的因素:①满足生产工艺和运输的要求;②尽量利用地形,减少挖填方数量;③争取在场区内挖填平衡,降低运输费;④有一定泄水坡度,满足排水要求.⑤场地设计标高一般在设计文件上规定,如无规定:A.小型场地――挖填平衡法;B.大型场地――最佳平面设计法(用最小二乘法,使挖填平衡且总土方量最小)。
1、初步标高(按挖填平衡),也就是设计标高。
如果已知设计标高,1.2步可跳过。
场地初步标高:H0=(∑H1+2∑H2+3∑H3+4∑H4)/4MH1--一个方格所仅有角点的标高;H2、H3、H4--分别为两个、三个、四个方格共用角点的标高.M——方格个数.2、地设计标高的调整按泄水坡度、土的可松性、就近借弃土等调整.按泄水坡度调整各角点设计标高:①单向排水时,各方格角点设计标高为: Hn = H0 ±Li②双向排水时,各方格角点设计标高为:Hn = H0±Lx ix±L yi y3.计算场地各个角点的施工高度施工高度为角点设计地面标高与自然地面标高之差,是以角点设计标高为基准的挖方或填方的施工高度.各方格角点的施工高度按下式计算:式中hn------角点施工高度即填挖高度(以“+”为填,“-”为挖),m;n------方格的角点编号(自然数列1,2,3,…,n).Hn------角点设计高程,H------角点原地面高程.4.计算“零点”位置,确定零线方格边线一端施工高程为“+”,若另一端为“-”,则沿其边线必然有一不挖不填的点,即“零点”(如图1-4所示).图1-4零点位置零点位置按下式计算:式中x1、x2 ——角点至零点的距离,m;h1、h2 ——相邻两角点的施工高度(均用绝对值),m;a —方格网的边长,m.5.计算方格土方工程量按方格底面积图形和表1-3所列计算公式,逐格计算每个方格内的挖方量或填方量.表1-3 常用方格网点计算公式6.边坡土方量计算场地的挖方区和填方区的边沿都需要做成边坡,以保证挖方土壁和填方区的稳定。
一、读识方格网图
方格网图由设计单位(一般在1:500的地形图上)将场地划分为边长a=10~40m的若干方格,与测量的纵横坐标相对应,在各方格角点规定的位置上标注角点的自然地面标高(H)和设计标高(Hn),如图1-3所示.
图1-3 方格网法计算土方工程量图
二、场地平整土方计算
考虑的因素:
①满足生产工艺和运输的要求;
②尽量利用地形,减少挖填方数量;
③争取在场区内挖填平衡,降低运输费;
④有一定泄水坡度,满足排水要求.
⑤场地设计标高一般在设计文件上规定,如无规定:
A.小型场地――挖填平衡法;
B.大型场地――最佳平面设计法(用最小二乘法,使挖填平衡且总土方量最小)。
1、初步标高(按挖填平衡),也就是设计标高。
如果已知设计标高,1.2步可跳过。
场地初步标高:
H0=(∑H1+2∑H2+3∑H3+4∑H4)/(4*M)
H1--一个方格所仅有角点的标高;
H2、H3、H4--分别为两个、三个、四个方格共用角点的标高.
M ——方格个数.
2、地设计标高的调整
按泄水坡度、土的可松性、就近借弃土等调整.
按泄水坡度调整各角点设计标高:
= Li
:H0 ±Hn ①单向排水时,各方格角点设计标高为 = L yi y Lx ix ②双向排水时,各方格角点设计标高为:HnH0±±
3.计算场地各个角点的施工高度
施工高度为角点设计地面标高与自然地面标高之差,是以角点设计标高为基准的挖方或填方的施工高度.各方格角点的施工高度按下式计算:
式中 hn------角点施工高度即填挖高度(以“+”为填,“-”为挖),m;
n------方格的角点编号(自然数列1,2,3,…,n).
Hn------角点设计高程,
H------角点原地面高程.
4.计算“零点”位置,确定零线
方格边线一端施工高程为“+”,若另一端为“-”,则沿其边线必然有一不挖不填的点,.
)所示1-4如图(即“零点”
零点位置图1-4
零点位置按下式计算:
;x2 ——角点至零点的距离,mx1式中、 ),m;——相邻两角点的施工高度、h2 (均用绝对值 h1m. —方格网的边长, a
计算方格土方工程量5..
1-3表所列计算公式,逐格计算每个方格内的挖方量或填方量按方格底面积图形和
常用方格网点计算公式1-3 表
6.边坡土方量计算以保证挖方土壁和填方区的稳定。
场地的挖方区和填方区的边沿都需要做成边坡,
边坡的土方量可以划分成两种近似的几何形体进行计算:
中①~③、⑤~⑾);(一种为三角棱锥体图1-6
中④).1-6图(另一种为三角棱柱体
场地边坡平面图图1-6
A三角棱锥体边坡体积
l1——边坡①的长度;式中
A1 ——边坡①的端面积;
h2——角点的挖土高度;
m——边坡的坡度系数,m= 宽/高.
B 三角棱柱体边坡体积
两端横断面面积相差很大的情况下,边坡体积
l4式中——边坡④的长度;
A0A2A1. 、——边坡④两端及中部横断面面积、
计算土方总量7.即得该场地挖方和填方所有方格计算的土方量和边坡土方量汇总,) 将挖方区(或填方区
. 的总土方量 8.例题1.0,20m×20m,填方区边坡坡度系数为】某建筑场地方格网如图1-7所示,方格边长为【例1.1.
挖方区边坡坡度系数为0.5,试用公式法计算挖方和填方的总土方量
某建筑场地方格网布置图1-7 图
. 中1-8根据所给方格网各角点的地面设计标高和自然标高,计算结果列于【解】(1)图得:1.9由公式h1=251.50-251.40=0.10m h2=251.44-251.25=0.19m
h3=251.38-250.85=0.53m h4=251.32-250.60=0.72m
h5=251.56-251.90=-0.34m h6=251.50-251.60=-0.10m
h7=251.44-251.28=0.16m h8=251.38-250.95=0.43m
h9=251.62-252.45=-0.83m h10=251.56-252.00=-0.44m
h11=251.50-251.70=-0.20m h12=251.46-251.40=0.06m
图1-8 施工高度及零线位置
(2)计算零点位置.从图1-8中可知,1—5、2—6、6—7、7—11、11—12五条方格边两端的施工高度符号不同,说明此方格边上有零点存在.
由公式1.10求得:
1—5线 x1=4.55(m)
2—6线 x1=13.10(m)
6—7线 x1=7.69(m)
7—11线 x1=8.89(m)
11—12线 x1=15.38(m)
将各零点标于图上,并将相邻的零点连接起来,即得零线位置,如图1-8.
(3)计算方格土方量.方格Ⅲ、Ⅳ底面为正方形,土方量为:
VⅢ(+)=202/4×(0.53+0.72+0.16+0.43)=184(m3)
VⅣ(-)=202/4×(0.34+0.10+0.83+0.44)=171(m3)
方格Ⅰ底面为两个梯形,土方量为:
VⅠ(+)=20/8×(4.55+13.10)×(0.10+0.19)=12.80(m3)
VⅠ(-)=20/8×(15.45+6.90)×(0.34+0.10)=24.59(m3)
方格Ⅱ、Ⅴ、Ⅵ底面为三边形和五边形,土方量为:
VⅡ(+)=65.73 (m3)
VⅡ(-)=0.88 (m3)
VⅤ(+)=2.92 (m3)
VⅤ(-)=51.10 (m3)
VⅥ(+)=40.89 (m3)
VⅥ(-)=5.70 (m3)
方格网总填方量:
∑V(+)=184+12.80+65.73+2.92+40.89=306.34 (m3)
方格网总挖方量:
∑V(-)=171+24.59+0.88+51.10+5.70=253.26 (m3)
(4)边坡土方量计算.如图1.9,④、⑦按三角棱柱体计算外,其余均按三角棱锥体计算, 可得:
V①(+)=0.003 (m3)
V②(+)=V③(+)=0.0001 (m3)
V④(+)=5.22 (m3)
V⑤(+)=V⑥(+)=0.06 (m3)
(m3)
V⑦
(+)=7.93.
图1-9 场地边坡平面图
V⑧(+)=V⑨(+)=0.01 (m3)
V⑩=0.01 (m3)
V11=2.03 (m3)
V12=V13=0.02 (m3)
V14=3.18 (m3)
边坡总填方量:
∑V(+)=0.003+0.0001+5.22+2×0.06+7.93+2×0.01+0.01=13.29(m3)
边坡总挖方量:
∑V(-)=2.03+2×0.02+3.18=5.25 (m3)
三、土方调配
土方调配是土方工程施工组织设计(土方规划)中的一个重要内容,在平整场地土方工程量计算完成后进行.编制土方调配方案应根据地形及地理条件,把挖方区和填方区划分成若干个调配区,计算各调配区的土方量,并计算每对挖、填方区之间的平均运距(即挖方区重心至填方,确定挖方各调配区的土方调配方案,应使土方总运输量最小或土方运输费用最)区重心的距离
.
少,而且便于施工,从而可以缩短工期、降低成本进.土方调配的原则:力求达到挖方与填方平衡和运距最短的原则;近期施工与后期利用的原则行土方调配,必须依据现场具体情况、有关技术资料、工期要求、土方施工方法与运输方法,综. 合上述原则,并经计算比较,选择经济合理的调配方案调配方案确定后,绘制土方调配图如图1.10
.在土方调配图上要注明挖填调配区、调配方向、土方数量和每对挖填之间的平均运距.图中的土方调配,仅考虑场内挖方、填方平衡.A为挖方,B为填方.。