备货发货流程确认表定稿版
- 格式:docx
- 大小:122.50 KB
- 文档页数:11
仓库的备货、发货流程作者:陈继宏.紫藤居士案例背景:【企业背景】某食品制造企业,生产产品为罐装调味品。
目前该企业有意对仓库的流程进行整改,目的是为了提高仓库的工作效率。
针对集团要求,该仓库主管完成了一份仓库的备货和发货新流程,其中备货是此次规划的重点。
【仓库背景】仓库存放产品主要品种10-15个。
订单平均每天30、40张,月底冲货的几天可以达到60-100张,由于有一定的起定量要求,大单和小单的比例为7:3左右,这里指的小单通常指2吨以下订单。
仓库内有柴油叉车3部。
供应商为节约成本一般使用大车(8米到910米的车)配送多票货物,所以一般情况下仓库也就安排两台车同时装车。
【规划要求】提高发货速度,减少发货错误。
【备货流程】1.仓库部文员根据客户服务部或提货司机的发货通知单,在erp系统查找此单拷贝,按照发货通知单的发货品种和数量,生成并打印出发(送)货单和发货点数单,指定备货区。
2.文员或值班主任把发货通知单、发(送)货单、发货点数单和备货卡给仓管员兼叉车司机开始备货。
3.仓管员兼叉车司机要认真核对《发货通知单》、《发(送)货单》和《发货点数单》,三单都一致后,才能开始备货,如有疑问或不一致情况,要向值班主任反映,直至问题解决后才能备货。
4.仓管员兼叉车司机根据发货点数单填写发货产品整板数和尾数,将一式两份发货点数单的一份给搬运工挑拣尾数,另一份仓管员兼叉车司机装货时点数并记录。
5.仓管员兼叉车司机备货时要按先进先出的原则,按点数单的发货卡位发完一个卡位再发下一个卡位的产品,将产品叉到指定备货区。
6.仓管员兼叉车司机在备货卡上记录产品名称、生产日期、批次和数量。
7.备货完毕后,仓管员在备货卡上签名交文员复核。
【发货流程】1.仓管员兼叉车司机在装车前应核对发货通知单、发货点数单、备货卡和备货区的备货是否一致,同时要求装货司机核对数量,核对无误后通知门卫让装货的车辆进入指定装缷区。
2.仓管员兼叉车司机负责检查装货车辆的卫生情况,如卫生不符合要求则要求司机打扫干净才能装货。
发货标准模板一、发货前的准备咱发货之前啊,那可得好好准备一番。
你得先把要发的货物检查得明明白白的。
这就好比你出门前要照镜子,看看自己有没有哪里不对劲一样。
货物有没有损坏呀,数量对不对呀,这些都是很重要的小细节。
可别小看这些小细节哦,要是发出去的货有问题,那可就像给人家送了个“小炸弹”,客户肯定不开心的。
再说说包装吧,包装就像是货物的小外套。
你得根据货物的特点来选合适的包装。
如果是那种易碎的小玩意儿,就得里三层外三层地包好,就像给小宝贝裹上厚厚的棉袄一样。
要是比较结实的东西呢,也不能太马虎,还是得包得整整齐齐的。
而且包装上最好能写清楚里面装的是啥,这样方便运输过程中的各种检查,也能让客户心里有数。
还有啊,发货的地址一定要写得清清楚楚。
这就像你给朋友寄明信片,地址写错了,明信片可就到不了朋友手里喽。
要把收货人的姓名、电话、地址都核对准确,一个小数字或者一个小字母都不能出错。
不然快递小哥在茫茫人海中可找不到要收货的人呢。
二、发货中的注意事项开始发货的时候呀,要选择一个靠谱的快递公司或者物流。
这就像选朋友一样,得选个靠得住的。
你可以打听打听,看看哪家口碑好,速度快,服务又周到。
有的快递可能便宜,但是速度超慢,还老是把东西弄乱,那可不行。
就像你找个伙伴一起出去玩,结果他总是拖后腿,那多扫兴呀。
在和快递员交接货物的时候呢,也得留个心眼。
要让快递员当面检查一下货物,这样如果之后出了啥问题,也能说得清楚。
你可以和快递员聊几句,比如说“大哥呀,这东西可就拜托您了,一定要小心点哦。
”快递员听了心里也舒服,说不定就会对咱们的货物格外照顾呢。
发货的时候啊,最好能要个快递单号。
这个单号可重要了,就像货物的小身份证一样。
你可以通过这个单号随时查看货物到哪里了。
要是客户问起来,你就可以很自信地告诉他,“亲,你的宝贝已经到某某地方啦,很快就会到你手上喽。
”三、发货后的跟进货物发出去了,可不能就撒手不管了哦。
要时不时地看看物流信息,看看货物有没有按时到达。
五、发货程序流程图(图2)㈠出库业务管理1、根据客户服务科开出的商品划码单,按其所列的商品名称、规格、数量和时间、地点等项目,组织商品出库配货、复检,提货、发货、清理、销帐等作业。
2、详细核对出库凭证,若发现错误或有疑问,要及时同有关部门联系,核对无误后,迅速备齐货品,同时要调整帐卡,核销存货,并同有关单证交核对员进行一次复核。
3、复核无误后通知打包组长提货,打包组长依据提货填写打包记录,凭提货联签字确认提货,运交打包员进行运输包装。
4、仓库员凭提货联处理电脑数据。
㈡运输管理1、打包人员对出库商品进行复核装箱、封包、填写店名,并按划分片区存放包装的货品。
2、发货员复核整理打包记录,填写发货清单,在外包装上详细写明发货地址、电话及取货人,并通知装车发货。
3、核单员依据发货清单核对件数,记录货物装车过磅重量,与司机办理交接手续,复印发货清单递交储运中心主任。
4、司机按公司规定的运输路线与运输方式,办理托运手续,取回运单及有关凭证,交贮运科长审核签字报销。
5、发生运输事故后,及时向承运单位提出索赔。
六、退货程序(图3)1、客户服务主管递交退货通知单,退货仓主管签字安排司机取回货品。
2、理货员拆包、整理、点数、记录与随货清单核对,有误通知客户服务主管处理,相符通知质检员把好退货检验关。
3、检验合格同意退仓,检验员签字确认,然后理货员分别整理运送到整烫车间整烫,整烫后随退仓清单运达仓库。
4、检验不合格填写退货异常情况反馈表,递送客户服务主管,客户服务主管将表单呈报总经理审批,同时征求客户意见。
5、客户同意货品随单入次品库,客户不同意货品返回客户。
6、仓库主管通知商务部开单入帐。
下单与分配㈠:下单:1、计划科长根据全年生产计划安排,汇总市场需求信息,制定每月生产计划,经企管企划部审核后,计划科长制定具体产品生产计划,由企管企划部签署,确认交货期;2、产品业务通知单一式四份,其中企管企划部,计划科长留底一份,仓库主管一份,计划员一份,产品业务通知单经企管企划部签署确认后由诸科分别传递相关部门;3、计划员在接收产品业务通知单后,将单据整理形成表格,分发至客户服务主管。
食材出库分类备货实施工作内容流程及表格备货指令接收1.备货任务生成: 订单处理部门根据每日订单生成备货指令,将备货任务分派给仓储部门。
备货指令需详细标明食材品类、规格、数量、配送时间、配送目的地等信息,确保仓储部门能够根据指令进行精准备货。
2.指令确认: 仓储部门收到备货指令后,需进行确认,并检查库存状况,确保有足够的食材满足订单需求。
如发现库存不足,需立即上报采购部门进行补货,确保备货任务不受影响。
备货前准备1.库存核查: 备货前,仓储人员需对库存进行检查,确认库存中的食材符合订单需求,包括数量、规格、批次等。
同时检查食材的保质期,确保出库的食材均在保质期内,避免因库存管理不善导致的食材浪费或品质问题。
2.设备准备: 仓储部门需确保分拣、包装、运输等设备处于正常工作状态。
检查叉车、货架、称重设备等,确保备货过程中的高效、安全操作。
对于冷冻、冷藏类食材,确保保温箱、冷藏运输设备运转正常,确保食材在出库过程中保持适宜温度。
食材分类备货1.分类标准: 根据订单需求,仓储人员需对不同类型的食材进行分类处理。
蔬菜、水果、肉类、冷冻食品等各类食材需按其储存区域进行分类备货,确保同类食材集中存放,便于出库操作。
同时,避免不同类别食材之间的交叉污染。
2.批次管理: 按照“先进先出”的原则,优先选择入库时间较早的食材进行备货。
对于有保质期限制的食材,优先备货即将到期的批次,确保食材在最佳保质期内完成配送。
系统会根据库存批次自动推荐最佳备货批次,确保备货的科学性和高效性。
食材检查与复核1.出库前检查: 在完成分类备货后,仓储人员需对备好的食材进行质量检查,确保其符合订单要求。
检查内容包括食材的外观、颜色、包装完整性、保质期等,特别是冷冻、冷藏类食材,需确保在出库前仍保持适宜的储存温度。
2.复核流程: 食材备货完成后,需进行复核,确保备货内容与订单指令一致。
复核人员需逐项核对食材的种类、规格、数量等,防止出现备货错误。
仓库备货发货流程仓库备货发货操作流程简要说明一、仓库备货流程:1.收货验货:将从供应商或生产部门收到的商品进行验货,核对商品数量和质量是否符合要求,并记录在入库清单中。
2.入库存储:验货合格的商品按照分类、批次等方式进行整理,并存储在仓库中的指定位置,以便于后续的取货操作。
3.盘点调整:定期对仓库中的库存进行盘点,核实实际库存与系统库存的差异,并进行调整。
4.出库备货:根据订单的要求,从仓库中取出相应的商品进行备货操作,包括按照订单要求的数量进行拣货、包装等操作。
5.备货复核:完成拣货和包装后,由专人对备货的商品进行复核,核对商品的数量和规格是否与订单要求一致,并记录在出库清单中。
6.出库发货:将备好的商品按照订单要求进行装车,并安排相应的物流配送方式,如快递、物流等进行发货操作,同时更新系统中的出库记录。
7.出库记录:及时记录商品的出库操作,包括出库时间、数量、目的地等信息,以备后续查询和统计分析使用。
二、仓库发货流程:1.接收订单:从销售部门或在线平台接收到订单后,核对订单的内容、付款情况等信息,并确认订单的发货要求。
2.仓库备货:根据订单的要求,从仓库中取出相应的商品进行备货操作,包括按照订单要求的数量进行拣货、包装等操作。
3.备货复核:完成拣货和包装后,由专人对备货的商品进行复核,核对商品的数量和规格是否与订单要求一致,并记录在出库清单中。
4.物流安排:根据订单的要求,选择合适的物流配送方式,并安排相应的物流公司进行配送操作。
5.发货通知:将发货信息及时通知给物流公司,并提供订单号、商品信息、收货人地址等必要信息,确保物流公司能准确、及时进行配送。
6.出库发货:将备好的商品按照订单要求进行装车,并交付给物流公司进行发货操作,同时更新系统中的出库记录。
7.发货跟踪:及时跟踪物流配送的进程,确保商品能按时、安全地送达客户手中,并提供必要的售后服务。
8.发货记录:及时记录商品的发货操作,包括发货时间、物流公司、运单号等信息,以备后续查询和统计分析使用。
订购单和出货流程范本
一、订购单
根据双方商定,以书面形式确认以下产品的订购信息:
1.产品名称:______________
2.产品规格:______________
3.订购数量:______________
4.单价:______________
5.总金额:______________
6.交货日期:______________
二、出货流程
根据订购单中约定的产品信息和交货日期,执行以下出货流程:
1.备货阶段:
o确认订单信息并安排生产
o确保产品数量和质量符合订单要求
2.包装阶段:
o对产品进行包装,并附上相应的标识和配件
o确保包装完好,适合运输
3.发运阶段:
o安排运输车辆或快递
o提前通知客户发货时间及方式
4.送达阶段:
o确保产品按时送达客户指定地点
o协助客户查验货物,解决可能出现的问题
5.收货确认:
o客户确认收货后,将订单标记为已完成
o如有退换货事宜,按照约定流程操作
本文档自双方签字确认后生效,任何修改须经双方同意后方可执行。
签署日期:______________
供货方(盖章):______________
订购方(盖章):______________。
仓库的备货发货流程一、备货流程:1.接收订单:仓库将从销售部门或其他渠道接收到来自客户的订单,确认订单内容,包括货物种类、数量、收货地址等。
2.库存检查:仓库根据订单要求,检查库存中是否有足够的货物,如果库存不足,则需要及时采购或生产。
3.拣货:仓库根据订单要求,在库存货物中找到对应的货物,并按照订单要求进行拣货,包括货物的种类、数量等。
4.核对:拣货完成后,仓库会对拣货结果与订单进行核对,确保拣货的准确性。
5.包装:根据货物的性质和订单要求,仓库将拣货的货物进行包装,以确保货物在运输中不受损。
6.上架:包装完成的货物,根据货物的分类和存储要求,放置在相应的位置上,以便于后续的发货组织。
二、发货流程:1.客户确认:仓库将发货单发送给客户,确认订单的准确性和完整性,包括货物种类、数量、收货地址等,以便于发货的准备工作。
2.捡配:仓库根据客户的确认信息,调取相应的货物,进行配货,保证货物的准确性。
3.核对:仓库在配货完成后,会再次核对货物的准确性和完整性,以确保发错货物的风险降至最低。
4.包装:配货完成的货物,根据货物的性质和运输要求进行包装,以便于运输过程中不受损。
5.出库管理:仓库将已包装好的货物进行出库管理,包括记录出库数量、出库时间等信息,以便于跟踪货物的流向和维护出库的准确性。
6.运输安排:仓库根据客户的要求和合作的物流公司等,进行运输的安排,包括运输方式、运输时间等。
7.提交单据:仓库将发货单和其他必要的配套文件提交给物流公司,以确保正确的运输和交付过程。
8.发货通知:仓库会将发货的相关信息和单据通知给客户和相关部门,以便于服务器跟踪和后续的工作安排。
9.货物追踪:仓库通过与物流公司的合作,对发货的货物进行追踪和监控,确保货物能够及时、安全地送达客户。
以上是仓库备货、发货流程的一般步骤,具体的执行流程可以根据企业的实际情况进行调整和优化。
仓库的备货、发货流程的优化可以提高仓库的效率和准确性,减少错误和延误的发生,提升客户满意度和企业的竞争力。
发货流程及管理制度范文发货流程及管理制度一、发货流程(一)订单确认1. 客户下单:客户通过线上或线下渠道下达订单。
2. 订单审核:销售人员收到客户订单后,进行审核。
确认订单信息的准确性和完整性。
3. 库存确认:销售人员核对订单商品的库存情况,确保有足够的商品库存。
4. 配送安排:销售人员根据订单要求,确认配送方式和时间,并与客户进行沟通确认。
(二)发货准备1. 商品备货:根据订单需求,仓库人员从库存中挑选相应商品进行备货。
2. 商品验收:仓库人员对备货的商品进行质量和数量的检查。
3. 包装包装:对要出库的商品进行适当的包装,以确保商品在运输过程中不受损坏。
4. 配货:根据订单需求,将已包装的商品按照订单要求进行配货,准备发货。
(三)发货操作1. 出库记录:仓库人员根据订单号和商品信息,记录出库操作,包括商品数量、出库时间等。
2. 物流安排:仓库人员将已配货的商品信息提供给物流公司,安排物流人员进行取货并配送。
3. 运输跟踪:仓库人员与物流公司保持联系,及时掌握商品运输情况进行跟踪和协调。
4. 运输保障:仓库人员提供必要的文件和资料给物流公司,确保商品的安全和准时送达。
(四)发货确认1. 出库确认:仓库人员通过系统记录出库信息,并对已出库的商品进行确认。
2. 运输签收:物流人员将商品按照订单配送至客户处,客户签收后进行确认。
3. 回访确认:销售人员与客户进行回访,确认商品的收货情况,并解答客户的疑问。
二、管理制度(一)库存管理制度1. 盘点制度:定期对库存进行盘点,确保库存数量与系统记录一致。
2. 入库核对:入库操作时,仓库人员需要对商品进行质量和数量的核对,并进行记录。
3. 出库核对:出库操作时,仓库人员需要对商品进行质量和数量的核对,并进行记录。
4. 货物分类:对不同的商品进行分类存放,便于查找和管理。
5. 定期清理:定期对库存进行清理,清除过期、损坏的商品,并进行相应记录和处理。
(二)订单管理制度1. 订单审核:销售人员在接收订单后,进行审核并与客户核对订单信息,确保准确性。
东莞华贝科技有限公司Dongguan Huabei Technology Co.,Ltd1、目的:规范发货业务,防止发货错漏,提高发货效率,最终满足客户需求。
2、范围:本流程覆盖从计划下达发货指令,工程提交发货相关信息,仓库制作《装箱清单》/《出库单》,品质核对发货实物及货物交接全部过程。
3、定义:无。
4、测评指标:a)发货时间:发货指令下达后至货物实际送出的时间。
b)发货准确率:准确发货次数/总发货次数*100%。
5、关键角色及应负责任:6、发货流程图:7、活动描述:7.1、计划下达发货指令7.1.1、生产排期的安排(出货项目安排组装和包装以及检验)。
7.1.2、在接到上海华勤出货通知后,知会到各个部门(此信息主要传达到工程,生产,品质,关务,仓库,人事,以便满足出货的需求)。
7.1.3、按华勤出货要求进行打包发货(打包出货有无特殊要求,如卡板,缠绕膜以及标签字样的需求)。
7.1.4、工厂发货时间点明确(出货的准确时间,以便通知司机过来装货和生产和仓库发货的工员安排)。
7.2、工程提供发货相关数据及IMEI信息7.2.1、依据计划下发的工单出货通知,查询系统出货数据,得出真正已出货与未出货的实际数量,如有出入便立即知会计划与仓库调整出货工单信息。
7.2.2、依据计划下发工单出货通知,为关务提供出货唛头。
7.2.3、依据生产排产单及包装指导书制作出货栈板号并将信息传递到仓库生产等相关部门。
7.2.4、依据生产排产单及包装指导书计算栈板净重、毛重,告知仓库并根据净重、毛重、颜色、型号、数量、工单、栈板型号制作打印成栈板标签交与生产、品质确认,无误后交到生产手中。
7.2.5、根据出货装箱单指导生产打包栈板并检查栈板数据无误后粘贴栈板标签完成栈板包装,7.2.6、待全部栈板打包完成后,导出出货数据,检查数据正确性,完整性,后上传华勤出货管理服务器获取验证码。
7.2.7、根据获取了验证码的出货数据重新整理出货格式,根据不同客户的不同要求整理编排数据。
仓库备货、发货流程概述在现代商业活动中,仓库备货、发货这个环节非常重要。
如果不及时备货,就会造成缺货现象;如果仓库管理不善,就会导致物品损失或丢失;如果发货流程不顺畅,就会给客户带来不良体验。
因此,在进行仓库备货、发货流程时,我们需要遵循一定规范,确保仓库备货、发货的顺利进行。
仓库备货流程客户订单处理当客户下单后,客户订单会由系统自动下发到仓库管理系统中,由仓库管理员进行处理。
仓库管理员负责确认订单,并根据订单要求准备货品,如选择合适的包装方式、打包好相应货物等待发货。
出库单生成仓库管理员将处理好的订单转化成出库单,包括货物数量、货物规格、货物重量等等,填写出库单信息,并生成出库单号,以备后续跟踪。
同时,需将出库单与订单进行匹对,确保货物无误。
货物拣选准备好出库单后,仓库管理员需在系统中查询订单所需货物的具体位置。
此时,管理员应该物色货物所在位置,根据出库单信息进行拣选,并进行核对重量和数量等要素。
如果出现货品不在库或无法捆绑等问题,则需要及时与客户联系商议后续措施。
包装拣选到货物后,仓库管理员应对货物进行包装处理。
根据出库单里规定的包装方式,要规避货物在运输途中遭受损坏的情况。
包装的类型、强度等,都应该有严格的要求。
在包装货品时,仓库管理员还需标注重量、尺寸、数量和目的地等必要信息。
出库签收如全部货物均已核对完毕并进行了包装,出库单就需要进行签收。
仓库管理员通过系统发起出库单审批流程,相关部门确认后,出库单成功生成,货物即可发往目的地。
发货流程打印面单当出库单已经得到处理并符合发货条件后,发货人就可以开始打印运单。
运单是记录快递物流某件货物的文档,上面包括运单编号、收货人姓名、手机号、地址、邮政编码、费用和支付方式等信息。
发货人应该核对这些信息,并与仓库管理员的出库单进行比对,确保货物符合出货单上的要求。
安排快递在打印运单时,发货人会选择快递公司进行配送。
不同快递公司提供不同的服务内容,选择合适的快递公司能够为客户提供更好的快递服务。
欢迎共阅备货发货流程确认表1、备货申请(项目工程部填写):项目名称:合同编号 :产品名称:产品数目:发货地:合同要求交货日期:估计开始备货日期:备注:申请人:申请日期 :财务部:建议:项目负责人:建议:技术副总:建议:总经理:建议:备注 :批复赞同备货,项目部填写《采买申请单》采买申请单编号:2、备货安装流程(项目工程部填写)(1)召开项目见告会会议时间:参加人员:项目负责人:(2)制作项目计划书(填写采买申请单)达成时间:确认人署名:(3)审批项目计划书审批人:审批时间:(4)财务备款达成时间:确认人署名:(5)采买采买时间( 3 日内达成):确认人署名:(6)硬件测试(填写硬件测试单)测试人:确认人署名:(7)物质入库(填写物质入库单)达成采买申请单并归档,库管备注物质到货时间。
(8)出库(填写物质出库单)领料人:(9)安装(填写工程部项目进度一览表)依据物质到货时间安装。
欢迎共阅3、测试狗申请(开发部填写):申请人:申请日期 :提交以下资料 :工程部:(1)机器编号 (5 位):(2)发货地:(3)硬件查收单 (发货机 ,项目部内部查收单 ):开发部 :(1)开发模块内容及查收单(电子和纸质版):(2)软件测试报告(详尽内容,电子版) (测试机 ):(3)机器特点码( 16 位):测试狗编号:测试狗签收:签收日期:测试狗送还 :财务签收:签收日期:4、发货申请(项目工程部填写):客户要求发货日期:申请人:日期:财务部:建议:项目负责人:建议:技术副总:建议:总经理:建议:备注 :批复赞同发货,开发部填写《软件狗申请表》(申请正式版 )5、发货狗申请(开发部填写):申请人:日期:提交以下资料 :工程部:(1)硬件查收单 (客户查收 ),仅限电网客户开发部 :(1)软件测试报告 (发货设施 )(2)软件查收单 (客户查收 ),仅限电网客户财务部署名 :日期:未回款,暂不制狗按合同回款,制作试用版。
仓库的备货、发货流程作者:陈继宏. 紫藤居士案例背景:【企业背景】某食品制造企业,生产产品为罐装调味品。
目前该企业有意对仓库的流程进行整改,目的是为了提高仓库的工作效率。
针对集团要求,该仓库主管完成了一份仓库的备货和发货新流程,其中备货是此次规划的重点。
【仓库背景】仓库存放产品主要品种10-15 个。
订单平均每天30、40 张,月底冲货的几天可以达到60-100张,由于有一定的起定量要求,大单和小单的比例为7:3 左右,这里指的小单通常指 2 吨以下订单。
仓库内有柴油叉车3 部。
供应商为节约成本一般使用大车(8 米到910米的车)配送多票货物,所以一般情况下仓库也就安排两台车同时装车。
【规划要求】提高发货速度,减少发货错误。
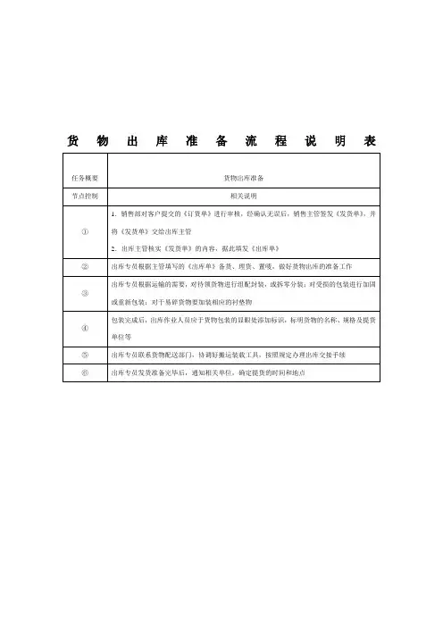
备货流程】1. 仓库部文员根据客户服务部或提货司机的发货通知单,在erp 系统查找此单拷贝,按照发货通知单的发货品种和数量,生成并打印出发(送)货单和发货点数单,指定备货区。
2. 文员或值班主任把发货通知单、发(送)货单、发货点数单和备货卡给仓管员兼叉车司机开始备货。
3. 仓管员兼叉车司机要认真核对《发货通知单》、《发(送)货单》和《发货点数单》,三单都一致后,才能开始备货,如有疑问或不一致情况,要向值班主任反映,直至问题解决后才能备货。
4. 仓管员兼叉车司机根据发货点数单填写发货产品整板数和尾数,将一式两份发货点数单的一份给搬运工挑拣尾数,另一份仓管员兼叉车司机装货时点数并记录。
5. 仓管员兼叉车司机备货时要按先进先出的原则,按点数单的发货卡位发完一个卡位再发下一个卡位的产品,将产品叉到指定备货区。
6. 仓管员兼叉车司机在备货卡上记录产品名称、生产日期、批次和数量7. 备货完毕后,仓管员在备货卡上签名交文员复核。
【发货流程】1. 仓管员兼叉车司机在装车前应核对发货通知单、发货点数单、备货卡和备货区的备货是否一致,同时要求装货司机核对数量,核对无误后通知门卫让装货的车辆进入指定装缷区。
企业产品配送运输管理表单与流程模板一、运输管理工具表单(一)货物运输通知单编号:通知日期:年月日客户名称联系电话地址运输货品列表货品名称规格数量单价金额备注中文英文金额总计人民币(大写)万仟佰拾元整运输要求1.交货日期:自签订本单后天内或年月日以前2.交货地点:3.交货单号码:4.发票号码:通知人员签字运输主管签字运输人员签字(二)汽车货物运输单开票单位(盖章):开票人:承运驾驶员:填写日期:托运人地址电话发货人地址电话收货人地址电话付货人地址电话约定起运时间约定到达时间运输工具装货地点卸货地点计费里程品名及规格包装形式件数体积:长×宽×高(厘米)件重(千克)重量(吨)保险、保价价格货物等级计费项目运费装卸费合计金额人民币万仟佰拾元整托运记载事项付款人银行账号承运人记载事项承运人银行账号托运人签章:承运人签章:年月日年月日(三)交运物品清单表发站:运单号码:货件编号包装详细内容件数或尺寸重量价值(元)物品名称材质新旧程度托运人盖章或签字:填写日期:年月日(四)货物运输记录表运输起点运输终点运输起止时间年月日时至年月日时逾期时间(天)逾期罚款运输里程(公里)运输重量(吨)短损情况(吨)公路铁路海运空运运输费用获赔金额装卸费用报损金额承运者签字备注(五)货物运输月报表填表人:填写日期:年月日运输类别实际工作天数输送来回次数输送个数输送重量输送距离移动率单位作业量(六)车辆使用申请表填表人:日期:年月日使用时间自月日时分至月日时分使用目的目的地用车日志开车前检查车辆四周刮伤□有□无后视镜□有□无胎压□正常□不正常爆裂□有□无备胎及千斤顶□有□无车底漏水□是□否漏机油□是□否引擎机油□适量□不足(补充)冷却水量□适量□不足(补充)驾驶座喇叭□佳□不佳灯类□佳□不佳雨刷□佳□不佳指针所示距离出发回到公司自公里至公里,计公里日时分日时分补给机油、汽油机油升汽油升车辆启动后查出异状□有□无(七)运输派车通知单客户名称需车时间年月日时分需车类型预计返回年月日时分司机及送货人员需车事由目的地货品名称及规格数量客户验收意见:客户签名:日期:年月日出入公司时间出:年月日时分门卫签字入:年月日时分门卫签字(八)车辆调度登记表日期发出时刻调度命令调度员姓名传达人姓名接受命令人姓名阅读时刻(签名)编号受令及抄知处所任务(九)车辆事故报告表报告时间:事故发生时间年月日时分事故发生地点事故发生车辆牌号事故发生种类1.人车相撞(□轻伤□住院□重伤□病危□死亡)2.车辆本身(□颠覆□冲撞□冲出路外□零件损坏□其他)3.车辆间相撞(□擦撞□追撞□冲撞□其他)事故发生车辆情况驾驶员姓名车辆同行人员见证人员姓名当事人对方姓名个人车辆所属部门姓名司机姓名车种及年份个人住址公司名称证件号码证件号码联系方式驾照号码联系方式车种及年份保险公司个人情况说明车牌号码保险单号驾照号码损失金额明细损失金额备注(十)车辆保养维修记录表年度:日期保养/维修项目原因所花费用保养前路码表数经手人(签字)主管(签字)二、运输管理工作流程(一)货物发运工作流程否制订运输计划运输准备组织运输开始配送部根据物流合同拟定运输计划和方案配送部凭提货单提取货物,仓储部出货并填写货物运送单结束配送部开具提货单,报配送经理审批后,通知仓储部准备货物配送部检查运输工具,调度车辆,安排驾驶员配送部组织发货,填写发货单配送部组织运输配送经理审批是(二)货物中转工作流程是接受中转任务接收中转货物发运中转货物开 始中转站接受货物中转任务后,拟定接货方案结 束配送部将货物运至中转站中转站组织运输,将货物运至目的地客户验收货物中转站组织对货物进行验收中转站通知客户取货无误否在验收单上签字确认核对、确认问题(一)装卸搬运费用报表编号:填写日期:年月日部门人事费折旧费材料费修缮费动力及燃料费其他小计搬运费合计日搬运吨数每吨搬运价格小计(二)货物中转记录表中转站:填写日期:年月日托运单位承运单位接收货物日期年月日货物起运地转发货物日期年月日货物目的地货物名称货物类别货物数量×单价货物金额中转情况记录(一)货物中转装卸搬运工作流程接受装卸搬运任务装卸搬运作业整理搬运作业现场开 始配送部组织发运,将货物运至中转站结 束搬运作业组根据搬运方案,将货物卸下,搬运至转运车辆装运处搬运作业组接受装卸搬运任务,制订具体方案搬运作业组将卸下货物装进转运车辆配送部组织二次发运,将货物运至目的地搬运作业组清理清扫作业现场(二)货物仓储装卸搬运工作流程是否接受装卸搬运任务卸货搬运作业入库出库检查装货搬运作业开 始配送部组织运输,将货物运至仓储部仓储部接受装卸搬运任务,制订装卸搬运计划仓储部根据搬运方案,组织卸货,并搬运至仓库仓储部对入库货物进行检查核对仓储部对所需货物进行检出、分离仓储部对出库货物进行出库检查仓储部组织对货物的装车配送部组织对货物的运输结 束部门经理审批五、配送与配送中心管理工具表单(一)月度配送计划表年月日期货物名称品种规格数量送达地运输要求装卸要求送货时间备注123……(二)配送业务订货单订货单编号:订货日期:供货人名称接货人名称交货日期供货人地址接货人地址交货地点供货人联系方式接货人联系方式付款条件配送货物信息货物名称货物规格货物单位货物数量备注填写人员:审核人员:(三)配送货物调运单填表人:填写日期:年月日拨货单位地址电话收货单位地址电话拨货通知单号码日期核定退货文号号码日期运输工具承运人运出日期车号押运人到达日期货物编号货物名称规格单位应拨数量实拨数量实收数量单价总价包装备注发货人发货主管复核收货人收货主管复核(四)配送成品交运单交运日期:年月日本单编号:客户名称交货地点卡别正常或取消N正常L取消异动代号及原因FA代加工;GS冲销预收款;FB发票属发货库;HQ样品赠送;GB调拨;CG预收款;HT送厂外加工发货库收货库公司客户编号销售别发票号码生产通知单产品编号产品名称规格单位数量单价金额备注号码项次客户签收签收日期年月日(五)配送中心拣货单拣货单编号:订单编号:用户名称地址电话出货日期出货货位号拣货日期年月日至年月日拣货人核查时间年月日至年月日核查人序号储位号码商品名称规格型号商品编码包装单位数量备注箱整托盘单件备注托运人(签章)日期:年月日承运人(签章)日期:年月日(六)配送效率调查表填表人:填表日期:年月日调查项目进货验货保管分拣加工分类集货装车作业数量作业人员作业时间作业场所设备数量六、配送与配送中心管理工作流程(一)备货作业管理工作流程否制订进货计划验收货物货物入库处理开始结束供应商将货物送达配送货物储存地仓储部协助组织卸货,对货物进行分类仓储部进行货物入库处理,整理进货信息仓储部根据货物订单,核对货物单据和信息仓储部对货物进行验收,办理相关手续报配送经理审批是配送部根据客户订单及货物库存情况,制订进货作业计划(二)配送作业管理工作流程是否是制订配送计划准备配送组织配送完成配送接到客户订单后,配送部制订配送计划配送部根据配送计划,进行运输车辆调度及货物配装配送部组织人员与仓储部门人员按照订单进行分货、配货检查和包装配送部组织对货物的运输货物配送人员将货物运至目的地货物配送人员与接货人员办理交接手续,并协助卸货货物配送人员带回所退(换)货物,并办理相关手续结 束部门经理审批 总经理审批开 始(三)配送中心筹划准备工作流程配送中心建设立项配送中心经营定位配送中心选址完成配送中心筹划开 始配送部根据公司业务发展情况,提出建设配送中心设想筹建领导小组根据配送中心功能、配送货物及配送区域对其进行经营定位公司根据配送中心立项成立配送中心筹建领导小组筹建领导小组通过外部条件论证及内部业务分析,确定配送中心地址筹建领导小组确定配送中心的储运单位规划、运转能力规划结 束筹建领导小组对已选地址、运输量、库存量、各项费用及成本进行预测分析筹建领导小组递交筹划准备报告,并组织配送中心开工建设报总经理审批是。
仓库备货、发货流程
流程说明:
1. 方案部门的生产任务单必需分类下达;外加工、选购、质检、仓库、分厂。
2. 外加工零件、外购零件、库存零件由检验合格后入库并由分厂开单领用安装。
仓库每个星期报库存数量给供应部
仓库查寻有无备货
供应部选购 分厂依据进度请购
仓库依据领料单发货 开单领用
下达分厂生产任务
备件进仓后第一时间发布到货消息
选购、检验、入库 仓库配套
进度连接 制造部按经营订单下生产任务通知单,并供应备件需求清单。
外加工件走另外流程 外加工单位 进厂检验 金山厂开部件申购单 制造部物流发送
仓库按通知发货
财务
全部发货单据 流转单据
送回仓库结账
制造部门
外加工 选购部
3. 各分厂在安装过程中需更换零件、更改部件的,需重新走申请流程。
4. 金山工厂的备件由工厂申请,选购、检验、入库后由仓库配货。
数量依据方案通知制造部物流发送。
5. 全部选购及领用,须有厂长以上领导签字认可。
6. 紧固件、易耗品、劳防用品、工具、办公用品等,由仓库依据正常使用报合理库存。
7. 电器、电线部分仓库每个星期报张X查阅并知道制定合理库存。
8. 选购、申请的部件,实行哪个部门申请哪个部门领用的原则。
9. 此流程依据设备配套产品执行,特殊规格、用途的产品也必需走申请流程。
10. 此流程于2020年7月25日起执行,行政部对每个部门流转状况依据公司规定进行考核。
备货发货流程确认表 HUA system office room 【HUA16H-TTMS2A-HUAS8Q8-HUAH1688】
备货发货流程确认表
1、备货申请(项目工程部填写):
项目名称:合同编号: 产品名称:产品数量:
发货地:合同要求交货日期:
预计开始备货日期:备注:
申请人:申请日期:
财务部:意见:
项目负责人:意见:技术副总:意见:总经理:意见:备注:批复同意备货,项目部填写《采购申请单》
采购申请单编号:
2、备货安装流程(项目工程部填写)
(1)召开项目告知会
会议时间:
参加人员:
项目负责人:
(2)制作项目计划书(填写采购申请单)完成时间:确认人签字:
(3)审批项目计划书
审批人:审批时间:
(4)财务备款
完成时间:确认人签字:
(5)采购
采购时间(3日内完成):确认人签字:
(6)硬件测试(填写硬件测试单)
测试人:确认人签字:
(7)物资入库(填写物资入库单)
完成采购申请单并归档,库管备注物资到货时间。
(8)出库(填写物资出库单)
领料人:
(9)安装(填写工程部项目进度一览表)
根据物资到货时间安装。
3、测试狗申请(开发部填写):
申请人:申请日期: 提交如下资料:
工程部:
(1)机器编号(5位):
(2)发货地:
(3)硬件验收单(发货机,项目部内部验收单):
开发部:
(1)开发模块内容及验收单(电子和纸质版):
(2)软件测试报告(详细内容,电子版)(测试机):
(3)机器特征码(16位):
测试狗编号:
测试狗签收:签收日期:
测试狗归还:
财务签收:签收日期:
4、发货申请(项目工程部填写):
客户要求发货日期:
申请人:日期:财务部:意见:项目负责人:意见:技术副总:意见:
总经理:意见:
备注:批复同意发货,开发部填写《软件狗申请表》(申请正式版)
5、发货狗申请(开发部填写):
申请人:日期:
提交如下资料:
工程部:
(1)硬件验收单(客户验收),
开发部:
(1)软件测试报告(发货设备)
(2)软件验收单(客户验收),
财务部签字: 日期:
未回款,暂不制狗
按合同回款,制作试用版。
软件狗编号:到期日期:
收到全款,制作正式版。
软件狗编号:制狗日期:项目负责人:意见:
技术副总:意见:
总经理:意见:
发货狗签收:签收日期:
6、发货(项目工程部填写):
所有物品齐全,完整可用
发货人1:发货人2: 发货日期和时间:预计到货日期:
物流名称:联系方式:保费金额:
对方收货人:联系方式:收货日期和时间:
客户验收人:验收日期:。