2019全国职业院校技能大赛数控机床装调与技术改造赛项
- 格式:doc
- 大小:37.50 KB
- 文档页数:4
全国职业院校技能大赛数控机床装调与技术改造技能一、赛事背景1. 赛事简介全国职业院校技能大赛是由中华人民共和国教育部主管,全国各地职业院校共同举办的一项重要赛事。
该赛事旨在促进职业院校学生的综合素质和专业技能的提升,为职业院校学生提供展示自我的评台,激发学生学习积极性,推动职业教育改革与发展。
2. 赛事内容数控机床装调与技术改造技能赛是全国职业院校技能大赛中的重要赛项之一。
该赛事旨在检验学生在数控机床操作、装配与调试、技术改造等方面的专业能力,促进学生在实际工作中的技术应用与创新能力。
二、比赛要求1. 参赛学生条件参赛学生需为在校职业院校学生,专业为数控技术或相关专业的学生。
2. 比赛内容(1)数控机床操作:参赛选手需熟练掌握数控机床的操作技能,包括工件夹持、刀具装夹、程序输入与验证等方面。
(2)数控机床装配与调试:参赛选手需按照要求完成数控机床的装配与调试工作,包括机床整机组装、传动系统调试、控制系统调试等。
(3)技术改造与优化:参赛选手需对已有的数控机床进行技术改造与优化,提升机床的加工精度、稳定性和效率。
3. 参赛规则参赛学生需严格遵守比赛规则,如比赛时间、使用工具与设备,安全操作等,违规者将被取消比赛资格。
三、赛事意义1. 促进专业技能提升数控机床是现代制造业的重要生产设备,其操作与技术能力直接关系到工件加工的质量和效率。
通过参加此类赛事,学生可以在实践中提高自身的操作技能与技术应用能力,促进专业素质的提升。
2. 推动技术创新与应用技能大赛不仅是学生展示个人技能的舞台,也是学生进行技术创新与应用的评台。
在数控机床装调与技术改造技能赛中,学生可以通过技术改造项目展示自己的创新成果,促进技术成果的产业化和应用推广。
3. 增加学生就业竞争力参加全国职业院校技能大赛的学生,往往具有较强的专业技能和实践经验,这对于学生未来的就业和职业发展具有重要的参考意义。
通过此类赛事的参与和获奖,可以有效增加学生的就业竞争力。
2014年全国职业院校技能大赛“数控车床装调与维修技术"赛项规程一、竞赛名称赛项编号:063赛项名称:数控车床装调与维修技术英语翻译:CNC lathe assembly and repair technology赛项组别:中职组赛项归属产业:加工制造类二、竞赛目的以数控机床制造、维修保养技术为背景,融入具有时代背景的新技能、新技术、新的生产理念,通过竞赛,展示参赛学生熟练的数控车床装调与维修技能以及参赛队良好的精神面貌,检阅参赛队组织管理、团队协作、现场问题的分析与处理、工作效率、质量与成本控制、安全及文明生产等职业素养;展示职业教育改进与改革的最新成果,加快工学结合人才培养和课程改革与创新的步伐,引导职业教育关注数控机床装调与维修方面的发展趋势及新技术应用,为行业、企业培养急需的具有时代特色的机械制造产业高技能人才。
三、竞赛内容与时间(一)竞赛内容参赛队在4小时内,完成任务书规定的任务。
本项目采用理论与操作一体化方式,任务书既包含具体工作任务操作试题,又包含相关理论知识试题,检阅参赛选手对所学专业基础课及专业课的现场应用能力。
现场工作任务包含数控车床的电气装配与测试、十字滑台功能部件的机械装配与调整、数控车床功能调试与故障排除、数控车床几何精度检测、零件的试切削加工、数控车床的维护保养等,要求机床功能达到任务书预定要求、操作过程规范,各项目模块详细说明如下:1。
电气线路装配与调试。
选手使用赛场提供的电器元件,按照电气原理图及装配图,完成数控车床电气控制线路的装配、连接与调试等典型工作任务.2。
十字滑台功能部件的机械装配与调整。
选手利用现场提供的工、量、检具,完成十字滑台功能部件的机械装配,并根据装配工艺要求,对功能部件相关几何精度进行检测与调整。
3.数控车床功能调试。
根据任务书的要求,在比赛平台上,完成典型数控车床的控制要求及数据备份等工作任务;4。
数控车床故障诊断与排除。
根据任务书要求判断与排除数控车床的故障。
2019年全国职业院校技能大赛赛项规程一、赛项名称赛项编号:GZT-2019003赛项名称:船舶主机和轴系安装英文名称:Installation of Ships' Main Engine and Shafting赛项组别:高职赛项归属:装备制造大类二、竞赛目的通过竞赛,检验、展示高职院校本专业教学改革成果以及学生岗位通用技术与职业能力,引领和促进高职院校该专业教学改革,激发和调动行业、企业关注和参与专业教学改革的主动性和积极性,推动提升高职院校应用专业人才培养水平。
三、竞赛内容竞赛内容选取船舶轮机设备系统安装调整关键技术,主要包括“理论知识测试”、“船舶轴系定位”、“工艺参数的测量与调整”、“轴承负荷的测量、计算与调整”、“船舶主机安装垫片的配制”和“小型柴油机拆装与调试”等6个模块。
理论知识测试模块考核选手船舶动力装置相关的专业知识掌握程度,其它5个模块考核船舶主机和轴系安装,及柴油机的装配调试操作技能,参赛队需要完成所有6个模块的竞赛。
竞赛内容详见表1。
表1 竞赛内容及时间注:1.各模块的报检时间不计入竞赛时间。
2.船舶主机安装垫片的配制模块中,垫片配制场地与机械加工场地之间步行来回约需10分钟,此时间含在110分钟的竞赛时间之内。
四、竞赛方式(一)竞赛以团队方式进行,不计选手个人成绩,统计参赛队的总成绩进行排序。
(二)参赛队伍组成:每支参赛队由3名比赛选手组成,3名选手须为同校在籍学生,其中队长1名,性别和年级不限。
每队设领队1人,指导教师2人。
(三)竞赛需分批次进行,由赛项执委会按照竞赛日程表组织各参赛领队抽签确定批次。
(四)赛场的赛位统一编制赛位号,参赛队的赛位由参赛队队长抽签决定。
(五)本赛项不邀请国际团队参赛,欢迎国际团队到场观赛。
五、竞赛流程(一)竞赛日程安排具体的竞赛日期,由全国职业院校技能大赛执委会及赛区执委会统一规定,赛事日程安排,见表2。
表2竞赛日程表(二)参赛选手竞赛流程参赛选手竞赛日(模块2-6)的竞赛流程如表3所示。
2019年全国职业院校技能大赛竞赛项目方案一、赛项名称(一)赛项名称数控机床装调与技术改造(二)压题彩照(三)赛项归属产业类型:装备制造类二、赛项申报专家组三、赛项目的通过比赛,检验参赛选手的团队协作能力、计划组织能力和数控机床机械装调、电气装调、精度检验、故障诊断和排除、工件试加工等技能,2019年《数控机床装调与技术改造》之技术改造部分倾向智能制造装备层面技术改造。
本赛项设置将国家职业标准和企业要求与职业院校人才培养对接,探索人才培养评价标准;坚持比赛与教学资源建设相结合原则,引领职业院校专业建设与课程改革,特别是推动高职院校“数控装备应用与维护”专业的教育教学课程改革;促进产教融合、校企合作;加快工学结合人才培养模式改革与创新的步伐,促进高职院校适应当前制造业转型升级的迫切要求、适应智能制造的发展,为我们高职院校培养“数控装备应用与维护”专业的高素质技能型人才、培养具有“匠人精神”的机电一体化复合型人才,展示职教改革成果及师生良好精神面貌。
四、赛项设计原则(一)坚持“公开、公平、公正、”的原则;赛项设计严格执行《2018年全国职业院校技能大赛制度汇编》,遵循公开、公平、公正的原则,赛前公开竞赛内容和时间、竞赛方式、竞赛规则、竞赛环境、技术规范、技术平台、评分标准和方法;赛前一个月公布样题并召开赛项技术说明会,明确操作工艺规范和评分要求。
在赛项组织方面,按照大赛成绩管理办法的成绩管理流程执行,采取三次加密,成绩采取现场和结果评分相结合方式;严格执行专家和裁判选用制度,对裁判进行赛前培训和考核,统一执裁尺度;赛场借鉴世界技能大赛模式,设置参观区域,允许观众和指导教师现场观摩比赛。
按要求组织赛项各个环节,保证竞赛安全、有序、顺利进行。
(二)贴近市场需求、行业对接数控机床装调与维修的服务对象是数控装备的生产企业和制造业末端数控装备使用企业,特别是在倡导智能制造的今天,车间操作工将逐步被减少,但是智能装备(数控机床及上下料机械手等辅助装置)的维护和安装调整最终却需要更多的高端人才来完成,是符合中国制造2025战略的人才需求。
附件2019年全国职业院校技能大赛实施方案一、大赛名称:2019年全国职业院校技能大赛二、比赛时间:2019年5-6月三、比赛地点:主赛区:天津。
分赛区:北京、山西、内蒙古、吉林、江苏、浙江、安徽、福建、山东、河南、湖北、湖南、广东、广西、重庆、贵州、云南、陕西、甘肃、宁夏、青岛。
四、主办单位:教育部、天津市人民政府、国家发展和改革委员会、科学技术部、工业和信息化部、国家民族事务委员会、民政部、财政部、人力资源和社会保障部、自然资源部、生态环境部、住房和城乡建设部、交通运输部、水利部、农业农村部、商务部、文化和旅游部、国家卫生健康委员会、应急管理部、国务院国有资产监督管理委员会、国家粮食和物资储备局、中国民用航空局、国家中医药管理局、国务院扶贫开发领导小组办公室、中华全国总工会、共青团中央、中华职业教育社、中国职业技术教育学会、中华全国供销合作总社、中国机械工业联合会、中国有色金属工业协会、中国石油和化学工业联合会、中国物流与采购联合会、中国纺织工业联合会、中国煤炭工业协会。
五、比赛分组:中职组、高职组六、比赛项目:比赛项目涵盖87个大项,89个分赛项。
其中,中职组10个专业类,38个大项(40个分赛项),行业特色赛项1项;高职组16个专业大类,49个大项(49个分赛项),行业特色赛项4项。
七、大赛具体报名通知及各赛项规程由大赛执委会另发。
八、报名资格:报名以省(区、市,计划单列市,新疆生产建设兵团)为单位组队。
以计划单列市为单位报名仅限中职项目。
中职组参赛选手须为中等职业学校全日制在籍学生;高职组参赛选手须为普通高等学校全日制在籍高职学生。
本科院校中高职类全日制在籍学生可报名参加高职组比赛。
五年制高职学生报名参赛的,一至三年级(含三年级)学生参加中职组比赛,四、五年级学生参加高职组比赛。
中职组参赛选手年龄一般不超过21周岁;高职组参赛选手年龄一般不超过25周岁,年龄计算的截止时间以2019年5月1日为准。
2019年全国职业院校技能大赛中职组“液压与气动系统装调与维护”赛项规程一、赛项名称赛项编号:ZZ-2019013赛项名称:液压与气动系统装调与维护英文名称:Hydraulic and pneumatic system adjustment and maintenance赛项组别:中职组赛项归属:加工制造类二、竞赛目的(一)针对重工业液压系统故障诊断难的问题,推进高技能液压人才的培养。
目前,重工业中动力驱动基本采用“电机系统+液压系统”模式,液压系统应用极其广泛,但因液压系统的故障诊断困难、维修周期长,给许多企业造成了巨大的经济损失。
因此,根据液压系统的应用情况,要求考察选手的液压元件的使用、液压回路的分析、典型液压故障的诊断方法、液压维修的基本技能等。
重点考核选手对液压泵站的安装与维护,液压系统安装与调试、比例阀控制技术应用及故障排除等专业操作技能,同时还考核选手的统筹计划能力、工作效率、安全意识、质量意识、节能环保意识和职业素养等。
(二)针对气动系统应用广泛的现状,推进气动回路设计与维护能力人才的培养气动回路因其简单易用、经济实惠、成本低廉等优势,广泛使用在轻载设备中,尤其是在家电、轻工业、纺织等行业广泛使用,因此,通过赛项考察选手气动元件的使用知识、气动基本回路的分析与排故、气动基础知识、气动典型系统回路分析等内容;要求选手具有较强的气动回路设计能力,能完成一般工业气动控制回路的设计与搭建,并具有故障诊断的能力。
(三)及时跟踪液压系统新技术,促进中职院校液压课程教学内容与教学模式的改革随着计算机技术的发展,液压技术也得到快速的发展,液压应用更加广泛,先进的控制阀如片阀、2D阀、插装阀、伺服阀等应用越来越多,这就客观上需要学生掌握这些知识,但目前中职、高职的液压课程中,仍以普通的液压阀为主实施教学,以造成学生毕业后无法适应新技术的情况,因此,通过大赛促进学校教学内容与教学模式的改革,引领新技术的应用。
公开赛卷(华中数控)HZSK-52019年全国职业院校技能大赛高职组“数控机床装调与技术改造”实操比赛(GZ2019008)【公开题】(总时间:300分钟)任务书场次:工位号:一、选手须知请各位选手赛前务必仔细研读1.本任务书总分为100分,比赛时间为5小时(300分钟)。
2.选手在实操过程中应该遵守竞赛规则和安全守则,确保人身和设备安全。
如有违反,则按照相关规定在比赛的总成绩中扣除相应分值。
3.记录表中数据用黑色水笔填写,表中数据文字涂改后无效。
4.比赛过程中选手不得使用自带U盘及其它移动设备拷贝相关文件。
5.禁止使用相机及手机对赛题进行拍照,否则取消比赛资格。
6.选手签字一律按照第二次抽签拿到的号码签字,不得实名签字。
7.仅对任务三“数控机床故障诊断与维修”,参赛队在比赛过程中遇到排除故障部分的内容不能自行完成,可以在比赛开始60分钟后选择放弃,放弃后由裁判通知工作人员进行故障排除,本环节选手已经查出故障的按规定给分,选手放弃后未查出的故障不给分(并每一个故障倒扣2分)。
如果工作人员排除故障的时间超过15分钟,由裁判记录时间并酌情加时,每场次赛项放弃项最多不超过三次。
8.本任务书共计20页,赛卷记录表和附件22页,共计42页。
如有缺页,请立即与裁判联系。
二、赛卷说明1.赛卷由“任务书”和“赛卷记录表”两部分构成,在比赛过程中需按照任务书的要求完成,需要填写的测量数据、参数修改位和修改值、绘制的图、工艺说明、以及设计修改的程序等,应按照任务书要求填入“赛卷记录表”相应的表格中。
任务书由七个任务组成,分别是:任务一:数控机床电气设计与安装;任务二:数控机床机械部件装配与调试;任务三:数控机床故障诊断与维修;任务四:数控机床技术改造与功能开发;任务五:数控机床精度检测;任务六:试切件的编程与加工、工件在线测量;任务七:职业素养与安全意识。
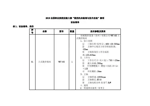
2. 本任务书及赛卷记录表适用华中数控系统配置的①大连机床ZTXX-30A 立式数控铣床和②纽威数控装备(苏州)有限公司VM740S立式数控铣床。
2019年甘肃省职业院校技能大赛高职教师组“数控机床装调与技术改造”赛项规程一、赛项名称赛项名称:数控机床装调与技术改造项组别:教师组赛项归属产业:装备制造类二、竞赛目的通过比赛,检验参赛选手的团队协作能力、计划组织能力和数控机床机械装调、电气装调、精度检验、故障诊断和排除、新技术应用、工件试加工等技能。
本赛项设置将国家职业标准和企业要求与职业院校人才培养对接,探索人才培养评价标准;坚持比赛与教学资源建设相结合原则,引领职业院校专业建设与课程改革,特别是推动高职院校“数控装备应用与维护”专业的教育教学课程改革;促进产教融合、校企合作;加快工学结合人才培养模式,此次赛项赛点是针对机床特点进行精度、电气、参数、PLC 程序及功能调试的,为我们高职院校培养“数控装备应用与维护”专业的高素质技能型人才、培养具有“匠人精神”的机电一体化复合型人才,展示职教改革成果及师生良好精神面貌。
三、竞赛命题原则依据国家职业技能标准,注重基本技能,体现现代技术,结合生产实际,考核职业综合能力,一方面检验选手的理论知识水平,另一方面检验参赛选手的数控机床机械、电气安装能力,电气识图及接线等基本故障分析、故障维修及零件加工技能的熟练情况。
并对技能人才培养起到示范指导作用。
促进理实一体、工学结合人才培养模式改革与创新,培养可持续发展、满足企业需求的数控维修技术高技能人才。
四、竞赛内容(一)竞赛形式竞赛内容包括理论知识、软件应用和技能操作三部分。
(二)竞赛成绩计算理论知识竞赛试卷满分为100 分,理论知识竞赛成绩取三名参赛选手的平均分后,按照20%折算计入竞赛总成绩;实际操作竞赛满分为100 分,实操操作竞赛成绩取三名参赛选手共同完成的实操竞赛成绩后,按照80%折算计入竞赛总成绩;理论知识竞赛成绩与实际操作竞赛成绩经折算后相加得出竞赛总成成绩绩。
满分为100 分。
(三)竞赛内容数控机床装调与技术改造项目是使用数控车床进行装调、维修及技术改造的技能竞赛。
年甘肃省职业院校技能大赛高职教师组“数控机床装调与技术改造”赛项规程一、赛项名称赛项名称:数控机床装调与技术改造项组别:教师组赛项归属产业:装备制造类二、竞赛目的通过比赛,检验参赛选手的团队协作能力、计划组织能力和数控机床机械装调、电气装调、精度检验、故障诊断和排除、新技术应用、工件试加工等技能。
本赛项设置将国家职业标准和企业要求与职业院校人才培养对接,探索人才培养评价标准;坚持比赛与教学资源建设相结合原则,引领职业院校专业建设与课程改革,特别是推动高职院校“数控装备应用与维护”专业的教育教学课程改革;促进产教融合、校企合作;加快工学结合人才培养模式,此次赛项赛点是针对机床特点进行精度、电气、参数、程序及功能调试的,为我们高职院校培养“数控装备应用与维护”专业的高素质技能型人才、培养具有“匠人精神”的机电一体化复合型人才,展示职教改革成果及师生良好精神面貌。
三、竞赛命题原则依据国家职业技能标准,注重基本技能,体现现代技术,结合生产实际,考核职业综合能力,一方面检验选手的理论知识水平,另一方面检验参赛选手的数控机床机械、电气安装能力,电气识图及接线等基本故障分析、故障维修及零件加工技能的熟练情况。
并对技能人才培养起到示范指导作用。
促进理实一体、工学结合人才培养模式改革与创新,培养可持续发展、满足企业需求的数控维修技术高技能人才。
四、竞赛内容(一)竞赛形式竞赛内容包括理论知识、软件应用和技能操作三部分。
(二)竞赛成绩计算理论知识竞赛试卷满分为分,理论知识竞赛成绩取三名参赛选手的平均分后,按照折算计入竞赛总成绩;实际操作竞赛满分为分,实操操作竞赛成绩取三名参赛选手共同完成的实操竞赛成绩后,按照折算计入竞赛总成绩;理论知识竞赛成绩与实际操作竞赛成绩经折算后相加得出竞赛总成成绩绩。
满分为分。
(三)竞赛内容数控机床装调与技术改造项目是使用数控车床进行装调、维修及技术改造的技能竞赛。
参赛选手根据赛项任务书的要求,借助赛场提供的设备、检具、工具、技术资料、及系统故有软件和计算机等,完成数控车床的机械、电气控制系统安装与调试、故障诊断与排除、机床精度检测与分析、零件试切加工、维护与保养等工作。