数字逻辑第五章课后习题答案
- 格式:docx
- 大小:75.32 KB
- 文档页数:7
第五章组合逻辑电路1.写出如图所示电路的输出信号逻辑表达式,并说明其功能。
(a)(b)解:(a)Y1ABC(判奇功能:1的个数为奇数时输出为1)Y2AB(AB)CABACBC(多数通过功能:输出与输入多数一致)(b)Y1(AB)A(AB)BABAB(同或功能:相同为1,否则为0)2.分析如图所示电路的逻辑功能(a)(b)(c)解:(a)Y1ABAB(判奇电路:1的个数为奇数时输出为1)0011(b)Y2(((AA)A)A)(判奇电路:1的个数为奇数时输出为1)0123YAM00(c)Y1 A M1(M=0时,源码输出;M=1时,反码输出)YAM233.用与非门设计实现下列功能的组合逻辑电路。
(1)实现4变量一致电路。
(2)四变量的多数表决电路解:(1)1)定变量列真值表:ABCDYABCDY0000110000000101001000100101000011010110010*******010*******011001110001110111112)列函数表达式:YABCDABC D ABCDABCD3)用与非门组电路(2)输入变量A、B、C、D,有3个或3个以上为1时输出为1,输人为其他状态时输出为0。
1)列真值表2)些表达式3)用与非门组电路4.有一水箱由大、小两台水泵ML和Ms供水,如图所示。
水箱中设置了3个水位检测元件A、B、C,如图(a)所示。
水面低于检测元件时,检测元件给出高电平;水面高于检测元件时,检测元件给出低电平。
现要求当水位超过C点时水泵停止工作;水位低于C点而高于B点时Ms单独工作;水位低于B点而高于A点时ML单独工作;水位低于A点时ML和Ms同时工作。
试用门电路设计一个控制两台水泵的逻辑电路,要求电路尽量简单。
解:(1)根据要求列真值表(b)(b)(a)(2)真值表中×对应的输入项为约束项,利用卡诺图化简(c)(d)(c)(d)(e)得:MABCsMBL(ML、M S的1状态表示工作,0状态表示停止)(3)画逻辑图(e)5.某医院有—、二、三、四号病室4间,每室设有呼叫按钮,同时在护士值班室内对应地装有一号、二号、三号、四号4个指示灯。
习题五1. 简述时序逻辑电路与组合逻辑电路的主要区别。
解答组合逻辑电路:若逻辑电路在任何时刻产生的稳定输出值仅仅取决于该时刻各输入值的组合,而与过去的输入值无关,则称为组合逻辑电路。
组合电路具有如下特征:①由逻辑门电路组成,不包含任何记忆元件;②信号是单向传输的,不存在任何反馈回路。
时序逻辑电路:若逻辑电路在任何时刻产生的稳定输出信号不仅与电路该时刻的输入信号有关,还与电路过去的输入信号有关,则称为时序逻辑电路。
时序逻辑电路具有如下特征:○1电路由组合电路和存储电路组成,具有对过去输入进行记忆的功能;○2电路中包含反馈回路,通过反馈使电路功能与“时序”相关;○3电路的输出由电路当时的输入和状态(过去的输入)共同决定。
2. 作出与表1所示状态表对应的状态图。
表1 状态表现态y2 y1次态y2 ( n+1)y1(n+1) /输出Zx2x1=00 x2x1=01 x2x1=11 x2x1=10ABCD B/0B/0C/0A/0B/0C/1B/0A/1A/1A/0D/0C/0B/0D/1A/0C/0解答根据表1所示状态表可作出对应的状态图如图1所示。
图13. 已知状态图如图2所示,输入序列为x=11010010,设初始状态为A,求状态和输出响应序列。
图 2解答状态响应序列:A A B C B B C B输出响应序列:0 0 0 0 1 0 0 14. 分析图3所示逻辑电路。
假定电路初始状态为“00”,说明该电路逻辑功能 。
图 3 解答○1 根据电路图可写出输出函数和激励函数表达式为xK x,J ,x K ,xy J y xy Z 1111212=====○2 根据输出函数、激励函数表达式和JK 触发器功能表可作出状态表如表2所示,状态图如图4所示。
表2图4现态 y 2 y 1 次态 y 2( n+1)y 1(n+1)/输出Zx=0 x=1 00 01 10 1100/0 00/0 00/0 00/001/1 11/0 11/0 11/1○3 由状态图可知,该电路为“111…”序列检测器。
5.31BUT门的可能定义是: “如果A1和B1为1, 但A2或B2为0, 则Y1为1;Y2的定义是对称的。
”写出真值表并找出BUT门输出的最小“积之和”表达式。
画出用“与非-与非”电路实现该表达式的逻辑图, 假设只有未取反的输入可用。
你可以从74x00、04.10、20、30组件中选用门电路。
解: 真值表如下A1 B1 A2 B2 Y1 Y2 A1 B1 A2 B2 Y1 Y20 0 0 0 0 0 1 0 0 0 0 00 0 0 1 0 0 1 0 0 1 0 00 0 1 0 0 0 1 0 1 0 0 00 0 1 1 0 1 1 0 1 1 0 10 1 0 0 0 0 1 1 0 0 1 00 1 0 1 0 0 1 1 0 1 1 00 1 1 0 0 0 1 1 1 0 1 00 1 1 1 0 1 1 1 1 1 0 0利用卡诺图进行化简, 可以得到最小积之和表达式为Y1=A1·B1·A2’+A1·B1·B2’Y2=A1’·A2·B2+B1’·A2·B2Y2采用74x04得到各反相器采用74x10得到3输入与非采用74x00得到2输入与非5.32做出练习题5.31定义的BUT门的门级设计, 要求以cmos实现时使用的晶体管数目最少, 可以从74x00、04.10、20、30组件中选用门电路.写出输出表达式(不一定是二级“积之和”)并画出逻辑图。
解: cmos晶体管用量: 反相器2个2输入与非门4个3输入与非门6个为了尽量减少晶体管用量, 可以采用下列表达式, 以便实现器件的重复使用:F1=(A1·B1)·(A2’+B2’)=(A1·B1)·(A2·B2)’=[(A1·B1)’+(A2·B2)’’]’F2=[(A2·B2)’+(A1·B1)’’]’电路图:晶体管用量: 20只(原设计中晶体管用量为40只)5.34已知函数 , 说明如何利用练习题5.31定义的单个BUT 门和单个二输入或门实现F.解: BUT 门输出采用最小项和的形式表达为()∑=2,2,1,114,13,121B A B A Y ,()∑=2,2,1,111,7,32B A B A Y将两个输出相或就可以得到要求实现的函数。
第一章开关理论基础1.将下列十进制数化为二进制数和八进制数十进制二进制八进制49 110001 6153 110101 65127 1111111 177635 1001111011 11737.493 111.1111 7.7479.43 10011001.0110111 231.3342.将下列二进制数转换成十进制数和八进制数二进制十进制八进制1010 10 12111101 61 751011100 92 1340.10011 0.59375 0.46101111 47 5701101 13 153.将下列十进制数转换成8421BCD码1997=0001 1001 1001 011165.312=0110 0101.0011 0001 00103.1416=0011.0001 0100 0001 01100.9475=0.1001 0100 0111 01014.列出真值表,写出X的真值表达式A B C X0 0 0 00 0 1 00 1 0 00 1 1 11 0 0 01 0 1 11 1 0 11 1 1 1 X=A BC+A B C+AB C+ABC5.求下列函数的值当A,B,C为0,1,0时:A B+BC=1(A+B+C)(A+B+C)=1(A B+A C)B=1当A,B,C为1,1,0时:A B+BC=0(A+B+C)(A+B+C)=1(A B+A C)B=1当A,B,C为1,0,1时:A B+BC=0(A+B+C)(A+B+C)=1(A B+A C)B=06.用真值表证明下列恒等式(1) (A⊕B)⊕C=A⊕(B⊕C)A B C (A⊕B)⊕C A⊕(B⊕C)0 0 0 0 00 0 1 1 10 1 0 1 10 1 1 0 01 0 0 1 11 0 1 0 01 1 0 0 01 1 1 1 1所以由真值表得证。
(2)A⊕B⊕C=A⊕B⊕CA B C A⊕B⊕C A⊕B⊕C0 0 0 1 10 0 1 0 0 0 1 0 0 0 0 1 1 1 1 1 0 0 0 0 1 0 1 1 1 1 1 0 1 1 1 1 1 0 07.证明下列等式(1) A+A B=A+B证明:左边= A+A B =A(B+B )+A B =AB+A B +A B =AB+A B +AB+A B =A+B =右边(2) ABC+A B C+AB C =AB+AC证明:左边= ABC+A B C+AB C = ABC+A B C+AB C +ABC =AC(B+B )+AB(C+C ) =AB+AC =右边(3) E D C CD A C B A A )(++++=A+CD+E 证明:左边=E D C CD A C B A A )(++++ =A+CD+A B C +CD E =A+CD+CD E =A+CD+E =右边(4) C B A C B A B A ++=C B C A B A ++证明:左边=C B A C B A B A ++=C B A C AB C B A B A +++)( =C B C A B A ++=右边8.用布尔代数化简下列各逻辑函数表达式9.将下列函数展开为最小项表达式 (1) F(A,B,C) = Σ(1,4,5,6,7)(2) F(A,B,C,D) = Σ(4,5,6,7,9,12,14) 10.用卡诺图化简下列各式(1)C AB C B BC A AC F +++=化简得F=C(2)C B A D A B A D C AB CD B A F++++=F=D A B A +(3) F(A,B,C,D)=∑m (0,1,2,5,6,7,8,9,13,14)化简得F=D BC D C A BC A C B D C ++++(4) F(A,B,C,D)=∑m (0,13,14,15)+∑ϕ(1,2,3,9,10,11)化简得F=AC AD B A ++11.利用与非门实现下列函数,并画出逻辑图。
绪论单元测试1【多选题】(5分)计算机的五大组成部分是()、()、()、输入设备和输出设备。
A.控制器B.运算器C.硬盘D.存储器2【判断题】(5分)数字逻辑课程是计算机专业的一门学习硬件电路的专业基础课。
A.错B.对3【判断题】(5分)计算机的运算器是能够完成算术和逻辑运算的部件,逻辑运算比如与运算。
A.错B.对第一章测试1【单选题】(10分)与二进制数1101011.011对应的十六进制数为()A.53.3B.73.3C.6B.3D.6B.62【单选题】(10分)与二进制数101.011等值的十进制数是()A.5.175B.5.375C.3.625D.5.6753【单选题】(10分)(17)10对应的二进制数是()A.10011B.101111C.10110D.100014【判断题】(10分)数字电路中用“1”和“0”分别表示两种状态,二者通常无大小之分A.错B.对5【判断题】(10分)格雷码具有任何相邻码只有一位码元不同的特性A.对B.错6【多选题】(20分)以下代码中为无权码的为()A.余三码B.格雷码C.5421BCD码D.8421BCD码7【单选题】(10分)十进制数25用8421BCD码表示为()A.00100101B.11010C.11001D.101018【单选题】(10分)BCD码1001对应的余3BCD码是()A.1011B.1100C.1000D.10109【单选题】(10分)8421BCD码001001010100转换成十进制数为()A.252B.1250C.1124D.254第二章测试1【单选题】(5分)在何种输入情况下,“或非”运算的结果是逻辑0A.任一输入为0,其他输入为1B.全部输入是0C.全部输入是1D.任一输入为12【单选题】(5分)一个两输入端的门电路,当输入为1和0时,输出不是1的门是()A.或门B.异或门C.与非门D.或非门3【多选题】(10分)求一个逻辑函数F的对偶式,可将F中的()。
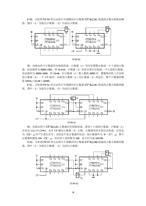
5-30、分析图P5-30所示由两片中规模同步计数器CT74LS161构成的计数分频器的模值。
图中(1)为低位计数器,(2)为高位计数器。
图P5-30解:电路由两个计数器异步级联组成,计数器(1)用同步置数法构成一个十进制计数器,状态循环为0000~1001,即M1=10;计数器(2)用异步复位法构成一个九进制计数器,状态循环为0000~1000,即M2=9;在计数器(1)置入数值0000时,置数脉冲的上升沿供给计数器(2)一个CP脉冲,也就是计数器(1)向计数器(2)的进位。
整个计数器的模值M=M2×M1=9×10=90。
5-31、分析图P5-31所示由两片中规模同步计数器CT74LS161构成的计数分频器的模值,图中(1)为低位计数器,(2)为高位计数器。
图P5-31解:电路由两个CT74LS161计数器同步级联组成,都是十六进制计数器,计数器(1)在状态1111时CO=1,允许CP触发计数器(2)计数,计数器用异步复位法构成,在状态为(C8)16时产生复位信号,该状态不是计数循环状态,则计数循环为0~(C7)16,整个计数器的模值M=(C8)16,对应的十进制数为200,也可以写成M=200。
5-32、分析图P5-32所示由两片中规模同步计数器CT74LS160构成的计数分频器的模值,图中(1)为低位计数器,(2)为高位计数器。
图P5-32解:电路由两个CT74LS160计数器异步级联组成,计数器(1)是十进制计数器,M1=10,在状态1001时CO=1,反相后触发计数器(2)计数,计数器(2)用同步置数法构成,在状态为0101时产生置数信号,该状态应是计数循环状态,置入数值0000,则计数循环为0000~0101,M2=6。
M=M2×M1=6×10=60。
5-33、用同步十进制计数集成芯片CT74LS160采用异步复位法构成模值M为5的计数器,并画出接线图和全状态图。
(完整)数字逻辑第五章编辑整理:尊敬的读者朋友们:这里是精品文档编辑中心,本文档内容是由我和我的同事精心编辑整理后发布的,发布之前我们对文中内容进行仔细校对,但是难免会有疏漏的地方,但是任然希望((完整)数字逻辑第五章)的内容能够给您的工作和学习带来便利。
同时也真诚的希望收到您的建议和反馈,这将是我们进步的源泉,前进的动力。
本文可编辑可修改,如果觉得对您有帮助请收藏以便随时查阅,最后祝您生活愉快业绩进步,以下为(完整)数字逻辑第五章的全部内容。
第五章触发器------—----——-—--—-——-—-——------———--—-———--———————-——-—-—-———-—————-——-—---1 :具有:置0、置1、保持和翻转功能的触发器是( ).A:JK触发器B:SR触发器C:D触发器D:T触发器您选择的答案: 正确答案: A知识点:JK触发器的特性为:J=0, K=0时,Q状态为保持;J=0, K=1时,Q状态为置0;J=1, K=0时,Q状态为置1;J=1, K=1时,Q状态为翻转--—--———----—----—---—---—---—-——--—-——--——--—--------——--—--———-—--—-------2 :对于JK触发器,输入J=0,K=1,CLK脉冲作用后,触发器的次态应为()。
A:0B:1C:Q'D:不确定您选择的答案: 正确答案: A知识点:JK触发器的特性为:J=1, K=1时,Q状态为翻转,即Q= Q’-————---———---————--————--—-——-————--—---—-——-—-—---——--—--------——--—--—-—-3 :有一个或非门构成的SR锁存器,欲使该锁存器保持原态即Q*=Q,则输入信号应为()。
A:S=R=0B:S=R=1C:S=1,R=0D:S=0,R=1您选择的答案:正确答案: A知识点:或非门构成的SR锁存器的特性为:R=1, S=0 Q*=0, Q*'=1,即锁存器被置0(0状态);R=0, S=1 Q*=1, Q*'=0,即锁存器被置 1(1状态);R=S=0, Q*=Q,即锁存器保持原态;R= S=1 Q*=Q*'=0,此为不允许输入。
第5章锁存器与触发器5—1 图5.1(a)是由与非门构成的基本R-S触发器,试画出在图(b)中所示输入信号的作用下的输出波形。
dRdSQQ图 5.1(a)图 5.1(b)最后一个时刻R、S端同时由0变成1,其状态不确定,假设R先来高电平则Q为高5—2 分析图5.2所示电路,列出特性表,写出特性方程,说明其逻辑功能。
CP D Q n Q n+10 ×0 0 保持0 × 1 11 0 ×0 置数1 1 × 1特性方程为Q n+1=D 为同步(CP高电平)D触发器5—3 由CMOS门构成的电路如图5.3(a)所示,请回答:(1)0=C时该电路属于组合电路还是时序电路?1=C时呢?(2)分别写出输出Q的表达式;(3)已知输入A,B,C的波形如图5.3(b),请画出对应的输出Q的波形。
图5.2Q图5.3(a)ABCQ图5.3(b)答: 1) 0=C 时该电路属于组合电路(输出反馈截止)1时为时序电路。
2)C=0时 B A Q +=C=1时 n n n Q B Q B Q⋅=+=+15—4 已知CP 和D 的波形如图4.4所示,试对应画出习题5—2中电路的输出1Q 以及D 触发器(上升沿触发)的输出2Q 的波形。
(1Q 2Q 的初始状态为“0”5—5 今有两个TTL J-K 触发器,一个是主从触发方式,另一个是下降沿触发,已知两者的输入波形均如图5.5所示,试分别画出两个触发器的输出波形。
初始状态均为“0”。
对于主从JK 触发器,由于在CP 为1的全部时间内主触发器都可以接收输入信号,所以在CP 为1的期间输入信号发生变化后,CP 下降沿到达时从触发器的状态不一定按此刻输入信号的状态来确定,而必须考虑整个CP 为1期间内输入信号的变化过程才能确定触发器DQ QCPJQ Q 主从边沿A B C Q 图5.3(b)D Q Q的状态。
主从JK 触发器在Q 为0时主触发器只能接收置1输入信号,Q 为1时只能接收置0信号。
第一章开关理论基础1.将下列十进制数化为二进制数和八进制数十进制二进制八进制49 110001 6153 110101 65127 1111111 177635 1001111011 11737.493 111.1111 7.7479.43 10011001.0110111 231.3342.将下列二进制数转换成十进制数和八进制数二进制十进制八进制1010 10 12111101 61 751011100 92 1340.10011 0.59375 0.46101111 47 5701101 13 153.将下列十进制数转换成8421BCD码1997=0001 1001 1001 011165.312=0110 0101.0011 0001 00103.1416=0011.0001 0100 0001 01100.9475=0.1001 0100 0111 01014.列出真值表,写出X的真值表达式A B C X0 0 0 00 0 1 00 1 0 00 1 1 11 0 0 01 0 1 11 1 0 11 1 1 1 X=A BC+A B C+AB C+ABC 5.求下列函数的值当A,B,C为0,1,0时:A B+BC=1(A+B+C)(A+B+C)=1(A B+A C)B=1当A,B,C为1,1,0时:A B+BC=0(A+B+C)(A+B+C)=1(A B+A C)B=1当A,B,C为1,0,1时:A B+BC=0(A+B+C)(A+B+C)=1(A B+A C)B=06.用真值表证明下列恒等式(1) (A⊕B)⊕C=A⊕(B⊕C)A B C (A⊕B)⊕C A⊕(B⊕C)0 0 0 0 00 0 1 1 10 1 0 1 10 1 1 0 01 0 0 1 11 0 1 0 01 1 0 0 01 1 1 1 1所以由真值表得证。
(2)A⊕B⊕C=A⊕B⊕CA B C A⊕B⊕C A⊕B⊕C0 0 0 1 10 0 1 0 00 1 0 0 00 1 1 1 11 0 0 0 01 0 1 1 11 1 0 1 11 1 1 0 07.证明下列等式(1)A+A B=A+B证明:左边= A+A B=A(B+B)+A B=AB+A B+A B=AB+A B+AB+A B=A+B=右边(2)ABC+A B C+AB C=AB+AC证明:左边= ABC+A B C+AB C= ABC+A B C+AB C+ABC=AC(B+B )+AB(C+C ) =AB+AC =右边(3) E D C CD A C B A A )(++++=A+CD+E 证明:左边=E D C CD A C B A A )(++++ =A+CD+A B C +CD E =A+CD+CD E =A+CD+E =右边(4) C B A C B A B A ++=C B C A B A ++ 证明:左边=C B A C B A B A ++=C B A C AB C B A B A +++)( =C B C A B A ++=右边8.用布尔代数化简下列各逻辑函数表达式9.将下列函数展开为最小项表达式 (1) F(A,B,C) =Σ(1,4,5,6,7)(2) F(A,B,C,D) = Σ(4,5,6,7,9,12,14) 10.用卡诺图化简下列各式(1)C AB C B BC A AC F +++=化简得F=C(2)C B A D A B A D C AB CD B A F++++=F=D A B A +(3) F(A,B,C,D)=∑m (0,1,2,5,6,7,8,9,13,14)化简得F=D BC D C A BC A C B D C ++++ (4) F(A,B,C,D)=∑m (0,13,14,15)+∑ϕ(1,2,3,9,10,11)化简得F=AC AD B A ++11.利用与非门实现下列函数,并画出逻辑图。
第五章 习题答案1. 画出与阵列编程点解:---2. 画出或阵列编程点解:----X 1X 2X 3X 43. 与、或阵列均可编程,画出编程点。
解;1A-BB -F 324. 4变量LUT 编程解:A 0A 1A 2A 3SOP 输出5. 用VHDL 写出4输入与门解: 源代码:LIBRARY IEEE ;USE IEEE .STD_LOGIC_1164.ALL ;ENTITY and4 ISPORT (a ,b ,c ,d :IN STD_LOGIC ;x :OUT STD_LOGIC );END and4;ARCHITECTURE and4_arc OF and4 ISBEGINx <=a AND b AND c AND d ;END and4_arc ;6. 用VHDL 写出4输入或门解:源代码:LIBRARY IEEE;USE IEEE.STD_LOGIC_1164.ALL;ENTITY or4 ISPORT (a,b,c,d:IN STD_LOGIC;x:OUT STD_LOGIC);END or4;ARCHITECTURE or4_arc OF or4 ISBEGINx<=a OR b OR c OR d;END or4_arc;7.用VHDL写出SOP表达式解:源代码:LIBRARY IEEE;USE IEEE.STD_LOGIC_1164.ALL;ENTITY sop ISPORT (a,b,c,d,e,f:IN STD_LOGIC;x:OUT STD_LOGIC);END sop;ARCHITECTURE sop_arc OF sop ISBEGINx<=(a AND b) OR (c AND d) OR (e AND f);END sop_arc;8.用VHDL写出布尔表达式解:源代码:LIBRARY IEEE;USE IEEE.STD_LOGIC_1164.ALL;ENTITY boolean ISPORT (a,b,c:IN STD_LOGIC;f:OUT STD_LOGIC);END boolean;ARCHITECTURE boolean_arc OF boolean ISBEGINf<=(a OR (NOT b) OR c) AND (a OR b OR (NOT c)) AND ((NOT a) OR (NOT b) OR (NOT c));END boolean_arc;9.用VHDL结构法写出SOP表达式解:源代码:――三输入与非门的逻辑描述LIBRARY IEEE;USE IEEE.STD_LOGIC_1164.ALL;ENTITY nand3 ISPORT (a,b,c:IN STD_LOGIC;x:OUT STD_LOGIC);END nand3;ARCHITECTURE nand3_arc OF nand3 ISBEGINx<=NOT (a AND b AND c);END nand3_arc;――顶层结构描述文件LIBRARY IEEE;USE IEEE.STD_LOGIC_1164.ALL;ENTITY sop ISPORT (in1,in2,in3,in4,in5,in6,in7,in8,in9:IN STD_LOGIC;out4:OUT STD_LOGIC);END sop;ARCHITECTURE sop_arc OF sop ISCOMPONENT nand3PORT (a,b,c:IN STD_LOGIC;x:OUT STD_LOGIC);END COMPONENT;SIGNAL out1,out2,out3:STD_LOGIC;BEGINu1:nand3 PORT MAP (in1,in2,in3,out1);u2:nand3 PORT MAP (in4,in5,in6,out2);u3:nand3 PORT MAP (in7,in8,in9,out3);u4:nand3 PORT MAP (out1,out2,out3,out4);END sop;10.用VHDL数据流法写出SOP表达式解:源代码:LIBRARY IEEE;USE IEEE.STD_LOGIC_1164.ALL;ENTITY sop ISPORT (in1,in2,in3,in4,in5,in6,in7,in8,in9:IN STD_LOGIC;out4:OUT STD_LOGIC);END sop;ARCHITECTURE sop_arc OF sop ISBEGINout4<=(in1 AND in2 AND in3) OR (in4 AND in5 AND in6 ) OR (in7 AND in8 AND in9);END sop_arc;13.用VHDL设计3-8译码器解:源代码:LIBRARY IEEE;USE IEEE.STD_LOGIC_1164.ALL;ENTITY decoder_3_to_8 ISPORT(a,b,c,g1,g2a,g2b:IN STD_LOGIC;y:OUT STD_LOGIC _VECTOR(7 downto 0));END decoder_3_to_8;ARCHITECTURE rt1 OF decoder_3_to_8 ISSIGNAL indata:STD_LOGIC _VECTOR(2 downto 0);BEGINindata<=c & b & a;PROCESS(indata,g1,g2a,g2b)BEGINIF(g1=′1′ AND g2a=′0′ AND g2b=′0′)THENCASE indata ISWHEN "000"=>y<="11111110";WHEN "001"=>y<="11111101";WHEN "010"=>y<="11111011";WHEN "011"=>y<="11110111";WHEN "100"=>y<="11101111";WHEN "101"=>y<="11011111";WHEN "110"=>y<="10111111";WHEN others=>y<="01111111";END CASE;ELSEy<="11111111";END IF;END PROCESS;END rt1;14.用VHDL设计七段显示译码器解:源代码:LIBRARY IEEE;USE IEEE.STD_LOGIC_1164.ALL;ENTITY segment7 ISPORT(xin:IN STD_LOGIC _VECTOR(3 downto 0);lt,rbi:IN STD_LOGIC;yout:OUT STD_LOGIC _VECTOR(6 downto 0);birbo:INOUT STD_LOGIC);END segment7;ARCHITECTURE seg7448 OF segment7 ISSIGNAL sig_xin:STD_LOGIC _VECTOR(3 downto 0);BEGINsig_xin<=xin;PROCESS(sig_xin,lt,rbi,birbo)BEGINIF(birbo=′0′)THENyout<="0000000";ELSIF (lt=′0′)THENyout<="1111111";birbo<=′1′;ELSIF (rbi=′0′AND sig_xin="0000")THENyout<="0000000";birbo<=′0′;ELSIF (rbi=′1′ AND sig_xin="0000")THENyout<="1111110";birbo<=′1′;ELSEbirbo<=′1′;CASE sig_xin ISWHEN "0001"=>yout<="0110000";WHEN "0010"=>yout<="1101101";WHEN "0011"=>yout<="1111001";WHEN "0100"=>yout<="0110011";WHEN "0101"=>yout<="1011011";WHEN "0110"=>yout<="0011111";WHEN "0111"=>yout<="1110000";WHEN "1000"=>yout<="1111111";WHEN "1001"=>yout<="1110011";WHEN others=>yout<="0100011";END CASE;END IF;END PROCESS;END seg7448;15.用VHDL设计8/3优先编码器解:源代码:LIBRARY IEEE;USE IEEE.STD_LOGIC_1164.ALL;ENTITY priorityencoder ISPORT(din:IN STD_LOGIC _VECTOR(7 downto 0);ei:IN STD_LOGIC;yout:OUT STD_LOGIC _VECTOR(2 downto 0);eo,gs:OUT STD_LOGIC);END priorityencoder;ARCHITECTURE cod74148 OF priorityencoder ISBEGINPROCESS(ei,din)BEGINIF(ei=′1′)THENyout<="111";eo<=′1′;gs<=′1′;ELSEIF(din(7)=′0′ ) THENyout<="000";eo<=′1′;gs<=′0′;ELSIF(din(6)=′0′ ) THENyout <="001";eo<=′1′;gs<=′0′;ELSIF(din(5)=′0′ ) THENyout<="010";eo<=′1′;gs<=′0′;ELSIF(din(4)=′0′ ) THENyout<="011";eo<=′1′;gs<=′0′;ELSIF(din(3)=′0′ ) THENyout<="100";eo<=′1′;gs<=′0′;ELSIF(din(2)=′0′ ) THENyout<="101";eo<=′1′;gs<=′0′;ELSIF(din(1)=′0′ ) THENyout<="110";eo<=′1′;gs<=′0′;ELSIF(din(0)=′0′ ) THENyout<="111";eo<=′1′;gs<=′0′;ELSIF(din="11111111") THENyout<="111";eo<=′0′;gs<=′1′;END IF;END IF;END PROCESS;END cod74148;16.用VHDL设计BCD码至二进制码转换器。
第一章开关理论基础1.将下列十进制数化为二进制数和八进制数十进制二进制八进制49 110001 6153 110101 65127 1111111 177635 1001111011 11737.493 111.1111 7.7479.43 10011001.0110111 231.3342.将下列二进制数转换成十进制数和八进制数二进制十进制八进制1010 10 12111101 61 751011100 92 1340.10011 0.59375 0.46101111 47 5701101 13 153.将下列十进制数转换成8421BCD码1997=0001 1001 1001 011165.312=0110 0101.0011 0001 00103.1416=0011.0001 0100 0001 01100.9475=0.1001 0100 0111 01014.列出真值表,写出X的真值表达式A B C X0 0 0 00 0 1 00 1 0 00 1 1 11 0 0 01 0 1 11 1 0 11 1 1 1 X=A BC+A B C+AB C+ABC5.求下列函数的值当A,B,C为0,1,0时:A B+BC=1(A+B+C)(A+B+C)=1(A B+A C)B=1当A,B,C为1,1,0时:A B+BC=0(A+B+C)(A+B+C)=1(A B+A C)B=1当A,B,C为1,0,1时:A B+BC=0(A+B+C)(A+B+C)=1(A B+A C)B=06.用真值表证明下列恒等式(1) (A⊕B)⊕C=A⊕(B⊕C)A B C (A⊕B)⊕C A⊕(B⊕C)0 0 0 0 00 0 1 1 10 1 0 1 10 1 1 0 01 0 0 1 11 0 1 0 01 1 0 0 01 1 1 1 1所以由真值表得证。
(2)A⊕B⊕C=A⊕B⊕CA B C A⊕B⊕C A⊕B⊕C0 0 0 1 10 0 1 0 00 1 0 0 00 1 1 1 11 0 0 0 01 0 1 1 11 1 0 1 11 1 1 0 07.证明下列等式(1)A+A B=A+B证明:左边= A+A B=A(B+B)+A B=AB+A B+A B=AB+A B+AB+A B=A+B=右边(2)ABC+A B C+AB C=AB+AC证明:左边= ABC+A B C+AB C= ABC+A B C+AB C+ABC=AC(B+B)+AB(C+C)=AB+AC=右边(3)EDCCDACBAA)(++++=A+CD+E证明:左边=EDCCDACBAA)(++++=A+CD+A B C+CD E=A+CD+CD E=A+CD+E=右边(4)C B A C B A B A ++=CB C A B A ++证明:左边=CB AC B A B A ++=CB AC AB C B A B A +++)(=C B C A B A ++=右边8.用布尔代数化简下列各逻辑函数表达式(1) F=A+ABC+A C B +CB+C B = A+BC+C B(2) F =(A+B+C )(A+B+C) = (A+B)+C C = A+B(3) F =ABC D +ABD+BC D +ABCD+B C = AB+BC+BD(4) F=C AB C B BC A AC +++= BC(5) F=)()()()(B A B A B A B A ++++=BA 9.将下列函数展开为最小项表达式(1) F(A,B,C) = Σ(1,4,5,6,7)(2) F(A,B,C,D) = Σ(4,5,6,7,9,12,14)10.用卡诺图化简下列各式(1)CAB C B BC A AC F +++=0ABC00 01 11 1011111化简得F=C(2)CB A D A B A DC AB CD B A F++++=111111ABCD 00 01 11 1000011110化简得F=DA B A +(3) F(A,B,C,D)=∑m (0,1,2,5,6,7,8,9,13,14)1111111111AB CD 00 01 11 1000011110化简得F=DBC D C A BC A C B D C ++++(4) F(A,B,C,D)=∑m (0,13,14,15)+∑ϕ(1,2,3,9,10,11)Φ1ΦΦ1ΦΦ1Φ1AB CD 00 01 11 1000011110化简得F=ACAD B A ++11.利用与非门实现下列函数,并画出逻辑图。
习题一1.1 把下列不同进制数写成按权展开式:⑴(4517.239)10= 4×103+5×102+1×101+7×100+2×10-1+3×10-2+9×10-3⑵(10110.0101)2=1×24+0×23+1×22+1×21+0×20+0×2-1+1×2-2+0×2-3+1×2-4⑶(325.744)8=3×82+2×81+5×80+7×8-1+4×8-2+4×8-3⑷(785.4AF)16=7×162+8×161+5×160+4×16-1+A×16-2+F×16-31.2 完成下列二进制表达式的运算:1.3 将下列二进制数转换成十进制数、八进制数和十六进制数:⑴(1110101)2=(165)8=(75)16=7×16+5=(117)10⑵(0.110101)2=(0.65)8=(0.D4)16=13×16-1+4×16-2=(0.828125)10⑶(10111.01)2=(27.2)8=(17.4)16=1×16+7+4×16-1=(23.25)101.4 将下列十进制数转换成二进制数、八进制数和十六进制数,精确到小数点后5位:⑴(29)10=(1D)16=(11101)2=(35)8⑵(0.207)10=(0.34FDF)16=(0.001101)2=(0.15176)8⑶(33.333)10=(21.553F7)16=(100001.010101)2=(41.25237)81.5 如何判断一个二进制正整数B=b6b5b4b3b2b1b0能否被(4)10整除?解: 一个二进制正整数被(2)10除时,小数点向左移动一位, 被(4)10除时,小数点向左移动两位,能被整除时,应无余数,故当b1=0和b0=0时, 二进制正整数B=b6b5b4b3b2b1b0能否被(4)10整除.1.6 写出下列各数的原码、反码和补码:⑴0.1011[0.1011]原=0.1011; [0.1011]反=0.1011; [0.1011]补=0.1011⑵0.0000[0.000]原=0.0000; [0.0000]反=0.0000; [0.0000]补=0.0000⑶-10110[-10110]原=110110; [-10110]反=101001; [-10110]补=1010101.7 已知[N]补=1.0110,求[N]原,[N]反和N.解:由[N]补=1.0110得: [N]反=[N]补-1=1.0101, [N]原=1.1010,N=-0.10101.8 用原码、反码和补码完成如下运算:⑴0000101-0011010[0000101-0011010]原=10010101;∴0000101-0011010=-0010101。