地下室侧壁配筋计算表
- 格式:xls
- 大小:82.00 KB
- 文档页数:4
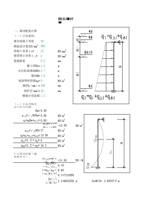
挡土墙计算一、墙身配筋计算(一)已知条件:墙身混凝土等级35钢筋设计强度N/mm2360混凝土容重γc=25KN/mm3墙背填土容重γ土=0KN/mm3裂缝限值0.2mm覆土厚H1=1.2m水位距离墙底H3=2.7m墙高H=4.8m地面堆积荷载q0=0KN/m2墙厚h(mm)=250mm保护层(mm)=35mm横载分项系数1.2(二)土压力按主动土压力计算:Ka=0.50q=γ土H1Ka=0.00KN/m2q1=q0Ka+q土1=0.00KN/m2q土2=(γ土×H-γ水×H3)×Ka=-13.50KN/m2q水2=γ水H3=27KN/m2q2=q1+q土2+q水2=13.50KN/m2q11=1.2×q1=0KN/m2q22=1.2×q2=16.2KN/m2(三)内力计算(基本组合下):M支座=-H2×(8q22+7q11)/120=-24.88KN·MQ墙顶=H×(11q11+4q22)/40=6.48μ=q11/q22=0.00ν=[(9μ2+7μ+4)/20]0.5=0.447213595X=(ν-μ)H/(1-μ)=2.146625258m Xo=H-X= 2.6533747mMmax=Q墙顶X-q11X2/2+(q22-q11)X3/6H=8.346079KN·M(四)配筋计算混凝土抗压强度fcd=16.7N/mm2ho=205mm钢筋设计强度fy=360N/mm2计算宽度b=1000mmM支座 =f cd bx(h0-x/2)24883200.00 =16700x(205-x/2)x =7.402 m≤ξb h0 =0.53×205.00 =108.7mm 解得A s = M支座/(ho-x/2)/f y =353mm2Mmax =f cd bx(h0-x/2)8000000.00 =16700x(205-x/2)x = 2.350 mm≤ξb h0 =0.53×205.00 =108.7mm 解得跨中A s = Mmax/(ho-x/2)/f y =112mm2(五)裂缝计算钢筋直径d=16mm钢筋间距100mm每延米实配钢筋A s=2010.62mm2标准组合下Mk支座=-H2×(8q2+7q1)/120=-20.74KN·Mσsk=Mk支座/(0.87hoAs)=57.82585N/mm2αcr=2.1ρte=0.016084954ftk=2.2ψ=-0.43742585< 1 且<0.2所以ψ取0.2Es=200000c=35deq=16裂缝宽度W fk=0.017738813mm裂缝满足要求。
地下室墙体配筋计算书(一)引言概述:地下室墙体配筋计算书是在地下室工程设计中非常重要的一项计算工作,主要用于确定墙体配筋材料和数量,以确保地下室墙体的结构安全性和稳定性。
本文将从五个大点出发,分别为墙体荷载计算、配筋设计、配筋布置、配筋间距计算和配筋钢筋计算,对地下室墙体配筋计算进行详细阐述。
正文:1. 墙体荷载计算1.1 确定地下室墙体所受荷载类型及大小1.2 根据设计标准计算荷载作用于墙体的力和力矩1.3 考虑地下室墙体的水平荷载(如地震力)对配筋的影响2. 配筋设计2.1 根据墙体的截面几何形状和计算荷载,确定墙体的受拉区和受压区2.2 采用受拉与受压设计法计算配筋数量和尺寸2.3 考虑抗震要求,确定墙体抗震性能级别,进行相应的配筋设计3. 配筋布置3.1 根据墙体结构图和配筋设计要求,在墙体纵向和横向布置配筋3.2 确定配筋的弯曲半径和弯曲位置,保证配筋的完整性和符合设计要求3.3 考虑墙体连接节点和开口处的配筋布置,增强墙体的整体强度和稳定性4. 配筋间距计算4.1 依据墙体的构造和设计要求,计算配筋的间距和跨距4.2 考虑墙体的构造节段,分析墙体不同部位的配筋需求和间距调整4.3 在计算配筋间距时,考虑施工和安装配筋的可行性和经济性5. 配筋钢筋计算5.1 根据地下室墙体的尺寸和设计要求,计算墙体所需的钢筋总量5.2 按照配筋设计要求,计算钢筋的截面积、直径和排布方式5.3 根据配筋布置和间距计算结果,确定每个配筋段的钢筋长度总结:地下室墙体配筋计算是地下室工程设计的重要环节。
通过墙体荷载计算、配筋设计、配筋布置、配筋间距计算和配筋钢筋计算五个大点的详细阐述,可以准确确定地下室墙体所需的配筋材料和数量,保证墙体的结构安全性和稳定性。
同时,建议在计算过程中综合考虑施工和经济性因素,以选择最合适的配筋方案。
混凝土标号C 40混凝土强度fc=19100混凝土抗拉强度标准值 f= 2.39N/mm2钢筋强度设计值为360N/mm2钢筋弹性模量(N/m2) Es=地下水位与室外地坪高差H2(m)0室内外高差(m)H1=地下室层高(m) H=3地下室设计抗渗等级(Mpa)0.600最大水头与墙厚比值系数初估外墙厚度hw(m)0.300故取外墙厚度hw(m)0.3土有效内摩擦角φ'30静止土压力系数 Ko=0.50土的重度(KN/m3) r19地下水重度(KN/m3) rw=10土浮重度(KN/m3)ro=9地面堆载(KN/m2) qo=35一、迎水面外墙配筋计算1. 外墙配筋计算土压力 po= 1.2×qo×φ'=21.000土压力 p1= 1.2×((qo+r×H2)×Ko)=17.580土压力 p2= 1.2×((qo+ro×(H-H1-H2))×Ko+rw×(H-H1-H2))=73.200受弯计算:弯距 M=49.558墙的有效高度(mm) ho=hw-(50+D/2)244配筋计算:αs=M/(fcbho2)=0.044γs=As=M/(γsfyho)=577.041实配钢筋Φ12@100Φ0@0(注:当钢筋标注不同时表示为钢筋交错放置)As=1,130.97mm2/m2. 外墙裂缝变形计算钢筋的应力 σsk=172.02N/mm2有效受拉混凝土配筋率ρte=0.75%故取有效配筋率ρte=钢筋应变的不均匀系数 ψ=0.20<0.2故取不均匀系数ψ=0.2最大裂缝宽度ωmax=0.063<0.23.弯距为0位置选取p1(矩形荷载)作用弯距为0处为代表M=0→x= 2.255m(到外墙顶部距离)二、外墙内侧配筋计算(内力计算参考静力计算手册)1.外墙配筋计算外墙顶部水平反力p1产生水平力R1=14.90KNp2产生水平力R2= 12.47KN利用墙体剪力Q=0处做为反弯点求外墙内侧最大弯距(R1+R2=0)→x= 1.098m(到外墙顶部距离)p1产生的弯距(矩形) M1=10.76KN.mp2产生的弯距(三角形) M2=11.94KN.m受弯计算:弯距M=22.71KN.m配筋计算:αs=M/(fcbho2)=0.020γs=γsfyho)=实配钢筋ΦAs=1,130.97mm/mρte=KN/m20.310满足要求KN/mKN/m 2))KN/mKN.mmm0.978mm2/m满足要求1.00%满足要求0.990 mm2/m满足要求1.00%满足要求。
λv fy [ρv](%)约 束0.203600.794构 造0.103600.397b w b f l w l f 200200500500n 1n 2n 3n 42242约 束满 足构 造满 足约 束满 足构 造满 足边缘构件形式Ⅲ体积配箍率截面尺寸As 0s 81004砼保护层厚度a s30箍筋直径箍筋间距l w 200450箍筋肢数 1.234n 1n 22边缘构件形式Ⅱ体积配箍率截面尺寸ρv(%)b w a s30箍筋直径箍筋间距As 0s 8100截面尺寸 ρv(%)箍筋肢数 1.126砼保护层厚度C30C30边缘构件形式Ⅰ体积配箍率边缘构件最小体积配箍率砼等级b c h c b w h w 400400200300n 1n 2n 3n 44242约 束满 足构 造满 足b w b f l w l f 2002005001000n 1n 2n 3n 422210约 束满 足构 造满 足8100箍筋直径箍筋间距As 0s 1.065砼保护层厚度a s30边缘构件形式Ⅳ体积配箍率截面尺寸 ρv(%)箍筋肢数箍筋直径箍筋间距As 0s 8100砼保护层厚度a s30ρv(%)箍筋肢数 1.1480.50.5n d 约 束As 满 足构 造满 足n d 约 束As 满 足构 造满 足纵筋配筋率90512 1.0058纵筋配筋率纵筋ρs(%)121357纵筋ρs(%)0.84812三级纵筋配筋率最小纵筋配筋率[ρs](%)n d 约 束As 满 足构 造满 足n d 约 束As 满 足构 造满 足30791.1842014纵筋配筋率纵筋ρs(%)18100.8231612纵筋ρs(%)。
配筋的计算原理柱基础层:筏板基础〈=2000mm时,基础插筋长度=基础层层高-保护层+基础弯折a+基础纵筋外露长度HN/3+与上层纵筋搭接长度LLE(如焊接时,搭接长度为0)筏板基础〉2000mm时,基础插筋长度=基础层层高/2-保护层+基础弯折a+基础纵筋外露长度HN/3+与上层纵筋搭接的长度LLE(如焊接时,搭接长度为0)地下室:柱纵筋长度=地下室层高-本层净高HN/3+首层楼层净高HN/3+与首层纵筋搭接LLE (如焊接时,搭接长度为0)首层:柱纵筋长度=首层层高-首层净高HN/3+max(二层净高HN/6,500,柱截面边长尺寸(圆柱直径))+与二层纵筋搭接的长度LLE(如焊接时,搭接长度为0)中间层:柱纵筋长度=二层层高-max(二层层高HN/6,500,柱截面尺寸(圆柱直径))+max (三层层高HN/6,500,柱截面尺寸(圆柱直径))+与三层搭接LLE(如焊接时,搭接长度为0)顶层:角柱:外侧钢筋长度=顶层层高-max(本层楼层净高HN/6,500,柱截面长边尺寸(圆柱直径))-梁高+1.5LAE内侧钢筋长度=顶层层高-max(本层楼层净高HN/6,500,柱截面长边尺寸(圆柱直径))-梁高+LAE其中锚固长度取值:当柱纵筋伸入梁内的直径长〈LAE时,则使用弯锚,柱纵筋伸至柱顶后弯折12d,锚固长度=梁高-保护层+12d;当柱纵筋伸入梁内的直径长〉=LAE时,则使用直锚:柱纵筋伸至柱顶后截断,锚固长度=梁高-保护层,当框架柱为矩形截面时,外侧钢筋根数为:3根角筋,b边钢筋总数的1/2,h边总数的1/2。
内侧钢筋根数为:1根角筋,b边钢筋总数的1/2,h边总数的1/2。
边柱:外侧钢筋长度=顶层层高-max(本层楼层净高HN/6,500,柱截面长边尺寸(圆柱直径))-梁高+1.5LAE内侧钢筋长度=顶层层高-max(本层楼层净高HN/6,500,柱截面长边尺寸(圆柱直径))-梁高+LAE当框架柱为矩形截面时,外侧钢筋根数为:2根角筋,b边一侧钢筋总数内侧钢筋根数为:2根角筋,b边一侧钢筋总数,h边两侧钢筋总数。
DWQl计算:(1)基本信息:地下室侧壁计算类型:全埋式地下室混凝土等级=C30,Ec=30000MPa z fc=14.3MPa,ft=1.43MPa钢筋采用HRB400z fy=360MPa室内外高差zl=0.000m f地下水埋深z2=0.150m填土重度γ=18.0kN∕m3z地下水重度γw=10.0kN∕m3土浮重度γ'=11.0kN∕m3土压力系数Ka=0.500地面附加恒载g=0.0kN∕m3z地面活载q=10.0kN∕m3地下室层数n=l,总埋深dp=4.850m最底层约束条件=刚接地下室(1)层:层高h=4.850m,墙厚t=300mm z层顶约束:钱接(2)荷载计算(设计值):地下室⑴层:顶部荷载pl=7.0kN∕m,底部荷载p2=96.0kN∕m(3)弯矩计算计算配筋,采用弯矩计算的设计值组合:地下室(1)层:顶部Ml=O.OkNm,底部M2=160.2kNm,正弯矩M3=∙73.0kNm计算裂缝,采用弯矩计算的标准值组合:地下室(1)层:顶部Ml=O.OkNm,底部M2=131.1kNm,正弯矩M3=∙59.4kNm⑷配筋计算地下室⑴层弯矩配筋计算:外侧弯矩M=I60kNm,ho=275mm,X=44mm,ξ=0.161,配筋系数=1.00,配筋As=1760mm2,ps=0.64%,配筋d20@75(As=4187mm2)内侧弯矩M=73kNm,ho=275mm,X=19mm,ξ=0.070,配筋系数=1.00,配筋As=764mm2,ps=0.28%,配筋d20@150(As=2093mm2)⑸裂缝验算地下室⑴层裂缝验算:外侧弯矩Mk=131.1kNm,deq=20mm,pte=0.028应力OSk=I31MPa,不均匀系数中=0.845,裂缝宽度wma×=0.172mm内侧弯矩Mk=59.4kNm,deq=20mm,pte=0.014应力OSk=Il9MPa,不均匀系数I=O.539,裂缝宽度wma×=0.137mmDWQ2计算:(1)基本信息:地下室侧壁计算类型:全埋式地下室混凝土等级=C30,Ec=30000MPa z fc=14.3MPa,ft=1.43MPa钢筋采用HRB400z fy=360MPa室内外高差zl=0.450m,地下水埋深z2=0.150m填土重度γ=18.0kN∕m3z地下水重度γw=10.0kN∕m3土浮重度γ'=11.0kN∕m3土压力系数Ka=0.500地面附加恒载g=0.0kN∕m3z地面活载q=10.0kN∕m3地下室层数n=l,总埋深dp=4.400m最底层约束条件=刚接地下室(1)层:层高h=4.400m z墙厚t=300mm z层顶约束:较接(2)荷载计算(设计值):地下室⑴层:顶部荷载pl=14.2kN∕m,底部荷载p2=96.0kN/m(3)弯矩计算计算配筋,采用弯矩计算的设计值组合:地下室(1)层:顶部Ml=O.OkNm,底部M2=140.0kNm,正弯矩M3=∙65.7kNm计算裂缝,采用弯矩计算的标准值组合:地下室(1)层:顶部Ml=O.OkNm,底部M2=114.6kNm,正弯矩M3=∙53.6kNm⑷配筋计算地下室⑴层弯矩配筋计算:外侧弯矩M=140kNm,ho=275mm,x=38mm zξ=0.139,配筋系数=1.00,配筋As=1520mm2,ps=0.55%,配筋dl8@75(As=3391mm2)内侧弯矩M=66kNm z ho=275mm,x=17mm,ξ=0.063,酉己筋系数=1.00,配筋As=685mm2,ps=0.25%,酉己筋dl8@150(As=1696mm2)⑸裂缝验算地下室⑴层裂缝验算:外侧弯矩Mk=114.6kNm,deq=18mm,pte=0.023应力OSk=I41MPa,不均匀系数Ψ=0.809,裂缝宽度wma×=0.185mm内侧弯矩Mk=53.6kNm,deq=18mm,pte=0.011应力OSk=I32MPa,不均匀系数中=0.478,裂缝宽度wma×=0.143mm。
地下室侧壁、人防临空墙计算
一、侧壁计算:
侧壁荷载作用分为两部分土压力作用(S GK)
等效荷载作用(S QK)1、土压力作用(S GK)
q G=γh
-M max=-qh2/15
+M max=0.03qh2
2、等效静荷载(S QK)
按规范人防侧壁等效静荷载q Q=55kn/m2
-M max=-qh2/8
+M max=9qh2/128
3、内力组合
γ0(γG*S Gk+γQ*S Qk)
其中γ0=1.0
γG=1.2
γQ=1.0
4、考虑材料强度提高系数γd=1.35
则有 -M=-M max /1.35
+M=+M max /1.35
5、由于侧壁负弯矩计算采用了一端简支,一端固端的计算模型,
其配筋是偏安全的。
所以在计算时考虑地下室顶板边缘弯矩的影响。
其弯矩考虑如下:假设地下室顶板边缘弯矩为M0,则其传递至地下室底板支座处的弯矩M’0=1/2M0。
(M0=30kN/M2)
二、人防临空墙计算:
1、等效静荷载(S QK)
按规范人防地下室临空墙等效静荷载q Q=110kN/m2
2、其余计算取值参侧壁计算。
钢筋混凝土地下室外墙承载力配筋计算姜学诗(中国建筑设计研究院审图所 北京 100044)泥用量大,易产生收缩裂缝,但高层建筑不应低于C30,多层建筑不应低于C25。
当地下室有防水要求时,地下室外墙的抗渗等级应由最大水头与墙厚之比确定,但任何情况下都不应低于0.6MPa。
1.2 确定作用于地下室外墙的荷载在实际工程中,地下室外墙的配筋主要由垂直于墙面的水平荷载(包括室外地面活荷载产生的侧压力、地基土的侧压力、地下水压力等)控制(见图1),近似按受弯构件设计。
地下室外墙在垂直于墙平面的地基土侧压力作用下,通常不会发生整体侧移,土压力类似于静止土压力,工程上一般取静止土压力系数K a =0.5来进行计算。
当地下室施工采用护坡桩时,静止土压力系数可以乘以折减系数0.66而取0.33。
1.3 确定地下室外墙的计算简图地下室外墙按支承条件可能是单向板,也可能是双向板,在实际工程中要对这些板块逐一进行计算是相当麻烦的,一般情况下也没必要这么做。
工程中常用做法是,视地下室楼板和基础底板为地下室外墙的支点,沿竖向取1m宽的外墙按单、双或多跨板(视地下室层数而定)来计算地下室外墙的弯矩配筋,计算简图见图2。
1.4 地下室外墙的配筋构造要求地下室外墙应双面双向配筋。
竖向配筋除满足计图1普通地下室外墙水平荷载 图2 地下室外墙计算简图地下室外墙的配筋宜采用变形钢筋(HRB335级或HRB400级),直径不应小于10mm,间距不应大于200mm;内外侧钢筋之间应设置直径不小于6mm、间距不大于600mm呈梅花形布置的拉结筋。
2 人防地下室外墙的设计步骤人防地下室外墙的设计步骤与普通地下室基本相同,不同之处主要体现为三方面。
2.1 作用于地下室外墙的水平荷载不同,见表1。
水平荷载及分项系数的比较 表1 荷载分项系数室外地面活荷载土压力水压力武器爆炸产生的人防等效静荷载普通地下室外墙 1.4 1.21.2 -人防地下室外墙- 1.2 1.21.0(按《人防规范》)注:表中普通地下室外墙的荷载分项系数是指可变荷载效应控制的基本组合的分项系数。
地下室墙体配筋计算书一、工程概况本工程为某住宅小区的地下室,地下一层,层高 36m。
地下室墙体采用钢筋混凝土结构,墙体厚度为 300mm,混凝土强度等级为 C30,钢筋采用 HRB400 级。
地下室墙体主要承受土压力、水压力以及地下室内部的使用荷载。
二、荷载计算1、土压力根据地质勘察报告,地下室外墙所受土的重度为 18kN/m³,内摩擦角为 20°,粘聚力为 10kPa。
地下水位在地下室底板以下 15m 处。
主动土压力系数:Ka = tan²(45° 20°/2) = 049静止土压力系数:K0 = 1 sin20°= 084地下室外墙顶部的土压力为 0,底部的土压力为:q1 =K0 × γ × h = 084 × 18 × 36 = 5443kN/m²考虑地下水的影响,水压力为:q2 =γw × hw = 10 × 15 = 15kN/m²2、地下室内部使用荷载地下室内部使用荷载按 5kN/m²考虑。
三、内力计算1、计算简图将地下室墙体视为下端固定、上端铰支的竖向悬臂构件。
2、弯矩计算根据荷载分布情况,采用结构力学方法计算墙体的弯矩。
最大弯矩位于墙体底部,其值为:Mmax = 1/2 × q1 × h²+ 1/2 × q2 × h²+ 1/2 × 5 × h²= 1/2 × 5443 × 36²+ 1/2 × 15 × 36²+ 1/2 × 5 × 36²= 35167kN·m3、剪力计算墙体底部的剪力为:V = q1 × h + q2 × h + 5 × h= 5443 × 36 + 15 × 36 + 5 × 36= 25275kN四、配筋计算1、正截面受弯配筋计算根据混凝土结构设计规范,相对受压区高度ξ = x/h0,其中 x 为受压区高度,h0 为有效高度。
1.设计参数:弯矩设计值:M=280KN.m 弯矩值(标准组合):M k =200KN.m 板厚:h=400mm 设计板宽:b=1000mm 保护层厚度:cover=50mm 混凝土强度等级:C 30混凝土抗压强度设计值:fc=14.3N/mm 2混凝土抗拉强度设计值:ft= 1.43N/mm 2混凝土抗拉强度标准值:f tk = 2.01N/mm 2钢筋抗拉强度设计值:fy=300N/mm 2纵筋的弹性模量:Es=200000N/mm 2混凝土极限压应变:εcu =0.0033系数:α1 = 1.0β1 =0.802.正截面承载力验算:有效高度:h 0=337.5mm αs =M/α1f c bh 02 =0.172ξ=1-√(1-2*αs ) =0.190<ξb =0.550需配钢筋面积:As=ξα1f c bh 0/f y =3056mm 2选用钢筋排数n =1采用钢筋:φ25@100实配钢筋面积:As=4909mm 2OK!3.裂缝宽度验算:有效受拉混凝土截面面积:A te =0.5bh =200000mm2按有效受拉混凝土截面面积计算的纵向受拉钢筋佩筋率:ρte = A s / A te =0.0245相对粘结特性系数:νi = 1.0等效直径:d eq = ∑n i d i 2/∑n i νi d i =25.0mm σsk = M k / 0.87h 0A s =138.8N/mm 2纵向受拉钢筋应变不均匀系数:ψ=1.1-0.65f tk / ρte σsk =0.716构件受力特征系数:αcr = 2.1(钢筋混凝土受弯构件)最外层钢筋外边缘至受拉区底边的距离:c =50mm最大裂缝宽度:ωmax = αcr *ψ*σsk /E s *(1.9c+0.08d eq /ρte )=0.184mm最大裂缝宽度限值:[ωmax ] =0.2mm OK[189302932.xls]-400-外。
挡土墙WQ1挡土墙计算一、墙身配筋计算(一)已知条件:墙身混凝土等级30钢筋设计强度N/mm2360混凝土容重γc=25KN/mm3墙背填土容重γ土=20KN/mm3裂缝限值0.2mm覆土厚H1=5.9m水位距离墙底H3=9.2m墙高H=3.6m地面堆积荷载q0=10KN/m2墙厚h(mm)=350mm保护层(mm)=35mm横载分项系数1.2(二)土压力按主动土压力计算:Ka=0.50q=γ土H1Ka=59.00KN/m2q1=q0Ka+q土1=64.00KN/m2q土2=(γ土×H-γ水×H3)×Ka=18.00KN/m2q水2=γ水H3=92KN/m2q2=q1+q土2+q水2=174.00KN/m2q11=1.2×q1=76.8KN/m2q22=1.2×q2=208.8KN/m2(三)内力计算(基本组合下):M支座=-H2×(8q22+7q11)/120=-238.46KN·MQ墙顶=H×(11q11+4q22)/40=126.00μ=q11/q22=0.37ν=[(9μ2+7μ+4)/20]0.5=0.624191907X=(ν-μ)H/(1-μ)=1.459943734m Xo=H-X= 2.1400563m Mmax=Q墙顶X-q11X2/2+(q22-q11)X3/6H=83.08937KN·M(四)配筋计算混凝土抗压强度fcd=14.3N/mm2ho=305mm钢筋设计强度fy=360N/mm2计算宽度b=1000mmM支座 =f cd bx(h0-x/2)238464000.00 =14300x(305-x/2)x =60.719 m≤ξb h0 =0.53×305.00 =161.7mm 解得A s = M支座/(ho-x/2)/f y =2480mm2Mmax =f cd bx(h0-x/2)83000000.00 =14300x(305-x/2)x =19.664 mm≤ξb h0 =0.53×305.00 =161.7mm 解得跨中A s = Mmax/(ho-x/2)/f y =803mm2(五)裂缝计算钢筋直径d=18mm钢筋间距75mm每延米实配钢筋A s=3392.92mm2标准组合下Mk支座=-H2×(8q2+7q1)/120=-198.72KN·Mσsk=Mk支座/(0.87hoAs)=220.7236N/mm2αcr=2.1ρte=0.019388115ftk=2.01ψ=0.794701285< 1 且>0.2所以ψ取0.794701285Es=200000c=35deq=18裂缝宽度W fk=0.259274198mm裂缝不满足要求。
地下车库外墙WQ1计算书=================================== =========一.配筋计算1 计算简图:2 计算条件:荷载条件:均布恒载标准值: 0.00kN/m 活载准永久值系数: 0.50均布活载标准值: 0.00kN/m 支座弯矩调幅系数: 100.0%梁容重: 25.00kN/m3计算时考虑梁自重: 不考虑恒载分项系数: 1.35 活载分项系数: 1.40配筋条件:抗震等级: 非抗震纵筋级别: HRB400混凝土等级: C30 箍筋级别: HRB400配筋调整系数: 1.0 上部保护层厚度: 40mm面积归并率: 0.0% 下部保护层厚度: 25mm最大裂缝限值: 0.000mm 挠度控制系数C : 200截面配筋方式: 双筋3 计算结果:单位说明:弯矩:kN.m 剪力:kN纵筋面积:mm2箍筋面积:mm2/m裂缝:mm 挠度:mm-----------------------------------------------------------------------梁号1: 跨长= 4100 B×H = 1000 ×300左中右弯矩(-) : 0.000 0.000 -97.487弯矩(+) : 0.000 47.163 0.000剪力: 48.639 -14.322 -134.016上部as: 50 50 50下部as: 35 35 35上部纵筋: 600 600 1184 下部纵筋: 600 608 600箍筋Asv: 953 953 953 -----------------------------------------------------------------------4 所有简图:二.裂缝验算1 计算简图:2 计算条件:荷载条件:均布恒载标准值: 0.00kN/m 活载准永久值系数: 0.50均布活载标准值: 0.00kN/m 支座弯矩调幅系数: 100.0%梁容重: 25.00kN/m3计算时考虑梁自重: 不考虑恒载分项系数: 1.35 活载分项系数: 1.40配筋条件:抗震等级: 非抗震纵筋级别: HRB400混凝土等级: C30 箍筋级别: HRB400配筋调整系数: 1.0 上部保护层厚度: 40mm面积归并率: 0.0% 下部保护层厚度: 25mm最大裂缝限值: 0.200mm 挠度控制系数C : 200截面配筋方式: 双筋按裂缝控制配筋计算3 计算结果:单位说明:弯矩:kN.m 剪力:kN纵筋面积:mm2箍筋面积:mm2/m裂缝:mm 挠度:mm-----------------------------------------------------------------------梁号1: 跨长= 4100 B×H = 1000 ×300左中右弯矩(-) : 0.000 0.000 -81.886弯矩(+) : 0.000 41.136 0.000剪力: 45.526 -13.976 -109.455上部as: 50 50 50下部as: 35 35 35上部纵筋: 600 600 1002下部纵筋: 600 600 600箍筋Asv: 953 953 953上纵实配: 6E12(679) 6E12(679) 12E12(1357)下纵实配: 6E12(679) 6E12(679) 6E12(679)箍筋实配: 4E12@200(2262) 4E12@200(2262) 4E12@200(2262)腰筋实配: ----(0) ----(0) ----(0)上实配筋率: 0.23% 0.23% 0.45% 下实配筋率: 0.23% 0.23% 0.23% 箍筋配筋率: 0.23% 0.23% 0.23% 裂缝: 0.000 0.126 0.172挠度: 0.000 3.615 0.000最大裂缝:0.172mm<0.200mm最大挠度:3.615mm<20.500mm(4100/200)-----------------------------------------------------------------------4 所有简图:汽车坡道挡土墙计算书一、PDQ1/PWQ3计算书=================================== =========1 计算简图:2 计算条件:荷载条件:均布恒载标准值: 0.00kN/m 活载准永久值系数: 0.50均布活载标准值: 0.00kN/m 支座弯矩调幅系数: 100.0%梁容重: 25.00kN/m3计算时考虑梁自重: 不考虑恒载分项系数: 1.35 活载分项系数: 1.40配筋条件:抗震等级: 非抗震纵筋级别: HRB400混凝土等级: C30 箍筋级别: HRB400配筋调整系数: 1.0 上部保护层厚度: 40mm面积归并率: 0.0% 下部保护层厚度: 25mm最大裂缝限值: 0.200mm 挠度控制系数C : 200截面配筋方式: 双筋按裂缝控制配筋计算3 计算结果:单位说明:弯矩:kN.m 剪力:kN纵筋面积:mm2箍筋面积:mm2/m裂缝:mm 挠度:mm-----------------------------------------------------------------------梁号1: 跨长= 2800 B×H = 1000 ×250左中右弯矩(-) : 0.000 0.000 -19.757弯矩(+) : 0.000 8.823 0.000剪力: 10.584 -2.646 -42.336上部as: 50 50 50下部as: 35 35 35上部纵筋: 500 500 500下部纵筋: 500 500 500箍筋Asv: 953 953 953上纵实配: 5E12(565) 5E12(565) 5E12(565)下纵实配: 5E12(565) 5E12(565) 5E12(565) 上实配筋率: 0.23% 0.23% 0.23% 下实配筋率: 0.23% 0.23% 0.23% 箍筋配筋率: 0.23% 0.23% 0.23% 裂缝: 0.000 0.019 0.060挠度: 0.000 0.672 0.000最大裂缝:0.060mm<0.200mm最大挠度:0.672mm<14.000mm(2800/200)-----------------------------------------------------------------------4 所有简图:二、PDQ2计算书=================================== =========1 计算简图:2 计算条件:荷载条件:均布恒载标准值: 0.00kN/m 活载准永久值系数: 0.50均布活载标准值: 0.00kN/m 支座弯矩调幅系数: 100.0%梁容重: 25.00kN/m3计算时考虑梁自重: 不考虑恒载分项系数: 1.35 活载分项系数: 1.40配筋条件:抗震等级: 非抗震纵筋级别: HRB400混凝土等级: C30 箍筋级别: HRB400配筋调整系数: 1.0 上部保护层厚度: 40mm面积归并率: 0.0% 下部保护层厚度: 25mm最大裂缝限值: 0.200mm 挠度控制系数C : 200截面配筋方式: 双筋按裂缝控制配筋计算3 计算结果:单位说明:弯矩:kN.m 剪力:kN纵筋面积:mm2箍筋面积:mm2/m裂缝:mm 挠度:mm-----------------------------------------------------------------------梁号1: 跨长= 1300 B×H = 1000 ×250左中右弯矩(-) : -0.000 -3.051 -6.101弯矩(+) : 0.000 0.000 0.000剪力: -4.693 -4.693 -4.693上部as: 50 50 50下部as: 35 35 35上部纵筋: 500 500 500下部纵筋: 500 500 500箍筋Asv: 953 953 953上纵实配: 5E12(565) 5E12(565) 5E12(565)下纵实配: 5E12(565) 5E12(565) 5E12(565)箍筋实配: 4E12@200(2262) 4E12@200(2262) 4E12@200(2262) 腰筋实配: ----(0) ----(0) ----(0)上实配筋率: 0.23% 0.23% 0.23%下实配筋率: 0.23% 0.23% 0.23%箍筋配筋率: 0.23% 0.23% 0.23%裂缝: 0.000 0.008 0.017挠度: 0.000 -0.088 0.000最大裂缝:0.017mm<0.200mm最大挠度:0.000mm<6.500mm(1300/200)-----------------------------------------------------------------------梁号2: 跨长= 2800 B×H = 1000 ×250左中右弯矩(-) : -6.101 0.000 -16.706弯矩(+) : 0.000 7.118 0.000剪力: 13.853 0.623 -39.068上部as: 50 50 50下部as: 35 35 35上部纵筋: 500 500 500下部纵筋: 500 500 500箍筋Asv: 953 953 953上纵实配: 5E12(565) 5E12(565) 5E12(565)下纵实配: 5E12(565) 5E12(565) 5E12(565)箍筋实配: 4E12@200(2262) 4E12@200(2262) 4E12@200(2262) 腰筋实配: ----(0) ----(0) ----(0)上实配筋率: 0.23% 0.23% 0.23%下实配筋率: 0.23% 0.23% 0.23%箍筋配筋率: 0.23% 0.23% 0.23%裂缝: 0.017 0.015 0.045挠度: 0.000 0.491 0.000最大裂缝:0.045mm<0.200mm最大挠度:0.491mm<14.000mm(2800/200)-----------------------------------------------------------------------4 所有简图:三、PDQ4计算书=================================== =========1 计算简图:2 计算条件:荷载条件:均布恒载标准值: 0.00kN/m 活载准永久值系数: 0.50均布活载标准值: 0.00kN/m 支座弯矩调幅系数: 100.0%梁容重: 25.00kN/m3计算时考虑梁自重: 不考虑恒载分项系数: 1.35 活载分项系数: 1.40配筋条件:抗震等级: 非抗震纵筋级别: HRB400混凝土等级: C30 箍筋级别: HRB400配筋调整系数: 1.0 上部保护层厚度: 40mm面积归并率: 0.0% 下部保护层厚度: 25mm最大裂缝限值: 0.200mm 挠度控制系数C : 200截面配筋方式: 双筋按裂缝控制配筋计算3 计算结果:单位说明:弯矩:kN.m 剪力:kN纵筋面积:mm2箍筋面积:mm2/m裂缝:mm 挠度:mm-----------------------------------------------------------------------梁号1: 跨长= 1100 B×H = 1000 ×250左中右弯矩(-) : 0.000 0.000 -1.198弯矩(+) : 0.000 0.535 0.000剪力: 1.634 -0.408 -6.534上部as: 50 50 50下部as: 35 35 35上部纵筋: 500 500 500下部纵筋: 500 500 500箍筋Asv: 953 953 953上纵实配: 5E12(565) 5E12(565) 5E12(565)下纵实配: 5E12(565) 5E12(565) 5E12(565)箍筋实配: 4E12@200(2262) 4E12@200(2262) 4E12@200(2262) 腰筋实配: ----(0) ----(0) ----(0)上实配筋率: 0.23% 0.23% 0.23%下实配筋率: 0.23% 0.23% 0.23%箍筋配筋率: 0.23% 0.23% 0.23%裂缝: 0.000 0.001 0.003挠度: 0.000 0.006 0.000最大裂缝:0.003mm<0.200mm最大挠度:0.006mm<5.500mm(1100/200)-----------------------------------------------------------------------4 所有简图:。
地下连续墙钢筋量计算表
一、钢筋种类
1.HRB400级钢筋
2.HRB335级钢筋
3.冷轧带肋钢筋
4.钢绞线
二、钢筋规格
例如:6mm、8mm、10mm、12mm等,需根据设计图纸进行详细列明。
三、钢筋数量
每种规格的钢筋所需数量,应结合施工图纸和工程量清单进行计算。
四、钢筋长度
1.直钢筋长度:L=n×La式中:L——直钢筋长度;n——钢筋的根数;La——每根钢筋的长度。
2.箍筋长度:L=2×(n/2)×(D/2)+(D/2)×(D/2)+(d/2)×(d/2)式中:L——箍筋长度;n——箍筋的个数;D——直径;d——内径。
3.弯起钢筋长度:L=n×La+2×(LwLa)式中:L——弯起钢筋长度;n——弯起钢筋的根数;La——直线段长度;Lw——弯起角度。
4.环形封闭箍筋长度:L=(Dd)×n+(Dd)/3×n+2×(LwLa)式中:L——环形封闭箍筋长度;D——直径;d——内径;n——个数;La——直线段长度;Lw——弯起角度。
五、弯钩长度
1.钢筋弯钩增加长度:根据不同的弯钩角度(90°、10°、135°、180°等)和弯钩形式(半圆弯钩、直弯钩和斜弯钩)进行计算。
2.钢筋弯曲增加长度:根据不同的弯曲角度(90°、10°、45°等)进行计算。
WQ-11混凝土标号C30混凝土强度fc=钢筋强度设计值为(N/mm2)fy=300混凝土抗拉强度标准值 f t =混凝土抗拉强度标准值 f tk =钢筋弹性模量(N/m 2) Es=室内外高差(m) H1=0.6地下水位标高(m) H2=0.5地下室层高(m) H= 3.1故取外墙厚度hw(m)0.3土有效内摩擦角 φ'=22静止土压力系数 K=土的重度(KN/m 3) r=18地下水重度(KN/m 3) rw=土浮重度(KN/m 3)ro=地面堆载(KN/m 2) qo=101. 土压力计算设计值活载等效土压力(kN/m) Po=1.4*0.7*P 0*K=6.13土压力(kN/m) P1=P 0+1.35*K*H 2*γ=13.73土压力(kN/m) P2=P1+1.35*(K*γo+γw)*(H-H1-H2)=54.24自行车道荷载传来(kN/m) M'=(荷载计算见自行车道荷载)0.002. 外墙外侧底部弯距裂缝计算底部弯距(kN/m) M=[(P 2-P 1)/6+P 1/2]*(H-H 1)2+M'=85.09墙的有效高度(mm) ho=Hw-30=270配筋计算:αs=M/(fcbho 2)=0.082γs=0.957As(mm2/m)=M/(γsfyho)=1097.33实配钢筋Φ18@As(mm2/m)=1,696.46地下室外墙计算书配筋率(%)=As/ho/1m=0.63最小配筋率(%)=45*ft/fy=0.21钢筋的应力(kN/m) σsk=GB50010-2002式(8.1.3)171.62有效受拉混凝土配筋率ρte=GB50010-2002式(8.1.2-4) 1.13%故取有效配筋率ρte=(当ρte<0.01时取0.01) 1.13%钢筋应变的不均匀系数 ψ=GB50010-2002式(8.1.2-2)0.43故取不均匀系数ψ=(0.2≤ψ≤1)0.43最大裂缝宽度(mm) ωmax=GB50010-2002式(8.1.2-1)0.1710底部剪力(kN) V=5/8*(P2-P0)+2/5*P0=32.52截面高度影响系数βh=(800/ho)^0.25>1=1剪力承载力(kN)Vd=0.7*βh*ft*b*ho=270.27143001.432.012000000.63108标准值6.2511.8841.890.0068.39满足要求<0.2 满足>V 满足。
地下室墙体配筋计算书一、工程概况本工程为_____地下室,地下室层高为_____m,墙体长度为_____m,墙体厚度为_____mm。
地下室墙体所承受的荷载主要包括土压力、水压力以及地下室内部的使用荷载等。
二、荷载计算1、土压力根据地质勘察报告,土的重度为_____kN/m³,内摩擦角为_____°,计算主动土压力系数 Ka =tan²(45° φ/2) =_____。
土压力强度按照三角形分布计算,顶部土压力为 0,底部土压力为 q1 =γhKa =_____kN/m²,其中 h 为地下室墙体的埋深。
2、水压力地下水位位于地下室底板以下_____m,水的重度为 10kN/m³,计算水压力强度为 q2 =γwh =_____kN/m²,其中 w 为水的重度,h 为地下水位至地下室墙体底部的距离。
3、地下室内部使用荷载地下室内部使用荷载按照_____kN/m²考虑,作用于墙体上的荷载为q3 =_____kN/m²。
三、内力计算1、弯矩计算根据荷载分布情况,将墙体视为一端固定、一端铰支的梁进行计算。
墙体底部弯矩 M = ql²/8 =_____kN·m,其中 q 为总荷载强度(q =q1 + q2 + q3),l 为墙体长度。
2、剪力计算墙体底部剪力 V = ql/2 =_____kN四、墙体材料及强度等级墙体采用混凝土强度等级为 C_____,钢筋采用 HRB_____级。
混凝土轴心抗压强度设计值 fc =_____N/mm²,钢筋抗拉强度设计值 fy =_____N/mm²。
五、配筋计算1、水平钢筋根据弯矩计算结果,按照受弯构件进行配筋计算。
有效高度 h0 = h as,其中 as 为钢筋保护层厚度。
计算配筋面积 As = M /(fyh0) =_____mm²。
混凝土标号C
30
混凝土强度fc=14300混凝土抗拉强度标准值
f = 2.01
N/mm 2
钢筋强度设计值为360
N/mm 2钢筋弹性模量(N/m 2) Es=地下水位与室外地坪高差H2(m ) 4.3室内外高差(m)H1=地下室层高(m) H= 4.3地下室设计抗渗等级(Mpa)0.800最大水头与墙厚比值系数初估外墙厚度hw (m)0.000故取外墙厚度hw(m)0.2土有效内摩擦角 φ'30静止土压力系数 Ko=0.50土的重度(KN/m 3) r
18
地下水重度(KN/m 3) rw=10土浮重度(KN/m 3
)ro=8地面堆载(KN/m 2
) qo=
10
一、迎水面外墙配筋计算1. 外墙配筋计算
土压力 po= 1.2×qo×φ'= 6.000土压力 p1= 1.2×((qo+r×H2)×Ko)=47.580土压力 p2=
1.2×((qo+ro×(H-H1-H2))×Ko+rw×(H-H1-H2))= 6.000
受弯计算:弯距 M=61.480
墙的有效高度(mm) ho=hw-(50+D/2)143
配筋计算:αs =M/(fcbho 2)=0.210γs=γsfyho)=
实配钢筋Φ14@150Φ14
@150
(注:当钢筋标注不同时表示为钢筋交错放置)As=2,052.51 mm 2/m
2. 外墙裂缝变形计算
钢筋的应力 σ
sk =
200.64 N/mm 2
有效受拉混凝土配筋率 ρte =
2.05%
故取有效配筋率 ρte =
钢筋应变的不均匀系数 ψ=0.78
故取不均匀系数ψ=0.78
最大裂缝宽度ωmax=0.168<0.2
3.弯距为0位置
选取p1(矩形荷载)作用弯距为0处为代表
M=0→x= 3.233m(到外墙顶部距离)
二、外墙内侧配筋计算(内力计算参考静力计算手册)
1.外墙配筋计算
外墙顶部水平反力
p1产生水平力R1=56.99KN
p2产生水平力R2= -13.17KN
利用墙体剪力Q=0处做为反弯点求外墙内侧最大弯距
(R1+R2=0)→x= 1.736m(到外墙顶部距离)
p1产生的弯距(矩形) M1=59.59KN.m
p2产生的弯距(三角形) M2=-19.03KN.m
受弯计算:弯距M=40.56KN.m
配筋计算:αs=M/(fcbho2)=0.139γs=
γsfyho)=
实配钢筋Φ
As=1,026.25mm/m
ρte=
KN/m2
0.45
15
满足要求
KN/m
KN/m 2))
KN/m
KN.m
mm
0.881
mm2/m
满足要求
2.05%
满足要求
0.925
mm2/m
满足要求
1.03%
★★★不满足要求。