质量管理体系过程流程图大全【共28个】
- 格式:docx
- 大小:159.92 KB
- 文档页数:30
质量管理体系活动的过程方法示意图附件一 XXXX有限公司质量管理体系活动的过程方法示意图管理过程(Management Process)M1: M2: M3: M4:职M5: M6: M7: M8: M9:业务计划质量方针质量策划责与权限管理评审内部审核数据分析持续改进纠正预防管理职责管理职责管理职责策划内审持续改进顾客导向过程(Customer Oriented Process)内审 C3:C1: C2: C7: C4:顾 C6: 顾市报订产产批产顾C5: C8: 客场价单品品量品客 /客分和生交反过要要析过产付馈程满求程确,,求意设认付服计款务S14: S12: S7: S4:支持过程(Support Process) S11:S10: S1: S5: S15:管和通量追理制S8: S3: S9: S6: S13: 理设装溯S2:文记工采产备置性人工内监实产质工标不件录管作购品管力厂外视品量程验识合控控理环管防理测成更资设部和室和格制制境理护量本改管源施沟测可控顾客和其他相关方意见和建议下面为朱自清的散文欣赏,不需要的朋友可以下载后编辑删除~~~谢谢~~~ 荷塘月色作者: 朱自清这几天心里颇不宁静。
今晚在院子里坐着乘凉,忽然想起日日走过的荷塘,在这满月的光里,总该另有一番样子吧。
月亮渐渐地升高了,墙外马路上孩子们的欢笑,已经听不见了;妻在屋里拍着闰儿,迷迷糊糊地哼着眠歌。
我悄悄地披了大衫,带上门出去。
沿着荷塘,是一条曲折的小煤屑路。
这是一条幽僻的路;白天也少人走,夜晚更加寂寞。
荷塘四面,长着许多树,蓊蓊郁郁的。
路的一旁,是些杨柳,和一些不知道名字的树。
没有月光的晚上,这路上阴森森的,有些怕人.今晚却很好,虽然月光也还是淡淡的。
路上只我一个人,背着手踱着。
这一片天地好像是我的;我也像超出了平常的自己,到了另一世界里。
我爱热闹,也爱冷静;爱群居,也爱独处.像今晚上,一个人在这苍茫的月下,什么都可以想,什么都可以不想,便觉是个自由的人。
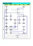
质量管理体系工作流程图
质量管理体系工作流程图一、文件依据
本院质量管理体系文件
二、范围对象
质量体系维护管理的全过程
三、工作程序
建立修改
体系文件
运行管理体系文件管理评审和质量监督维护管理
纠正预防
内部审核
四、有关说明
体系维护管理是指建立、修改、运行及管理的全过程~目的是保证其适宜性、充分性和有效性~实现持续改进。
包括体系文件制修订、运行、质量监督、内部审核、外部监督检查、管理评审、纠正预防和持续改进,维护管理,等环节。
1、制修订
根据有关要求建立质量管理体系文件~在法规、规范和标准变化,体系运转中质量监督、内部审核、外部监督检查、管理评审等环节发现问题需要修改时~及时实施修订。
2、运行管理
按要求对体系文件进行管理~包括编制,修订,、发放、回收等~收集和保持相关质量记录。
3、质量监督
按规定和要求制定各级质量监督计划并检查实施情况~收集和保持相关质量记录。
4、内部审核
按规定进行内部审核~收集和保持相关质量记录.
5、管理评审
按规定进行管理评审~收集和保持相关质量记录。
6、外部监督检查
接受来自外部的各种监督检查~收集外部监督检查形成的各种记录报告。
7、纠正预防
体系运行各环节发现的问题组织实施整改~督促检查完成情况。
对
8、持续改进
根据法规、规范、标准变化情况和体系运行各环节提出的修改建议~及时修改并发布实施。
TZQP-PG-004 产品鉴别与追溯管理程序
TZQP-PG-003 采购产品品质管理程序TZQP-CG-001 采购管理程序
TZQP-PG-003 采购产品品质管理程序TZQP-PG-012 品质异常处理程序TZQP-SJ-006 模治具管理程序TZQP-GL-004 6S 管理程序TZQP-ZZ-001 制程管制程序TZQP-PG-009 检验与测试管理程序TZQP-GL-013 资料分析与持续改进管理程序TZQP-PG-013 纠正与预防措施管理程序TZQP-PG-010 信赖性试验管理程序
TZQP-SG-003 紧急应变管理程序
TZQP-GL-013 资料分析与持续改进管理程序
TZQP-GL-011 客户财产控制程序
TZQP-SJ-004工程变更管理程序
TZQP-PG-008 统计技术管理程序
TZQP-GL-005 员工激励与满意度调查管理程TZQP-SJ-001合理化管理程序TZQP-GL-001 记录管理程序TZQP-SG-001 交货管理程序TZQP-PG-014 客户抱怨管理程序TZQP-PG-011不合格品管理程序
TZQP-PG-005 量测系统分析管理程序TZQP-GL-006 训练管理程序TZQP-GL-010 经营计划管理程序TZQP-GL-012 内部质量审核管理程序TZQP-GL-007 产品审核管理程序
TZQP-YY-002 服务管理程序TZQP-SG-002搬运储存包装管理程序TZQP-PG-007 实验室管理程序
TZQP-PG-006 检验、测量与测试设备管理程序
TZQP-PG-004 产品鉴别与追溯性管理程序
TZQP-PG-001 品质会议管理程序。