【CN209608343U】一种DCS控制系统电源及DCS控制系统【专利】
- 格式:pdf
- 大小:342.17 KB
- 文档页数:8
中控科技DCS产品介绍中控科技(Control Technology)是一家专注于工控领域的高新技术企业,在DCS(分布式控制系统)领域具有丰富的经验和技术实力。
DCS 是一种用于监测和控制工业过程的自动化系统,能够提高工厂生产效率、降低能源消耗和减少人为错误。
以下是中控科技DCS产品的介绍。
1.系统结构:中控科技DCS系统采用分布式结构,包括集中管理系统、分布式控制器和现场设备。
集中管理系统负责监控和管理各个分布式控制器的工作状态、控制策略和数据通信,通过现场总线技术与分布式控制器进行通信。
分布式控制器负责接收传感器数据、执行控制策略并控制现场设备。
现场设备包括传感器、执行器、控制阀等。
2.功能特点:-可靠性:系统采用冗余设计,具备双机热备份和硬件冗余功能,确保系统可靠稳定运行。
-灵活性:系统具备开放性架构,可以方便地与其他系统进行集成和接口对接。
-扩展性:系统支持分布式拓扑结构,可以根据需求灵活扩展和配置分布式控制器。
-高效性:系统采用高性能的通信总线和数据传输技术,实现高速、实时的数据通信和控制。
-安全性:系统采用多层次的安全策略,包括用户身份验证、权限管理和审计跟踪等,确保系统数据和设备安全。
-易维护性:系统具备自动故障诊断和报警功能,并支持远程维护和设备监控,提高系统的可维护性和可用性。
3.应用领域:中控科技DCS系统广泛应用于各个工业领域,包括石油化工、电力、制药、水处理、钢铁、食品饮料等。
在石油化工行业,系统可以实现对生产过程的监测和控制,包括原油加工、炼油、裂解等。
在电力行业,系统可以实现对发电过程的监测和控制,包括燃煤发电、核电站等。
4.成功案例:中控科技DCS系统在多个项目中得到成功应用。
例如,在石油化工项目中,系统实现了对生产过程的实时监测和控制,提高了生产效率,减少了能源消耗。
在电力项目中,系统实现了对发电过程的自动化控制,提高了发电效率,减少了人为错误。
总结:中控科技DCS产品是一种用于工业过程监测和控制的自动化系统,具有可靠性、灵活性、扩展性、高效性、安全性和易维护性等功能特点。
(19)中华人民共和国国家知识产权局(12)发明专利申请(10)申请公布号 (43)申请公布日 (21)申请号 201910289159.2(22)申请日 2019.04.11(71)申请人 重庆川仪控制系统有限公司地址 400700 重庆市北碚区蔡家岗镇蔡和路879号(72)发明人 裘宏波 (74)专利代理机构 上海光华专利事务所(普通合伙) 31219代理人 徐秋平(51)Int.Cl.H02J 3/00(2006.01)H02J 9/06(2006.01)G05B 19/418(2006.01)(54)发明名称一种DCS控制系统电源及DCS控制系统(57)摘要本发明提供一种DCS控制系统电源及DCS控制系统,包括:第一输入交流电和第二输入交流电;第一电源滤波器对第一输入交流电进行滤波后分为三路第一子交流电;第二电源滤波器对第二输入交流电进行滤波后分为三路第二子交流电;第一开关电源基于第一子交流电输出第一系统电源、第一现场电源和第一查询电源;第二开关电源基于第二子交流电输出第二系统电源、第二现场电源和第二查询电源相连;基于系统电源冗余分配模块、现场电源冗余分配模块和查询电源冗余分配模块输出系统电源、现场电源和查询电源。
本发明的DCS控制系统电源及DCS控制系统能够有效隔离现场复杂环境,抑制干扰源,保障DCS控制系统运行的可靠性。
权利要求书1页 说明书5页 附图1页CN 109980641 A 2019.07.05C N 109980641A权 利 要 求 书1/1页CN 109980641 A1.一种DCS控制系统电源,其特征在于:包括:第一输入交流电和第二输入交流电;第一电源滤波器,与所述第一输入交流电相连,用于对所述第一输入交流电进行滤波,并将滤波后所述第一输入交流电分为三路第一子交流电;第二电源滤波器,与所述第二输入交流电相连,用于对所述第二输入交流电进行滤波,并将滤波后所述第二输入交流电分为三路第二子交流电;与所述第一子交流电一一对应的第一开关电源,分别与所述第一子交流电相连,并输出第一系统电源、第一现场电源和第一查询电源;与所述第二子交流电一一对应的第二开关电源,分别与所述第二子交流电相连,并输出第二系统电源、第二现场电源和第二查询电源;系统电源冗余分配模块,分别与所述第一系统电源和所述第二系统电源相连,并输出系统电源;现场电源冗余分配模块,分别与所述第一现场电源和所述第二现场电源相连,并输出现场电源;查询电源冗余分配模块,分别与所述第一查询电源和所述第二查询电源相连,并输出查询电源。
(19)中华人民共和国国家知识产权局(12)实用新型专利(10)授权公告号 (45)授权公告日 (21)申请号 201920201107.0(22)申请日 2019.02.13(73)专利权人 大唐东营发电有限公司地址 257091 山东省东营市东营港经济开发区东港路以西、海滨路以北(72)发明人 魏厚玉 温士超 谷绪栋 丛世超 田润平 钟浩业 明玉奇 (74)专利代理机构 苏州国卓知识产权代理有限公司 32331代理人 陆晓鹰(51)Int.Cl.F23N 1/00(2006.01)(54)实用新型名称一种输煤系统DCS监控系统(57)摘要本实用新型公开了一种输煤系统DCS监控系统,包括输煤管,所述输煤管的下端两侧分别固定设置有输煤支管,所述输煤管的内侧下端靠近输煤支管的一侧分别活动安装有活动板,所述输煤管两侧靠近输煤支管的一端分别固定设置有安装办,所述安装板靠近活动板的一侧通过安装板安装有第一液压缸,所述第一液压缸的伸缩杆轴端与活动板连接,所述输煤支管之间固定设置有控制箱,所述控制箱与第一液压缸电性连接,所述输煤支管远离控制箱的一侧固定设置有固定板。
本实用新型通过设置控制箱、DCS监控机构之间的配合使得装置运行更加合理,更加规范,同时通过控制箱、DCS监控机构之间的配合合理的利用资源,避免资源利用过剩,产生不必要的一些浪费。
权利要求书1页 说明书3页 附图2页CN 209605210 U 2019.11.08C N 209605210U权 利 要 求 书1/1页CN 209605210 U1.一种输煤系统DCS监控系统,包括输煤管(1),其特征在于:所述输煤管(1)的下端两侧分别通过螺栓安装有输煤支管(2),所述输煤管(1)的内侧下端靠近输煤支管(2)的一侧分别活动安装有活动板(3),所述输煤管(1)两侧靠近输煤支管(2)的一端分别通过螺栓安装有安装板(4),所述安装板(4)靠近活动板(3)的一侧通过安装座安装有第一液压缸(5),所述第一液压缸(5)的伸缩杆轴端与活动板(3)连接,所述输煤支管(2)之间通过螺栓安装有控制箱(6),所述控制箱(6)与第一液压缸(5)电性连接,所述输煤支管(2)远离控制箱(6)的一侧通过螺栓安装有固定板(7),所述固定板(7)的上端通过螺栓安装有加压泵(8),所述加压泵(8)与控制箱(6)电性连接,所述加压泵(8)的出气端通过管道与输煤支管(2)的内侧连接,所述输煤支管(2)的下端通过螺栓安装有控制机构(9),所述控制机构(9)的下端通过螺栓安装有锅炉(10),所述锅炉(10)的内侧上端通过螺栓安装有DCS监控机构(11),所述DCS监控机构(11)与控制箱(6)电性连接。
(19)中华人民共和国国家知识产权局(12)实用新型专利(10)授权公告号 (45)授权公告日 (21)申请号 201821933858.3(22)申请日 2018.11.22(73)专利权人 淮安市昊天自动化设备有限公司地址 223300 江苏省淮安市淮阴区淮河东路218号(72)发明人 潘雪康 (51)Int.Cl.B65B 43/30(2006.01)(54)实用新型名称一种电气控制系统(57)摘要本实用新型公开了一种电气控制系统,包括工作台、辊式输送带、工作横板架和支撑柱,所述工作台内顶部通过安装槽安装辊式输送带,所述工作台顶部一侧焊接一号立架,所述工作台顶部另一侧焊接二号立架,所述一号立架和二号立架顶部安装工作横板架,所述工作横板架底部一侧通过安装块安装压板,所述工作横板架底部另一侧焊接工作板,所述工作板底部两侧均通过安装板安装顶部气动压杆,所述顶部气动压杆底部输出端通过安装套安装顶部真空吸盘,所述二号立架一侧通过支架安装一号气动压杆,所述二号立架另一侧通过支架安装二号气动压杆。
本实用新型电气控制系统,设计合理,结构简单,适合被广泛推广和使用。
权利要求书1页 说明书3页 附图1页CN 209127063 U 2019.07.19C N 209127063U1.一种电气控制系统,包括工作台(7)、辊式输送带(9)、工作横板架(1)和支撑柱(8),其特征在于:所述工作台(7)内顶部通过安装槽(13)安装辊式输送带(9),所述工作台(7)顶部一侧焊接一号立架(19),所述工作台(7)顶部另一侧焊接二号立架(12),所述一号立架(19)和二号立架(12)顶部安装工作横板架(1),所述工作横板架(1)底部一侧通过安装块安装压板(16),所述工作横板架(1)底部另一侧焊接工作板(10),所述工作板(10)底部两侧均通过安装板安装顶部气动压杆(2),所述顶部气动压杆(2)底部输出端通过安装套安装顶部真空吸盘(3),所述二号立架(12)一侧通过支架安装一号气动压杆(20),所述二号立架(12)另一侧通过支架安装二号气动压杆(15),所述一号气动压杆(20)和二号气动压杆(15)输出端均连接横压板(11),所述工作台(7)底部通过减震板安装支撑柱(8)。
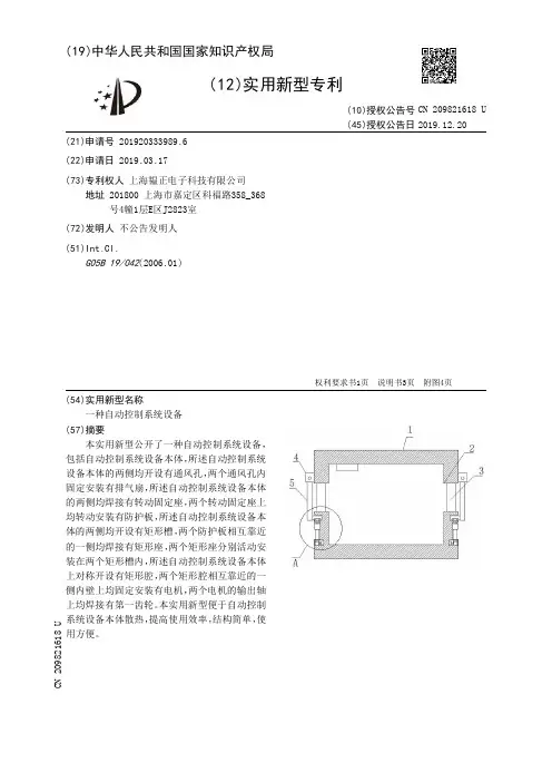
(19)中华人民共和国国家知识产权局(12)实用新型专利(10)授权公告号 (45)授权公告日 (21)申请号 201920333989.6(22)申请日 2019.03.17(73)专利权人 上海韫正电子科技有限公司地址 201800 上海市嘉定区科福路358_368号4幢1层E区J2823室(72)发明人 不公告发明人 (51)Int.Cl.G05B 19/042(2006.01)(54)实用新型名称一种自动控制系统设备(57)摘要本实用新型公开了一种自动控制系统设备,包括自动控制系统设备本体,所述自动控制系统设备本体的两侧均开设有通风孔,两个通风孔内固定安装有排气扇,所述自动控制系统设备本体的两侧均焊接有转动固定座,两个转动固定座上均转动安装有防护板,所述自动控制系统设备本体的两侧均开设有矩形槽,两个防护板相互靠近的一侧均焊接有矩形座,两个矩形座分别活动安装在两个矩形槽内,所述自动控制系统设备本体上对称开设有矩形腔,两个矩形腔相互靠近的一侧内壁上均固定安装有电机,两个电机的输出轴上均焊接有第一齿轮。
本实用新型便于自动控制系统设备本体散热,提高使用效率,结构简单,使用方便。
权利要求书1页 说明书3页 附图4页CN 209821618 U 2019.12.20C N 209821618U权 利 要 求 书1/1页CN 209821618 U1.一种自动控制系统设备,包括自动控制系统设备本体(1),其特征在于,所述自动控制系统设备本体(1)的两侧均开设有通风孔(2),两个通风孔(2)内固定安装有排气扇(3),所述自动控制系统设备本体(1)的两侧均焊接有转动固定座(4),两个转动固定座(4)上均转动安装有防护板(5),所述自动控制系统设备本体(1)的两侧均开设有矩形槽(6),两个防护板(5)相互靠近的一侧均焊接有矩形座(7),两个矩形座(7)分别活动安装在两个矩形槽(6)内,所述自动控制系统设备本体(1)上对称开设有矩形腔(8),两个矩形腔(8)相互靠近的一侧内壁上均固定安装有电机(9),两个电机(9)的输出轴上均焊接有第一齿轮(10),两个矩形腔(8)的底侧内壁上均转动安装有蜗杆(11),两个蜗杆(11)上均焊接有第二齿轮(12),两个第二齿轮(12)分别与两个第一齿轮(10)相啮合,所述自动控制系统设备本体(1)的两侧均开设有限位滑槽(13),两个蜗杆(11)的顶端分别延伸至两个限位滑槽(13)内,并螺纹连接有螺纹座(14),两个螺纹座(14)的顶部均对称焊接有安装柱(15),四个安装柱(15)的顶端分别延伸至两个矩形槽(6)内,并焊接有限位矩形板(16),两个矩形座(7)的底部均开设有限位卡槽(17),两个限位矩形板(16)分别与两个限位卡槽(17)相卡装,两个矩形槽(6)靠近限位滑槽(13)的一侧内壁上均对称开设有限位滑孔,四个限位滑孔分别与两个限位滑槽(13)相连通,四个安装柱(15)分别滑动安装在两个四个限位滑孔内,两个限位滑槽(13)相互靠近的一侧内壁上均焊接有滑动导轨,两个螺纹座(14)相互靠近的一侧均焊接有滑动导座,两个滑动导座分别滑动安装在两个滑动导轨上,两个限位滑槽(13)靠近矩形腔(8)的一侧内壁上均开设有限位转孔,两个限位转孔分别与两个矩形腔(8)相连通,两个蜗杆(11)分别转动安装在两个限位转孔内。
(19)中华人民共和国国家知识产权局(12)实用新型专利(10)授权公告号 (45)授权公告日 (21)申请号 201920493082.6(22)申请日 2019.04.12(73)专利权人 陕西秦通电力设备销售有限公司地址 712000 陕西省西安市西咸新区泾河新城永乐镇工业密集区(72)发明人 杜鹏程 (51)Int.Cl.H02B 1/54(2006.01)H02B 1/56(2006.01)(54)实用新型名称一种低压配电控制设备(57)摘要本实用新型公开了一种低压配电控制设备,包括柜体,所述柜体的底部设有支撑机构,所述柜体的侧面设有散热孔,所述柜体侧面靠近散热孔的位置处设有防尘机构,所述柜体的上表面设有散热风机,所述散热风机的上表面设有控制开关,所述控制开关的输入端电连接外部电源的输出端,该低压配电控制设备通过设置支撑机构便于将该设备稳定的放置在地面,通过设置防尘机构防止灰尘进入柜体内,通过设置散热风机和散热孔便于提高柜体内部的散热性,通过设置滑动机构便于拉动安装架,便于安装用电器和维护用电器,通过设置减震机构便于防止拉动安装架产生震动,避免导致安装架上的零配件松动,使用较为便捷。
权利要求书1页 说明书3页 附图1页CN 209675783 U 2019.11.22C N 209675783U权 利 要 求 书1/1页CN 209675783 U1.一种低压配电控制设备,包括柜体(1),其特征在于:所述柜体(1)的底部设有支撑机构(2),所述柜体(1)的侧面设有散热孔(9),所述柜体(1)侧面靠近散热孔(9)的位置处设有防尘机构(3),所述柜体(1)的上表面设有散热风机(4),所述散热风机(4)的上表面设有控制开关,所述控制开关的输入端电连接外部电源的输出端,所述控制开关的输出端电连接散热风机(4)的输入端,所述散热风机(4)的出风管与柜体(1)的内腔连接,所述柜体(1)的侧面铰接有密封门(7),所述密封门(7)的外侧面分别设有把手(8)和安全锁,所述柜体(1)内腔的底部设有滑动机构(5),所述滑动机构(5)上安装有安装架(10),所述安装架(10)的侧面设有减震机构(6)。
(19)中华人民共和国国家知识产权局(12)实用新型专利(10)授权公告号 (45)授权公告日 (21)申请号 201621447244.5(22)申请日 2016.12.27(73)专利权人 四川省银河化学股份有限公司地址 622656 四川省绵阳市安县雎水镇(72)发明人 周中田 陈宁 谢友才 张天波 周良军 胡应伟 王国伟 代高 高晋杰 (74)专利代理机构 北京远大卓悦知识产权代理事务所(普通合伙) 11369代理人 郑健(51)Int.Cl.G05B 19/418(2006.01)(54)实用新型名称基于DCS的集成自动化控制系统(57)摘要本实用新型公开了一种基于DCS的集成自动化控制系统,包括:控制域,其包括用于传递传感器传入的信息并向执行器传递指令的I/O模块和通过总线接受I/O模块传递的信息并向I/O模块传递指令的控制器;操作域,其包括用于接受控制器传递的信息并向控制器输出指令的操作员站,所述操作员站通过控制以太网与控制器连接;功能分站,其通过信息以太网与操作员站信息连接,所述功能分站包括向外网传输控制系统数据信息的OPC服务器,其通过设置有防火墙的其他以太网与外网信息连接。
本实用新型的控制系统具有自动化程度高、可靠性强、易于维护、易于扩展、网络结构层次分明等特点,既能确保整个系统安全高效运行,还能极大的释放劳动力。
权利要求书1页 说明书3页 附图1页CN 206270753 U 2017.06.20C N 206270753U1.一种基于DCS的集成自动化控制系统,其特征在于,包括:控制域,其包括用于传递传感器传入的信息并向执行器传递指令的I/O模块和通过总线接受I/O模块传递的信息并向I/O模块传递指令的控制器;操作域,其包括用于接受控制器传递的信息并向控制器输出指令的操作员站,所述操作员站通过控制以太网与控制器连接;功能分站,其通过信息以太网与操作员站信息连接,所述功能分站包括向外网传输控制系统数据信息的OPC服务器,其通过设置有防火墙的其他以太网与外网信息连接。
dcs控制系统实例DCS(分布式控制系统)是一种广泛应用于过程控制系统的控制系统架构。
它通过分布式的控制器将物理设备和处理单元连接起来,使得整个过程控制系统能够实现集中管理、自动化控制和数据采集等功能。
下面是一个关于DCS控制系统实例的描述:化工企业生产过程中使用了DCS控制系统来管理和控制整个生产过程。
该生产过程包括原料投入、反应过程、产品分离、产品提纯等环节。
首先,在该DCS控制系统中,存在多个控制器,分别负责不同部分的控制工作。
例如,一个控制器负责原料投入和反应过程的控制,另一个控制器负责产品提纯的控制。
在原料投入环节,操作人员将原料通过传感器输入到DCS控制系统中的控制器中。
控制器根据预设的控制策略,控制阀门的开合程度,使原料按照一定比例和速率投入到反应器中。
在反应过程中,控制器通过传感器实时采集反应器中的温度、压力等参数,并将这些数据传回给控制室的监控系统。
操作人员通过监控系统可以了解反应过程的变化情况,及时调整控制策略以达到预期的反应结果。
在产品分离环节,DCS控制系统通过控制阀门的开合程度,调节分离装置的操作,将反应器中的产品分离出来。
控制器通过传感器实时监测产品流量、物料浓度等参数,控制分离过程,保证产品的纯度和质量。
在产品提纯环节,DCS控制系统同样通过控制阀门的开合程度来控制操作,将分离出的产品进行进一步提纯。
操作人员可以通过监控系统实时监测提纯过程中的各项参数,以确保产品的最终质量符合要求。
此外,DCS控制系统还具备报警和故障诊断功能。
当系统中一些环节发生异常情况时,控制器会自动发出报警信号,并将相关信息发送给操作人员。
同时,系统还具备故障诊断能力,可以自动根据故障现象推断出可能的故障原因,并给出修复建议。
通过DCS控制系统的运行,整个过程控制系统实现了集中管理、自动化控制和数据采集的功能,提高了生产效率和产品质量。
同时,DCS控制系统还具备灵活性和可扩展性,能够根据不同的生产需求进行调整和扩展。
(19)中华人民共和国国家知识产权局(12)实用新型专利(10)授权公告号 (45)授权公告日 (21)申请号 201920510592.X(22)申请日 2019.04.12(73)专利权人 广州华浩能源环保集团股份有限公司地址 510080 广东省广州市越秀区解放南路123号金汇大厦401房(72)发明人 刘阳 陆星宇 侯许文 (74)专利代理机构 广州海心联合专利代理事务所(普通合伙) 44295代理人 王洪娟 冼俊鹏(51)Int.Cl.H02J 3/18(2006.01)(54)实用新型名称一种低压动态无功补偿系统(57)摘要本实用新型公开了一种低压动态无功补偿系统,包括对三相电路总线进行电能检测的测量单元;还包括与测量单元信号连接的控制器、与控制器信号连接的执行单元、对三相电路进行无功补偿的若干个补偿单元,所述各补偿单元通过可控开关与三相电路总线连接,所述控制器通过执行单元分别与各可控开关信号连接,从而形成动态的自动无功补偿电路,所述控制器与一中控室上位机信号连接,从而能够进行远程控制。
通过本实用新型可以快速、准确、实时的进行无功补偿,减少运行和维护成本,并且提高整体调度的灵活性以及快速性,故障处理的快速性。
权利要求书1页 说明书3页 附图1页CN 209608346 U 2019.11.08C N 209608346U权 利 要 求 书1/1页CN 209608346 U1.一种低压动态无功补偿系统,包括对三相电路总线进行电能检测的测量单元(3);其特征在于:还包括与测量单元(3)信号连接的控制器(2)、与控制器(2)信号连接的执行单元(4)、对三相电路进行无功补偿的若干个补偿单元(6),所述各补偿单元(6)通过可控开关(K1)与三相电路总线连接,所述控制器(2)通过执行单元(4)分别与各可控开关(K1)信号连接,从而形成动态的自动无功补偿电路,所述控制器(2)与一中控室上位机(1)信号连接,从而能够进行远程控制。
(19)中华人民共和国国家知识产权局(12)发明专利申请(10)申请公布号 (43)申请公布日 (21)申请号 201710557978.1(22)申请日 2017.07.10(71)申请人 上海铁路局上海动车段地址 200040 上海市静安区共和新路3501号3幢申请人 杭州富阳东富自动化设备有限公司(72)发明人 夏剑敏 何东 周明涛 张永敬 (74)专利代理机构 上海申新律师事务所 31272代理人 俞涤炯(51)Int.Cl.G05B 19/04(2006.01)(54)发明名称一种电气控制系统(57)摘要本发明提供了一种电气控制系统,应用于动车车库的库门的控制,其中,包括:逻辑控制器、逻辑扩展模块,开门门限检测模块用以在检测到驱动电机的一开门反馈信号后形成一开门限位信号并输入逻辑控制器;关门门限检测模块,用以检测到驱动电机的一关门反馈信号后,形成一关门限位信号并输入逻辑控制器;库门控制模块控制库门的关闭或者开启;供电电路用以提供逻辑控制器以及驱动电机的工作电压;电路断电控制模块用以计时小于预定时间间隔内接收开门限位信号或者关门限位信号后使库门控制模块恢复初始状态并形成一断电指令输出至电路断电控制模块断开供电电路。
避免了现有的驱动电机无论是关闭还是打开之后都处于通电状态,较容易出现故障的问题。
权利要求书2页 说明书5页 附图2页CN 107290993 A 2017.10.24C N 107290993A1.一种电气控制系统,应用于对存放动车车库的库门的控制,所述库门设置有对应的驱动电机,其特征在于,包括:逻辑控制器,所述逻辑控制器包括多个第一输入端,以及多个第一输出端;逻辑扩展模块,与所述逻辑控制器连接,所述逻辑控制模块包括多个第二输入端,以及多个第二输出端;开门门限检测模块,与所述第一输入端连接,用以在检测到所述驱动电机的一开门反馈信号后,形成一开门限位信号并输入所述逻辑控制器;关门门限检测模块,与所述第一输入端连接,用以在检测到所述驱动电机的一关门反馈信号后,形成一关门限位信号并输入所述逻辑控制器;库门控制模块,连接于所述第一输出端和所述驱动电机之间,用以根据所述逻辑控制器输出的开门指令或者关门指令控制所述库门的关闭或者开启;供电电路,与所述逻辑控制器以及所述驱动电机连接,用以提供所述供逻辑控制器以及所述驱动电机的工作电压;电路断电控制模块,一端与所述第二输出端连接,另一端与供电电路连接;所述逻辑控制器用以在输出所述开门指令或者所述关门指令后开始计时,若计时时间小于一预定时间间隔内接收所述开门限位信号或者所述关门限位信号后;使所述库门控制模块恢复初始状态并形成一断电指令输出至所述电路断电控制模块,所述电路断电控制模块根据所述断电指令断开所述供电电路。
专利名称:一种DCS控制系统专利类型:发明专利
发明人:尚文轩
申请号:CN202011473021.7申请日:20201215
公开号:CN112506160A
公开日:
20210316
专利内容由知识产权出版社提供
摘要:本发明公开了一种DCS控制系统,包括与组态监控软件装置连接的控制站以及与所述控制站连接的至少两个DP主站,所述控制站为多任务操作系统的控制站,用于配置多个IEC任务,所述DP 主站与所述IEC任务之间为映射关联。
通过将控制站采用多任务操作系统的控制站,可以同时配置多个IEC任务,而所述DP主站与所述IEC任务之间为映射关联,一个IEC任务可以关联多个DP主站,但是同一个DP主站只能与一个IEC任务进行关联,由于可以实现多个DP主站支持,可以实现更快运行速度,使得整个DCS控制系统适合在大规模复杂场景下部署,减少控制站的部署数量,提高DP主站的利用效率,使得部署成本低、集成度高、可靠性好、配置灵活。
申请人:杭州和利时自动化有限公司
地址:310018 浙江省杭州市经济技术开发区12号大街M10-15-7地块
国籍:CN
代理机构:北京集佳知识产权代理有限公司
代理人:刘新雷
更多信息请下载全文后查看。
(19)中华人民共和国国家知识产权局(12)发明专利申请(10)申请公布号 (43)申请公布日 (21)申请号 201710500071.1(22)申请日 2017.06.27(71)申请人 上海电机学院地址 200240 上海市闵行区江川路690号(72)发明人 邹海荣 丁家圣 (74)专利代理机构 上海伯瑞杰知识产权代理有限公司 31227代理人 孟旭彤(51)Int.Cl.G05B 9/03(2006.01)(54)发明名称一种三冗余DCS控制系统(57)摘要一种三冗余DCS控制系统,包括控制器A、控制器B、控制器C,每套控制器具有各自的故障计数器和计时器。
以控制器A和控制器B组成双冗余控制系统,控制器A为主控,控制器B为副控,控制器C处于备用状态,对控制系统的数据进行保存和跟踪。
当网络A出现故障,对应的控制器A从主控切换为副控,控制器B由副控升为主控,且控制器A的故障计数器A的数值n=n+1,控制器A的计时器记录下发生故障的时刻t,当n的数值临近故障上限N,并且结合发生故障的间隔时间T的曲线,推算出控制器A需要更换的时间区间。
更换控制器A的同时,控制器C自动切换为B的副控冗余,保持整个系统还是双冗余的高可靠性运行模式。
权利要求书1页 说明书3页 附图1页CN 107168046 A 2017.09.15C N 107168046A1.一种三冗余DCS控制系统,包括控制器A、控制器B、控制器C,其特征在于,每套控制器具有各自的故障计数器和计时器,以控制器A和控制器B组成双冗余控制系统,控制器A为主控,控制器B为副控,控制器C处于备用状态,对控制系统的数据进行保存和跟踪,当网络A出现故障,对应的控制器A从主控切换为副控,控制器B由副控升为主控,且控制器A的故障计数器A的数值n=n+1,控制器A的计时器记录下发生故障的时刻t,当n的数值临近故障上限N,并且结合发生故障的间隔时间T的曲线,推算出控制器A需要更换的时间区间,更换控制器A的同时,控制器C自动切换为B的副控冗余,保持整个系统还是双冗余的高可靠性运行模式。
(19)中华人民共和国国家知识产权局(12)实用新型专利(10)授权公告号 (45)授权公告日 (21)申请号 201920576706.0(22)申请日 2019.04.25(73)专利权人 杭州久高科技有限公司地址 310051 浙江省杭州市滨江区六和路368号一幢(北)二楼D2027室专利权人 范志东(72)发明人 范志东 (51)Int.Cl.B60L 53/14(2019.01)(ESM)同样的发明创造已同日申请发明专利(54)实用新型名称一种多功能电源控制系统(57)摘要本实用新型涉及一种多功能电源控制系统。
安装在载体内,包括动力电池模组,所述的动力电池模组连接220V充电器模块,并在所述的载体上设置220V充电端口;所述的动力电池模组连接12V正反向充电模块,并在所述的载体上设置正向充电端口和反向充电端口;所述的动力电池模组还连接12V瞬间启动模块并在所述的载体上设置瞬间启动端口。
本实用新型能直接通过市电220V对其动力电池模组进行充电,也能通过连接线将其与汽车的点烟器座进行对接,实现汽车电瓶对动力电池模组进行充电或反向对汽车电瓶进行充电,提升电池的续航能力。
还能通过12V瞬间启动模块对汽车进行搭电启动。
权利要求书1页 说明书2页 附图2页CN 209870131 U 2019.12.31C N 209870131U权 利 要 求 书1/1页CN 209870131 U1.一种多功能电源控制系统,安装在载体内,其特征在于包括动力电池模组,所述的动力电池模组连接220V充电器模块,并在所述的载体上设置220V充电端口;所述的动力电池模组连接12V正反向充电模块,并在所述的载体上设置正向充电端口和反向充电端口;所述的动力电池模组还连接12V瞬间启动模块并在所述的载体上设置瞬间启动端口。
2.根据权利要求1所述的一种多功能电源控制系统,其特征在于所述动力电池模组连接控制器,所述的正向充电端口和反向充电端口集成为一个DC端口,该DC端口与汽车点烟器座连接,所述的控制器控制切换正向充电或反向充电。
(19)中华人民共和国国家知识产权局
(12)实用新型专利
(10)授权公告号 (45)授权公告日 (21)申请号 201920485728.6
(22)申请日 2019.04.11
(73)专利权人 重庆川仪控制系统有限公司
地址 400700 重庆市北碚区蔡家岗镇蔡和
路879号
(72)发明人 裘宏波
(74)专利代理机构 上海光华专利事务所(普通
合伙) 31219
代理人 徐秋平
(51)Int.Cl.
H02J 3/00(2006.01)
H02J 9/06(2006.01)
G05B 19/418(2006.01)
(ESM)同样的发明创造已同日申请发明专利
(54)实用新型名称
一种DCS控制系统电源及DCS控制系统
(57)摘要
本实用新型提供一种DCS控制系统电源及
DCS控制系统,包括:第一输入交流电和第二输入
交流电;第一电源滤波器对第一输入交流电进行
滤波后分为三路第一子交流电;第二电源滤波器
对第二输入交流电进行滤波后分为三路第二子
交流电;第一开关电源基于第一子交流电输出第
一系统电源、第一现场电源和第一查询电源;第
二开关电源基于第二子交流电输出第二系统电
源、第二现场电源和第二查询电源相连;基于系
统电源冗余分配模块、现场电源冗余分配模块和
查询电源冗余分配模块输出系统电源、现场电源
和查询电源。
本实用新型的DCS控制系统电源及
DCS控制系统能够有效隔离现场复杂环境,抑制
干扰源,
保障DCS控制系统运行的可靠性。
权利要求书1页 说明书5页 附图1页CN 209608343 U 2019.11.08
C N 209608343
U
权 利 要 求 书1/1页CN 209608343 U
1.一种DCS控制系统电源,其特征在于:包括:
第一输入交流电和第二输入交流电;
第一电源滤波器,与所述第一输入交流电相连,用于对所述第一输入交流电进行滤波,并将滤波后所述第一输入交流电分为三路第一子交流电;
第二电源滤波器,与所述第二输入交流电相连,用于对所述第二输入交流电进行滤波,并将滤波后所述第二输入交流电分为三路第二子交流电;
与所述第一子交流电一一对应的第一开关电源,分别与所述第一子交流电相连,并输出第一系统电源、第一现场电源和第一查询电源;
与所述第二子交流电一一对应的第二开关电源,分别与所述第二子交流电相连,并输出第二系统电源、第二现场电源和第二查询电源;
系统电源冗余分配模块,分别与所述第一系统电源和所述第二系统电源相连,并输出系统电源;
现场电源冗余分配模块,分别与所述第一现场电源和所述第二现场电源相连,并输出现场电源;
查询电源冗余分配模块,分别与所述第一查询电源和所述第二查询电源相连,并输出查询电源。
2.根据权利要求1所述的DCS控制系统电源,其特征在于:还包括第一空气开关和第二空气开关,输入端分别与所述第一输入交流电和所述第二输入交流电相连,输出端分别与所述第一电源滤波器和所述第二电源滤波器相连。
3.根据权利要求1所述的DCS控制系统电源,其特征在于:所述第一输入交流电和所述第二输入交流电均为220V交流电。
4.根据权利要求1所述的DCS控制系统电源,其特征在于:所述第一电源滤波器和所述第二电源滤波器均采用EMI电源滤波器。
5.根据权利要求1所述的DCS控制系统电源,其特征在于:所述第一开关电源和所述第二开关电源均采用AC/DC开关电源。
6.根据权利要求1所述的DCS控制系统电源,其特征在于:所述系统电源用于为控制器、I/O模块总线通讯供电;所述现场电源用于为I/O模块模拟量采集电路供电;所述查询电源用于为数字量输入模块供电。
7.根据权利要求1所述的DCS控制系统电源,其特征在于:所述系统电源冗余分配模块输入4路24V直流电,输出8路并联的24V直流电。
8.根据权利要求1所述的DCS控制系统电源,其特征在于:所述现场电源冗余分配模块输入4路24V直流电,输出8路并联的24V直流电。
9.根据权利要求1所述的DCS控制系统电源,其特征在于:所述查询电源冗余分配模块输入4路24V直流电,输出8路并联的24V直流电。
10.一种DCS控制系统,其特征在于:包括权利要求1-9之一所述的DCS控制系统电源。
2。