钢丝网架水泥夹心隔墙施工工艺[详细]
- 格式:doc
- 大小:96.00 KB
- 文档页数:7
钢丝网架混凝土复合墙板施工工法钢丝网架混凝土复合墙板施工工法一、前言:钢丝网架混凝土复合墙板施工工法(以下简称“钢网墙板工法”)是一种在建筑工程中常用的砌筑墙体的施工技术。
该工法通过利用钢丝网架和混凝土结合形成的复合墙板,具有施工方便、节省材料、提高墙体强度等特点,是一种高效、经济的施工工艺。
二、工法特点:1. 构造简单:钢网墙板由钢丝网架和混凝土组成,双重结构使其具备了较高的强度和稳定性;2. 施工方便:相比传统砌筑墙体,钢网墙板的施工速度更快,工艺更简单,节约劳动力;3. 材料节约:钢网墙板采用混凝土充填钢丝网架的方式,有效地利用了材料,减少了成本;4. 抗震性能好:钢丝网墙板构造紧密,受力均匀,具有较好的抗震性能;5. 隔音隔热效果好:钢网墙板中的混凝土能够有效隔绝噪音和热传导,提供良好的隔音隔热效果。
三、适应范围:钢网墙板施工工法适用于住宅、商业建筑、工业厂房等各类建筑,尤其适合于多层建筑和大面积施工的场合。
四、工艺原理:钢网墙板的施工工法基于以下原理:1.钢丝网架与混凝土结合:在施工过程中,先按照设计要求搭建钢丝网架,然后通过混凝土浇筑的方式使其与钢丝网架结合,形成复合墙板;2. 钢丝网架增强强度:钢丝网架能够增强混凝土墙板的抗拉、抗剪性能,提高墙体整体强度;3. 混凝土填充空隙:在钢丝网架搭建完成后,通过浇筑混凝土的方式填充网格空隙,使墙体更加结实。
五、施工工艺:1. 准备工作:包括材料准备、施工现场搭建等;2. 钢丝网架搭建:按照设计要求搭建钢丝网架,确保网格的垂直度和平整度;3. 钢丝网架固定:将钢丝网架固定在墙体上,确保其稳定性;4. 混凝土浇筑:将预制的混凝土倒入钢丝网架中,用振动棒进行振捣,确保混凝土的密实性;5. 表面处理:对浇筑完成的墙板表面进行养护和修整。
六、劳动组织:根据具体工程规模和施工时间安排,合理安排工人数量和工作岗位,确保施工进程顺利进行。
七、机具设备:1. 钢丝网架加工设备:如焊机、切割机等;2. 混凝土搅拌设备:如搅拌车、混凝土搅拌机等;3. 振动棒:用于振捣混凝土,提高混凝土密实度。
钢丝网架夹心水泥墙板轻质隔墙抹灰施工工法1 前言1.1 工法概括本工法通过采用适当的加固固定、控制砂浆配合比、控制施工技术间歇时间等工艺措施,解决了“钢丝网架夹心水泥条板隔墙”在柔性网架芯板上抹灰施工难度大,质量难以控制,材料浪费较大等问题。1.2 形成过程在我公司承建的西安市人民检察院业务技术综合楼工程中,内隔墙采用了钢丝网架夹心水泥条板隔墙。施工前,项目部通过查阅现行施工技术规程、施工质量验收规范,发现相关施工技术规程尚为空白,相关施工质量验收规范中验收项目不完善,无法有效的指导施工,控制质量。另外,通过对同类工程的调查分析,发现墙体垂直度、裂缝等质量问题较多。而墙体厚度因无量化的验收标准,为降低施工难度,保证墙体垂直度、平整度,抹灰普遍较厚,材料浪费严重。项目部针对上述问题进行了分析原因、确定要因、制定对策、实施对策、效果检查等程序,总结出了一个现实可行,实践应用效果良好的施工方法。1.3 推广应用该工法现已在西安医学院8#高层住宅楼、西安通信学院1#商住楼等工程中应用,效果良好。2 工法特点就地取材,以较低的成本,简单的工艺克服钢丝网架水泥条板隔墙网架芯板的柔性特点,有效指导抹灰施工整个过程,保证了钢丝网夹心水泥条板隔墙抹灰施工的质量、进度、造价控制。3 适用范围本工法适用于钢丝网架水泥聚笨乙烯夹芯板、钢丝网架水泥岩棉夹芯板轻质隔墙板表面抹灰施工。4 工艺原理通过加固克服了在“钢丝网架夹心水泥条板隔墙”柔性网架芯板上抹灰施工难度大,质量难以控制,材料浪费较大等问题。通过控制墙体厚度,减少抹灰层厚度,避免因抹灰层过厚,易因水化收缩形成裂缝。通过控制砂浆配合比、使砂浆更容易与网架芯板结合,减少了砂浆的塌落变形,为控制抹灰层的厚度打下良好基础。通过流水施工控制施工技术间歇时间,避免了过早进行中层抹灰使基层抹灰大面积开裂,最终导致抹灰层裂缝。5 工艺流程及操作要点5.1工艺流程:图5.1 施工工艺流程图5.2 施工准备:5.2.1人力准备根据工程量及工期确定流水段数及作业人数,进行技术交底。5.2.2材料准备根据施工图纸计算抹灰所需材料数量,提出材料供应计划,按照计划分批组织材料进场。5.2.3 机具准备根据工程特点准备机械设备和抹灰工具,垂直运输设备及脚手架等,接通电源。5.2.4 技术准备1 审查图纸和制定施工方案,确定施工顺序和施工方法。2 材料试验和试配工作。3 确定花饰和复杂线脚的模型及预制项目。对于高级装饰工程,应预先做出样板(样品或标准间),并经有关单位鉴定后,方可进行。4 组织结构工程验收和工序交接检查工作。抹灰前对结构工程以及其他配合工种项目进行检查是确保抹灰质量和进度的关键,抹灰前应对以下主要项目进行检查:(1)必须经过有关部门进行结构工程质量验收,合格后方可进行抹灰工程。并弹好50cm水平线.(2)抹灰前,应检查门窗框及其它木制品是否安装齐全,位置是否正确,与墙连接是否牢固,门口高低是否符合室内水平线标高。对已安装好的门框,采用钉设板条或铁皮保护,铝合金门窗框贴好保护膜。(3)墙面预留木砖或铁件以及窗帘钩、阳台栏杆、楼梯栏杆等预埋件有否遗漏,位置是否正确;(4)水、电管线、配电箱、是否安装完毕,是否漏项;接线盒用纸堵严。管道穿越的墙洞和楼板洞,应及时安放套管,并固定牢固,水暖管道是否做好压力试验等等。(5)壁柜、门框及其他预埋铁件位置和标高应准确无误,并做好防腐、防锈处理。5.3 操作要点5.3.1加固网架芯板仅加固单面即可。加固用材料可就地取材(使用钢管,木方、型钢等),但要保证有良好的平直度及刚度,并便于固定。用铁丝将加固材料两端固定于GY板承剪件上,中间部位可用扎丝固定,但不宜绑扎过紧,避免使钢丝网变形、钢管最好与地面成30°~45°角,间距不大于800mm。加固完后及时检查,保证基层垂直度、平整度符合要求。5.3.2 抹底灰采用1:3水泥砂浆打底,水灰比宜为0.4,厚度约为15㎜。完成面高出钢丝网约2mm抹平,用大杠刮平找直,木抹子搓平搓毛。当底灰抹平后,应即把预留孔洞、电气箱、槽、盒周边5cm的砂灰浆刮掉,改抹1:1:4水泥混合砂浆,把洞、箱、槽、盒周边抹光滑、平整。5.3.3 吊直、套方、找规矩、贴灰饼分别在门窗口、墙角、垛、墙面等处用托线板检测一遍底层抹灰的垂直平整情况,并用方尺、拉通线等方法套方后,确定灰饼厚度。灰饼厚度以满足墙面抹灰的设计标准及相应施工质量验收规范规定的要求为宜,但最少不应小于7mm。墙面凹度较大时要分层操作。灰饼宜用1:3水泥砂浆做成50mm见方,水平距离约为1.2~1.5m左右。上下灰饼用托线板找垂直,水平方向用靠线板或拉通线找平,先上后下,保证上下灰饼处于同一平面内,作为冲筋的依据。5.3.4 墙面冲筋(设置标筋)根据灰饼,从水平或垂直方向各灰饼之间用与抹灰层相同的1:3水泥砂浆冲筋(标筋),反复搓平,上下吊垂直。冲筋的根数应根据房间的高度或宽度来决定,筋宽约为50mm左右。5.3.5 做护角根据灰饼和冲筋,把墙角抹出水泥护角;用1:3水泥砂浆打底,待砂浆稍干后,再用素水泥膏抹成小圆角。也可用1:2水泥砂浆做明护角,其高度不应低于2m,每层宽度不小于50㎜。5.3.6 抹中层灰待底层砂浆强度达到30%以上时,先将墙面湿润后,抹中层灰,中层灰采用1:2.5水泥砂浆,厚度7~9mm左右,抹完后用软刮尺刮抹顺平,用木抹子撮平。5.3.7 抹水泥砂浆罩面灰待中层灰至六七成干时,进行抹罩面灰工作。罩面灰采用1:2.5水泥砂浆,厚度为6~8㎜。抹灰时先薄薄的刮一道使其与底层灰抓牢,紧跟抹第二遍,用大杠刮平找直,用铁抹子压实压光。5.3.8 抹水泥踢脚板或水泥墙裙先刷掺用水量10℅的108胶水泥素浆一道,紧跟着抹1:3水泥砂浆底层,表面用木抹子搓毛,面层用1:2.5水泥砂浆压光,凸出抹灰墙面5~7㎜(要注意出墙厚度一致,上口平直、光滑)。5.3.9 养护抹完灰后注意喷水养护,防止空鼓裂缝。5.4 冬期施工5.4.1 一般只在初冬期间施工,严冬阶段不宜施工。5.4.2 冬期拌灰砂浆应采用热水拌合,运输时采取保温措施,涂抹时砂浆温度不宜低于5℃。5.4.3 砂浆抹灰层硬化初期不得受冻。6 劳动组织宜采用流水施工,根据工程量大小确定流水段数,一个流水段人数如下:加固2人,抹底灰3人,吊直、套方、找规矩、贴灰饼、墙面冲筋、做护角3人,中层、面层抹灰6人。7 材料和机具设备7.1 主要材料:7.1.1 水泥:采用32.5级及其以上普通硅酸盐水泥(简称普通水泥)。水泥强度等级应符合设计要求。宜采用同一批号的产品保证颜色一致。出场3个月后的水泥,应经试验后方能使用,受潮结块的水泥应过筛试验后方能使用。7.1.2 砂:平均粒径0.35~0.5mm的中砂,砂颗粒要求坚硬洁净,不得含有粘土、草根、树叶、碱质及其它有机物等有害物质。砂在使用前应根据使用要求过不同孔径的筛子,筛好备用。7.1.3 磨细粉煤灰:继度过0.08mm的方孔筛,其筛余量不大于5%,粉煤灰可取代水泥来拌制砂浆,其最多掺量不大于水泥用量的25%。7.1.4 其它掺合料:108胶、外加剂,其掺入量应通过试验决定。7.2 主要机具:砂浆搅拌机、5mm及2mm孔径的筛子、大平锹、小平锹,除抹灰工一般常用的铁抹子、钢皮抹子、压子、木抹子、阴阳角抹子、托灰板、刮杠、方尺、托线板等工具外,还应备有软毛刷、喷壶、小水壶、水桶、分格条、笤帚、锤子、錾子等。8 质量控制8.1 质量标准8.1.1参照《建筑装饰装修工程施工质量验收规范(GB50210-2001)》一般抹灰工程质量标准。8.1.2 根据工程特点允许偏差项目,调整见下表。注:普通抹灰,本表第3项阴角方正可不检查。8.2 易出现的质量问题及注意事项:8.2.1 垂直度、平整度差1 因钢丝网夹心水泥条板隔墙隔墙芯板较软,如抹灰前加固不当,易使底层抹灰垂直度、平整度出现较大偏差。施工前选择有良好平直度及刚度的加固材料,按规定固定可靠,保证间距要求。2 底层抹灰塌落变形大影响底层抹灰垂直度、平整度。底层宜采用中、粗砂配制1:3水泥砂浆,水灰比应采用较小值(约0.4),减少砂浆的塌落变形。3 底层抹灰时过于用力挤压会使钢丝网架产生较大变形,影响垂直度、平整度。底层抹灰时不宜用力挤压,应轻抹轻压,使砂浆能够挂网即可,然后用大杠刮平。4 塔饼、冲筋不准确也会影响抹灰层垂直度、平整度。做塔饼、冲筋时要反复检查,检测仪器要妥善保管并定期校准,保证塔饼、冲筋垂直度、平整度准确。8.2.2 抹灰层过厚:抹灰层过厚易使墙体产生裂缝等质量问题,违背了采用轻质隔墙减轻结构自重的设计意图,甚至可能对结构安全造成一定不良影响。且费工费料,增加了施工成本。1 隔墙芯板安装质量较差或底层抹灰垂直度、平整度差,为保证墙面垂直度、平整度,施工中层、面层抹灰层往往较厚,导致抹灰层整体过厚。控制抹灰层厚度,首先要通过交接检,保证隔墙芯板安装质量满足相关要求。再通过8.2.1条中相关内容控制底层抹灰垂直度、平整度。2 底层抹灰时不宜用力挤压,避免将芯板挤至一边,特别是钢丝网架水泥岩棉夹芯板,挤压后其柔性的岩棉芯板会被压薄,使一边抹灰层过厚,易导致抹灰层裂缝,而另一边抹灰层过薄影响隔墙强度。应轻抹轻压,使砂浆能够挂网即可。3 在保证垂直度、平整度及抹灰层厚度要求的基础上,抹灰层的厚度应通过冲筋进行控制,尽可能的薄。切忌一遍成活。8.2.3 抹灰层空鼓、开裂:1 钢丝网夹心水泥条板隔墙是靠钢丝网架与砂浆结合后共同作用形成具有一定强度的墙体,为保证强度,砂浆采用强度较高的水泥砂浆。含水率过高,易使水泥砂浆产生较大的水化收缩,导致开裂。应按设计要求及相关规定严格计量,控制配合比,随拌随用,严禁一次性过多搅拌,现场随意加水使用。2 因隔墙芯板为有一定柔性的材料,如底层抹灰尚未达到一定强度,中层抹灰过早施工,操作时的挤压易导致基层抹灰大面积开裂,在水化收缩、温度变化应力作用下裂缝极易发展导致整个抹灰层开裂,应根据温度情况通过流水施工严格控制中层抹灰时间。3 另外,如抹灰单层厚度过厚,因抹灰层内外水化收缩差异较大,也易导致开裂,施工时应严格控制单层抹灰厚度。8.2.4 抹灰层起泡,有明显抹纹,墙面开花:抹完罩面灰以后,还不具备早期强度,赶压工作跟得太紧,灰层没有收水,故压光后出现起泡现象。罩面灰抹完之后,灰层已具有一定硬度,手压变形不大,灰层表层水分已收干,再进行压实、赶光。底子灰过分干燥,又没有浇透水,抹罩面灰以后,水分很快被底子灰吸收,故压光时容易出现抹纹和漏压。当底灰五、六成干时应开始抹罩面灰,如过于干燥要适当喷水。赶压罩面灰应掌握好时间,消除抹纹。8.2.5 抹灰表面不平,阴阳角不垂直、不方正:其原因主要是抹灰前挂线、做灰饼、冲筋不认真,出现阴阳角不顺直、不方正。抹灰前应用托线板、靠尺对抹灰墙面尺寸预测摸底,安排好阴阳角不同两个面的灰层厚度和方正,认真做好灰饼、冲筋。阴阳角处用方尺套方。做到阴阳角方正。8.2.6 脚板和水泥墙裙、窗台板上口出墙厚度不一致,上口毛刺,口角不方正,根部出现八字形歪斜:主要原因是操作不细,不按规定吊墙面的垂直度,不套方、不拉通线找直、找规矩。改进办法:操作时按工序要求认真吊线、套方、找直。用反尺将上口刮平、压实、赶光。削直根部,使之方正、顺直。8.2.7 管道背后抹灰不平、不光,管根空裂,暖气槽两侧上下抹灰不通顺:改进办法是,管线过墙按规定放套管,凡有管道设备的部位安装之前应提前抹好灰,并清扫干净。槽、垛按尺寸吊直、找平、压光。收边整齐,不甩零活。9 安全与环境保护9.1 安全注意事项9.1.1 操作前应检查脚手架或高凳是否牢固平稳,脚手板不得少于两块,脚手架不得留探头板,脚手板跨度不得超过有关规定,脚手板上不得超载。灰粉应分散并平稳地布置在脚手板上。9.1.2 禁止脚手架上放木橙、木梯进行操作,如脚手架高度不够,应重新搭设,严禁搭设飞跳板。9.1.3立体交叉作业时,上下层之间应有可靠的隔层防护措施。9.2 环境保护注意事项:9.2.1 运输车辆应严格遵守交通法规,在拐弯处、人流密集的场所应减速慢行,避免交通事故,抛撒及扬尘扰民。9.2.2 减少上下班高峰期运输,避免对周边交通带来压力9.2.3 在大门口应设置洗车处,必要时对出入车辆进行冲洗,以免对城市环境造成废弃物抛撒及扬尘污染。9.2.4 洗车处及砂浆搅拌机附近应设置沉淀池,分别对冲洗车辆及砂浆机的泥砂进行沉淀,定期清理,防止淤泥堵塞市政管网。9.2.5 水泥采用专库室内存放,卸运时采取有效措施;砂等散装材料要覆盖,减少扬尘污染。10 效益分析应用本工法虽比常规抹灰增加了一道加固工序,但“磨刀不费砍材工”,其降低了抹灰作业的难度,一定程度上提高了工效。确保了抹灰层的垂直度、平整度,特别是对墙体厚度和结构自重起到了很好控制作用。比常规施工节约砂浆,减少了对自然资源的占用。11 工程实例应用本工法的工程情况及应用效果如下:11.1西安市人民检察院工程,位于西安市北二环,2005年03月开工,计划于2008年8月竣工。本工法应用效果良好,中丝网夹心水泥条板隔墙抹灰面积约17000m2,经检验,质量符合要求。克服了钢丝网夹心水泥条板隔墙抹灰工程的施工难度,避免了裂缝、垂直度差等质量通病,并保证了墙体厚度,减少了砂浆用量,减轻了建筑自重。经测算,每平方米降低造价2元,共节约费用:17000×2=34000元。本工程先后获得“陕西省省级文明工地”和“国家级文明工地”称号,通过“陕西省优质结构工程”认定、计划质量目标为陕西省建设工程“长安杯”奖(省优质工程)11.2 西安通信学院1#商住楼工程,位于西安市丈八东路,2006年11月开工,计划于2008年8月竣工。该工程应用轻质隔墙抹灰施工工法,施工抹灰面积4000m2,经检验,轻质隔墙抹灰无裂缝、平整,质量符合要求。11.3 西安医学院8#高层住宅楼工程,位于西安市含光南路,本工程应用轻质隔墙抹灰施工工法,施工抹灰面积2000m2,经检验,轻质隔墙抹灰无裂缝、平整,质量符合要求。。
钢丝网架水泥夹心隔墙施工工艺依据标准:《建筑工程施工质量验收统一标准》GB50300《建筑装饰装修工程施工质量验收规范》GB502101、范围本工艺标准适用于民用建筑中钢丝网架水泥夹心隔墙工程施工。
2、施工准备2.1材料及工具:2.1.1钢丝网架夹心板(GJ板):2.1.1.1钢丝岗架夹心板(GJ板)的规格见表9-17。
2.1.1.4聚苯乙烯泡沫塑料:表面密度15kg/m3±1kg/m3;阻燃型(ZR型),氧指数≥30,其余应符合GB10801的规定。
2.1.1.5钢丝网架夹心板(GJ板)的技术要求:a.GJ板每平方米面积的重量应不大于4kg。
b.GJ板的表面和外观质量应符合表9-20的规定。
2.1.2.1夹心板拼缝处加固件:之字条、网片等。
2.1.2.2板端、门窗洞口加固件:槽网、之字条、ф6、ф10钢筋等。
2.1.2.3阴、阳角加固件:角网等。
2.1.2.4夹心板与地面、顶面、墙、柱面的连接件。
U形连接件:用d4.5×L37(mm)射钉固定或用M8膨胀螺栓固定。
也可打孔插ф6钢筋作连接件。
2.1.2.5埋件:预埋铁件、预埋木砖等,用于门窗框连接。
2.1.322号铅丝、箍码等,用于夹心板拼缝加固及连接件的绑扎、紧固。
2.1.4水泥砂浆:底层抹灰:1:3水泥砂浆,用32.5号水泥、中砂,内掺水泥重量1%的EC砂浆抗裂剂。
中层及罩面抹灰1:3水泥砂浆,用325号水泥,可掺水泥重量20%的灰膏、中砂。
2.1.5EC-1表面防裂剂,用量为5~8m2/kg。
2.1.6凡未镀锌的配件及锚筋,一律刷防锈漆两道作防锈处理。
2.1.7工具:冲击钻:用于钻孔用膨胀螺栓固定U形连接件。
射钉枪:用于用射钉固定U形连接件。
气动钳:紧固箍码的专用工具。
蛇头剪(或称大剪刀):用于剪裁夹心板。
砂轮锯:13″架配12″轮碟,用于剪裁夹心板。
其它常用工具:小功率焊机、手电钻、活动扳手及常用施工工具。
2.2作业条件:2.2.1主体结构已验收,屋面已作完防水层。
钢丝网架混凝土复合墙板施工工法钢丝网架混凝土复合墙板施工工法一、前言钢丝网架混凝土复合墙板是一种新型的建筑材料,采用钢丝网为骨架,搭配混凝土砂浆浇注而成。
它具有轻质、高强度、耐火、保温隔热、抗震等特点,因此在建筑工程中得到广泛应用。
本文将介绍钢丝网架混凝土复合墙板施工工法,包括其特点、适应范围、工艺原理、施工工艺、劳动组织、机具设备、质量控制、安全措施和经济技术分析,并通过一个工程实例来说明其实际应用。
二、工法特点钢丝网架混凝土复合墙板具有以下特点:轻质、高强度、施工速度快、耐火性能好、保温隔热性能优异、抗震性能好、施工简便等。
三、适应范围钢丝网架混凝土复合墙板适用于多种建筑工程,包括公寓楼、别墅、厂房、商业建筑、仓库、桥梁等。
特别适用于对建筑重量有要求,或在防火、隔热、抗震等方面有特殊要求的工程。
四、工艺原理钢丝网架混凝土复合墙板的工艺原理是通过钢丝网作为骨架,将混凝土砂浆浇注在其上使其固化而成。
钢丝网起到增强混凝土结构的作用,使墙板具有高强度。
五、施工工艺钢丝网架混凝土复合墙板的施工工艺包括:布置施工位置、制作钢丝网骨架、安装和固定钢丝网、浇注混凝土砂浆、表面处理等。
具体工艺将通过一个工程实例来详细介绍。
六、劳动组织钢丝网架混凝土复合墙板的施工需要合理的劳动组织,包括施工人员的配置和分工、材料的准备和运输、机具的调度等。
合理的劳动组织能够保证施工进度和效率。
七、机具设备钢丝网架混凝土复合墙板的施工需要一定的机具设备,包括电焊机、剪切机、振动器、混凝土搅拌机等。
这些机具设备的特点、性能和使用方法将通过实例来介绍。
八、质量控制钢丝网架混凝土复合墙板的施工过程中需要进行严格的质量控制,包括钢丝网骨架的质量检验、混凝土配合比的控制、浇注砂浆的均匀性等。
这些控制措施能够确保施工过程中的质量达到设计要求。
九、安全措施钢丝网架混凝土复合墙板的施工过程中需要注意安全事项,包括施工人员的安全防护、机具设备的使用安全等。
钢丝网架水泥夹心隔墙施工1 范围本工艺标准适用于民用建筑中钢丝网架水泥夹心隔墙工程施工。
2 施工准备2.1 材料及工具:2.1.1 钢丝网架夹心板(GJ板):2.1.1.1 钢丝网架夹心板(GJ板)的规格见表9-17。
GJ板的规格表9-172. “T、TZ、S°为GJ板的三种类型。
2.1.1.2 镀锌低碳钢丝,其性能指标见表9-18。
2.1.1.3 低碳钢丝,其性能指标见表9-19。
镀锌低碳钢丝的性能指标表9-18注:其它性能应符合GB9972的要求。
低碳钢丝的性能指标表9-19注: 1. 其余性能应符合GB 343的要求。
2. 未镀锌低碳钢丝不能用于岩棉夹心板。
2.1.1.4 聚苯乙烯泡沫塑料:表现密度15kg/m3±1kg/m3;阻燃型(XR型),氧指数≥30,其余应符合GB10801的规定。
2.1.1.5 钢丝网架夹心板(GJ板)的技术要求:a. GJ板每平方米面积的重量应不大于4kg。
b. GJ板的表面和外观质量应符合表9-20的规定。
GJ板的表面和外观质量表9-20c. GJ板的规格尺寸允许偏差见表9-21∶2.1.2 钢丝网架夹心板主要配套件:2.1.2.1 夹心板拼缝处加固件:之字条、网片等。
2.1.2.2 板端、门窗洞口加固件:槽网、之字条、φ6、~φ10钢筋等。
2.1.2.3 阴、阳角加固件:角网等。
GJ板的规格尺寸允许偏差表9-212.1.2.4 夹心板与地面、顶面、墙、柱面的连接件。
U形连接件:用d4.5×L37(mm)射钉固定或用M5膨胀螺栓固定。
也可打孔插φ6钢筋作连接件。
2.1.2.5 埋件:预埋铁件、预埋木砖等,用于门窗框连接。
2.1.3 22号铅丝、箍码等,用于夹心板拼缝加固及连接件的绑扎、紧固。
2.1.4 水泥砂浆:底层抹灰:1∶3水泥砂浆,用425号水泥、中砂,内掺水泥重量l%的EC砂浆抗裂剂。
中层及罩面抹灰:1∶3水泥砂浆,用325号水泥,可掺水泥重量20%的灰膏、中砂。
钢丝网架水泥夹心隔墙施工鍙戝竷鏃堕棿:2006-11-08 16:28 浣滆€? admin 鏉ユ簮:瀛椾綋: 灏?/a> 涓?/a〉澶?/a〉| 涓婁竴绡?/a〉涓嬩竴绡?/a〉|鎵撳嵃钢丝网架水泥夹心隔墙所用主要材料为钢丝网架夹心板(GJ板),该板用低碳钢丝,中间夹聚苯乙烯泡沫塑料。
安装后板的两边抹水泥砂浆。
具有安装简便等优点,其保温、隔热、隔声、防潮性能较好,因此应用较广,但是湿作业问题没有得到解决。
钢丝网架水泥夹心隔墙所用钢丝网架夹心板、EC砂浆防裂剂、EC-1表面防裂剂应符合设计要求和有关标准的规定;连接应牢固;无脱层、空鼓和裂缝等缺陷;墙面应平整、垂直,表面光滑、洁净,颜色均匀,无抹纹,线角和灰线平直方正、清晰美观;孔洞、槽、·盒尺寸正确,边缘整齐、光滑;门窗框与墙体缝隙填塞密实,表面平整.禁忌19 隔断安装位置不正确。
后果由于弹线位置不准或弹线位置虽准,但未按线施工,造成安装位置不准,由于偏移形成相邻房间大小不一,甚至不方正,洞口位置偏移,有的甚至影响各种管线位置.措施(1)按设计的墙的轴线位置,在地面、顶面、侧面弹出墙的中心线和墙的厚度线,划出门窗洞的位置。
(2)当设计有要求时,按设计要求确定埋件位置,当设计无明确要求时,按400mm间距划出连接件或锚筋的位置。
(3)位置线弹好后,要进行认真的验线.(4)严格按所弹的位置线施工。
(5)隔断安装完后再进行一次检查,确认无误后再进行抹砂浆。
禁忌20 未认真配置钢丝网架夹心板及配套件。
后果由于未认真配置钢丝网架夹心板及配套件,造成安装尺寸不合格、不牢固及影响墙面的平整度和垂直度,影响安装质量。
措施 (1)严格按设计要求配钢丝网架夹心板及配套件。
(2)隔墙高度小于4m时,宜整板上墙。
拼板时应错缝拼接。
隔墙高度或长度超过4m时应按设计要求增设加强柱。
(3)有转角的隔墙,在墙的拐角处和门窗洞口处应用整板;要裁剪的配板,应放在与结构墙、柱接合处;所剪裁的板的边缘宜为一根整钢丝,以便拼缝处用22号钢丝绑扎固定.(4)各种配套用的连接件、加固件、埋件要配齐.凡未镀锌的铁件要刷防锈漆两道作为防锈处理。
简述钢丝网架夹心板隔墙施工工艺流程The construction process of steel wire mesh sandwich panel partition wall involves several steps.Firstly, the area where the partition wall will be constructed needs to be measured and marked according to the design drawings. This step ensures accurate positioning and alignment for the installation of the steel wire mesh frame.需要根据设计图纸测量和标注隔墙施工区域的位置。
这一步确保了钢丝网架的准确定位和对齐。
Next, the steel wire mesh frame is assembled and installed. The frame consists of vertical steel studs, horizontal tracks, and other necessary components. The studs are anchored to the floor and ceiling while tracks are secured at both ends of the wall section. This step requirescareful leveling and adjustment to ensure a stable and straight structure.接下来,进行钢丝网架的组装和安装。
该架由垂直方向的钢龙骨、水平轨道以及其他必要的构件组成。
将龙骨固定在地板和天花板上,同时在墙体部分两端固定轨道。
钢索配管、配线1 范围本工艺标准适用于室内照明钢索配管、配线工程。
2 施工准备2.1 材料要求:2.1.1 绝缘导线:导线的规格、型号必须符合设计要求,并有产品合格证。
2.1.2 钢索:采用钢铰线做为钢索,其截面积应根据实际跨距、荷重及机械强度选择,最小截面不小于10mm2。
且不得有背扣、松股、断股、抽筋等现象。
如采用镀锌圆钢做为钢索,其直径不应小于10mm。
2.1.3 镀锌圆钢吊钩:圆钢的直径不应小于5mm。
2.1.4 镀锌圆钢耳环:圆钢的直径不应小于10mm。
耳环孔的直径不应小于30mm,接口处应焊死,尾端应弯成燕尾。
2.1.5 镀锌铁丝:应顺直无背扣、扭接等现象,并具有规定的机械拉力。
2.1.6 扁钢吊架:应采用镀锌扁钢,其厚度不应小于1.5mm,宽度不应小于20mm,镀锌层无脱落现象。
2.1.7 绑线:应采用与导线线芯同材质的塑料绝缘绑线。
2.1.8 塑料护套线:导线的规格、型号必须符合设计要求,并有产品合格证。
2.1.9 螺旋接线钮:应根据导线截面和导线的根数选择相应型号的加强型绝缘钢壳螺旋接线钮。
2.1.10 LC安全型压接帽有关要求请见3—8、3.5节有关内容。
2.1.11 套管:套管有铜套管、铝套管及铜铝过渡套管三种,选用时应采用与导线材质规格相应的套管。
2.1.12 接线端子(接线鼻子):选用时应根据导线的根数和总截面选择相应规格的接线端子。
2.1.13 铁制盒:安装螺丝孔齐全,扣纹清晰,紧固螺丝的直径应为5mm。
盒子不应劈裂、变形、损坏,镀锌层及防腐油漆完整不脱落。
2.1.14 塑料明装盒:适用于塑料管明敷配线工程使用,其材质应均匀无劈裂,盒子无变形、变色等损坏现象。
2.1.15 镀锌材料:花篮螺栓、钢索卡子、心形环、扁钢、圆钢、角钢、机螺丝、螺母、弹簧垫圈、垫圈、抱箍、方铁垫。
2.1.16 辅助材料;橡皮绝缘带、粘塑料绝缘带、黑胶布、电焊条、焊锡、焊剂、铝卡子、氧气、乙炔、防锈漆、调合漆、砂布等。
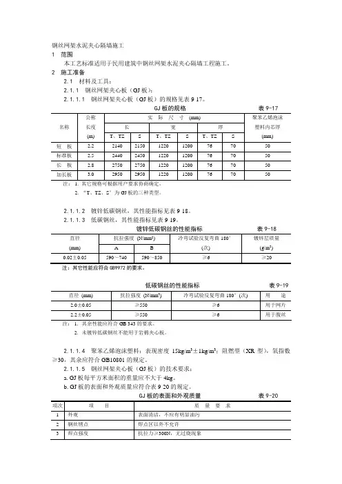
钢丝网架水泥夹心隔墙施工1 范围本工艺标准适用于民用建筑中钢丝网架水泥夹心隔墙工程施工。
2 施工准备2.1 材料及工具:2.1.1 钢丝网架夹心板(GJ板):2.1.1.1 钢丝网架夹心板(GJ板)的规格见表9-17。
GJ板的规格表9-172. “T、TZ、S°为GJ板的三种类型。
2.1.1.2 镀锌低碳钢丝,其性能指标见表9-18。
2.1.1.3 低碳钢丝,其性能指标见表9-19。
镀锌低碳钢丝的性能指标表9-18注:其它性能应符合GB9972的要求。
低碳钢丝的性能指标表9-19注: 1. 其余性能应符合GB 343的要求。
2. 未镀锌低碳钢丝不能用于岩棉夹心板。
2.1.1.4 聚苯乙烯泡沫塑料:表现密度15kg/m3±1kg/m3;阻燃型(XR型),氧指数≥30,其余应符合GB10801的规定。
2.1.1.5 钢丝网架夹心板(GJ板)的技术要求:a. GJ板每平方米面积的重量应不大于4kg。
b. GJ板的表面和外观质量应符合表9-20的规定。
GJ板的表面和外观质量表9-20c. GJ板的规格尺寸允许偏差见表9-21∶2.1.2 钢丝网架夹心板主要配套件:2.1.2.1 夹心板拼缝处加固件:之字条、网片等。
2.1.2.2 板端、门窗洞口加固件:槽网、之字条、φ6、~φ10钢筋等。
2.1.2.3 阴、阳角加固件:角网等。
GJ板的规格尺寸允许偏差表9-212.1.2.4 夹心板与地面、顶面、墙、柱面的连接件。
U形连接件:用d4.5×L37(mm)射钉固定或用M5膨胀螺栓固定。
也可打孔插φ6钢筋作连接件。
2.1.2.5 埋件:预埋铁件、预埋木砖等,用于门窗框连接。
2.1.3 22号铅丝、箍码等,用于夹心板拼缝加固及连接件的绑扎、紧固。
2.1.4 水泥砂浆:底层抹灰:1∶3水泥砂浆,用425号水泥、中砂,内掺水泥重量l%的EC砂浆抗裂剂。
中层及罩面抹灰:1∶3水泥砂浆,用325号水泥,可掺水泥重量20%的灰膏、中砂。
钢丝网隔墙工程施工一、工程概述钢丝网隔墙工程是指采用钢丝网架珍珠岩板、钢丝网架水泥夹芯板等新型墙体材料进行墙体隔断的施工工程。
与传统墙体材料相比,钢丝网隔墙具有施工方便、进度快、自重轻、强度高、防火、保温、隔热、抗震等优点,且能有效提高建筑物使用面积。
本文将以钢丝网架珍珠岩板隔墙为例,详细介绍钢丝网隔墙工程施工过程。
二、施工准备1. 材料准备:钢丝网架珍珠岩板、配套连接件、预埋件、水泥、砂、珍珠岩等。
2. 工具准备:电钻、射钉枪、扳手、切割工具、吊线锤、水平尺、直角尺等。
3. 作业环境:现场应清理干净,无杂物、无油污,电源、水源应保证充足。
三、施工过程1. 放线:根据设计图纸,使用吊线锤、水平尺等工具,在墙体上弹出垂直和水平的控制线,作为钢丝网架珍珠岩板的安装基准。
2. 配板:根据墙体尺寸,选择合适的钢丝网架珍珠岩板。
板材应符合国家相关标准,表面应平整、无裂缝、无破损。
3. 安装预埋件:在墙体预留的预埋件位置,按照设计要求安装预埋件,预埋件应牢固、平整。
4. 安装钢丝网架珍珠岩板:(1)首先安装一侧的钢丝网架珍珠岩板,确保板材与墙体垂直、水平。
(2)使用射钉枪将钢丝网架珍珠岩板与预埋件固定,射钉间距宜控制在150-200mm。
(3)安装另一侧的钢丝网架珍珠岩板,确保两侧板材平行、连接牢固。
5. 门窗洞口加固:在门窗洞口处,根据设计要求安装加固件,确保洞口稳定、密封。
6. 检查校正:对已安装的钢丝网架珍珠岩板进行检查,调整板材的垂直度和水平度,确保墙面整体平整。
7. 抹灰:在钢丝网架珍珠岩板表面抹一层水泥砂浆,厚度宜控制在5-10mm。
抹灰应均匀、平整,待抹灰层干燥后,进行下一道工序。
8. 面层装修:根据设计要求,进行墙面涂料、壁纸等面层装修。
四、质量控制1. 钢丝网架珍珠岩板应符合国家相关标准,表面应平整、无裂缝、无破损。
2. 安装过程中,应确保钢丝网架珍珠岩板与预埋件连接牢固,垂直度和水平度符合设计要求。
钢丝网架水泥岩棉轻总一概述钢丝网架水泥岩棉轻质夹芯板,是由生产企业在工厂内把镀锌低碳冷拨钢丝焊成一个三维空间网架,中间填充岩棉板保温芯材经加工成坯板车,运至建筑工程现场由施工单位安装,并在钢丝网架岩棉夹芯坯板两面抹或喷涂水泥砂浆形成完整的建筑板材,称之为钢丝网架水泥岩棉轻质夹芯板。
总厚度根据岩棉板内芯厚度和水泥砂浆面层厚度确定,约为100~140mm。
板的两侧外层承受拉力或压力,中间的岩棉板减轻自重提高保温,其表面还可以喷涂各种涂料,黏贴瓷砖、马赛克等装饰块材。
这种复合板材能够有效的利用各层材料,其性能具有强度高、体轻、保温、隔热、隔声防火及抗震等优点,符合建筑节能及环保的要求。
本图集依据行业标准,结合国家相关的规范、标准及在工程应用重切实可行、安全可靠的常用技术和施工方法,经归纳整理编制成册,供设计、施工、监理和生产厂家使用。
二、适用范围本图集适用于非抗震区及抗震设防烈度≤7度地区中新建、改建、扩建的工业和民用建筑的非承重围护外墙、内隔墙、隔断及框架结构内填充墙。
三、编制依据1、《公共建筑节能设计标准》GB50189—2005质夹芯板构造说明2、《贵州省居住建筑节能设计标准》DB22/48—20053、《钢丝网架水泥聚苯乙烯夹芯板》GB50189—20054、《建筑装饰装修工程质量验收规范》GB50210-20015、《建筑工程施工质量验收统一标准》GB50300—2001四、编制内容1、本图集以贵州新型保温材料厂生产的钢丝网架水泥岩棉夹芯复合板规格及技术参数进行编制。
2、本图集以钢丝网架水泥岩棉轻质夹芯板墙体为编制内容。
3、墙体规格尺寸(mm)高度:按楼层层间高度,一般建筑≤4200,(净空高度≥3600时,墙体内应采取加强措施,具体见工程设计);墙体顶端为自由端时≤2500,墙顶应按设钢筋混凝土压顶。
长度:≤5000,超过部分时应采取加强措施,具体见工程设计.长度方向端部为自由端时,按设构造柱。
新型珍珠岩钢丝网架夹芯板隔墙施工工法新型珍珠岩钢丝网架夹芯板隔墙施工工法一、前言随着建筑业的不断发展,传统的砖混结构已不能满足人们对于建筑安全、环保、耐久性和舒适性的要求。
因此,新型珍珠岩钢丝网架夹芯板隔墙施工工法应运而生。
本文将从工法特点、适应范围、工艺原理、施工工艺、劳动组织、机具设备、质量控制、安全措施、经济技术分析和工程实例等方面进行详细介绍。
二、工法特点新型珍珠岩钢丝网架夹芯板隔墙施工工法具有以下特点:1. 轻质化:珍珠岩钢丝网架夹芯板是一种轻质材料,具有较轻的重量,能够减轻楼体载荷,提高整体结构的安全性。
2. 隔热隔音性能:珍珠岩钢丝网架夹芯板具有优良的隔热隔音性能,可以有效降低墙体传导的热量和声波,提高室内的舒适度。
3. 施工速度快:采用钢丝网架夹芯板隔墙施工工法,施工速度明显提高,节约了大量的人力和时间成本。
4. 环保节能:珍珠岩钢丝网架夹芯板具有良好的环保性能,不会释放有害物质,有效减少建筑物对自然资源的消耗。
三、适应范围新型珍珠岩钢丝网架夹芯板隔墙施工工法适用于工业厂房、商业建筑、住宅楼等多种建筑类型。
尤其适用于狭长空间的隔墙施工,如卫生间、厨房等区域。
四、工艺原理新型珍珠岩钢丝网架夹芯板隔墙施工工法是通过珍珠岩钢丝网架夹芯板的拼接和固定来形成墙体。
珍珠岩钢丝网架夹芯板是由珍珠岩夹芯板和钢丝网架组合而成,具有良好的抗压性和抗拉强度。
施工过程中,首先根据设计要求进行墙体定位和沉降处理,然后将珍珠岩钢丝网架夹芯板进行拼接,再采用专用的连接件进行固定。
五、施工工艺1. 墙体定位和沉降处理:根据建筑设计要求,确定墙体的位置,进行沉降处理,确保墙体线形的准确性和稳定性。
2. 珍珠岩钢丝网架夹芯板拼接:将珍珠岩钢丝网架夹芯板按照设计要求进行拼接,确保板材之间的连接紧密,无缝隙。
3. 固定连接:利用专用连接件将珍珠岩钢丝网架夹芯板固定在墙体定位处,确保墙体的稳定性和承载能力。
4. 补充材料处理:根据需要,对拼接部位进行补充材料处理,使整个墙体表面平整、光滑。
第1篇一、施工准备1. 材料准备:钢丝网、水泥、砂子、钢筋、模板、密封膏、保温材料等。
2. 工具准备:切割机、搅拌机、水准仪、线锤、电焊机、卷尺、刷子等。
3. 人员准备:施工人员、技术员、质检员等。
二、施工工艺1. 放线定位:根据设计图纸,确定隔墙位置,使用水准仪和线锤进行放线定位。
2. 钢筋绑扎:在隔墙两侧,按照设计要求,绑扎钢筋,确保钢筋间距和锚固长度符合规范。
3. 模板安装:根据放线定位,安装模板,模板间距应均匀,确保墙体厚度一致。
4. 水泥砂浆搅拌:按照配合比,将水泥、砂子等材料搅拌均匀,确保砂浆质量。
5. 浇筑水泥砂浆:将搅拌好的水泥砂浆倒入模板内,使用振动棒进行振动,确保砂浆密实。
6. 钢丝网安装:在水泥砂浆初凝后,将钢丝网铺设在墙体两侧,确保钢丝网与模板紧贴。
7. 水泥砂浆抹面:在钢丝网铺设完成后,对墙体进行水泥砂浆抹面,抹面厚度应符合设计要求。
8. 保温材料安装:在墙体抹面完成后,根据设计要求,安装保温材料,确保保温效果。
9. 隔墙验收:在施工过程中,对隔墙的厚度、平整度、垂直度等指标进行检验,确保施工质量。
三、施工注意事项1. 钢筋绑扎时,确保钢筋间距和锚固长度符合设计要求,避免因钢筋绑扎不当导致墙体开裂。
2. 模板安装应牢固,避免因模板移位或损坏导致墙体变形。
3. 水泥砂浆搅拌应均匀,确保砂浆质量,避免因砂浆质量不均导致墙体开裂。
4. 浇筑水泥砂浆时,确保砂浆密实,避免因砂浆不密实导致墙体空鼓。
5. 钢丝网安装应紧贴模板,避免因钢丝网安装不当导致墙体开裂。
6. 水泥砂浆抹面应平整,避免因抹面不平导致墙体表面不平整。
7. 保温材料安装应牢固,避免因保温材料松动导致墙体保温效果下降。
8. 施工过程中,加强施工人员的安全教育,确保施工安全。
四、施工总结钢丝网隔墙工程施工过程中,严格按照设计要求和施工规范进行操作,确保施工质量。
在施工过程中,注重细节,严格控制施工质量,确保隔墙的稳定性和美观性。