基础工程双柱式桥墩钻孔灌注桩课程设计
- 格式:docx
- 大小:245.12 KB
- 文档页数:32
桥墩钻孔灌注桩课程设计指导书常水位标高:11m荷载取值:每根桩顶处:两跨汽车活载反力N5=841.39KN,两跨人群活载反力N5r=56.77KN;一跨汽车活载反力N6=639.14KN,一跨人群活载反力N6r=28.39KN,弯矩可由支座偏心0.25m 计算;制动力H=30KN;纵向风力:盖梁部分2.6KN;对桩顶力臂6.55m墩身部分2.5KN;对桩顶力臂3.00m盖梁和柱均采用C30混凝土,fcd = 13.8MPa, fck=20.1MPa, Eh=3.00×104MPa。
桩基采用C25混凝土,fcd =11.5MPa, fck=16.7MPa, Eh=2.80×104MPa。
一、桩长及桩底标高的确定:(最不利布置取两跨活载)根据地基土基本资料该处桩基经过土层包含两层,均为黏性土,暂不考虑浮力。
钻孔灌注桩基础成孔直径为设计直径增加5cm,在按照《公路桥涵地基与基础设计规范》(JTG 63-2007)第5。
3。
3条公式确定承载力时按成孔直径计算桩的周长。
最大冲刷线以下桩身自重与置换土的重量的差值[(γ桩-γ土)*A*h)]作为外荷载考虑。
由单桩受到的全部竖向荷载Nh等于桩的轴向受压承载力容许值[Ra],得到桩长,取稍大于上述值的数值作为桩长,并确定桩底标高,并验算实际桩长时抗力系数取1.25, 若1.25*[Ra]>Nh,即满足要求。
二、桩的内力计算1.确定桩的计算宽度b12.计算桩的变形系数:参见《公路桥涵地基基础设计规范》(JTG 63-2007)附录P 。
3. 计算墩柱顶的外力,,i i i P Q M 及最大冲刷线(局部冲刷线)处的桩上的外力000,,P Q M (最不利布置取一跨活载),先求墩顶处的外力,再换算到局部冲刷线处。
上述外力计算时需要进行荷载组合(参见《通用规范》18页),取承载能力极限状态的基本组合,结构重力的分项系数取1.2;汽车荷载效应的分项系数取1.4,风荷载的分项系数取1.1,人群荷载的分项系数取1.4,本设计中考虑了汽车荷载,人群荷载,风荷载,制动力,注意组合系数的选取(0.8;0.7;0.6)。
目录1 设计任务书 (3)1.1 设计目的 (3)1.2 设计任务 (3)1.2.1 设计资料 (3)1.2.2 地质资料 (3)1.2.3 材料 (4)1.2.4 基础方案 (4)1.2.5 计算荷载 (4)1.2.6 设计要求 (6)1.3 时间及进度安排 (6)1.4 建议参考资料 (6)2 设计指导书 (8)2.1 拟定尺寸 (8)2.2 荷载设计及荷载组合 (8)2.2.1 荷载计算 (8)2.2.2桩顶荷载计算及桩顶荷载组合 (8)2.3 桩基设计计算与验算 (10)2.3.1桩长确定及单桩承载能力验算 (10)2.3.2桩身内力及配筋计算 (11)2.3.3单桩水平位移及墩台水平位移验算 (12)3 设计计算书 (13)3.1 设计拟定尺寸 (13)3.2 荷载计算及荷载组合 (13)3.3 桩基设计计算与验算 (14)3.3.1 承载能力极限状态荷载组合 (14)3.3.2 正常使用极限状态荷载组合 (17)3.4 桩基设计与验算 (20)3.4.1 桩长与单桩承载力验算 (20)3.4.2 桩的内力计算 (21)3.4.3 桩身配筋计算 (24)4 钢筋构造图 (29)4.1 钢筋用量计算 (29)4.1.1 纵筋用量计算 (29)4.1.2 普通箍筋用量计算 (29)4.1.3 横系梁主筋用量计算 (29)4.1.4 横系梁箍筋用量计算 (29)4.1.5 加劲箍筋用量计算 (29)4.1.6 定位钢筋用量计算 (30)4.1.7 伸入横系梁箍筋用量计算 (30)4.1.8 钢筋总用量 (30)4.2 配筋图 (30)4.3 三视图 (30)4 参考文献 (31)1 双柱式桥墩钻孔灌注桩设计任务书1.1 设计目的: 通过本课程设计,掌握承受竖向和水平力作用的单排桩基础的设计与计算,对相应规范有一定的了解。
1.2 设计任务: 1.2.1 设计资料:我国某公路桥墩采用桩(柱)式桥墩,初步拟定尺寸如下图所示。
基础工程20XX年6月27日c) 制动力 T=45.00 kN,对桩顶力臂6.197m; d)纵向风力:盖梁W 1=2.65 kN,对桩顶力臂5.45m 墩身W 2=2.35 kN, 对桩顶力臂2.45m;地质条件:(为方便学生查教材上图表及一生一题,地质条件与实际工程不同) 最大冲刷线于河床下2.8m,地基土上层为硬塑黏性土, 地基土比例系数m =15000kN/m 4, 桩周极限侧摩阻力τ=55 kPa ,下层为密实粉砂,[δ0]=327kPa ,桩周极限侧摩阻力τ=87 kPa;地基土平均有效重度γ1=8.0 kN/m 3(已考虑浮力)。
二.确定每根桩桩顶受力P 、Q 、M 及地面或局部冲刷线处的横向荷载Q 和M 。
根据《公路桥涵地基与基础设计规范》(JTG D60-20XX )第1.0.5条,按承载能力极限状态要求,结构构件自身承载力应采用作用效应基本组合验算。
根据《公路桥涵设计通用规范》(JTG D60-20XX )第4.1.6条。
恒载分项系数取1.2,活载作用的分项系数取1.4,风荷载分项系数取1.1,当除汽车荷载外尚有两种可变作用参与组合时,其组合系数取0.7,当除汽车荷载外尚有三种可变作用参与组合时,其组合系数取0.6。
P=1.2×(834.53+183.1)+1.4×409.21=1794.05(kN) Q=0.7×(1.4×45+1.1×2.65)=46.14(kN)M=1.4×126+0.7×{1.4×45×(6.197-4.9)+1.1×[2.65×(5.45-4.9)-2.35× (4.9-2.45)]}=239.15(kN) 换算到局部冲刷线处:Q O =0.7×[1.4×45+1.1×(2.65+2.35)]=47.95(kN)M 0=1.4×126+0.7×[1.4×45×(6.197+4。
第二部分 钻孔灌注桩、双柱式桥墩的计算第一节 设计资料一、设计标准及上部构造 设计荷载:城-A;桥面净空:净-7.75附(0.35+0.5)m 安全道; 标准跨径:l b =20m ,梁长19.96m ; 上部构造:钢筋混凝土T梁。
二、水文地质条件 见地质报告。
三、材料钢筋:盖梁主筋用II 级钢筋,其它均用I 级钢筋;混凝土:盖梁用30号,墩柱、系梁及钻孔灌注桩用25号。
四、计算方法:极限状态法。
五、桥墩尺寸:考虑原有标准图,选用如图2-1所示结构尺寸。
六、设计依据:《公路桥梁设计规范》; 《公路桥涵设计通用规范》; 《城市桥梁设计荷载标准》。
第二节 盖梁计算一、荷载计算1、上部构造恒载见表2-1。
2、盖梁自重及内力计算(图2-2)见表2-2。
图2-1 (尺寸单位:cm)表2-1盖梁自重及产生的弯矩剪力计算 表2-2q 1+q 2+q 3+q 4+q 5=113.10kN 3、活载计算图2-2 (尺寸单位:cm)(1)活载横向分布系数计算,荷载对称分布时,用杠杆法计算;荷载非对称分布时,用偏心压力法计算。
a 、单列车,对称布置(图2—3)时: η1=η4=0η2=η3=0.5×(0.909+0.091)=0.5000b 、双列车,对称布置(图2—4)时: η1=η4=0.5×0.614=0.307η2=η3=0.5×(0.386+0.795+0.205)=0.693c 、单列车,非对称布置(图2—5)时由∑±=221a ea n i i η,已知03.2,4==e n∑=+⨯=2.24)30.310.1(22222a 则:527.02.243.303.2411=⨯+=η 342.02.241.103.2412=⨯+=η067.02.241.103.2413-=⨯-=η252.02.243.303.2414-=⨯-=η d 、双列车,非对称布置(图2—5) 由∑±=221a ea n i i η,已知48.0,4==e n ,∑=2.2422a则:090.02.243.348.0411=⨯+=η;047.02.241.148.0412=⨯+=η 003.02.241.148.0413=⨯-=η; 040.02.243.348.0411-=⨯+=η (2)按顺桥向活载移动情况,图2-3 (尺寸单位:cm)号梁号梁图2-4 (尺寸单位:cm)图2-5 (尺寸单位:cm)行车方向尺寸单位:m图2-6 (力单位:kN)求得支座活载反力的最大值。
灌注桩基础课程设计1、设计资料(1)设计题号6,设计轴号○B (○A 轴、○C 轴柱下仅设计承台尺寸和估算桩数)。
(2)柱底荷载效应标准组合值如下○A 轴荷载:N k 165V m kN 275M kN 2310F k k k =∙==;; ○B 轴荷载:N k 162V m kN 231M kN 2690F k k k =∙==;; ○C 轴荷载:N k 153V m kN 238M kN 2970F kk k =∙==;; (3)柱底荷载效应基本组合值如下○A 轴荷载:N k 204V m kN 286M kN 2910F k k k =∙==;; ○B 轴荷载:N k 188V m kN 251M kN 3790F k k k =∙==;; ○C 轴荷载:N k 196V m kN 266M kN 3430F kk k =∙==;; (4)工程地质条件①号土层:素填土,层厚1.5m ,稍湿,松散,承载力特征值ak f =95kPa 。
②号土层:淤泥质土,层厚3.3m ,流塑,承载力特征值ak f =65kPa 。
③号土层:粉砂,层厚6.6m ,稍密,承载力特征值ak f =110kPa 。
④号土层:粉质粘土,层厚4.2m ,湿,可塑,承载力特征值ak f =165kPa 。
⑤号土层:,粉砂层,钻孔未穿透,中密-密实,承载力特征值ak f =280kPa 。
(5)水文地质条件地下水位于地表下3.5m ,对混凝土结构无腐蚀性。
(6)场地条件建筑物所处场地抗震设防烈度为7级,场地内无可液化砂土、粉土。
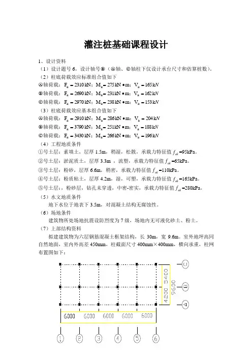
(7)上部结构资料拟建建筑物为六层钢筋混凝土框架结构,长30m ,宽9.6m 。
室外地坪高同自然地面,室内外高差450mm ,柱截面尺寸400mm ×400mm ,横向承重,柱网布置图如下:2、灌注桩基设计建筑物基础设计方案采用混凝土沉管灌注桩,具体设计方案如下:室外地坪标高为-0.45m ,自然地面标高同室外地坪标高。
吉首大学张家界学院课程设计任务书及任务书课程名称学生姓名学号学部专业年级指导教师填写时间一.课程设计题目:公路桥梁双柱式桥墩钻孔灌注桩基础设计二.适用专业、班级、时间:张家界学院学院建筑工程专业三.课程设计目的及任务:(一)设计目的:通过本课程设计,掌握承受竖向和水平力作用的桩基础的设计与计算,对相应规范有一定的了解。
(二)设计任务:1.设计资料:⑴地质与水文资料最大冲刷线位于河床线下 2.8m,地基土上层为硬塑粘性土,其地基比例系数m=15000kN/m4;桩周土极限摩阻力τ=60kPa;下层土为中密砾砂:桩周土极限摩阻力τ=50kPa;容许承载力[σ0]=220kPa;地基土的平均有效重度γ′=8.0kN/m3;(已考虑浮力),地面标高为342.00m,常水位标高为344.00m,最大冲刷线标高为339.20m。
⑵桩、墩尺寸与材料墩帽顶标高为350.00m,桩顶标高为344.00m,墩柱顶标高为348.90m。
墩柱直径 1.00m,混凝土强度等级为C20,混凝土弹性模量E H=2.6*107KN/m2.⑶荷载情况桥墩为双柱式桥墩,桥面净宽7m,附0.75m人行道,人行荷载3.00KN/m2,设计汽车荷载为公路-Ⅱ级。
上部为30m预应力钢筋混凝土梁,每根桩上承受的荷载(标准值)为:①两跨恒载反力:N1=1***.53KN②盖梁自重反力:N2=183.10KN③系梁自重反力:N3=48.00KN④一根墩柱自重:N4=187.30KN⑤桩每延米自重:16.96KN/m(已扣除浮力)⑥活载反力a.两跨活载反力:N5=536.68KNb.单跨活载反力:N6=409.21KN车辆荷载反力已按偏心受压原理考虑横向分布的分配影响。
N6在顺桥向引起的弯矩M=126.00KN.m。
c.制动力T=45.00KN,作用点在支座中心,距桩顶距离为6.197m。
d.纵向风力盖梁部分W1=2.65KN,对桩顶力臂为5.45m。
桥梁桩基础课程设计任务书1、桥墩组成:该桥墩基础由两根钻孔灌注桩组成。
桩径采用φ=1.2m ,墩柱直径采用φ=1.0m 。
桩底沉淀土厚度t = (0.2~0.4)d 。
局部冲刷线处设置横系梁。
2、地质资料:标高25m 以上桩侧土为软塑亚粘土,其各物理性质指标为:容量γ=18.5kN /m 3,土粒比重G=2.70g/3cm ,天然含水量%21=ω,液限%7.22=l ω,塑限%3.16=p ω。
标高25m 以下桩侧及桩底土均为硬塑性亚粘土,其物理性质指标为:容量γ=19.5kN /m 3,土粒比重G=2.70g/3cm ,天然含水量%8.17=ω,液限%7.22=l ω,塑限%3.16=p ω。
3、桩身材料:桩身采用25号混凝土浇注,混凝土弹性模量αMP E h 41085.2⨯=,所供钢筋有Ⅰ级钢和Ⅱ级纲。
4、计算荷载⑴ 一跨上部结构自重G=2350kN ;⑵ 盖梁自重G 2=350kN⑶ 局部冲刷线以上一根柱重G 3应分别考虑最低水位及常水位情况;⑷公路Ⅱ级 :双孔布载,以产生最大竖向力; 单孔布载,以产生最大偏心弯矩。
支座对桥墩的纵向偏心距为3.0=b m (见图2)。
计算汽车荷载时考虑冲击力。
⑸ 人群荷载:双孔布载,以产生最大竖向力; 单孔布载,以产生最大偏心弯矩。
⑹ 水平荷载(见图3)制动力:H 1=22.5kN (4.5);盖梁风力:W 1=8kN (5);柱风力:W 2=10kN (8)。
采用常水位并考虑波浪影响0.5m ,常水位按45m计,以产生较大的桩身弯矩。
W2的力臂为11.25m。
活载计算应在支座反力影响线上加载进行。
支座反力影响线见图4。
2、桩基础配筋图3、桩基础钢筋数量表桥梁桩基础课程设计计算书一、恒载计算(每根桩反力计算)1、上部结构横载反力N1N1=1/2*G1=1/2*2000(30/20)^1.2=1626.7KN2、盖梁自重反力N2221135017522N G kN=⨯=⨯=3、系梁自重反力N331(0.71)(11) 3.325292N kN =⨯⨯⨯⨯⨯⨯=(?)4、一根墩柱自重反力N4低水位:()22411258.32510 5.1223.8544N kNππ⨯⨯=⨯⨯+-⨯⨯=常水位:()2241125 4.825108.6196.9144N kNππ⨯⨯=⨯⨯+-⨯⨯=5、桩每延米重N5(考虑浮力)()25 1.22510116.964N kN π⨯=-⨯⨯=二、活载反力计算1、活载纵向布置时支座最大反力⑴、公路II 级:7.875/k q kN m =,193.5k p kN =Ⅰ、 单孔布载 1290.76R kN =Ⅲ、双孔布载 2581.52R kN =⑵、人群荷载ϕ人=1.33三、荷载组合1、计算墩柱顶最大垂直反力R组合Ⅰ:R= 恒载 +(1+u )汽ϕ汽车+ 人ϕ人群 (汽车、人群双孔布载)1175175(10.3) 1.25581.521 1.33 3.524.42408.55R kN =+++⨯⨯⨯+⨯⨯=2、计算桩顶最大弯矩⑴、计算桩顶最大弯矩时柱顶竖向力组合Ⅰ:R= 1N +2N +(1+u )汽ϕ∑i i y P + 人ϕql 21(汽车、人群单孔布载)11175175 1.3 1.25290.761 1.33 3.524.41879.282R kN =++⨯⨯⨯+⨯⨯⨯=⑵、计算桩顶(最大冲刷线处)的竖向力0N 、水平力0Q 和弯矩0M0N = max R +3N + 4N (常水位)2408.5529196.912631.71kN=++=0Q = 1H + 1W + 2W 22.581040.5kN=++= 0M = 14.71H + 14.051W + 11.252W + 0.3活max R=()14.722.514.05811.25100.32408.551175175873.22kN m⨯+⨯+⨯+⨯--=⋅活max R ——组合Ⅰ中活载产生的竖向力的较大者。
目录1 设计任务书 (3)设计目的 (3)设计任务 (3)设计资料 (3)地质资料 (3)材料 (4)基础方案 (4)-计算荷载 (4)设计要求 (6)时间及进度安排 (6)建议参考资料 (6)2 设计指导书 (8)拟定尺寸 (8)荷载设计及荷载组合 (8)荷载计算 (8)%桩顶荷载计算及桩顶荷载组合 (8)桩基设计计算与验算 (10)桩长确定及单桩承载能力验算 (10)桩身内力及配筋计算 (11)单桩水平位移及墩台水平位移验算 (12)3 设计计算书 (13)设计拟定尺寸 (13)荷载计算及荷载组合 (13)(桩基设计计算与验算 (14)承载能力极限状态荷载组合 (14)正常使用极限状态荷载组合 (17)桩基设计与验算 (20)桩长与单桩承载力验算 (20)桩的内力计算 (21)桩身配筋计算 (24)4 钢筋构造图 (29)…钢筋用量计算 (29)纵筋用量计算 (29)普通箍筋用量计算 (29)横系梁主筋用量计算 (29)横系梁箍筋用量计算 (29)加劲箍筋用量计算 (29)定位钢筋用量计算 (30)伸入横系梁箍筋用量计算 (30)]钢筋总用量 (30)配筋图 (30)三视图 (30)4 参考文献 (31)1 双柱式桥墩钻孔灌注桩设计任务书设计目的:通过本课程设计,掌握承受竖向和水平力作用的单排桩基础的设计与计算,对相应规范有一定的了解。
设计任务:¥设计资料:我国某公路桥墩采用桩(柱)式桥墩,初步拟定尺寸如下图所示。
其上部结构为28米钢筋混凝土装配式T型梁桥,桥面宽7米。
设计汽车荷载为公路-Ⅱ级。
(单位:mm)地质资料:标高米以上桩侧土为软塑亚粘土,其各物理性质指标为:容重γ=m3,土粒比重G=,天然含水量ω=21%,ωL=%,ω;m=7000kN/m4;桩周土极限摩阻力τ=40kPa;P=%标高米以下桩侧及桩底均为硬塑性土,其各物理性质指标为:容重γ=m3,土粒比重G=,天然含水量ω=%,ωL=%,ωP=%, m=15000kN/m4;桩周土极限摩阻力τ=65kPa;[σ。
单排双柱式桥墩课程设计一、课程目标知识目标:1. 学生能够理解单排双柱式桥墩的基本结构特点及其在桥梁工程中的应用。
2. 学生能够掌握单排双柱式桥墩的受力分析及计算方法。
3. 学生能够了解桥梁工程中单排双柱式桥墩的设计原则和施工要求。
技能目标:1. 学生能够运用所学知识,对单排双柱式桥墩进行简单的受力分析和计算。
2. 学生能够通过实际案例分析,提高解决桥梁工程中实际问题的能力。
3. 学生能够运用设计原则和施工要求,为单排双柱式桥墩的设计和施工提出合理的建议。
情感态度价值观目标:1. 学生通过学习,增强对桥梁工程学科的兴趣,培养认真负责、严谨求实的科学态度。
2. 学生能够认识到桥梁工程在社会发展中的重要作用,提高社会责任感和使命感。
3. 学生在团队协作中,培养沟通协调能力和团队合作精神。
课程性质分析:本课程为桥梁工程学科的基础课程,旨在让学生掌握单排双柱式桥墩的结构特点、受力分析和设计原则。
学生特点分析:学生为初中年级,具备一定的物理和数学基础,对桥梁工程有浓厚兴趣,但缺乏实际工程经验。
教学要求:结合学生特点和课程性质,注重理论与实践相结合,提高学生的动手操作能力和实际问题解决能力。
通过分解课程目标,确保学生能够达到预期的学习成果,为后续桥梁工程课程打下坚实基础。
二、教学内容1. 引入桥梁工程基本概念,介绍单排双柱式桥墩的工程背景及其在桥梁结构中的应用。
教材章节:《桥梁工程》第一章 桥梁概述,第三节 桥梁下部结构。
2. 详细讲解单排双柱式桥墩的结构特点、分类及设计要求。
教材章节:《桥梁工程》第二章 桥梁下部结构设计,第一节 桥墩设计基本原理。
3. 分析单排双柱式桥墩的受力特点,讲解受力分析的基本方法和计算步骤。
教材章节:《桥梁工程》第二章 桥梁下部结构设计,第二节 桥墩受力分析。
4. 通过案例分析,使学生掌握单排双柱式桥墩的设计原则和施工要求。
教材章节:《桥梁工程》第二章 桥梁下部结构设计,第三节 桥墩施工技术。
目录─、设计资料................................................................ 错误!未指定书签。
1。
1设计标准及上部结构.......................................... 错误!未指定书签。
1。
2水文地质条件............................................... 错误!未指定书签。
1.3材料....................................................... 错误!未指定书签。
1。
4盖梁、柱、桥墩尺寸.......................................... 错误!未指定书签。
1。
5设计依据................................................... 错误!未指定书签。
二.盖梁计算..................................................... 错误!未指定书签。
2.1荷载计算 ................................................... 错误!未指定书签。
2.1.1上部结构永久荷载 ......................................... 错误!未指定书签。
2.1.2盖梁自重及作用效应计算 .................................... 错误!未指定书签。
2.1。
3可变荷载计算............................................ 错误!未指定书签。
2.1.4双柱反力Gi计算.......................................... 错误!未指定书签。
资料内容仅供您学习参考,如有不当之处,请联系改正或者删除第Ⅱ部分钻孔灌注桩双柱式桥墩的计算─、设计资料1.1设计标准及上部结构设计荷载:公路—Ⅰ级:桥面净空:净—9+2×0。
第八节双柱式桥墩钻孔灌注桩算例(一)设计资料:我国某公路桥墩采用桩(柱)式桥墩,初步拟定尺寸如图3-41所示。
其上部结构为28米钢筋混凝土装配式T 型梁桥,桥面宽8米。
设计汽车荷载为公路-Ⅱ级。
图3-41(单位:mm)1.地质与水文资料:标高30.00米以上桩侧土为软塑亚粘土,其各物理性质指标为:重度3'/63.9mkN =γ(已考虑浮力),土粒比重G s =2.70,天然含水量w=21%,w L =22.7%,w P =16.3%;水平抗力系数的比例系数m=7000kN/m 4;桩侧土摩阻力标准值kPa q ik 40=;标高30.00米以下桩侧及桩底均为硬塑性土,其各物理性质指标为:重度3'/42.10m kN =γ(已考虑浮力),土粒比重G s =2.70,天然含水量w=17.8%,w L =22.7%,w P =16.3%,水平抗力系数的比例系数m=15000kN/m 4;桩侧土摩阻力标准值kPa q ik 65=;地基土承载能力基本容许值[]kPa f a 3500=。
常水位高程为43.80m ,最低水位高程为39.78m ,一般冲刷线高程为41.08m ,局部冲刷线高程为35.00m 。
2.材料:桩采用C25混凝土浇注,混凝土受压弹性模量E h =2.85×104MPa ,所供钢筋有R235和HRB335。
3桩、墩柱尺寸墩帽顶高程为47.4m,墩柱顶高程为45.9m,墩柱直径为1.0m。
该桥墩基础由两根钻孔桩组成,旋转成孔。
桩底沉淀土厚度t=(0.1~0.3)d。
桩顶高程为35.00m,上部在局部冲刷线处设置横系梁。
4.上部结构荷载①一跨上部结构自重G1=2435kN②盖梁自重G2=522.6kN③局部冲刷线以上一根墩柱重G3④桩自重G4⑤横系梁自重G5⑥汽车荷载在墩柱顶的引起的反力(已计入冲击系数的影响)两跨汽车荷载反力N6=536.68kN,一跨汽车荷载反力N7=400kN,在顺桥向引起的弯矩M=135kN.m车辆荷载反力已按偏心受压原理考虑横向分布的分配影响。
目录1 设计任务书 (3)1。
1 设计目的 (3)1.2 设计任务 (3)1.2。
1 设计资料 (3)1。
2.2 地质资料 (3)1。
2。
3 材料 (4)1.2。
4 基础方案 (4)1.2.5 计算荷载 (4)1。
2。
6 设计要求 (6)1。
3 时间及进度安排 (6)1。
4 建议参考资料 (6)2 设计指导书 (8)2.1 拟定尺寸 (8)2。
2 荷载设计及荷载组合 (8)2.2.1 荷载计算 (8)2.2。
2桩顶荷载计算及桩顶荷载组合 (8)2.3 桩基设计计算与验算 (10)2.3.1桩长确定及单桩承载能力验算 (10)2.3.2桩身内力及配筋计算 (11)2.3。
3单桩水平位移及墩台水平位移验算 (12)3。
1 设计拟定尺寸 (13)3.2 荷载计算及荷载组合 (13)3.3 桩基设计计算与验算 (14)3.3.1 承载能力极限状态荷载组合 (14)3.3。
2 正常使用极限状态荷载组合 (17)3。
4 桩基设计与验算 (20)3.4.1 桩长与单桩承载力验算 (20)3.4。
2 桩的内力计算 (21)3。
4.3 桩身配筋计算 (24)4 钢筋构造图 (29)4。
1 钢筋用量计算 (29)4.1.1 纵筋用量计算 (29)4.1.2 普通箍筋用量计算 (29)4.1。
3 横系梁主筋用量计算 (29)4.1.4 横系梁箍筋用量计算 (29)4.1.5 加劲箍筋用量计算 (29)4.1.6 定位钢筋用量计算 (30)4。
1。
7 伸入横系梁箍筋用量计算 (30)4.1.8 钢筋总用量 (30)4.2 配筋图 (30)4.3 三视图 (30)1 双柱式桥墩钻孔灌注桩设计任务书1。
1 设计目的:通过本课程设计,掌握承受竖向和水平力作用的单排桩基础的设计与计算,对相应规范有一定的了解。
1.2 设计任务:1。
2。
1 设计资料:我国某公路桥墩采用桩(柱)式桥墩,初步拟定尺寸如下图所示.其上部结构为28米钢筋混凝土装配式T型梁桥,桥面宽7米。
公路桥梁桩基础课程设计任务书(桩柱式桥墩,含计算书)桥梁桩基础课程设计任务书一、桩基础课程设计资料该公路桥梁采用桩柱式桥墩,预计尺寸如下图1所示。
桥面宽7米,两边各0.5米人行道。
设计荷载为公路Ⅱ级,人群:3.5kN/m2.1、桥墩组成该桥墩基础由两根钻孔灌注桩组成。
桩径采用φ=1.2m,墩柱直径采用φ=1.0m。
桩底沉淀土厚度t=(0.2~0.4)d。
局部冲刷线处设置横系梁。
2、地质资料标高25m以上桩侧土为软塑亚粘土,其各物理性质指标为:容量γ=18.5kN/m3,土粒比重G=2.70g/cm3,天然含水量ω=21%,液限ωl=22.7%,塑限ωp=16.3%。
标高25m以下桩侧及桩底土均为硬塑性亚粘土,其物理性质指标为:容量γ=19.5kN/m3,土粒比重G=2.70g/cm3,天然含水量ω=17.8%,液限ωl=22.7%,塑限ωp=16.3%。
3、桩身材料桩身采用25号混凝土浇注,混凝土弹性模量Eh=2.85×104MPa,所供钢筋有Ⅰ级钢和Ⅱ级钢。
4、计算荷载1)一跨上部结构自重G=2350kN;2)盖梁自重G2=350kN;3)局部冲刷线以上一根柱重G3应分别考虑最低水位及常水位情况;4)公路Ⅱ级:双孔布载,以产生最大竖向力;单孔布载,以产生最大偏心弯矩。
支座对桥墩的纵向偏心距为b=0.3m(见图2)。
计算汽车荷载时考虑冲击力。
5)人群荷载:双孔布载,以产生最大竖向力;单孔布载,以产生最大偏心弯矩。
6)水平荷载(见图3)制动力:H1=22.5kN(4.5);盖梁风力:W1=8kN(5);柱风力:W2=10kN(8)。
采用常水位并考虑波浪影响0.5m,常水位按45m计,以产生较大的桩身弯矩。
W2的力臂为11.25m。
活载计算应在支座反力影响线上加载进行。
支座反力影响线见图4.5、设计要求确定桩的长度,进行单桩承载力验算。
桥梁桩基础课程设计计算书一、恒载计算(每根桩反力计算)在进行恒载计算时,需要计算上部结构横载反力N1、盖梁自重反力N2、系梁自重反力N3、一根墩柱自重反力N4以及桩每延米重N5.其中,需要考虑浮力对桩每延米重的影响。
基础工程课程设计桩基础设计
桩基础是建筑工程中常用的基础形式之一,主要用于承受建筑物或其他结构的荷载,并将荷载传递到地下土层中。
基础工程课程设计中的桩基础设计一般包括以下内容:
1. 基础类型选择:根据工程要求和地质条件,选择适合的桩基础类型,如钻孔灌注桩、钢筋混凝土桩等。
2. 桩的数量和布置:根据建筑物的荷载和地质条件,确定桩的数量和布置方式,以保证桩基的稳定性和承载能力。
3. 桩的直径和长度:根据建筑物的荷载和地质条件,计算出桩的适宜直径和长度,以满足建筑物的承载要求。
4. 桩的材料选择:根据工程要求和地质条件,选择合适的桩材料,如钢筋混凝土、预应力混凝土等。
5. 桩的施工方法和施工工艺:根据选定的桩基础类型和地质条件,确定桩的施工方法和施工工艺,以保证桩基的施工质量和安全性。
6. 桩基的承载力计算:根据桩的尺寸和材料特性,计算桩基的承载力,以确保桩基能够承受建筑物的荷载。
7. 桩基的沉降和变形计算:根据桩的尺寸和地质条件,计算桩基的沉降和变形,以评估桩基的稳定性和安全性。
8. 桩基的施工监测和验收:对桩基的施工过程进行监测和验收,以确保桩基的施工质量和安全性。
基础工程课程设计中的桩基础设计涉及到桩的类型选择、数量和布置、直径和长度、材料选择、施工方法和工艺、承载力计算、沉降和变形计算以及施工监测和验收等方面。
设计师需要充分考虑工程要求和地质条件,合理设计桩基础,以确保建筑物的稳定性和安全性。
灌注桩课程设计一、介绍在土木工程中,灌注桩是一种常用的地基加固工程技术。
灌注桩不仅用于承重结构的基础,还可以用于地基处理、支撑结构等方面。
本课程设计旨在通过理论学习和实际操作,使学生掌握灌注桩的设计和施工技术,培养学生的实践能力。
二、课程目标本课程的主要目标如下: 1. 熟悉灌注桩的基本原理和分类; 2. 学习灌注桩的设计方法和过程; 3. 掌握灌注桩施工的关键技术和要点; 4. 培养学生的团队协作能力和实践能力。
三、课程大纲3.1 灌注桩基本原理•灌注桩的定义和分类;•灌注桩的工作原理;•灌注桩的优缺点。
3.2 灌注桩的设计方法•灌注桩设计的基本步骤;•灌注桩的受力分析;•灌注桩的基本计算方法。
3.3 灌注桩施工技术•桩基施工前的准备工作;•灌注桩施工的步骤和流程;•灌注桩施工中的质量控制和安全措施。
3.4 灌注桩的应用案例•案例一:大型建筑的桩基设计和施工;•案例二:软土地区的地基处理;•案例三:地铁隧道的桩基加固。
四、教学方法本课程采用以下教学方法: 1. 讲授:通过教师的讲述,介绍灌注桩的基本原理和设计方法; 2. 实验:组织学生进行灌注桩的设计和施工实验,培养他们的实践能力; 3. 讨论:组织学生进行案例分析和讨论,加深他们对灌注桩应用的理解; 4. 小组项目:鼓励学生分组开展课程设计项目,培养他们的团队协作能力。
五、教学评估为了评估学生对本课程的掌握程度,采用以下评估方法: 1. 平时成绩:包括课堂表现、实验报告等; 2. 课程设计报告:每个学生要提交一份独立完成的课程设计报告; 3. 期末考试:考查学生对课程内容的综合理解和应用能力。
六、参考书目•《桩基基础设计手册》;•《地基加固工程技术手册》;•《岩土工程实验方法》。
七、教学团队本课程由土木工程学院的XXX教授主讲,助教是XXX博士研究生。
教学团队负责课程的教学、实验指导和评估工作。
八、总结通过本课程的学习,学生将全面了解灌注桩的设计和施工技术,掌握相关的理论知识和实践能力。
3.2 下部结构钻孔灌注桩、双柱式桥墩的计算3.2.1 设计资料1、设计标准及上部构造 设计荷载:公路-Ⅱ级; 桥面净空:净-8+2×1m ;标准跨径:13b L m ,梁长12.96m ; 上部构造:预应力简支空心板。
2、水文地质条件冲刷深度:最大冲刷线为河床线下6.88m 处;按无横桥向的水平力(漂流物、冲击力、水流压力等)计算。
3、材料钢筋:盖梁主筋用HRB335钢筋,其它均用R235钢筋 混凝土:盖梁、墩柱用C30,系梁及钻孔灌注桩用C25 4、桥墩尺寸图3-17:尺寸单位cm5、设计依据《公路桥涵地基与基础设计规范》(JTG D63-2007) 3.2.2 盖梁计算 (一)荷载计算1、上部结构永久荷载见表3-15:表3-152、盖梁自重及作用效应计算(1/2盖梁长度)图3-18表3-16:盖梁自重产生的弯矩、剪力效应计算1q +2q +3q +4q +5q =190.07KN 3、可变荷载计算(1)可变荷载横向分布系数计算:荷载对称布置时用杠杆法,非对称布置用偏心受压法。
○1公路-I 级 a 、单车列,对称布置(图3-19)时:图3-19b 、双车列,对称布置(图3-20)时:图3-20c 、单车列,非对称布置(图3-21)时:图3-21由()∑±=22/1a ea i i ηη,已知6=n ,185.3=e ,则460.02930.06199.42955.3185.3611=+=⨯+=η d 、双车列,非对称布置(图3-21)时: 已知:6=n ,635.1=e ,∑=99.4222a(2)按顺桥向可变荷载移动情况,求得支座可变荷载反力的最大值(图3-22)图3-22公路-I 级双孔布载单列车时: 双孔布载双列车时: 单孔布置单列车时: 单孔布载双列车时:(3)可变荷载横向分布后各梁支点反力(计算的一般公式为i i B R η=),见表3-17表3-17:各板支点反力计算(4)各板永久荷载、可变荷载反力组合:计算见表3-18,表中均取用各板的最大值,其中冲击系数为:表3-18:各板永久荷载、可变荷载基本组合计算表(单位:KN )4、双柱反力i G 计算(图3-23)所引起的各梁反力表3-19:图3-23:尺寸单位cm表3-19:双柱反力1G 计算由上表知应取组合○6控制设计,此时KN G G 07.277821== (二)内力计算1、恒载加活载作用下各截面的内力 (1)弯矩计算(图3-23)截面位置见图3-23,为求得最大弯矩值,支点负弯矩取用非对称布置时的数值,跨中弯矩取用对称布置时数值。
课程设计题目:桩基础课程设计完成日期:2013年11月20日灌注桩基课程设计1.设计题目本次课程设计的题目:灌注桩基础设计2.设计荷载(2)柱底荷载效应标准组合值如下。
○A轴荷载:F k=2040kN M k=242kN.M V k=145kN○B轴荷载:F k=2280KN M k=223 KN.M V k=158 kN○C轴荷载:F k=2460kN M k=221kN.M V k=148kN(3)柱底荷载效应基本组合值如下。
○A轴荷载:F k=2650kN M k=253kN.M V k=193kN○B轴荷载:F=3560 kN M=228 kN.M V=175 kN○C轴荷载:F k=3120kN M k=244kN.M V k=188kN设计○C轴柱下桩基,○A、○B轴柱下仅设计承台尺寸和估算桩数。
3.地层条件及其参数1). 地形拟建建筑场地地势平坦,局部堆有建筑垃圾。
2).工程地质条件自上而下土层依次如下:=95kPa。
①号土层:素填土,厚度1.5m,稍湿,松散,承载力特征值fak=65kPa。
②号土层:淤泥质土,厚度3.3m,流塑,承载力特征值fak=110kPa。
③土层:粉砂,厚度6.6m,稍密,承载力特征值fak=165kPa④号土层:粉质粘土,厚度4.2m,湿,可塑,承载力特征值fak=280kPa。
⑤号土层:粉砂层,钻孔未穿透,中密-密实,承载力特征值fak3).岩土设计技术参数表1 地基岩土物理力学参数表2 桩的极限侧阻力标准值q sk和极限端阻力标准值q pk4).水文地质条件1.拟建场区地下水对混凝土结构无腐蚀性。
2. 地下水位深度:位于地表下3.5m 。
5).场地条件建筑物所处场地抗震设防烈度7度,场地内无液化砂土,粉土。
4.灌注桩基设计建筑物基础设计方案采用混凝土灌注桩,具体设计方案如下:室外地坪标高同自然地面。
该建筑上层为六层框架结构,根据规范桩基属丙级建筑桩基,拟采用直径500mm 的混凝土灌注桩,以⑤号土层粉质粘土为持力层,桩尖深入持层1.0m (对于砂土不小于1.5d=750mm ),设计桩长17.0m 预制桩尖长0.5m ,初步设计承台高1.0m ,承台底面埋置深度-1.60m ,桩顶伸入承台50mm 。
目录1设计任务书 (3)1.1设计目的 (3)1.2设计任务 (3)1.2.1设计资料 (3)122地质资料 (3)1.2.3材料 (4)1.2.4基础方案 (4)1.2.5计算荷载 (4)1.2.6设计要求 (6)1.3时间及进度安排 (6)1.4建议参考资料 (6)2设计指导书 (8)2.1拟定尺寸 (8)2.2荷载设计及荷载组合 (8)2.2.1荷载计算 (8)2.2.2桩顶荷载计算及桩顶荷载组合 (8)2.3桩基设计计算与验算 (10)2.3.1桩长确定及单桩承载能力验算 (10)2.3.2桩身内力及配筋计算 (11)2.3.3单桩水平位移及墩台水平位移验算 (12)3设计计算书 (13)3.1设计拟定尺寸 (13)3.2荷载计算及荷载组合 (13)3.3桩基设计计算与验算 (14)3.3.1承载能力极限状态荷载组合 (14)332正常使用极限状态荷载组合 (17)3.4桩基设计与验算 (20)3.4.1桩长与单桩承载力验算 (20)3.4.2桩的内力计算 (21)3.4.3桩身配筋计算 (24)4钢筋构造图 (29)4.1钢筋用量计算 (29)4.1.1纵筋用量计算 (29)4.1.2普通箍筋用量计算 (29)4.1.3横系梁主筋用量计算 (29)4.1.4横系梁箍筋用量计算 (29)4.1.5加劲箍筋用量计算 (29)4.1.6定位钢筋用量计算 (30)4.1.7伸入横系梁箍筋用量计算 (30)4.1.8钢筋总用量 (30)4.2配筋图 (30)4.3三视图 (30)4 参考文献311双柱式桥墩钻孔灌注桩设计任务书1.1设计目的:通过本课程设计,掌握承受竖向和水平力作用的单排桩基础的设计与计算,对相应规范有一定的了解。
1.2设计任务:1.2.1设计资料:我国某公路桥墩采用桩(柱)式桥墩,初步拟定尺寸如下图所示。
其上部结构为28米钢筋混凝土装配式T型梁桥, 桥面宽7米。
设计汽车荷载为公路-H级。
弹位:mm)1.2.2地质资料:标高30.00米以上桩侧土为软塑亚粘土,其各物理性质指标为:容重Y= 18.5KN∕m3,土粒比重G=2.7Q天然含水量ω =21%, ω L=22.7%,ω P=16.3% m=7000kN∕m4;桩周土极限摩1500 500041.08 一般冲刷线43.80常水位39.78最低水位35.00 局部冲刷线阻力τ =40kPa;标高30.00 米以下桩侧及桩底均为硬塑性土,其各物理性质指标为:容重Y= 19.5KN∕m3, 土粒比重G=2.7Q天然含水量ω =17.8%, ω L=22.7%,ω P=16.3%, m=15000kN∕m4; 桩周土极限摩阻力T =65kPa [ σ o]=35OkPaO1.2.3材料:桩采用C25 混凝土浇注,混凝土弹性模量Eι=2.85× 104MPa,所供钢筋有R235和HRB3351.2.4基础方案:该桥墩基础由两根钻孔桩组成, 旋转成孔。
(钻头直径(即桩的设计直径)取φ = 1.2~1.6m,桩底沉淀土厚度t=(0.1~0.3)d。
上部柱直径为1.0m ,在局部冲刷线处设置横系梁。
)1.2.5计算荷载①一跨上部结构自重G1 (见下表)②盖梁自重G2③局部冲刷线以上一根桩重G3 最低水位: ,常水位:④桩自重G4⑤横系梁自重G5⑥汽车荷载级(活载)在墩柱顶的反力双孔布载G6 =536.68KN单孔布载G7(见下表)车辆荷载反力已按偏心受压原理考虑横向分布的分配影响G7在顺桥向引起的弯矩(见下表)⑦水平荷载:a.制动力:T=45.00KN作用点在支座中心,距桩顶距离为12.6m。
b.纵向风力:盖梁部分W1(见下表),对桩顶力臂为11.62m。
墩身部分W2(见下表),对桩顶力臂为4.96m。
1.2.6设计要求①确定桩的长度,进行单桩承载力验算。
②桩身强度计算,求出桩身弯矩图(用坐标纸绘制)定出最大桩身弯矩值及其相应的截面和相应轴力,配置钢筋,验算截面强度,计算出主筋长度,螺旋钢筋长度,钢筋总用量。
③验算墩顶纵桥向水平位移。
④绘制桩基布置图及桩身配筋图。
⑤全部设计计算工作、设计计算书编写在一周内完成(按五天计),严禁相互抄袭。
⑥全部设计文件采用课程设计专用设计用纸和课程设计资料袋。
1.3 时间及进度安排:1)布置设计内容及准备相关参考书、设计规范:0.5 天2)荷载计算及组合:0.5 天3)桩长确定及单桩承载力验算:0.5 天4)配筋计算及墩顶位移验算:1 天5)设计校核:0.5 天6)完成设计说明书:1 天7)完成设计图纸。
1.天1.4 建议参考资料i规范:《公路桥涵设计通用规范》(JTG D60-2004《公路钢筋混凝土及预应力混凝土桥涵设计规范》 ( JTG D62-2004)《公路桥涵地基与基础设计规范》 ( JTG D63-200)7《道路工程制图标准》 ( GB50162-92)ii《结构设计原理》凌治平主编,人民交通出版社iii《基础工程》凌治平主编,人民交通出版社iv《桥梁工程》V公路桥涵设计手册《墩台与基础》,人民交通出版社2 单排桩基础课程设计指导书2.1 拟定尺寸桩径:参考选择范围: 1.2m~1.6m。
桩长:据所选定的持力层选择。
摩擦桩的桩长不应小于4m,桩底端部应尽可能达到该土层的桩端阻力的临界深度。
一般不宜小于1m。
横系梁:梁高取(0.8~1.0)d;梁宽取(0.6~1.0)d。
详见《公路桥涵地基与基础设计规范》(JTG D63-2007第525条第3款2.2 荷载计算及荷载组合2.2.1荷载计算浮力的考虑参见《公路桥涵设计通用规范》(JTGD60-2004)第424 条墩柱自重应考虑常水位和最低水位两种情况。
钢筋混凝土重度取25KN∕m3;有效重度取15KN∕m3°2.2.2桩顶荷载计算及桩顶荷载组合参见《公路桥涵设计通用规范》(JTG D60-2004第4.1 有关条款及《公路桥涵地基与基础设计规范》(JTG D63-2007)第 1.0.5条~1.0.11条有关条款。
可列表计算常水位荷载组合最低水位荷载组合2.3桩基设计计算与验算231桩长确定及单桩承载能力验算桩长的计算可以根据持力层位置拟定,再根据单桩容许承载力的验算来修正,也可以根据单桩单桩承载力的验算公式反算桩长。
地基承载能力验算根据《公路桥涵地基与基础设计规范》(JTG D63-2007)第1.0..8条规定,验算荷载采用正常使用极限状态荷载组合。
取能产生最大竖向轴向力N maX的荷载组合作为控制荷载。
Nma JC+ G 莖7⅞ [RJG—桩身自重与置换土重(当自重计入浮力时,置换土重也计入浮力)的差值R—地基承载力容许值抗力系数。
按《公路桥涵地基与基础设计规范》(JTG D63-2007)第537条规定取值。
[Ra]—单桩轴向受压承载力容许值。
由于Y R取值不同,应取永久荷载+ 汽车荷载及永久荷载+ 可变荷载两种工况验算。
2.3.2桩身内力及配筋计算(1)计算桩的计算宽度圆形截面桩:—洪皿a(2)计算桩土变形系数,并判断桩是否为弹性桩(3)计算最大冲刷线处桩顶荷载按《公路桥涵地基与基础设计规范》(JTG D63-2007)第1.0.5条规定基础结构设计当按承载能力极限状态设计时,应采用作用效应基本组合和偶然组合(本设计不考虑)进行验算。
控制荷载应取按承载能力极限状态设计时,能产生最大弯矩及相应轴力较小的工况进行验算。
(4)桩身内力计算可列表进行,相应格式可参照下表:求出桩身弯矩及剪力图(用坐标纸绘制)(5)配筋计算a.桩身最大弯矩值及其相应的截面位置的确定可由桩身弯矩图(用坐标纸绘制)确定(图解法),也可计算出系数C Q后,查表求得(数解法)。
b.求出最大弯矩和相应轴力后,配筋计算及截面强度验算课参见《结构设计原理》有关偏心受压构件强度计算部分。
最大弯矩及相应轴力应取设计值,要考虑荷载分项系数。
桩基构造要求详见《公桥基规》第522条及5.2.5条第3款有关规定。
钢筋布置要考虑:(1)主筋钢种、直径,与承台的联结方式及主筋的截断;(2)箍筋的直径、间距,加强筋的设置。
233单桩水平位移及墩台水平位移验算作用效应按正常使用极限状态组合取最大冲刷线处,查表求得桩身水平位移X o ,要求。
墩台顶水平位移验算参照教材有关章节3设计计算书3.1设计拟定尺寸桩径:1.5m。
桩长:14m。
横系梁:梁高:1.2m梁宽:1.2m3.2荷载计算①两跨上部结构自重二一―G Z= 1.85 × (1.5 ÷5.0 + 1.5) X 0.S×25 + 0.5 X (8 + 6) x②盖梁自重'0.7 X 1.85 X 25= 522.625ΛrΛ/③冲刷线以上每根桩自重最低水位时:G3=(TXoS2X 4.78x15)+ [τrX 0-52x (10.9-4.78) XG3=(pai*0.5^2*4.78*1.5)+0.5(8+6)*0.7*1.85*25] = 176390∕<JV常水位时:G3f = (ιz × 0.52X 2.1 X 25) + (π × 0.52 X 8.8 X 15)—G3'(pai*0.5^2*2.1*25)+(pai*0.5^2*8.8*15)=144.833KN④桩自重(每延米):18∙5xc2∙7-I)+1O27×(l + 021)=19.627KjV/?n3K√=Y1≡at-^ = 9-627^∕7π3第一层:, :i.:: 1:' -■ .■.第二层:二--.⑤ 横系梁:’ ■ I ::.: ■■_.!. . :L 2⑥ 汽车荷载(公路II 级): 双孔:「n —单孔:■ - ,.'λ J ...⑦ 水平荷载:制动力:I ——…'一‘二二 J 「亠-… 风力:二—;J. '.,J. M …L1—..'、内力荷载名称常水位 最低水位N (kN)H (kN)M (kN.m)N (kN)H (kN)M (kN.m)1永久作用 G1+G2+G3+G51661.451693.002 汽车荷载,双跨 536.68 0 0 536.68 0 03 汽车何载,单跨 400 0 135 400 0 126 4制动力 0 45 567 0 45 567 5风力W8.275.308.275.303.3荷载组合计算19,5x(27-1) 27 X (1 + 0178)=10.423O∕m 3331承载能力极限状态①常水位(N)1+2- 1661.446 X 1.2 + 536.68 X 1.4 = 2745.09 1+3:1661.446 X 1.2+ 400.Q0 X 1.4 = 2553.74 l+2 + 4+5t(1)N maX = 1661.45X 12 + 536.68X L4+07×(0 + 0) = 2745.09 /f = 0 + 0 + 07X (1.4X45 + 1.1 X82) = 5041M = O+ 0 + 0.7 X (1.4X567 + 11X 75.30) = 613.64 (2)M maX = 0 + 567 X 1.4 + 07 X (1.4 Xθ + 75.30 X 1.1) = 851.78 Zf= 0 +45 X 14 + 07 x(0 + 8.2 X 11) = 69.31N= 1661.45 X 1.2 + O + 0.7 X ¢1.4X 536.68 + 0) = 2519.69 1+ 3 + 4 + 5:(1)N maX = 1661.45 X 1.2 + 400 X 14 + 0.7 X (0 + 0) = 2049.74 ⅛ = O + O + O7X (1.4X 45 +11X &2) = 50.41M =O+O + OJX (1.4X567 + 1.1 X 75.30) = 613.64(2)M maX = O + 567 X 1.4 + 0.7 X (1.4 X 135 + 75.30 × 1.1) =984.08 H = O + 45 X 14+ 0.7 X(0 + 82 X LI) = 6931 N = 1661.45 X 1.2 + O + 0.7 X (1.4 X 400 + 0) = 2385.74②常水位(H)1 + 2; 0÷0 = O1 + 3: 0 + 0 =O③常水位(M)1 + 2: 0 + 0 =01 + 3: 0 + 0 =0④最低水位(N)1 + 2= 1693.003 X 1.2 + 536.68 X 1.4 = 2782.961+ 3i 1693.003 X 1.2 + 400.Q0 X 1.4 = 2591.60l + 2 + 4 + 5t(1)N7nax= 1693.00 X 1.2 + 536.68 X 1.4+ 07 X (0 + 0)- 2782.95 /f = 0 + 0 + 07X (1.4X45 + 1.1 X82) = 5041M = 0 + 0+ 0.7 X (1.4X567 + 11X 75.30) = 613.64(2)M maX = O + 567 X 1.4 + 07 X (1.4 ×0 + 75.30 X 1.1) = 851.78 ⅛=O+45X14 + 07 x(0 + 8.2 X 11) = 69.31 N= 1693.00 X 1.2 + 0 + 07 X ¢1.4X 536.68 + 0) = 2557.551+3 + 4 + 5:(1)N maX = 1693.00 X L2 + 400.00 X 1.4+ 07 X (0 + 0) = 2591.60 /∕ = O + O + O7X (1.4 X 45 + 1.1 X 82) = 5041M = O + 126X1.4 + 0.7 X(1.4X 567 + 11 X75.30) = 790.04 (2)M maX =0 + 567 X L4+OJX (L4X 126+75.3 X 1.1) - 975.26⅛ = O + 45X L4+07X(0+ 8.2X 11) = 69.31N = 1693.00X 1.2 + 1.4X0+ 0.7 X (0 + 14X 400) = 2423.60⑤最低水位(H)1 + 2; 0 + 0 = 01 + 3 : 0 + 0=0⑥最低水位(M)1 + 2: 0 + 0= 01 + 3- 0 + 0 = 0 332正常使用极限状态①常水位(N)1 + 2= 1661.446 + 0.7 X 536.68 = 2037.12 1+3: 1661.446 ÷ 0.7 X 400.00 = 1941.45l + 2 + 4÷5- 1661.446 + 0.7 X 536.68+ 0 + 0 = 2037.12 l+3 + 4+5t 1661.446 + 0.7X400.00 + 0 + 0 = 1941.45②常水位(H)1 + 2: 0 + 0= 01 + 3:0 + 0 = 01+2 + 4 + 5:1.0 X 45 + 0.75 X 8.2 + 0 + 0 = 51.15 1÷3 + 4 + 5- 1.0 X 45 ÷0.75 X 8.2+ 0 + 0- 51.15③常水位(M)1 + 2: 0 + Q= 01+3^ 0+0.7X135= 88.20l+2÷4 + 5i 0 + 0 + 1.0 X 567+ 0.75 X 75.30 = 623.48 1 + 3 + 4 + 5:0+ 135 X 0.7 + 1.0 X 567÷0.75 X 75.30 = 93.65④最低水位(N)1 + 2= 1693.003 + 0.7 X 536.68 = 2068.681 + 3= 1693.003 + 0.7 X 400.00 = 1973.001 +2 + 4 + 5:1693.003 + 0.7 X 536.68 + 0 + 0 = 2068.68 l+3 + 4+5⅛ 1693.003 + 0.7 X 400.00 + 0 + 0 = 1973.00⑤最低水位(H)1 +2 i 0 + 0=01 + 3 s 0 ÷ 0 =01+2 + 4 + 5:0+0÷1.0 X45 + 0.75 X 8.2 = 51.151+ 3 + 4 +5;0 + 0 + 1.0x45 + 0.75 X 8.2 = 5115⑥最低水位(M)1 + 2:0 + 0 = 01+3: 0+0.7X135= 88.20l÷2÷4 + 5- 0 + 0 + 1.0 X 567÷ 0.75 X 75.30 = 623.48 1 + 3 + 4 + 5:0 + 135 X 0.7 ÷1.0 X 567 + 0.75 X 75.30 = 93.65常水位荷载组合最低水位荷载组合3.4桩基设计与验算341桩长与单桩承载力n[fi c]=爭》<7丛 + 亦CA{[盒J + k2γ2(h- 3)} i=1周长:- ,. -.:. . - ? . I -… 面积::LU厂λ = 0.7 TTi O = 0.8 fc 2 = 2.5 Q 1⅛ = 40KPcL 血證=65KP(L讣350KPQy2 =沁空泌也LfiJ =□ 5 X 4.71 X [5×40 + 65x(⅛-5η + 0.7 X 0.8 X ‰77 X19J 627X5+201423X O I -5) ”K350+2.5× ---------------- - --------------- ×⅛ + 6.08-3)hNh = N VfIaX +G =1.0 X 2782.95 + 5 X 9.49 + 8.084 X (ft-5)[R a ∖ = Nhfh = 13.2 6m≈ 14m[Λn ] = 3047.95∕<N >⅛ = 2903.17JCiV 342桩的内力计算 ① 计算宽度ħ1 = fc X Jt 7 × (d ÷ 1) = 1 X 0.9 X (1.5 + 1) = 2.25m ② 桩的变形系数计算③ 局部冲刷线处的外力计算⅛ = 2423^oKN Q Q = 693IKN Mo = 97526KN^mS 7000x2.254 0b8 X 2∙85 X 1°7 X 015=0.308m^1④桩身内力计算弯矩:二¥+仁三扛"右足由:,一-才二—n 加B : J由附表冲,_ 「_muAMOΛ Q l JQQK M = LO88M πιax = K M M a = 1.088X975.26= 1Q61.ORKN m剪力:〔;::.; =卍:门::.■亍沌:.j-J '√∕J : ,.j.?'..-i ^ .■< 973.2'J ^,,.ZA mB m Λj Ir fa r ri0.00 0 1 0 69.31 069.31 0.32 0.1 0.98833 -0.0075 68.5011523 -2.2618614 66.2392909 0.65 0.2 0.95551 -0.0279 66.2263981 -8.395621 57.8307771 0.97 0.3 0.90135 -0.0582 62.4725685 -17.482116 44.9904525 1.30 0.4 0.83898 -0.0955 58.1497038 -28.6983052 29.4513986 1.62 0.5 0.76145 -0.1374 52.7760995 -41.2932386 11.4828609 1.95 0.6 0.67486 -0.1819 46.7745466 -54.6421258 -7.8675792 2.27 0.7 0.58201 -0.2268 40.3391131 -68.141203 -27.8020899 2.60 0.8 0.48522 -0.2708 33.6305982 -81.3639306 -47.7333324 2.92 0.9 0.38689 -0.3124 26.8153459 -93.853731 -67.0383851 3.25 1 0.28901 -0.3505 20.0312831 -105.310224 -85.2789411 3.57 1.1 0.19388 -0.3844 13.4378228 -115.475083 -102.037260 3.90 1.2 0.10153 -0.4133 7.0370443 -124.162073 -117.125028 4.22 1.3 0.01477 -0.4369 1.0237087 -131.236022 -130.212313 4 55 1.4 -0 0658 -0 4548 -4 5647566 -136 630846 -141 195603 4.871.5 -0.1395 -0.4671 -9.6701312 -140.322517 -149.992648 5.191.6-0.2055-0.4737-14.246670-142.314036-156.56070611.36 3.5 0.05081 0.01354 11.43 13.21 24.64 P 12.994 0.00005 P 0.000090.010.090.10M(KN-m)Nm) Q212006S1012 14IoOO5.52 1.7 -0.2635 -0.4749 -18.269422 -142.668484 -160.9379075.84 1.8 -0.3134 -0.4710 -21.725219 -141.487991 -163.2132106.17 1.9 -0.3550 -0.4622 -24.605743 -138.844647 -163.4503906.49 2 -0.3883 -0.4491 -26.919310 -134.912673 -161.8319847.14 2.2 -0.4317 -0.4117 -29.923899 -123.693480 -153.6173797.79 2.4 -0.4464 -0.3631 -30.944835 -109.073985 -140.0188218.44 2.6 -0.4365 -0.3073 -30.254508 -92.3127816 -122.5672899.09 2.8 -0.4064 -0.2485 -28.168277 -74.6534414 -102.8217189.74 3 -0.3606 -0.1905 -24.996651 -57.2283976 -82.225049111.3 3.5 -0.1997 -0.0167 -13.844672 -5.0223536 -18.867026112.9 4 -0.0000 -0.0004 -0.0013862 -0.135171 -0.1365572343桩身配筋计算Zg = l-98τπ M maX= 1061Λr∕V-τn计算轴力N j恒载系数1.2活载系数1.4=2222.33KN①纵筋面积:按含筋率为0∙2%配置A a = -X15z Xθ.2%=3S13xlO^4m2o4Nj=N Q + 1.2 X {[尹X L98 X■25-19.627)]- ---- X 1.98x40Z(m)取8根φ 25 HRB335钢筋f f rf = 2 80MPfl= 39.27 X IO-4Tn2桩柱采用C25混凝土fed= Il-Sftfpa②偏心距增大系数长细比广厂I- ■i H 0.375取■- -l■ Jn.截面有效高度∕∙'⅛: i- _ . -匚…(!=0.2+2.7^=110^1h(jf2= ∏5-0.0⅛=L06¾l”kI a2所以偏心距增大系统-「.一■.1I J ------------------------ X 1400x 0.477/1-425③ 截面实际偏心距η¾ = 1.186 X 0.477 = 0.566m ④ 轴力偏心距 “ 一 ∣ΠiVi ∣ J设=l ∣ . 1⑤ 截面承载力复核 N U = Ar^Cd + CP^r Sd=0.8369 7502 ・ 1L5 - 0.5227 - 0.002 7502* 280 =5 2 49.05KW叽=Br 2f cd + Dpgr 3f ,sd=0.5304 * 7503 -11.5 + 1.8711 ・0.002 7503 ・ 280 = 3015.32KNm⑥ 裂缝宽度验算M S = X rn M O = 1.OΘ8 X 623.48 = 678.35X⅛ - τn¾=206313÷ 2 ×ιςs×-l×1-5× 1-9s ×40ξA B C D (e °) e 0 (e °)/ e 0 0.40 0.8667 0.5414 -0.4749 1.8801 0.554 0.566 0.98 0.39 0.8369 0.5304 -0.5227 1.8711 0.566 0.566 1 0.380.80740.5191-0.57071.86090.5770.5661.02=Bfai+DpgF 忒^fCdPf f S(I11-5J E+0.00ΞX0.9X280D 11.5X+0.002X2SOCξ =0.39= 1.186X0.7S=1904.7IKNrL = Q A^ = 2t 46900 B 龙=1.63159A φ = ^1.63159B qJ = -175417 所以X O = 0.004C⅛n 鋼D = —0.0038rαd 因为E l =J I=TiX-= 0.249m 4丄DiiI67⅛351904.71=356mm 5氓 皑㈣•竽-1©"®]』59.42 X1904712ZX75O 2X25(2.8OX1.0X356 75Q-LO)-1.65 X 0.002 X IQ-3 = -1.613 X If)^MPa < 24MPa 所以不必验算宽度⑦ 纵向水平位移(桩EI = SJXlO 61 ∩4I -πχ-= 0.04W1⅞4所以f j1 1.04 η = ^ = -- = 0.198 1ει 1.54墩顶水平位移:Γo= IQSmαZ%= 3.357h2= O ⅛2= O由附表14和附表15可知A XI= 55.42197 Aφl= 14-18372A気=55Λ2197 B,jcl= 14.18372墩顶内力:Q=QoM = 135.00 + (11.62 - 10.9) X 5.2 + (10.9-4.96) X 3.0=156.56KN-IlI+ MBI)T X I=0,0271加=27.2mm4钢筋构造图4.1钢筋用量计算4.1.1纵筋用量计算I = SX (13.35 + 0.66- 0.06 X 2) = 111.12m 4.1.2桩身普通箍筋用量箍筋间距取200mm<15d,且不大于300mm,箍筋焊接长度取100mm,选φ 10H235钢筋1 = 2π ・Cl-5/2 一0.06 + 0.010/2) X 13.35/0.2 =291.34m 4.1.3横系梁主筋用量搭接长度取900mm>35主筋直接IQ= 3.5 + 0.9 —0.06 X 2. = 4.28m∕根取配筋率'■Ag= 1.22x 0.2% = 2⅛8 X IO-4Tn2选6根φ 25HRB335钢筋l = 6J0= 25.68m 4.1.4横系梁箍筋用量间距取400mm,选φ 10R235钢筋I O= (1080 X 4+ 25X π∕25) X 3500/400 = 4359??Im取9根钢筋l = gj0= 39.24m 4.1.5加劲箍筋用量选用φ 25R235钢筋1 = 2π(1.5∕2 一0.06 + 0.008/2) -14/2 = 30.51m 4.1.6定位钢筋用量选用φ 25R235钢筋1 = 0.52 X 4X 14/4= 7.28m 4.1.7伸入横系梁箍筋用量1 = 2<1 S/2 - α<J6 + OJDWZ) -1-08/0.2 = 23.57∏ι 4.1.8总用量111.12 + 291.34 + 25.68 + 39.24+- 30.51 + 7.28 +23.57 =528.74m 4.2配筋图见附图一4.3三视图见附图二5 参考文献i规范:《公路桥涵设计通用规范》(JTG D60-2004《公路钢筋混凝土及预应力混凝土桥涵设计规范》 ( JTG D62-2004)《公路桥涵地基与基础设计规范》 ( JTG D63-200)7《道路工程制图标准》 ( GB50162-92)ii《结构设计原理》凌治平主编,人民交通出版社iii《基础工程》凌治平主编,人民交通出版社iv《桥梁工程》V公路桥涵设计手册《墩台与基础》,人民交通出版社。