河道疏浚质量评定表
- 格式:doc
- 大小:37.50 KB
- 文档页数:1
表4.19河道疏浚单元工程施工质量验收评定表
填表说明
填表时必须遵守“填表基本规定”,并符合以下要求。
1.单元工程划分:按设计、施工控制质量要求,每一疏浚河段划分为一个单元工程。
当设计无特殊要求时,河道疏浚施工宜以200~500m疏浚河段划分为一单元工程。
2.单元工程量:填写本单元工程量(m³)。
3.检验(测)方法及数量。
4.单元工程施工质量验收评定应包括下列资料。
(1)施工单位应提交单元工程中所含工序(或检验项目)验收评定的检验资料,原材料、拌和物与各项实体检验项目的检验记录资料。
(2)监理单位应提交对单元工程施工质量的平行检测资料。
5.开挖横断面每边最大允许超宽值和最大允许超深值。
续表
6.单元工程质量标准。
(1)合格标准。
1)主控项目,检验结果应全部符合SL634—2012的要求。
2)一般项目,逐项应有70%及以上的检验点合格,且不合格点不应集中。
3)各项报验资料应符合SL634—2012的要求。
(2)优良标准。
1)主控项目,检验结果应全部符合SL634—2012的要求。
2)—般项目,逐项应有90%及以上的检验点合格,且不合格点不应集中。
3)各项报验资料应符合SL634—2012的要求。
水利水电工程
表4.19 河道疏浚单元工程施工质量验收评定表。
表4.19河道疏浚单元工程施工质量验收评定表
填表说明
填表时必须遵守“填表基本规定”,并符合以下要求。
1.单元工程划分:按设计、施工控制质量要求,每一疏浚河段划分为一个单元工程。
当设计无特殊要求时,河道疏浚施工宜以200~500m疏浚河段划分为一单元工程。
2.单元工程量:填写本单元工程量(m3)。
3.检验(测)方法及数量。
4.单元工程施工质量验收评定应包括下列资料。
(1)施工单位应提交单元工程中所含工序(或检验项目)验收评定的检验资料,原材料、拌和物与各项实体检验项目的检验记录资料。
(2)监理单位应提交对单元工程施工质量的平行检测资料。
5.开挖横断面每边最大允许超宽值和最大允许超深值。
续表
6.单元工程质量标准。
(1)合格标准。
1)主控项目,检验结果应全部符合SL634—2012的要求。
2)一般项目,逐项应有70%及以上的检验点合格,且不合格点不应集中。
3)各项报验资料应符合SL634—2012的要求。
(2)优良标准。
1)主控项目,检验结果应全部符合SL634—2012的要求。
2)—般项目,逐项应有90%及以上的检验点合格,且不合格点不应集中。
3)各项报验资料应符合SL634—2012的要求。
水利水电工程
表4.19 河道疏浚单元工程施工质量验收评定表。
河道疏浚单元工程施工质量验收评定表表11.0.2
河道疏浚单元工程施工质量标准表11.0.2
浆砌石护坡单元工程施工质量标准表10.0.7
浆砌石护坡单元工程施工质量验收评定表表10.0.7
土料碾压施工质量标准
土料碾压施工质量验收评定表
基面清理施工质量标准
基面清理施工质量验收评定表
水泥砂浆勾缝单元工程施工质量标准
水泥砂浆勾缝单元工程施工质量验收评定表
水泥砂浆砌石体伸缩缝(填充材料)施工质量标准
水泥砂浆砌石体伸缩缝(填充材料)施工质量验收评定表
水泥砂浆砌石体层面处理施工质量标准
水泥砂浆砌石体层面处理施工质量验收评定表
水泥砂浆砌石体砌筑施工质量标准表7.3.4-1
水泥砂浆砌石体砌筑施工质量验收评定表
单元工程施工质量验收评定表(不划分工序)
土方开挖单元工程质量评定表。
表4.19河道疏浚单元工程施工质量验收评定表
填表说明
填表时必须遵守“填表基本规定”,并符合以下要求。
1.单元工程划分:按设计、施工控制质量要求,每一疏浚河段划分为一个单元工程。
当设计无特殊要求时,河道疏浚施工宜以200~500m疏浚河段划分为一单元工程。
2.单元工程量:填写本单元工程量(m³)。
3.检验(测)方法及数量。
4.单元工程施工质量验收评定应包括下列资料。
(1)施工单位应提交单元工程中所含工序(或检验项目)验收评定的检验资料,原材料、拌和物与各项实体检验项目的检验记录资料。
(2)监理单位应提交对单元工程施工质量的平行检测资料。
5.开挖横断面每边最大允许超宽值和最大允许超深值。
续表
6.单元工程质量标准。
(1)合格标准。
1)主控项目,检验结果应全部符合SL634—2012的要求。
2)一般项目,逐项应有70%及以上的检验点合格,且不合格点不应集中。
3)各项报验资料应符合SL634—2012的要求。
(2)优良标准。
1)主控项目,检验结果应全部符合SL634—2012的要求。
2)—般项目,逐项应有90%及以上的检验点合格,且不合格点不应集中。
3)各项报验资料应符合SL634—2012的要求。
水利水电工程
表4.19 河道疏浚单元工程施工质量验收评定表。
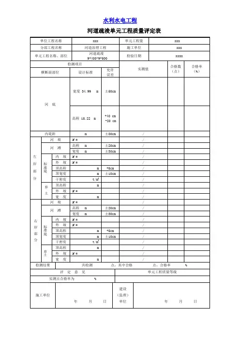
表1.17填表说明
填表时必须遵守“填表基本规则”,并符合以下要求:
1、单元工程划分:按设计、施工控制质量要求的段划分,每一疏
浚河段为一个单元工程。
2、单元工程量:填写河段长度(m),土石方量(M3)。
3、检查数量:以检查疏浚的横断面为主,横断面间距宜为50m,
检测点间距宜为2~5m,必要时可检测河道纵断面,以便复核。
4、单元工程质量标准:检测点不欠挖,超宽超深值在允许范围内,
即为合格点。
凡单元工程范围内,检测合格点占总检测点数的
90%及以上的,即评为“合格”。
检测合格点占总检测点数的
95及以上的,即评为“优良”。
河道疏浚单元工程施工质量验收评定表表11.0.2
河道疏浚单元工程施工质量标准表11.0.2
浆砌石护坡单元工程施工质量标准表10.0.7
浆砌石护坡单元工程施工质量验收评定表表10.0.7
土料碾压施工质量标准表 5.0.6
土料碾压施工质量验收评定表表 5.0.6
基面清理施工质量标准表 4.0.4
基面清理施工质量验收评定表表 4.0.4
水泥砂浆勾缝单元工程施工质量标准表7.5.4
水泥砂浆勾缝单元工程施工质量验收评定表表7.5.4
水泥砂浆砌石体伸缩缝(填充材料)施工质量标准表73.5
水泥砂浆砌石体伸缩缝(填充材料)施工质量验收评定表表73.5
水泥砂浆砌石体层面处理施工质量标准表733
水泥砂浆砌石体层面处理施工质量验收评定表表7.3.3
水泥砂浆砌石体砌筑施工质量标准表73.4-1
水泥砂浆砌石体砌筑施工质量验收评定表表7.3.4-1
单元工程施工质量验收评定表(不划分工序)
土方开挖单元工程质量评定表。
河道疏浚单元工程施工质量验收评定表表11.0.2
河道疏浚单元工程施工质量标准表11.0.2
浆砌石护坡单元工程施工质量标准表10.0.7
浆砌石护坡单元工程施工质量验收评定表表10.0.7
土料碾压施工质量标准
土料碾压施工质量验收评定表
基面清理施工质量标准
基面清理施工质量验收评定表
水泥砂浆勾缝单元工程施工质量标准
水泥砂浆勾缝单元工程施工质量验收评定表
水泥砂浆砌石体伸缩缝(填充材料)施工质量标准
水泥砂浆砌石体伸缩缝(填充材料)施工质量验收评定表
水泥砂浆砌石体层面处理施工质量标准
水泥砂浆砌石体层面处理施工质量验收评定表
水泥砂浆砌石体砌筑施工质量标准表7.3.4-1
水泥砂浆砌石体砌筑施工质量验收评定表
单元工程施工质量验收评定表(不划分工序)
土方开挖单元工程质量评定表。