工程项目精细化管理表格(全套)
- 格式:doc
- 大小:4.06 MB
- 文档页数:54
第一章项目前期策划准备
第一节投标交底
表1-1
第二节合同交底
合同交底表表1-2
第三节项目目标管理责任书交底
第一节项目管理目标确定
第三节施工现场平面布置
第五节资源配置策划
第七节绿色施工创建策划
第十节技术管理策划
分达到省内领先
第十一节成本管理策划
制。
其中“七、其他费用”包括税金、贷款利息、上缴管理费等。
表2-13
成本与合同价对比,寻找风险点与不利因素,并针对性制定降低成本的措施,如:分包方式、主材消耗量控制措施及其他管理方式的选择等。
【编制说明】本表主要目的为增加收入。
各工程公司根据工程项目实际情况,寻找二次经营突破点,并制定对应措施。
第十二节资金流量策划
40 / 42
第三章策划交底。
1 / 33工程精细化管控表格----------------------- -----------------------日期:编号:JXH-8-1 版本:2012室给水(热水)管道安装见证点检查表(填表说明)填写说明:1、适用于长时间、需要多次检查的事项;2、采用打“√”的方式对检查容逐项检查,发现的问题请在检查记录中注明;3、此表建议按部位或楼层填写,即每一楼层填写一份,一样检查容如无变化(例:方案类、材料类等)在第一次检查表中填写,后续检查表中可不填写。
编号:JXH-8-1 版本:20122 / 33室给水(热水)管道安装见证点检查表(样表填写)填写说明:1、适用于长时间、需要多次检查的事项;2、采用打“√”的方式对检查容逐项检查,发现的问题请在检查记录中注明;3、此表建议按部位或楼层填写,即每一楼层填写一份,一样检查容如无变化(例:方案类、材料类等)在第一次检查表中填写,后续检查表中可不填写。
编号:JXH-8 -2 版本:20123 / 33室排水管道安装见证点检查表(填表说明)填写说明:1、适用于长时间、需要多次检查的事项;2、采用打“√”的方式对检查容逐项检查,发现的问题请在检查记录中注明;3、此表建议按部位或楼层填写,即每一楼层填写一份,一样检查容如无变化(例:方案类、材料类等)在第一次检查表中填写,后续检查表中可不填写。
编号:JXH-8 -2 版本:2012室排水管道安装见证点检查表(样表填写)4 / 33填写说明:1、适用于长时间、需要多次检查的事项;2、采用打“√”的方式对检查容逐项检查,发现的问题请在检查记录中注明;3、此表建议按部位或楼层填写,即每一楼层填写一份,一样检查容如无变化(例:方案类、材料类等)在第一次检查表中填写,后续检查表中可不填写。
编号:JXH-8-3 版本:2012卫生器具与附件安装见证点检查表(填表说明)5 / 336 / 33填写说明:1、适用于长时间、需要多次检查的事项;2、采用打“√”的方式对检查容逐项检查,发现的问题请在检查记录中注明;3、此表建议按部位或楼层填写,即每一楼层填写一份,一样检查容如无变化(例:方案类、材料类等)在第一次检查表中填写,后续检查表中可不填写。
精细化管理规定表格修订版IBMT standardization office【IBMT5AB-IBMT08-IBMT2C-ZZT18】附件1 项目业主基本情况调查表项目业主基本情况调查表表格编号0201项目名称项目地址项目规模投资额度项目用途预计开工时计划竣工时间业主情况单位名称法人代表办公地点公司规模所属行业上级单位项目主要负责联系电话社会信誉合作方评价业主资金情况资金来源有无垫资要求资金到位情况垫资数额支付条件有无预付款进度款支付方投标保证金额履约保证的方式及建设方对承包商要求与建设方接触情况描述竞争对手与业主关系描述工程设计情况建设方倾向性项目所在地政治、经济、社会环建设方供应物资情况调查建设方指定分包的调查调查人审核人批准人时间时间时间附件2 项目施工现场情况调查表项目施工现场情况调查表表格编号0202项目名称项目地址现场条件拆迁情况场地平整通水情况通电情况道路情况污水排放主要桥梁是否扰民地质条件周边社区周边环境政府机构施工材料当地劳务现场情况及周边环境简图施工现场总体评价现场施工时可能遭遇的疑难问题制表人审核人批准人时间时间时间附件3 项目投标评审表表格编号项目投标评审表0203项目名称项目基本情况项目风险评估评估内容风险程度可采取的措施8项目验收时环境因素影响程度9现有地下设施的风险10斜坡、土壤、堤坝等风险11特殊建筑材料定货及规格风险12运输及场外制作的风险13施工图纸不齐引起的风险14工程完工交工前的成品保护风险15业主对修补工作要求的风险项目预测毛利率安全、质量、进度的保障程度资金流能否保证需要综合性结论参与评审人员会签营销副总经理意见:附件4 项目投标总结表表格编号项目投标总结表0204项目名称项目地址建设单位附件5 项目成本控制及措施计划表项目成本控制及措施计划表表格编号0801序号费用名称针对责任成本拟采取的主要措施及成本降低点分析责任成本 (元)计划成本 (元)降低额 (元)降低率 (%)责任部门(责任人)1 人工费 2材料费(1) 工程材料费 (2) 周转材料费合计 经济标排名技术标排名中标/未中标原因分析制表人审核人批准人时间时间时间注:1、金额单位为万元。
附件1 项目业主基本情况调查表项目业主基本情况调查表表格编号0201项目名称项目地址项目规模投资额度项目用途预计开工时间计划竣工时间业主情况单位名称法人代表办公地点公司规模所属行业上级单位项目主要负责人联系电话社会信誉合作方评价业主资金情况资金来源有无垫资要求资金到位情况垫资数额支付条件有无预付款进度款支付方式投标保证金额履约保证的方式及数额建设方对承包商要求与建设方接触情况描述竞争对手与业主关系描述工程设计情况建设方倾向性项目所在地政治、经济、社会环境分析建设方供应物资情况调查建设方指定分包的调查调查人审核人批准人时间时间时间附件2 项目施工现场情况调查表项目施工现场情况调查表表格编号0202 项目名称项目地址现场条件拆迁情况场地平整通水情况通电情况道路情况污水排放主要桥梁是否扰民地质条件周边社区周边环境政府机构施工材料当地劳务现场情况及周边环境简图施工现场总体评价现场施工时可能遭遇的疑难问题制表人审核人批准人时间时间时间附件3 项目投标评审表项目投标评审表表格编号0203 项目名称项目基本情况项目风险评估评估内容风险程度可采取的措施低高1 2 3 4 5一、商务及合同风险评估1业主背景(如国有背景应低)2产权背景(如国有背景应低)3财经能力(如财政资金应低)4业主人员态度、文化及合作5如工程不能完成对企业的社会影响6合同无定量或要承包商算量的风险7合同蓝本采用风险8合同条文苛刻程度9履约保证金、质保金、延期罚款等10指定分包商/材料商管理风险11工程变更后处理风险12可索赔风险,包括工期等13被指定分包商/材料商索赔风险14结算风险附件4 项目投标总结表表格编号项目投标总结表0204 项目名称项目地址建设单位质量要求工期要求是否中标开标日期投标情况总结参加投标单位投标总价(万元)工期承诺质量承诺备注合计经济标排名技术标排名中标/未中标原因分析制表人审核人批准人时间时间时间附件5 项目成本控制及措施计划表项目成本控制及措施计划表表格编号0801序号费用名称针对责任成本拟采取的主要措施及成本降低点分析责任成本(元)计划成本(元)降低额(元)降低率(%)责任部门(责任人)1 人工费2 材料费(1)工程材料费(2)周转材料费3 机械使用费4 其他直接费(1)临时设施费(2)安全措施费(3)其它费用5 间接费6 税金78 合计编制审核批准时间时间时间注:1、金额单位为万元。
附件2 项目施工现场情况调查表项目施工现场情况调查表表格编号0202 项目名称项目地址现场条件拆迁情况场地平整通水情况通电情况道路情况污水排放主要桥梁是否扰民地质条件周边社区周边环境政府机构施工材料当地劳务现场情况及周边环境简图施工现场总体评价现场施工时可能遭遇的疑难问题制表人审核人批准人时间时间时间- 1 - / 26- 2 - / 26附件7 分工号主要物资需用数量明细表盘条圆钢螺纹钢螺纹钢砼水泥HPB235HPB235HRB335HRB3358mm(t)10mm(t)12mm(t)14mm(t)分工号主要物资需用数量明细表表格编号0901工程项目名称: 工号(单位工程):……技术负责人: 审核人: 编制人: 物资部接收人: 日期: 年 月 日序号工程部位C25(m3)P.O42.5(t)注:本表为工程技术部门按施工图及施工组织设计填列设计数量,提交物资部门后,用于统计分劳务分包队限额供应数量;工程部位按以下示例进行填列:①桥梁:桩基(墩号+桩号)、承台(分墩号)、墩身(分墩号)、梁(编号)、桥面系(里程);②隧道:里程;③涵洞:垫层、底板、涵身、顶板、八字墙④路基:里程;⑤水工构筑物:垫层、底板(分区)、隔墙、池壁。
附件8 主要物资需用限(定)额数量总计划表主要物资需用限(定)额数量总计划表表格编号0902项目名称:序号物资名称型号规格质量标准技术要求计量单位主要物资需用数量合计工号1 工号2 工号3 工号4 工号5 ……技术负责人:审核人:编制人:物资部接收人:日期:年月日注:本表根据《主要物资需用数量明细表》及月度施工生产计划编制,书面移交给物资部门,用于编制月度物资采购(申请计划)。
- 3 - / 26附件9 主要物资月度需用量计划表主要物资月度需用量计划表表格编号0903项目名称:年月份序号物资名称型号规格质量标准技术要求计量单位需用数量进场时间备注合计工号1 工号2 工号3 工号4 工号5 ……技术负责人:审核人:编制人:物资部接收人:日期:年月日注:本表根据《主要物资需用数量明细表》按工号汇总后填列,交给物资部门后,用于项目经理部物资进货数量的总控。
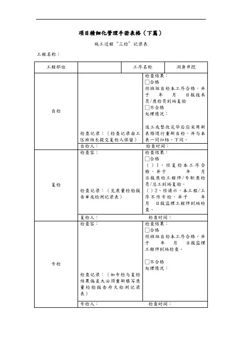
项目精细化管理手册表格(下篇)施工过程“三检”记录表工程名称:图纸会审记录表设计变更及工程洽商审核记录设计变更及工程洽商审核台账新技术应用情况表新技术经济效益计算表物资进场验收计划检测、试验台账项目合同交底记录卷目录合同分发记录合同管理台账合同日常管理监督检查表检查时间:年月日《成本计划编制成果》附表1 劳务分包成本附表2 专业分包成本附表3 材料费(含实体设备)附表4 机械费附表5 周转料具成本附表6 安全文明费附表7管理费附表8其他费用附表9成本计划汇总第四节成本控制4.1成本控制1.成本预控要素分析成本预控的要素分析表第五节变更、签证、索赔5.2洽商和签证6.2物资设备的采购管理采购招标计划工程名称:时间段:至来源。
“特殊要求”可写明材料附加品(如外加剂)以及其他特殊要求。
填表人:负责人:批准人:招标文件评审会签表招标类型:6.3物资结算程序物资结算台账年度月份物资验收汇总表收料单物资送检台账主要物资供应台账工i程主要材料消耗指标有权领料人限额领、发料卡领料单工程名称:领料单位:材料使用部位:领料班组:限额材料数量调整通知单工程名称:钢筋下料表编制单位:编号:分层分段分部位混凝土方量租赁材料归还/出库记录编制单位:编号:盘点情况记录表编制单位:编号:直螺纹套筒用量统计表第七节分包承包管理7.2分包队伍现场管理主体劳务公司钢材余料确认表编制单位:编号:计划量与消耗量对比专业分包单位材料出场/退场申请项目部:我单位兹申请如下材料设备出场/退场,请予审批:批准人:经办人:农民工花名册项目部名称:劳务公司(专业分包公司):编号:农民工工资发放表项目部名称:劳务公司(专业分包公司):编号:7.3分包商结算管理工程核验单年度月份工程结算清单发包单位:承包单位:编制日期:年月日发包负责人:承包负责人:工程结算封面编制单位:单位:元分包商结算支付台账统计分包商中间结算台账统计。
精细化管理主要工作一览表序主要工作内容号中标资料移交及1交底施工调查工程管理筹划实施性施工组织设计编制、工程筹划图纸审核施工图数量清理6及优化施工技术交底物资方案物资采购物资使用物资核算机械设备及周转12材料配置方案机械设备及周转13材料租赁方案层级及部门分工公司市场营销部,将资料移交工程管理部,并向工程、物机及本钱等部门做书面交底;合同签订部门将施工合同交工程管理部公司工程管理部组织,安质、物机、本钱、人资等部门和工程部参加,必要时邀请上级单位或专家参与直管工程由集团公司直管工程部工程经理负责组织工程相关部门编制;代管工程由集团公司代管工程部工程经理负责组织工程相关部门编制;自管工程由子分公司工程部工程经理负责组织工程相关部门编制。
实施性施工组织设计编制由工程经理组织,各部门参与;公司审批由工程管理部组织,物机、安质等部门参与,技术负责人审批由工程总工组织,工程部负责,物机、安质等部门参与由工程工程部组织,物机、工经等部门参与,工程总工审核由工程总工组织,工程部具体负责,分级进行由工程物机部牵头,工程部配合由工程物机部负责由工程物机部负责工程物机部牵头,工程、工经、财务等部门配合工程工程部主责,物机部配合,工经部参与工程物机部主责完成时间市场营销部在中标通知书下达后3个工作日内移交资料,合同签订部门在施工合同签订后7日内移交营销交底后,工程自中标之日起15日内组织工程开工前报批施工调查完成30日内,正式施工前完成图纸交付使用前收到图纸15日内完成相应工序实施前工程施工图纸到后15日内对已到图纸局部所需物资编制物资方案物资需求方案完成后,公开招标45日内完成、竞争性谈判30日完成、竞价采购日内完成物资发放后,及时办理签认及台账处理每月末对现场、库房主要物资、在制品、半成品、成品进行盘点施工组织设计方案确定后日内完成施工组织设计通过公司审批后12日内完成手册对应内容10条11条13条85条81条81、82条86条49条51条第53条58条61条63条—1—序主要工作内容层级及部门分工完成时间手册对号应内容14 周转料及设备租工程物机部主责,工经部配每月25日到次月月初完成第63 条赁费收方结算合15 资金集中管理工程财务部主责,本钱、物全过程第118 机等部门配合条16工程财务部主责,本钱、物全过程。
附件1 《项目业主基本情况调查表》(0401) 附件2 《项目施工现场情况调查表》(0402) 附件3 《项目投标评审表》(0403)附件4 《项目投标总结表》(0404)附件5 工程验工计量管理台帐(1101)附件6 合同封帐协议(1102)附件7 项目成本控制及措施计划表(1301)附件8 项目成本管理情况信息表(1302)附件9 进场/入库物资验收登记簿附件10 物资送检台账附件11 分工号主要物资需用数量明细表附件12主要物资月度采购(申请)计划表附件13 主要物资收发台长(A)附件14 物资发票管理台帐附件15 物资采购合同管理台长附件16 物资进场管理台帐附件17 物资进场称重记录表附件18物资供方调查审批表附件19物资供方定期复评表附件20建筑行业节能减排统计监测汇总表附件21 节能减排费用支出报表附件22周转材料及小型机具使用申请单附件23 周转材料及小型机具调拨通知单附件24周转材料、小型机具报废申请单附件25 《机械设备需求计划》(1501)附件26 《机械设备配置计划》(1502)附件27 《外租机械供方评价表》(1503)附件28 《机械设备租赁计划(申请)表》(1504)附件29 《机械租赁计价结算单(封皮)》(1505)附件30《机械租赁计价结算表(封一)》(1506)附件31 《租赁机械运转、维保、消耗情况表(封二)》(1507)附件32 《机械工作台班签认单(零租)》(1508)附件33 《机械设备租赁(合同)台账》(1509)附件34 《机械租赁结算管理台账》(1510)附件35 《年季度租赁机械设备情况统计表》(1511)附件36 《机械设备进场单机检查评估表》(1512)附件37 《自有/租赁/协作机械退场记录表》(1513)附件38 《机械使用、消耗台帐》(1514)附件39 《机械使用费单机单车核算表》(1515)附件40 《机械使用费单机单车核算汇总表》(1516)附件41 《设计文件审核记录》(1801)附件42 《设计文件审核台帐》(1802)附件43 《工程数量复核台帐》(1803)附件44 《规范标准清单》(1804)附件45 《测量设备一览表》(1805)附件46 《复核测量管理台帐》(1806)附件47 《施工组织设计(专项施工方案)管理台帐》(1807)附件48 《施工组织设计(专项施工方案)编制审批计划表》(1808)附件49 《技术交底书》(1809)附件50 《技术交底执行情况检查记录表》(1810)附件51 《施工过程监督检查记录表》(1811)附件52 《技术文件总目录》(1813)附件53 《技术文件发放台帐》(1814)附件54 《节能减排报表管理台帐》(1815)附件55《环境因素识别评价表》(2101),附件56《重要环境因素清单》(2102)。
工程项目精细化管理表格(全套)附件1:项目业主基本情况调查表以下是项目业主基本情况调查表的内容:项目名称、地址、规模、用途等基本信息;业主所属行业、主要负责人、社会信誉、资金来源、资金到位情况、支付条件等;投标保证金额、建设方对承包商的要求、与建设方接触情况描述、竞争对手与业主关系描述等;工程设计情况、建设方倾向性、项目所在地政治、经济、社会环境分析、建设方供应物资情况调查、建设方指定分包的调查等;调查人、时间、审核人、有无预付款、履约保证的方式及数额、批准人、预计开工时间、表格编号、投资额度、计划竣工时间、法人代表、公司规模、上级单位、联系电话、合作方评价、有无垫资要求、垫资数额、进度款支付方式等。
附件2:项目施工现场情况调查表以下是项目施工现场情况调查表的内容:项目名称、地址、拆迁情况、通水情况、道路情况、现场条件主要桥梁、地质条件、周边环境、施工材料等基本信息;现场情况及周边环境简图、施工现场总体评价、现场施工时可能遭遇的疑难问题等;制表人、时间、审核人、批准人、场地平整、通电情况、污水排放、是否扰民、周边社区、政府机构、当地劳务、表格编号等。
附件3:项目投标评审表以下是项目投标评审表的内容:项目名称、项目基本情况、项目风险评估等基本信息;商务及合同风险评估,包括业主背景、产权背景、财经能力、业主人员态度、文化及合作、合同无定量或要承包商算量的风险、合同蓝本采用风险、合同条文苛刻程度、履约保证金、质保金、延期罚款等、指定分包商/材料商管理风险、工程变更后处理风险、可索赔风险,包括工期等、被指定分包商/材料商索赔风险、结算风险等;工程管理、进度、技术风险评估,包括对管理人员资质要求、对质量、安全、环保要求、工期是否合理、分期交工时,分段完工工期风险、需要特别技术的风险、施工现场及临时设施的风险、施工周边环境及布局存在的风险、项目验收时环境因素影响程度(如地下)、现有地下设施的风险、斜坡、土壤、堤坝等风险、特殊建筑材料定货及规格风险等;评估内容低高、可采取的措施、表格编号等。
附件1 项目业主基本情况调查表项目业主基本情况调查表表格编号0201项目名称项目地址项目规模投资额度项目用途预计开工时计划竣工时间业主情况单位名称法人代表办公地点公司规模所属行业上级单位项目主要负责联系电话社会信誉合作方评价业主资金情况资金来源有无垫资要求资金到位情况垫资数额支付条件有无预付款进度款支付方投标保证金额履约保证的方式及数建设方对承包商要求与建设方接触情况描述竞争对手与业主关系描述工程设计情况建设方倾向性项目所在地政治、经济、社会环境建设方供应物资情况调查建设方指定分包的调查调查人审核人批准人时间时间时间附件2 项目施工现场情况调查表项目施工现场情况调查表表格编号0202项目名称项目地址现场条件拆迁情况场地平整通水情况通电情况道路情况污水排放主要桥梁是否扰民地质条件周边社区周边环境政府机构施工材料当地劳务现场情况及周边环境简图施工现场总体评价现场施工时可能遭遇的疑难问题制表人审核人批准人时间时间时间附件3 项目投标评审表项目投标评审表表格编号0203项目名称项目基本情况项目风险评估评估内容风险程度可采取的措施低高10斜坡、土壤、堤坝等风险11特殊建筑材料定货及规格风险12运输及场外制作的风险13施工图纸不齐引起的风险14工程完工交工前的成品保护风险15业主对修补工作要求的风险项目预测毛利率安全、质量、进度的保障程度资金流能否保证需要综合性结论参与评审人员会签营销副总经理意见:附件4 项目投标总结表表格编号项目投标总结表0204项目名称项目地址建设单位质量要求工期要求附件5 项目成本控制及措施计划表项目成本控制及措施计划表表格编号0801序号费用名称针对责任成本拟采取的主要措施及成本降低点分析责任成本 (元)计划成本 (元)降低额 (元)降低率(%) 责任部门(责任人)1 人工费 2材料费(1) 工程材料费 (2) 周转材料费 3 机械使用费 4其他直接费(1) 临时设施费中标/未中标原因分析制表人审核人批准人时间时间时间注:1、金额单位为万元。
附件1 项目业主基本情况调查表附件2 项目施工现场情况调查表附件3 项目投标评审表附件4 项目投标总结表附件5 项目成本控制及措施计划表注:1、金额单位为万元。
2、成本控制对象可以采用工程量清单中的分类单项,或者根据工程实际成本构成内容进行分类分析。
附件6 项目成本管理情况信息表填报单位:附件7 分工号主要物资需用数量明细表分工号主要物资需用数量明细表表格编号0901工程项目名称:工号(单位工程):序号工程部位盘条圆钢螺纹钢螺纹钢砼水泥……HPB235HPB235HRB335HRB335C25(m3)P.O42.5(t)8mm(t)10mm(t)12mm(t)14mm(t)技术负责人:审核人:编制人:物资部接收人:日期:年月日注:本表为工程技术部门按施工图及施工组织设计填列设计数量,提交物资部门后,用于统计分劳务分包队限额供应数量;工程部位按以下示例进行填列:①桥梁:桩基(墩号+桩号)、承台(分墩号)、墩身(分墩号)、梁(编号)、桥面系(里程);②隧道:里程;③涵洞:垫层、底板、涵身、顶板、八字墙④路基:里程;⑤水工构筑物:垫层、底板(分区)、隔墙、池壁。
附件8 主要物资需用限(定)额数量总计划表注:本表根据《主要物资需用数量明细表》及月度施工生产计划编制,书面移交给物资部门,用于编制月度物资采购(申请计划)。
附件9 主要物资月度需用量计划表注:本表根据《主要物资需用数量明细表》按工号汇总后填列,交给物资部门后,用于项目经理部物资进货数量的总控。
附件10 主要物资月度采购(申请)计划表注:本表根据《主要物资月度需用量计划表》、库存盘点单、市场调查情况填列。
附件11 物资供方调查审批表附件12 物资供方定期复评表附件13 进场/入库物资验收登记簿注:所有进场及入库物资必须登记入簿,包括零星材料,作为物资实际进场/入库的原始记录;项目经理部可按主材类别分别建立若干本《进场/入库物资验收登記簿》。
附件14 物资送检台账附件15 合同封帐协议附件: 1101合同封帐协议合同编号:劳务作业发包人: (以下简称甲方) 劳务作业承包人:(以下简称乙方)根据编号为的合同,乙方所承建甲方的工程已于年月日全部决算完毕,工程决算总价款人民币(大写)。
附件1 项目业主基本情况调查表项目业主基本情况调查表表格编号0201项目名称项目地址项目规模投资额度项目用途预计开工时间计划竣工时间业主情况单位名称法人代表办公地点公司规模所属行业上级单位项目主要负责人联系电话社会信誉合作方评价业主资金情况资金来源有无垫资要求资金到位情况垫资数额支付条件有无预付款进度款支付方式投标保证金额履约保证的方式及数额建设方对承包商要求与建设方接触情况描述竞争对手与业主关系描述工程设计情况建设方倾向性项目所在地政治、经济、社会环境分析建设方供应物资情况调查建设方指定分包的调查调查人审核人批准人时间时间时间附件2 项目施工现场情况调查表项目施工现场情况调查表表格编号0202 项目名称项目地址现场条件拆迁情况场地平整通水情况通电情况道路情况污水排放主要桥梁是否扰民地质条件周边社区周边环境政府机构施工材料当地劳务现场情况及周边环境简图施工现场总体评价现场施工时可能遭遇的疑难问题制表人审核人批准人时间时间时间附件3 项目投标评审表项目投标评审表表格编号0203 项目名称项目基本情况项目风险评估评估内容风险程度可采取的措施低高1 2 3 4 5一、商务及合同风险评估1业主背景(如国有背景应低)2产权背景(如国有背景应低)3财经能力(如财政资金应低)4业主人员态度、文化及合作5如工程不能完成对企业的社会影响6合同无定量或要承包商算量的风险7合同蓝本采用风险8合同条文苛刻程度9履约保证金、质保金、延期罚款等10指定分包商/材料商管理风险11工程变更后处理风险12可索赔风险,包括工期等13被指定分包商/材料商索赔风险14结算风险附件4 项目投标总结表表格编号项目投标总结表0204 项目名称项目地址建设单位质量要求工期要求是否中标开标日期投标情况总结参加投标单位投标总价(万元)工期承诺质量承诺备注合计经济标排名技术标排名中标/未中标原因分析制表人审核人批准人时间时间时间附件5 项目成本控制及措施计划表项目成本控制及措施计划表表格编号0801序号费用名称针对责任成本拟采取的主要措施及成本降低点分析责任成本(元)计划成本(元)降低额(元)降低率(%)责任部门(责任人)1 人工费2 材料费(1)工程材料费(2)周转材料费3 机械使用费4 其他直接费(1)临时设施费(2)安全措施费(3)其它费用5 间接费6 税金78 合计编制审核批准时间时间时间注:1、金额单位为万元。
2、成本控制对象可以采用工程量清单中的分类单项,或者根据工程实际成本构成内容进行分类分析。
******附件6 项目成本管理情况信息表概算价 中标价降造率 (%)项目总 收入 项目总成 本 项目毛利 率(%) 开累完成 价值 开累成 本 盈(+)亏 (-) 实际毛利 率(%) 盈亏主要原因一 铁路工程二公路工程 三轨道交通工程四市政工程五房建工程编制人:审核人:审批人:年 季度序号项目编 码项目名称备注(毛 利率中含税金%)实际毛利率情况项目责任成本下达情况中标情况表格编号0802填报单位:金额单位:万元项目成本管理情况信息表******附件7 分工号主要物资需用数量明细表盘条圆钢螺纹钢螺纹钢砼水泥HPB235HPB235HRB335HRB3358mm(t)10mm(t)12mm(t)14mm(t)分工号主要物资需用数量明细表表格编号0901工程项目名称: 工号(单位工程):……技术负责人: 审核人: 编制人: 物资部接收人: 日期: 年 月 日序号工程部位C25(m3)P.O42.5(t)注:本表为工程技术部门按施工图及施工组织设计填列设计数量,提交物资部门后,用于统计分劳务分包队限额供应数量;工程部位按以下示例进行填列:①桥梁:桩基(墩号+桩号)、承台(分墩号)、墩身(分墩号)、梁(编号)、桥面系(里程);②隧道:里程;③涵洞:垫层、底板、涵身、顶板、八字墙④路基:里程;⑤水工构筑物:垫层、底板(分区)、隔墙、池壁。
附件8 主要物资需用限(定)额数量总计划表主要物资需用限(定)额数量总计划表表格编号0902 项目名称:序号物资名称型号规格质量标准技术要求计量单位主要物资需用数量合计工号1 工号2 工号3 工号4 工号5 ……技术负责人:审核人:编制人:物资部接收人:日期:年月日注:本表根据《主要物资需用数量明细表》及月度施工生产计划编制,书面移交给物资部门,用于编制月度物资采购(申请计划)。
******附件9 主要物资月度需用量计划表主要物资月度需用量计划表表格编号0903项目名称:年月份序号物资名称型号规格质量标准技术要求计量单位需用数量进场时间备注合计工号1 工号2 工号3 工号4 工号5 ……技术负责人:审核人:编制人:物资部接收人:日期:年月日注:本表根据《主要物资需用数量明细表》按工号汇总后填列,交给物资部门后,用于项目经理部物资进货数量的总控。
******…………附件10 主要物资月度采购(申请)计划表主要物资月度采购(申请)计划表表格编号0904项目名称:年月份序号物资名称型号规格质量标准技术要求计量单位计划单价需用数量库存数量储备数量采购数量计划金额计划进场时间备注技术负责人:审核人:编制人:物资部接收人:日期:年月日注:本表根据《主要物资月度需用量计划表》、库存盘点单、市场调查情况填列。
附件11 物资供方调查审批表物资供方调查审批表表格编号0905项目名称拟供物资名称填报日期物资供方编号物资供方名称:联络地址:联系人:电话:传真:网址:电子邮箱:供方类型:□生产厂家□经销商□出租商调查情况:1、资质: □营业执照□税务登记证□组织机构代码证□资质证书□安全生产许可证□其他:2、许可: □生产许可证□其他:3、产品质量:□具有有效产品检验合格证□具有省部级检测机构出具的检测报告□具有有效产品报告书□样品检验和试验合格□待进货时检验试验□已经使用过,质量良好□名优产品□其他:4、履约能力:5、价格:6、运输:7、组织机构、管理制度:8、管理体系认证情况:9、业绩:10、信誉、服务及用户反馈意见:□优秀□良好□可以□很差11、其他:初步调查结论:□合格□基本合格□不合格记录人:年月日调查人:年月日项目经理部评审意见:批准人:年月日评审人:年月日公司审批意见:批准人:年月日附件12 物资供方定期复评表物资供方定期复评表表格编号0906 项目名称填报日期物资供方编号物资供方名称序号提供主要物资名称计量单位数量序号提供主要物资名称计量单位数量考评项目考评记录证照有效性有效换证过期供货能力有保证一般不能保证产品质量合格不合格批次/数量信誉良好合格较差服务良好合格较差在选定的项目后划√或给出说明综合考评意见:参加考评人:年月日项目经理部审批意见:批准人:年月日公司审批意见:批准人:年月日附件13 进场/入库物资验收登记簿注:所有进场及入库物资必须登记入簿,包括零星材料,作为物资实际进场/入库的原始记录;项目经理部可按主材类别分别建立若干本《进场/入库物资验收登記簿》。
进场/入库物资验收登记簿表格编号0907项目名称: 年 月份序号供料单位物资 名称型号 规格批号生产 厂家计量 单位数量 送货 单号质量证 明文件 验收情 况记录 验收人 签字劳务队验收人 存料 地点应收实收附件14 物资送检台账物资送检台账表格编号0908项目名称:年月份序号物资名称型号规格批号生产厂家计量单位代表数量送检日期委托单号检验单位检验日期检验报告编号检验结果备注附件15 合同封帐协议附件: 1101合同封帐协议合同编号:劳务作业发包人: (以下简称甲方) 劳务作业承包人:(以下简称乙方)根据编号为的合同,乙方所承建甲方的工程已于年月日全部决算完毕,工程决算总价款人民币(大写)。
甲方已支付价款(大写): ,按合同规定留工程质量保证金(大写):,经双方核实,所清算的工程数量、单价、总价皆清楚无误,双方对工程决算无任何异议,不存在其他遗留问题。
本协议自双方签字之日起生效。
本协议一式三份,甲方二份,乙方一份。
甲方:乙方:甲方代表:乙方代表:签订时间:年月日附件16 劳务企业考评表劳务企业考评表表格编号1102序号考评内容分值实得分扣分说明基本情况资质证照情况履约情况人员持证上岗情况资源配置按照要求配足人员设备安全管理安全员配置满足需要安全措施周密、检查整改到位,安全生产处于受控状态未出安全事故质量管理质检员配置满足需要质量自检、互检、交接检到位,整改措施落实到位完工项目质量进度管理总工期满足工期需要节点工期满足需要,过程调整及时现场文明施工施工场地按设计布置、临时设施、机械设备、料库料场、材料构件等整齐有序电缆线路架设、配电、用电设备安装符合规定住地环境整洁有序、食堂卫生、宿舍整洁、生活用水等符合国家卫生标准综合管理用工均签订劳动合同及时上报工资清单,及时发放不拖欠进场人员遵纪守法法律纠纷(扣分) 停工要挟项目调价或补偿和公司发生法律纠纷得分…………附件17 设计文件审核记录表格编号设计文件审核记录1301 工程名称审核范围审核记录:审核人:年月日复核记录:复核人:年月日设计文件交付使用及存在问题上报情况:项目总工程师:年月日存在问题解决情况:(填写获得答复解决的情况,如电子或书面答复文号、时间、答复内容概要、接收人员;问题解决的方式,原文件修订、设计变更等等。
)填写人:年月日…………设计文件审核台帐表格编号1302 项目名称:序号设计文件名称审核记录编号问题处理方式设计文件是否标识设计文件是否发放是否交底施工情况备注图纸会审会议纪要工程联系单/洽商单设计交底设计变更通知单变更图编制/日期:复核/日期:填表说明:本表及时登记,按月整理。
…………附件19 工程数量复核台帐编制/日期: 复核/日期: 审定/日期:填表说明: 此表应在施工图纸或变更设计图纸到达后15天内完成,最终由项目总工程审定。
工程数量复核台帐表格编号 1303项目名称:序号工程名称单位合同清单数量设计数量实际数量复核人审核人备注附件20 变更设计动态管理台账变更设计动态管理台账表格编号1304 项目名称:序号变更申请号变更理由及依据变更内容增减工程数量上报监理日期监理批复日期监理审核情况上报设计日期设计批复日期设计审核情况上报业主日期业主批复日期业主审核情况业主批复文号备注合计总计附件21 规范标准清单表格编号规范标准清单1305项目名称:序号名称编号份数颁布时间实施时间颁布单位有效状态备注编制/日期:复核/日期:说明:本表应及时登记,按季度整理;当某新标准规范替代既有规范时,应在“备注”栏中注明。
附件22 测量设备一览表测量设备一览表表格编号1306 项目名称:序号设备名称管理类型管理编号品牌型号出厂编号测量范围误差确认情况状态保管人确认单位上次确认日期证书编号确认人确认周期下次确认日期…………附件23 复核测量管理台帐复核测量管理台帐表格编号1307 项目名称:序号复测项目计划复测时间实际复测时间成果书编号成果书批复状态是否交底项目经理部监理业主子(分)公司公司附件24 施工组织设计(专项施工方案)管理台帐施工组织设计(专项施工方案)管理台帐表格编号1308 项目名称:序号名称计划编制完成时间实际编制完成时间自评/审批时间是否交底是否发放是否调整备注自评项目经理部监理业主子(分公司)公司股份公司编制/日期:复核/日期:填表说明:此表应及时登记,按月整理。