110V直流屏技术协议
- 格式:doc
- 大小:29.00 KB
- 文档页数:4
直流装置订货技术要求第一章技术规范1 总则1.1本设备技术要求适用于新汶矿业泰山盐化工35KV变配电站工程直流屏装置,它提出了该装置的功能设计、结构、性能、安装和试验等方面的技术要求。
1.2 本技术协议书提出的是最低限度的技术要求,并未对一切技术细节作出规定,也未充分引述有关标准和规范的条文,卖方应提供符合工业标准和本协议书的优质产品。
1.3本技术协议书所使用的标准如遇与卖方执行的标准不一致时,按较高标准执行。
1.4本设备技术要求经买、卖双方确认后作为订货合同的技术附件,与合同正文具有同等的法律效力。
1.5本设备技术协议书未尽事宜,由买、卖双方协商确定。
2 环境条件与设计条件2.1最高温度:____________最低温度:____________2.2海拔高度:____________2.3最大风速:____________2.4环境相对湿度(在25 o时)多年平均值:____________2.5地震烈度:____________度;2.6污秽等级:____________级(爬距:____________按最高工作电压计);2.7 安装地点:户内;3. 设备规范3.1合同设备包括供货方向其他厂商购买的所有附件和设备,这些附件和设备应符合相应的标准规范或法规的最新版本或其修正本的要求。
3.2 除非合同另有规定,均须遵守最新的国家标准(GB)和国际电工委员会(IEC)标准以及国际单位制(SI)标准。
如采用合资或合作产品,还应遵守合作方国家标准,当上述标准不一致时按高标准执行。
所有螺栓、双头螺栓、螺纹、管螺纹、螺栓夹及螺母均应遵守国际标准化组织(ISO)和国际单位制(SI)的标准。
3.3 应遵循的主要现行标准DL/T 459-92 《镉镍蓄电池直流屏(柜)订货技术条件》ZBK45017-90 《电力系统用直流屏通用技术条件》LS(W)30-40-JT 《电力系统用微机控制直流电源柜技术条件》DL478-92 《静态继电保护及安全自动装置通用技术条件》《电力操作电源安全规范和EMC的要求》以上标准均执行最新版本。
直流系统技术协议甲方:乙方:甲乙双方经友好协商,就乙方为甲方供应的直流系统(直流屏)一事达成如下协议,作为订货、生产、交货验收时,双方共同遵守的规范。
此协议作为订货合同附件与合同同时生效。
一、乙方为甲方供应的直流屏配置清单如下:1.1配置说明:①输出5控5合。
双路三相380V输入。
②带母线绝缘监测;断路器采用施耐德;电池采用铅酸免维护蓄电池;③采用XXX 110V10A整流模块,JK007G液晶显示监控器;C型材钢化玻璃门。
1.2主要特点:①具有温度补偿功能;全自动调压;带母线绝缘监测;②全自动均浮充转换对蓄电池充电的全自动智能管理;③可监测控母过欠压、电池组过欠压、母线绝缘异常;④可实现“四遥”功能,提供RS232和RS485接口与上位机通信,达到无人值守;⑤可记录24小时内的运行状况(每半小时记录一次);⑥可记录200条当前故障、200条历史故障。
二、技术要求及性能参数2.1 执行标准乙方提供的设备和配套件要符合以下标准但不局限于以下标准:GB7251 《低压成套开关设备》JB/T8456—96 《低压直流成套开关设备》DL/T456—92 《蓄电池直流屏订货技术条件》ZBK45017—90 《电力系统用蓄电池直流屏通用技术条件》本技术协议没有提到的,乙方必须执行最新的行业标准和国家标准,如国家标准没有规定的,参照执行IEC最新版本的要求执行。
2.2使用环境条件2.2.1 安装地点户内2.2.2 海拔高度0~+1000m2.2.3 环境温度-10℃~+50℃2.2.4 环境湿度95%(+25℃)2.2.5 污秽等级Ⅲ级2.3 直流屏主要技术参数:2.3.1型号:JXXX-20AH/110V2.3.2 配置要求:选用铅酸免维护蓄电池电池(20AH/12V),充电模块采用高频开关电源(110V10A)。
2.3.3 交流输入电压:双路三相380V,50Hz±0.5Hz,并有自动切换及互为闭锁功能。
直流屏技术规范书1、总则1.1 本规范书适用于黑龙煤业供电用微机控制高频开关电源直流屏(高频开关模块、直流屏、及蓄电池)及内部的使用条件、功能设计、结构、性能、安装和试验等方面的技术性能指标。
本规范提出的是最低限度的技术要求,并未对一切技术细节作出规定,也未充分引述有关标准和规范的条文,卖方应提供符合本规范书和有关工业标准的优质产品。
如果卖方没有以书面形式对本规范书的条文提出异议则意味着卖方提供的设备完全符合本规范书的要求。
在签订合同之后,买方保留对本规范提出补充要求和修改的权利,如买方提出修改,卖方应予以配合,具体项目和条件由买卖双方商定。
乙方须执行本技术规范书所列国家标准、国际标准、国家电力行业标准和产品制造国所采用的有关标准,有矛盾时,按较高标准执行。
1.6 在合同签定后,买方有权提出因标准、规程、规范发生变化而产生的修订要求,具体事宜由买卖双方协商解决。
1.7 本规范书作为订货合同的技术附件,与合同正文具有同等的法律效力。
1.8 本规范书未尽事宜,由买、卖双方协商解决。
2、环境条件2.1 室内(通风良好)2.2最高气温: +50℃2.3最低气温:-30℃2.4海拔高度:1250m2.5平均相对湿度:≤95%(25℃)2.6最大相对湿度:≤ 90%(25℃)3、标准和规范DL/T459-2000《电力系统用直流电源柜订货技术条件》DL/T637-1997《阀控式密封铅酸免维护蓄电池订货技术条件》DL/T5044-95 《火力发电厂、变电所直流系统设计技术规定》LS(W)30-40-JT《电力系统用微机控制直流电源柜技术条件》4、技术要求直流系统采用一组220V蓄电池组、高频开关电源模块10A四台,1套中文汉显监控系统、以及按照单母线接线方式配电系统构成。
4.1.1模块化设计,N+1热备,能达到平滑扩容。
4.1.2模块可带电插拔,更换安全方便.。
4.1.3高频开关电源模块能为220V直流系统蓄电池进行初充电、浮充电、均衡充电、强充、经常充电、事故恢复后对蓄电池充电,手动充电和需要时的任何其他充电方式。
五原县富源热力公司集中供热工程直流屏项目技术资料2013.5一、总则1.本技术文件适用于直流系统中采用高频开关电源的直流成套装置的功能设计、结构、性能、安装和试验等方面的技术要求。
2.本技术文件提出的是最低限度的技术要求,并未对一切技术细节作出规定,也未充分引述有关标准和规范的条文,投标方提供符合本投标书和工业标准的优质产品。
3.本技术文件所使用的标准如遇与招标方所执行的标准不一致时,按较高标准执行。
4.本技术文件经双方确认后作为订货合同的技术附件,与合同正文具有同等法律效力。
二、投标直流屏技术标准遵循的主要现行标准有GB/T3859.1—1993 半导体变流器基本要求的规定GB/T7261—1987 继电器及继电器保护装置基本试验方法GB/17478—1998 低压直流设备的特性及安全要求JB/T8456—1996 低压直流开关设备电力系统直流柜通用技术条件及安全要求电控设备用低压直流电源DL/T 5136-2001 火力发电厂、变电所二次接线设计技术规程DL/T459—2000 电力系统直流电源柜订货技术条件DL/T5044—2004 电力工程直流系统设计技术规定DL/T 5137-2001 电测量及电能计量装置设计技术规程GB l3337.1—9l 固定型防酸式铅酸蓄电池技术条件DL/T637—1997 阀控式密封铅酸蓄电池订货技术条件YD/T99—1996 通信用阀控式密封铅酸蓄电池技术要求和检验方法IEC896—2 固定型铅酸蓄电池一般要求和试验方法DL/T5044—95 火力发电厂、变电所直流系统设计技术规定DL/T 856—2004 电力用直流电源监控装置国家电网公司直流电源系统技术标准三、投标直流屏使用环境环境条件1.使用环境条件1.1海拔高度:~1150米1.2耐地震能力:地面水平加速度:0.3g地面垂直加速度:0.15g1.3不结露的最大相对湿度:≤90 %2.室内安装条件2.1室内的温度和湿度2.2最高气温:38.7℃2.3最低气温:-26.2℃2.4相对湿度(25℃):≤85%2.5室内接地电阻:≤0.5Ω2.6供电电压:AC380V2.4供电频率:50Hz四、投标直流屏技术性能1.设备概况1.1直流系统额定电压:220V。
33AH直流屏技术协议直流屏技术规范书量按厂家标配)。
3.2供方应配合需方完成直流屏的安装工作,并在安装过程中提供指导意见,供方负责直流屏的调试工作,应保证直流屏的正常投用;3.3供方应提供直流屏系统的售后技术支持工作,并提供三年的质保期;3.4供方应在招标完成后提供直流屏系统的技术参数,主要包括:电子版图纸(CAD2004格式)、与DCS接口等;1.技术要求4.1概述本直流系统用于向控制、保护等直流负荷供电。
直流系统保证在全厂脱硫岛停电后继续维持其所有负荷在额定电压下继续运行不小于60分钟。
直流系统采用单母线分段接线。
直流系统包括2组110V铅酸阀控免维护蓄电池,2组电池互为备用,2+1套高频开关充电器及直流馈线屏。
直流馈线回路采用塑壳断路器,并能保证在发生短路故障时,各级保护电器有选择性的正确动作。
直流系统设有微机型电压绝缘监察装置和集中监控器。
蓄电池组以浮充电、均衡充电方式运行。
柜内断路器要求选用西门子、施奈德、ABB、常熟。
要求交流输入单元有两路380V/50Hz的交流电源互投电路手动或自动选择一路向充电单元供电(另一路作备用电源),交流输入单元配有防雷电路和三相输入状态监视电路,当缺相或失电时,监视电路启动,自动投切备用电源的同时发出声光报警,并将故障信号通过监控器送往后台和远方遥信装置。
直流屏的一切运行参数和运行状态均可在微机监控器的显示屏上显示。
监控器通过RS485或RS232接口与交流检测单元、直流检测单元、绝缘检测单元、电池巡检检测等单元的通信,从而根据蓄电池组的端电压值,充电装置的交流电压值、直流输出的电压、电流值等数据来进行自动监控。
4.2监控单元的功能1)自诊断和显示功能: 微机监控单元能诊断直流电源系统内部电路的故障及不正常运行状态,并能发出声光报警;实时显示各单元设备的各种信息,包括采集数据、设置数据、历史数据等,可方便及隨时查看整个系统的运行情况和曾发生过的故障信息;2)设置功能:通过监控器对系统参数进行设定和修改各种运行参数,并用密码方式允许或停止操作,以防工作人员误动,增加系统的可靠性;3)控制功能:监控器通过对所采集数据的综合分析处理,做出判断,发出相应的控制命令,控制方式分“远程”和“本地”(即手动和自动)两种方式,用户可通过触摸屏或监控器上的操作键设定控制方式;4)报警功能:监控器具有系统故障、蓄电池熔丝熔断、模块故障、绝缘故障、母线电压异常(欠压或过压)、交流电源故障、电池故障、馈电开关跳闸等报警功能,每项报警有两对继电器无源干接点,作遥信无源接点输出或通过RS232、RS485接遥信输出;5)电源模块的管理: 能控制每一个模块开、关机,能及时读取模块的输出电压、电流数据及工作、故障状态和控制或显示浮充、均充工作状态及显示控制模块的输出电压和电流输出、可实现模块的统一控制或分组控制;6)通信功能:监控器将采集的实时数据和告警信息通过 MODEM(调制解调器)、电话网或综合自动化系统送往调度中心,调度中心根据接收到的信息对直流屏进行遥测、遥信、遥控,运行人员可在调度中心监视各现场的直流系统运行情况,实现无人值守;7)电池管理:监控器具有对蓄电池组智能化和自动管理功能,实时完成蓄电池组的状态检测,单体电池检测,并根据检测结果进行均充、浮充转换、充电限流、充电电压的温度补偿和定时补充充电等。
110kV变电站新建变电工程直流系统设备(不含蓄电池)专用技术规范工程名称:110kV变电站新建工程建设单位:电业局设计单位:勘察设计咨询有限公司设计联系人:(073 -)1 招标设备需求一览表2 供货范围:充、馈电屏、一套充电装置,设备范围和数量见表2-1。
表2-2 成套屏柜元器件规范和数量注:以上设备的具体技术要求见本规范书第4.5条3其他技术条款4 使用说明本专用技术规范与湖南省电力公司110kV变电所直流系统通用技术规范书(6.1版)构成完整的设备技术规范书。
湖南省电力公司110kV变电所直流系统通用技术规范书(6.1版)目次1. 总则2. 供货范围3. 工程条件4. 技术要求5. 技术服务6. 买方工作7. 质量保证和试验8. 包装、运输和储存1总则1.1 本设备技术协议书适用于110kV变电所直流充电屏、直流配电屏的招标订货,它提出了功能设计、结构、性能、安装和试验等方面的技术要求。
1.2 本设备技术规范书提出的是最低限度的技术要求,并未对一切技术细节作出规定,也未充分引述有关标准和规范的条文,卖方应提供符合本规范书和工业标准的优质产品。
1.3 如果卖方没有以书面形式对本规范书的条文提出异议,则意味着卖方提供的设备(或系统)完全符合本规范书的要求。
如有异议,不管是多么微小,都应在报价书中以“对规范书的意见和同规范书的差异”为标题的专门章节中加以详细描述。
1.4 本设备技术规范书所使用的标准如遇与卖方所执行的标准不一致时,按较高标准执行。
1.5 本设备技术规范书经买、卖双方确认后作为订货合同的技术附件,与合同正文具有同等的法律效力。
1.6投标者资格:1.6.1投标者应具有20套以上同类直流系统的设计制造经验,而且有20套以上同等设备已经受110kV及以上系统与本要求同等条件下成功运行2年及以上的考验。
1.6.2投标者必须具有全面承担直流系统的开发、设计、制造、设备调试、现场安装、监督指导、培训服务、维修服务的能力。
直流屏技术性能描述1、需结合设计提供的平面布置图考虑与附近的柜配合、协调等因素。
需根据设计提供的平面布置图与安装位置,结合显示内容要求,进行相应盘面布置设计。
盘体尺寸和盘面布置需提交设计确定。
2.使用环境2.1环境温度:-10℃~+55℃日最高温度:+40℃2.2相对湿度:20%~95%日平均湿度:90%2.3海拔高度不超过1000M3.技术要求3.1直流屏型号:(见供货范围有关内容)3.2交流输入为二路,交流输入电压:380±20%。
频率为50±1HZ3.3直流屏装有充电模块和控制模块、监控装置,配置蓄电池。
控制模块采用高频开关电池模块,并采用N+1结构组合。
3.4正常情况下监控装置对每个模块控制,自动完成对蓄电池恒流主充电、均充、浮充。
当监控装置出现故障时每个模块可脱开监控装置对电池自动充电,以对系统实现双重保护。
3.5直流屏能实现均充/浮充的自动和手动转换、过/欠压报警,并根据需要投入/退出运行。
3.6控制母线输出电压DC110/220V,其稳压精度<0.5%。
控制母线输出持续电流值10A,其稳流精度<0.5%。
直流控制母线应连续供电、直流控制母线、纹波系数<0.5%。
3.7直流屏在额定负载电流州噪声<40DBA,并提供试验报告。
3.8充电模块处于恒流方式运行时:1)当交流输入电压在额定值的±20%范围内变化及直流输出电压在调节范围内的任一值上,充电电流在20%~120%额定值内变化时,其稳流精度的误差<±0.5%。
2)直流输出电压调节范围应不小于额定值的80%~150%。
3.9控制模块处于恒压方式运行时:1)直流输出电流不小于直流母线持续负载的1.2倍。
2)当交流输入电压在额定值的±20%范围内变化及负载电流在0~100%额定值内变化时,直流输出电压在调节范围内任一值上,其稳压精度<±0.5%。
3)直流输出电压调节范围应不小于额定值的80%~120%。
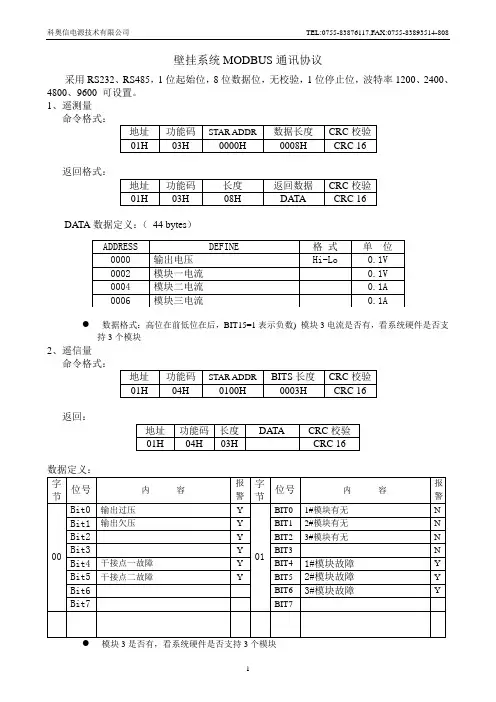
壁挂系统MODBUS通讯协议
采用RS232、RS485,1位起始位,8位数据位,无校验,1位停止位,波特率1200、2400、4800、9600 可设置。
1、遥测量
命令格式:
返回格式:
DATA数据定义:(44 bytes)
●数据格式:高位在前低位在后,BIT15=1表示负数) 模块3电流是否有,看系统硬件是否支
持3个模块
2、遥信量
命令格式:
返回:
3、错误响应
命令格式:
▲CODE:01 –功能码错
03 –数据错
▲COM:接收到的功能码、
实例:
发送:01 03 40 21
返回数据:01 03 08 09 00 00 00 00 08 00 00 D4 7F
(输出:230。
5V 模块一电流:0。
08A)
发送:01 04 01 E3
返回数据:01 04 02 18 26 32 EA
发送:01 06 00 82 09 20 2E 6A
发送:01 0F D7 01 00 00 3D BF
短路插座默认232接口。
监控后面空DB9的焊法:
RS232接口:监控1 - PC 5,监控3- PC 2,监控4-PC 3 。
如用485通信监控里面的短路插坐2。
3短路。
RS485接口:监控9- 485A 监控8- 485B。
直流屏技术条件2.1环境保护设计要求:卖方标的的全部设计工作及最终标的货物的交货和服务,应满足政府对劳动保护和环境保护要求达到的标准(仅包括大气环境质量、降尘量、排放水、工作场所空气含尘浓度和温度、噪声部分),并执行下列环境标准:《环境空气质量标准》GB3095-1996 二级;《城市区域环境噪声标准》GB3096-93 S三类;《污水综合排放标准》GB8978-1996 二级;《电磁辐射防护规定》GB8702-88;《大气污染物综合排放标准》GB16297-1996 二级;作业场所噪声:电力调度室、辅助房间的噪音小于60 dB(A),设备间室内小于70dB(A)。
测量方法按照政府规定的工业企业噪声测量规范(GBJ122-88)2.2安全防护设计要求2.2.1为了减少海区自然条件(大风、海潮、盐雾、粉尘)对电气设备的不利影响,本变电所为室内型变电所,所有电气设备均装在室内(地下室)。
2.2.2本招标书中的设备和材料将安装或敷设在港区范围,由于存在盐雾、湿气、煤尘侵蚀比较严重,设计必须适应大气严重污秽水平,参见GB和《IEC71-2》。
2.3通讯协议标准代码设计要求:IEC870-5-101 基本远动任务的配套标准;IEC870-5-103 设备信息接口配套标准;2.4主要技术参数设计要求:2.4.1额定电压标准:变电所电源电压:AC10KV,50HZ,三相三线低压动力回路配电电压:AC380V,5OHz三相四线照明回路:AC380V/220V三相五线、AC220V单相三线。
控制回路:DC110V(10KV真空断路器、微机综合保护装置)或AC220V测量仪表回路:ACllOV,对于380V/220V回路可用直接式。
DC110V信号回路:DC110V或48V;AC220V或110V维修电源:AC380V/220V5OHz三相五线2.4.2电压偏移、电压损失允许值:电压偏移允许值(以额定电压为基准表示):电动机:±5%照明灯:一般工作场所为±5%,对视觉要求较高的室内场所为+5%~-2.5%。
110kv合同模板甲方:(公司名称、地址、联系电话)乙方:(公司名称、地址、联系电话)鉴于,甲方拟对其所辖区域内的110KV输配电设备进行更新改造,特向乙方询价采购相关设备,乙方愿意向甲方销售该等设备,双方经友好协商,就有关事宜达成如下协议:第一条设备名称及规格乙方同意向甲方销售以下110KV输配电设备:1. 110KV柱上开关设备2. 110KV母线接头3. 110KV断路器4. 110KV隔离开关5. 110KV变压器6. 110KV电缆具体规格及型号详见附件《110KV输配电设备清单》,清单为本合同的组成部分。
第二条设备数量及价格1. 乙方同意向甲方提供上述设备总价为(数字大写)人民币(¥)。
2. 本合同价格包括设备的运输、安装、调试等费用,不包括税费。
3. 设备数量及价格详见附件《110KV输配电设备清单》。
第三条交货及验收1. 乙方应按照合同约定的交货期限将设备运抵甲方指定地点。
2. 甲方有权组织验收工作,验收标准为设备符合国家标准及合同约定的技术要求。
3. 如设备未达到验收标准,甲方有权拒绝接收,并要求乙方进行整改。
第四条付款方式1. 甲方应在签订合同后(数字)天内向乙方支付%的首期款。
2. 设备交付后,甲方应在(数字)天内向乙方支付剩余款项。
3. 本合同款项以人民币(¥)结算,不包括税费。
第五条运输及保险1. 乙方负责设备的运输、保险及相关手续的办理,保证设备的完好运抵指定地点。
2. 如设备在运输过程中发生损坏或遗失,乙方应负责赔偿甲方损失。
第六条保修期及售后服务1. 设备质量保修期为自交付之日起(数字)年。
2. 保修期内,如发生由设备质量导致的故障,乙方应及时赶赴现场,进行维修处理。
3. 保修期结束后,乙方应继续提供设备的售后服务。
第七条违约责任1. 若一方未按合同约定交付设备或支付款项,应赔偿对方相应的损失。
2. 若一方屡次违约,另一方有权解除本合同,并追究违约方的法律责任。
第八条其他事项1. 本合同未尽事宜,双方可另行协商解决,并签署书面补充协议。
电网设备标准技术标书–变电站直流屏1. 引言变电站作为电力系统中重要的组成部分,起着将高压输电线路的交流电转换为直流电,并进行配电和保护的作用。
直流屏作为变电站中的关键设备之一,负责直流电的分配和控制。
本文档旨在提供有关变电站直流屏的标准技术规范,以便为相关设计、制造和安装工作提供参考。
2. 设备介绍直流屏用于将来自变电站的交流电转换为直流电,以供给直流负载使用。
它通常由断路器、隔离开关、电压和电流测量设备、过电压保护装置等组成。
直流屏的主要功能包括:•直流电的分配和控制•直流负载的保护•直流电源的监测和测量3. 技术要求3.1. 运行环境要求变电站直流屏需要在以下环境下运行:•温度范围:-25℃至+40℃•相对湿度:不超过95%(25℃)•海拔高度:不超过1000m3.2. 设备规格直流屏的基本规格要求如下:1.额定电压:根据变电站设计要求确定,通常为±110V或±220V。
2.额定电流:根据直流负载要求确定,通常为100A、200A、400A等级。
3.补偿电流:根据设计要求确定,通常为10%至20%的额定电流。
4.隔离开关额定电流:根据设计要求确定,通常为直流屏额定电流的1.2倍。
5.过电压保护范围:根据变电站设计要求确定,通常为±200V。
6.电源电压测量范围:根据设计要求确定,通常为0-240V。
3.3. 设备设计要求直流屏的设计应符合以下要求:1.符合国家标准和行业规范相关要求2.设备外壳应具有防护等级不低于IP543.设备应具有过电流、过压、过温等保护功能4.设备应具有完善的故障诊断和报警系统5.设备应具有良好的通风和散热设计,以保证正常运行6.设备应具有可靠的接地措施,以确保人员安全3.4. 设备安装要求直流屏的安装应符合以下要求:1.安装位置应远离高温、高湿和易燃物。
2.设备应固定稳固,不得有松动。
3.现场布线应符合电力设计规范,避免干扰和误操作。
4. 测试与验收直流屏在制造及安装完成后,应进行相应的测试和验收。
合同编号:INA-SUMSEL5-HT-SB-FJ02-XX-ZLP印度尼西亚苏门答腊SUMSEL(苏姆赛尔)-52×150MW坑口燃煤电厂项目275KV升压站110V直流屏设备采购合同需方: XX电力工程有限公司供方:哈尔滨XX电气有限公司签约时间:2017年3月21日签约地点:北京目录合同协议书 (4)1 主合同概况 (4)2 本合同标的 (4)3 交货期 (4)4 标准及语言 (5)5 合同价格 (5)6 合同文件的构成和优先顺序 (5)7 适用法律 (6)8 合同生效 (6)合同条件 (8)1 总则 (8)2 合同标的 (12)3 合同价格 (14)4 付款方式和付款比例 (14)5 包装及运输 (17)6 交货 (21)7 保函 (26)8 质量控制与检验 (27)9 技术服务 (32)10 安装、调试、试运行、性能保证试验及验收 (35)11 保险与商品检验 (37)12 保证与索赔 (37)13 备品备件及专用工具 (41)14 合同的变更和修改、中止和终止 (41)215 生产进度计划/报告 (43)16 暂停 (44)17 缺陷保证 (44)18 所有权 (45)19 不可抗力 (46)20 知识产权及保密 (47)21 合同争议的解决 (47)22 合同生效及其他事项 (48)23 合同附件 (48)3合同协议书XX电力工程有限公司(以下称需方),一家根据中华人民共和国法律成立并存续的有限公司,主要营业地位于XXXX电工大厦,已和印尼PT DSSP POWER SUMSEL公司(以下简称业主)签订EPC总承包合同,拟在印度尼西亚共和国苏门答腊岛建一座2×150MW(净出力)坑口燃煤电厂。
一家根据中华人民共和国法律成立并存续的有限公司,主要营业地位于,经考察具有合格的供应或生产、制造本合同设备/材料的资质,由需方确定作为本项目的设备供货商。
供需双方依照《中华人民共和国合同法》及相关法律、行政法规、规章的规定,结合工程项目的具体情况,遵循平等、自愿、公平和诚实信用的原则,经友好协商,一致同意订立如下合同条款并共同遵守。
直流屏维修合同范本甲方(委托方):____________________法定代表人:____________________地址:____________________联系方式:____________________乙方(受托方):____________________法定代表人:____________________地址:____________________联系方式:____________________鉴于甲方需要对其直流屏进行维修,乙方具备相关维修能力和资质,双方经友好协商,达成如下协议:一、维修范围及内容1. 乙方将对甲方的直流屏进行全面检查和维修,确保直流屏的正常运行。
2. 维修范围包括但不限于:直流屏的电源部分、电池部分、控制部分、监测部分等。
二、维修标准及要求1. 乙方应按照国家相关标准和行业规范进行维修,确保维修质量。
2. 维修后的直流屏应能正常运行,各项技术指标应符合甲方的要求。
3. 乙方应提供详细的维修报告,包括维修过程、维修内容、更换的零部件等。
三、维修时间及费用1. 维修时间:乙方应在接到甲方维修通知后的____个工作日内安排维修人员进行维修。
2. 维修费用:本次直流屏维修费用总计为人民币______元(大写:______元整),此费用为含税价。
3. 付款方式:甲方在收到乙方开具的正式发票后的______个工作日内,将维修费用支付至乙方指定的银行账户。
四、双方权利和义务1. 甲方应提供必要的协助和支持,如提供维修所需的场地、工具等。
2. 甲方应按照合同约定及时支付维修费用。
3. 乙方应按照合同约定的时间和质量要求进行维修。
4. 乙方应保证维修使用的零部件为全新、原装正品,并提供相应的质量保证。
5. 如乙方维修后仍不能解决问题,甲方有权要求乙方退还已支付的维修费用。
五、保密条款双方应对在合作过程中所获悉的对方商业秘密和机密信息予以保密,并不得向任何第三方披露。
公司项目交流屏、直流屏技术协议甲方:乙方:新乡市新电电力科技有限公司二零一一年月日紫光测控有限公司(以下简称甲方),新乡市新电电力科技有限公司(以下简称乙方)双方就甲方所购交流屏、直流屏进行了充分的磋商,达成如下契约。
1、设备总体要求1.1 设备名称交流屏1套。
微机控制高频开关电源模块型直流电源装置200Ah 1套。
微机控制高频开关电源模块型直流电源装置由充电柜、蓄电池和馈线柜组成。
1.2 设备规格交流屏 PK-10,输入为三相四线,AC:380V电源。
输出开关采用施耐德三极开关。
1.3直流电源装置由一组密封胶体铅酸蓄电池及相应的充电设备和馈电设备组成。
200AH蓄电池采用12V一体电池,电池组含额定电压为12V。
蓄电池组配套相应的充电柜及馈线柜,蓄电池组屏安装在蓄电池柜内。
直流母线额定电压为220V。
所有直流馈线开关选用ABB系列空开。
1.4 交、直流电源使用环境1、安装地点:户内2、海拔高度:745米3、环境温度:-30℃~﹢45℃4、最大日温差:﹢30℃5、月相对温度:90%6、日相对温度:95%7、地震烈度:7度8、输入电压:380ⅴ±20%2、引用标准1、DL5000—94《火力发电厂设计技术规程》2、ZBK45017—90《电力系统用直流柜通用技术条件》3、GB50172—92《电气装置安装规程蓄电池施工验收规程》4、DL/T5004—2004《电力工程直流系统设计技术规范》3、直流屏技术条件1、额定输入电压:380ⅴ±10%2、额定输出电压:220ⅴ3、额定输出电流:20A4、稳压精度:≤±0.5%5、稳流精度:≤±1%6、纹波系数≤±0.5%7、流不平衡度:≤±5%8、噪声:<60dh9、蓄电池容量:200Ah4、直流屏技术要求4.1 柜体柜体尺寸:高×宽×深=2260×800×600㎜柜体颜色:与一期颜色一致充电柜、馈电柜应采用模块组合式结构形式,前后均为整扇有机玻璃门,系统两侧设边柜。
直流屏技术协议直流屏(Direct View Displays)是指利用直接照射光源的平面显示技术。
与传统的显示设备相比,直流屏具有更高的亮度和对比度,更广泛的视角和更快的刷新速率。
直流屏技术协议(Direct View Display Protocol,简称DVDP)是一种用于控制和管理直流屏的通信协议。
本文将介绍DVDP的基本原理和技术规范。
一、DVDP的基本原理DVDP基于现有的通信协议和标准,如TCP/IP协议和HTTP协议,通过网络连接将控制指令发送到直流屏,实现对直流屏的控制和管理。
DVDP 主要包括以下几个方面的功能:1.显示控制:通过DVDP可以实现对直流屏的显示内容进行控制,包括切换显示源、调整亮度和对比度、调整色彩等。
用户可以通过DVDP发送相应的指令来进行显示控制。
2.网络管理:DVDP提供了网络管理功能,可以实现对直流屏的远程控制和管理。
用户可以通过DVDP对直流屏进行远程开关机、重启、监控等操作。
3.多屏联动:DVDP支持多屏联动功能,用户可以通过DVDP将多个直流屏进行联动,实现大屏拼接显示效果。
用户可以通过DVDP对多个直流屏进行同步显示控制。
4.安全管理:DVDP提供了安全管理功能,可以对用户访问和权限进行管理。
用户可以通过DVDP设置访问密码、权限控制等保护措施。
二、DVDP的技术规范1. 数据传输:DVDP采用TCP/IP协议进行数据传输,使用HTTP协议进行应用层封装和控制。
DVDP的传输速率应达到每秒100Mbps以上,以保证实时性和稳定性。
2.控制指令:DVDP定义了一套控制指令集,包括显示控制指令、网络管理指令、多屏联动指令和安全管理指令。
用户可以通过发送相应的指令来实现对直流屏的控制和管理。
3.数据格式:DVDP定义了一套数据格式规范,包括控制指令的格式、数据包的格式和消息的格式等。
数据格式应符合标准的协议规范,保证数据的可靠性和解析性。
4.设备接口:DVDP提供了设备接口规范,包括网络接口、电力接口、视频接口和音频接口等。
印度尼西亚苏门答腊2 x 150 MW SUMSEL(苏姆赛尔)-5坑口燃煤电站MINE MOUTH CFSPP SUMSEL-5 (2x150MW) 275KV升压站110V直流屏技术协议需方:XX电力工程有限公司供方:哈尔滨XX电气有限公司设计方:XX电力设计咨询有限责任公司二〇一三年九月北京目录1. 总则2. 概述3. 设计和运行条件4. 技术要求5. 技术标准6. 供货范围7. 监造8. 交货进度9. 资料交付进度10. 试验11. 质量保证及服务12. 标识、包装、运输与储存13. 保证项目及性能验收试验14. 技术服务15. 培训16. 设计联络17. 附件及附表附件A 专用工具清单附件B 备品备件清单附件C 供应厂家限选名单(无)附件D 进口件清单及国内分包及外购件清单附件E 升压站110V直流屏监造(检验)和性能验收试验主要项目附件F 交货进度附件G 技术资料和交付进度附件H 安装、调试重要工序表附件I 大(部)件情况表附件J设备油漆通用技术要求(第二版)附表及附图附表1 《110V直流屏数据表》附图1升压站110V直流系统图1. 总则1.1本技术协议仅适用于INDONESIA 2x150MW SUMSEL-5 CFSPP工程的升压站110V直流屏。
它包括110V直流屏及其辅助设备的功能设计、结构、性能、安装和试验等方面的技术要求。
1.2需方在本技术协议中提出了最低限度的技术要求,并未规定所有的技术要求和适用的标准,供方应提供一套满足本技术协议和所列标准要求的高质量产品及其相应服务,主要分包或外购设备的制造商需经需方的确认,供需双方有权根据有关标准、规程和规范进行协商而提出一些补充要求。
对XX及印度尼西亚有关安全等强制性标准,必须满足其要求。
如两者有不同时,按最高的标准要求执行。
1.3供方须执行本规范书所列标准。
有矛盾时,按较高标准执行。
1.4合同签订后1个月内,供方提出合同设备的设计、制造、检验/试验、装配、安装、调试、试运、验收、试验、运行和维护等标准清单给需方,需方确认。
华高直流屏通讯协议简介华高直流屏通讯协议(HuaGao DC Panel Communication Protocol)是华高公司针对直流屏(DC Panel)的通讯协议。
直流屏是一种显示器设备,可以显示文字、图像和视频等内容。
华高直流屏通讯协议定义了直流屏与控制设备之间的数据传输格式和通讯方式,使得控制设备可以通过通讯协议与直流屏进行交互。
功能华高直流屏通讯协议支持以下功能:1.显示静态文本:控制设备可以通过通讯协议向直流屏发送静态文本,并在屏幕上显示出来。
2.显示图像:控制设备可以通过通讯协议向直流屏发送图像数据,并在屏幕上显示出来。
3.播放视频:控制设备可以通过通讯协议向直流屏发送视频数据,并在屏幕上播放出来。
4.亮度调节:控制设备可以通过通讯协议设置直流屏的亮度等参数。
5.音量调节:控制设备可以通过通讯协议设置直流屏的音量等参数。
6.触摸交互:直流屏可以具备触摸功能,控制设备可以通过通讯协议接收直流屏的触摸数据。
数据传输格式华高直流屏通讯协议采用二进制数据传输,通讯报文的格式如下:字段长度(字节)说明帧头 2 固定值0xCAFE指令 1 控制设备发送给直流屏的指令数据长度 4 数据长度(不包含帧头、指令和数据长度)数据可变具体的数据内容,根据不同指令而不同校验和 2 校验和,用于校验数据的完整性帧尾 2 固定值0xFFFF其中,帧头和帧尾是固定的标识值,用于确定报文的起始和结束位置。
指令字段用于表示具体的操作指令,可以包括显示文本、显示图像、播放视频等不同指令。
数据长度字段表示数据的长度,不包含帧头、指令、数据长度和校验和字段的长度。
数据字段是根据指令不同而具体的数据内容。
校验和字段用于校验数据的完整性,通常采用CRC校验算法。
通讯方式华高直流屏通讯协议支持多种通讯方式,包括串口通信、以太网通信和无线通信等。
具体的通讯方式可以根据实际需求确定。
控制设备需要按照通讯协议规定的格式和规则向直流屏发送指令和数据,直流屏接收到指令和数据后进行相应的处理,并返回响应给控制设备。
发电一直流屏技术协议
一、技术要求
1.1订货数量:DC110 40Ah 直流屏1套
1.2 直流系统的配置
1)系统接线方式为双母线接线。
2)配备一组40Ah蓄电池。
3)整流器选用SWRA高频开关模块,配备DCM-3D监控装置。
4)设备具有两路交流电源输入互为备用,并可自动切换,能够适应交流电源输入范围是380V±15%。
5)浮充状态下直流母线电压为110±5%;
6)正常运行时,交流突然断电,直流母线具备连续供电的能力,母线电压波动不低于直流标称电压的90%。
7)设备主回路及馈出回路采用ABB直流专用空气开关。
8)设备中配备有微机型DCM-3系列直流监控单元,能够综合分析各种数据和信息,在液晶显示屏上显示各种运行状态和和故障报警信号并通过
RS232/485接口送至变电所综合自动化系统。
9)具有防雷、防过电压措施。
1.3 蓄电池组
1)设备中配套的蓄电池组安装在蓄电池屏内,蓄电池容量为40Ah,12V/只,共9只。
设计寿命达到10年以上。
2)40Ah蓄电池组的浮充电压是12.25V/只,均充电压是13.5V/只。
3)40Ah蓄电池终止电压为10.05V/只。
1.4充电装置
采用高频开关整流电源SWRA11010,40Ah设备配备二台高频开关模块。
该模块性能参数为:
1)交流输入电压:380V±15%,50Hz
2)直流输出电压:110V
3)电压调节范围:90~130V
4)稳压精度:≤±0.3%
5)直流输出电流:20A
6)电流调节范围:0—100%连续可调
1.5直流系统监视装置
智能监控系统能够依据直流系统运行状态,综合分析各种数据和信息,在液晶显示屏上显示交流输入电压、整流器电压、整流器电流、蓄电池电压、蓄电池电流、蓄电池温度、负荷电压、负荷电流。
并且,根据运行参数的变化实现对充电机的均充、浮充的自动转换控制。
传递的异常信息有:母线过欠压、母线过电流、充电母线过欠压、均充异常、浮充异常、交流故障、交流停电、蓄电池电压过高、蓄电池放电终止、蓄电池温度异常、蓄电池回路故障、单只电池故障、合闸开关跳闸、控制开关跳闸、直流接地、整流器故障等。
传递的测量信息有:交流输入电压、整流器电压、整流器电流、蓄电池电压、蓄电池电流、蓄电池温度、母线电压、母线电流、日历时间。
以上参数可通过屏幕进行参数设定。
监控系统还对以上信息进行储存,建立故障履历查询。
以上内容的通讯采用DNP3.0、CDT、LEC870-5-103通讯规约通过RS485
上传。
1.6 绝缘监视装置
为了能够及时掌握直流系统的绝缘状况,设备配备有继电器型绝缘监视装置,该装置具备母线绝缘检测的功能。
1.7 测量仪表
直流主系统的全部计量均由DCM-3D完成,其计测精度达到0.5级的水平。
1.8指示信号
1)直流电源装置能够及时监视各种运行状态及信号状态,包括:
2)馈出线位置信号(红色,110V)
交流供电电源(绿色,AC 380V)
3)均充浮充状态指示(液晶显示)
4)报警信号:直流设备中设计配套微机监控自动化装置,该装置能够发出
的报警信息有:母线过欠压、母线过电流、充电母线过欠压、均充异常、浮充异常、交流故障、交流停电、蓄电池电压过高、蓄电池放电终止、蓄电池温度异常、蓄电池回路故障、单只电池故障、合闸开关跳闸、控制开关跳闸、直流接地、整流器故障等。
监控系统还对以上信息进行储存,建立故障履历查询。
以上内容的通讯采用DNP3.0、CDT、LEC870-5-103通讯规约通过RS485上传。
1.9直流母线
设备使用直流母线排,母线排应按照国家标准制作而成。
1.10直流负荷开关及保护
1)进行投标设备的操作及保护器具均采用专用直流空气断路器,断路器具有良好的分断能力和选择能力。
2)所有的直流断路器均配备了辅助接点和报警接点。
3)直流断路器采用垂直安装,板前操作,板后接线。
1.11蓄电池在线监测仪
1)在线监测蓄电池组电压
2)在线监测单只电压
1.12交流电源系统
交流电源电压变化范围可满足额定电压的±15%。
配置的交流互投回路,除具有互投功能外,还可以实现自复位功能。
当交流电源出现失电、缺相、过压、欠压等故障时,监控单元可以发出信号,通知运行人员。
二、其他
2.1设备必须进行绝缘电阻、绝缘强度的试验,试验必须达到以下要求:设备直流母线的对地绝缘电阻值必须大于10MΩ。
设备二次回路的对地绝缘电阻值必须大于2MΩ。
高频开关电源装置和直流母线绝缘强度在出厂试验时也要进行验证,在以下部位:直流母线对地、交流进线对地、二次回路对地、交流对直流;施加工频2000V试验电压,历时1min,设备内不会有绝缘击穿和闪络现象出现。
2.2直流设备内,针对每一个元器件都有唯一的标志,导线端头套有线号,能够方便的识别。
2.3 设备使用的导线必须经过严格筛选的合格供应商的产品,阻燃,经久耐用。
2.4 屏体外型尺寸是:根据电器配置合理制定尺寸;屏体采用冷轧钢板,密闭式结构。
屏前门采用可开启的玻璃门。
屏的后门采用双开门。
前后门开启大于90度,并有定位、限位机构。
2.5标记
各种指示表计、转换开关、指示灯、信号灯、参数调整旋钮等,应有明确文字说明及调节方向标记并采用标牌。