实验四eplan电气原理图的绘制四
- 格式:docx
- 大小:6.46 MB
- 文档页数:9
画电气原理图教程
当我们需要绘制电气原理图时,通常需要使用一些基本的符号和线路连接来表示不同的电气元件和连接关系。
下面是一个简单的电气原理图绘制教程,帮助您快速上手。
1. 绘制电源:
使用一条直线表示电源,通常用两条平行的线,上面标注电源的正负极。
2. 绘制电阻:
使用一个波浪线表示电阻,同时标明电阻的阻值。
3. 绘制电容:
使用两条平行的直线表示电容,中间加上两个大于号(>>)来表示电容的极板。
4. 绘制电感:
使用一个半圆加上一个带箭头的直线表示电感,箭头表示电感的方向。
5. 绘制开关:
使用一个带弯曲线的直线表示开关,用来表示开关的打开或关闭状态。
6. 连接元件:
使用直线将不同的元件连接起来,线与线之间使用小弧线平滑连接。
7. 添加标记:
在电气原理图的适当位置上添加标记,用来标注元件的名称、编号等信息。
通过以上步骤,您可以绘制出一个基本的电气原理图。
当然,在实际应用中,还可能会涉及更多的电气元件和连接方式,但以上的基本教程可以帮助您快速上手电气原理图的绘制。
请注意,在绘制电气原理图时,确保元件的连接关系正确无误,以确保电路的正常工作。
电气原理图绘制的基本步骤和注意事项
电气原理图绘制的基本步骤是:首先进行认真构思,对所要绘制的步骤及表达的内容和布局做的心中有数;然后对整个图面进行布局,把所要表达的全部内容(不能遗漏),按其正确位置、主次及繁简划定实际所占画面大小;第三,确定基准线,包括水平基准线和垂直基准线;第四,按自左至右、自上而下、先主后次、先一次后二次、先图形后文字的顺序画底稿线(包括文字分行分格线);第五,经认真、详细检查,确认无误无漏后描深图形,注写文字;最后,认真、详细检查确认,在标题栏签字等。
电气原理图绘制的注意事项是
1.电气控制线路根据电路通过的电流大小可分为主电路和控制电路。
主电路包括从电源到电动机的电路,是强电流通过的部分,用粗线条画在原理图的左边。
控制电路是通过弱电流的电路,一般由按钮、电器元件的线圈、接触器的辅助触点、继电器的触点等组成,用细线条画在原理图的右边。
2.电气原理图中,所有电器元件的图形、文字符号必须采用国家规定的统一标准。
3.采用电器元件展开图的画法。
同一电器元件的各部件可以不画在一起,但需用同一文字符号标出.若有多个同一种类的电器元件,可在文字符号后加上数字序号,如KM1和KM2等。
4.所有按钮、触点均按没有外力作用和没有通电时的原始状态画
出。
5.控制电路的分支线路,原则上按照动作的先后顺序排列,两线交叉连接时的电气连接点需用黑点标出。
电气原理图的绘制有哪些基本规则?
电气原理图绘制的基本规章。
1、原理图中,全部电动机、电器等元件都应采纳国家统一规定的图形符号和文字符号来表示。
属于同一电器的线圈和触点,都要用同一文字符号表示。
当使用相同类型电器时,可在文字符号后加注阿拉伯数字序号来区分。
2、原理图一般分为主电路和帮助电路两部分画出。
主电路就是从电源到电动机绕组的大电流通过的路径。
帮助电路包括掌握回路、照明电路、信号电路及爱护电路等,一般由继电器的线圈和触点、接触器的线圈和触点、按钮、照明灯、信号灯、掌握变压器等电气元件组成。
一般主电路用粗实线表示,画在左边(或上部);帮助电路用细实线表示,画在右边(或下部)。
3、原理图中,各电气元件的导电部件如线圈和触点的位置,应依据便于阅读和分析的原则来支配,绘在它们完成作用的地方。
同一电气元件的各个部件可以不画在一起。
4、原理图中,全部电器触点都按没有通电或没有外力作用时的开闭状态画出。
如继电器、接触器的触点,按线圈未通电时的状态画;按钮、行程开关的触点按不受外力作用时的状态画;掌握器按手柄处于零位时的状态画等。
5、原理图中,有直接电联系的交叉导线的连接点,要用黑圆点表示。
无直接电联系的交叉导线,交叉处不能画黑圆点。
6、原理图中,无论是主电路还是帮助电路,各电气元件一般应按动作挨次从上到下,从左到右依次排列,可水平或垂直布置。
1。
电气原理图绘制步骤
(1)设置SCH编辑器的工作参数(也可以采用系统内缺省参数)。
(2)选择图纸的幅面、标题栏式样、图纸的放置方向(横向或纵向)。
(3)放大绘图区,直到绘图区域呈现大小适中的栅格线为止。
(4)在工作区域放置元器件:先放置核心元器件的电气符号图形,再放置其他调整元器件位置。
(5)修改和调整元器件的标号、型号及其字体大小与位置等。
(6)连线,放置电气节点、网络标号及I/O端口。
(7)放置电源及地线符号。
(8)运行电气设计规则检查(ERC),寻找可能存在的设计缺陷。
(9)加注释信息。
(10)生成网络表文件(或直接执行PCB更新命令)。
(11)打印。
实验四--eplan电气原理图的绘制四实验四电气原理图的绘制四一、实验目的1、学会窗口宏、符号宏、页宏的使用。
2、学会部件库的添加、符号插入和设置的高级方法。
3、学会部件的使用与部件的生成方法。
4、学会关联参考的使用方法。
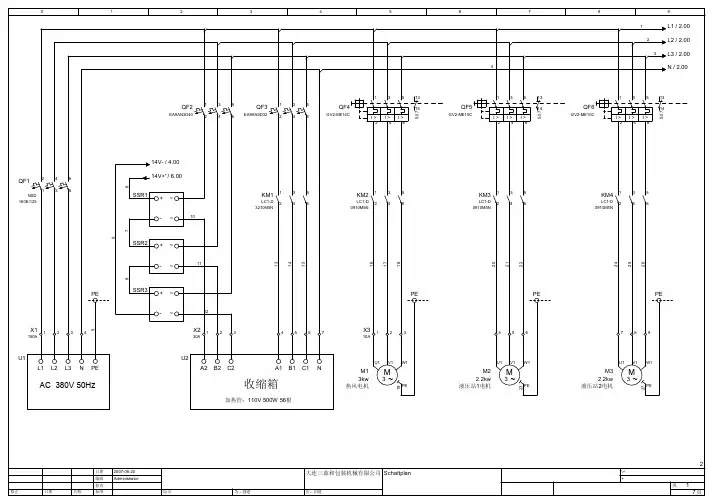
二、实验内容本实验设计的电气原理图是一个简单的控制系统,所涉及的基本单元有:电源电路、电机控制电路、PLC输入电路、PLC输出电路等。
最终图纸如下所示:图1 第一页原理图图2 第二页原理图图3 第三页原理图图4 第四页原理图三、实验设备1、PC机一台;2、正版eplan软件一套。
四、实验步骤参考实验指导书附录部分。
五、实验报告1、详述该电气原理图的绘制过程。
2、详述各功能部件参数设置的详细过程。
3、说明页宏的使用方法。
4、说明部件与符号的差别,说明如何生成新部件。
5、生成所需要的报表和pdf文件。
6、说明关联参考的特点及用途。
附录:实验步骤1、新建项目,以学号命名。
在该项目中右键选择“插入页宏”,选择实验三所保存的页宏文件。
可直接在本项目中插入由实验三已绘制完成的控制系统电源部分的电气原理图。
2、新建原理图第二页,插入中断点、线束连接点(角、十字接头)、T接点、角点;马达保护开关(Q1、Q2)、触点(K1、K2)、端子(X3)、母线连接点、马达(M1、M2)等,形成原理图如图5所示。
图53、新建原理图第三页。
插入PLC盒子,PLC卡电源(0L+、1M)、PLC连接点(数字输入)(E0.0~ E0.4)、端子X4。
在盒子中可插入型号说明性文本,如CPU 226CN。
如图6所示。
图64、对应于E0.0~ E0.4,分别插入辅助常开触点K3(修改连接点代号为5¶9)、接近开关B1、按钮S1、接近开关B2、按钮S2。
插入中断点、T接点,分别向PLC卡电源0L+、1M提供电源L+、L-,向接近开关、按钮提供电源L1+、L-。
最终形成第三页原理图。
如图7所示。
图75、在系统菜单栏选择“工具”——“部件”——“管理”,打开部件管理窗口。
eplan实训报告一、引言Eplan是一种电气设计软件,具有功能强大、易于使用和高效率的特点。
它可以帮助工程师们在电气设计过程中实现自动化,提高工作效率和质量。
本报告旨在总结我的eplan实训经验,并分享我在实际应用中所遇到的问题及解决方案。
二、实训目标在eplan的实训过程中,我主要达到以下几个目标:1. 熟悉eplan的界面和功能;2. 掌握eplan中电气图的设计技巧;3. 学会利用eplan进行电气图的自动化生成;4. 能够使用eplan进行电气图的修改和更新。
三、实训内容在eplan的实训过程中,我进行了以下几个方面的学习和实践:1. eplan的基础知识:我学习了eplan的界面布局、常用工具的功能以及基本操作方法。
通过实际操作,我熟悉了软件的各个模块和主要功能。
2. 电气图的设计:我掌握了eplan中电气图设计的基本方法和技巧。
我学会了创建新项目、导入图纸、添加设备符号和线缆,并进行布线等操作。
通过多次实践,我逐渐提高了电气图设计的效率和准确性。
3. 电气图的自动化生成:我学习了如何利用eplan进行电气图的自动生成。
通过导入设备参数和引用已有的设计模板,我能够快速生成复杂的电气图。
这大大提高了我在项目中的工作效率。
4. 电气图的修改和更新:我学会了使用eplan进行电气图的修改和更新。
通过修改设备参数、调整线缆布线和更新设备符号等操作,我能够方便地对电气图进行调整和更新。
这对于项目变更和优化非常有帮助。
四、问题与解决方案在eplan的实际应用中,我遇到了一些问题,但通过学习和实践,我成功找到了解决方案。
以下是我遇到的一些问题以及对应的解决方案:1. 电气图设计效率低下:在初期实训中,我发现自己的电气图设计效率较低,无法保证项目的进度。
为了提高效率,我阅读了eplan的相关教程和使用手册,并参考了一些优秀的设计案例。
通过不断练习和积累经验,我逐渐提高了设计效率。
2. 设备参数不准确:在实际应用中,我发现有些设备参数与实际情况不符,导致电气图信息错误。
新建项目目录新建项目 (1)项目模板选择 (2)项目页面生成介绍 (3)(1)页面构成 (4)(2)封面新建 (4)概述 (9)电路部分绘制 (9)选择工具-部件-管理 (16)中断点插入 (17)断路器插入 (18)线号的标注 (21)LC布局图 (24)输入模块 (24)输出模块 (27)对接信号 (27)图框的新建 (29)表格的新建 (32)生成报表 (34)PLC柜内布局图新建 (36)项目模板选择下面我们开始说说如何使用EPLAN绘制图纸,首先、打开EPLAN软件,点击项目-新建。
顺便介绍一下,项目模板默认有5种,一般我们选择第一个国标模板,第三个模板为带IEC标识的项目结构模板,IEC是国际电工委员会的标准。
第四个模板是带NFPA标识的项目结构模板,NFPA为美国消防协会,美国消防协会和NEC是美国国内电气规范的基础。
下面介绍的都是些最基本的画图方法,期待大家多给些意见,大家一起提高,下面开始具体的操作(1)点击项目-新建图12-3-1(2)弹出的对话框内可修改项目名称、保存路径、模板、创建日期、创建者。
然后可根据我们的需要自行修改。
图12-3-2图12-3-3项目页面生成介绍项目页面构成及封面新建(1)页面构成一般,一个相对来说比较全的项目图纸,其构成包括1.图纸目录2.元件明细表3.电气柜尺寸图4.元件布置图5.电气原理图电气原理图中包括PLC输入输出接点图;端子排列图;参数设定列表等等。
由于个人的绘图习惯不一样,我是先绘制原理图,先将原理图画完然后就可以绘制元件布置图,电器柜尺寸元件布局图完成后就可以敲定,图纸目录和元件明细表可以在生成报表时自动生成。
由于我们在新建一个项目时不确定会有多大的图纸量,所以在新建页面时都会留有一定的页数余量。
在页数分配上我先给出我的页面分配规则第1页封面第2页概述第3-14页目录预留页第15-99页主电路第100页PLC布置图第101页预留第102-199页PLC输入第200-299页PLC 输出第300-399页屏柜图部分、I/O地址表第400-499页报表(外部电缆表、元件明细表)小一些的项目用这些就页面分配应该足够了。
电气原理图的绘制方法为了表达生产机械电气控制系统的结构、原理等设计意图,便于电气系统的安装、调试、使用和维修,将电气控制系统中各电器元件及其连接线路用一定的图形表达出来,这就是电气控制系统图。
用导线将电机、电器、仪表等元器件按一定的要求连接起来,并实现某种特定控制要求的电路。
画电气原理图的一般规律如下:画主电路绘制主电路时,应依规定的电气图形符号用粗实线画出主要控制、保护等用电设备,如断路器、熔断器、变频器、热继电器、电动机等,并依次标明相关的文字符号。
画控制电路控制电路一般是由开关、按钮、信号指示、接触器、继电器的线圈和各种辅助触点构成,无论简单或复杂的控制电路,一般均是由各种典型电路(如延时电路、联锁电路、顺控电路等)组合而成,用以控制主电路中受控设备的“起动”、“运行”、“停止”使主电路中的设备按设计工艺的要求正常工作。
对于简单的控制电路:只要依据主电路要实现的功能,结合生产工艺要求及设备动作的先、后顺序依次分析,仔细绘制。
对于复杂的控制电路,要按各部分所完成的功能,分割成若干个局部控制电路,然后与典型电路相对照,找出相同之处,本着先简后繁、先易后难的原则逐个画出每个局部环节,再找到各环节的相互关系。
电气安装接线图规范一般情况下,电气安装图和原理图需配合起来使用。
绘制电气安装图应遵循的主要原则如下:1、必须遵循相关国家标准绘制电气安装接线图。
2、各电器元器件的位置、文字符号必须和电气原理图中的标注一致,同一个电器元件的各部件(如同一个接触器的触点、线圈等)必须画在一起,各电器元件的位置应与实际安装位置一致。
3、不在同一安装板或电气柜上的电器元件或信号的电气连接一般应通过端子排连接,并按照电气原理图中的接线编号连接。
4、走向相同、功能相同的多根导线可用单线或线束表示。
画连接线时,应标明导线的规格、型号、颜色、根数和穿线管的尺寸。
电器元件布置图规范电器元器件布置图的设计应遵循以下原则:1.必须遵循相关国家标准设计和绘制电器元件布置图。
电气原理图的绘制方法为了表达生产机械电气控制系统的结构、原理等设计意图,便于电气系统的安装、调试、使用和维修,将电气控制系统中各电器元件及其连接线路用一定的图形表达出来,这就是电气控制系统图。
用导线将电机、电器、仪表等元器件按一定的要求连接起来,并实现某种特定控制要求的电路。
画电气原理图的一般规律如下:画主电路绘制主电路时,应依规定的电气图形符号用粗实线画出主要控制、保护等用电设备,如断路器、熔断器、变频器、热继电器、电动机等,并依次标明相关的文字符号。
画控制电路控制电路一般是由开关、按钮、信号指示、接触器、继电器的线圈和各种辅助触点构成,无论简单或复杂的控制电路,一般均是由各种典型电路(如延时电路、联锁电路、顺控电路等)组合而成,用以控制主电路中受控设备的“起动”、“运行”、“停止”使主电路中的设备按设计工艺的要求正常工作。
对于简单的控制电路:只要依据主电路要实现的功能,结合生产工艺要求及设备动作的先、后顺序依次分析,仔细绘制。
对于复杂的控制电路,要按各部分所完成的功能,分割成若干个局部控制电路,然后与典型电路相对照,找出相同之处,本着先简后繁、先易后难的原则逐个画出每个局部环节,再找到各环节的相互关系。
电气安装接线图规范一般情况下,电气安装图和原理图需配合起来使用。
绘制电气安装图应遵循的主要原则如下:1、必须遵循相关国家标准绘制电气安装接线图。
2、各电器元器件的位置、文字符号必须和电气原理图中的标注一致,同一个电器元件的各部件(如同一个接触器的触点、线圈等)必须画在一起,各电器元件的位置应与实际安装位置一致。
3、不在同一安装板或电气柜上的电器元件或信号的电气连接一般应通过端子排连接,并按照电气原理图中的接线编号连接。
4、走向相同、功能相同的多根导线可用单线或线束表示。
画连接线时,应标明导线的规格、型号、颜色、根数和穿线管的尺寸。
电器元件布置图规范电器元器件布置图的设计应遵循以下原则:1.必须遵循相关国家标准设计和绘制电器元件布置图。
eplan电气设计使用手册EPLAN电气设计软件是一款专业的电气工程设计工具,广泛应用于各类电气设备的设计与开发。
本手册将为用户提供EPLAN电气设计软件的基本功能介绍以及使用技巧,旨在帮助用户熟悉并有效使用该软件。
一、EPLAN电气设计简介1.1 EPLAN电气设计概述EPLAN电气设计是一款专业的电气自动化设计软件,可以快速高效地进行电气工程设计,涵盖了电气原理图绘制、线缆布线设计、电气部件选型以及相关的图纸输出等功能。
1.2 EPLAN电气设计的特点EPLAN电气设计软件具有以下几个显著特点:- 强大的绘图功能:包括元器件符号库、电缆线路布线、自动编号功能等;- 友好的用户界面:直观、简洁的操作界面,降低了学习成本;- 高度的兼容性:支持与其他常用设计软件的数据交互,方便与其他团队成员协作;- 可靠的输出质量:生成的电气图纸准确、规范,方便于后续工程实施。
二、EPLAN电气设计软件安装和设置2.1 软件安装在开始使用EPLAN电气设计软件之前,首先需要进行软件的安装。
按照提供的安装包进行软件安装,并确保电脑满足软件运行的最低配置要求。
2.2 软件设置安装完成后,打开EPLAN电气设计软件,进行必要的软件设置,如选择语言、界面风格等。
同时,可以根据个人需求进行自定义设置,以提高工作效率。
三、EPLAN电气设计的基本功能3.1 创建电气项目使用EPLAN电气设计软件,首先需要创建一个新的电气项目。
在项目中可以设置项目名称、负责人、图纸单位等基本信息。
同时,根据不同的电气设计任务,可以选择不同的模板进行项目创建。
3.2 绘制电气原理图在创建好项目后,可以开始进行电气原理图的绘制。
EPLAN电气设计提供了丰富的电气元器件符号库,用户可以通过拖拽元器件符号到绘图界面并进行连接,快速绘制出电气原理图。
3.3 进行线缆布线设计绘制电气原理图后,接下来需要进行线缆布线的设计。
EPLAN电气设计软件可以根据电气原理图的连接关系和线缆信息,自动进行线缆的布线设计。
【Eplan教程】电气图纸结构4-无处不在的模块化电路设计为何要自找麻烦,使用功能组来划分电路的不同部分?这不是一个技巧的问题,而是思想层面的认知问题。
目前的电气图纸设计分为两大类:以日系为代表的类别化绘图方式,和以德国为代表的模块化绘图方式,国内的图纸在早期基本都是类别化绘图方式,近十几年在接触了大量的德国设备后,很多都倾向于使用模块化绘图方式。
要想区分类别化和模块化,我们先通过类比方式来找寻它们的优缺点。
假设我们需要在Windows系统上管理四个项目文件,这四个项目的名称分别是Prj1/Prj2/Prj3/Prj4,每个项目需要提供图纸/程序/培训/资料四种类型的文件,如何管理这些文件呢?类别化的做法就是按照文件的类别,创建四个文件夹,然后将文件分类存储到这四个文件夹中去,结构如下:按类别进行管理的文件夹模块化的做法是按照功能分类进行模块化的划分,这里以项目为功能模块单元,每个模块单元内包含它所需要的完整的信息:图纸/程序/培训/资料,如下是它的结构样式:按功能进行管理的文件夹模块化相对于类别化有如下优点:1、命名的优点,如上页图纸,模块化只需要修改每个文件夹的名称(项目名称)即可,而类别化则需要进入文件夹修改每个文件的名称,以避免在一个文件夹下的文件重复。
2、编辑的优点,包括拷贝/删除,譬如我们需要新增第5个项目Prj5,按照类别化的方式,我们需要在每个文件夹下去拷贝,然后重命名,而采用模块化的方式,找到最类似的项目文件,拷贝整个文件夹,然后重命名即可,同理,删除一个项目,模块化的方式也是更方便。
3、信息查阅的便利性,采用模块化的方式,若查看某个项目的信息,直接进入文件夹,即可看到与此项目相关的所有信息,而类别化的方式,则需要进入各个分类文件夹才能查看全的信息。
电气图纸中模块化绘图方式相对于类别化的绘图方式而言,也有上述三个优点。
类别化的绘图方式主要是将电路按照电路特性进行分类,典型的就是电机的动力电路连续画在一起,然后所有与PLC的IO 相关的电路按照IO点顺序连续画在一起其结果就是命名和编辑都不方便,譬如如果我们要添加一个电机控制电路,我们需要在动力电路部分去添加驱动,在PLC信号部分去添加反馈和输出控制,如果IO点未分配好,可能新增的IO点只能添加到最后,这样导致了IO使用的无规则性,造成了查阅图纸的困难;模块化的绘图方式则是基于单元设备或者按照它实现的功能分类进行绘图,打个比方,空调的一个送风机包含着电机驱动/风压检测/电流检测/防火阀等,我们把它们总的归纳为一个单元设备或者是一个相对完备的功能单元,用连续的几页图纸把这个单元内的所有电路表示出来,后面若再出现类似的设备,只需要做一个总体拷贝(类似于上面提到的文件夹拷贝),总的一个命名(类似于上面的项目文件夹命名),即完成了一个新设备的电路增加,同样的删除设备电路也是一键完成。
新建项目目录新建项目 (1)项目模板选择 (2)项目页面生成介绍 (3)(1)页面构成 (4)(2)封面新建 (4)概述 (9)电路部分绘制 (9)选择工具-部件-管理 (16)中断点插入 (17)断路器插入 (18)线号的标注 (21)LC布局图 (24)输入模块 (24)输出模块 (27)对接信号 (27)图框的新建 (29)表格的新建 (32)生成报表 (34)PLC柜内布局图新建 (36)项目模板选择下面我们开始说说如何使用EPLAN绘制图纸,首先、打开EPLAN软件,点击项目-新建。
顺便介绍一下,项目模板默认有5种,一般我们选择第一个国标模板,第三个模板为带IEC标识的项目结构模板,IEC是国际电工委员会的标准。
第四个模板是带NFPA标识的项目结构模板,NFPA为美国消防协会,美国消防协会和NEC是美国国内电气规范的基础。
下面介绍的都是些最基本的画图方法,期待大家多给些意见,大家一起提高,下面开始具体的操作(1)点击项目-新建图12-3-1(2)弹出的对话框内可修改项目名称、保存路径、模板、创建日期、创建者。
然后可根据我们的需要自行修改。
图12-3-2图12-3-3项目页面生成介绍项目页面构成及封面新建(1)页面构成一般,一个相对来说比较全的项目图纸,其构成包括1.图纸目录2.元件明细表3.电气柜尺寸图4.元件布置图5.电气原理图电气原理图中包括PLC输入输出接点图;端子排列图;参数设定列表等等。
由于个人的绘图习惯不一样,我是先绘制原理图,先将原理图画完然后就可以绘制元件布置图,电器柜尺寸元件布局图完成后就可以敲定,图纸目录和元件明细表可以在生成报表时自动生成。
由于我们在新建一个项目时不确定会有多大的图纸量,所以在新建页面时都会留有一定的页数余量。
在页数分配上我先给出我的页面分配规则第1页封面第2页概述第3-14页目录预留页第15-99页主电路第100页PLC布置图第101页预留第102-199页PLC输入第200-299页PLC 输出第300-399页屏柜图部分、I/O地址表第400-499页报表(外部电缆表、元件明细表)小一些的项目用这些就页面分配应该足够了。
在工作中如何快速的绘制电气原理图?-----EPLAN绘图软件学习指南怎样在EPLAN P8里创建自己想要的电气元件符号1、打开Eplan P8 ,新建一个名为'新项目'的项目,然后选择菜单'工具'—-'主数据'—–'符号库'—-'新建',新建一个名为'NEW_symbol'的符号库,在符号库属性画面将基本符号库选为'NEW_symbol'。
2、选择菜单'工具'—-'主数据'—-'符号'—-'新建',目标变量选择'变量A',然后点击'确定'。
在符号属性画面,命名符号名,选择功能定义,连接点;由于本例是创建一个变压器符号,符号名定为'TC1',功能定义选择'变压器有PE,可变',连接点为'11 ',点击'确定'。
3、创建新的变压器符号由于符号库里已经有变压器符号,可以在新建符号页面插入已有的变压器符号,对其进行修改。
在创建符号时,栅格尽量选择C,以免在后续的电气图绘制时插入该符号而不能自动连线。
4、在菜单'选项'—-'设置'——'项目'—-'新项目'—'管理'—-'符号库'右侧的符号库表格中增加'NEW_symbol'符号库,然后在菜单'项目'—–'关闭',再次打开'新项目',在这过程中会出现更新主数据的提示,选择'是'。
5、在菜单'插入'—–'符号',可以看到刚才新建的变压器符号,选择该符号并插入到中的适当位置,在其属性中填写连接代号。
新建项目新建项目 (1)项目模板选择 (1)项目页面生成介绍 (3)项目页面构成及封面新建 (3)概述 (7)电路部分绘制 (8)部件-端子的新建 (13)中断点插入 (14)断路器插入 (15)电气连接符号的选择 (16)线号的标注 (17)项目模板选择下面我们开始说说如何使用EPLAN绘制图纸,首先、打开EPLAN软件,点击项目-新建。
顺便介绍一下,项目模板默认有5种,一般我们选择第一个国标模板,第三个模板为带IEC标识的项目结构模板,IEC是国际电工委员会的标准。
第四个模板是带NFPA标识的项目结构模板,NFPA为美国消防协会,美国消防协会和NEC是美国国内电气规范的基础。
下面介绍的都是些最基本的画图方法,期待大家多给些意见,大家一起提高,下面开始具体的操作(1)点击项目-新建图12-3-1(2)弹出的对话框内可修改项目名称、保存路径、模板、创建日期、创建者。
然后可根据我们的需要自行修改。
图12-3-2图12-3-3项目页面生成介绍项目页面构成及封面新建(1)页面构成一般,一个相对来说比较全的项目图纸,其构成包括1.图纸目录2.元件明细表3.电气柜尺寸图4.元件布置图5.电气原理图电气原理图中包括PLC输入输出接点图;端子排列图;参数设定列表等等。
由于个人的绘图习惯不一样,我是先绘制原理图,先将原理图画完然后就可以绘制元件布置图,电器柜尺寸元件布局图完成后就可以敲定,图纸目录和元件明细表可以在生成报表时自动生成。
由于我们在新建一个项目时不确定会有多大的图纸量,所以在新建页面时都会留有一定的页数余量。
在页数分配上我先给出我的页面分配规则第1页封面第2页概述第3-14页目录预留页第15-99页主电路第100页PLC布置图第101页预留第102-199页PLC输入第200-299页PLC 输出第300-399页屏柜图部分、I/O地址表第400-499页报表(外部电缆表、元件明细表)小一些的项目用这些就页面分配应该足够了。
实验四e p l a n电气原理
图的绘制四
Hessen was revised in January 2021
实验四电气原理图的绘制四
一、实验目的
1、学会窗口宏、符号宏、页宏的使用。
2、学会部件库的添加、符号插入和设置的高级方法。
3、学会部件的使用与部件的生成方法。
4、学会关联参考的使用方法。
二、实验内容
本实验设计的电气原理图是一个简单的控制系统,所涉及的基本单元有:电源电路、电机控制电路、PLC输入电路、PLC输出电路等。
最终图纸如下所示:
图1 第一页原理图
图2 第二页原理图图3 第三页原理图
图4 第四页原理图
三、实验设备
1、PC机一台;
2、正版eplan软件一套。
四、实验步骤
参考实验指导书附录部分。
五、实验报告
1、详述该电气原理图的绘制过程。
2、详述各功能部件参数设置的详细过程。
3、说明页宏的使用方法。
4、说明部件与符号的差别,说明如何生成新部件。
5、生成所需要的报表和pdf文件。
6、说明关联参考的特点及用途。
附录:实验步骤
1、新建项目,以学号命名。
在该项目中右键选择“插入页宏”,选择实验三所保存的页宏文件。
可直接在本项目中插入由实验三已绘制完成的控制系统电源部分的电气原理图。
2、新建原理图第二页,插入中断点、线束连接点(角、十字接头)、T接点、角点;马达保护开关(Q1、Q2)、触点(K1、K2)、端子(X3)、母线连接点、马达(M1、M2)等,形成原理图如图5所示。
图5
3、新建原理图第三页。
插入PLC盒子,PLC卡电源(0L+、1M)、PLC连接点(数字输入)(~ )、端子X4。
在盒子中可插入型号说明性文本,如CPU
226CN。
如图6所示。
图6
4、对应于~ ,分别插入辅助常开触点K3(修改连接点代号为5?9)、接近开关B1、按钮S1、接近开关B2、按钮S2。
插入中断点、T接点,分别向PLC卡电源0L+、1M提供电源L+、L-,向接近开关、按钮提供电源L1+、L-。
最终形成第三页原理图。
如图7所示。
图7
5、在系统菜单栏选择“工具”——“部件”——“管理”,打开部件管理窗口。
在“部件”——“电气工程”——“零部件”——“继电器,接触器”中,右键选择“新建”,会生成一个新的部件。
6、选中新生成的部件,在“常规”选项卡下,“部件编号”对话框中输入“”。
在“功能模板”选项卡下,分别填写如图8所示对应内容。
图8
(注:如果需要在新的计算机中使用自行设计的部件,必须将修改后的部件库拷贝到新机器中对应文件夹后才能使用。
)
7、新建原理图第四页。
与步骤3类似,插入PLC盒子,PLC卡电源(0L+、
0M)、PLC连接点(数字输出)(~ )、端子X5。
如图9所示。
图9
8、对应于~ ,分别插入线圈K1、K2、K3(修改连接点代号为13?14)、灯
H1、蜂鸣器H2(H1、H2均从符号库“信号设备、可视的和发声的”中选择)。
插入中断点、T接点,分别向PLC卡电源0L+、0M提供电源L+、L-,向线圈、灯、蜂鸣器提供电源L-。
9、对于线圈K1、K2、K3,需要指定其部件号,才能产生触点映像和关联参考。
操作步骤如图10所示。
将K1、K2的部件按照图10所示选择,将K3选择为由步骤6所新建立的部件。
图10
10、最终生成如图11所示的第四页原理图。
图11
11、生成所需要的报表和pdf文件。