专用铣床液压系统设计
- 格式:doc
- 大小:960.00 KB
- 文档页数:38
液压专用铣床课程设计一、课程目标知识目标:1. 理解液压原理在铣床中的应用,掌握液压系统的基本组成及功能;2. 学习并掌握液压专用铣床的操作流程、加工工艺及安全注意事项;3. 了解液压专用铣床的维护保养知识,提高设备使用寿命。
技能目标:1. 学会使用液压专用铣床进行工件加工,掌握铣削加工的基本技巧;2. 能够根据工件要求,选择合适的刀具、切削参数和加工路径,独立完成铣床操作;3. 培养学生分析、解决铣床加工过程中遇到的问题,提高实际操作能力。
情感态度价值观目标:1. 培养学生对液压专用铣床加工的兴趣,激发学习热情,提高学习积极性;2. 增强学生的团队合作意识,培养沟通协调能力,提高课堂互动效果;3. 强化学生的安全意识,养成良好的操作习惯,树立正确的价值观。
本课程针对高年级学生,结合液压专用铣床的实用性,注重理论知识与实际操作相结合。
课程目标旨在使学生掌握液压铣床的基本知识、操作技能和安全意识,培养具备实际操作能力的高素质技能型人才。
通过课程学习,学生能够将所学知识运用到实际工作中,为我国制造业的发展贡献力量。
二、教学内容1. 液压原理在铣床中的应用:介绍液压系统的基本组成、工作原理及在铣床中的功能,对应教材第3章第1节;2. 液压专用铣床操作流程:详细讲解铣床的操作步骤、加工工艺及安全注意事项,对应教材第4章第2节;3. 铣削加工技巧:教授铣削加工的基本技巧,包括刀具选择、切削参数设置、加工路径规划等,对应教材第5章;4. 液压专用铣床的维护保养:介绍铣床的日常维护、保养方法及故障排除,对应教材第6章;5. 实际操作训练:安排学生进行液压专用铣床的实操练习,巩固所学知识,提高操作技能。
教学内容根据课程目标进行科学、系统地组织,确保理论与实践相结合。
教学大纲明确教学内容、进度安排及教材章节,旨在帮助学生全面掌握液压专用铣床的知识与技能。
在教学过程中,教师应关注学生的实际操作能力培养,确保教学内容与实际工作需求紧密结合。
专用铣床液压系统设计课程设计专用铣床液压系统设计课程设计一、引言在现代机械加工领域,铣床是一种常用的机床设备。
为了提高铣床的运行效率和精度,液压系统被广泛应用于铣床中。
本课程设计旨在通过对专用铣床液压系统的设计,使学生掌握液压系统的原理和设计方法。
二、液压系统基础知识1. 液压系统概述液压系统是利用流体传递能量的一种动力传动系统。
它由液压泵、执行元件、控制元件和辅助元件等组成。
2. 液压传动基本原理液体在容器中形成封闭的流体传递介质,通过液压泵产生的高压油将能量传递到执行元件上,从而实现工作机构的运动。
3. 液压执行元件常见的液压执行元件包括油缸、马达和阀门等。
油缸通过受力面积差异实现线性运动,马达则通过转子与定子之间的摩擦力实现旋转运动。
三、专用铣床液压系统设计1. 设计目标专用铣床液压系统的设计目标是实现铣床的高效率、高精度和安全稳定的运行。
2. 系统组成专用铣床液压系统主要由液压泵、油缸、控制阀和辅助元件等组成。
液压泵负责产生高压油,油缸负责驱动工作台进行运动,控制阀则用于控制油液的流向和压力。
3. 液压系统参数选择根据铣床的工作要求和性能指标,选择合适的液压元件参数。
包括液压泵的流量、工作台的移动速度和承载能力等。
4. 液压系统布局设计根据铣床结构和工作台运动方式,合理布局液压元件。
保证油路畅通,减小能量损失和泄漏。
5. 液压系统控制策略设计根据铣床的工作过程,确定合理的控制策略。
可以采用手动控制或自动控制方式,实现对工作台运动的精确控制。
6. 液压系统安全保护设计在液压系统中添加安全保护装置,如过载保护阀、压力传感器和液压缸的行程限位装置等,以确保铣床的安全运行。
四、课程设计步骤1. 确定课程设计内容和目标明确课程设计的具体内容和目标,包括液压系统的基本原理、专用铣床液压系统的设计要求等。
2. 学习液压系统基础知识学生需要通过自学或教师讲解等方式,掌握液压系统的基本原理、执行元件和控制元件等知识。
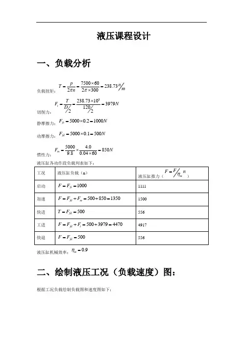
液压课程设计一、负载分析负载扭矩:750060238.73 22300p n T m nππ⨯===⨯切削力:3238.7310397912022tTF ND⨯===静摩擦力:50000.21000 fsF N=⨯=动摩擦力:50000.1500 fdF N=⨯=惯性力:5000 4.08509.80.0460mF N=⨯=⨯液压缸各动作段负载列表如下:液压缸机械效率:0.9mη=二、绘制液压工况(负载速度)图:根据工况负载绘制负载图和速度图如下:行程(行程(三、初步确定液压缸的参数:1、初选液压缸的工作压力:根据液压缸的推力为4917 N ,按表10-2选用液压缸的工作压力521303510akgp p cm==⨯2、计算液压缸尺寸:选用差动液压缸,活塞杆面积如下关系:122A A =,于是0.707d D =根据表10-2取背压52810p p =⨯,当液压缸快进时作差动连接,此时, 由于管中有压力损失,液压缸有杆腔的压力必须大于无杆腔的压力,这项压力损失可按5510p ⨯估计,即回油管路压力损失5510p p ∆=⨯,从满足推力 出发,计算液压缸面积IF A4225521491715.91015.935100.58102IF F A m cm P P ===⨯=⨯-⨯⨯-液压缸直径D 为:4.5D ===按JB 2183-77圆整后,取就近标准值,则D=4.5cm ,活塞杆直径0.7070.7075 3.18d D cm ==⨯=,取d=3.0cm由此求得液压缸实际有效面积为:221222222 3.144.515.944 3.14()(5 3.5)8.8344A D cm A D d cm ππ==⨯==-=-=3、液压缸工作循环中各阶段的压、流量及功率计算: (1)、工进时液压缸需要的流量:3Im 1Im 3Im 1Im 15.910015901.59minmin15.9695.40.0954minmin ax axin in cm LQ AV cm LQ AV ==⨯====⨯==(2)、快进时液压缸需要的流量:2121()(15.98.83)4503181.5 3.1815minmin cmLQ A A V =-=-⨯==快进(3)、快退时液压缸的流量:2218.834503973.5 4.0minmin cmLQ A V ==⨯==快退(4)、快进时液压缸的压力:5221121111015715.71015.98.83aF A p n P p cm A A +∆+====⨯--启动52115008.8345268.426.841015.98.83an P p cm +⨯===⨯-加速5215568.8345134.813.481015.98.83a n P p cm +⨯===⨯-恒速(5)、工进时液压缸压力:522114967808.83356.825.681015.9I aF p A n P p cm A ++⨯====⨯(6)、快退液压缸压力:522252521111012612.6108.8315004515.9250.925.09108.835564515.914414.4108.83aaaF p A n P p cm A n P p cm n P p cm ++====⨯+⨯===⨯+⨯===⨯启动加速恒速(7)、快进功率:max 113.48 3.180.071600I P P Q kw⨯===快速恒速(8)、工进功率:Im 135.68 1.590.094600ax P P Q kw⨯===工进工进(9)、快退功率:14.4 4.00.096600P P Q kw ⨯===快退恒速快退行程(行程(行程(0.096四、拟定液压系统1.选择液压回路从工况图可以看出,该系统有如下特点:(1)、系统的流量、压力较小,可以用一个单向泵和溢流阀组成供油源如图a。
铣床液压课程设计一、课程目标知识目标:1. 理解铣床液压系统的基本原理和组成部分;2. 掌握铣床液压系统的主要参数及其对铣削加工的影响;3. 了解不同铣床液压系统的特点及其适用场景。
技能目标:1. 能够正确操作铣床液压系统,并进行基本的调试和故障排除;2. 能够根据加工需求,合理选择和调整铣床液压系统的参数;3. 能够运用铣床液压系统进行简单的铣削加工,并确保加工质量和效率。
情感态度价值观目标:1. 培养学生对机械加工和液压技术的兴趣,激发学习热情;2. 培养学生严谨的科学态度,注重实践操作的安全性和准确性;3. 培养学生的团队合作意识,学会在铣床液压系统操作中相互协作和沟通。
课程性质:本课程为实践性较强的技术学科,结合铣床液压系统的基础知识和操作技能,培养学生实际应用能力。
学生特点:学生为高年级中职或高职机械类相关专业的学生,具备一定的机械基础知识和动手能力。
教学要求:注重理论与实践相结合,强调操作技能的培养,同时关注学生情感态度价值观的引导。
将课程目标分解为具体的学习成果,以便进行有效的教学设计和评估。
二、教学内容1. 铣床液压系统原理:讲解液压系统的基本工作原理,包括液压泵、液压缸、控制阀等主要组成部分的功能和相互关系。
教材章节:第二章“液压系统基本原理”2. 铣床液压系统参数:学习液压系统的主要参数,如压力、流量、油温等,探讨这些参数对铣削加工的影响。
教材章节:第三章“液压系统参数及其调整”3. 铣床液压系统操作与调试:介绍铣床液压系统的操作方法,包括启动、停止、调整等,以及系统调试的基本步骤和注意事项。
教材章节:第四章“铣床液压系统的操作与维护”4. 铣床液压系统故障排除:分析常见的铣床液压系统故障现象,学习故障诊断和排除方法。
教材章节:第五章“液压系统的故障诊断与排除”5. 铣床液压系统在实际应用中的选择与调整:根据加工需求,指导学生如何选择合适的铣床液压系统,并进行参数调整,以提高加工质量和效率。
专用铣床液压系统设计课程设计一、引言随着工业技术的不断进步,液压系统在机械设备中的应用越来越广泛。
专用铣床是一种常见的机械设备,其液压系统是确保其正常运行的重要组成部分。
本课程设计将对专用铣床液压系统进行设计,以确保其在工作过程中具有稳定、高效的性能。
二、液压系统设计原理液压系统是通过液体传递能量来实现机械运动的系统。
在专用铣床中,液压系统主要用于控制铣刀的进给、主轴的转速和位置,以及工作台的移动等。
液压系统的设计需要考虑以下几个方面:1. 工作压力:根据铣床的工作需求和液压元件的承载能力,确定液压系统的工作压力。
通常,专用铣床的工作压力在10-20MPa之间。
2. 流量需求:根据铣床的工作速度和移动距离,确定液压系统的流量需求。
流量的大小直接影响液压系统的响应速度和工作效率。
3. 液压元件的选择:根据液压系统的工作压力和流量需求,选择适当的液压元件,如液压泵、液压阀、液压缸等。
液压元件的选择要考虑其工作性能、可靠性和维护成本等因素。
4. 液压系统的控制方式:根据铣床的工作需求,确定液压系统的控制方式。
常见的控制方式有手动控制、自动控制和数控控制等。
三、液压系统设计步骤1. 确定系统要求:根据专用铣床的工作特点和要求,明确液压系统的工作压力、流量需求和控制方式等。
2. 选择液压元件:根据系统要求,选择合适的液压元件。
液压泵的选择要考虑其流量和压力特性;液压阀的选择要考虑其控制特性和可靠性;液压缸的选择要考虑其负载能力和运动特性等。
3. 绘制液压系统图:根据系统要求和液压元件的选择,绘制液压系统图。
液压系统图应包括液压泵、液压阀、液压缸等液压元件的连接关系和管路布置。
4. 计算液压系统参数:根据系统要求和液压元件的特性,计算液压系统的参数,如泵的流量和压力、液压缸的负载和速度等。
5. 设计液压系统控制装置:根据系统要求和控制方式,设计液压系统的控制装置。
控制装置可以采用手动操作、电气控制或计算机控制等方式。
一、设计流程图液压系统设计与整机设计是紧密联系的,设计步骤的一般流程下面将按照这一流程图来进行本次液压课程设计。
二、设计依据:明确液压系统的设计要求 执行元件运动与负载分析 确定执行元件主要参数 拟定液压系统原理图 选择液压元件 验标液压系统性能是否通过?绘制工作图,编制技术文件是否符合要求? 结 束液压 CAD否否是是设计一台专用铣床的液压系统,铣头驱动电机的功率N=7.5KW,铣刀直径为D=100mm,转速为n=300rpm,若工作台重量400kg,工件及夹具最大重量为150kg,工作台总行程L=400mm,工进为100mm,快退,快进速度为5m/min,工进速度为50~1000mm/min,加速、减速时间t=0.05s,工作台用平导轨,静摩擦系数fj=0.2,动摩擦系数fd=0.1。
设计此专用铣床液压系统。
三、工况分析液压系统的工况分析是指对液压执行元件进行运动分析和负载分析,目的是查明每个执行元件在各自工作过程中的流量、压力、功率的变化规律,作为拟定液压系统方案,确定系统主要参数(压力和流量)的依据。
负载分析 (一) 外负载Fw=1000P/V=60000·1000P/ 3.14Dn=4774.65N (二) 阻力负载静摩擦力:Ffj=(G1+G2)·fj其中 Ffj —静摩擦力N G1、G2—工作台及工件的重量N fj —静摩擦系数 由设计依据可得:Ffj=(G1+G2)·fj=(4500+1500)X0.2=1200N 动摩擦力Ffd=(G1+G2)·fd 其中 Ffd —动摩擦力N fd —动摩擦系数同理可得: Ffd=(G1+G2)·fd=(4500+1500)X0.1=600N(三) 惯性负载机床工作部件的总质量m=(G1+G2)/g=6000/9.81=611.6kg惯性力Fm=m ·a==1019.37N其中:a —执行元件加速度 m/s ² 0t u u a t-=ut —执行元件末速度 m/s ² u0—执行元件初速度m/s ²t —执行元件加速时间s因此,执行元件在各动作阶段中负载计算如下表所示: (查液压缸的机械效率为0.96,可计算液压缸各段负载,如下表) 工况 油缸负载(N ) 液压缸负载(N ) 液压缸推力(N ) 启动 F=Ffj 1200 1250 加速 F=Ffd+Fm 1619.37 1686.84 快进 F=Ffd 600 625 工进 F=Ffd+ Fw 5374.65 5598.60 快退F=Ffd600625按上表的数值绘制负载如图所示。
液压与气压传动课程设计说明书专业:机械设计制造及其自动化班级: 13机二学号:姓名:指导教师:常州工学院机械与车辆工程学院2016年1月8日前言液压传动是用液体作为来传递能量的,液压传动有以下优点:易于获得较大的力或力矩,功率重量比大,易于实现往复运动,易于实现较大范围的无级变速,传递运动平稳,可实现快速而且无冲击,与机械传动相比易于布局和操纵,易于防止过载事故,自动润滑、元件寿命较长,易于实现标准化、系列化。
液压传动的基本目的就是用液压介质来传递能量,而液压介质的能量是由其所具有的压力及力流量来表现的。
而所有的基本回路的作用就是控制液压介质的压力和流量,因此液压基本回路的作用就是三个方面:控制压力、控制流量的大小、控制流动的方向。
所以基本回路可以按照这三方面的作用而分成三大类:压力控制回路、流量控制回路、方向控制回路。
液压传动与机械传动,电气传动为当代三大传动形式,是现代发展起来的一门新技术。
《液压与气压传动》课是工科机械类专业的重点课程之一。
既有理论知识学习,又有实际技能训练。
为此,在教学中安排一至二周的课程设计。
该课程设计的目的是:1、综合运用液压传动及其它先修课程的理论知识和生产实际知识,进行液压传动设计实践,从而使这些知识得到进一步的巩固,加深和发展。
2、熟悉和掌握拟定液压传动系统图,液压缸结构设计,液压元件选择以及液压系统的计算的方法。
3、通过课程设计,提高设计、计算、绘图的基本技能,熟悉设计资料和技术手册,培养独立分析问题和解决问题的能力,为今后毕业设计及设计工作打下必要的基础。
目录一任务书 (5)二液压系统设计步骤 (6)1 液压系统的工况分析 (6)2 拟定液压系统原理图 (8)3 液压系统的计算和选择液压元件 (14)3.1 液压缸主要参数的计算 (14)3.2 液压泵的流量、压力的计算和选择泵的规 (17)3.3 液压阀的选择 (19)3.4 确定管道尺寸 (20)3.5 液压油箱容积的确定 (21)4 液压系统验算及技术文件的编制 (22)4.1 压力损失验算和压力阀的调整压力 (22)4.2 系统温升的验算 (25)5 绘制工作图,编制技术文件 (27)三设计体会 (28)四参考文献30任务书设计课题:设计一台专用铣床液压系统。
液压课程设计 设计题目1 设计题目1.1设计题目设计一台专用铣床,铣头驱动电机的功率为 6.8千瓦,铣刀直径为120mm ,转速350转/分,如工作台质量为420公斤,工件和夹具的质量为150公斤,工作台的行程为400mm ,工进行程为100mm ,快进快退速度为3.5米/分,工进速度为60~1000毫米/分,其往复运动的加速(减速)时间为0.05秒,工作台用平导轨静摩擦系数0.2s f =,动摩擦系数0.1d f =,试设计该机床的液压系统。
2 工况分析2.1负载分析根据给定条件,先计算工作台运动中惯性力m F ,工作台与导轨的动摩擦阻力fd F 和静摩擦阻力fs F57000.0586749.810.05G m F v F g t ∆⨯===∆⨯(N ) (2-1) 12()0.1(42001500)570fd d G G F f F F =+=⨯+=(N) (2-2) 12()0.2(42001500)1140fS s G G F f F F =+=⨯+=(N) (2-3)其中,11420104200G F m g ==⨯=(N)22150101500G F m g ==⨯=(N)12420015005700G G G F F F =+=+=(N)由铣头的驱动电机功率可以求得铣削最大负载阻力t F :t PF v=(2-4) 其中350 3.140.122.1986060n d m v s π⨯⨯=== 所以,680030932.198t P F v ===攀枝花学院课程设计工况分析η=),工同时考虑到液压缸密封装置的摩擦阻力(取液压缸的机械效率0.9m 作台的液压缸在各工况阶段的负载值列于表2-1中,负载循环图如图2-1所示。
图2-1负载循环图2.2运动分析根据给定条件,快进、快退速度为0.075m/s,其行程分别为300mm和400mm ,工进速度为60~1000m/s (即0.001~0.0167m/s ),工进行程100mm ,绘出速度循环图如图2-2所图2-2 速度循环图3 确定液压缸的参数3.1初选液压缸的工作压力根据液压缸推力为4070N (表2-1),按表(见教材表11-2)的推荐值,初选工作压力为51010⨯Pa.3.2 确定液压缸尺寸由于铣床工作台快进和快退速度相同,因此选用单杆活塞式液压缸,并使122A A =,快进时采用差动连接,因管路中有压力损失,快进时回油路压力损失取5510p ∆=⨯Pa ,快退时回油路压力损失亦取5510p ∆=⨯Pa 。
专用铣床液压系统设计课程设计引言:专用铣床液压系统设计是现代工程领域中一门重要的课程。
液压系统在工业生产中起着至关重要的作用,而专用铣床液压系统则是在铣床加工过程中用于控制和驱动铣刀、工作台等部件的关键系统。
本文将介绍专用铣床液压系统的设计过程和原理,并提供一些设计方案和注意事项。
一、液压系统的基本原理液压系统利用液体传递力和能量,实现机械设备的控制和驱动。
液压系统由液压泵、液压缸、液压阀和液压管路等组成。
液压泵通过机械能转化为液体压力能,液压阀控制液体的流动方向和流量,液压缸则将液体的压力能转化为机械能。
二、专用铣床液压系统设计的基本要求1. 功能要求:液压系统应能够实现铣床的各种操作,如起动、加工和停止等。
2. 系统稳定性:系统在工作过程中应具有较高的稳定性和可靠性,能够保证加工精度和加工质量。
3. 控制灵活性:液压系统应具备灵活的控制能力,能够满足不同加工工件的需求。
4. 安全性:液压系统设计应考虑到安全因素,如过载保护、漏油报警等。
5. 经济性:液压系统的设计应尽可能降低成本,并提高能源利用效率。
三、专用铣床液压系统设计的步骤1. 确定系统的工作压力和流量:根据铣床的加工要求和工作负荷,确定液压系统的工作压力和流量。
同时要考虑系统的泄漏和能量损失。
2. 选择液压元件:根据系统的工作压力、流量和控制要求,选择合适的液压泵、液压缸、液压阀等元件。
要考虑到元件的质量、可靠性和维修方便性。
3. 设计液压回路:根据铣床的工作过程和控制要求,设计合适的液压回路。
液压回路的设计应考虑到系统的稳定性、控制灵活性和安全性。
4. 设计液压管路:根据液压回路的设计,设计合适的液压管路。
液压管路的设计应考虑到管路的阻力、泄漏和安装方便性。
5. 进行系统的仿真和优化:通过液压系统仿真软件对系统的性能进行评估和优化,以确保系统的稳定性和可靠性。
6. 进行系统的实验验证:根据设计结果,进行液压系统的实验验证。
通过实验数据的分析和对比,评估系统的性能和可靠性。
20** 届毕业设计(论文)材料系、部:学生姓名:指导教师:职称:专业:班级:学号:20**年05月20**届毕业设计(论文)课题任务书系:机械工程系专业:机械制造与自动化20**届毕业设计说明书专用铣床液压系统设计系、部:学生姓名:指导教师:职称专业:班级:完成时间:摘要1.铣床概述铣床是用铣刀对工件进行铣削加工的机床。
铣床除能铣削平面、沟槽、轮齿、螺纹和花键轴外,还能加工比较复杂的型面,效率较刨床高,在机械制造和修理部门得到广泛应用。
2.液压技术发展趋势液压技术是实现现代化传动与控制的关键技术之一,世界各国对液压工业的发展都给予很大重视。
液压气动技术具有独特的优点,如:液压技术具有功率传动比大,体积小,频响高,压力、流量可控性好,可柔性传送动力,易实现直线运动等优点;气动传动具有节能、无污染、低成本、安全可靠、结构简单等优点,并易与微电子、电气技术相结合,形成自动控制系统。
主要发展趋势如下:1.减少损耗,充分利用能量2.泄漏控制3.污染控制4.主动维护5.机电一体化6.液压CAD技术7.新材料、新工艺的应用3. 主要设计内容本设计是设计专用铣床工作台进给液压系统,本机床是一种适用于小型工件作大批量生产的专用机床。
可用端面铣刀,园柱铣刀、园片及各种成型铣刀加工各种类型的小型工件。
设计选择了组成该液压系统的基本液压回路、液压元件,进行了液压系统稳定性校核,绘制了液压系统图,并进行了液压缸的设计。
关键词铣床;液压技术;液压系统;液压缸ABSTRACT1. Milling machine is general to stateMilling machine is to carry out the machine tool of milling processing with milling cutter for workpiece. Milling machine excludes can milling plane, groove, gear teeth, thread and spline axle are outside, can still process more complex type surface, efficiency has high planer comparatively, when mechanical production and repair department get extensive application.2. Hydraulic technology develops tendencyHydraulic technology is that the one of crucial technical, world countries that realize modern transmission and control give great attention to the development of hydraulic industry. Hydraulic pneumatic technology has unique advantage , such as: Hydraulic technology has power weight than is big, volume is little, frequently loud and high, pressure and rate of flow may control sex well, it may be flexible to deliver power , is easy to realize the advantages such as the sport of straight line; Pneumatic transmission has energy saving, free from contamination, low cost and safe reliable, structural simple etc. advantage , and is easy to form automatic control system with microelectronics and electric in technology. Develop tendency mainly to be as follows:1. Reduce wastage , use energy2 fully. Leak control3. Pollute control4. Defend5 initiatively. Electromechanical unifinication6. Hydraulic CAD technical7. The application of new material and new technology3. Design content mainlyQuantity of production. May use the garden column milling cutter, garden flat and milling cutter of end panel and is various to process the small-sized workpiece of various types into type milling cutter.Designing have selected to form hydraulic element and the basically hydraulic loop of this hydraulic system , have carried out hydraulic systematic stability school nucleus , have drawn hydraulic system to seek , and have carried out the design of hydraulic big jar.Key words milling machine;hydraulic technology;hydraulic system;hydraulic big jar目录摘要 2 毕业设计任务书 5 第一章专用铣床液压系统设计 7 1.1 技术要求 7 1.2 系统功能设计 71.2.1 工况分析 71.2.2 确定主要参数,绘制工况图 81.2.3 拟定液压系统原理图 101.2.4 组成液压系统 10 1.3系统液压元件、辅件设计12 第二章专用铣床液压系统中液压缸的设计17 2.1 液压缸主要尺寸的确定 17 2.2 液压缸的结构设计 20 致谢24 参考文献 25毕业设计任务书一、设计课题专用铣床液压系统设计二、设计依据某铣床工作台为卧式布置(导轨为水平导轨,其静、动摩擦因数µs=0.2;µd=0.1),拟采用缸筒固定的液压缸驱动工作台,完成工件铣削加工时的进给运动;工件采用机械方式夹紧。
毕业设计(论文)专用铣床液压系统设计Special milling machine hydraulic system design系名:专业班级:学生姓名:学号:指导教师姓名:指导教师职称:二○**年六月任务书目录引言 (6)第一章概述 (7)1.1 设计的目的 (7)1.2 设计的要求 (7)1.3 设计题目 (8)第二章工况分析 (9)2.1 工作负载 (9)2.2 摩擦阻力 (9)2.3 惯性负载 (9)第三章绘制负载图、速度图和动作循环图 (11)第四章初步确定液压缸的参数 (13)4.1初步确定液压缸的参数 (13)4.2 计算液压缸的尺寸 (13)4.3 液压缸工况 (13)第五章拟定液压原理图 (16)5.1选择液压基本回路 (16)5.2 组成系统图 (18)第六章选择液压元件 (20)6.1液压传动系统 (20)6.2 液压装置的结构设计,绘制工作图及编译技术文件 (20)6.3 液压传动系统参数及元件选择 (20)6.4 确定系统工作压力 (21)6.5执行元件控制方案拟定 (21)6.6确定执行元件的主要参数 (21)6.7确定液压泵的工作压力和流量计算 (22)6.8控制阀的选择 (22)6.9确定油箱直径 (22)第七章液压系统的性能验算 (23)结论 (25)致谢 (26)参考文献: (27)专用铣床液压系统设计摘要液压系统是以电机提供动力基础,使用液压泵将机械能转化为压力,推动液压油。
通过控制各种阀门改变液压油的流向,从而推动液压缸做出不同行程、不同方向的动作。
完成各种设备不同的动作需要。
液压系统已经在各个工业部门及农林牧渔等许多部门得到愈来愈广泛的应用,而且愈先进的设备,其应用液压系统的部分就愈多。
所以像我们这样的大学生学习和亲手设计一个简单的液压系统是非常有意义的。
关键词液压传动、稳定性、液压系统Special milling machine hydraulic system designAbstract The special milling machines, hydraulic system design in the design programme and the hydraulic system shall be able to finish the work into fast forward, and backed out when the milling machine architecture to understand and grasp for the hydraulic knowledge on the basis of from a given conditions, and the value analysis of the theory with practice, the work of drawing in autocad software diagram of the hydraulic system, the principle of the assembly drawing and analyzing the parts, the process, Set down to a time too short, the time of the short, at the start of the larger, slow down a short time will result in oscillatory too much, so damage to equipment, make failure of the jug, the main argument is based on innovation innovation power, the motor drivers head first, revolution speed and work in the process of the maximum load and the itinerary for design calculations.Friction factor is also a need to think of it. although friction of the relatively small, but will also be affected. the design of the difficulty is mainly the principle of the analysis and design purpose is to achieve appropriate control, and to choose a relative rationality, high precision, economically affordable hydraulic components, and design talents widely used.Key words hydraulic transmission, control system, hydraulic system.引言目前,随着电子、信息等高新技术的不断发展及市场需求个性化与多样化,世界各国都把机械制造技术的研究和开发作为国家的关键技术进行优先发展,将其他学科的高技术成果引入机械制造业中。
可编辑修改精选全文完整版液压系统设计半自动液压专用铣床液压系统1.设计要求设计一台用成型铣刀在加工件上加工出成型面的液压专用铣床,工作循环:手工上料——自动夹紧——工作台快进——铣削进给——工作台快退——夹具松开——手工卸料。
2.设计参数设计参数见表11和表12。
其中:工作台液压缸负载力(KN):FL=2.2夹紧液压缸负载力(KN):Fc= 4.8工作台液压缸移动件重力(KN):G=3.5夹紧液压缸负移动件重力(N)G c=30 工作台快进、快退速度(m/min):V1=V3 =5.5夹紧液压缸行程(mm):L c=10工作台工进速度(mm/min):V2=55 夹紧液压缸运动时间(S):t c=1工作台液压缸快进行程(mm):L1=450导轨面静摩擦系数:μs=0.2工作台液压缸工进行程(mm):L2=80导轨面动摩擦系数:μd=0.1工作台启动时间(S)t=0.53.完成工作量液压系统原理图(A3);零件图和部件装配图各1张(A3);设计说明书1份,零部件目录表1份。
注:在进行零部件设计时,集成块和油箱部件可以任选。
表一〈一〉工况分析:1.运动参数分析根据主机要求画出动作循环图,然后根据动作循环图和速度要求画出速度与路程的工况图。
夹紧松开2.动力参数分析(1)计算各阶段的负载1.启动和加速阶段的负载Fq从静止到快速的启动时间很短,故以加速过程进行计算,但摩擦阻力仍按静摩擦阻力考虑。
F q =Fj+Fi+Fm其中Fm=0.1FqFq = Fj+Fg+FmFq=850N2.快速阶段的负载FkF k =Fdm+Fm=0.1×3500+0.1FkFk=389N3.工进阶段的负载FgjFgj = Fdm+ Fl+ Fm=0.1X3500+2200+85 =2833N4.快退阶段的负载FktFkt =Fk=388.89N5.夹紧缸最大夹紧力FmaxFmax =Fc+UsGc+Gc/gXLc/tc2+0.1Fmax=5340N6.夹紧缸最小夹紧力FminFmin = Fc+UdGc+Gc/gXLc/tc2+0.1Fmin=5337N速度与路程的工况图:负载与路程的工况图:表二液压缸负载与工作压力之间的关系:表三液压缸内径尺寸系列:(mm)表四活塞杆直径尺寸系列:(mm)〈二〉计算液压缸尺寸和所需流量:1.工作压力的确定,查表二,取工作压力P=1MPa 2.计算液压缸尺寸(1)液压缸的有效工作面积A1A1=FP=28331000000=2833(mm2)液压缸内径:D=(4A1/π)1/2=60(mm)查表三,取标准值D=63mm(2)活塞杆直径:要求快进与快退的速度相等,故用差动连接方式,所以,取d=0.7D=44.1mm,查表四,取标准值d=45mm。
专业铣床液压系统课程设计一、课程目标知识目标:1. 让学生掌握铣床液压系统的基本原理和组成部分,理解各部件的功能和相互关系。
2. 使学生了解液压系统在铣床操作中的应用,掌握液压系统的操作方法和注意事项。
3. 帮助学生理解液压系统的故障分析与维护方法,提高实际操作能力。
技能目标:1. 培养学生运用所学知识,分析并解决铣床液压系统实际问题的能力。
2. 提高学生实际操作铣床液压系统的技能,熟练掌握各项操作要领。
3. 培养学生团队合作意识,学会在团队中分工协作,共同完成液压系统的安装、调试和维护。
情感态度价值观目标:1. 培养学生对机械加工行业的热爱,激发学习兴趣,树立正确的职业观念。
2. 引导学生树立安全意识,注重操作规范,养成良好的操作习惯。
3. 培养学生勇于探索、积极进取的精神风貌,面对液压系统故障时,敢于挑战,善于解决问题。
课程性质:本课程为专业实践课程,注重理论知识与实际操作相结合,以培养学生的实际操作能力和解决实际问题的能力为主要目标。
学生特点:学生已具备一定的机械基础知识,对铣床操作有初步了解,但对液压系统知识掌握有限,需要结合实际操作进行深入学习。
教学要求:教师需采用理论讲解、案例分析、实际操作相结合的教学方法,注重引导学生主动参与,提高学生的实践操作能力。
同时,加强对学生的个别辅导,确保课程目标的达成。
二、教学内容1. 液压系统基础知识:介绍液压系统的基本原理、组成部分及其功能,包括液压泵、液压缸、液压阀、油箱、管路等。
教材章节:第二章 液压系统基础知识2. 铣床液压系统组成与工作原理:分析铣床液压系统的具体组成,讲解其工作原理及在铣床操作中的应用。
教材章节:第三章 铣床液压系统组成与工作原理3. 液压系统操作与维护:详细介绍液压系统的操作方法、注意事项,以及日常维护和故障排除方法。
教材章节:第四章 液压系统操作与维护4. 液压系统故障分析与处理:结合实际案例,分析液压系统常见故障及其原因,讲解故障处理方法。
专用铣床动力滑台液压系统设计目录前言.........................................................................................................错误!未定义书签。
目录 (1)一、液压传动的发展概况 (2)二、液压传动的工作原理和组成 (3)三、液压传动的优缺点 (4)1、优点 (4)2、液压传动的缺点: (4)四、液压系统的应用领域 (5)1、液压传动在机械行业中的应用: (5)2、静液压传动装置的应用 (5)五、液压系统工况分析 (7)1、运动分析...................................................................................错误!未定义书签。
七、拟定液压系统图 (21)1、调速方式的选择 (21)2、快速回路和速度换接方式的选择 (22)液压工作原理: (23)八、液压元件选择 (25)1、选择液压泵和电机 (25)2、元、辅件的选择 (29)九、液压系统验算 (32)1.管路系统压力损失验算 (32)2、液压系统的发热与温升验算 (35)十、液压系统最新发展状况 (37)1、国外液压系统的发展 (32)2、远程液压传动系统的发展 (38)十一、注意事项 (40)十二、总结 (41)致谢 (42)参考文献 (43)一、液压传动的发展概况液压传动和气压传动称为流体传动,是根据17世纪帕斯卡提出的液体静压力传动原理而发展起来的一门新兴技术,是工农业生产中广为应用的一门技术。
如今,流体传动技术水平的高低已成为一个国家工业发展水平的重要标志。
第一个使用液压原理的是1795年英国约瑟夫·布拉曼(JosephBraman,1749-1814),在伦敦用水作为工作介质,以水压机的形式将其应用于工业上,诞生了世界上第一台水压机。
目录引言 (3)第一章设计任务及工况分析1.1 设计任务 (4)1.2 工况分析并初步确定液压缸参数 (4)1.2.1 负载分析及绘制负载图和速度图 (4)1.2 .2初步确定液压缸参数及绘制工况图 (7)第二章拟定液压系统原理图2.1 选择基本回路 (12)2.2 组成液压系统 (15)第三章液压系统计算与选择液压元件3.1液压泵、电机计算和选择 (18)3.2选择液压阀 (19)3.3选择辅助元件 (19)结论 (21)致谢 (22)参考文献 (23)专用铣床液压系统设计摘要:液压系统是以电机提供动力基础,使用液压泵将机械能转化为压力,推动液压油。
通过控制各种阀门改变液压油的流向,从而推动液压缸做出不同行程、不同方向的动作。
完成各种设备不同的动作需要。
液压系统已经在各个工业部门及农林牧渔等许多部门得到愈来愈广泛的应用,而且愈先进的设备,其应用液压系统的部分就愈多。
所以像我们这样的大学生学习和亲手设计一个简单的液压系统是非常有意义的。
本文首先介绍了液压的作用和工况分析,其次确定液压缸尺寸,然后进行了工艺规程设计。
关键词:工况分析液压元件设计液压缸设计Special Milling Machine Hydraulic System DesignAbstract Hydraulic system is powered motor basis, the use of hydraulic pump will translate into pressure on the mechanical energy, promote the hydraulic oil. Through various control valves to change the flow of hydraulic oil, thus promoting the hydraulic cylinders made of different itinerary, the movements in different directions. All kinds of different equipment to complete the actions required. Hydraulic system has been in various industrial sectors and agriculture, forestry, animal husbandry and fisheries, and many other departments are more widely used, and more advanced equipment, its application on the part of the hydraulic system more. So students like us to study and personally designed a simple hydraulic system is very meaningful.Key words: hydraulic transmission, control system, hydraulic system引言液压传动与机械传动、电气传动相比具有许多特殊优点,其应用已涉及二十多个专业领域的不同场合。
目录一前言 (1)1.1课程设计的目的: (1)1.2课程设计题目: (1)1.3课程设计主要完成的主要内容: (1)二工况分析 (2)2.1负载分析 (3)2.2运动分析 (5)三确定液压缸的参数 (6)3.1初选液压缸的工作压力 (7)3.2 确定液压缸尺寸 (8)3.3液压缸工作循环中各阶段的压力、流量和功率的计算值 (10)3.4绘制液压缸工况图 (11)四拟定液压系统图 (12)4.1选择液压回路 (12)4.2 液压原理图 (13)五选择液压元件 (16)5.1 选择液压泵和驱动电机 (16)5.2 选择控制元件 (17)5.3 选用辅助元件 (18)六液压系统性能验算 (20)6.1 油路中的压力损失 (20)6.2液压系统的效率 (22)6.3 液压系统的发热温升验算 (22)七液压缸的设计与计算 (23)7.1 计算液压缸的结构尺寸 (23)总结 (27)参考文献 (28)一前言有一点点数据错误,要高分画图很重要1.1课程设计的目的:《液压传动与控制》课程设计是机械设计制造及其自动化专业学生在学完《流体力学与液压传动》课程之后进行的一个重要的实践性教学环节。
学生通过本课程设计能够进一步熟悉并掌握液压传动与控制的基本概念、熟悉液压元件结构原理、熟悉液压基本回路、掌握液压系统图的阅读方法及基本技能、能够综合运用本课程及工程力学、机械设计等有关课程的知识设计一般工程设备液压系统。
同时,学生通过本课程设计可在以下几方面得到训练:①正确进行工程运算和使用技术文件、技术资料的能力;②掌握系统方案设计的一般方法;③正确表达设计思想的方法和能力;④综合利用所学知识解决工程实际问题的能力。
1.2课程设计题目:设计一台专用卧式铣床的液压系统,要求液压系统完成“快进—工进—快退—停止”的工作循环。
已知:铣削阻力最大为10000N,工作台、工件和夹具的总重量为5500N,工作台快进行程为300mm,工进行程为100mm,快进、快退速度为4.5m/min,工进速度为60—1000mm/min,加、减速时间为0.05s,工作台采用平导轨,静摩擦系数为0.2,动摩擦系数为0.1。
摘要1.铣床概述铣床是用铣刀对工件进行铣削加工的机床。
铣床除能铣削平面、沟槽、轮齿、螺纹和花键轴外,还能加工比较复杂的型面,效率较刨床高,在机械制造和修理部门得到广泛应用。
2.液压技术发展趋势液压技术是实现现代化传动与控制的关键技术之一,世界各国对液压工业的发展都给予很大重视。
液压气动技术具有独特的优点,如:液压技术具有功率传动比大,体积小,频响高,压力、流量可控性好,可柔性传送动力,易实现直线运动等优点;气动传动具有节能、无污染、低成本、安全可靠、结构简单等优点,并易与微电子、电气技术相结合,形成自动控制系统。
主要发展趋势如下:1.减少损耗,充分利用能量2.泄漏控制3.污染控制4.主动维护5.机电一体化6.液压CAD技术7.新材料、新工艺的应用3. 主要设计内容本设计是设计专用铣床工作台进给液压系统,本机床是一种适用于小型工件作大批量生产的专用机床。
可用端面铣刀,园柱铣刀、园片及各种成型铣刀加工各种类型的小型工件。
设计选择了组成该液压系统的基本液压回路、液压元件,进行了液压系统稳定性校核,绘制了液压系统图,并进行了液压缸的设计。
关键词铣床;液压技术;液压系统;液压缸ABSTRACT1. Milling machine is general to stateMilling machine is to carry out the machine tool of milling processing with milling cutter for workpiece. Milling machine excludes can milling plane, groove, gear teeth, thread and spline axle are outside, can still process more complex type surface, efficiency has high planer comparatively, when mechanical production and repair department get extensive application.2. Hydraulic technology develops tendencyHydraulic technology is that the one of crucial technical, world countries that realize modern transmission and control give great attention to the development of hydraulic industry. Hydraulic pneumatic technology has unique advantage , such as: Hydraulic technology has power weight than is big, volume is little, frequently loud and high, pressure and rate of flow may control sex well, it may be flexible to deliver power , is easy to realize the advantages such as the sport of straight line; Pneumatic transmission has energy saving, free from contamination, low cost and safe reliable, structural simple etc. advantage , and is easy to form automatic control system with microelectronics and electric in technology. Develop tendency mainly to be as follows:1. Reduce wastage , use energy2 fully. Leak control3. Pollute control4. Defend5 initiatively. Electromechanical unifinication6. Hydraulic CAD technical7. The application of new material and new technology3. Design content mainlyQuantity of production. May use the garden column milling cutter, garden flat and milling cutter of end panel and is various to process the small-sized workpiece of various types into type milling cutter.Designing have selected to form hydraulic element and the basically hydraulic loop of this hydraulic system , have carried out hydraulic systematic stability school nucleus , have drawn hydraulic system to seek , and have carried out the design of hydraulic big jar.Key words milling machine;hydraulic technology;hydraulic system;hydraulic big jar目录摘要 2 毕业设计任务书 5 第一章专用铣床液压系统设计 7 1.1 技术要求 7 1.2 系统功能设计 71.2.1 工况分析 71.2.2 确定主要参数,绘制工况图 81.2.3 拟定液压系统原理图 101.2.4 组成液压系统 10 1.3系统液压元件、辅件设计12 第二章专用铣床液压系统中液压缸的设计17 2.1 液压缸主要尺寸的确定 17 2.2 液压缸的结构设计 20 致谢24 参考文献 25毕业设计任务书一、设计课题专用铣床液压系统设计二、设计依据某铣床工作台为卧式布置(导轨为水平导轨,其静、动摩擦因数µs=0.2;µd=0.1),拟采用缸筒固定的液压缸驱动工作台,完成工件铣削加工时的进给运动;工件采用机械方式夹紧。
工作台由液压与电气配合实现的自动循环要求为:快进—→工进—→快退—→停止。
工作台除了机动外,还能实现手动。
铣床工作台的运动参数和动力参数如表所列。
表铣床工作台的运动参数和动力参数工况行程(mm)速度(m/s)时间t(s)运动部件重力G(N)铣削负载Fe(N)启动、制动t(s)快速300 0.075t15500 -0.054工进100 0.016~0.001t29000 6.25~10快退400 0.075t3- 5.33三、设计任务及要求设计要求:设计选择组成该液压系统的基本液压回路并说明液压系统的工作原理,设计计算选择液压元件,进行液压系统稳定性校核,绘液压系统图,设计液压缸,编写液压系统设计说明书。
设计任务:1 设计说明书一份2 绘制液压系统图(A1)3 专用铣床示意图(A1)4 液压缸装配图(A1)5 液压缸各零件图(缸体、活塞、活塞杆、缸盖)第一章 专用铣床液压系统设计1.1技术要求铣床采用缸筒固定的液压缸驱动工作台,卧式布置,,完成工件铣削加工时的进给运动;工件采用机械方式夹紧。
工作台由液压与电气配合实现的自动循环要求为:快进—→工进—→快退—→停止。
工作台除了机动外,还能实现手动。
铣床工作台的运动参数和动力参数如表1.1所列。
表1.1 铣床工作台的运动参数和动力参数工况 行程 (mm) 速度 (m/s) 时间 t(s) 运动部件重力G(N) 铣削负载Fe(N) 启动、制动t(s)快速 300 0.075 t15500 -0.054 工进 100 0.016~0.001 t290006.25~10 快退 400 0.075 t3-5.331.2系统功能设计 1.2.1 工况分析工作台液压缸外负载计算结果见表1.2表1.2 工作台液压缸外负载计算结果由表1.1和表1.2即可绘制出图一所示液压缸的行程特性(L-t )图、速度特性(v-t )工 况 计算公式 外负载(N) 注:静摩擦负载:Ffs=µs(G+Fn)=0.2×(5500+0)=1100(N) 动摩擦负载:Ffd=µd (G+Fn)=0.1×(5500+0)=550(N)惯性负载:Ffd+G/g ×△v/△t=5500×0.075/(9.81×0.05)=840(N).△v/△t:平均加速度(m/s2).启 动 F 1=Ffs 1100 加 速 F 2=Ffd+G/g ×△v/△t 1390 快 进 F 3=Ffd 550 工 进 F 4=Fe+Ffd 9550 反向启动 F 5=Ffs 1100 加 速 F 6=Ffd+G/g ×△v/△t 1390 快 退 F 7=Ffd550图和负载特性(F-t )图。
图1.1 液压缸的L-t 图、v-t 图和F-t 图1.2.2 确定主要参数,编制工况图由参考文献一,初选液压缸的设计压力P1=3MPa.为了满足工作台进退速度相等,并减小液压泵的流量,今将液压缸的无杆腔作为主工作腔,并在快进时差动连接,则液压缸无杆腔的有效面积A 1 与A 2应满足A 1=2A 2(即液压缸内径D 和活塞杆直径d 间应满足:D=2d.)为防止工进结束时发生前冲,液压缸需保持一定回油背压。
由参考文献一,暂取背压为0.8MPa ,并取液压缸机械效率ηcm =0.9,则可计算出液压缸无杆腔的有效面积。
)(104010)28.03(9.09550)2(246211m P P FA cm -⨯=⨯--=-=η液压缸内径:按GB/T2348-1980,取标准值D=80mm=8cm,因A 1=2A 2,故活塞杆直径为标准直径)(6.5562/82/cm mm D d =≈== 则液压缸的实际有效面积为)(25)(25)6.58(4)(4)(504842212222222221cm A A A cm d D A cm D A =-==-=-==⨯==ππππ差动连接快进时,液压缸有杆腔压力P 2必须大于无杆腔压力P 1;其差值估取△P= P 2- P 1=0.5MPa,并注意到启动瞬间液压缸尚未移动,此时△P=0;另外,取快退时的回油压力损失为0.5MPa 。