风管风量平衡
- 格式:xls
- 大小:30.50 KB
- 文档页数:1
通风系统风量平衡调试通风系统的风量平衡调试是指通过调整通风系统的各个风口、风机、风管以及其他元件,使系统达到设计要求的风量平衡。
风量平衡调试是通风系统正常运行的重要保证,能够确保建筑物内的空气质量,并提高通风系统的运行效率。
以下是通风系统风量平衡调试的一般步骤:1.准备工作:在开始风量平衡调试之前,需要了解系统的设计要求和参数。
同时,要对整个通风系统进行全面检查,确保各个元件的正常运行和无损坏。
2.测量风量:使用风速仪或其他适当的测试工具,对各个风口、风机和风管进行测量,确定它们的实际风量。
将测得的实际风量与设计要求进行比较,找出风量不平衡的位置。
3.调整风阀和风门:对于风量偏大的风口,可以适当调整风阀或风门的开度,降低风量。
对于风量偏小的风口,则需要适当调整风阀或风门的开度,增加风量。
4.调整风机转速:如果经过调整风阀和风门后,风机仍然无法满足设计要求的风量,可以尝试调整风机的转速。
通过增大或减小风机的转速,可以调整系统的总风量。
5.检查风管连接:风管连接不紧密或存在漏风现象会导致风量变小,需要及时修复。
可以使用密封胶带或其他密封材料对有漏风的连接进行密封。
6.调整风阻和风道布局:在通风系统中,风道的布局和风阻都会影响风量的平衡。
如果一些风道的风阻较大,可以考虑改变风道的布局或增加风道的直径,以降低风阻。
7.重新测量风量:在进行了一系列调整后,需要再次测量各个部位的实际风量,以确保风量已经达到设计要求。
如果仍然存在风量不平衡的情况,可以根据具体情况进行进一步调整。
8.记录和报告:将调试过程中的相关数据记录下来,并撰写调试报告。
调试报告应包括系统的实际风量、调整前后的风量变化情况,以及调试过程中遇到的问题和解决方法。
在进行通风系统风量平衡调试时,需要注意以下几点:1.要使用准确的测试工具进行测量,确保风量数据的准确性。
2.调整风阀或风门的开度时,要逐渐进行,避免调整过大导致风量不稳定。
3.风阀或风门的调整应该是有步骤的,从系统的末端开始调整,逐渐向风机处调整。
风量平衡调试程序一.平衡前检查1.已完成风柜/风扇、试运转程序。
2.检查全部供风、回风格栅、防火闸、风量调节阀、电动风阀是否开启。
3.检查全部维修门在全关闭位置。
4.检查风管道上进行量度位置的钻孔是否按完成,核实开孔数量及孔径是否符合要夫求(原则上孔径尺为20毫米,间隔为150-200毫米,但最少不少于2个)。
5.备齐量度用仪器及工具(如风速仪,测试仪器须调校完善。
二.风量平衡1.预备及装妥量度风机总静压仪器(液体式压力计——倾斜式)。
2.启动风柜风机/风扇,核对及记录负载电流/电压/转速。
3.核对总静压与设计数据比较,量度总供风量并记录数据(电子风速仪或其它风速仪)。
量度点距离一般控制在150毫米左右,且不应少于2点。
4.若总供风量为大于设计风量百分之十至三十,可再行支管平衡程序,若否,检查原因,使符合上述条件。
5.量度各支管风量,比对设计,按实际总风量及设计比例,利用调节风量闸进行平衡调校,使各支管符合按比例大于设计数据百分之十至十五,记录全部数据。
6.量度各支管全部供风嘴风量,并记录全部数据。
7.比对各供风嘴设计数据,按比例调校各供风嘴,使各供风嘴按比例附合设计风量在正负百分之十内,记录全部数据。
核对风速,噪声是否符合要求。
8.再度量总供风管风量及风机送风静压,与各供嘴实际量度总风量比对,是否与设计偏差百分之十内,若是平衡完成,记录全部数据,并完成调试报告。
若否,重复第六至八项至实际风量与设计风量按比例正负误差不超过10%。
9.对于变风量系统(办公区AHU),由于机组按不同压力不断作出自动调节,因此在此类系统作风量平衡时将会对设备及可变风量风箱固定于设计最大值的情况作风量平衡。
变风量空调系统的风量平衡调试方法作者:李国来源:《科技与创新》2016年第20期摘要:为保证通风和空调系统高效、节能运行,使空调系统的运行工况与设计相吻合,并满足使用要求,有必要对通风和空调系统进行风平衡调试。
简要阐述了变风量空调风系统的类型,说明了变风量空调风平衡调试的规范及内容,分析了风系统平衡实用调节法,并讨论了调试过程中的程序和具体要求,期望能给人们这方面有益的参考和借鉴。
关键词:空调系统;风量平衡;调试测试;参数设计值中图分类号:TU831.3 文献标识码:A DOI:10.15913/ki.kjycx.2016.20.105文章编号:2095-6835(2016)20-0105-02变风量空调系统可根据室内负荷变化及室内调控参数变化的要求自动调节送入室内的风量,达到既满足人员舒适度要求,又能达到节能的目的。
但变风量空调系统的调试较为复杂,调试周期长,涉及的专业和影响的因素多,对于实现其系统预定功能尤其重要。
其调试通常包括测试、调整、平衡(简称“TAB”),既能检验工程的施工质量,又能检验设计和系统的技术性能,因此,调试环节的重要性不可忽视,应持有相当严谨的态度。
本文主要讨论变风量空调系统中风平衡调试的问题。
1 变风量空调风系统的类型1.1 新风量固定不变型新风量不变,则排风量也不变;送风量根据末端VAVBOX风门开度的大小而变化,回风量=送风量-新风量,回风量必将根据送风量的变化而变化。
如上面所述的多层和高层建筑,单个AHU的新风量和排风量不变,1个单元内总的新风量和排风量也保持恒定,相应的新风机和排风机都选定频即可。
通常在设计时每台AHU的新风管道上都要设置1个定风量阀,确保进入每台AHU的新风量保持不变。
1.2 新风量变化型在过渡季节,室外新风焓值很接近于室内空气焓值,为了进一步节约能耗,将尽可能充分地利用室外新风,此时的变风量空调机组AHU在冬夏模式下,还要设计不同的工况,即平时工况、最小新风工况、过渡季工况,每种工况的新风量均不同,那么排风量也将随着变化而不同。
空调系统风量平衡与检测摘要:本文介绍了全空气系统和新风系统运行中,出现风口风量偏小,风口风量分布不均等现象,所有我们在设计、选型、调试中注意风管系统的阻力平衡和实际运行中的偏差的问题,同时做好项目验收的检测工作,使空调系统更好地满足人们的热舒适性要求。
关键词:风机性能曲线;风管阻力平衡;风口风量检测引言:随着社会的发展,全空气空调系统在日常生活中的使用越来越广泛,它是通过送风来处理室内热负荷的空调系统。
它具有送风量大,换气充分,空气污染小等优点,但风管阻力不平衡,风口送风量偏差大,是我们经常遇到的问题。
1.风管系统的设计计算步骤1)连接各风口与机组,绘制系统轴测图,标注各段长度和风量。
布置风管时,应考虑以下因素:尽量缩短管线,减少分支管线、避免复杂的局部构件、恰当的协调好空调水系统、消防水管系统以及其他管道系统的关系。
2)选择最不利环路(一般时指最长或者局部构件最多的分支管路)3)选定流速,确定断面尺寸4)计算各管段的局部阻力和沿程阻力,从最不利环路末端开始计算。
5)计算各管段总阻力,并检查并联管路的阻力平衡情况。
风管内空气流动的总阻力为局部阻力和沿程阻力之和。
其中均匀送风的措施为:(1)送风断面积F和孔口面f0不变时,管内静压不断增大,可以根据静压的变化,在孔口上设置不同的阻体,即改变流量系数。
(2)孔口面积fO和µ值不变时,可采用锥形风管改变送风面积,使管内的静压保持不变。
(3)送风管断面积F及孔口µ值不变时,可根据管内静压变化,改变孔口面积f0。
2.风机的性能曲线用以表示通风机的主要性能参数(如风量L、风压H、功率N及效率η)之间关系的曲线称为风机特性曲线或风机性能曲线。
为了使用方便,将H—L曲线、N—L曲线、η—L曲线画在同一图上。
风机即使在转速相同时,在不同阻力的系统中它所输送的风量也可能不相同。
系统的阻力小时,要求风机的风压低,输送的风量就大;反之,系统阻力大,要求的风压高,输送的风量就小。
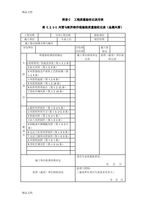
附录C工程质量验收记录用表
表 C.2.1-1 风管与配件制作检验批质量验收记录(金属风管)
表 C.2.1-2 风管与配件制作检验批质量验收记录
(空调系统)
表 C.2.3-3 风管系统安装检验批质量验收记录
(净化空调系统)
表 C.2.5-1 通风与空调设备安装检验批质量验收记录
(通风系统)
表 C.2.5-2通风与空调设备安装检验批质量验收记录
(空调系统)
表 C.2.5-3通风与空调设备安装检验批质量验收记录
表 C.2.7-1 空调水系统安装检验批质量验收记录
表 C.2.7-2 空调水系统安装检验批质量验收记录
表 C.2.7-3 空调水系统安装检验批质量验收记录
表 C.2.8-1 腐蚀与绝热施工检验批质量验收记录
(风管系统)
表 C.2.8-2 腐蚀与绝热施工检验批质量验收记录
表C.4.1-1通风与空调子分部工程质量验收记录
表C.4.1-2通风与空调子分部工程质量验收记录
表C.4.1-3通风与空调子分部工程质量验收记录
表C.4.1-4通风与空调子分部工程质量验收记录
表C.4.1-5通风与空调子分部工程质量验收记录
表C.4.1-6通风与空调子分部工程质量验收记录
表C.4.1-7通风与空调子分部工程质量验收记录
(空调水系统)
表C.4.2通风与空调子分部工程质量验收记录。
洁净空调风系统的主要施工工艺及应注意的问题牟剑秋一、施工工艺环境要求:在洁净空调系统施工工艺中,洁净和密封是系统的两大特点, 必须在施工全过程确保。
其主要措施是:(1)首先应有一个洁净的施工环境。
洁净空调系统进场安装时,土建和安装单位各专业工种的施工应根本完成,门窗可以关闭,现场彻底清扫。
(2)坚持按施工程序施工,搞好工序搭接和施工配合。
(3)洁净空调系统的预制加工要有一处加工车间。
加工设备齐全,环境清洁,能够满足洁净度要求。
(4)施工中要求做到“物洁〞、“人净〞、“环境清〞。
“物洁〞主要指通风系统本身,每道工序均采取保洁措施,进场的机具、设备和材料都应经过擦拭。
“人净〞指参与施工的工人应穿洁净的工作服与工作鞋,戴洁净手套等。
“环境清〞是指相关的单位要提供洁净的工作环境,在施工全过程中随时清扫垃圾和污物,保证风管、配件和部件不受污染。
(5)在洁净系统施工全过程中,还要确保系统的严密性与工作效率,防止外部含尘空气的渗入和合理缩短工期。
二、风管制作工艺中应注意的问题:洁净空调系统对风管的严密性要求很高,所以相比普通风管而言,其制作工艺要求更高。
另外还需要在制作过程中不仅采取严格的质量控制措施。
针对镀锌钢板风管而言,目前的连接方式主要有角钢法兰连接、薄钢板法兰连接、组合法兰连接等几种主要连接形式,下面就不同连接形式的风管制作在洁净系统中需要的工艺改良问题进行讨论。
2.1 洁净系统风管应防止横向接缝,减少纵向接缝。
其目的一是为进一步保证系统的严密性,防止因接缝增多而增加泄漏的可能性;二是防止积尘。
洁净系统风管制作工艺的选择很重要,为了防止风管的接缝,风管可采用镀锌卷板加工,通过流水线〔或手工〕下料,利用卷板材的宽度作为风管的长度,这样理论上可以加工出任意边长尺寸的风管,防止了风管纵向接缝问题。
2.2 ?标准?中要求净化系统风管的咬口缝、铆接缝以及法兰翻边的四角缝隙处采取密封措施。
但是,根据实际的情况,需要对不同的连接方式进行分析讨论:2.2.1 薄钢板法兰风管薄钢板法兰风管由于风管与法兰本身为一体,密封性好,按照?标准?规定中、低压系统中可以做到边长为2000mm的风管。
通风系统风量测试调整方法探讨前言:通风系统风量测试,为通风空调工程中的重要环节,本文从测量仪器的选用、风量测量相关参数的确定、到实际测量操作方法等方面进行探讨,具有一定的现场指导作用。
一、适用范围本方案适用于建筑工程通风于空调系统中,使用的金属风管系统的风量检测调整。
二、作业条件及要求1、风机单机试运转合格2、风管系统的严密性和漏风量检测试验合格3、风量检测调试的方法确定,调试方案经过审批三、主要机具1、施工机具:人字木梯、毛刷、红油漆、扳手等2、测量工具:热球风速仪(一般民用建筑选用测定风速范围为10-30m/s的型号)、比托管、倾斜式微压计,监测仪器应在有效校验期内,确保测量有效准确。
四、操作流程及工序绘制系统草图—→确定测试参数—→确定测试位置—→测量孔设置—→现场检测—→与设计要求值比较(确定风量平衡、调整方法)—→调整阀门开启程度—→风量细调符合设计要求—→确定阀门开启程度并标识—→调试报告五、作业方法:1、测试的系统一般包括空调送回风系统、新风系统。
2、测定调整的参数包括:对于一般空调送风系统测试的参数包括,新风量q新、总送风量q总、各支管段的送风量、各风口的送风量,如含回风系统时,还应包括回风量q回等。
3、测试位置的确定确定系统测试位置时,应根据系统的实际情况,参考设计图纸,绘制出系统的单线草图供测试使用,在草图上注明风管尺寸、测试位置、风阀的位置、送(回)风口的位置等,在测定截面处,应说明截面的设计风量、面积。
测试位置的一般选择在气流较均匀的平直管段处,若遇到有三通、弯头、变径等产生涡流的构件时,测定位置与其距离架下图一。
图一测试位置确定方法4、测量孔的设置测试位置处测点的位置和数目,主要根据风管形状而定。
对于矩形风管,应将截面划分为若干相等的小截面,并使各小截面尽可能接近于正方形,测点位于小截面的中心处,小截面的面积不得大于0.05m2。
测试孔设置见图二。
圆形风管应根据管径大小,将截面分成若干个面积相等的同心圆环,每个圆环上测点设4个点,且这4个点必须位于互相垂直的两个直径上,所划分的圆环数目,可按下表一选用。
风量平衡定律的名词解释
风量平衡定律是指在通风系统中,当系统达到稳定状态时,供风量等于排风量。
这个定律是通风系统设计和运行的基础原理。
在通风系统中,通过调节供、排风量来实现空气的流通和更新。
风量平衡定律告诉我们,只有当供风量和排风量相等时,系统才能达到稳定状态,从而保证室内空气的质量。
为了实现风量平衡,需要按照一定的设计原则进行通风系统的规划和布局。
首先,需要确定各个房间和区域的风量需求,根据房间的用途、人员密度、室内污染物产生率等因素来确定合理的风量。
然后,根据风量需求确定供风和排风口的位置和数量,确保风量分配均匀。
最后,在系统运行时,通过调节风机的转速和风门的开度来控制供、排风量,使其保持平衡。
风量平衡定律的应用不仅可以提高室内空气质量,还能有效节能。
如果供风量大于排风量,会导致室内压力增加,造成漏风和能量浪费;如果供风量小于排风量,会导致室内负压,影响空气流通和人
员舒适度。
因此,风量平衡定律在通风系统设计和运行中起着至关重要的作用。
总之,风量平衡定律是指在通风系统中,供风量等于排风量的原理。
合理应用这一定律可以提高室内空气质量,节约能源。
在通风系统设计和运行中,我们应该密切遵循风量平衡定律,确保系统的稳定和高效运行。
系统风量的测试与平衡1)系统风量的测试:①按工程实际情况绘制系统单线透视图,并标明风管尺寸、测点位置以及截面积大小、送(回)风口位置,同时标明设计风量、风速等参数,对测点进行编号。
②开启风机进行风量测定与调整,先测总风量是否满足设计风量要求,做到心中有数,如达不到要求则分析原因并制定解决办法。
系统总风量以风机的出风量或总风管的风量为准,系统总风压以测量风机前后的全压差为准。
③系统风量的测试可用两种方法进行:方法一是用皮托管和微压计测量风管内的风量,方法二是用叶轮风速仪测量送回、风口或新风进风风量。
④方法一:用皮托管和微压计测量干、支管风量。
a、测量截面积的位置选择在气流均匀处。
按气流方向,应选择在产生局部阻力之后大于或等于4 倍的管径及局部阻力之前大于或等于1.5 倍矩形风管长边尺寸的直管段上。
如难以找到符合上述条件的截面,可将测定截面的位置进行灵活变动:一是所选截面保证是平直管段,二是该截面距前面局部阻力的距离比距后面局部阻力的距离适当长一些。
当测量截面上的气流不均匀时,应增加测量截面上的测点数量。
为了检验测定截面选择的正确性,可在开始测量时,同时测出所在截面的全压、静压和动压,并用全压=静压+动压的关系来检验测定结果是否基本吻合,如发现三者关系不符,如操作无误,则说明该截面的气流极不稳定,需要重新选择。
b、在风管内测定平均风速时,将风管测定截面划分为若干个相等的小截面使之尽量接近正方形(圆形风管则根据管径大小,将截面分成若干个同心圆,每个圆环测量四个点),以测得较匀风速,其面积不大于0.05 m 2(每个小截面的边长为200~250 mm,小于220 mm 则所测得数据更为精确)。
测点位于各小截面的中心处,测孔位置根据现场情况以方便操作为原则确定开在大边或小边。
测出风管内的送风速度之后,将该值乘以风管该处的截面积再乘以3600即可得出该风管的出风量,如下式所示。
Q=V.S.3600Q——出风量,m3 /hV——平均风速,m/sS——风管截面积,m 2c、平均风速的计算采用皮托管和微压计测量风管内的风量时,直接测得的是风管截面上的平均动压值,需要通过计算方可求出平均风速。
通风空调系统的调试方法通风空调作为现代化建筑中不可缺少的系统,其调试检测是很重要的一项工作,下面的文章为您讲解的是通风空调的各个系统的调试方法,如下:一、风管系统的风量平衡系统各部位的风量均应调整到设计要求的数值,风量调节阀起着重要作用。
调试时可从系统的末端开始,即由距风机最远的分支管开始,使用风量调节阀逐步调整到风机,使各分支管的实际风量达到或接近设计风量。
最后当将风机的风量调整到设计值时,系统各部分的风量仍能满足要求。
风量调节阀()使用风量调节阀调节系统风量调平衡后,应达到:①风口的风量、新风量、排风量、回风量的实测值与设计风量的偏差不大于10%;②风量与回风量之和应近似等于总的送风量或各送风量之和;③总的送风量应略大于回风量与排风量之和。
通风系统的连续运转不应少于2h。
二、新风系统的测试新风系统主要由风管、新风调节阀和新风处理机等组成。
其测试方法与送风系统相同,在使用风量调节阀调整新风量时,一定要符合设计要求,否则可能产生种种弊端。
如果新风量太多,会增加制冷压缩机的热负荷,影响室内的空调效果;如果新风量太少,则不符合国家的卫生标准,使人感到闷气、不舒服,因此,要保证室内的正压或负压,新风量的调节一定要合适。
三、空调水系统的清洗调试冷水系统的管路长且复杂,系统内的清洁度要求高,因此,在管清洗时要求严格、认真。
在清洗之前先关闭风机盘管等设备的集分水器进水阀。
开启旁通阀,使清洗过程中管内的杂质,通过旁通阀最后排出管外。
集分水器()冷水系统的清洗工作,属封闭式的循环清洗,每1一2h排水一次,反复多次,直至水质洁净为止。
最后开启制冷机蒸发器、风柜和风机盘管的集分水器进水阀,关闭旁通阀,进行冷冻水系统管路的充水工作。
由于整个系统是封闭的,因此,在充水时要注意管内气体的排放工作。
排气的方法,可在系统的各个最高点安装普通的或自动的排气阀,进行排气。
如果管内的气体排放不干净,将直接影响制冷效果。
四、空调系统的试运转空调系统带冷热源的正常联合试运转不少于8h。
Ventilation&air conditioning总第342期(通风与空调浅谈风量平衡一体化单元(FASU)在VAV空调系统中的应用张春强(嘉善县资产经营有限公司浙江嘉兴314100)摘要:本文结合中国尊项目,通过分析空调末端设备的应用、FASU系统的工作原理、施工要点、系统调试以及FASU系统的优点,详细介绍了风量平衡一体化单元(FASU)在VAV空调系统中的使用情况,可为类似项目提供参考.关键词:风量平衡一体化单元(FASU)变风量空调系统变风量末端灯具低温风口系统调试中图分类号:TU831文献标识码:B文章编号:1002-3607(2020)11-0037-041工程概况中国尊项目位于北京商务中心区核心区Z15地块,是北京市的地标建筑。
该项目用地面积11478m2,总建筑面积43.7万卄,其中地上35万m?,地下8.7万m2,建筑总高528m,建筑层数地上108层、地下7层(不含夹层),可容纳1.2万人办公,为中信集团总部大楼。
中国尊项目冷源采用冰蓄冷系统,空调热源由市政热网提供。
本项目标准层外区采用窗边风机盘管,主要用于消除距离幕墙1.5m范围内的冷热负荷;内区采用单风道变风量空调系统,主要用于消除内区热湿负荷,满足室内人员新风需求。
控制系统通过深化室内温度测控点位,实现内外区负荷的相对独立控制。
2风量平衡一体化单元(FASU)在VAV空调系统中的应用本项目VAV变风量末端下游采用了风量平衡一体化单元(FASU)(见图1),FASU系统是集静压箱、消声保温软管和送风口于一体的系统产品。
通过对末端各个FASU系统内的软管布局、走向及软管长度等计算的深化设计,可以保证系统内各个出风口的风量平衡在10%以内。
图1风■平衡一体化单元(FASU)2.1空调末端设备应用2.1.1VAV变风量末端中国尊项目的VAV空调系统采用了第二代VAVBOX设备(见图2),设备使用叶轮式风量传感器和可变式多孔叶片,提高了风量测量精度并起到节能降噪的作用。