单相三相交流电路功率计算公式
- 格式:doc
- 大小:2.08 MB
- 文档页数:19
功率计算公式功率是描述物体所耗费能量的速率,通常用单位时间内所耗费的能量来表示。
在电学领域中,功率计算是非常重要的,它可以帮助我们了解电路中能量的消耗情况。
在电路中,功率计算公式包括三种不同的情况,分别是直流电路、交流电路和三相电路。
1. 直流电路中的在直流电路中,功率可以通过以下公式来计算:P = V × I其中,P代表功率(单位为瓦特,W),V代表电压(单位为伏特,V),I代表电流(单位为安培,A)。
通过这个公式,我们可以清楚地了解在直流电路中电压和电流之间的功率关系。
当电压和电流都为正值时,功率为正,表示能量的消耗;当电压和电流一个为正一个为负时,功率为负,表示能量的转换;当电压和电流都为负时,功率为正,表示能量的供给。
2. 交流电路中的在交流电路中,由于电压和电流随时间变化,功率的计算稍微复杂一些。
功率可以通过以下公式来计算:P = Vrms × Irms × cosθ其中,P代表功率(单位为瓦特,W),Vrms代表电压有效值(单位为伏特,V),Irms代表电流有效值(单位为安培,A),cosθ代表功率因数。
功率因数是描述电路中有用功率和视在功率之间关系的参数,当cosθ为正时,功率为正,表示电路中的能量消耗情况。
3. 三相电路中的在三相电路中,功率的计算可以通过以下公式进行:P = √3 × V × I × cosθ其中,P代表功率(单位为瓦特,W),V代表相电压(单位为伏特,V),I代表线电流(单位为安培,A),cosθ代表功率因数。
三相电路中的功率计算需要考虑到√3这个系数,通过这个公式可以准确地计算出三相电路中的功率值。
总结通过上面的介绍,我们可以了解到在不同类型的电路中,功率计算公式存在一定的差异。
掌握好这些计算公式可以帮助我们更好地理解电路中的能量转换和消耗情况,为电路设计和运行提供参考依据。
希望以上内容对您有所帮助!。
单相、三相交流电路功率计算公式
三相电中的电功率的计算公式:1.732*线电压U*线电流I*功率因数COSΦ
【P=√3×线电压U(380V)×线电流I×功率因数COSΦ】
三相电电器的总功率等于:3*相电压*相电流*功率因数COSΦ
【P= 3×相电压U(220V)×相电流I×功率因数COSΦ】
单相电中的电功率的计算公式:电压U*电流I【P=U×I】
星形的相电压是每项火线对地线为220V,线电压是ABC三相火线分别间的电压为380V。
星形(Y)接法的负载引线为三条火线、一条零线和一条地线,三条火线之间的电压为380V,任一火线对零线或对地线的电压为220V。
星形接法:P=(U相*I相*cosφ)* 3 =(220*I*cosφ)* 3 =380/根号3 *cosφ *3 ==√3UICOSΦ星形时线电流=相电流,线电压=相电压的根号三倍。
三角形(△)接法的负载引线为三条火线和一条地线,三条火线之间的电压为380V,任一火线对地线的电压为220V;
三角接法:P=380v*I线*COSΦ=380v* √3 I相COSΦ = √3UICOSΦ
三角时线电流=相电流的根号三倍,相电压=线电压。
由于三相电源相线之间电压为380V,相线与中线之间电压为220V。
将三个负荷(一般为相等的负荷)连接在相线之间(每两相之间接一个负载),为三角形接法;将三个符合接在三根相线与中线之间(同样每个相线到中线连接一个负载)为星型接法。
可以看出,三角形接法每个负载两端所加电压为380V,星型接法则为220V;因此,前者负载输出功率大,后者较小。
同时,三角形接法对负载的耐压要求相应也较高。
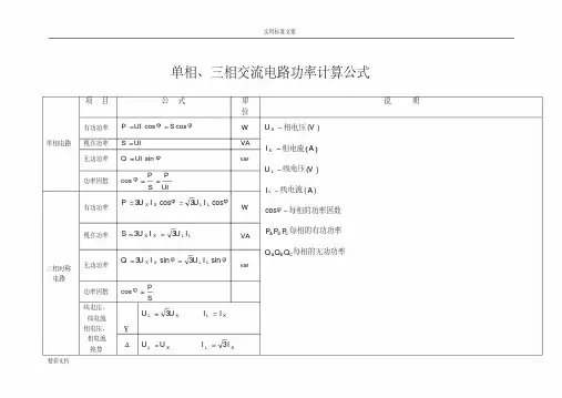
单相、三相交流电路功率计算公式单相电路工程公式单位说明有功功率P = UI coscp = S coscp w u x—相电压M)I x -相电流(A)%.-线电压⑺线电流(A)cos °-每相的功率因数2匕匕每相的有功功率Q A2c每相的无功功率视在功率S = UI VA无功功率Q = UI sin(p var功率因数P P cos(p =—=——S UI三相对称电路有功功率P = 3Ux【x cos(p = J3U J cos.W 视在功率S=3Uxlx =M U J L VA 无功功率Q = 3U x I x sin (p = \[3Uj /z sin (p var 功率因数P cos(p =—线电压、线电流相电压、相电流换算Y U L =闻X 】L=1XA U L=U x I L = 4^1 x三相不对称电路有功功率P = P A+P B+P C无功功率Q =Q A +Q B+ Qc相电压:三相电源中星型负载两端的电压称相电压.用UA、UB、UC表示.相电流:三相电源中流过每相负载的电流为相电流,用IAB、IBC、ICA表示.线电压:三相电源中,任意两根导线之间的电压为线电压,用UAB、UBC、UCA表示.线电流:从电源引出的三根导线中的电流为线电流,用IA、IB、IC表示.如果是三相三线制,电压电流均采用两个互感器,按V/v接法,测量结果为线电压和线电流;如果是三相四线制:1、电压可采用V/v接法,电流必须采用Y/y接法,测量结果为线电压和线电流,线电流也等于相电流.2、电压和电流均采用Y/y接法,测量结果为相电压和相电流,相电流也等于线电流.Y/y接法时,电压互感器一次接在火线及零线之间,每个电压互感器二次输出接一个独立仪表.每根火线穿过一个电流互感器,每个电流互感器二次输出接一个独立仪表.电压V/v接法时,电压互感器一次接在火线之间,二次分别连接一个电压表,如需测量另一个线电压,可将两个互感器的二次输出的n端连接在一起,a、b端连接第三个电压表.电流V/v接法时,两根火线分别穿过一个电流互感器,每个互感器的二次分别接一个电流表,如需测量第三个线电流,可将两个的s2端连接在一起,与两个互感器的s1端一起共三个端子,另外,将三个电流表的负端连在一起, 其它三个端子分别与上述三个端子连接在一起.三相电流计算公式I=P/(U* 1.732)所以1000W的线电流应该是1.519Ao功率固定的情况下,电流的大小受电压的影响,电压越高,电流就越小,公式是I=P/U当电压等于220V时,电流是4.545A,电压等于380V时,电流是2.63A,以上说的是指的单相的情况.380V三相的时候,公式是I=P/(U* 1.732), 电流大小是1.519A三相电机的电流计算I=P/(1.732*380*0.75)式中:P是三相功率(1.732是根号3) 380是三相线电压(I是三相线电流)0.75是功率因数,这里功率因数取的是0.75 ,如果功率因数取0.8或者0.9,计算电流还小.电机不是特别先进的都是按0.75计算.按10kW计算:I=10kW/(1.732*380*0.75)=10kW/493.62=20.3 A三相电机必须是三相电源, 10KW电动机工作时,三根电源线上的工作电流都是20.3 A实际电路计算的时候还要考虑使用系数,启动电流等因素来确定导线截面积、空开及空开整定电留.三相电中,功率分三种功率,有功功率P、无功功率Q和视在功率S.电压与电流之间的相位差(①)的余弦叫做功率因数,用符号cos①表示,在数值上,功率因数是有功功率和视在功率的比值,即cos⑴=P/S三种功率和功率因素cos中是一个直角功率三角形关系:两个直角边是有功功率P、无功功率Q,斜边是视在功率S.三相负荷中, 任何时候这三种功率总是同时存在:S?=p2+Q2 S= J(P?+Q2)视在功率S=1.732UI有功功率P=1.732UIcos中无功功率Q=1.732UIsinO 功率因数cos①二P/S根号3,没有软件写不上,用1.732代替系统图Pe:额定功率Pj:计算有功功率Sj:计算视在功率Ij:计算电流Kx:同时系数cos.:功率因数Pj=Kx*Pe Sj=Pj/cos6 单相供电时,Ij=Sj/Ue 三相供电时,Ij=Sj/ V 3Ue电气系统图里的符号是有标准的KM表示交流接触器KA表示中间继电器, 4KT表示时间继电器FR表示热继电器;SQ表示限位开关;SB表示按钮开关;Q表示刀开关;FU表示熔断器;FR表示热继电器LI DZ47-60 16A/2P ZDB-4B-WL1----------- X , ---------------L1L2L3DZ47LE-60 16A/3P/0. 03A ZDB-1B-WL12NH-BV-O. 45/0. 75 L1,N, PE TLB1-63C16/1 ALE-YJ-vl -3x2. 5-KZ17-ACC/WC 0. 8kW 配电箱PF4T1 ZR-BV-3x2. 5-SC20-CC9kW 插座C-03ZR-BV-5x4-SC20-CCI - -------------- L1:表示单相电〔一条火线〕220VLI、L2、L3:表示三相电〔三条火线〕38OVN:表示工作零线,PE:保护线PE线〔简称地线〕DZ:表标空开〔熔断器〕的材质〔塑料外壳式熔断器〕47:设计代号〔产品型号〕LE:表示空开带漏电保护装置.60:表示最高电流〔当电流到达60A时,开关就会自动跳闸断开〕16A:表时壳架等级额定电流ZDB-4B-WL1:电路回路编号〔由自己自由编排〕ZR:表示阻燃电线BV:电线的材质〔铜线〕,是绝缘单根硬铜线3X2.5 :表标3条2.5平方的电线SC20:直径为20焊接钢管CC:暗敷在天棚顶内TL:一,导线穿管表示SC-焊接钢管MT-电线管PC-PVC塑料硬管FPC-阻燃塑料硬管CT-桥架MR-金属线槽M-钢索CP-金属软管PR-塑料线槽RC-镀锌钢管二,导线敷设方式的表示DB-直埋TC-电缆沟BC-暗敷在梁内CLC-暗敷在柱内WC-暗敷在墙内CE-沿天棚顶敷设CC-暗敷在天棚顶内SCE-吊顶内敷设F-地板及地坪下SR-沿钢索BE-沿屋架,梁WE-沿墙明敷三,灯具安装方式的表示CS-链吊DS-管吊W-墙壁安装C-吸顶R-嵌入S-支架CL-柱上沿钢线槽:SR沿屋架或跨屋架:BE 沿柱或跨柱:CLE 穿焊接钢管敷设:SC电线管敷设:MT穿硬塑料管敷设:PC 穿阻燃半硬聚氯乙烯管敷设:FPC 电缆桥架敷设:CT 金属线槽敷设:MR塑料线槽敷设:PR 用钢索敷设:M 穿聚氯乙烯塑料波纹电线管敷设:KPC 穿金属软管敷设:CP 直接埋设:DB 电缆沟敷设:TC导线敷设部位的标注沿或跨梁〔屋架〕敷设:AB 暗敷在梁内:BC 沿或跨柱敷设:AC暗敷设在柱内:CLC 沿墙面敷设:WS 暗敷设在墙内:WC 沿天棚或顶板而敷设:CE 暗敷设在屋面或顶板内:CC 吊顶内敷设:SCE 地板或地面下敷设:FC照明用途是单相供电如果预算7kW功率,可以从{ 〔7000W功率/220V电压〕/3相}可以得到每一相总电流是10.6A安培每一相总电流是10.6A安培,配给电路电线应该2.5-4平方己经足够了三相电机用途是I电流=P功率〔kW〕 /{ J3xU电压xcos有功功率xu}三相电机的〔I电流〕估算一般是lkW=2A三相的功率计算公式是:P=L732*U* 户COS ① KVA=KW/ COS①三相电机的〔I电流〕估算一般是lkW=2A J 3=1.732DZ47LE系列剩余电流动作断路器百度文库•让每个人平等地提升自我2型号及含义壳架等级额定电流〔32A、63A〕DZ 47LE-口功能代号〔电子式剩余电流动作断路器〕设计代号塑料夕唬式断路器1适用范围DZ47LE系列剩余电流动作断路器适用于交流50Hz或60Hz,额定电压单极两线、两极230V,三极、三极四线、四极400V,额定电流至60A的线路中,当人身触电或电网泄漏电流超过规定值时,剩余电流动作断路器能在极短的时间内迅速切断故障电源,保护人身及用电设备的平安.剩余电流动作断路器具有过载和短路保护功能,可用来保护线路或电动机的过载和短路,亦可在正常情况下作为线路的不频繁转换启动之用. 符合标准:GB 16917.K IEC61009-1o3正常工作条件和安装条件3.1环境温度-5^~40℃, 24h内平均不超过35X:.3.2 海拔高度:安装地点的海拔不超过2000m.3.3 安装类别:II、III级.3.4 污染等级;2级.3.5 安装方式;采用TH35-7,5型钢安装轨安装.安装场所的外磁场任何方向均不应超过地磁场的5倍;剩余电流动作断路器应垂直安装, 3.6安装条件:手柄向上为接通电源位置;安装处应无显著冲击和振动.3.7 接线方式:用螺钉压紧接线.4主要参数及技术性能4.1 主要规格:411 额定电流(In);壳架等级电流32A为:6A、10A、16A、20A、25A、32A;壳架等级电流63A为:6A、1OA X 16A、20A、25A、32A、40A. 50A. f 412额定剩余动作电流En: 0.03A、0.05A、O.1A S 0.3A;4.1.3按极薮和电流回路分为:..单极两线剩余电流动作断路器(1P+N);b.两极剩余电流动作断路器(2P);c.三极剩余电流动作断路器(3P);d.三极四线剩余电流动作断路器(3P+N);e.四极剩余电流动作断路器(4P);注:a.5A, 10A, 20A, 50A, 100A, 200A, 500A 的试验仅对验证动作时进行,对大于过电流瞬时脱扣范 围下限的电流值不进行试验.b .在山等于C 型或D 型的过电流瞬时脱扣范围下限的电流值进行试验.4.2.6 过电流保护特性见表2序号额定电流INA)起始状态 试验电流 规定时间t预期结果 备注 16~60泠态1.13lnt^lh不脱而423额定剩余接通和分断水平Lmn): 2000; 424额定剩余不动作电流Mno : 0.5lAn ; 4.2.5剩余电流动作的分断时间见下表1ln(A)lAn(A)剩余电流等于以下值时分断时间(s)lz\n 2I AH, 5A t 10A, 20A, 50A「5lAn 100A, 200A, 500AlAt b 6~60 0.03, 0.05, 0.1, 0.3 0.10.050.040.040.04表4.2.7 机械电气寿命:电气寿命:2000次,854>=085~0 9;机械寿命:2000次;操作频率:Inw25A 240次/h;ln>25A 120次小;428绝缘耐冲击电压性能各极连接在一起与中性极之间能承受峰值为6000V的冲击电压;各极与中性极连接在一起和金属支架之间能承受峰值为8000V的冲击电压.4.2.9剩余电流动作断路器在峰值电流为200A冲击电流,有承受水平,并不引起误动作.4210脱扣特性曲线0.5 1 2 3 4 5 7 K〕】6 20 8 5070100 200l/ln Is0.20.10.050.020.010.0050.002\\\\\\、、\A0 -2^^2 3 4 5 7 10 16 20 30 5070 】00 200l/lnoohooooooX)®lx))oQoo500(5(X21212021524.2.11接线螺钉扭矩应不小于1.5N ♦ m;4.3周围空气温度:周围空气温度最高温度40c t最氐不低于-53 24h平均不超过+35.周围空气温度对断路器的影响见表3.表3 温度七-15 -5 0 10 20 30 40 55额定电流修正系数 1.19 L15 1.13 1.06 1.05 1 0.96 08944安装铜导线选型见表4 主.表4】0及以下 1.510-20 2.520~25 425~32 632-50 1050 ~ 60 165外形及安装尺寸TH35-7.5型安装导轨尺寸极数Umm)- H(mm)lnm=32lnm=631P+N45 i.62 54 4).74 74 :202P 63 3).74 72 3).74 78.3P 90 51.40 103.5〃"•83P+N 99 〃117北77.8^.204P 117 13516G"8,.电机功率电梳配线配管开关接触物继由器线径明线暗线KW HP A ■ iran"rran A A ITOT T A A0.18 0. 25 0.63 4*1.5 16 6\15 3 0. 48^0.72 0.5 7 6 0.37 0. 5 1.1 4*1. 5 16 6\15 3 0.8^1.2 1 13 100.75 1 1.8 4*1.5 16 6X15 3 1.4^2. 2 1.25 16 141.1 1.52.4 4*2.5 20 10\15 3 2. 2^3. 4 1.5 17 141.5 2 3.2 4*2.5 20 15\15 3 「6 2 20 182. 2 3 4. 7 4*2. 5 20 20\30 3 4~6 2. 5 24 203 4 6.5 4*2.5 20 20\30 3 必6 3 25 233.7 5 7.7 4*2.5 20 30\60 3 5飞 4 31 26 5.5 7.5 11.5 4*4 20 30\60 0 F134.5 33 30 7.5 10 15 4*4 20 40\60 4—0 12^18 641 34 11 15 22 3* 6+1*4 25 40\60 4—1 16^22 6.75 41 3715 20 29 3*10+1*6- 32 60\60 N1 2广36 9.5 52 46 18.5 25 35 3*10+1+6 32 80X100 N2 24飞6 10 57 4622 30 41 3*1 S+1*10 32 100\100 N2S "50 15 67 60 30 40 56 3*16+1*10 32 100\100 N3 45% 7 16 73 61 37 50 68 3*25+1*16 40 125X250 N4 53飞0 20 79 71 45 60 83 3*35+1*25 40 175\250 M5 65-95 25 95 80 55 70 103 3*50+1*35 50 200X250 N5 *5~105 35 115 98 60 _80 114 3*70+1*35 50 21M250 N6 &5~125 40 125 108 65 86 124 3*70+1*35 50 200X250 N7 85~125 50 146 123 70 90 133 3*95+1*50 60 200\250 M7 11CT160 65 180 15575 100 139 3*95+1*50 60 225X250 N7 110^160 70 183 156 85 113 162 3*120+1*70 80 250\250 N8 125= 85 95 225 192 95 126 181 3*150+1*95 80 300\400 N8 12521a5 100 230 195 110 150 197 3*150+1*95 R0 3501400 N10 160)40 120 266 224115 153 219 3*150+1*95 80 350X400 Nil 160^240 130 275 235130 173 247 3*150+1*95 80 400X400 Nil 200^300 150 2g5 262 135 180 2E7 7松月400X400 1瓯340 2的155 207 295 国9 5 500X600 240 430180 240 342 7*120 500X600 300 500185 247 352 7*120 600\600 400 610210 280 399 7*1 50 600\600 500 710。
单相三相交流电路功率计算公式单相交流电路功率计算公式:在单相交流电路中,功率可以通过以下公式来计算:P = V * I * cos(θ)其中P是功率(单位:瓦特,W)V是电压(单位:伏特,V)I是电流(单位:安培,A)θ 是电流和电压之间的相角差(单位:弧度,rad)这个公式叫做功率三角公式,它说明了功率与电压、电流以及相角之间的关系。
三相交流电路功率计算公式:在三相交流电路中,功率可以通过以下公式来计算:P = √3 * V * I * cos(θ)其中P是功率(单位:瓦特,W)V是线电压(单位:伏特,V)I是线电流(单位:安培,A)θ 是电流和电压之间的相角差(单位:弧度,rad)在三相交流电路中,通常有两种类型的负载,即"星形"连接负载和"三角形"连接负载。
根据不同的连接方式,我们可以计算总功率、线功率和相功率。
总功率(P_total)是三相电路的总功率,可以通过上述公式计算。
线功率(P_line)是指通过输入电源线/导线的总功率,可以通过以下公式计算:P_line = √3 * V * I * cos(θ)相功率(P_phase)是指通过每个相位的功率,可以通过以下公式计算:P_phase = V * I * cos(θ)在实际应用中,有时需要计算其他参数,如视在功率(S)和无功功率(Q)。
它们可以通过以下公式计算:S=√(P^2+Q^2)Q=√(S^2-P^2)以上是单相和三相交流电路中常用的功率计算公式。
电器功率计算公式:电器功率(P)可以通过以下公式来计算:P=U*I其中P是功率(单位:瓦特,W)U是电压(单位:伏特,V)I是电流(单位:安培,A)这个公式是计算单个电器的功率的常用公式。
电压和电流的乘积可以得到电器的功率消耗。
以上是电器功率计算公式。
单相、三相交流电路功率计算公式
电动机在额定状态下运行时,其轴上所能输出的机械功率称为额定功率。
额定功率二根号3*额定电压*额定电流*功率因数*电机效率,即P=y3Ulcos©n
视在功率S=VUI有功功率P有功=A/3UI COS 0视在功率的平方=有功功率的平方+无功功率的平方
电机铭牌上的额定功率是额定输出轴功率,计算公式为:P额定=A/3Ulcos笫R有功*叶
其中P—电机的额定输出轴功率
U—额定电压
I —额定电流
cos 0电机的功率因数
T] ■^机的效率
cos砌率因数是指电机消耗的有功功率占视在功率的比值Y]电机效率是指电机的输出功率占有功功率的比值。
无功功率Q^v^Ulsin 0。
单相、三相交流电路功率计算公式单相电路项目公式单位说明有功功率coscos SUIP W VUX相电压AIX相电流VUL线电压AI L线电流每相的功率因数cos每相的有功功率CBAPPP每相的无功功率CBAQQQ视在功率UIS VA无功功率sinUIQ var功率因数UIPSPcos三相对称电路有功功率cos3cos3LLXXIUIUPW 视在功率LLXXIUIUS33VA 无功功率sin3sin3LLXXIUIUQvar功率因数SPcos线电压、线电流相电压、相电流换算XLUU3XLIIXLUUXLII3三相不对称电路有功功率CBAPPPP无功功率CBAQQQQ相电压:三相电源中星型负载两端的电压称相电压。
用UA、UB、UC 表示。
相电流:三相电源中流过每相负载的电流为相电流,用IAB、IBC、ICA 表示。
线电压:三相电源中,任意两根导线之间的电压为线电压,用UAB、UBC、UCA 表示。
线电流:从电源引出的三根导线中的电流为线电流,用IA、IB、IC 表示。
如果是三相三线制,电压电流均采用两个互感器,按V/v接法,测量结果为线电压和线电流;如果是三相四线制:1、电压可采用V/v接法,电流必须采用Y/y接法,测量结果为线电压和线电流,线电流也等于相电流。
2、电压和电流均采用Y/y接法,测量结果为相电压和相电流,相电流也等于线电流。
Y/y接法时,电压互感器一次接在火线及零线之间,每个电压互感器二次输出接一个独立仪表。
每根火线穿过一个电流互感器,每个电流互感器二次输出接一个独立仪表。
电压V/v接法时,电压互感器一次接在火线之间,二次分别连接一个电压表,如需测量另一个线电压,可将两个互感器的二次输出的n端连接在一起,a、b端连接第三个电压表。
电流V/v接法时,两根火线分别穿过一个电流互感器,每个互感器的二次分别接一个电流表,如需测量第三个线电流,可将两个的s2端连接在一起,与两个互感器的s1端一起共三个端子,另外,将三个电流表的负端连在一起,其它三个端子分别与上述三个端子连接在一起。
电功率计算公式一、电功率计算公式:1、在纯直流电路中:P=UI,P=I²R,P=U²/R;式中:P---电功率(W),U---电压(V),I---电流(A),R---电阻(Ω)。
2、在单相交流电路中:P=UIcosφ式中:cosφ---功率因数,如白炽灯、电炉、电烙铁等可视为电阻性负载,其中cosφ=1则P=UI;U、I---分别为相电压(220V)、相电流。
3、在对称三相交流电路中,不论负载的连接是哪种形式,对称三相负载的平均功率都是:P=√3UIcosφ式中:U、I---分别为线电压(380V)、线电流。
cosφ---功率因数,若为三相阻性负载,如三相电炉,cosφ=1则P=√3UI;若为三相感性负载,如电动机、压缩机、继电器、日光灯等等。
cosφ=0.7~0.85,计算取值0.75。
4、说明:阻性负载:即和电源相比当负载电流负载电压没有相位差时负载为阻性(如负载为白炽灯、电炉等)。
通俗一点讲,仅是通过电阻类的元件进行工作的纯阻性负载称为阻性负载。
感性负载:通常情况下,一般把带电感参数的负载,即符合电压超前电流特性的负载,称为感性负载。
通俗地说,即应用电磁感应原理制作的大功率电器产品。
二、欧姆定律部分1、I=U/R(欧姆定律:导体中的电流跟导体两端电压成正比,跟导体的电阻成反比)2、I=I1=I2=…=In(串联电路中电流的特点:电流处处相等)3、U=U1+U2+…+Un(串联电路中电压的特点:串联电路中,总电压等于各部分电路两端电压之和)4、I=I1+I2+…+In(并联电路中电流的特点:干路上的电流等于各支路电流之和)5、U=U1=U2=…=Un(并联电路中电压的特点:各支路两端电压相等。
都等于电源电压)6、R=R1+R2+…+Rn(串联电路中电阻的特点:总电阻等于各部分电路电阻之和)7、1/R=1/R1+1/R2+…+1/Rn(并联电路中电阻的特点:总电阻的倒数等于各并联电阻的倒数之和)8、R并=R/n(n个相同电阻并联时求总电阻的公式)9、R串=nR(n个相同电阻串联时求总电阻的公式)10、U1:U2=R1:R2(串联电路中电压与电阻的关系:电压之比等于它们所对应的电阻之比)11、I1:I2=R2:R1(并联电路中电流与电阻的关系:电流之比等于它们所对应的电阻的反比)二、电功率部分12、P=UI(经验式,适合于任何电路)13、P=W/t(定义式,适合于任何电路)14、Q=I2Rt(焦耳定律,适合于任何电路)15、P=P1+P2+…+Pn(适合于任何电路)16、W=UIt(经验式,适合于任何电路)17、P=I2R(复合公式,只适合于纯电阻电路)18、P=U2/R(复合公式,只适合于纯电阻电路)19、W=Q(经验式,只适合于纯电阻电路。
《单相、三相交流电路》功率计算公式三相电源一般都是对称的,多用三相四线制三相负载包括:星型负载和三角形负载不对称时:各相电压、电流单独计算, 对称时:只需计算一相。
千瓦电流值:220v阻性: 1000w/220v=4.5A 220v感性:1000w/(220*0.8)=5.5A380v阻性:1000w/3/220v=1.5A 380v感性:I线=1000w/(380*1.7*0.8)=1.9A 三相四线制中的零线截面通常选为相线截面的1/2左右。
在单相线路中,零线与相线截面相同。
U相220v×√3=U线380v U相380v×√3=U线660v 220v×3=660v (三角:线电压=相电压=380v)相电流:(负载上的电流),用Iab、Ibc、Iac表示。
相电压:任一火线对零线的电压U A、U B、UC ﻩﻩﻩ线电流:(火线上的电流),用I A、IB、IC表示。
线电压:任意两火线间的电压U AB、U BC、U CAﻩﻩﻩﻩﻩﻩﻩ星形:I线(IA、IB、IC)=I相(Iab、Ibc、Iac), U线=380V(UAB、UBC、UCA)=√3×U相(UA、UB、UC=220V),ﻩﻩﻩﻩﻩ P相=U相×I相,P总=3P相=√3×U线×I相=√3×U线×I线;ﻩﻩﻩﻩﻩﻩ三角:I线(IA、IB、IC)=√3×I相(Iab、Ibc、Iac),U线=380V(UAB、UBC、UCA)=U相(UA、UB、UC),ﻩﻩﻩP相=U相×I相,P总=3P相=√3×I线×U相=√3×I线×U线。
ﻩﻩﻩﻩﻩﻩﻩﻩ单相电有功功率:P= U相I相cosφ 1千瓦=4.5-5.5Aﻩﻩﻩﻩﻩﻩﻩﻩﻩﻩ三相电有功功率:P总=3U相I相cosφ=3x220xI相cosφP总=√3U线I线cosφ=1.732x380xI线cosφ三相电1千瓦线电流:IA、IB、IC:=P总/√3U线cosφ=1000kw/(380x√3x0.8)=2A铜线的安全截流量为5-8A/平方毫米,铝线的安全截流量为3-5A/平方毫米。
单相、三相交流电路功率计算公式相电压:三相电源中星型负载两端的电压称相电压。
用UA、UB、UC 表示。
相电流:三相电源中流过每相负载的电流为相电流,用IAB、IBC、ICA 表示。
线电压:三相电源中,任意两根导线之间的电压为线电压,用UAB、UBC、UCA 表示。
线电流:从电源引出的三根导线中的电流为线电流,用IA、IB、IC 表示。
如果是三相三线制,电压电流均采用两个互感器,按V/v接法,测量结果为线电压和线电流;如果是三相四线制:1、电压可采用V/v接法,电流必须采用Y/y接法,测量结果为线电压和线电流,线电流也等于相电流。
2、电压和电流均采用Y/y接法,测量结果为相电压和相电流,相电流也等于线电流。
Y/y接法时,电压互感器一次接在火线及零线之间,每个电压互感器二次输出接一个独立仪表。
每根火线穿过一个电流互感器,每个电流互感器二次输出接一个独立仪表。
电压V/v接法时,电压互感器一次接在火线之间,二次分别连接一个电压表,如需测量另一个线电压,可将两个互感器的二次输出的n端连接在一起,a、b端连接第三个电压表。
电流V/v接法时,两根火线分别穿过一个电流互感器,每个互感器的二次分别接一个电流表,如需测量第三个线电流,可将两个的s2端连接在一起,与两个互感器的s1端一起共三个端子,另外,将三个电流表的负端连在一起,其它三个端子分别与上述三个端子连接在一起。
三相电流计算公式I=P/(U*1.732)所以1000W的线电流应该是1.519A。
功率固定的情况下,电流的大小受电压的影响,电压越高,电流就越小,公式是I=P/U 当电压等于220V时,电流是4.545A,电压等于380V时,电流是2.63A,以上说的是指的单相的情况。
380V三相的时候,公式是I=P/(U*1.732),电流大小是1.519A三相电机的电流计算 I= P/(1.732*380*0.75) 式中: P是三相功率 (1.732是根号3) 380 是三相线电压 (I是三相线电流) 0.75是功率因数,这里功率因数取的是0.75 ,如果功率因数取0.8或者0.9,计算电流还小。
单相三相交流电路功率计算公式交流电路功率计算公式有两种,分别是单相交流电路功率计算公式和三相交流电路功率计算公式。
在单相交流电路中,电流和电压是随时间变化的,所以计算功率时需要考虑到电流和电压的相位关系。
单相交流电路功率计算公式如下:P = UIcosφ其中,P为功率,U为电压幅值,I为电流幅值,φ为电流相对于电压的相位差。
这个公式又称为绕组功率公式或实功公式。
在实际应用中,为了使用方便,通常使用有效值来表示电压和电流,而不是幅值。
有效值是指在同等功率条件下,与直流电相同的电压或电流的大小。
有效值与幅值的关系可以通过下面的公式计算:Ueff = U√2Ieff = I√2所以,可以将功率公式改写为:P = UeffIeffcosφ在三相交流电路中,有三根相位相差120度的导线,电流和电压都是随时间变化的,所以也需要考虑到相位关系。
一般情况下,三相交流电路中的电压分为线电压和相电压两种情况,而电流可以分为线电流和相电流两种情况。
1.三相交流电路中的线电压和线电流之间的功率计算公式如下:P = √3UeffIeffcosφ其中,P为功率,Ueff为线电压的有效值,Ieff为线电流的有效值,φ为线电压和线电流的相位差。
2.三相交流电路中的相电压和相电流之间的功率计算公式如下:P = √3UeffIeff cosφ其中,P为功率,Ueff为相电压的有效值,Ieff为相电流的有效值,φ为相电压和相电流的相位差。
需要注意的是,线电压和相电压之间的关系可以通过下面的公式计算:Ueff = U线√3同样,线电流和相电流之间的关系可以通过下面的公式计算:Ieff = I线√3总结:单相交流电路功率计算公式为:P = UeffIeffcosφ三相交流电路中线电压和线电流之间的功率计算公式为:P =√3UeffIeffcosφ。
单相三相交流电路功率计算公式
单相交流电路功率计算公式:
单相交流电路的功率计算公式为:P = U × I × cosθ
其中,P表示功率,U表示电压,I表示电流,cosθ表示功率因数。
简单来说,功率是电压乘以电流,并乘以功率因数。
功率因数是指电流与电压之间的相位差的余弦值,它衡量了电能变成
有用功的效果。
当电流与电压完全同相时,功率因数为1,表示电能被完
全转化为有用功;当电流与电压完全反相时,功率因数为-1,表示电能完
全耗散而无用功产生;当电流与电压之间存在相位差时,功率因数介于-1
和1之间。
对于纯电阻性负载,功率因数为1,即cosθ=1,电流与电压完全同相,所有的电能都转化为有用功。
对于电感性或电容性负载,功率因数小于1,电流与电压存在相位差,存在无用功的耗散。
三相交流电路功率计算公式:
三相交流电路的功率计算公式为:P = √3 × U × I × cosθ
其中,P表示功率,U表示电压,I表示电流,cosθ表示功率因数,
√3表示根号3,即1.732
对于三相交流电路,因为存在三个相位的电流和电压,所以在计算功
率时需要乘以√3
与单相交流电路类似,功率因数cosθ衡量了电能变成有用功的效果。
当功率因数为1,即cosθ=1时,功率达到最大值,所有电能转化为有用功。
需要注意的是,在实际情况中,单相和三相交流电路的计算公式可能
会有所调整,包括考虑电路的复杂度、功率因素校正等因素。
因此,在具
体应用中,还需要根据实际情况进行适当的调整和计算。
《单相、三相交流电路》功率计算公式¥三相电源一般都是对称的,多用三相四线制三相负载包括:星型负载和三角形负载不对称时:各相电压、电流单独计算,对称时:只需计算一相。
千瓦电流值:220v阻性:1000w/220v= 220v感性:1000w/(220*=380v阻性:1000w/3/220v= 380v感性:I线=1000w/(380**=三相四线制中的零线截面通常选为相线截面的1/2左右。
在单相线路中,零线与相线截面相同。
U相220v×√3=U线380v U相380v×√3=U线660v 220v×3=660v (三角:线电压=相电压=380v)(相电流:(负载上的电流),用Iab、Ibc、Iac表示。
相电压:任一火线对零线的电压U A、U B、U C 线电流:(火线上的电流),用I A、I B、I C表示。
线电压:任意两火线间的电压U AB、U BC、U CA星形:I线(IA、IB、IC)=I相(Iab、Ibc、Iac),U线=380V(UAB、UBC、UCA)=√3×U相(UA、UB、UC=220V),P相=U相×I相,P总=3P相=√3×U线×I相=√3×U线×I线;三角:I线(IA、IB、IC)=√3×I相(Iab、Ibc、Iac),U线=380V(UAB、UBC、UCA)=U相(UA、UB、UC),P相=U相×I相,P总=3P相=√3×I线×U相=√3×I线×U线。
单相电有功功率:P= U相I相cosφ1千瓦=三相电有功功率:P总=3U相I相cosφ=3x220xI相cosφP总=√3U线I线cosφ=线cosφ~三相电1千瓦线电流:IA、IB、IC:=P总/√3U线cosφ=1000kw/(380x√=2A铜线的安全截流量为5-8A/平方毫米,铝线的安全截流量为3-5A/平方毫米。
单相、三相交流电路功率计算公式精彩文档相电压:三相电源中星型负载两端的电压称相电压。
用UA、UB、UC 表示。
相电流:三相电源中流过每相负载的电流为相电流,用IAB、IBC、ICA 表示。
线电压:三相电源中,任意两根导线之间的电精彩文档压为线电压,用UAB、UBC、UCA 表示。
线电流:从电源引出的三根导线中的电流为线电流,用IA、IB、IC 表示。
如果是三相三线制,电压电流均采用两个互感器,按V/v接法,测量结果为线电压和线电流;如果是三相四线制:1、电压可采用V/v接法,电流必须采用Y/y 接法,测量结果为线电压和线电流,线电流也等于相电流。
2、电压和电流均采用Y/y接法,测量结果为相电压和相电流,相电流也等于线电流。
Y/y接法时,电压互感器一次接在火线及零线之间,每个电压互感器二次输出接一个独立仪表。
每根火线穿过一个电流互感器,每个电流互感精彩文档器二次输出接一个独立仪表。
电压V/v接法时,电压互感器一次接在火线之间,二次分别连接一个电压表,如需测量另一个线电压,可将两个互感器的二次输出的n端连接在一起,a、b端连接第三个电压表。
电流V/v接法时,两根火线分别穿过一个电流互感器,每个互感器的二次分别接一个电流表,如需测量第三个线电流,可将两个的s2端连接在一起,与两个互感器的s1端一起共三个端子,另外,将三个电流表的负端连在一起,其它三个端子分别与上述三个端子连接在一起。
三相电流计算公式精彩文档I=P/(U*1.732)所以1000W的线电流应该是1.519A。
功率固定的情况下,电流的大小受电压的影响,电压越高,电流就越小,公式是I=P/U 当电压等于220V时,电流是4.545A,电压等于380V时,电流是2.63A,以上说的是指的单相的情况。
380V三相的时候,公式是I=P/(U*1.732),电流大小是1.519A三相电机的电流计算 I= P/(1.732*380*0.75) 式中: P是三相功率 (1.732是根号3) 380 是三相线电压 (I是三相线电流) 0.75是功率因数,这里功率因数取的是0.75 ,如果功率因数取0.8或者0.9,计算电流还小。
单相、三相交流电路功率计算公式相电压:三相电源中星型负载两端的电压称相电压。
用UA、UB、UC 表示。
相电流:三相电源中流过每相负载的电流为相电流,用IAB、IBC、ICA 表示。
线电压:三相电源中,任意两根导线之间的电压为线电压,用UAB、UBC、UCA 表示。
线电流:从电源引出的三根导线中的电流为线电流,用IA、IB、IC 表示。
如果是三相三线制,电压电流均采用两个互感器,按V/v接法,测量结果为线电压和线电流;如果是三相四线制:1、电压可采用V/v接法,电流必须采用Y/y接法,测量结果为线电压和线电流,线电流也等于相电流。
2、电压和电流均采用Y/y接法,测量结果为相电压和相电流,相电流也等于线电流。
Y/y接法时,电压互感器一次接在火线及零线之间,每个电压互感器二次输出接一个独立仪表。
每根火线穿过一个电流互感器,每个电流互感器二次输出接一个独立仪表。
电压V/v接法时,电压互感器一次接在火线之间,二次分别连接一个电压表,如需测量另一个线电压,可将两个互感器的二次输出的n端连接在一起,a、b端连接第三个电压表。
电流V/v接法时,两根火线分别穿过一个电流互感器,每个互感器的二次分别接一个电流表,如需测量第三个线电流,可将两个的s2端连接在一起,与两个互感器的s1端一起共三个端子,另外,将三个电流表的负端连在一起,其它三个端子分别与上述三个端子连接在一起。
三相电流计算公式I=P/(U*1.732)所以1000W的线电流应该是1.519A。
功率固定的情况下,电流的大小受电压的影响,电压越高,电流就越小,公式是I=P/U 当电压等于220V时,电流是4.545A,电压等于380V时,电流是2.63A,以上说的是指的单相的情况。
380V三相的时候,公式是I=P/(U*1.732),电流大小是1.519A三相电机的电流计算 I= P/(1.732*380*0.75) 式中: P是三相功率 (1.732是根号3) 380 是三相线电压 (I是三相线电流) 0.75是功率因数,这里功率因数取的是0.75 ,如果功率因数取0.8或者0.9,计算电流还小。
三相电流功率计算方法三相电流是指电力系统中的三相交流电流,其计算方法主要有两种:基于电流和基于功率因数。
一、基于电流的三相电流功率计算方法:1.有功功率计算:三相交流电路中的有功功率可以通过以下公式计算:P = √3 * U * I * cosφ其中,P 表示有功功率,U 表示线电压,I 表示线电流,cosφ 表示功率因数。
2.无功功率计算:三相交流电路中的无功功率可以通过以下公式计算:Q = √3 * U * I * sinφ其中,Q 表示无功功率,U 表示线电压,I 表示线电流,sinφ 表示功率因数。
3.视在功率计算:三相交流电路中的视在功率可以通过以下公式计算:S=√3*U*I其中,S表示视在功率,U表示线电压,I表示线电流。
二、基于功率因数的三相电流功率计算方法:1.有功功率计算:如果已知线电压、线电流和功率因数,可以通过以下公式计算有功功率:P = U * I * cosφ其中,P 表示有功功率,U 表示线电压,I 表示线电流,cosφ 表示功率因数。
2.无功功率计算:如果已知线电压、线电流和功率因数,可以通过以下公式计算无功功率:Q = U * I * sinφ其中,Q 表示无功功率,U 表示线电压,I 表示线电流,sinφ 表示功率因数。
3.视在功率计算:如果已知线电压、线电流和功率因数,可以通过以下公式计算视在功率:S=U*I其中,S表示视在功率,U表示线电压,I表示线电流。
需要注意的是,以上计算方法适用于平衡三相电流情况,即三相电流大小相等且相位差为120度。
在不平衡三相电流情况下,计算方法会有所差异。
综上所述,基于电流和基于功率因数的三相电流功率计算方法提供了灵活的方式来计算三相电流功率。
根据实际情况选择合适的计算方法,可以准确地计算三相电流功率。
一、电功率计算公式:1、在纯直流电路中:P=UI,P=I²R,P=U²/R;式中:P---电功率(W),U---电压(V),I---电流(A),R---电阻(Ω)。
2、在单相交流电路中:P=UIcosφ式中:cosφ---功率因数,如白炽灯、电炉、电烙铁等可视为电阻性负载,其中cosφ=1则P=UI;U、I---分别为相电压(220V)、相电流。
3、在对称三相交流电路中,不论负载的连接是哪种形式,对称三相负载的平均功率都是:P=√3UIcosφ式中:U、I---分别为线电压(380V)、线电流。
cosφ---功率因数,若为三相阻性负载,如三相电炉,cosφ=1则P=√3UI;若为三相感性负载,如电动机、压缩机、继电器、日光灯等等。
cosφ=0.7~0.85,计算取值0.75。
4、说明:阻性负载:即和电源相比当负载电流负载电压没有相位差时负载为阻性(如负载为白炽灯、电炉等)。
通俗一点讲,仅是通过电阻类的元件进行工作的纯阻性负载称为阻性负载。
感性负载:通常情况下,一般把带电感参数的负载,即符合电压超前电流特性的负载,称为感性负载。
通俗地说,即应用电磁感应原理制作的大功率电器产品。
二、欧姆定律部分1、I=U/R(欧姆定律:导体中的电流跟导体两端电压成正比,跟导体的电阻成反比)2、I=I1=I2=…=In (串联电路中电流的特点:电流处处相等)3、U=U1+U2+…+Un (串联电路中电压的特点:串联电路中,总电压等于各部分电路两端电压之和)4、I=I1+I2+…+In (并联电路中电流的特点:干路上的电流等于各支路电流之和)5、U=U1=U2=…=Un (并联电路中电压的特点:各支路两端电压相等。
都等于电源电压)6、R=R1+R2+…+Rn (串联电路中电阻的特点:总电阻等于各部分电路电阻7、1/R=1/R1+1/R2+…+1/Rn (并联电路中电阻的特点:总电阻的倒数等于各并联电阻的倒数之和)8、R并=R/n(n个相同电阻并联时求总电阻的公式)9、R串=nR (n个相同电阻串联时求总电阻的公式)10、U1:U2=R1:R2 (串联电路中电压与电阻的关系:电压之比等于它们所对应的电阻之比)11、I1:I2=R2:R1 (并联电路中电流与电阻的关系:电流之比等于它们所对应的电阻的反比)二、电功率部分12、P=UI (经验式,适合于任何电路)13、P=W/t (定义式,适合于任何电路)14、Q=I2Rt (焦耳定律,适合于任何电路)15、P=P1+P2+…+Pn (适合于任何电路)16、W=UIt (经验式,适合于任何电路)17、P=I2R (复合公式,只适合于纯电阻电路)18、P=U2/R (复合公式,只适合于纯电阻电路)19、W=Q (经验式,只适合于纯电阻电路。
交流电路功率计算公式交流电路功率计算公式当我们在研究电路的时候,总少不了要涉及到功率的计算。
功率是描述电路性质的重要指标,能反映电路元件消耗电能的情况,也是电路工作状态的重要确定因素。
在交流电路中,由于交流电流大小、方向以及功率因数都会随时间而变化,因此功率的计算就需要用到一些特殊的公式。
本文将对交流电路功率计算公式进行详细介绍。
一、单相交流电路中功率计算公式在单相交流电路中,电源电压和电路电流都是随时间变化的正弦信号,因此需要用到有效值和相位角等概念。
1.有功功率公式有功功率(P)反映了电路中电能被转化成了有用功的占比。
在单相交流电路中,有功功率的计算公式是:P=UeffIeffcosθ其中,Ueff为电源电压的有效值,Ieff为电路电流的有效值,θ为电路电流与电源电压之间的相位差。
2.无功功率公式无功功率(Q)反映了电路中电能被转化成了无用功的占比,主要为电感、电容等元件的电能储存和释放。
在单相交流电路中,无功功率的计算公式是:Q=UeffIeffsinθ其中,θ为电路电流与电源电压之间的相位差。
3.视在功率公式视在功率(S)反映了电路中电能的总量,是有功功率和无功功率之和。
在单相交流电路中,视在功率的计算公式是:S=UeffIeff二、三相交流电路中功率计算公式在三相交流电路中,电源电压和电路电流也是随时间变化的正弦信号,但是由于电源电压和电路电流之间存在相位差,因此需要多一些计算步骤。
1.有功功率公式在三相交流电路中,有功功率的计算公式为:P=3VeffIeffcosθ其中,Veff为电源电压的相电压有效值,Ieff为电路电流的相电流有效值,θ为电路电流与电源电压之间的相位差。
计算时需要先将电路电流和电源电压转换为相电流和相电压,再按照上式计算。
2.无功功率公式在三相交流电路中,无功功率的计算公式为:Q=3VeffIeffsinθ其中,θ为电路电流与电源电压之间的相位差。
计算时同样需要先将电路电流和电源电压转换为相电流和相电压,再按照上式计算。
单相、三相交流电路功率计算公式
相电压:三相电源中星型负载两端的电压称相电压。
用UA、UB、UC 表示。
相电流:三相电源中流过每相负载的电流为相电流,用IAB、IBC、ICA 表示。
线电压:三相电源中,任意两根导线之间的电压为线电压,用UAB、UBC、UCA 表示。
线电流:从电源引出的三根导线中的电流为线电流,用IA、IB、IC 表示。
如果是三相三线制,电压电流均采用两个互感器,按V/v接法,测量结果为线电压和线电流;
如果是三相四线制:
1、电压可采用V/v接法,电流必须采用Y/y接法,测量结果为线电压和线电流,线电流也等于相电流。
2、电压和电流均采用Y/y接法,测量结果为相电压和相电流,相电流也等于线电流。
Y/y接法时,电压互感器一次接在火线及零线之间,每个电压互感器二次输出接一个独立仪表。
每根火线穿过一个电流互感器,每个电流互感器二次输出接一个独立仪表。
电压V/v接法时,电压互感器一次接在火线之间,二次分别连接一个电压表,如需测量
另一个线电压,可将两个互感器的二次输出的n端连接在一起,a、b端连接第三个电压
表。
电流V/v接法时,两根火线分别穿过一个电流互感器,每个互感器的二次分
别接一个电流表,如需测量第三个线电流,可将两个的s2端连接在一起,与
两个互感器的s1端一起共三个端子,另外,将三个电流表的负端连在一起,
其它三个端子分别与上述三个端子连接在一起。
三相电流计算公式
I=P/(U*1.732)所以1000W的线电流应该是1.519A。
功率固定的情况下,电流的大小受电压的影响,电压越高,电流就越小,公式是I=P/U当电压等于220V时,电流是4.545A,电压等于380V时,电流是2.63A,以上说的是指的单相的情况。
380V三相的时候,公式是I=P/(U*1.732),电流大小是1.519A
三相电机的电流计算I=P/(1.732*380*0.75)式中:P是三相功率(1.732是根号3)380是三相线电压(I是三相线
电流)0.75是功率因数,这里功率因数取的是0.75,如果功率因数取0.8或者0.9,计算电流还小。
电机不是特别先进的都是按0.75计算。
按10kW计算:I=10kW/(1.732*380*0.75)=10kW/493.62=20.3A三相电机必须是三相电源,10KW电动机工作时,三根电源线上的工作电流都是20.3A实际电路计算的时候还要考虑使用系数,启动电流等因素来确定导线截面积、空开及空开整定电留。
三相电中,功率分三种功率,有功功率P、无功功率Q和视在功率S。
电压与电流之间的相位差( Φ)的余弦叫做功率因数,用符号cosΦ表示,在数值上,功率因数是有功功率和视在功率的比值,即cosΦ=P/S三种功率和功率因素cosΦ是一个直角功率三角形关系:两个直角边是有功功率P、无功功率Q,斜边是视在功率S。
三相负荷中,任何时候这三种功率总是同时存在:S²=P²+Q²S=√(P²+Q²)视在功率S=1.732UI有功功率P=1.732UIcosΦ无功功率 Q=1.732UIsinΦ功率因数cosΦ=P/S
根号3,没有软件写不上,用1.732代替
系统图 Pe:额定功率Pj:计算有功功率Sj:计算视在功率Ij:计算电流 Kx:同时系数cosφ:功率因数Pj=Kx*Pe Sj=Pj/cosφ单相供电时,Ij=Sj/Ue三相供电时,Ij=Sj/√3Ue
电气系统图里的符号是有标准的
KM表示交流接触器
KA表示中间继电器,
KT表示时间继电器FR表示热继电器;SQ表示限位开关;SB表示按钮开关;Q表示刀开关;FU表示熔断器;FR表示热继电器
L1:表示单相电(一条火线)220V
L1、L2、L3:表示三相电(三条火线)380V
N:表示工作零线,
PE:保护线 PE 线(简称地线)
DZ:表标空开(熔断器)的材质(塑料外壳式熔断器)
47:设计代号(产品型号)
LE:表示空开带漏电保护装置。
60:表示最高电流(当电流达到60A时,开关就会自动跳闸断开)16A:表时壳架等级额定电流
ZDB-4B-WL1:电路回路编号(由自己自由编排)
ZR:表示阻燃电线
BV:电线的材质(铜线),是绝缘单根硬铜线
3X2.5 :表标3条2.5平方的电线
SC20:直径为20焊接钢管
CC:暗敷在天棚顶内
TL:
一,导线穿管表示
SC-焊接钢管 MT-电线管 PC-PVC塑料硬管 FPC-阻燃塑料硬管 CT-桥架 MR-金属线槽 M-钢索 CP-金属软管 PR-塑料线槽 RC-镀锌钢管
二,导线敷设方式的表示
DB-直埋 TC-电缆沟 BC-暗敷在梁内 CLC-暗敷在柱内 WC-暗敷在墙内 CE-沿天棚顶敷设 CC-暗敷在天棚顶内 SCE-吊顶内敷设 F-地板及地坪下 SR-沿钢索 BE-沿屋架,梁 WE-沿墙明敷
三,灯具安装方式的表示
CS-链吊 DS-管吊 W-墙壁安装 C-吸顶 R-嵌入 S-支架 CL-柱上沿钢线槽:SR 沿屋架或跨屋架:BE 沿柱或跨柱:CLE 穿焊接钢管敷设:SC 电线管敷设:MT 穿硬塑料管敷设:PC 穿阻燃半硬聚氯乙烯管敷设:FPC 电缆桥架敷设:CT 金属线槽敷设:MR 塑料线槽敷设:PR 用钢索敷设:M 穿聚氯乙烯塑料波纹电线管敷设:KPC 穿金属软管敷设:CP 直接埋设:DB 电缆沟敷设:TC
导线敷设部位的标注
沿或跨梁(屋架)敷设:AB 暗敷在梁内:BC 沿或跨柱敷设:AC 暗敷设在柱内:CLC 沿墙面敷设:WS 暗敷设在墙内:WC 沿天棚或顶板面敷设:CE 暗敷设在屋面或顶板内:CC 吊顶内敷设:SCE 地板或地面下敷设:FC
照明用途是单相供电
如果预算7kW功率,可以从{(7000W功率/220V电压)/3相}
可以得到每一相总电流是10.6A安培
每一相总电流是10.6A安培,配给电路电线应该2.5~4平方已经足够了
三相电机用途是 I电流=P功率(kW)/ {√3 x U电压 x cos 有功功率 x u}
三相电机的(I电流)估算一般是 1kW=2A
三相的功率计算公式是:
P=1.732*U*I*COSΦKVA
=KW/ COSΦ
三相电机的(I电流)估算一般是 1kW=2A
√3=1.732。