校园安全隐患检查及整改一览表
- 格式:doc
- 大小:81.00 KB
- 文档页数:6
学校安全风险排查与隐患清单
目的
本文档旨在对学校安全风险进行排查和隐患清单的整理,以确保学校师生的安全。
安全风险排查
1. 校园周边环境安全排查
- 检查校园周边道路和交通情况,是否存在交通安全隐患
- 观察周边社区环境,是否存在治安隐患
2. 学校内部安全排查
- 检查校园建筑结构和设施完好情况
- 定期检查消防设备和应急疏散通道是否畅通
- 检查食堂和实验室等特殊场所的安全情况
隐患清单
1. 交通安全隐患
- 校园周边道路车辆行驶速度过快
- 学校门通信号不畅
2. 治安隐患
- 周边社区存在盗窃案件较多
3. 建筑结构和设施隐患
- 某栋教学楼存在裂缝
- 某实验室安全门损坏
4. 消防设备和应急疏散通道隐患
- 消防栓未经定期检查
- 部分应急疏散通道被杂物堵塞
5. 特殊场所安全隐患
- 食堂存在食品卫生问题
- 实验室化学品存放不规范
以上内容仅为初步排查结果,具体隐患整改和解决方案需要进一步深入调查和分析。
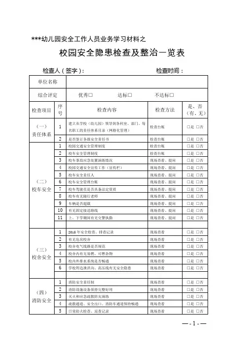
***幼儿园安全工作人员业务学习材料之校园安全隐患检查及整治一览表检查人(签字):检查时间:单位名称综合评定优秀□达标□不达标□检查项目序号检查内容检查方法是、否(有、无)(一)责任体系1 建立从学校(幼儿园)领导到各科室、部门、每名职工的责任体系目录(网格化管理)检查台账□是□否2 是否签订各级安全责任书检查台账□是□否(二)校车安全1 校园交通安全管理制度检查台账□是□否2 校车安全管理制度检查台账□是□否3 校车事故应急处置演练情况现场查看、提问□是□否4 校园交通安全宣传工作(宣传栏)现场查看、提问□是□否5 校车安全责任人现场查看、提问□是□否6 校车安全管理台账现场查看、提问□是□否7 校车驾驶员是否具备法定资质现场查看、提问□是□否8 校车有无随行老师现场查看、提问□是□否9 车辆是否超载现场查看、提问□是□否10 有无固定接送路线现场查看、提问□是□否11 上、下学期间有无交警执勤现场查看、提问□是□否(三)校舍安全1 2015年安全检查、排查记录现场查看□是□否2 有无危房校舍现场查看□是□否3 校舍电气线路是否规范现场查看□是□否4 校舍内有无易燃、可燃杂物现场查看□是□否5 校内外排水系统是否畅通现场查看□是□否6 学校周边泄洪沟、高压线有无安全隐患现场查看□是□否(四)消防安全1 消防安全责任制现场查看□是□否2 消防设施设备保持完整好用现场查看□是□否3 灭火和应急疏散防灾演练现场查看□是□否4 疏散通道、安全出口、消防车通道保持畅通现场查看□是□否5 日常防火检查、巡查记录现场查看□是□否— - 1 - —6 有无聚氨酯泡沫彩钢板房现场查看□是□否7 宿舍有无限电设备现场查看□是□否8 疏散指示标示、应急照明设备是否齐全现场查看□是□否9 取暖设备是否达标现场查看□是□否10 使用明火情况现场查看□是□否(五)校园安全1 门卫管理制度现场查看□是□否2 校园安保人员值班记录现场查看□是□否3 校园安保人员巡逻记录现场查看□是□否4 物防器材完备现场查看□是□否5 有无隐患排查记录现场查看□是□否6 校园交通安全设施现场查看□是□否7 车辆管理现场查看□是□否8 监控系统现场查看□是□否(六)食堂安全1 各级责任书现场查看□是□否2 用气、用电安全现场查看□是□否3 安全教育培训现场查看□是□否4 安全管理制度现场查看□是□否5 消防设施完好现场查看□是□否6 油烟道清洗现场查看□是□否7 食堂卫生现场查看□是□否8 食品卫生现场查看□是□否9 食堂隐患整治现场查看□是□否(七)集体活动安全1 防灾及应急逃生疏散演练及预案现场查看□是□否2 安全教育现场查看□是□否3 现场查看□是□否4 现场查看□是□否5 现场查看□是□否备注— - 2 - —。
校园及周边安全隐患排查表一、校园内部安全隐患1.校园建筑物安全(1)检查校园建筑物的结构和外墙是否存在裂缝、渗漏等问题;(2)检查校园楼梯和扶手是否牢固,有无损坏或松动的情况;(3)检查校园内的电气线路和设备是否存在安全隐患,比如老化、短路等;(4)检查校园内的消防设施是否完好,如灭火器、消防栓等。
2.校园内部交通安全(1)检查校园内的交通路口是否设置交通标志,如红绿灯、行人过街等;(2)检查校园内的停车场和校门口是否存在交通混乱的情况;(3)检查校园内的校车和校车站点是否合理、安全。
3.校园内部食品安全(1)检查校园食堂的食品卫生和食物储存条件;(2)检查校园食堂的餐具清洁和消毒情况;(3)检查校园内的小卖部和食品摊点的经营许可和卫生情况。
4.校园内部人身安全(1)检查校园内的监控设备是否完好,能否监控到重要区域;(2)检查校园内的安保人员是否足够,是否进行定期培训和演练;(3)检查校园内的校园卡和门禁系统的运行情况。
5.校园内部突发事件应急准备(1)检查学校的应急演练计划,是否定期进行演练;(2)检查学校的安全疏散通道是否畅通,标识是否明确;(3)检查学校应急物资储备是否足够,如应急药品、急救箱等。
二、校园周边安全隐患1.周边建筑物安全(1)检查周边建筑物的墙壁和外观是否存在安全隐患;(2)检查周边建筑物的电线和排水系统是否合格;(3)检查周边建筑物的安全出口和逃生通道是否通畅。
2.周边交通安全(1)检查周边交通路口和人行道的交通标志是否完善;(2)检查周边交通路口的车辆通行状况,是否存在交通事故的可能性;(3)检查周边交通路口的交通管制措施是否落实。
3.周边食品安全(1)检查周边食品市场和餐饮店的卫生情况;(2)检查周边食品市场和餐饮店的食品来源和食品安全证明;(3)检查周边食品市场和餐饮店的食品储存和加工条件。
4.周边人身安全(1)检查周边居民小区的治安情况,是否存在盗窃、抢劫等犯罪行为;(2)检查周边商业区的安保措施,是否存在人身威胁的情况;(3)检查周边医院和诊所的医疗设施和服务质量。
学校校园安全隐患自查表I. 环境及设施安全编号 | 检查内容 | 检查结果 | 备注--- | --- | --- | ---1 | 学校周边环境是否清洁整齐 | |2 | 学校楼栋、教室、走廊等区域是否存在损坏或松动的设施 | |3 | 学校道路、楼梯是否存在裂缝或其他安全隐患 | |4 | 学校门窗、栏杆等是否牢固可靠 | |5 | 学校教学设备是否完好并符合安全标准 | |II. 火灾安全编号 | 检查内容 | 检查结果 | 备注--- | --- | --- | ---1 | 学校建筑物内是否设置了灭火器 | |2 | 学校楼栋是否安装了烟雾报警器 | |3 | 学校教室是否明确标示灭火器位置及使用方法 | |4 | 学校教学楼和宿舍楼是否配备足够的疏散通道 | |5 | 学校教室是否配备灭火器并定期检查维护 | |III. 食品卫生安全编号 | 检查内容 | 检查结果 | 备注--- | --- | --- | ---1 | 学校食堂是否取得食品卫生许可证 | |2 | 学校食堂是否定期进行食品卫生安全检查 | |3 | 学校食堂是否落实食品原材料采购、储存和加工的卫生管理规定 | |4 | 学校食堂是否配备洗手设施,并要求食堂工作人员保持良好的个人卫生惯 | |5 | 学校食堂是否设置了垃圾分类和处理设施 | |IV. 交通安全编号 | 检查内容 | 检查结果 | 备注--- | --- | --- | ---1 | 学校校车是否配备安全带并定期进行安全检查 | |2 | 学校校车驾驶员是否持有合法驾驶证件 | |3 | 学校校车是否定期进行维修保养并保持良好的车况 | |4 | 学校周边道路是否存在交通安全问题 | |5 | 学校是否制定了行人和车辆通行规则,并进行宣传教育活动| |V. 电气安全编号 | 检查内容 | 检查结果 | 备注--- | --- | --- | ---1 | 学校教室、办公室是否存在电线杂乱、过载等电气隐患 | |2 | 学校是否定期进行电气设备维护检查,并落实电气安全管理制度 | |3 | 学校是否建立了电气事故应急预案,并进行相关演练 | |4 | 学校是否对教职员工进行电气安全教育培训 | |5 | 学校是否落实电器用品购买验收和定期检测程序 | |以上自查表仅供参考,学校应根据实际情况进行自查整改,并定期进行安全检查,确保校园安全。