路基工程习题
- 格式:doc
- 大小:23.00 KB
- 文档页数:2
《路基路面工程》练习一、名词解释1、路基;2、水泥混凝土路面;3、翘曲应力;4、半刚性基层;5、交通量6、路基工作区7、CBR8、反射裂缝;9、一般路基10、路面弯沉11、疲劳破坏12、半刚性基层13、车辙二、填空题1、我国公路用土根据土的颗粒组成特征,土的塑性指标和土中有机质存在的情况,分为________、________、________、四类;【2、沥青路面的主要病害有、、等;3、路基常用的坡面防护设施有和工程防护。
其中工程防护包括:抹面、喷浆、、等。
4、路基按其干湿状态不同,分为、、和过湿。
为了保证路基路面结构的稳定,一般要求路基处于或状态。
5、沥青混合料的典型结构有________、________、悬浮密实结构,其中________综合性质最好。
6、半刚性基层容易产生收缩裂缝,按成因可分为________、________。
7、水泥混凝土路面的主要病害有________、________、________等。
8、路面结构按照各个层位功能的不同,划分为三个层次,即______、_______和_______。
9、为保证沥青路面层间结合牢固,沥青面层与基层之间应设置______或______。
%10、我国沥青路面设计规范,以______、沥青砼层拉应力和______拉应力为设计指标进行路面厚度设计。
11、挡土墙稳定性验算的内容包括________和________。
12、路基横断面形式多种多样,按照其填挖情况,路基可分为________、________和________三种类型。
13、路面结构沿横断面方向由________、________和土路肩所组成。
14、对于稳定粒料,三类半刚性材料:石灰稳定类、水泥稳定类、石灰粉煤灰稳定类。
它们抗干缩的能力由大到小依次为________>________>________。
15、我国水泥混凝土路面设计规范和沥青路面设计规范均选用___轮组___轴轴载____kN作为标准轴载。
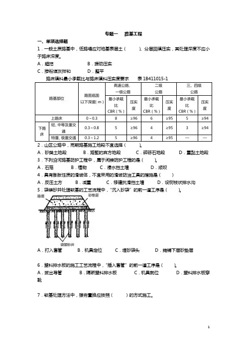
专题一路基工程一、单项选择题1.一般土质路基中,低路堤应对地基表层土()、分层回填压实,其处理深度不应小于路床深度。
A.超挖B.振动压实C.掺粉煤灰拌和D.整平路基部位路面底面以下深度(m)高速公路、一级公路二级公路三、四级公路最小承载比CBR(%)压实度最小承载比CBR(%)压实度最小承载比CBR(%)压实度上路床0~0.3 8 ≥96 6 ≥95 5 ≥94 下路床轻、中等及重交通0.3~0.8 5 ≥96 4 ≥95 3 ≥94特重、极重交通0.3~1.2 5 ≥96 4 ≥95 ——A.砂类土地段B.路堑的弃方地段C.碎砾石地段D.重黏土地段3.下列沿河路基防护工程中,属于间接防护工程的是()。
A.石笼B.植物C.浸水挡土墙D.顺坝4.具有膨胀性质的滑坡体,不宜采用的滑坡防治工具的措施是()A.反压土方B.减重C.修建抗滑挡土墙D.设树枝状排水沟5.袋装砂井处理软基的工艺流程中,“沉入砂袋”的前一道工序是()。
A.打入套管B.机具定位C.埋砂袋头D.摊铺下层砂垫层6.塑料排水板的施工工艺流程中,“插入套管”的前一道工序是()。
A.拔出导管B.隔断塑料排水板C.机具就位D.塑料排水板穿靴7.软基处理方法中,强夯置换应按照()的方式施工。
A.由内向外,隔行跳打B.由内向外,逐行跳打C.由外向内,隔行跳打D.由外向内,逐行跳打8.钢钎炮在炮眼装药并捣实后,常用()填塞堵孔。
A.碎石B.粘土C.泥浆D.粗砂9.单层横向全宽挖掘法适用于挖掘()的土质路堑。
A.浅且短B.深且短C.长且一侧型壁较薄D.深且长考点延伸:多层横向全宽挖掘法:适用于挖掘深且短的路堑。
考点延伸:2.纵向挖掘法(1)分层纵挖法:沿路堑全宽,以深度不大的纵向分层进行挖掘,适用于较长的路堑开挖。
(2)通道纵挖法:该法适用于较长、较深、两端地面纵坡较小的路堑开挖;(3)分段纵挖法:该法适用于过长,弃土运距过远,一侧堑壁较薄的傍山路堑开挖。
《公路工程施工技术》路基工程练习题及答案解析〈单项选择题>1用于公路路基的填料要求挖取方便,压实容易,强度高,水稳定性好.其中强度要求是按CBR值确定,应通过()确定填料最小强度和最大粒径。
A.取土试验B.规范查表C.材料来源D.EO计算答案:A2在路基工程中,用于排除地下水的设施是()。
A.拦水带B.急流槽C.截水沟D.渗井答案:D3一段较长的土质路堑纵向开挖,采用沿路堑全宽,以深度不大的纵向分层进行挖掘作业,这种作业方法称作()。
A.分层纵挖法B.通道纵挖法C.分段纵挖法D.混合式纵挖法答案:A答案解析:分层纵挖法:沿路堑全宽,以深度不大的纵向分层进行挖掘,适用于较长的路堑开挖。
4基底原状土的强度不符合要求时,应进行()。
A.压实B.换填C.整平D.拌和答案:B答案解析:基底原状土的强度不符合要求时,应进行换填,换填深度应不小于30cm.5可在冬期进行路基施工的工程项目是()。
A.一级公路的土路基开挖B.挖掘填方地段的台阶C.岩石地段的路堑开挖D.整修路基边坡答案:C6粉煤灰路堤的施工步骤与填土路堤施工方法相类似,仅增加了包边土和()等工序。
A.基底防水处理B.设置拉筋带C.设置护坡D.设置边坡盲沟答案:D7关于路基干湿类型的说法,正确的是().A.新建公路路基的干湿类型,可以根据路基的分界相对含水量或分界稠度划分B.原有公路路基土的干湿类型可用路基临界高度来判别C.高速公路应使路基处于干燥或中湿状态D.路基的干湿类型划分为干燥、中湿、潮湿三类答案:C答案解析:路基的干湿类型表示路基在最不利季节的干湿状态,划分为干燥、中湿、潮湿和过湿四类.原有公路路基土的干湿类型,可以根据路基的分界相对含水量或分界稠度划分;新建公路路基的干湿类型可用路基临界高度来判别。
高速公路应使路基处于干燥或中湿状态.8在下列施工区域,应该按照冬期施工要求进行路基施工的是( )。
A.反复冻融地区,昼夜平均温度在0℃以下,连续14dB.反复冻融地区,昼夜平均温度在-3℃以下,连续7dC.反复冻融地区,昼夜平均温度在0℃以下,连续7dD.反复冻融地区,昼夜平均温度在-3℃以下,连续14d答案:D答案解析:在反复冻融地区,昼夜平均温度在-3℃以下,连续10天以上时,进行路基施工称为路基冬期施工。
第一章课程简介与公路建设发展(路基路面工程习题判断与选择题)二、选择题1、公路路基是路面的基础,是公路工程的重要组成部分,路基必须主要具有足够的( abd )。
a、强度;b、稳定性;c、刚度;d、耐久性。
2、公路路面时直接承受交通荷载、大气温度及雨水作用的结构,应具有良好的稳定性和足够的强度、刚度,其表面还应满足( acd )的要求。
a、平整;b、耐磨;c、抗滑;d、排水。
3、土基路床分为上路床、下路床,其层位厚度上、下路床为( b )。
a、30cm、80cm;b、30cm、50cm;c、80cm、70cm;d、80cm、150cm。
三、判断题(正确√;错误×)1、面层分为表面层(×)。
2、面层分为上面层、中面层、下面层(√)。
3、基层分为上基层、下基层及底基层(√)。
4、土基分为路床、路堤(√)。
5、土基路堤分为上路堤、中路堤、下路堤(×)。
四、简答题1、简述路面分层主要分几层?面层、基层、底基层、路基(含垫层)五、论述题1、论述国家高速公路网布局规划中“79186”代表意义?其中“6”代表的具体内容?“79186”中的“7”代表的是以北京为中心的7放射线,“9”代表的是南北纵(经线),“18”代表的是东西横线(纬线),“6”代表的是地区环线。
“6”代表的是沈阳环线、杭州湾环线、成都环线、台湾环线、珠江三角洲环线和海南环线。
第二章总论二、选择题1、公路用土按不同的工程特性划分为(abcd )四大类,并细分为11种土。
a、巨粒土;b、粗粒土;c、细粒土;d、特殊土。
2、利用( bcd )等无机结合料修筑半刚性路面,半刚性路面结构目前已广泛用于高等级公路与城市道路,成为一种主要的结构型式。
a、改性土;b、石灰;c、水泥;d、工业废渣。
3、我国公路自然区划图制定主要依据我国划分自然区划的目的和原则进行,该区划是根据以下( abc )原则制定的。
a、道路工程特征相似的原则;b、地表气候区划差异性的原则;c、自然气候因素既有综合又有主导作用的原则;d、主要考虑b和c。
路基路面工程复习题一、判断题1、用水泥、石灰等无机结合料处治的土或碎石及含有水硬性结合料的工业废渣修筑的基层称为半刚性基层。
(V)2、沥青混合料是温度敏感性材料,抗拉强度与温度有关。
(V )3、所有季节性冰冻地区的道路都会产生冻胀与翻浆。
(X)4、垫层的主要功能是承受车辆荷载的垂直力。
(V )5、我国公路与城市道路路面设计规范中以120KN作为设计标准轴重。
(X )6、轴载等效换算的原则是同一种路面结构在不同轴载作用下达到相同的损伤程度。
( V )7、为了保证路基路面结构的稳定性,一般要求路基处于中湿或干燥状态。
( V )8、当工作区深度大于路基填土高度时,只需压实路堤工作区即可。
(X)9、劈裂试验是用来测定材料的抗剪强度的。
(V)10、适当提高路基,可防止水分从侧面渗入或从地下水位上升进入路基工作区范围。
( V )11、路基中把防止冲刷和风化,主要起隔离措施称为防护工程。
(X)12、对路基进行坡面防护时,路基本身硬实稳定的。
(V )13、植物防护可以减覆地面水流速度,根系起固结作用,所以它用防护流速较大的浸水路堤。
(X)14、防护水下部分的边坡和坡脚,采用抛石防护路基边坡效果较好。
(X)15、截水沟主要目的是拦截地下水对路基的危害,(X )16、暗沟可以拦截、排除地下水(V)17、在陡坡或深沟地段设置的坡度较陡,水流不离开槽底的沟槽为急流槽(V)18、截水沟离开挖方路基坡顶的距离根据土质和路堑深度而定(V)19、截水沟断面一般为梯形,底宽和深度不小于0.4m(X )20、路堑挡土墙主要受被动土压力作用。
(X)21、蘅重式挡土墙主要是利用蘅重台上的填料和墙身重心后移来增加墙身稳定,抵抗土压力。
(V)22、土是三相体系,路基压实的过程是通过排出土孔隙中的空气和水,迫使土颗粒排列更为紧密的过程。
(V)23、造成路基破坏的基本前提是不良的地质条件,而水则是引起路基破坏的直接原因。
(V )24、细粒土用石灰稳定时,其石灰的掺量有一个最佳剂量。
一建公路路基工程练习题一、选择题1. 公路路基工程按施工方法可分为哪几种类型?A. 填方路基工程B. 挖方路基工程C. 特殊路基工程D. 混合路基工程2. 路基工程中,土的液限指数小于多少时,属于非膨胀土?A. 50B. 55C. 60D. 65A. 压实度≥90%B. 压实度≥92%C. 压实度≥94%D. 压实度≥96%4. 路基排水设施主要包括哪些?5. 路基防护工程中,哪种措施属于生物防护?A. 植被防护B. 护坡C. 护面D. 护脚二、填空题1. 路基工程的基本要求包括________、________、________和________。
2. 路基填料的选择应遵循________、________、________的原则。
3. 路基施工过程中,为保证施工质量,应严格控制________、________、________等环节。
4. 路基排水设施的作用是________、________和________。
5. 路基防护工程主要包括________、________、________和________等类型。
三、判断题1. 路基填筑前,必须先进行基底处理。
()2. 路基压实过程中,可以先碾压边缘,再碾压中间。
()3. 路基防护工程中,植物防护适用于所有路基边坡。
()4. 路基沉降观测是为了了解路基的稳定性。
()5. 路基工程验收时,只需检查外观质量。
()四、简答题1. 简述路基工程的基本施工流程。
2. 路基填料的选择标准有哪些?3. 路基排水设施的设计原则是什么?4. 路基防护工程的作用是什么?5. 简述路基工程质量控制的关键环节。
五、计算题1. 某公路路基工程,设计路基宽度为26m,路基填土高度为4m,土的松散系数为1.3,求该段路基填筑土方的体积。
2. 已知某土样的最大干密度为1.90g/cm³,现场实测干密度为1.75g/cm³,求该土样的压实度。
3. 某路基工程,设计要求路基顶面回弹模量为60MPa,现场实测值为45MPa,求该路基的回弹模量合格率。
《路基路面工程》练习题库及答案习题1一、选择题(单选与多选题,每题1分,共15分)1.汇集路基下含水层的水并将它引至更下一层含水层,用于疏干路基的地下排水结构物是()①暗沟②渗沟③盲沟④渗井2.对浸水路堤进行边坡稳定性验算时,下面哪种填料填筑的路堤在洪水位骤降时,需要考虑动水压力()①不易风化的岩块②渗水性好的砂、砾石土③中等渗水土,如亚砂上、亚粘土④压实良好的粘性土3.公路自然区划中二级区划是以潮湿系数K为主要指标,K是表①平均相对含水量②年蒸发量/年降雨量③年降雨量-年蒸发量④年降雨量/年蒸发量4,下列沥青类路面中,哪一种结构是采用层铺法施工的()①沥青杜②沥青碎石③SMA④沥青贯入式5.水泥混凝土路面设计时以重100KN的单轴荷载作为标准轴载,将其它轴重换算成标准轴载时是按()进行的。
①弯沉等效原则②疲劳断裂等效原则③翦应力等效原则④抗拉等效原则6.路面代表弯沉值检测时,当沥青层厚度小于、等于()cm时,可不进行温度修正。
①4②5③6④77.路基几何尺寸的构成要素有()①压实度②宽度③平整度④边坡坡度8.影响路基压实效果主要因素有()①土质类型②含水量③压实功能④碾压温度9.石灰加入土中后,主要发生的物理、化学作用是()①离子交换②火山灰③结晶④硬凝10.现行水泥路面设计规范在确定板厚时,考虑了哪些荷载产生的疲劳损坏()①荷载应力②温度应力③湿度应力④表面张力1L挡土墙后采用哪种填料时,需在墙背设置砂卵石排水层()①粘性土②粉性土③砂卵石④碎砖烂瓦12.以下属于高级路面的有()①沥青聆②水泥杜③热拌沥青碎石④SMA13.根据理论分析,轮载作用在水泥柱板中比作用在板边部时产生的最大应力()①大②小③相等④不定14.表征士基强度与刚度指标有()①回弹模量②孔隙比③压缩系数④加州承载比15.下列结合料稳定类不适合作高速公路基层的有()①二灰砂砾②水泥土③水泥砂砾④二灰土二、判断题(每题1分,共15分)1. 土是三相体系,路基压实的过程是通过排出土孔隙中的空气和水,迫使土颗粒排列更为紧密的过程。
路基路面工程复习题课程代码02407一、单项选择题:1、用以下几类土作为填筑路堤材料时其工程性质由好到差的正确排列是【 B 】。
A、砂性土-粉性土-粘性土B、砂性土-粘性土-粉性土C、粉性土-粘性土-砂性土D、粘性土-砂性土-粉性土2、在公路土中,巨粒土和粗粒土的分界粒径是【 B 】。
A、200mmB、60mmC、20mmD、5mm3、已知某路段预估路面厚度约30cm,路面表层距地下水位的高度为1.65m,查得临界高度H1 =1.7~1.9m,H2 =1.2~1.3m,H3 =0.8~ 0.9m,则该路段干湿类型是【 B 】。
A、干燥B、中湿C、潮湿D、过湿4、新建公路路基干湿类型判断的依据是【 C 】。
A、填方或挖方高度B、地表水及地下水位C、临界高度D、分界相对含水量5、路基的最小填土高度是指【 C 】。
A、地下水或长期地表积水的水位至路槽底的高度B、路肩边缘距原地面应满足一定要求的高度C、路肩边缘距路槽底的高度D、路肩边缘距地下水位的高度6、确定新建公路路基干湿类型的指标是【 C 】。
A、平均稠度B、平均相对含水量C、路基临界高度D、路基设计高度7、柔性路面各结构层材料的回弹模量一般应自上而下【 B 】。
A.递增 B.递减 C.相同 D.任意分布8、防止水泥混凝土路面板块出现横向位移的有效措施是【 B 】。
A.设置传力杆 B.设置拉杆C.设置角隅钢筋 D.增强板下基础强度9、路基土的干湿类型一共分为【 B 】类。
A.3 B.4 C.5 D.610、软土地基埋深2~3m时,最适宜的处理办法是【 C 】。
A.塑料排水板 B.粉喷桩C.置换填土 C.轻质路基填筑11、为保证路面良好使用性能,要求路面【 C 】平整【】光滑。
A.既,又 B.应,或应 C.应,且不应 D.不应,且不应12、以下【 C 】土的工程性质较差,不可直接采用作为路基填土,必须换土或处理。
A.砂土 B.砂性土 C.粉性土 D.粘性土13、路面结构中的主要承重层是【 B 】。
公路工程路基工程施工习题一、选择题1. 以下哪项不是路基工程的施工特点?A. 施工面积大B. 施工内容多C. 施工技术简单D. 施工环境复杂2. 路基施工前,应根据设计文件和现场情况,制定详细的施工组织设计,其中不包括以下哪项内容?A. 施工进度计划B. 施工人员配置C. 施工材料供应D. 施工机械型号3. 以下哪种土不能作为路基填料?A. 砾石B. 粉土C. 淤泥D. 沙土4. 路基施工中,下列哪项措施可以有效预防高填方路基沉降?A. 减少填筑厚度B. 增加压实遍数C. 优化排水系统D. 选用低强度填料5. 在滑坡地段进行路基施工,以下哪项措施是不正确的?A. 及时排除地表水B. 改善土的工程性质C. 选择在干旱季节施工D. 采用滑坡减重法二、填空题6. 路基施工中,填料的选择应满足________、________、________等要求。
7. 路基施工前,应根据设计文件和现场情况,制定详细的施工组织设计,包括________、________、________等内容。
8. 路基施工中,填筑路基前,应疏通路基两侧的________和________,避免路基受水浸泡。
9. 滑坡地段的路基施工,应及时排除________和________,改善土的工程性质,选择合适的施工季节,避免采用滑坡减重法。
三、简答题10. 请简述公路路基施工的特点。
11. 请简述路基施工中填料选择的要求。
12. 请简述预防高填方路基沉降的措施。
13. 请简述滑坡地段路基施工的要点。
四、计算题14. 某二级公路路基填方高度为2m,采用分层填筑法施工,每层填筑厚度为0.3m,压路机压实遍数为4遍。
请计算该路基施工所需的总填筑量和压实遍数。
答案:一、选择题1. C2. D3. C4. C5. D二、填空题6. 强度高、稳定性好、水稳定性好7. 施工进度计划、施工人员配置、施工材料供应8. 纵向排水沟、横向排水沟9. 降水、地下水三、简答题10. 公路路基施工的特点包括施工面积大、施工内容多、施工技术复杂、施工环境复杂等。
公路路基路面工程复习题一、单项选择题:1、高速公路、一级公路、二级公路路堤基底的压实度应符合设计要求,当路堤填土高度小于路床厚度(80cm)时,基底的压实度不宜小于(D)。
A.92%B.98%C.路面垫层压实度标准D.路床的压实度标准2、用于公路路基的填料,确定其最小强度是按(D)A.弯拉应力值B.弯沉值C.EO值D.CBR值3、基底原状土的强度不符合要求时进行(B)A.压实B.换填C.整平D.拌合4、某高速公路的路堤填筑到上路床时,施工人员发现填料粒径偏大,要求填料的粒径不宜超过(A)A.10cmB. 15cmC.20cmD.30cm5、干密度的定义(A)A.干土重/土总体积B.干土重/土颗粒体积C.干土重/土中空隙体积6、对(C)材料的基本要求是其应具有足够好的强度、稳定性、耐久性。
A.土基B.垫层C.面层D.基层7、压实作业应遵循的原则是(A)A.先轻后重、先边后中、先慢后快B. 先重后轻、先边后中、先慢后快C.先轻后重、先中后边、先慢后快D.先轻后重、先边后中、先快后慢8、当路基填土含水量接近(B)含水时,才容易达到要求的压实度。
A.天然B.最佳C.液限D.塑限9、为了确定路基填土的最大干密度和最佳含水量,应做(B)试验。
A.液、塑限B.重型击实C.回弹模量D.颗粒分析10、对路基的基本要求是具有足够的(B)A.压实度、平整度、强度B.强度、水稳定性和整体稳定性C.刚度、稳定性D.高程及合格的几何尺寸11、(C)是为了改善土基的温度与湿度状况而设的结构层A.面层B.基层C.垫层D.连接层12、检查路面基层底基层压实度时,应以(B)为准A.环刀法B.灌砂法C.小袋法13、工程质量验收中,评定一段路基或路面密实程度的指标(D)A.密度B.压实度C.压实系数D.压实度代表值14、下列路面中,(D)是刚性路面A.沥青砼路面B.整齐块石路面C.砂石路面D.水泥砼路面15、确定沥青标号的指标是(A)A.针入度B.软化点C. 密度D.针入度指数16、半刚性基地基层施工中,检查水泥及石灰剂量的常用方法是(D)A.抽提法B.筛分法C.蜡封法D.滴定法17、沥青砼路面施工时,监理人员应(C)A 在摊铺碾压现场旁站控制施工B 在拌和机现场旁站控制拌和机配料和施工C 在摊铺与拌合两地同时旁站控制施工D 在实验室旁站试验过程18、(D)基层施工时,应控制延迟时间。
第一章一.填空1公路是承受行车荷载的结构,它主要由、、、、、和组成;2公路根据使其用任务、功能和适应的交通量分为个等级;这些等级的公路构成了我国的公路网。
其中为、公路网骨干线,和为公路网内基本线,为公路网的支线.3公路设计是由和两大内容组成;4现代交通运输由、、、及五种运输方式组成;二、选择题三、判断题1.公路根据使其用任务、功能和适应的交通量分为一级公路、二级公路、三级公路、四级公路、五级公路五个等级;()四、名词解释1公路2路基3、桥涵4、隧道5、公路排水系统6、防护工程7、路面五、简答题1、简述公路运输的特点?2、简述公路设计的基本要求?3、简述路基设计的基本要求?4、简述路面设计的基本要求?第一章答案一、填空1路基、路面、桥涵、隧道、排水系统、防护工程、交通服务设施所2五,高速公路,一级公路,二级,三级,四级公路3线形设计、结构设计4铁路、公路、水运、航空、管道运输三、判断题1 ×四、名词解释1公路:公路是一种线形带状的三维空间结构物,包括路基、路面、桥涵、隧道等工程实体2路基:公路路基是在天然地面上填筑成路堤(填方路段)或挖成路堑(挖方路段)的带状结构物,主要承受路面传递的行车荷载,是支撑路面的基础3、路面: 公路路面是用各种材料或混合料,分单层或多层铺筑在路基顶面供车辆行驶的层状结构物五、简答题1答:公路运输的特点:机动灵活性高,能迅速集中和分散货物,节约时间和费用,减少货损,经济效益高。
适应性强,服务面广,可独立实现“门到门”的直达运输.建设投资相对较省,见效快,经济效益和社会效益显著。
2答:公路是一种线形带状的三维空间结构物,包括路基、路面、桥涵、隧道等工程实体。
是以满足汽车行驶的要求为前提的,因而公路设计要满足行车安全、迅速、经济、舒适和美观的基本要求。
3答:(1)具有足够的稳定性;(2)具有足够的强度和变形小。
4答:(1)强度和刚度;(2)稳定性;(3)耐久性;(4)表面平整度;(5)表面抗滑性能;(6)少尘性。
路基路面工程复习题1一、单项选择题(只有一个选项正确,共13道小题)1. 路基常见的病害中,由于山坡陡基底的摩阻力不足引起的病害是()(A) 路堤的沉陷(B) 路堤沿山坡滑动(C) 路堤边坡滑坍(D) 路堤边坡剥落正确答案:B解答参考:2. 沥青路面滑溜是由于()(A) 沥青含量太少(B) 石料强度太低(C) 石粒颗粒太大(D) 沥青稠度太大正确答案:B解答参考:3. 沥青路面产牛纵向长裂缝是由于()引起。
(A) 沥青含量过多(B) 沥青含量过少(C) 路基外裂(D) 基层厚度不足正确答案:C解答参考:4. 水泥混凝土路面的基础整体承载力不足最容易引起()病害(A) 板的拱起(B) 板接缝挤碎(C) 板的磨损(D) 唧泥正确答案:D解答参考:5. 路基用土中,最好的填料为()。
(A) 砂(B) 石质土和砂性土(C) 粉性土(D) 粘性土正确答案:B解答参考:6. 我国公路自然区划的—级区划是按()。
(A) 自然气候,全国轮廓性地理,地貌(B) 地理位置、经济状况(C) 各地方的自然特点、人口数量(D) 潮湿系数、年降雨量正确答案:A解答参考:7. 在各种公路路基用土中,最差的筑路材料是()。
(A) 粘性土(B) 重粘土(C) 粉性土(D) 砂土正确答案:C解答参考:8. 已知某路段预估路面结构层约60cm,路面表层距地下水位的高度为2.0mm,查得临界高度材H1=1.7~1.9m, H2=1.2~1.3m, H3=0.6~0.8m,则该路段干湿类型是()。
(A) 干燥(B) 中湿(C) 潮湿(D) 过湿正确答案:B解答参考:9. 反映路基强度主要指标是()。
(A) 回弹模量(B) 内摩擦角 a(C) 抗压强度(D) 承载力正确答案:A解答参考:10. 确定路基干湿类型是以地下水位到()的距离来判断。
(A) 路基边缘(B) 路面中心(C) 原地面中心(D) 路床顶面正确答案:D解答参考:11.(A) 过湿(B) 中湿(C) 干燥(D) 潮湿正确答案:D解答参考:12. 路基的临界高度是指()。
路基工程技术应用总习题《路基工程施工技术》一、填空题1.路基除了要求断面尺寸符合设计要求外,应具有足够的强度、和_________。
2.公路是一种线型工程构造物。
它主要承受__________的重复作用和经受__________的长期作用。
3.公路的基本组成部分包括路基、路面、桥梁、涵洞、隧道_________、_________和山区特殊构造物。
4.公路通过不良地质和水文地质地区或遭遇较大的自然灾害作用系指__________、错落、泥石流、雪崩、___________、地震及大暴雨等。
5.影响路基工程质量和产生病害的基本前提是__________,主要原因是_________。
6.路基干湿类型的两种判断方法是___________和_____________。
7.表征土基强度的指标主要有__________及____________。
8.粉性土的毛细水上升速度快而且____________,水稳定性__________。
9.土的抗剪强度指标主要受__________和__________的影响,并取决于土的性质和状态。
10.公路路基用土按粒径划分为__________组、_________组和细粒组。
11.在行车荷载的作用下,路基变形较大,说明路基的__________;在水的作用下,路基的变形显著增加,说明路基的_______________。
12.为了提高路基的强度和稳定性,最普遍采用的措施是__________,_________和充分压实。
13.土的回弹模量仅反映了土基在弹性变形阶段内在__________荷载作用下,抵抗_________变形的能力。
14.我国长期以来路基土分类的依据是颗粒组成,同时考虑__________,_________两项指标。
15.在路基设计时,要求路基处于__________或___________状态。
16.水对粘性土的抗剪强度影响很大,当水分增加则抗剪强度_________因而其__________较差。
路基路面工程试题库一、填空题1路基除了要求断面尺寸符合设计要求外,应具有足够的强度、整体__、稳定性和水温稳定性.2、公路是一种线型工程,构造物它主要承受汽车荷载的重复作用和经受自由荷载的长期作用。
3、公路的基本组成部分包括路基、路面、桥涵、隧道、排水设备和特殊构造物.4、路基干湿类型的两种判断方法是平均稠度划分法_和临界高度。
5、粉性土的毛细水上升速度快而且高_水稳定性差。
6、公路路基用土按粒径划分为巨粒土、粗粒土、细粒土。
7、土的回弹摸量反映了土基在弹性变形阶段内的垂直荷载作用下抵抗竖向变形的能力。
8、在路基设计的要求路基处于干燥和干湿状态。
9、路基工程的附属设施包括取土坑、弃土堆护坡道、碎落台、堆料台10、路基横断面设计主要内容是确定路基边坡坡度和边坡防护加固措施.11、矮路基设计应特别注意清场处理、压实处理及地基处理和加固。
12、高出原地面由填方构式的路基称路堤低于原地面由挖方构式的路基称路堑.13、路基高度低于1m的称矮路堤,高于20m _的称高路堤,介于两者的为一般路堤。
14、路基的边坡坡度是边坡的高度H与边坡宽度B的值写成1:m,m值越大,则边坡越缓m值越小,则边坡越陡。
15、常见的路基横断面形成有路堤、路堑、填挖结合路堤、不填不挖路基。
16、沿河路基直接承受水流冲刷,其冲刷防护可分为直接防护和间接防护.17、路基坡面防护的常用措施可分为植被防护和坡面处理及护面墙。
18、路基的防护与加固工程不仅可以保证稳定路基而且可以美化路容,提高公路的使用品质。
19、对于较坚硬不宜风化的岩石路堑边坡,当裂缝多而细时,采用勾缝防护,当裂缝大而深时,采用灌浆防护。
20、植物防护主要有种草、铺草皮_、植树 .20、路基排水的目的是保证陆架的强度和稳定性.21、边沟的底宽一般不小于0.4m ,深度也不小于0.4m。
22、流线形边沟使用于积雪积砂路段,石质边沟一般采用矩形断面。
23、公路上土质_边沟易采用梯形断面, 矮路堤和机械化施工路段可采用三角形断面的边沟。
路基工必知必会练习题库含参考答案一、单选题(共40题,每题1分,共40分)1、在风沙地区应做好固沙和()防护等,A、路堤B、路堑C、路基D、其他正确答案:C2、旅客列车停靠的高站台边缘距线路中心线的距离为()A、1750mmB、1760mmC、1780mmD、1770mm正确答案:A3、维修质量验收采用按所有单项作业验收评分均在()及以上的维修项目评为优良。
A、85 分B、80 分C、60 分D、65 分正确答案:A4、为便于管理,将危石划分为()个等级A、5B、4C、3D、2正确答案:C5、为保证路基工程的施工质量、安全,应建立严格的检查、验收制度,工务段应加强技术、安全指导,技术负责人应加强检查,每月不少于(),限速、封锁施工的重点工程,主管领导必须亲自检查A、2次B、3次C、1次D、4次正确答案:A6、平原.1路基换算 km=0.1 线路换算 km(平原系指地面相对高差在()以内,起伏不大的广阔地区)。
A、50 mB、150mC、100 mD、200 m正确答案:A7、隐蔽工程在隐蔽前,应事先通知()到现场验收,并在隐蔽工程验收证(详见附件 11)上签认。
验收合格后,方可进行下一道工序的作业A、施工员B、工务段C、监理单位D、技术员正确答案:C8、路基内的水在冻结或融化时造成路基不均衡的冻胀或承载力不足的现象。
这种现象叫()A、沙害B、雪害C、泥石流D、冻害正确答案:D9、横穿线路时,要采用钢管或混凝土管防护,埋入的管顶距路基面不得小于()A、0.4mB、0.6mC、0.8mD、0.5m正确答案:A10、基床土体或风化岩被水浸蚀软化,在列车动力作用下液化成泥浆挤压冒出(道床翻浆不列此类)。
这种现象叫()A、基床下沉外挤B、水浸路基C、基床翻浆冒泥D、排水不良E、河岸冲刷正确答案:C11、工务段应及时将路基设备台账的各项数据录入《铁路工务管理信息系统》(简称PWMIS)的路基设备子系统,并根据设备的变化情况动态管理,每年修订()。
《路基路面工程》习题一、单选题1.用以下几类土作为填筑路堤材料时其工程性质由好到差的正确排列是(B)。
A .砂性土-粉性土-粘性土B .砂性土-粘性土-粉性土C .粉性土-粘性土-砂性土D .粘性土-砂性土-粉性土2 .在公路土中,巨粒土和粗粒土的分界粒径是(B )。
A .200mmB .60,,C .20mmD .5mmm3 .已知某路段预估路面厚度约30cm ,路面表层距地下水位的高度为1.65m ,查得临界高度H 1 =1.7~ 1.9m ,H 2 =1.2~ 1.3m ,H 3 =0.8~0.9m ,则该路段干湿类型是(B )。
A .干燥B .中湿C .潮湿D .过湿4. 在路基常见的病害中,由于山坡陡峭,基底的摩擦力不足而引起的病害是(B)。
A .路基的沉陷B .路堤沿山坡滑动C .路堤边坡滑坍D .路基边坡剥落5. 在路基常见的病害中,因地基压实不足,基底软弱处理不当而引起的病害是(D)。
A .路堤的沉陷B .路堤沿山坡滑动C .路堤边坡滑移D .地基沉陷6. 路基边坡土体,沿着一定的滑动面整体向下滑动,这种现象称为(C )。
A .剥落B .碎落C .滑坍D .崩坍7. 二级及二级以下新建公路路基设计标高是指(A)A、设超高加宽前的路基边缘标高;B、路基边缘标高;C、路面中心标高;D、路槽标高8. 在路基横断面中,坡脚线与设计线的标高之差应为(B)A、路基的最小填土高度;__B、路基边土坡高度;__C、路基临界高度;__D、路基填土高度9. 一般路基设计方法是(A)A、套用典型断面图;B、拟定边坡坡度,然后进行稳定性验算;C、用工程地质法确定边坡值;D、视具体情况而定;10 .对于用砂砾石填筑的路堤,若略去其粘结力不计,其边坡稳定性验算的安全系数计算公式为K=tgφ/tgα。
根据此公式求得K>1 时,则说明(B )。
A .土体处于极限平衡状态B .滑动面上的土体不论坡度多高,都是稳定的C .滑动面上的土体不论坡高多少,都不稳定D .土体可能稳定,也可能不稳定11 .路基边坡稳定性分析与验算的方法有(C )两类。
路基工程练习题一、概述路基工程是建设道路的重要环节之一,它对于道路的稳定性和使用寿命有着至关重要的影响。
本练习题将涵盖路基工程的基本知识和实践操作,以加深对该领域的理解和应用。
二、填空题1. 路基工程的主要目的是确保道路的______和__________。
2. 路基工程通常包括路基的______和________。
3. 在路基工程中,______是指将土方整平,以适应道路的设计要求。
4. 路基的______决定了路面的稳定性和承载能力。
5. 路基工程中常常会使用______来增加土壤的稳定性和承载能力。
三、选择题1. 下列哪种土壤最适合作为路基材料?a. 沙土b. 粘土c. 砂质土d. 腐殖质土2. 路基施工中最常用的方法是:a. 压实法b. 检测法c. 浇筑法d. 缝合法3. 路基工程中使用的常见填料材料是:a. 现场取土b. 砂石料c. 沥青混凝土d. 混凝土块四、简答题1. 路基工程中常见的施工工艺有哪些?2. 路基设计中需要考虑哪些因素?3. 简要介绍路基工程中常见的土壤改良方法。
五、案例分析某市规划建设一条快速路,路基工程涉及的路段地质条件复杂,设计要求道路能够承受大型车辆的通行。
请你结合路基工程的知识,分析该路段的施工难点,并提出解决方案。
六、计算题某路段的总路基长度为500米,路宽为10米,路基的平均高度为2米。
请根据这些数据计算该路段的总路基体积。
七、综合题请你描述一下从规划到竣工的典型路基工程施工流程,并说明其中需要注意的关键点。
经过以上练习,相信你对路基工程有了更深入的了解,并掌握了相关知识和应用技巧。
希望这些练习对于你今后的学业或工作有所帮助。
1、铁路路基工程主要由哪几个部分组成?简明扼要地陈述各个组成部分的作用。
答:路基工程包括本体、排水、防护及支挡四个工程,其中本体工程是直接铺设轨道结构并承受列车荷载的部分,是路基工程的主体建筑物,其他工程为路基工程的附属建筑物。
2、路基加宽与超高值是如何确定的?
3、介绍路基填料的分组情况。
答:构成路基的土常按颗粒大小分为细粒土、粗粒土和岩质土
有时也按土的渗水性把它们区分为渗水土和非渗水土
在路基工程中,常依据土在压实后的工程性质能否满足要求而分为A、B、C、D、E五组
4、基床荷载主要分哪两类? 谈谈你对两类荷载进行力学分析时的思路。
答:路基承受的荷载是指作用在路基面上的应力,包括线路上部结构重量作用在路基面上的应力,即静荷载,以及列车运行中通过轨道传递到路基面上的动应力,即动荷载。
静荷载:把列车荷载作为静荷载,把列车荷载和轨道静荷载的总重,简化为与路基土同质的土柱,均布地作用在路基上。
动荷载:由于第4根轨枕(向一侧排序)枕面的支承力已经很小,因此常假定由5根轨枕分担,分担到每根枕面上的支承力分别为0.4P,0.2P,及0.1P。
5、作出荷载分担按5根轨枕分担的大小位置图。
答:
6、高速铁路路基基床厚度及基床表层厚度的确定原则是什么?
答:基床的厚度按列车荷载产生的动应力与自重应力之比小于0.1的原则确定(3.0m)?
基床表层厚度:如果把荷载动应力沿深度的衰减曲线与路基土强度随深度增加的曲线叠加同一张图纸上,它们的交点则表示所要求的基床表示深度。
在此交点以上的基床范围,荷载的动应力大于土的临界动应力,需要进行加固处理或换填优质填料,以提高临界动应力。
7、简述基床病害的原因及类型。
答:原因;产生基床病害的三个主要因素:基床土质不良、水的浸入和列车动荷载的作用
类型;翻浆冒泥:主要发生于基床土质不符合要求的部位
下沉:主要因基床填筑密度和强度不足所致
挤出:主要因基床强度不足而产生剪切破坏或塑性流动
冻害:基床积水的冻融所致
8、软土地基路堤的稳定性分析方法主要有哪些?
答:软土地基稳定分析的方法较多。
由于均质软土地基的滑动多呈弧形滑面,一般多采用圆弧法进行检算。
依据假设条件的不同,可分为固结有效应力法、宫川勇法、毕肖普法等。
其中以固结有效应力法最为常用。
9、路基边坡稳定性计算方法中的瑞典条分法和毕肖普法的基本原理是什么?两者之间的主要差异是什么?
答:基本原理:将滑动土体竖向分成若干土条,把土条当成钢塑体,分别求作用于各土条上的力对圆心的滑动力矩和抗滑力矩,然后求出土坡的稳定安全系数。
瑞典条分法,在路堤体内作一假想的圆弧滑动面,然后把滑动面以上的土体,按堤身和荷载土柱等形成的变化点分为许多竖直土条,土条宽度应不大于2~4m
毕肖普法,毕肖普法也是一种圆弧滑动面法,它也是将圆弧滑动面上的滑动土体进行分条。
毕肖普法和条分法不同的是:它考虑了土体滑动中土条与土条之间存在相互作用力,以及在土体的稳定性检算中要求的安全度等因素,未将土的抗剪强度用足
10、挡土墙主要分哪两大类?
答:挡土墙分为重力式挡土墙和轻型挡土墙
重力式挡土墙利用挡土墙的自重和地基反力来支挡土体,一般由浆砌片石、混凝土和砖等圬工材料建造轻型挡土墙平衡土压力的原理各不相同,建筑材料以钢筋混凝土为主,也包括其他一些材料
11、重力式挡土墙检算内容有哪些?
答:
1、挡土墙稳定性检算,稳定性是设计中的控制因素,挡土墙稳定性包括滑动和倾覆。
2、挡土墙墙身截面强度检算,包括法向应力、偏心距和剪应力检算。
3、挡土墙基底应力及偏心距检算,为了保证基底应力不超过容许承载力,使结构合理,避免产生不均匀沉降。
4、特殊条件下挡土墙的检算,侵水条件和地震条件下挡土墙检算。
12、加筋土挡土墙的优点主要有哪些?
答:加筋土挡土墙具有应用广泛、造价低廉、施工简便等优点。
加筋土挡土墙有墙面板、拉筋、填料三部分组成,其中其拉筋具有以下特点1、抗拉强度大,不易产生脆性破坏,拉伸变形和蠕变小;2、与填料间有足够的摩擦力;3、有一定的柔性;4、有较好的耐腐性和耐久性。
13、膨胀土的基本特性有哪些?
答 1、颗粒成分:膨胀土以黏粒为主,粉粒次之,砂粒含量较小。
2、物理性质:膨胀土液限高,塑性指数大,具有胀缩性
3、抗剪强度较低,具有明显的“变动强度”即土体的强度随时间的推移而衰减
4、膨胀土还具有超固结、多裂隙、强膨胀等特性。
14、路基软土地基的主要处理技术和措施有哪些?
答: 1、改善路堤的结构形式,反压护道;铺设土工合成材料。
2、人工地基,换土;挤密砂桩;碎石桩;CFG桩;生石灰桩;粉体喷射搅拌法。
3、排水固结,排水砂井;袋装砂井;塑料排水板;排水砂垫层。
4、桩板(网)结构路基,独立墩柱式;托梁式;复合式。