电气专业质量验收项目划分表
- 格式:doc
- 大小:1012.50 KB
- 文档页数:15
聚乙烯装置电气安装工程单位、分部、分项、检验批划分计划标准文案聚乙烯装置电气安装工程单位、分部、分项、检验批划分计划标准文案聚乙烯装置电气安装工程单位、分部、分项、检验批划分计划标准文案聚乙烯装置电气安装工程单位、分部、分项、检验批划分计划标准文案聚乙烯装置电气安装工程单位、分部、分项、检验批划分计划标准文案聚乙烯装置电气安装工程单位、分部、分项、检验批划分计划标准文案聚乙烯装置电气安装工程单位、分部、分项、检验批划分计划标准文案聚乙烯装置电气安装工程单位、分部、分项、检验批划分计划标准文案聚乙烯装置电气安装工程单位、分部、分项、检验批划分计划标准文案聚乙烯装置电气安装工程单位、分部、分项、检验批划分计划标准文案聚乙烯装置电气安装工程单位、分部、分项、检验批划分计划[内容摘要]:监理工程师在建筑电气工程的施工监理过程中,如何从检验批划分、质量控制资料及安全和功能检验(检测)资料、工序报验的时间、资料填写几个方面进行工程质量验收资料的控制。
[关键词]:建筑电气工程质量验收资料控制检验批划分附加表式时间控制资料填写自2002年11月1日《建筑工程质量验收资料》开始在新的工程中使用,我一直在施工现场从事建筑安装工程的监理工作。
在对现场工程质量进行控制时,对工程质量验收资料的控制也逐渐成为质量控制的一种手段。
通过两年来对《建筑工程质量验收资料》的实践应用与总结,尤其是对《建筑电气工程施工质量验收资料》的报验、收集、标准文案整理,总结了一些经验,并在2004年所在的“楚港兴市花苑”工程监理过程中具体实施,得到了建设单位和施工单位的认可及好评。
根据《建筑工程施工质量验收统一标准》,建筑电气工程是一个分部工程,其下有7个子分部工程,针对普通住宅常用的几个分项工程本文做详细说明。
监理对建筑电气工程质量验收资料的控制,主要从以下几个方面入手。
1.检验批划分的控制在施工过程中,监理所收到的质量验收资料主要是施工单位的材料报验单和工序报验单,工序报验即各分项工程检验批的报验。
目录一、目标分解计划说明 (2)二、土石方分部工程质量目标分解 (2)三、基础分部工程质量目标分解(一般基础) (2)四、铁塔组立分部工程质量目标分解 (3)五、架线分部工程质量目标分解 (4)六、接地分部工程质量目标分解 (7)七、线路防护及环境保护分部工程质量目标分解 (7)八、质量目标分解汇总 (8)九、检查(检验)项目分类 (8)十、工程质量验评范围划分 (8)一、目标分解计划说明根据工程达标投产的要求,我项目部制定了相应的质量目标,“竣工验收合格率达100%,优良品率达100%以上”。
本工程按分部、分项工程进行质检评级,竣工验收合格率达100%,优良品率达100%以上。
杜绝重大质量事故和一般质量事故,消灭关键性项目的永久缺陷。
业主、运行单位竣工终验一次合格率100%,优良率100%及以上。
顾客反馈意见(含投诉)响应率100%,顾客满意率达100%及以上。
按此质量目标的要求,项目部将总的质量目标细化,按照基础、组立杆塔、架线、接地四项施工工序定出相应的分部工程质量目标。
为达此目标,项目部编制出相应的技术措施计划和组织设计。
二、土石方分部工程质量目标分解土石方单基重要、一般项目3项,分别为:2.1立柱断面尺寸2.2底层(掏挖)断面尺寸2.3基础埋深三、基础分部工程质量目标分解(一般基础)3.1单基关键项目3项,分别为:3.1.1地脚螺栓规格、数量3.1.2主钢筋规格、数量3.1.3混凝土强度3.2基础单基重要、一般项目12项,分别为:3.2.1钢筋保护层厚度3.2.2整基基础中心位移3.2.3整基基础扭转3.2.4回填土3.2.5同组地脚螺栓中心对立柱中心偏移3.2.6基础顶面间高差3.2.7基础根开及对角线尺寸3.2.8混凝土表面质量3.3以上所述的关键项目,必须全部达到优良等级3.4以上所述的重要和一般项目,优良项必须一次达到100%;一次成优率率100%。
3.5全部项目,终验一次合格率必须达到100%。
施工质量验收范围划分表和电气安装工程施工质量验收记录表施工质量验收范围划分表是用于规定施工过程中需要验收的项目和要求的文件。
该表旨在确保施工质量的标准化和有效管理,从而保证工程的质量达到设计要求和使用性能。
施工质量验收范围划分表的内容应包括以下几个方面:1. 工程基本信息:包括工程名称、工程地点、建设单位、监理单位、施工单位等基本信息。
2. 施工内容划分:按照工程的不同部位划分,列出各个施工部位的验收项目和要求。
例如,对于电气安装工程,可以将施工内容划分为进线系统、配电系统、照明系统等部分。
3. 验收项目:列出每个施工部位需要验收的项目,包括但不限于以下内容:- 施工图纸是否符合设计要求;- 施工过程中的材料选用是否符合规范要求;- 施工过程中的施工工艺是否符合规范要求;- 施工过程中的操作人员是否持证上岗;- 设备与设施的安装是否符合规范要求;- 施工过程中的安全措施是否到位。
4. 验收要求:对每个验收项目列出具体的验收要求和标准。
这些要求应当符合相应的行业标准和规范,并标明验收合格的标准。
例如,对于照明系统的验收,可以要求照明设备的亮度符合规范要求,光源的颜色温度和光色一致,无明显闪烁等。
5. 验收结果:在验收时,应当记录每个项目的验收情况和结果,包括合格、不合格、待验收等。
对于不合格项,应当记录不合格的原因和要求整改措施。
电气安装工程施工质量验收记录表是一种记录施工质量验收结果的表格。
它是对施工质量验收结果进行记录和整理的便捷工具,也是施工单位和监理单位之间交流的重要依据。
电气安装工程施工质量验收记录表应包括以下内容:1. 工程信息:包括工程名称、工程地点、建设单位、监理单位、施工单位等基本信息。
2. 验收项目:列出各个验收项目的具体内容。
例如,进线系统验收项目包括进线柜安装、电缆接头、电缆敷设等。
3. 验收依据:列出验收所依据的法律法规、行业标准和施工图纸等文件,确保验收结果的合法合规。
电气专业质量验收项目划分表Document serial number【NL89WT-NY98YT-NC8CB-NNUUT-NUT108】目录1 编制目的和适用范围为规范工程质量检验工作,加强施工工序的质量控制,确保工程质量检验工作能够真实反映施工质量,特制定本办法。
本办法适用于公司所承建的B标段所有电气安装项目的工程检验。
2实施本办法的依据施工图及有关文件;设备制造厂提供的技术文件;电力行业《电气装置安装工程质量检验及评定规程》 DL/——2002;GBJ 147—90 《电气装置安装工程高压电器施工及验收规范》;GBJ 148—90 《电气装置安装工程电力变压器、油浸电抗器、互感器施工及验收规范》;GBJ 149—90 《电气装置安装工程母线装置施工及验收规范》;GB 50150—2006 《电气装置安装工程电气交接试验标准》;GB 50168—2006 《电气装置安装工程电缆线路施工及验收规范》;GB 50169—2006 《电气装置安装工程接地装置施工及验收规范》;GB 50170—2006 《电气装置安装工程旋转电机施工及验收规范》;GB 50171—92 《电气装置安装工程盘、柜及二次线路接线施工及验收规范》; GB 50172—92 《电气装置安装工程蓄电池施工及验收规范》;GB 50254—96 《电气装置安装工程低压电器施工及验收规范》;GB 50255—96 《电气装置安装工程电力变流设备施工及验收规范》;GB 50256—96 《电气装置安装工程起重机电气装置施工及验收规范》;经监理部门审批的专业工程质量检验评定项目划分表。
3 职责项目部质检工程师负责编制质量检验及评定项目范围划分表,并征得监理部门同意。
专业公司施工班(组)负责分项、分部工程一级检验。
专业公司专职质检员负责督促一级自检以及分项、分部工程的二级检验及评定。
项目部质检工程师负责三级检验及评定,申请并参加四级检验。
《建筑工程施工质量验收统一标准》(GB50300-2013)——建筑电气检验批划分室外电气子分部:变压器、箱式变电所安装检验批质量验收记录本表适用于变压器、箱式变电所安装工程的检验批质量验收。
一、检验批划分按一个设计系统或设备组别划分为一个检验批。
二、主控项目1.变压器安装及外观检查:本条是对变压器安装的基本要求,位置正确是指中心线和标高符合设计要求。
2.变压器中性点、箱式变电所N和PE母线的连接地连接及支架或框架接地:变压器的接地既有高压部分的保护接地,又有低压部分的工作接地;而低压供电系统在建筑电气工程中普遍采用TN-S或TN-C-S系统,即不同形式的保护接零系统。
3.变压器的交接试验:变压器安装好后,必须经交接试验合格,并出具报告后,才具备通电条件。
交接试验的内容和要求,即合格的判定条件是依据现行国家标准。
4.箱式变电所及落地配电箱的固定、箱体的接地或接零:箱式变电所在建筑电气工程中以住宅小区室外设置为主要形式,本体有较好的防雨雪和通风性能,但其底部不是全密闭的,故而要注意防积水入侵,其基础的高度及周围排水通道设置应在施工图上加以明确。
因产品的固定形式有两种,所以分别加以描述。
5.箱式变电所的交接检验:目前国内箱式变电所主要有两种产品,前者为高压柜、低压柜、变压器三个独立的单元组合而成,后者为引进技术生产的高压开关设备和变压器设在一个油箱内的箱式变电所。
三、一般项目1.有载调压开关检查:为提高供电质量,建筑电气工程经常采用有载调压变压器,而且是以自动调节的为主,通电前除应做电气交接试验外,还应对有载调压开关裸露在(油)箱外的机械传动部分做检查,要在点动试验符合要求后,才能切换到自动位置。
自动切换调节的有载调压变压器,由于控制调整的元件不同,调整试验时,还应注意产品技术文件的特殊规定。
2.绝缘件和测温仪表检查:变压器就位后,要在其上部配装进出入母线和其他有关部件,往往由于工作不慎,在施工中会给变压器外部的绝缘器件造成损伤,所以交接试验和通电前均应认真检查是否有损坏,且外表不应有尘垢,否则初通电时会有电气故障发生。
建筑电气检验批表格1、《成套配电柜、控制柜(屏、台)和动力、照明配电箱(盘)安装检验批质量验收记录》按照(I)高压开关柜;(II)低压成套柜(屏、台);(III)照明配电箱(盘)划分。
2、《电线导管、电缆导管和线槽敷设检验批质量验收记录》按照(I)室内;(II)室外划分。
3、《避雷引下线和变配电室接地干线敷设检验批质量验收记录》按照(I)防雷引下线;(II)变配电室接地干线划分。
建筑电气子分部工程与分项工程相关表注:本表有●符号者为该子分部工程所含的分项工程。
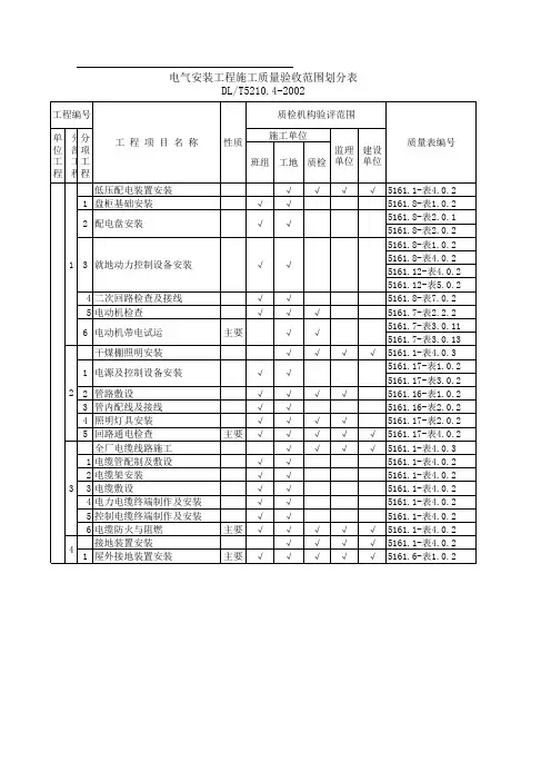
架空线路及杆上电气设备安装检验批质量验收记录(GB50303-2002)表4 编号:060101□□□变压器、箱式变电所安装检验批质量验收记录(GB50303-2002)表5 编号:060102 060201□□□(Ⅰ)高压开关柜(GB50303-2002)表6 编号:060103/060202□□□(Ⅱ)低压成套柜(屏、台)(GB50303-2002)表6 编号:060103/060202/060401/060501/060601□□□成套配电柜、控制柜(屏、台)和动力、照明配电箱(盘)安装检验批质量验收记录(Ⅲ)照明配电箱(盘)(GB50303-2002)表6 编号:060501低压电动机、电加热器及电动执行机构检查接线检验批质量验收记录(GB50303-2002)表7 编号:060402□□□柴油发电机组安装检验批质量验收记录(GB50303-2002)表8 编号:060602□□□不间断电源安装检验批质量验收记录(GB50303-2002)表9 编号:060603□□□低压电气动力设备试验和试运行检验批质量验收记录(GB50303-2002)表10编号:060403□□□裸母线、封闭母线、插接式母线安装检验批质量验收记录(GB50303-2002)表11 编号:060203/060301/060604□□□电缆桥架安装和桥架内电缆敷设检验批质量验收记录(GB50303-2002)表12 编号:060302/060404□□□电缆沟内和电缆竖井内电缆敷设检验批质量验收记录(GB50303-2002)表13 编号:060204/060303□□□(GB50303-2002)表14 编号:060304/060405/060502/060605□□□(GB50303-2002)表14 编号:060104□□□电线、电缆穿管和线槽敷线安装检验批质量验收记录(GB50303-2002)表15 编号:060105/060305/060406/060503/060606□□□电缆头制作、接线和线路绝缘测试检验批质量验收记录(GB50303-2002)表18 编号:060106/060205/060306/060407/060506/060607□□□建筑物景观照明灯、航空障碍标志灯和庭院灯安装检验批质量验收记录(GB50303-2002)表21 编号:060107/060509□□□开关、插座、风扇安装检验批质量验收记录(GB50303-2002)表22 编号:060408 060510□□□建筑物照明通电试运行检验批质量验收记录(GB50303-2002)表23 编号:060108/060511□□□接地装置安装检验批质量验收记录(GB50303-2002)表24 编号:060109/060206/060608/060701□□□(Ⅰ)防雷引下线(GB50303-2002)表25 编号:060702□□□(Ⅱ)变配电室接地干线(GB50303-2002)表25 编号:060207□□□接闪器安装检验批质量验收记录(GB50303-2002)表26 编号:060703□□□建筑物等电位联结安装检验批质量验收记录(GB50303-2002)表27 编号:060704□□□。
电气专业质检项目划分表汇总项目概述电气专业的质检是相关企业或机构进行质量管理和控制的重要手段,主要涉及电力设备、电路设计、电子元器件等方面的质检工作。
在质检过程中,需要对不同的电气设备和工程进行分类和划分,以便进行有效管理和监控。
本文档旨在对电气专业的质检项目进行详细的划分和归纳,以便质检人员能够更加全面和准确地进行质检工作。
项目分类在电气专业的质检中,主要涉及以下几个方面的项目:1. 电路设计电路设计是电气专业质检的重要内容之一,主要包括以下项目:•电路板设计质检•电路元件规格及参数检查•电路测试与可靠性分析•信号处理及电磁兼容性测试•电源及稳压器性能测试2. 电力设备电力设备是电气专业的重要组成部分,主要包括以下项目:•发电机组质量检测•变压器及配电设备质检•线路及电缆质检•电动机性能测试及故障分析•智能电表和节能管理系统质量检测3. 电子元器件电子元器件是电气设备中必不可少的组成部分,主要包括以下项目:•电子元器件可靠性分析•电子元器件物理、化学测试•电子元器件微观结构检测•批量元器件的性能参数测试•电子产品的EMC测试项目明细在对电气专业的质检项目进行分类的基础上,我们对每个项目的具体明细进行如下归纳:1. 电路设计1.1 电路板设计质检•确认电路板设计符合相关标准和规范•检查电路板制造及组装过程是否符合标准要求•检查电路板连接、焊接和安装是否牢固可靠•检查电路板整体可运行性及可靠性1.2 电路元件规格及参数检查•确认元件性能指标符合标准要求•确认元件尺寸、极性及细节符合标准设计•检查元器件的温度、湿度、耐压、耐电磁干扰等参数•聚焦电路元器件可能导致的故障点进行检查1.3 电路测试与可靠性分析•确定测试对象,制定测试计划和测试流程•使用适当的测试设备和仪器进行测试•完成测试后,对测试结果进行分析并记录•基于测试结果进行可靠性分析,提出改进建议1.4 信号处理及电磁兼容性测试•确认信号处理是否符合标准•测试信号处理器件、线缆、连接器等是否正常工作•检查信号本地化、控制面板、继电器等的电磁兼容性•检查信号传输过程中出现的故障点1.5 电源及稳压器性能测试•确认电源及稳压器符合标准要求•检查电源及稳压器的温度、载荷、效率等参数•测试电源及稳压器的性能指标是否符合标准•提出关于电源及稳压器改进和优化的建议2. 电力设备2.1 发电机组质量检测•确认发电机组设计、制造和安装是否符合标准要求•检查发电机组运行状态和机械结构是否正常•测试发电机组的负荷容量及发电效率等参数是否符合标准•基于检查结果提出关于发电机组维护和升级的建议2.2 变压器及配电设备质检•确认变压器及配电设备设计、制造和安装是否符合标准要求•检查变压器及配电设备运行状态和机械结构是否正常•测试变压器及配电设备负荷容量、效率等参数是否符合标准•基于检查结果提出关于变压器及配电设备维护和升级的建议2.3 线路及电缆质检•确认线路及电缆设计、制造和安装是否符合标准要求•检查线路及电缆的连接、接头是否牢固可靠•测试线路及电缆运行状态是否正常•基于检查结果提出关于线路及电缆改进和升级的建议2.4 电动机性能测试及故障分析•确认电动机设计及制造是否符合标准要求•测试电动机的性能参数并确定是否符合标准•检查电动机运行状态和机械结构是否正常•针对可能存在的故障点进行分析并提出改进建议2.5 智能电表和节能管理系统质量检测•确认电表和节能管理系统符合标准要求•测试电表和节能管理系统的运行状态•确认电表和节能管理系统能够实现准确计量和管理•基于检查结果提出关于电表和节能管理系统维护和升级的建议3. 电子元器件3.1 电子元器件可靠性分析•确认电子元器件设计、制造和应用是否符合标准要求•分析电子元器件的失效模式和故障原因•分析电子元器件的寿命及可靠性指标•基于分析结果提出改进建议3.2 电子元器件物理、化学测试•确认电子元器件的物理和化学性质是否符合标准要求•测试电子元器件的尺寸、重量、密度等物理参数•测试电子元器件的化学成分和性能•基于测试结果提出改进建议3.3 电子元器件微观结构检测•检查电子元器件的微观结构•测试电子元器件的材料、结构和组织等方面•评估电子元器件的微观性能和可靠性•基于检查和测试结果提出改进建议3.4 批量元器件的性能参数测试•确认元器件批次合格率•测试批量元器件的性能参数•对元器件的多组参数进行方差分析•提出元器件性能改进建议3.5 电子产品的EMC测试•确认电子产品符合电磁兼容性标准要求•测试电子产品的电磁辐射及抗干扰能力•评价电子产品的电磁兼容性及其限制•提出电子产品的电磁兼容性改进建议通过对电气专业质检项目的分类和明细化,希望能够为质检人员提供更全面、准确的质检指导,提高企业电气设备的可靠性和安全性。
施工质量验收范围划分表和电气安装工程施工质量验收记录表施工质量验收范围划分表是在施工过程中对各个专业工程进行验收的一个文件,用于规范施工质量的评估和验收工作。
下面是一份施工质量验收范围划分表的参考内容:1. 总体验收范围:(1) 建筑工程(2) 结构工程(3) 暖通工程(4) 电气工程(5) 给排水工程(6) 装饰装修工程2. 电气工程验收范围:(1) 电力系统及设备的装置和连接情况;(2) 电气线路的敷设和连接情况;(3) 照明和照明设备的安装情况;(4) 弱电系统的安装和连接情况,如监控系统、通信系统等;(5) 接地装置的设置和测量情况;(6) 电气设备的性能和使用情况。
3. 施工质量验收记录表是对施工过程中的各项质量验收内容进行记录的表格,用于记录施工质量的合格情况,下面是一份电气安装工程施工质量验收记录表的参考内容:3.1 项目基本信息:(1) 工程名称:(2) 工程地点:(3) 施工单位:(4) 施工日期:(5) 验收人员:3.2 验收内容:(1) 电气设备的安装情况:[ ] 符合设计要求;[ ] 进行了合适的接地处理;[ ] 设备间距符合规范;[ ] 设备连接正确;[ ] 设备的标识和标牌清晰可读。
(2) 电气线路敷设和连接情况:[ ] 线缆敷设符合要求;[ ] 线缆连接牢固;[ ] 线缆的标识和编号正确。
(3) 照明和照明设备的安装情况:[ ] 灯具安装位置合理;[ ] 照明布局合理;[ ] 照明设备的安装牢固;[ ] 照明设备的亮度和色温符合要求。
(4) 弱电系统的安装和连接情况:[ ] 弱电设备安装位置合理;[ ] 弱电设备连接正确;[ ] 弱电设备的性能符合要求。
3.3 验收结论:[ ] 合格;[ ] 不合格。
3.4 验收意见:(1) 合格的部分:(2) 不合格的部分:3.5 验收人员签名:以上是一份施工质量验收范围划分表和电气安装工程施工质量验收记录表的参考内容。
根据实际工程的特点和要求,可以根据这些参考内容进行修改和补充,以适应具体的工程验收工作。
工程质量验收分级项目划分
电气专业A版
工程质量验收分级项目划分
电气专业A版
工程质量验收分级项目划分
电气专业A版
工程质量验收分级项目划分
电气专业A版
工程质量验收分级项目划分
电气专业A版
工程质量验收分级项目划分
电气专业A版
工程质量验收分级项目划分
电气专业A版
工程质量验收分级项目划分
电气专业A版
工程质量验收分级项目划分
电气专业A版
工程质量验收分级项目划分
电气专业A版
工程质量验收分级项目划分
电气专业A版
工程质量验收分级项目划分
电气专业A版。
目录
1 编制目的和适用范围 (2)
2 实施本办法的依据 (2)
3 职责 (2)
4 检验、报验及评定办法 (2)
5 材料报验及检验 (3)
6 施工过程质量控制 (4)
7 其他规定 (4)
8 附录 (4)
1 编制目的和适用范围
为规范工程质量检验工作,加强施工工序的质量控制,确保工程质量检验工作能够真实反映施工质量,特制定本办法。
本办法适用于公司所承建的B标段所有电气安装项目的工程检验。
2 实施本办法的依据
2.1 施工图及有关文件;
2.2 设备制造厂提供的技术文件;
2.3 电力行业《电气装置安装工程质量检验及评定规程》 DL/T5161.1—5761.17—
2002;
2.4 GBJ 147—90 《电气装置安装工程高压电器施工及验收规范》;
2.5 GBJ 148—90 《电气装置安装工程电力变压器、油浸电抗器、互感器施工及验
收规范》;
2.6 GBJ 149—90 《电气装置安装工程母线装置施工及验收规范》;
2.7 GB 50150—2006 《电气装置安装工程电气交接试验标准》;
2.8 GB 50168—2006 《电气装置安装工程电缆线路施工及验收规范》;
2.9 GB 50169—2006 《电气装置安装工程接地装置施工及验收规范》;
2.10 GB 50170—2006 《电气装置安装工程旋转电机施工及验收规范》;
2.11 GB 50171—92 《电气装置安装工程盘、柜及二次线路接线施工及验收规范》;
2.12 GB 50172—92 《电气装置安装工程蓄电池施工及验收规范》;
2.13 GB 50254—96 《电气装置安装工程低压电器施工及验收规范》;
2.14 GB 50255—96 《电气装置安装工程电力变流设备施工及验收规范》;
2.15 GB 50256—96 《电气装置安装工程起重机电气装置施工及验收规范》;
2.16 经监理部门审批的专业工程质量检验评定项目划分表。
3 职责
3.1项目部质检工程师负责编制质量检验及评定项目范围划分表,并征得监理部门
同意。
3.2专业公司施工班(组)负责分项、分部工程一级检验。
3.3专业公司专职质检员负责督促一级自检以及分项、分部工程的二级检验及评定。
3.4项目部质检工程师负责三级检验及评定,申请并参加四级检验。
4 检验、报验及评定办法
4.1一级检验
班(组)技术负责人组织施工人员对分项、分部工程应检验的项目进行全面检验。
检验合格后,填写分项、分部工程自检记录,向专业公司质检员申请二级检验。
4.2二级检验
a)二级检验由专业公司质检员负责组织,施工项目技术负责人和主要施工人员参加。
b)检验用计量器具必须符合《监视和测量装置控制程序》的规定。
c)二级检验结果达到规定要求后,填写分项、分部工程检验评定表。
4.3 三级检验
a)二级检验合格后,由专业公司质检员向项目部提交分项、分部工程质量检验评定表以及有关试验、检验证明等质量文件,申请三级检验。
b)三级检验由项目部质检工程师组织,专业公司质检员、该项目技术负责人和有关施工人员参加。
c)质检工程师按规定进行现场检验,主要检验项目必检。
检验数据与专业公司数据对照,相符并满足施工图纸和有关文件规定。
d)三级检验完成,各检验单位代表应在分项、分部工程质量检验评定表签证栏中签字,对其检验结果予以确认。
4.4 四级、五级检验
a)三级检验合格后由项目部填写报验单,提前24个小时向监理部门报验。
b)项目部质检工程师参加监理部门组织的四级、五级检验。
检验合格后,保留四份经各方签字的《分项、分部及单位工程质量检验评定表》。
4.5分项、分部、单位工程质量等级评定
分项、分部工程全部检验项目完成后,进行分项、分部工程质量等级评定。
分部工程的质量等级评定应在所含分项工程全部质量等级评定的基础上进行。
二级检验项目,由专业公司质检员进行等级评定。
三级检验项目,由项目部质检工程师进行等级评定。
四级验收项目,由监理部门进行等级评定。
五级验收项目,由监理部门及建设单位共同进行等级评定。
电气专业施工项目质量评定等级均为“合格”。
5 材料报验及检验
5.1 自行采购的物资,物资部门负责外观检查、数量清点并做好进货质量文件资料
的核对及验收记录,及时处理验收中出现的问题。
5.2 厂家提供的材料除按上述执行外,还应按照已签订的《设备代保管协议》执行,物资部门组织专业公司、工程部、监理、业主及厂家代表等共同进行验证。
5.3 工程的主要材料,进场时必须按照规定报审相关证件资料;使用前应按照验收标准进行复验,取样须有监理在场见证或经监理批准的取样见证人见证,凡复检不合格的材料,一律退场,不得使用。
(试验室如不具备条件试验,可在试验人员的指导下外委试验。
)
5.4 凡须进行检验或复验的材料,合格后应按照仓储相关规定,合理存放,分类管理,试验报告连同相关证件资料应及时归类存档。
6 施工过程质量控制
6.1 对工程量大、施工期长的分项工程需要分部位或分阶段检验,应把检验部位填在工程名称栏内,检验时每一部位填写一份验评表,检验部位的划分应和《专业工程质量检验评定项目划分表》相一致。
6.2 施工过程中,原则上严格按照相应的设计图纸施工;如设计图纸与厂家资料或者与现场实际情况出现偏差者,应及时与监理、业主及设计院联系解决。
6.3 施工工艺严格按照质量标准进行,如规范中未规定者,应与业主及监理方协商解决。
6.4 对任何可能隐蔽缺陷或检验结果的施工项目,项目部应保证监理工程师有足够的机会对即将隐蔽的任何工程项目进行检查和测量。
未经监理工程师批准,不得进行任何工程的隐蔽。
6.5 施工到达某个见证(W)点之前,项目部工程部应书面通知监理部门,说明该见证(W)点准备施工的日期和时间,请监理工程师届时到场进行见证和监督。
该见证点获监理工程师认可后,方可进行该项施工。
6.6 施工到达某个停工待检(H)点之前,项目部工程部应书面通知监理部门,说明该停工待检(H)点准备施工的日期和时间,请监理工程师届时到场进行见证和监督,须做好记录,事后监理工程师应补签验收记录表。
6.7 施工到达某个旁站(S)点之前,项目部工程部应书面通知监理部门,说明该旁站(S)点准备施工的日期和时间,请监理工程师届时到场参与旁检。
7 其他规定
7.1 业主、监理工程师有权抽查一、二及三级验收项目。
7.2 监理工程师有权在其认为任何适当的时间内,进入工地以及为工程生产、加工和准备材料的地方进行检查,项目部有为这种检查提供一切便利的义务。
7.3 为加强过程质量检验及控制,防止将未完成项目或缺陷带入下道工序,对移交安装、调试的项目,必须严格办理中间交接手续。
7.4 如实际施工项目与该项目划分表出现偏差,应与业主及监理方协商解决。
8 附录
8.1 电气专业工程质量检验项目划分表目录及说明
8.2 《电气专业工程质量检验项目划分表》
电气专业工程质量检验划分表单位工程目录
说明:。